Y型过滤器的表示方法
- 格式:docx
- 大小:9.27 KB
- 文档页数:1
Y型过滤器的表示方法
过滤器是除去液体中少量固体颗粒的小型设备,可保护压缩机、泵、仪表和其他设备的正常工作,当流体进入置有一定规格滤网的滤筒后,其杂质被阻挡,而清洁的滤液则由过滤器出口排出,当需要清洗时,只要将可拆卸的滤筒取出,处理后重新装入即可,因此,使用维护极为方便。
管道中的垃圾碎屑经常会对设备造成损坏,如水垢、铁锈、复合密封剂、煤渣及其他固体颗粒等都有可能进入管道系统中,为了防止含有粉尘和颗粒的流体对设备的不利影响,常在管道中使用过滤器。
为防止泵免遭遗留在管道中的施工垃圾的侵害,泵的上游可以装上过滤器装置。
过滤器可以过滤掉液体或气体中的固体颗粒,保护设备免于损坏,防止管路堵死。
过滤器由阀体、滤网、排污、传动、控制装置组成,工作原理很简单,水等介质从滤口进入,颗粒杂质会被截留在滤网上,所以过滤器广泛应用于冶金、化工、石油、造纸、医药、食品、采矿、电力、城市给水领域,过滤器已发展成为一种先进、高效且易操作的全自动过滤装置。
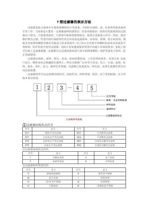
过滤器的型号由过滤器结构形式,连接形式,材料类别,接管、法兰等的标准,压力等级5部分组成。
②过滤器连接形式代码
④过滤器接管、法兰等的标准代码
无论是公制还是英制系列,均采用常用的压力等级数字。
公制系列的压力等级单位为bar,英制系列为磅级。
目数粒度um 目数粒度um 目数粒度um5 3900 140104 1600 1010 2000 17089 1800 816 1190 20074 2000 6.520 840 23061 2500 5.525 710 27053 3000 530 590 32544 3500 4.535 500 40038 4000 3.440 420 46030 5000 2.745 350 54026 6000 2.550 297 65021 7000 1.2560 250 8001980 178 90015100 150 110013120 124 1300111. 目是指每平方英吋筛网上的空眼数目,50目就是指每平方英吋上的孔眼是50个,500目就是500个,目数越高,孔眼越多。
除了表示筛网的孔眼外,它同时用于表示能够通过筛网的粒子的粒径,目数越高,粒径越小。
2. 粉体颗粒大小称颗粒粒度。
由于颗粒形状很复杂,通常有筛分粒度、沉降粒度、等效体积粒度、等效表面积粒度等几种表示方法。
筛分粒度就是颗粒可以通过筛网的筛孔尺寸,以1英寸(25.4mm)宽度的筛网内的筛孔数表示,因而称之为“目数”。
目前在国内外尚未有统一的粉体粒度技术标准,各个企业都有自己的粒度指标定义和表示方法。
在不同国家、不同行业的筛网规格有不同的标准,因此“目”的含义也难以统一。
目前国际上比较浒用等效体积颗粒的计算直径来表示粒径。
以μm或mm表示。
下表为我国通常使用的筛网目数与粒径(μm)对照表。
目数微米目数微米目数微米目数微米2.5 7925 12 1397 60 245 325 473 5880 14 1165 65 220 425 334 4599 16 991 80 198 500 255 3962 20 833 100 165 625 206 3327 24 701 110 150 800 157 2794 27 589 180 83 1250 108 2362 32 495 200 74 2500 59 1981 35 417 250 61 3250 210 1651 40 350 270 53 12500 1。
Y型过滤器Y型过滤器属于管道过滤器系列,是输送介质的管道系统不可缺少的一种过滤装置,Y 型过滤器通常安装在减压阀、泄压阀、定水位阀或其它设备的进口端,用来清除介质中的杂质,保证机器设备(包括泵、压缩机等)、仪表能正常工作和运转,达到稳定工艺过程,保障安全生产的作用。
Y型过滤器具有等特点Y型过滤器具有结构先进、阻力小、制作简单、安装清洗方便、纳污量大等优点。
1. Y型过滤器主要材料1 主体材质 碳钢 不锈钢2 滤框滤网材质不锈钢304、316、316L3 密封件材质耐油石棉、丁腈橡胶、聚四氟乙烯4 介质温度(℃)-30~3805 公称压力(MPa)0.6~5.06 过滤精度(目)10~3007 压损(额定流速下) 0.05-0.1m8 连接方式 螺纹连接法兰连接(法兰尺寸:新国标)2. Y型过滤器运行参数3. Y型过滤器型号型号标记材质:碳钢C、不锈钢S滤网规格:目公称压力:PN(MPa)公称直径:DN(mm)Y型过滤器类型:HSY-Ⅰ法兰连接HSY-Ⅱ螺纹连接标记注释-Ⅰ材质:不锈钢304S滤网规格:80目公称压力:PN1.0(MPa)公称直径:DN50(mm)Y型过滤器类型:HSY-Ⅰ法兰连接4. 滤网规格孔目数目 丝径mm可拦截的粒径um开孔面积(%)100.508203236120.475166039140.376143837160.315127335180.315109639200.27395533220.23488231240.23478544260.23474341280.23467344300.23461447320.23456050360.23447254380.23445554400.19344251500.15235650600.12230149800.102216531000.081173541200.081131621500.065104312000.05074333000.0354430 5. 法兰连接外型尺寸公称通径 L H H1 DN20 125 100 150DN20 155 100 150DN25 160 100 150DN32 180 110 160DN40 200 115 170DN50 230 155 195DN65 220 200 270DN80 250 210 295 DN100 305 250 345 DN125 350 305 425 DN250 480 360 485 DN200 500 450 605 DN250 550 505 710 DN300 600 580 815 DN350 700 600 845 DN400 780 620 875 DN450 850 700 980 DN500 900 875 16506. 螺纹连接外型尺寸公称通径 L H H1 DN15 95 75 105DN20 110 85 105DN25 115 95 135DN32 130 120 170DN40 165 135 185DN50 195 165 215。
Y型过滤器Y型过滤器是输送介质的管道系统不可缺少的一种过滤装置,Y型过滤器通常安装在减压阀、泄压阀、定水位阀或其它设备的进口端,用来清除介质中的杂质,以保护阀门及设备的正常使用。
Y型过滤器具有结构先进,阻力小,排污方便等特点。
Y型过滤器适用介质可为水、油、气。
一般通水网为18~30目,通气网为10~100目,通油网为100~480目。
篮式过滤器主要由接管、主管、滤蓝、法兰、法兰盖及紧固件等组成。
当液体通过主管进入滤蓝后,固体杂质颗粒被阻挡在滤蓝内,而洁净的流体通过滤蓝、由过滤器出口排出。
中文名Y型过滤器外文名Y type strainer 介质温度300(℃) 工作压差2KG 型号SY 型其他型号QG型汽(气)过滤器;YQ型过滤器连接方式GL41H法兰连接;目录1 简介2 工作原理3 产品分类4 相关型号5 技术参数6 执行标准7 安装8 产品应用简介编辑Y型过滤器是输送介质的管道系统不可缺少的一种过滤装置,Y型过滤器通常安装在减压阀、泄压阀、定水位阀或其它设备的进口端,用来清除介质中的杂质,以保护阀门及设备的正常使用。
Y型过滤器具有结构先进,阻力小,排污方便等特点。
Y型过滤器适用介质可为水、油、气。
一般通水网为18~30目,通气网为10~100目,通油网为100~480目。
篮式过滤器主要由接管、主管、滤蓝、法兰、法兰盖及紧固件等组成。
当液体通过主管进入滤蓝后,固体杂质颗粒被阻挡在滤蓝内,而洁净的流体通过滤蓝、由过滤器出口排出[1] 。
工作原理编辑Y型filterY型filter(17张)Y型过滤器是除去液体中少量固体颗粒的小型设备,可保护设备的正常工作,当流体进入置有一定规格滤网的滤筒后,其杂质被阻挡,而清洁的滤液则由过滤器出口排出,当需要清洗时,只要将可拆卸的滤筒取出,处理后重新装入即可,因此,使用维护极为方便。
Y型过滤器又名除污器、过滤阀,是输送介质的管道系统不可缺少的一种装置,其作用是过滤介质中的机械杂质,可以对污水中的铁锈、沙粒、液体中少量固体颗粒等进行过滤以保护设备管道上的配件免受磨损和堵塞,可保护设备的正常工作。
蒸汽过滤器
Y型过滤器是为了有效在线过滤蒸汽系统中的杂质,保护蒸汽设备,减少维护费用和降低停机,可使用排污阀和排放阀来在线清洗过滤器,增长设备和控制阀门寿命。
蒸汽中所含的杂质和污垢进入换热器中,会在换热面上形成不易清洗的垢层,阻碍热量的传递,减少换热器的输出。
Y型过滤器由铸钢阀体、可拆卸的阀盖、内置不锈钢网架和100目316L不锈钢精编滤网组成。
为了保证有效过滤面积,蒸汽过滤器需要采用3倍以上的超大过滤通道,有效降低蒸汽流速,减少惯性冲击。
大比例的有效过滤面积,不仅提高了过滤器的流通能力,降低过滤器通过压降,减少了清洗时间。
蒸汽滤网双层100目滤网结构,强度好,有很好的抗冲击性能。
316L不锈钢材质的滤芯,耐冲蚀、腐蚀。
蒸汽专用过滤器阀盖结构方便拆卸和密封的内定位机构,方便快速拆洗维护。
阀盖上可选外置排污阀堵头设计,可实现过滤、疏水一体设计,减少安装空间要求。
蒸汽过滤器如果底部安装疏水排污装置,过滤器要垂直安装,如果过滤器阀盖不设疏水排污装置,则必须水平安装,避免降低蒸汽过滤器的的有效过滤面积和流通面积,防止起停机时产生水锤。
蒸汽滤器保护下游设备,减少非计划停机,保护换热设备和管道元件,避免因管道杂质影响蒸汽系统的正常使用。
Y型过滤器内的流速因其流体方向不断改变,各处的截面积也处处不一样,且当流体通过过滤孔与过滤网(滤网的目数也是可更换的)时的情况更复杂,当有杂物滤出时谁能说出个数,要计算局部阻力系数是不可能的事,就连直管的阻力的计算也有许多公式,其计算结果也各不相同,因此你不要计算了,现在只能用实验的方法去测定其阻力系数,工程上用当量法标注在产品说明书上,即相当于一米直管阻力的倍数方法。
1)对于‘Y型’等管件类过滤器,按下式计算:
2)对于‘筒壳’类过滤器,按下式计算:
ΔP--阻力损失,Pa
λ--摩擦系数,无因次
Re-雷诺数,Re=(ω·dn)/u,无因次
ω-流体速度,m/s
ρ-流体密度,kg/m
μ-动力粘度,kg/m·s
u-运动粘度u=μ/ρ,m/s
L-当量直管段长度,m,类管件过滤器查阅下表“类管件过滤器公称直径与当量直管段长度关系”
D-类管件过滤器内径,m
dn-当量直径m,类管件过滤器取管件内径"D",筒壳式过滤器取‘4s/c’ S-液体流通面积,m
C-液体湿周(湿润周长),C=2X(筒体内径+筒体高度)m
ξ-入口阻力系数,取1.1
ξ-出口阻力系数,取0.5
过滤器公称通径与当量直管段长度关系。
一、Y型过滤器1.目数的定义:指物料的粒度或粗细度,一般定义是指在1英寸×1英寸(25.4mm×25.4mm)的面积内有多少个网孔数,即筛网的网孔数。
Y型过滤器滤网目数越大,说明物料粒度越细;Y型过滤器目数越小,说明物料粒度越大。
各国标准筛的规格不尽相同,常用的泰勒制是以每英寸长的孔数为筛号,称为目。
例如100目的筛子表示每英寸筛网上有100个筛孔。
图1 Y型过滤器及滤网2. Y型过滤器的目数选择(1)网上答案:一般用于设备前起过滤作用保证设备安全,当介质为水时一般选择4-18目,当介质为蒸汽时一般选择40-90目。
(2)厂家答案:Y型过滤器是输送介质的管道系统不可缺少的一种过滤装置,Y型过滤器通常安装在减压阀、泄压阀、定水位阀或其它设备的进口端,用来清除介质中的杂质,以保护阀门及设备的正常使用。
Y型过滤器具有结构先进,阻力小,排污方便等特点。
Y型过滤器适用介质可为水、油、气。
一般通水网为18~30目,通气网为10~100目,通油网为100~480目。
(3)规范中的答案(存在问题?):《管道过滤器的设置》HG/T20570.22-95(规范较老)中原文:“临时过滤器按结构可分为平板型、篮型、T型、Y型等。
平板(多孔)型通常使用于离心泵的吸入管道上。
篮型、T型、Y型通常使用于往复式压缩机或油类等粘度较大的液体的吸入管道上。
临时过滤器使用的过滤网,一般选用100孔/cm2的滤网。
”经过计算可知,100孔/cm2=645.16孔/英寸2≈645目,这个数大的离谱,???3. Y型过滤器的筛孔尺寸与标准目数对应筛孔尺寸:4.75mm?标准目数:4目?筛孔尺寸:4.00mm?标准目数:5目?筛孔尺寸:3.35mm?标准目数:6目?筛孔尺寸:2.80mm?标准目数:7目?筛孔尺寸:2.36mm?标准目数:8目?筛孔尺寸:2.00mm?标准目数:10目?筛孔尺寸:1.70mm?标准目数:12目?筛孔尺寸:1.40mm?标准目数:14目?筛孔尺寸:1.18mm?标准目数:16目?筛孔尺寸:1.00mm?标准目数:18目?筛孔尺寸:0.850mm标准目数:20目?筛孔尺寸:0.710mm标准目数:25目?筛孔尺寸:0.600mm标准目数:30目?筛孔尺寸:0.500mm标准目数:35目?筛孔尺寸:0.425mm标准目数:40目?筛孔尺寸:0.355mm标准目数:45目?筛孔尺寸:0.300mm标准目数:50目?筛孔尺寸:0.250mm标准目数:60目?筛孔尺寸:0.212mm标准目数:70目?筛孔尺寸:0.180mm标准目数:80目?筛孔尺寸:0.150mm标准目数:100目?筛孔尺寸:0.125mm标准目数:120目?筛孔尺寸:0.106mm标准目数:140目?筛孔尺寸:0.090mm标准目数:170目?筛孔尺寸:0.0750mm标准目数:200目?筛孔尺寸:0.0630mm标准目数:230目?筛孔尺寸:0.0530mm标准目数:270目?筛孔尺寸:0.0450mm标准目数:325目?筛孔尺寸:0.0374mm标准目数:400目二、全程水处理器1. 概述全程综合水处理器是根据水系统中普遍存在的结垢、腐蚀、菌藻以及水质恶化等问题,将“射频水处理器”和“黄锈水过滤器”完美结合,利用航空航天领域差转屏蔽与多点阵列组合技术解决不同频谱间相互干扰,利用机械墙挡式过滤、多级活性铁质滤膜杂质着床及电晕场静电吸附效应三重复合过滤体系超净过滤。
壳体材质碳钢、黄铜不锈钢滤框滤网材质不锈钢密封件材质耐油石棉、丁腈橡胶、聚四氟乙烯工作温度℃-30~+380-80~+450连接方式法兰连接、对焊连接、螺纹连接工称压力MPa0.6~5.0(150~600Lb)过滤精度(目/in)10-300▲适用说明如下:1、Y型过滤器由壳体、排污盖、滤芯、滤网等组成。
网眼总面积是入口管首截面积的3-4倍.2、用于管道清除输送介质:热水、冷水、蒸汽、压缩空气各种机械杂质,特别是锅炉房循环水泵前均需安此产品,为了清除系统中的机械杂质,使设备和管道免受堵塞和磨损,在额定流速下压损为0.05-0.1米水柱。
3、用于各种用汽设备,如:蒸汽仪表、疏水阀,压缩空气和各类用汽设备前均需安装。
在额定流速下压损为0.05-0.2米水柱。
4、Y型过滤器的滤眼密度有多种。
例如:64孔、200孔、300孔/Cm2。
常用于各种输油管道上一切设备。
例如:油泵、油锅炉前均需安装,在额定流速下压损为0.05-0.1米水柱。
5、化工,石油化工生产中的弱腐蚀性物料,如:水、氨、油品、烃类等。
化工生产中的腐蚀性物料,如:烧碱,浓稀硫酸,碳酸,醋酸,酸等。
制冷中的低温物料,如:液甲烷,液氨,液氧和各种冷剂。
轻工食品,制药生产中有卫生要求的物料,如:啤酒,饮料,乳制品,粮浆医药用品等。
A3(WCB)L2 304(CF3) 316(CF8M) 316(CF3M) 衬里主体材质过滤芯件材质304 304L 316 316L304 304L 316 316L不锈钢钢丝网材质密封垫片丁晴橡胶垫片聚四氟乙烯垫片金属垫片石墨垫片密封面突面(RF)平面(FF)凹凸面(MFM)榫槽面(TG)螺帽螺栓20# 304 304L 316 316L法兰标准HG GB HGJ JB ANSI JIS DIN BS NF链接形式对焊连接(Ⅰ)法兰连接(Ⅱ)内螺纹连接(Ⅲ)外螺纹连接(Ⅳ)工作温度碳钢:-30℃~+350℃ 不锈钢:-80℃~+480℃外表碳钢:防腐油漆不锈钢:酸洗处理或防腐油漆黄铜:本体设计制造检测标HGJ532-91 GB150-98准不锈钢钢丝技术特征(英制)SS Wire Gauze Parameter~目数∕in Mesh/in~孔数∕in2Hole/in2可截粒径ParticleDia(u)丝径Wire Dia(mm)有效过滤面积%EffectiveFiltrate Area1010020320.02000(0.510)64 204009550.01240(0.315)58 309006140.00921(0.224)54 4016004420.00760(0.206)48 5025003560.00598(0.152)46 6036003010.00480(0.122)44 8064002160.00402(0.102)421.00319(0.081)40▲Y型过滤器主要技术参数型号Model GLQ-SY环境温度AmbientTemperatureCS:–30℃~+350℃SS:-80℃~+480℃规格Size DN 15~600 GB81~59PN 0.6~5.0 FFRF螺帽螺栓Bolt/Nut20# 304 304L 316 316L壳体材质Body A3 304 304L PP316 316LH62 PTFE连接方式Joint Type法兰连接对焊连接螺纹连接Flange ButtWelding Threaded过滤精度Pore size 10~200(目/in)法兰标准FlangesHG GB SH HGJ JB ANSI JIS密封垫片Diaphragm(P/V)丁晴橡胶聚四氟乙烯金属垫片NBR PTFE MetalGasket设计检测标准ManufactureInspectionGB150-98 HGJ532-91滤芯材质Element 304 304L 316316L外表Coating CS:Paint SS:No Paint▲Y型过滤器安装尺寸参考:公称通径DN15DN20DN25DN32DN4DN5DN65DN8DN1DN125备注外型尺寸L12552350表格中的数字DN15至DN20为丝扣接口的尺寸,其他均为法兰接口尺寸H10212465公称通径DN15DN20DN25DN3DN35DN4DN45DN5DN6外型尺寸L386150 H53012。
目数粒度um 目数粒度um 目数粒度um5 3900 140104 1600 1010 2000 17089 1800 816 1190 20074 2000 6.520 840 23061 2500 5.525 710 27053 3000 530 590 32544 3500 4.535 500 40038 4000 3.440 420 46030 5000 2.745 350 54026 6000 2.550 297 65021 7000 1.2560 250 8001980 178 90015100 150 110013120 124 1300111. 目是指每平方英吋筛网上的空眼数目,50目就是指每平方英吋上的孔眼是50个,500目就是500个,目数越高,孔眼越多。
除了表示筛网的孔眼外,它同时用于表示能够通过筛网的粒子的粒径,目数越高,粒径越小。
2. 粉体颗粒大小称颗粒粒度。
由于颗粒形状很复杂,通常有筛分粒度、沉降粒度、等效体积粒度、等效表面积粒度等几种表示方法。
筛分粒度就是颗粒可以通过筛网的筛孔尺寸,以1英寸(25.4mm)宽度的筛网内的筛孔数表示,因而称之为“目数”。
目前在国内外尚未有统一的粉体粒度技术标准,各个企业都有自己的粒度指标定义和表示方法。
在不同国家、不同行业的筛网规格有不同的标准,因此“目”的含义也难以统一。
目前国际上比较浒用等效体积颗粒的计算直径来表示粒径。
以μm或mm表示。
下表为我国通常使用的筛网目数与粒径(μm)对照表。
目数微米目数微米目数微米目数微米2.5 7925 12 1397 60 245 325 473 5880 14 1165 65 220 425 334 4599 16 991 80 198 500 255 3962 20 833 100 165 625 206 3327 24 701 110 150 800 157 2794 27 589 180 83 1250 108 2362 32 495 200 74 2500 59 1981 35 417 250 61 3250 210 1651 40 350 270 53 12500 1。
Y型过滤器Y型过滤器是输送介质的管道系列不可缺少的一种装置,通常安装在减压阀、泄压阀、定水位阀或其它设备的进口端,用来消除介质中的杂质,以保护阀门及设备的正常使用。
该过滤器具有结构先进,阻力小,排污方便等特点。
适用介质可为水,油、气。
可按用户要求制作滤网,其外型基本相同(Y型),内部件全部采用不锈钢,坚固耐用。
当需要清洗时,只要将可拆卸的滤筒取出,去除滤出的杂质后,重新装入即可,使用维护极为方便。
该过滤器体形小、滤眼细、阻力小、效果高、安装检修方便、成本低、并排污时间短,对一般小型号者,只需5-10分钟。
一般通水网为18-30目/cm2,通气网为40-100目/cm2,通油网为100-300目/cm2。
产品结构主要技术参数壳体材质黄铜碳钢不锈钢公称通径15~500mm滤框滤网材质不锈钢密封件材质耐油石棉、丁腈橡胶、聚四氟乙烯工作温度(℃)-30~380-80~425-80~450公称压力(MPa) 1.6~10(150Lb~600Lb)过滤精度(目10~300/in)外形尺寸DN"英寸L H H1参考重量kg15 1/212570150220 3/414570150325 116080160 3.832 1 1/418090180640 1 1/22001002407.250 22201302501065 2 1/22601653501780 328019539020100 432023045032125535030052053150 638033558066200 8495420690110250 10595500800165300 12640580950225350 147006401150312400 168007001360500450 188507901480700500 209008751650900分类说明本过滤器有壳体、排污盖、滤芯、滤网等组成。
网眼总面积是入口管首截面积的3-4倍。
型过滤器
过滤器是除去液体中少量固体颗粒的小型设备, 可保护压缩机、泵、仪表和其他设备的
正常工作,当流体进入置有一定规格滤网的滤筒后, 其杂质被阻挡,而清洁的滤液则由过滤
器出口排出,当需要清洗时,只要将可拆卸的滤筒取出,处理后重新装入即可,因此,使用维护极为方便。
管道中的垃圾碎屑经常会对设备造成损坏,如水垢、铁锈、复合密封剂、煤
渣及其他固体颗粒等都有可能进入管道系统中,为了防止含有粉尘和颗粒的流体对设备的不
利影响,常在管道中使用过滤器。
为防止泵免遭遗留在管道中的施工垃圾的侵害,泵的上游可以装上过滤器装置。
过滤器可以过滤掉液体或气体中的固体颗粒,保护设备免于损坏,防
止管路堵死。
过滤器由阀体、滤网、排污、传动、控制装置组成,工作原理很简单,水等介质从滤口
进入,颗粒杂质会被截留在滤网上,所以过滤器广泛应用于冶金、化工、石油、造纸、医药、
食品、采矿、电力、城市给水领域,过滤器已发展成为一种先进、高效且易操作的全自动过滤装置。
过滤器的型号由过滤器结构形式,连接形式,材料类别,接管、法兰等的标准,压力等级5部
分组成。
①过滤器结构形式代号
⑤压力等级代码
无论是公制还是英制系列,均采用常用的压力等级数字。
公制系列的压力等级单位为bar,英制系列为磅级。