活动板房检查表
- 格式:doc
- 大小:35.50 KB
- 文档页数:1
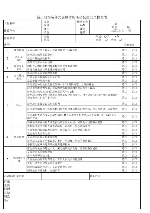
施工现场装配式轻钢结构活动板房安全检查表装配式轻钢结构活动板房是现在常用的一种建筑形式,它具有施工快,拆装方便,造价低等优点。
然而,在使用过程中也存在安全隐患,为此,进行安全检查十分必要。
下面是施工现场装配式轻钢结构活动板房安全检查表():一、基础安全检查1. 钢结构上是否有腐蚀、变形和裂缝现象?2. 基础是否牢固,是否因地面沉降引起移位?3. 框架中是否有脚手架搭设?4. 框架高度是否符合要求?5. 钢结构表面是否处理到位?二、设备安全检查1. 接地线是否良好?2. 照明设置是否充分?3. 电线是否正确铺设?4. 抗震支撑是否牢固?5. 灭火器是否到位?三、人员安全检查1. 工人是否佩戴安全帽?2. 工人是否穿戴完整的劳动防护用品?3. 现场是否有专人负责安全管理?4. 是否存在安全隐患,是否及时整改?5. 是否有消防通道或逃生通道?四、现场焊接安全检查1. 焊接工人是否有上岗证?2. 焊接设备是否符合国家安全标准?3. 焊接操作是否严格按照操作规程?4. 焊接技术是否合理,是否存在漏气、漏水等现象?5. 焊接现场是否有专人监督,是否存在安全隐患?五、临时用电安全检查1. 临时用电是否符合规定?2. 电线是否正确铺设?3. 是否设置漏电保护器?4. 电线是否处于安全位置,是否有交叉?5. 是否有专人负责现场用电安全管理?六、门窗安全检查1. 建筑门窗是否具有防盗功能?2. 门窗是否固定牢固,是否存在脱落现象?3. 门窗是否能够自由开闭,是否有卡滞现象?4. 门窗玻璃是否完好,是否有明显损坏?5. 门窗周边是否有防止扒窃的措施?七、地面安全检查1. 建筑地面是否平整,是否存在凸起、沉陷等现象?2. 地面是否有脏物,是否存在滑倒、绊倒等危险?3. 是否设置封底或者护角,避免工人受伤?4. 地面是否提供足够的摩擦力,防止滑倒或者跌倒?5. 地面是否进行防水、防霉等处理?以上为施工现场装配式轻钢结构活动板房安全检查表,通过对这些方面的检查,可以保障建筑使用过程中的安全和稳定。
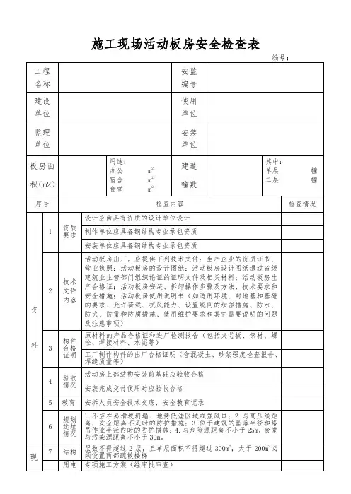
施工现场装配式活动板房安装验收表表7.2.2-1 工程名称使用单位建筑面积建设单位安装单位层数监理单位产权单位连续长度间m检查验收内容检查情况验收意见保证项目1.构件应具备出厂合格证2.钢构件的焊接部位无脱焊3.钢构件无明显变形、损坏和严重锈蚀4.基础的混凝土、砂浆强度应符合设计要求5.楼面板质量符合设计要求,锁定装置齐全有效6.节点螺栓规格、数量应符合设计要求,连接牢固7.支撑(圆钢拉杆)体系符合设计要求,花篮螺栓的锁定装置完好一般项目1.上部结构安装时,基础混凝土强度应达到设计强度的75%以上2.楼面板应安装平稳、拼缝紧密3.卫生间、厨房、浴室地面坡向正确,排水通畅,无积水,管道孔部位密封无渗漏水4.围护板材(屋面板和墙板)应无明显变形、损坏;固定螺栓、防水垫圈、金属垫圈、尼龙套管等齐全,连接可靠;密封胶齐全有效5.屋面板应安装平稳、檐口平直,板的搭接方向正确一致6.附着式墙板安装应排板正确,表面平整;嵌入式墙板安装应平整,上下搭接缝应采用企口缝,外侧板应向下搭接,搭接长度不小于15mm7.室内电器线路应采用PVC管(槽)明敷,布线整齐美观;电器配置符合设计要求;线路无绝缘老化及接长使用8.防火:防火间距应符合设计和规范要求,消防通道应通畅;消火栓、灭火器配置符合设计要求,布局合理;厨房等用火场所防火隔热措施应有效;金属面夹芯板氧指数不低于32,木地板等可燃材料应做防火处理9.防雷:防雷接地设置符合设计和规范要求;接地电阻应检测合格10.防腐:钢构件应油漆完好、无锈蚀,外露螺栓防护得当;强腐蚀环境下的防腐措施符合设计要求;活动房周边应排水通畅,无积水,不准放杂物(续表)允许偏差项目检测项目允许偏差检查记录验收意见1 2 3 4 5 6 7 8 91基础基础截面尺寸现浇式+8.-5装配式±5建筑物定位轴线 3基础上柱的定位轴线 1支承面标高±2水平度1/1000现浇基础地脚螺栓螺栓中心线±2伸出长度+20、-0螺纹长度+20、-0装配式基础螺栓孔中心线水平位置 5中心线与顶面距离±3柱子安装底层柱底轴线对定位轴线的偏差 3柱子定位轴线 1柱子垂直度(单层)10柱子垂直度(二层,全高)15桁架梁安装跨中垂直度10侧向弯曲矢高L/1000楼面板安装支承面标高±5支承长度±3表面平整度 5整体尺寸主体结构的整体垂直度15主体结构的平面弯曲20檩条安装檩条间距±5弯曲矢高 5钢梯安装及栏杆楼梯平台平台标高平台柱垂直度平台梁垂直度平台梁侧向弯曲楼梯段水平度垂直度栏杆栏杆高度立柱间距立柱垂直度安装单位自检结论:项目负责人年月日使用单位验收意见:项目经理年月日产权单位验收意见:负责人年月日注:1.保证项目必须全部符合要求。
活动房消防安全检查记录表项目名称:项目经理:
施工阶段:
活动房:
栋此次检查,无特殊原因,项目执行经理、安全员必须共同全程参与检查。
硬件配备防火活动房(岩棉、水泥泡沫板)□消火栓有效性□灭火器完备性(每栋每层不少于2只)□生活区热水供应点□隐患排查序号1检查内容大功率电器热得快、电磁炉、电饭煲电炒锅、电炉等评价受控□关注□存在问题2违规使用明火行为受控□关注□煤气灶、火炉、烟头等3临电私拉乱接现象临电线路规范性
1、线路穿墙套管保护
2、线路接头、负荷电热毯及碘钨灯
1、及时关闭电热毯
2、劣质电热毯易燃易爆品
1、油漆、松香水等
2、氧气、乙炔瓶等
3、大量纸质易燃品受控□关注□4受控□关注□5受控□关注□6受控□关注□7项目部管理行为自检的通知、实际行动8其它查出问题,项目部应在3日内按定人、定时间、定措施的要求立即整改,执行经理为第一责任人。
公司工程管理处将进行复查,未整改项按500元/项罚款。
项目部签字:
日期:
检查组签字:。
活动板房检查表三篇第1条移动板房检查表移动板房检查表项目名称项目地址建设单位项目经理监理单位移动板房材料检验内容及存在问题检验内容问题1、活动板房是否有明火;是否用作厨房、配电室;是否有明火或高温接触木夹板、聚苯乙烯、聚氨酯芯材等。
;2、活动板房的电气配线安装是否符合规范要求;所有电线是否都铺设好并套有不燃性的管槽;电线是否安装在天花板上;有无乱拉乱接现象;电路是否老化;3、灯是否与面板墙保持安全距离。
荧光灯应使用电子镇流器,不应使用线圈电感镇流器。
电线穿过彩钢夹芯板,无论是用瓷管还是不燃塑料管覆盖;4、活动板房是否安装合格的漏电保护开关和短路、过载保护开关;板房内是否使用电饭锅、电饭锅、电炉、电杯、海龟等电器;5、活动板房是否安装防雷装置,钢结构是否保护接地;板房的金属结构是否用作电焊接地线;6、煤油、汽油、香蕉水、油漆、氧气乙炔瓶等易燃易爆化学物品及其他易燃杂物存放在活动板房内;板房是否用作危险品仓库或存放摩托车和气瓶;7、活动板房是否按要求配备了足够的消防设备;灭火设备是否无效;8、是否制定了活动板房火灾专项应急预案,是否建立了应急组织,救援人员的职责是否明确,相应的应急救援设备是否配备、材料。
是否进行紧急救援演习。
1月日整改项目负责人及检查负责人说明1、本表由建设项目部填写,每个项目部一份;2、各项目部应认真填写,并对填写的内容负责。
第二部分第二部分活动板房检查表活动板房检查表项目名称XX市职业技术学院项目序号检查项目检查内容及要求检查结果备注1确保项目组件有出厂合格证。
符合要求有生产合格证的钢构件焊接部位无脱焊符合要求的焊接部位无脱焊钢构件无明显变形、损伤和严重腐蚀。
符合要求无明显变形、损坏和严重腐蚀活动板房是否有明火(是否在宿舍做饭等)。
)符合要求活动板房无明火活动板房主要受力构件的防火层是否符合要求符合要求防火层符合要求节点螺栓规格、数量应符合设计要求且连接牢固。
满足要求和设计要求。