建筑电气现场抽样检测记录表(20160901起执行)
- 格式:doc
- 大小:94.50 KB
- 文档页数:4
架空线路及杆上电气设备安装检验批质量验收记录表变压器、箱式变电所安装检验批质量验收记录表成套配电柜、控制柜(屏、台)和动力、照明配电箱(盘)安装检验批质量验收记录表GB 50303-2002(Ⅰ)高压开关柜电线导管、电缆导管和线槽敷设检验批质量验收记录表GB 50303-2002电线、电缆穿管和线槽敷线检验批质量验收记录表电缆头制作、接线和线路绝缘测试检验批质量验收记录表建筑物景观照明灯、航空障碍标志灯和庭院灯安装检验批质量验收记录表建筑物照明通电试运行检验批质量验收记录表接地装置安装检验批质量验收记录表裸母线、封闭母线、插接式母线安装检验批质量验收记录表电缆沟内和电缆竖井内电缆敷设检验批质量验收记录表电缆桥架安装和桥架内电缆敷设检验批质量验收记录表电线导管、电缆导管和线槽敷设检验批质量验收记录表GB 50303-2002成套配电柜、控制柜(屏、台)和动力、照明配电箱(盘)安装检验批质量验收记录表GB 50303-2002低压电动机、电加热器及电动执行机构检查接线检验批质量验收记录表低压电气动力设备试验和试运行检验批质量验收记录表开关、插座、风扇安装检验批质量验收记录表成套配电柜、控制柜(屏、台)和动力、照明配电箱(盘)安装检验批质量验收记录表GB 50303-2002槽板配线检验批质量验收记录表钢索配线检验批质量验收记录表普通灯具安装检验批质量验收记录表专用灯具安装检验批质量验收记录表柴油发电机组安装检验批质量验收记录表不间断电源安装检验批质量验收记录表避雷引下线和变配电室接地干线敷设检验批质量验收记录表GB 50303-2002避雷引下线和变配电室接地干线敷设检验批质量验收记录表GB 50303-2002建筑物等电位联结检验批质量验收记录表接闪器安装检验批质量验收记录表。
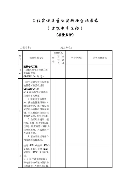
工程实体质量及资料抽查记录表
(建筑电气工程)
(质量监督)
工程名称:施工单位:
注:1、按照住建部《工程质量安全手册》进行适时抽查,其中主要施工作业面的施工质量及其主要相关资料必查,详细填写具体抽查部位,表格中未罗列的内容可在“其他”项中增加。
抽查结果为符合、不符合、未涉及三类,其中不符合的,应说明不符合原因。
抽查结果评价要提出存在的问题。
2、需要整改的应签发限期整改或停工整改通知,情节严重的应按规定上报相关企业和人员不良行为记录,提出行政处罚建议,并在结果评价中说明;监督人员应对整改落实情况进行复查,并填写复查结果。
建筑电气工程质量检查记录
*在评奖过程中,评奖专家不承担参评项目的合法性审查,参评项目的合法性审查由呼和浩特市建筑业协会在项目申报时一并把关。
手续不全或者没有相关手续的项目不能参加评选;
*审查打分中实体检查占70分,资料审查占30分;
实体审查70分:各专业按照各专业特点分开分项打分;
资料审查30分:1、奖项5分,2、申报材料(包括PPT制作)2分,3、材料检验8分,4、质量保证资料10分,5、开竣工报告3分,6、其他资料2分。
*评奖审查时各专业专家按照各专业的审查要求各自独立打分,最终汇总时按照所查项目的特点和各专业的所占权重系数乘积得出最后的准确得分。
权重系数:
房建项目:土建0.7 水暖设备0.15 建筑电气0.15
工业项目及路政项目的专业权重系数由参评专家、参评单位及协会领导按照具体项目的具体条件协商确定。
建筑工程电气设备验收现场检查记录表
项目信息
- 项目名称:[填写项目名称]
- 项目地点:[填写项目地点]
- 项目负责人:[填写项目负责人]
- 验收日期:[填写验收日期]
电气设备检查情况
设备信息
验收情况说明
[在此处详细描述电气设备的验收情况,包括设备的安装位置、外观质量、功能测试情况等。
]
结论与意见
[在此处提出对电气设备验收的结论与意见,包括对已验收设备的合格与否的评定,以及对不合格设备的整改建议。
]
验收人员
1. 验收人员:[填写验收人员姓名]
2. 验收人员:[填写验收人员姓名]
3. 验收人员:[填写验收人员姓名]
监理单位意见
[在此处填写监理单位对电气设备验收情况的意见和建议。
]
建设单位意见
[在此处填写建设单位对电气设备验收情况的意见和建议。
]
注意事项
- 本验收记录表用于建筑工程电气设备的验收现场检查,应当根据实际情况进行修改和调整。
- 验收人员应细致、全面地检查电气设备的安装、质量和功能,并记录在表格中。
- 验收人员应对不合格设备提出整改建议,以确保电气设备的
质量和安全。
以上为建筑工程电气设备验收现场检查记录表完整版。
建筑电气分部--试用表检查数量:第3款、第6款、第7款全数检查,其余按每个检验批的母线槽数量抽查20%,且各不得少于1处,并应覆盖不同的敷设形式。
检查方法:观察检查并用水平仪、线坠尺量检查。
分项小计:法:观察检查并用尺量检查。
11.1.2 电缆梯架、托盘和槽盒转弯、分支处宜采用专用连接配件,其弯曲半径不应小于梯架、托盘和槽盒内电缆最小允许弯曲半径,电缆最小允许弯曲半径应符合表11.1.2的规定。
表11.1.2 电缆最小允许弯曲半径往:D为电缆外径。
检查数量:按每个检验批的梯架、托盘或槽盒的弯头数量各抽查10%,且各不得少于1个弯头。
检查方法:观察检查并用尺量检查。
一般项目检查方法:观察检查并用尺量检查,查阅隐蔽工程检查记录。
12.2.6 明配的电气导管应符合下列规定:1 导管应排列整齐、固定点间距均匀、安装牢固;2 在距终端、弯头中点或柜、台、箱、盘等边缘150mm~500mm范围内应设有固定管卡,中间直线段固定管卡间的最大距离应符合表12.2.6的规定;3 明配管采用的接线或过渡盒(箱)应选用明装盒(箱)。
检查数量:按每个检验批的导管固定点或盒(箱)的总数各抽查20%,且各不得少于1处。
检查方法:观察检查并用尺量检查。
表12.2.6 管卡间的最大距离12.2.8 可弯曲金属导管及柔性导管敷设应符合下列规定:1一般项目13.2.2(第1、3、4、5、8、9、10款)1 电缆的敷设排列应顺直、整齐,并宜少交叉;3 在电缆沟或电气竖井内垂直敷设或大于45°倾斜敷设的电缆应在每个支架上固定;4 在梯架、托盘或槽盒内大于45°倾斜敷设的电缆应每隔2m 固定,水平敷设的电缆,首尾两端、转弯两侧及每隔5m~10m处应设固定点;5 当设计无要求时,电缆支持点间距不应大于表13.2.2的规定;表13.2.2 电缆支持点间距(mm)8 电缆出入电缆沟,电气竖井,建筑物,配电(控制)柜、台、箱处以及管子管口处等部位应采取防火或密封措施;9 电缆出入电缆梯架、托盘、槽盒及配电(控制)柜、台、箱、盘处应做固定;10 当电缆通过墙、楼板或室外敷设穿导管保护时,导管的内径不应小于电缆外径的1.5倍。
建筑电气工程检查用表大全(含表格填写说明)建筑之家建筑电气子分部工程与分项工程相关表架空线路及杆上电气设备安装检验批质量验收记录060101□□□说明主控项目1、变压器中性点应与接地装置引出干线直接连接、接地装置的接地电阻值必须符合设计要求(4.1.3条)。
2、杆下变压器和高压绝缘子、高压隔离开关、跌落式熔断器、避雷器等必须按规范第3.1.8条的规定交接试验合格。
3、杆上低压配电箱的电气装置和馈电线路交接试验应符合下列规定:1)每路配电开关及保护装置的规格型号,应符合设计要求;2)相间和相对地间的绝缘电阻值应大于0.5MΩ时,3)电气装置的交流工频耐压试验电压为1KV,当绝缘电阻值大于10MΩ时,可采用2500V兆欧表摇测替代,试验持续时间1min无击穿闪络现象。
一般项目1、拉线的绝缘子及金具应齐全,位置正确,承力拉线应与线路中心线方向一致,转角拉线应与线路分角线方向一致。
拉线应收紧,收紧程度与杆上导线数量规格及弧垂值相适配。
2、电杆组立应正直,直线杆横向位移不应大于50mm,杆梢偏移不应大于梢径的1/2,转角杆紧线后不向内角倾斜,向外角倾斜,向外倾斜不应大于一个梢径。
3、直线杆单横担应装于受电侧,终端杆、转角杆的单横担装于拉线侧。
横担的上下歪斜和左右扭斜,从横担端部测量不应大于20mm。
横担等镀锌制品应热浸镀锌。
4、导线无断股、扭绞和死弯,与绝缘子固定可靠,金具规格应与导线规格适配。
5、线路的跳线、过引线、接户线的线间和线对地间的安全距离,电压等级为6~10KV的,应大于300mm,电压等级为1KV及以下的,应大于150mm。
用绝缘导线架设的线路,绝缘破口处应修补完整。
6、杆上电气设备安装应符合下列规定:1)固定电气设备的支架、紧固件为热浸镀锌制品,紧固件及防松零件齐全;2)变压器油位正常、附件齐全、无渗油现象,外壳涂层完整;3)跌落式熔断器安装的相间距离不小于500mm;熔管试操动能自然打开旋下;4)杆上隔离开关分、合操动灵活,操动机构机械锁定可靠,分合时三相同期性好,分闸后,刀片与静触头间空气间隙距离不小于200mm;地面操作杆的接地(PE)可靠,且有标识;5)杆上避雷器排列整齐,相间距离不小于350mm,电源侧引线铜线截面积不小于25mm2,铝线截面积不小于35 mm2.。
架空线路及杆上电气设备安装检验批质量验收记录表
变压器、箱式变电所安装检验批质量验收记录表
成套配电柜、控制柜(屏、台)和动力、照明配电箱(盘)安装
检验批质量验收记录表
GB 50303-2002
电线导管、电缆导管和线槽敷设检验批质量验收记录表
GB 50303-2002
电线、电缆穿管和线槽敷线检验批质量验收记录表
电缆头制作、接线和线路绝缘测试检验批质量验收记录表
建筑物景观照明灯、航空障碍标志灯和庭院灯安装检验批质量验收记录表
建筑物照明通电试运行检验批质量验收记录表
接地装置安装检验批质量验收记录表
裸母线、封闭母线、插接式母线安装检验批质量验收记录表
电缆沟内和电缆竖井内电缆敷设检验批质量验收记录表
电缆桥架安装和桥架内电缆敷设检验批质量验收记录表
电线导管、电缆导管和线槽敷设检验批质量验收记录表
GB 50303-2002
成套配电柜、控制柜(屏、台)和动力、照明配电箱(盘)安装
检验批质量验收记录表
GB 50303-2002
低压电动机、电加热器及电动执行机构检查接线检验批质量验收记录表
低压电气动力设备试验和试运行检验批质量验收记录表
开关、插座、风扇安装检验批质量验收记录表
成套配电柜、控制柜(屏、台)和动力、照明配电箱(盘)安装检验批质量验收
记录表
GB 50303-2002
GB 50303-2002
GB 50303-2002
建筑物等电位联结检验批质量验收记录表
接闪器安装检验批质量验收记录表。
架空线路及杆上电气设备安装检验批质量验收记录表
变压器、箱式变电所安装检验批质量验收记录表
成套配电柜、控制柜(屏、台)和动力、照明配电箱(盘)安装
检验批质量验收记录表
GB 50303-2002
电线导管、电缆导管和线槽敷设检验批质量验收记录表
GB 50303-2002
电线、电缆穿管和线槽敷线检验批质量验收记录表
电缆头制作、接线和线路绝缘测试检验批质量验收记录表
建筑物景观照明灯、航空障碍标志灯和庭院灯安装检验批质量验收记录表
建筑物照明通电试运行检验批质量验收记录表
接地装置安装检验批质量验收记录表
裸母线、封闭母线、插接式母线安装检验批质量验收记录表
电缆沟内和电缆竖井内电缆敷设检验批质量验收记录表
电缆桥架安装和桥架内电缆敷设检验批质量验收记录表
电线导管、电缆导管和线槽敷设检验批质量验收记录表
GB 50303-2002
成套配电柜、控制柜(屏、台)和动力、照明配电箱(盘)安装
检验批质量验收记录表
GB 50303-2002
低压电动机、电加热器及电动执行机构检查接线检验批质量验收记录表
低压电气动力设备试验和试运行检验批质量验收记录表
开关、插座、风扇安装检验批质量验收记录表
成套配电柜、控制柜(屏、台)和动力、照明配电箱(盘)安装检验批质量验收
记录表
GB 50303-2002
GB 50303-2002
GB 50303-2002
建筑物等电位联结检验批质量验收记录表
接闪器安装检验批质量验收记录表。
一、开关、插座现场抽样检测记录说明:1、电气间隙是指两个导体之间的最短直线距离(空间距离),用游标卡尺测量。
2、爬电距离是指两个导体之间沿固体绝缘材料表面的最短距离(沿面距离),用游标卡尺测量。
3、测量绝缘电阻时,可选用500V或1000V兆欧表;测量前要检查兆欧表是否处于正常工作状态,主要检查其“0”和“∞”两点。
即摇动手柄,使电机达到额定转速,兆欧表在短路时应指在“0”位置,开路时应指在“∞”位置。
4、外观检查、外观尺寸检测、性能检测合格判定标准参照《建筑电气工程施工质量验收规范》GB 50303-2015 第3.2.10、3.2.12、3.2.13条。
5、抽样检测数量:对导管、绝缘导线、电缆,同厂家、同批次、同型号、同规格的,每批至少应抽取1个样本;对于灯具、插座、开关等电器设备,同厂家、同材质、同类型的,应各抽检3%,自带蓄电池的灯具应按5%抽检。
且均不应少于1个(套)。
6、本记录表从2016年9月1日起执行。
二、绝缘导线、电缆、灯具、应急灯、导管现场抽样检测记录1、管径、壁厚、导体直径、绝缘层厚度,用游标卡尺测量。
2、电阻值、绝缘性能,用万用表和绝缘电阻测量仪测量;测量绝缘电阻时,可选用500V或1000V兆欧表;测量前要检查兆欧表是否处于正常工作状态,主要检查其“0”和“∞”两点。
即摇动手柄,使电机达到额定转速,兆欧表在短路时应指在“0”位置,开路时应指在“∞”位置。
3、外观检查、外观尺寸检测、性能检测合格判定标准参照《建筑电气工程施工质量验收规范》GB 50303-2015 第3.2.10、3.2.12、3.2.13条。
4、抽样检测数量:对导管、绝缘导线、电缆,同厂家、同批次、同型号、同规格的,每批至少应抽取1个样本;对于灯具、插座、开关等电器设备,同厂家、同材质、同类型的,应各抽检3%,自带蓄电池的灯具应按5%抽检。
且均不应少于1个(套)。
5、本记录表从2016年9月1日起执行。
架空线路及杆上电气设备安装检验批质量验收记录表变压器、箱式变电所安装检验批质量验收记录表GB 50303-2002成套配电柜、控制柜(屏、台)和动力、照明配电箱(盘)安装检验批质量验收记录表GB 50303-2002(Ⅰ)高压开关柜060202电线导管、电缆导管和线槽敷设检验批质量验收记录表GB 50303-2002(Ⅱ)室外电线、电缆穿管和线槽敷线检验批质量验收记录表GB 50303-2002电缆头制作、接线和线路绝缘测试检验批质量验收记录表GB 50303-2002建筑物景观照明灯、航空障碍标志灯和庭院灯安装检验批质量验收记录表GB 50303-2002建筑物照明通电试运行检验批质量验收记录表GB 50303-2002接地装置安装检验批质量验收记录表GB 50303-2002裸母线、封闭母线、插接式母线安装检验批质量验收记录表GB 50303-2002电缆沟内和电缆竖井内电缆敷设检验批质量验收记录表GB 50303-2002电缆桥架安装和桥架内电缆敷设检验批质量验收记录表GB 50303-2002电线导管、电缆导管和线槽敷设检验批质量验收记录表GB 50303-2002(Ⅰ)室内成套配电柜、控制柜(屏、台)和动力、照明配电箱(盘)安装检验批质量验收记录表GB 50303-2002(Ⅱ)低压成套柜(屏、台)低压电动机、电加热器及电动执行机构检查接线检验批质量验收记录表GB50303-2002低压电气动力设备试验和试运行检验批质量验收记录表GB 50303-2002开关、插座、风扇安装检验批质量验收记录表GB 50303-2002成套配电柜、控制柜(屏、台)和动力、照明配电箱(盘)安装检验批质量验收记录表GB 50303-2002(Ⅲ)照明配电箱(盘)槽板配线检验批质量验收记录表GB 50303-2002钢索配线检验批质量验收记录表GB 50303-2002普通灯具安装检验批质量验收记录表GB 50303-2002专用灯具安装检验批质量验收记录表GB 50303-2002柴油发电机组安装检验批质量验收记录表GB 50303-2002不间断电源安装检验批质量验收记录表GB 50303-2002避雷引下线和变配电室接地干线敷设检验批质量验收记录表GB 50303-2002(Ⅰ)防雷引下线避雷引下线和变配电室接地干线敷设检验批质量验收记录表GB 50303-2002(Ⅱ)变配电室接地干线建筑物等电位联结检验批质量验收记录表GB 50303-2002接闪器安装检验批质量验收记录表GB 50303-2002。
一、开关、插座现场抽样检测记录
说明:
1、电气间隙是指两个导体之间的最短直线距离(空间距离),用游标卡尺测量。
2、爬电距离是指两个导体之间沿固体绝缘材料表面的最短距离(沿面距离),用游标卡尺测量。
3、测量绝缘电阻时,可选用500V或1000V兆欧表;测量前要检查兆欧表是否处于正常工作状态,主要检查其“0”和“∞”两点。
即摇动手柄,使电机达到
额定转速,兆欧表在短路时应指在“0”位置,开路时应指在“∞”位置。
4、外观检查、外观尺寸检测、性能检测合格判定标准参照《建筑电气工程施工质量验收规范》GB 50303-2015 第3.2.10、3.2.12、3.2.13条。
5、抽样检测数量:对导管、绝缘导线、电缆,同厂家、同批次、同型号、同规格的,每批至少应抽取1个样本;对于灯具、插座、开关等电器设备,同
厂家、同材质、同类型的,应各抽检3%,自带蓄电池的灯具应按5%抽检。
且均不应少于1个(套)。
6、本记录表从2016年9月1日起执行。
二、绝缘导线、电缆、灯具、应急灯、导管现场抽样检测记录
1、管径、壁厚、导体直径、绝缘层厚度,用游标卡尺测量。
2、电阻值、绝缘性能,用万用表和绝缘电阻测量仪测量;测量绝缘电阻时,可选用500V或1000V兆欧表;测量前要检查兆欧表是否处于正常工作状态,
主要检查其“0”和“∞”两点。
即摇动手柄,使电机达到额定转速,兆欧表在短路时应指在“0”位置,开路时应指在“∞”位置。
3、外观检查、外观尺寸检测、性能检测合格判定标准参照《建筑电气工程施工质量验收规范》GB 50303-2015 第3.2.10、3.2.12、3.2.13条。
4、抽样检测数量:对导管、绝缘导线、电缆,同厂家、同批次、同型号、同规格的,每批至少应抽取1个样本;对于灯具、插座、开关等电器设备,同
厂家、同材质、同类型的,应各抽检3%,自带蓄电池的灯具应按5%抽检。
且均不应少于1个(套)。
5、本记录表从2016年9月1日起执行。