电工基础实验2基尔霍夫定律的验证
- 格式:pptx
- 大小:4.71 MB
- 文档页数:11
实验一 基尔霍夫定律一、实验目的1.用实验数据验证基尔霍夫定律的正确性; 2.加深对基尔霍夫定律的理解; 3.熟练掌握仪器仪表的使用方法。
二、实验原理基尔霍夫定律是电路的基本定律之一,它规定了电路中各支路电流之间和各支路电压之间必须服从的约束关系,即应能分别满足基尔霍夫电流定律和电压定律。
基尔霍夫电流定律(KCL ):在集总参数电路中,任何时刻,对任一节点,所有各支路电流的代数和恒等于零。
即∑I=0通常约定:流出节点的支路电流取正号,流入节点的支路电流取负号。
基尔霍夫电压定律(KVL ):在集中参数电路中,任何时刻,沿任一回路内所有支路或元件电压的代数和恒等于零。
即∑U=0通常约定:凡支路电压或元件电压的参考方向与回路绕行方向一致者取正号,反之取负号。
三、实验内容实验线路如图1.1所示。
1. 实验前先任意设定三条支路的电 流参考方向,如图中的I 1、I 2、I 3所示。
2. 分别将两路直流稳压电源接入电 路,令u 1=6V ,u 2 =12V ,实验中调好后保 持不变。
3.用数字万用表测量R 1 ~R 5 电阻元 图 1.1基尔霍夫定律线路图注意图中E 和F 互换一下 件的参数取50~300Ω之间。
4.将直流毫安表分别串入三条支路中,记录电流值填入表中,注意方向。
5.用直流电压表分别测量两路电源及电阻元件上的电压值,记录电压值填入表中。
四、实验注意事项1.防止在实验过程中,电源两端碰线造成短路。
2.用指针式电流表进行测量时,要识别电流插头所接电流表的“+、-”极性。
倘若不换接极性,则电表指针可能反偏(电流为负值时),此时必须调换电流表极性,重新测量,R 4R 5u 1u 2此时指针正偏,但读得的电流值必须冠以负号。
五、实验报告内容1、根据实验数据,选定实验电路中的任一个节点,验证KCL 的正确性。
选定A 点,列式计算利用三个电流值验证KCL 正确性。
实验数据!2、根据实验数据,选定实验电路中的任一个闭合回路,验证KVL 的正确性。
基尔霍夫定律的验证实验总结嘿,朋友们!今天咱来聊聊基尔霍夫定律的验证实验。
你说这基尔霍夫定律啊,就像是电路世界里的定海神针!它告诉我们在一个电路中,电流和电压那可是有规矩的,不能乱来。
咱做这个验证实验,就好比是一场探秘之旅。
想象一下,我们就是电路世界里的探险家,拿着各种仪器去探索那些神秘的电流和电压的规律。
先说说实验器材吧,那可都是我们的得力助手啊!电流表就像是个小侦探,能准确地告诉我们电流的大小;电压表呢,就像是个裁判,衡量着电压的高低。
还有那些电阻啊、电线啊,它们可都是这场探秘的重要角色呢!
实验过程中,你得小心翼翼地连接电路,就像搭积木一样,可不能马虎。
要是接错了一根线,那可就全乱套啦!然后呢,你打开电源,看着电流表和电压表的指针跳动,那感觉,就好像是在和电路对话一样。
你想想,这电流在电路里跑来跑去,一会儿从这里过,一会儿从那里走,不就跟我们在大街上走来走去一样嘛!而基尔霍夫定律就是告诉我们这些电流怎么走才是对的。
当你通过实验数据验证了基尔霍夫定律的时候,哇,那种成就感,简直没法形容!就好像你解开了一个超级大谜团一样。
做这个实验啊,真的能让你深刻理解电路的奥秘。
你会发现,原来那些看起来复杂的电路,其实都是有规律可循的。
这就好比是找到了打开电路世界大门的钥匙。
而且啊,这个实验还能培养我们的耐心和细心呢!要是你不仔细,那可就得不到准确的数据啦。
总之呢,基尔霍夫定律的验证实验是非常有趣和有意义的。
它能让我们走进电路的奇妙世界,探索其中的奥秘。
朋友们,都快去试试吧,相信你们一定会爱上这个实验的!不用怀疑,去感受那种探索和发现的乐趣吧!。
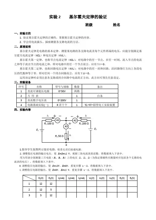
实验2 基尔霍夫定律的验证班级 姓名一、实验目的1. 验证基尔霍夫定律的正确性,掌握基尔霍夫定律的内容。
2. 学会用电流插头、插座测量各支路电流的方法。
二、原理说明基尔霍夫定律是电路的基本定律。
测量某电路的各支路电流及每个元件两端的电压,应能分别满足基尔霍夫电流定律(KCL )和电压定律(KVL )。
基尔霍夫第一定律,也称节点电流定律(KCL ):对电路中的任一节点,在任一时刻,流入节点的电流之和等于流出节点的电流之和。
即对电路中的任一个节点而言,应有ΣI =0。
基尔霍夫第二定律,也称回路电压定律(KVL ):对电路中的任一闭和回路,沿回路绕行方向上各段电压的代数和等于零。
即对任何一个闭合回路而言,应有ΣU =0。
运用该定律时必须注意各支路或闭合回路中电流的正方向,此方向可预先任意设定。
四、实验内容1.指导学生按图所示接好电路,检查无误后接通电源。
2.调整稳压电源的输出电压,使 E 1=E 2=12 V ,观察三块电流表的读数,将数据填入下表中。
用万用表分别测量三只电阻(R 1、R 2、R 3)上的电压 U 1、U 2、U 3(为保证准确性应测量时应包括各个支路的电流表的电压),将数据填入下表中。
3.调整稳压电源的输出,使 E 1=12V 、E 2=5V ,重复步骤 1~2,将数据填入下表中。
4.调整稳压电源的输出,使 E 1=5V 、E 2=12 V ,重复步骤 1~2,将数据填入下表中。
E 1E 2b五、实验注意事项2.所有需要测量的电压值,均以电压表测量的读数为准。
E1、E2也需测量,不应取电源本身的显示值。
3. 用指针式电压表或电流表测量电压或电流时,如果仪表指针反偏,则必须调换仪表极性,重新测量。
此时指针正偏,可读得电压或电流值。
若用数显电压表或电流表测量,则可直接读出电压或电流值。
但应注意:所读得的电压或电流值的正确正、负号应根据设定的电流方向来判断。
六、预习思考题1. 根据题图的电路参数,计算出待测的电流I1、I2、I3和各电阻上的电压值,记入表中,以便实验测量时,可正确地选定毫安表和电压表的量程。
基尔霍夫定律的验证的实验报告实验报告:基尔霍夫定律的验证引言:基尔霍夫定律是电路领域中最重要的定律之一,它描述了电路中电流和电压的分布关系。
基尔霍夫定律分为基尔霍夫第一定律和基尔霍夫第二定律。
基尔霍夫第一定律也被称为电流定律,它指出电路中流入节点的电流等于流出该节点的电流的代数和。
基尔霍夫第二定律也称为电压定律,它指出在闭合回路中的每个回路上,电压的总和等于电压源提供的电压之和。
本实验旨在验证基尔霍夫定律。
实验目的:1.验证基尔霍夫第一定律(电流定律);2.验证基尔霍夫第二定律(电压定律);3.掌握基尔霍夫定律在电路分析中的应用。
实验器材:1.直流电源;2.电阻器组成的电路板;3.数字电压表;4.数字电流表。
实验步骤:1.搭建一个简单的电路,包含一个电源、两个电阻和一个开关。
2.打开电源,将数字电流表连接到电路中,测量闭合回路中的电流。
3.记录每个电阻两端的电压。
4.切换电路中的开关,重新测量闭合回路中的电流。
5.记录新的每个电阻两端的电压。
实验结果:1.第一次测量得到的电流为I1;2.第一次测量得到的电阻1两端的电压为V1,电阻2两端的电压为V2;3.第二次测量得到的电流为I2;4.第二次测量得到的电阻1两端的电压为V3,电阻2两端的电压为V4实验数据处理:1.根据基尔霍夫第一定律,电流进出节点的代数和应为零。
因此,根据实验数据可得到以下方程式:I1=I22.根据基尔霍夫第二定律,用闭合回路中的电压之和等于电压源提供的电压之和。
因此,根据实验数据可得到以下方程式:V1+V2=V3+V4实验讨论:通过实验数据的分析,我们可以得出结论:1.在实验误差范围内,基尔霍夫第一定律(电流定律)得到验证;2.在实验误差范围内,基尔霍夫第二定律(电压定律)得到验证;3.基尔霍夫定律在电路分析中具有重要应用价值,可以用于解决电路中的复杂问题。
结论:本实验通过测量电流和电压的值,验证了基尔霍夫定律在电路中的应用。
直流电路电位实验报告直流电路电位实验报告引言:直流电路是电工学中最基础的一门学科,通过对电路中电位的实验测量,可以更好地理解电路中的电势差和电势分布。
本实验旨在通过实际测量和数据分析,探究直流电路中电位的变化规律,并验证欧姆定律和基尔霍夫定律。
实验器材和方法:实验器材:直流电源、导线、电阻箱、电流表、电压表。
实验方法:搭建直流电路,通过改变电阻箱中的电阻值,测量电路中不同位置的电位差,并记录实验数据。
实验过程:1. 搭建直流电路:将直流电源的正极与负极分别与电阻箱和电流表相连,形成一个简单的串联电路。
2. 测量电位差:将电压表的两个探头依次连接到电路的不同位置,记录下相应的电位差值。
3. 改变电阻值:通过旋转电阻箱中的旋钮,改变电路中的电阻值,并记录下相应的电位差值。
实验结果与分析:通过实验测量,我们得到了不同电阻值下电路中不同位置的电位差数据。
根据这些数据,我们可以进行进一步的分析和推导。
1. 欧姆定律的验证:根据欧姆定律,电压与电流之间存在线性关系,即V=IR。
我们可以通过实验数据来验证这个定律。
选取几组电位差和电流值的数据,绘制成电流-电位差的散点图,并进行线性拟合。
如果拟合直线的斜率与电阻值相等,就可以验证欧姆定律的成立。
2. 基尔霍夫定律的验证:基尔霍夫定律是描述电路中电位分布的重要定律。
根据基尔霍夫定律,一个闭合电路中的电压代数和为零。
我们可以通过实验数据来验证这个定律。
选取几个不同的闭合回路,计算出每个回路中的电压和,并判断是否接近于零。
如果接近于零,则可以验证基尔霍夫定律的成立。
结论:通过实验测量和数据分析,我们验证了欧姆定律和基尔霍夫定律在直流电路中的适用性。
实验结果表明,在给定电阻值下,电路中的电位差与电流呈线性关系,符合欧姆定律。
同时,闭合回路中的电压代数和接近于零,验证了基尔霍夫定律的成立。
实验总结:本实验通过实际测量和数据分析,深入理解了直流电路中电位的变化规律,并验证了欧姆定律和基尔霍夫定律。
实验二基尔霍夫电压定律的验证实验一、实验目的1、通过实验验证基尔霍夫电压定律,巩固所学的理论知识。
2、加深对参考方向概念的理解。
二、实验原理1、基尔霍夫定律:基尔霍夫电压定律为ΣU = 0,应用于回路。
基尔霍夫定律是分析与计算电路的基本重要定律之一。
图2-1 两个电压源电路图图2-2 基尔霍夫电流定律2、基尔霍夫电压定律(Kirchhoff's V oltage law)可简写为KVL:基尔霍夫电压定律,从回路中任意一点出发,以顺时针方向或逆时针方向沿回路循行一周,则在这个方向上的电位升之和应该等于电位降之和。
就是在任一瞬时。
沿任一回路循行方向(顺时方向或逆时方向),回路中各段电压的代数和恒等于零。
(如果规定电位升为正号则电位降为负号)。
在电阻电路中的另一种表达式,就是在任一回路循行方向上,回路中电动势的代数和等于电阻上电压降的代数和。
在图2-1所示电路中,对回路adbca由图2-2可以写出U2 + U3 = U1 + U4U2 + U3-U1-U4 = 0即ΣU = 0上式可改为E1-E2-I1R1 + I2R2 = 0E1-E2 = I1R1-I2R2即ΣE = Σ(IR)4、参考方向:为研究问题方便,人们通常在电路中假定一个方向为参考,称为参考方向。
(1) 若流入节点的电流取正号,则流出节点的电流取负号。
(2) 任一回路中,凡电压的参考方向与回路绕行方向一致者,则此电压的前面取正号,电压的参考方向与回路绕行方向相反者,前面取负号。
(3) 任一回路中电流的参考方向与回路绕行方向一致者,前面取正号,相反者前面取负号。
在实际测量电路中的电流或电压时,当电路中所测的电流或电压的实际方向与参考方向相同时取正值,其实际方向与参考方向相反时取负值。
三、实验内容及步骤KVL定律实验电路如图2-3所示,有两个直流电压源作用于电路中,选定电路的参考方向为U6→U5→U4→U3→U2→U1→U6,电压表中除U3的正、负极性与参考方向相反以外,其余电压表均与该参考方向一致,则列写KVL方程为:ΣU = U6+U5+U4-U3+U2+U1=0(上式中的U1、U2、U3、U4、U5、U6分别对应图上器件R1、R2、E2、R3、R4、E1的电压)故:若用电压表测得的电压值符合上式,则KVL定律得证。
《电工基础》实验项目及内容实验一 基尔霍夫定律一、实验目的1、验证基尔霍夫定律的正确性,加深对基尔霍夫定律的明白得。
2、学会用电流插头、插座测量各支路电流的方式。
二、原理说明基尔霍夫定律是电路的大体定律,测量某电路的各支路电流及多个元件两头的电压,应能别离知足基尔霍夫电流定律和电压定律,即对电路中的任一节点而言,应有∑I=0;对任何一个闭合回路而言,应有∑U=0。
运用上述定律时,必需注意预先设定电流的参考方向和电压的参考极性。
三、实验设备四、实验内容利用DGJ-03实验挂箱上的“基尔霍夫定律/叠加原理”线路,天煌实验台按图1-1接线。
图1-11、实验前先任意设定三条支路和三个闭合回路的电流正方向。
图中的I 1、I 2、I 3的方向已经设定。
三个闭合回路的电流正方向可设为ADEFA 、BADCB 、FBCEF 。
2、别离将两路直流稳压电源接入电路,令U 1=6V ,U 2=12V 。
3、熟悉电流插头的结构,将电流插头的两头接至数字毫安表的“+、—”两头。
4、将电流插头别离插入三条支路的三个电流插座中,读出并记录电流值。
5、用直流数字电压表别离测量两路电源及电阻元件上的电压值,并记录。
电流插座五、实验注意事项1、本实验线路板系多个实验通用,DGJ-03上的K3应拨向330Ω侧,三个故障按键均不得按下。
2、所有需要测量的电压值,均以电压表测量的读数为准,不以电源指示为准。
3、避免稳压电源两个输出端碰线短路。
4、用指针式电压表或电流表测量电压或电流时,若是仪表指针反偏,那么必需调换仪表极性,从头测量。
现在指针正偏,可读出电压或电流值。
假设用数字电压表或电流表测量,那么可直接读出电压或电流值。
但应注意:所读得的电压或电流值的正确正、负号应依照设定的电流参考方向来判定。
5、注意仪表量程的改换。
六、实验报告1、依如实验数据,选定实验电路中的任一节点,验证KCL的正确性。
2、依如实验数据,选定实验电路中的任一闭合回路,验证KVL的正确性。
验证基尔霍夫定律的实训过程一、引言基尔霍夫定律是电路分析中的重要定律之一,它是由德国物理学家基尔霍夫在19世纪提出的。
基尔霍夫定律可以用来分析电路中的电流和电压分布情况,帮助我们解决电路中的各种问题。
为了验证基尔霍夫定律的准确性和可靠性,我们进行了一次实训实验。
二、实验目的本次实训的目的是通过实验验证基尔霍夫定律在电路中的应用性和正确性。
具体来说,我们将验证基尔霍夫定律中的两个定律:基尔霍夫第一定律(电流定律)和基尔霍夫第二定律(电压定律)。
三、实验仪器和材料1. 电源:提供电路所需的电能;2. 电阻:用于构建电路;3. 导线:连接电路中的各个元件;4. 比较器:用于测量电流和电压。
四、实验步骤1. 搭建串联电路:将两个电阻依次连接起来,形成串联电路;2. 测量电流:使用比较器测量串联电路中的电流;3. 记录电流数值;4. 搭建并联电路:将两个电阻并联连接起来,形成并联电路;5. 测量电压:使用比较器测量并联电路中的电压;6. 记录电压数值。
五、实验结果与分析1. 验证基尔霍夫第一定律:根据基尔霍夫第一定律,串联电路中的电流大小应相等,我们测量得到的电流数值也应相等。
通过实验测量得到的电流数值相等,验证了基尔霍夫第一定律的准确性。
2. 验证基尔霍夫第二定律:根据基尔霍夫第二定律,沿着闭合回路的各个电压之和应等于零。
在实验中,我们测量得到的并联电路中的电压之和接近于零,验证了基尔霍夫第二定律的准确性。
六、实验误差分析在实际实验中,由于电路中的电阻、导线等元件的阻值和长度可能存在一定的误差,所以实际测量值与理论值可能会有一定的偏差。
另外,比较器的精度也会对测量结果产生一定的影响。
为了减小误差,我们在实验中尽量保持实验环境的稳定,多次测量并取平均值。
七、实验结论通过本次实验,我们成功验证了基尔霍夫定律在电路中的应用性和正确性。
实验结果表明,基尔霍夫定律可以准确地描述电路中的电流和电压分布情况,为我们解决电路分析中的问题提供了有力的工具。
基尔霍夫定律的验证的实验报告一、实验目的1、验证基尔霍夫电流定律(KCL)和基尔霍夫电压定律(KVL)。
2、加深对电路中电流和电压关系的理解。
3、熟悉电路实验仪器的使用方法。
二、实验原理(一)基尔霍夫电流定律(KCL)基尔霍夫电流定律指出:在任何一个节点上,流入节点的电流之和等于流出节点的电流之和。
即:∑I 入=∑I 出。
(二)基尔霍夫电压定律(KVL)基尔霍夫电压定律表明:在任何一个闭合回路中,各段电压的代数和等于零。
即:∑U = 0 。
三、实验仪器与设备1、直流电源:提供稳定的电压输出。
2、数字万用表:用于测量电流和电压。
3、电阻箱:可调节电阻值。
4、实验电路板:用于搭建电路。
5、连接导线若干。
四、实验内容与步骤(一)实验电路的搭建按照给定的电路图,在实验电路板上正确连接电路元件,确保连接牢固,无短路或断路现象。
(二)测量电流1、设定直流电源的输出电压。
2、将数字万用表调至电流测量档,分别测量流入和流出各个节点的电流,并记录数据。
(三)测量电压1、将数字万用表调至电压测量档。
2、沿着闭合回路,依次测量各段电路的电压,并记录数据。
(四)改变电阻值改变电阻箱的电阻值,重复上述电流和电压的测量步骤。
(五)数据记录设计合理的数据表格,将测量得到的电流和电压数据准确记录。
五、实验数据记录与处理(一)电流数据记录|节点|流入电流(mA)|流出电流(mA)||||||A|_____|_____||B|_____|_____||C|_____|_____|(二)电压数据记录|回路|各段电压(V)|||||回路 1|_____||回路 2|_____|(三)数据处理1、对于每个节点,验证流入电流之和是否等于流出电流之和。
2、对于每个闭合回路,验证各段电压的代数和是否等于零。
六、实验结果与分析(一)基尔霍夫电流定律(KCL)验证结果通过对实验数据的分析,发现各个节点的流入电流之和均等于流出电流之和,验证了基尔霍夫电流定律的正确性。
大学电工学实验报告大学电工学实验报告引言:电工学是现代工程领域中不可或缺的一门基础课程,通过实验学习,我们可以更好地理解和掌握电工学的相关知识和技能。
本实验报告将介绍我在大学电工学实验中所进行的一系列实验,包括电路基本定律、电路元件特性以及电路分析等内容。
通过这些实验,我深入了解了电工学的基本原理和应用,提高了自己的实验操作能力和问题解决能力。
实验一:欧姆定律的验证在这个实验中,我们使用了一个直流电源、一个电阻和一个电流表。
通过改变电阻的阻值,测量电流和电阻之间的关系,验证了欧姆定律。
实验结果表明,电流和电阻成正比,验证了欧姆定律的正确性。
实验二:基尔霍夫定律的应用本实验使用了一个由多个电阻和电源组成的复杂电路。
通过应用基尔霍夫定律,我们可以分析电路中的电流和电压分布情况。
实验结果表明,基尔霍夫定律可以准确描述电路中各个节点的电流和电压关系,为电路分析提供了重要的工具。
实验三:电容器的充放电特性本实验使用了电容器和电阻,通过改变电容器的电容值和电阻的阻值,观察电容器的充放电过程。
实验结果表明,电容器的充放电过程可以用指数函数来描述,并且充电时间和电容值、电阻值有关。
这对于电容器的应用和设计具有重要的指导意义。
实验四:电感器的特性研究在这个实验中,我们使用了电感器和电阻,通过改变电感器的感值和电阻的阻值,研究了电感器的特性。
实验结果表明,电感器具有阻碍电流变化的特性,可以用于滤波和振荡电路的设计。
实验五:交流电路的分析本实验使用了交流电源、电阻、电容器和电感器,通过改变频率和相位差,研究了交流电路的特性。
实验结果表明,交流电路具有频率选择性和相位差变化的特性,可以用于信号处理和通信系统中。
结论:通过这一系列的实验,我深入了解了电工学的基本原理和应用。
实验中,我不仅学会了正确操作实验仪器,还掌握了电路分析的方法和技巧。
同时,我也发现了实验过程中的一些问题,并通过分析和解决这些问题,提高了自己的问题解决能力和实验设计能力。
基尔霍夫定理的验证实验报告实验目的:1.通过实验验证基尔霍夫定理的准确性和可靠性;2.熟悉使用电流表和电压表进行电路实验测量;3.掌握实验数据处理方法。
实验原理:1.节点电流定律:在任何一个节点,进入该节点的电流等于离开该节点的电流之和;2.回路电压定律:回路中各电压源电压与电路中各电阻之压降之和等于零。
实验器材:1.电源;2.电流表;3.电压表;4.电阻器;5.导线。
实验步骤:1.搭建一个简单的电路,包含一个电流表和一个电压表。
2.使用电源连接电路,确保电路中电流表和电压表的连接正确。
3.在电路中放置若干个电阻,并记录各电阻的阻值。
4.使用电流表测量电路中的总电流,并记录数值。
5.使用电压表测量电路中各电阻的电压,并分别记录数值。
6.利用基尔霍夫定理,验证节点电流定律和回路电压定律。
7.处理实验数据,计算各电阻所消耗的功率。
8.分析实验结果,并撰写实验报告。
实验数据记录:电阻阻值(Ω),电压(V),电流(A),功率(W)-------------,---------,---------,---------R1,V1,I1,P1R2,V2,I2,P2R3,V3,I3,P3实验数据处理:根据基尔霍夫定理的节点电流定律,进入节点的电流等于离开节点的电流之和,可得:I1=I2+I3根据基尔霍夫定理的回路电压定律,回路中各电压源电压与电路中各电阻之压降之和等于零,可得:V1+V2+V3=0利用欧姆定律的关系,可得各电阻所消耗的功率:P1=V1*I1P2=V2*I2P3=V3*I3实验结果分析:通过实验数据处理,我们可以计算出各电阻所消耗的功率,并利用基尔霍夫定理验证了节点电流定律和回路电压定律。
若实验结果表明各电阻所消耗的功率近似相等,则说明基尔霍夫定理成立,电路中的能量守恒。
实验注意事项:1.操作仪器时应小心谨慎,避免短路或其他意外发生。
2.测量电流和电压时,应注意电路的极性和连接方式。
3.实验结束后,应及时关闭电源,并注意安全。
《电工基础》教案课程电工基础课题基尔霍夫第二定律(KVL)课型新授授课班级24汽车电子授课教师授课时间2024年11月日教学目标1、掌握基尔霍夫电压定律的内容;2、能应用基尔霍夫定律进行计算。
3、提高学生分析、解决电路问题的能力。
重点难点重点:1.基尔霍夫电压定律的内容及表达式。
2.运用基尔霍夫定律解题的步骤及例题讲解。
难点:电阻电压、电源电动势正负的确定。
教学方法观察演示法、讲授法、启发讨论法、媒体应用法等教具资料多媒体计算机、投影仪、相关教学软件教学环节教学内容教法与学法复习提问1、基尔霍夫第一定律的内容?定律的推广?教师提问学生回答引入新课基尔霍夫是个伟大的科学家,除了基尔霍夫第一定律,他还总结发现了基尔霍夫第二定律——回路电压定律。
教师演示课件,学生思考。
新授(KVL)步骤讲解一、基尔霍夫第二定律:1、基尔霍夫第二定律:(回路电压定律)简写符号KVL进入实验环节,探讨基尔霍夫第二定律的有关知识:⑴内容:在任一瞬间,对任一闭合回路,沿回路绕行方向上各段电压代数和恒等于零。
⑵公式:∑=0U⑶定律讨论的对象:回路上的电压(故基尔霍夫第二定律又称为回路电压定律)⑷通过对下列问题的讲解,归纳出利用∑U = 0 列回路电压方程的方法【讨论】请用基尔霍夫第二定律列出下图回路电压方程。
列回路电压方程的方法:(a)任意选定未知电流的参考方向(如上图所示);(b)任意选定回路的绕行方向;(c)确定电阻电压正负(若绕行方向与电流参考方向相同,电阻电压取正值;反之取负值);(d)确定电源电动势正负(若绕行方向与电动势方向相反,电通过实验揭示了任意回路中各路电压的相互关系板书公式。
重点讲解。
通过对问题的讨论,活跃课堂气氛,调动主观能动性,扩展思维,得出答案分组讨论。
启发推导。
假定沿cadbc绕行方向。
推广应用动势取正值;反之取负值)。
综上所述,按标注方向循环一周,根据电压与电流的参考方向可得:Uca+Uad+Udb+Ubc=0即: GB1-I1R1+I2R2-GB2 =0或: GB1-GB2=I1R1-I2R2由此,得出基尔霍夫第二定律的另一种表达形式:∑∑=IRGB亦即:∑∑=IRE上式表明:在任一回路循环方向上,回路中各电动势的代数和恒等于各电阻上电压降的代数和。
实验二基尔霍夫定律的验证(验证性)一、实验目的验证基尔霍夫定律。
二、实验器材1.可调直流稳压电源2.直流数字毫安表3.直流数字电压表4、电路基础试验箱三、实验内容1. 验证基尓霍夫电流定律(KCL), 即验证: 在电路中, 任一时刻, 任一节点, 流过该节点的电流代数和恒为零。
基尔霍夫电流定律与支路上接的元件种类无关, 对线性电路或是非线性电路都适用。
基尔霍夫电流定律不仅适用于电路节点, 还可以推广运用于电路中的任一假设封闭面。
如下图所示椭圆形封闭面所包围的电路, 有3条支路与电路的其它部分相连接, 其电流为I1、I2、I3, 则I1 + I2+ I3=0因为对一个封闭面来说, 电流仍然必须是连续的, 因此流经该封闭面电流的代数和也应该为零。
2. 验证基尓霍夫电压定律(KVL), 即验证:在电路中, 任一时刻, 沿任一回路循行一周, 各段电压的代数和恒为零。
基尔霍夫电压定律可以这样理解:在电路中环绕任意闭合路径一周, 所有电压降的代数和必须等于所有电压升的代数和。
如下图所示:四、实验电路图图2-1验证基尔霍夫定律和叠加定理的原理图如上图2-1, 电流I1+I2-I3=0时符合基尔霍夫电流定律, UAB+UBC+UCD+UDE+UEF+UFA=0时符合基尔霍夫电压定律。
五、实验过程1.验证基尓霍夫定律的操作过程实验准备: 将可调电源中的两路“0~30V可调输出”直流可调稳压电源的输出调至最小(调节旋钮轻轻逆时针旋到底), 并将恒流源的输出粗调旋钮拨到2mA档, 输出细调旋钮调至最小。
将电源转接箱和其下方的“AC220V输出”通过所带的插头连接线连接电源插孔, 并将电源转接箱电源插孔通过红、蓝粗线和可调电源及测量仪表一的电源插孔相连(L与L用红线连接, N与N用蓝线连接)。
实验步骤:(1) 将测量仪表一中的直流电压表并接在可调电源两端, 打开电源开关, 分别调节两路可调电源的输出旋钮, 用直流电压表监测使两路可调电源的输出分别为E1=6V、E2=12V, 然后断开电源开关。
基尔霍夫定律的验证实验总结导言基尔霍夫定律是电学中最基本且重要的定律之一。
它由德国物理学家叶夫根·卡尔·基尔霍夫于1845年提出,适用于任何电路中的电流分布和电压变化。
在本文中,将介绍基尔霍夫定律的两个部分:基尔霍夫第一定律和基尔霍夫第二定律,并通过实验验证这两个定律的适用性。
实验准备在进行实验之前,首先准备以下工具和材料:电池、导线、电阻、开关、电流表和电压表。
这些都是构建电路所必需的设备。
为了实验的可观测性,我们选择了一个简单的串联电路。
这样我们可以轻松测量电流和电压。
实验步骤1. 搭建电路首先,将电池与一条导线连接。
然后,将另一条导线连接到电池的另一极端,并连接一个电阻。
最后,在电阻的另一端连接一条导线,并将其与电池的另一极端相连。
这样就形成了一个简单的串联电路。
2. 测量电流使用电流表测量电路中的电流。
将电流表通过导线连接到电路的一个关键位置。
确保电流表的正负极正确连接。
然后打开开关,记录所测得的电流值。
3. 测量电压使用电压表测量电路中的电压。
将电压表通过导线连接到电路的两个关键位置,即电池的两个极端和电阻的两个端点。
确保电压表的正负极正确连接。
打开开关,记录所测得的电压值。
实验结果通过实验测量,我们得到了电流和电压的数值。
根据基尔霍夫定律,这些数值应满足一定的关系。
基尔霍夫第一定律指出,电流的总和在任何一个节点处都应为零。
在我们的实验中,通过电流表测得的电流值应满足这一条件,即从一个节点流入的电流应等于从该节点流出的电流的总和。
另一方面,基尔霍夫第二定律表明,电压的总和在任何一个回路中应为零。
在我们的实验中,通过电压表测得的电压值应满足这一条件,即在电池、电阻组成的回路中的电压总和应等于零。
这意味着电池提供的电势差应完全被电阻消耗。
结论通过实验,我们验证了基尔霍夫定律的适用性。
电流的节点定律和电压的回路定律在实验中得到了满足。
这进一步证明了基尔霍夫定律是电学中不可或缺的基本定律。
基尔霍夫定律的验证实验报告引言:基尔霍夫定律是电路理论中的重要原理之一,它描述了在一个闭合电路中,电流的代数和为零的规律。
它由德国物理学家基尔霍夫在19世纪中叶发现和提出,对于理解和研究电路中的电流分布和电压分配至关重要。
本实验旨在通过实际操作验证基尔霍夫定律的正确性。
实验目的:1.验证基尔霍夫定律在闭合电路中的可靠性;2.学习使用万用表测量电流和电压。
实验器材和材料:1.电路板;2.电阻(多个不同阻值的电阻);3.电源(直流电源);4.电流表(万用表的电流测量档);5.电压表(万用表的电压测量档);6.连线电缆。
实验原理:基尔霍夫第一定律:在电路中的任意一个节点上,电流的代数和等于零。
换句话说,电流在节点处的分配等于与节点相连的电流之和。
数学表达式为:∑III=0基尔霍夫第二定律:在闭合回路中,电源的总电动势等于电路中所有元件电压降的总和。
数学表达式为:∑III=∑II实验步骤:1.搭建一个简单的串联电路。
2.在电路的两个节点上接上电流表,记录电流值。
3.依次测量每个电阻上的电压,记录电压值。
4.对比所测量的数据,验证基尔霍夫定律是否成立。
实验结果与数据处理:将实验步骤中所记录的数据整理如下:电流测量结果:节点1电流:I1=0.5A节点2电流:I2=0.3A电压测量结果:电阻1电压:I1=2V电阻2电压:I2=3V根据基尔霍夫第一定律,节点1电流加上节点2电流的和应该等于零。
计算结果为:0.5A+0.3A=0.8A。
由此可见,实际测量的节点电流之和并不等于零,这可能是由于测量误差导致的。
根据基尔霍夫第二定律,电源的总电动势应等于电压降的总和。
计算结果为:2V+3V=5V。
实际测量的结果与计算结果相符,说明基尔霍夫第二定律在该电路中成立。
结论:通过本次实验的数据处理和对基尔霍夫定律的理论分析,可以得出以下结论:1.在闭合电路中,基尔霍夫定律成立,电流的代数和为零。
2.在闭合回路中,基尔霍夫定律成立,电源的总电动势等于电路中所有元件电压降的总和。
基尔霍夫定律的验证实验总结基尔霍夫定律是电路学中的基本定律之一,它描述了在电路中电流和电压的分布规律。
在以实验的方式验证基尔霍夫定律时,通常需要使用一些简单的电路元件,如电源、导线和电阻等。
下面将对基尔霍夫定律的验证实验进行总结,并进行详细的分析和讨论。
基尔霍夫定律包括两个定律,即基尔霍夫第一定律和基尔霍夫第二定律。
基尔霍夫第一定律指出,一个封闭的电路中的所有电流的代数和等于零。
基尔霍夫第二定律则说明,在电路中的任意一个闭合回路中,各个电压源和电阻元件所产生的电压沿闭合回路的代数和等于零。
验证实验中,我们首先需要确定实验所用的电路,然后测量电流和电压值,并计算验证基尔霍夫定律的结果。
为了方便起见,我们选择了一个简单的线性电路,包含一个恒定电流源、两个电阻以及一个连接它们的导线。
实验开始时,我们将所有的电路连接好,并将电流表和电压表正确地连接到电路中以测量电流和电压值。
接下来,我们将恒定电流源的电流值设定为I,并在电流流动之前进行测量。
这样,我们可以通过比较电流的理论值和实际值来验证基尔霍夫定律的第一定律。
对于基尔霍夫定律的第一定律,我们可以将电路看作一个封闭的环路,并沿着电路进行电流测量。
在这个实验中,我们可以选择从恒定电流源出发,沿电路的闭合回路进行电流测量,最后回到起点。
通过比较测量的电流值和理论计算的电流值,我们可以验证基尔霍夫定律的第一定律。
实验结果显示,实际测量的电流值与理论计算的电流值非常接近,这表明基尔霍夫定律的第一定律是准确的。
当然,在实际测量中会存在一定的误差,这可能是由于测量仪器的精度和实验过程中的一些不确定性等原因导致的。
接下来,我们对基尔霍夫定律的第二定律进行验证。
基尔霍夫定律的第二定律是基于电压的分配原理进行验证的。
在电路中的任意一个闭合回路中,各个电压源和电阻元件所产生的电压沿闭合回路的代数和等于零。
在实验中,我们可以测量不同元件上的电压值,并计算它们的代数和是否等于零。
基尔霍夫原理的验证实验报告基尔霍夫原理的验证实验报告,嘿,听起来是不是挺复杂的?但咱们可以把它说得简单点。
基尔霍夫的法则,就像咱们生活中的一些规矩,听起来高大上,实际操作起来,却是相对简单。
基本上,基尔霍夫有两个原则,一个是电流守恒,另一个是电压守恒。
这就像是你跟朋友们去吃火锅,每个人都有自己的菜,大家都得把钱摊开,才能吃得开心。
没有人能偷走别人的菜,也没人能把菜都吃光,那就得公平分配。
实验一开始,咱们准备了一堆电阻,电池,线和万用表。
哎,简直就像在玩搭积木。
先把电路搭好,电池供电,电阻分布在不同的地方,万用表负责监测电流和电压。
就像是给电路装上了“监控摄像头”,时刻关注着电流的流动。
为了验证基尔霍夫的第一条法则,咱们选择了一个简单的电路,调皮的电流流向一个节点,咱们要看看这个节点上的电流是个什么情况。
哎,万用表一插上,数据就出来了,真是让人兴奋。
咱们看看电流是怎么分配的。
比如说,有三条电流流进这个节点,分别是2安、3安和1安。
你猜怎么着?按照基尔霍夫的原则,流出这个节点的电流总和得跟流进来的电流一样。
简直就像参加聚会,进来的朋友和出去的朋友数量得一致,才能让派对顺利进行。
经过测量,流出电流是6安,完美符合进来的总和。
哇,真是太神奇了,电流就像是听话的小朋友,一听到规矩就乖乖守着。
咱们来验证基尔霍夫的第二条法则。
这个法则主要跟电压有关,简单说就是在一个闭合电路中,电压的总和得等于零。
哎,咱们设定了一些电压源和电阻,准备开干。
通过测量每个元件上的电压,发现电源的电压跟电阻的电压加起来刚好打平了。
就好比是在说:“你出门花的钱得跟你带的钱一致,不能赤字啊!”最终计算后发现,一切都和谐得不得了。
实验过程中,咱们还碰到了一些小插曲。
有一次,电池接错了极性,哎呀,整个人都懵了,万用表上直接变成了负值,感觉像是打了个大错,心里那个慌呀。
不过,没关系,咱们也是老手了,迅速调整回来,继续实验。
这样的经历其实也挺有趣的,反而让人更加明白实验的重要性。