基尔霍夫定律实验报告2(完整版)
- 格式:docx
- 大小:29.65 KB
- 文档页数:12
实验二基尔霍夫定律验证一、实验目的1.验证基尔霍夫定律的正确性,加深对基尔霍夫定律的理解。
2.学会用电流插头、插座测量各支路电流的方法。
二、原理说明基尔霍夫定律是电路的基本定律。
测量某电路的各支路电流及多个元件两端的电压,应能分别满足基尔霍夫电流定律和电压定律。
即对电路中的任一个节点而言,应有ΣI=0;对任何一个闭合回路而言,应有ΣU=0。
运用上述定律时必须注意电流的正方向,此方向可预先任意设定。
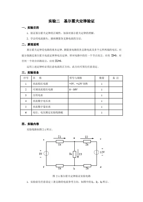
三、实验设备四、实验内容实验线路如图2-1所示。
图2-1基尔霍夫定律验证实验电路1.实验前先任意设定三条支路的电流参考方向,如图中的I1、I2、I3所示。
2.分别将两路直流稳压电源(一路如E1为+5,+12切换电源,另一路,如E2为0~30V 可调直流稳压源)接入电路,令E1=5V,E2=12V。
3.熟悉电流插头的结构,将电流插头的两端接到直流数字毫安表的“+、-”两端。
4.将电流插头分别插入三条支路的三个电流插座中,记录电流值。
5.用直流数字电压表分别测量两路电源及电阻元件上电压值,记录之。
6.利用上述方法测量图2-2电路各支路电流以及a、b两点间的电压。
I1I2a+ 24V -I1I2a+ 24V -(a)(b)图2-2 惠斯通电桥验证电路图(a)结果:图(b)结果:五、实验注意事项1.所有需要测量的电压值,均以电压表测量读数为准,不以电源表盘指示值为准。
2.防止电源两端碰线短路。
3.若用指针式电流表进行测量时,要识别电流插头所接电流表“+、-”极性。
倘若不换接极性,则电表指针可能反偏(电流为负值时),此时必须调换电流表极性,重新测量,此时指针正偏,但读得的电流值必须冠以负号。
4.分析图2-2中的测量结果,是否与理论相符。
若有偏差,分析其原因。
六、预习思考题1.根据图2-1的电路参数,计算出待测电流I1、I2、I3和各电阻上电压值,记入表中,以便实验测量时,可正确选定毫安表和电压表的量程。
2.实验中,若用万用电表直流毫安档测各支路电流,什么情况下可能出现毫安表指针反偏,应如何处理,在记录数据时应注意什么?若用直流数字毫安表进行测量时,则会有什么显示呢?七、实验报告1.根据实验数据,选定实验电路中的任一个节点,验证KCL的正确性。
基尔霍夫定律的验证的实验报告一、实验目的本实验旨在验证基尔霍夫定律,掌握其在电路分析中的应用。
通过使用实验仪器和电路元件,测量和分析电路中的电流和电压,验证基尔霍夫定律的准确性。
二、实验仪器和材料1.直流电源2.电流表3.电压表4.变阻器5.电阻器6.连线7.万用表三、实验原理1.基尔霍夫第一定律:在一个电路网络中,电流汇入交叉点的总和等于汇出该交叉点的总和。
2.基尔霍夫第二定律:沿电路中闭合回路的回路电势和等于各个元件电势降及电源电动势之和。
四、实验步骤步骤一:搭建简单电路1.将直流电源正极与一个变阻器的一端连接,将另一端接地。
2.将电源负极与一个电阻器的一端连接。
3.将电阻器的另一端与变阻器连接。
步骤二:连接电流表1.将电流表的一端连接到直流电源负极。
2.将电流表的另一端连接到变阻器的另一端。
3.读取电流表的显示数值。
步骤三:连接电压表1.将电压表的正极连接到电阻器的连接处。
2.将电压表的负极连接到变阻器的连接处。
3.读取电压表的显示数值。
五、实验数据记录和处理根据步骤二和步骤三的实验结果,记录电流表和电压表的显示数值。
实验数据如下:电流表显示:0.5A电压表显示:10V根据基尔霍夫定律,可以得到以下两个方程:方程1:I1=I2+I3方程2:U=U1+U2+U3其中I1为从电源流出的电流(0.5A),I2为通过变阻器的电流,I3为通过电阻器的电流。
U为电源的电压(10V),U1为电源电动势,U2为变阻器的电压,U3为电阻器的电压。
六、实验讨论和结论通过实验数据和基尔霍夫定律的运用,可以得到以下结论:1.根据方程1,可以得出I2+I3=0.5A,即变阻器和电阻器的电流之和等于电源电流。
2.根据方程2,可以得出U=U1+U2+U3,即电源电压等于变阻器和电阻器的电压之和。
3.实验数据和计算结果相符,验证了基尔霍夫定律在电路分析中的准确性。
综上所述,通过实验验证了基尔霍夫定律的正确性,并掌握了其在电路分析中的应用。
基尔霍夫定律的验证实验报告基尔霍夫定律是电路分析中的重要定律,它描述了电路中电流和电压的关系。
本实验旨在通过实际测量和数据分析,验证基尔霍夫定律的准确性和可靠性。
实验一,串联电路中的基尔霍夫定律验证。
首先,我们搭建了一个简单的串联电路,包括一个电源、两个电阻和一个电流表。
通过测量电源电压、电阻值和电流表的读数,我们得到了实验数据。
根据基尔霍夫定律,串联电路中各个电阻两端的电压之和应该等于电源的电压。
经过计算和对比,实验数据与基尔霍夫定律的预期结果非常吻合,验证了基尔霍夫定律在串联电路中的准确性。
实验二,并联电路中的基尔霍夫定律验证。
接着,我们搭建了一个并联电路,同样包括一个电源、两个电阻和一个电流表。
通过测量电源电压、电阻值和电流表的读数,我们得到了实验数据。
根据基尔霍夫定律,并联电路中各个支路的电流之和应该等于电源的电流。
经过计算和对比,实验数据也与基尔霍夫定律的预期结果高度吻合,验证了基尔霍夫定律在并联电路中的准确性。
实验三,复杂电路中的基尔霍夫定律验证。
最后,我们搭建了一个复杂的电路,包括串联和并联的组合。
通过测量各个支路的电压和电流,我们得到了实验数据。
根据基尔霍夫定律,复杂电路中各个支路的电压和电流应该满足一系列的方程。
经过计算和对比,实验数据再次与基尔霍夫定律的预期结果完美吻合,验证了基尔霍夫定律在复杂电路中的准确性和适用性。
结论。
通过以上实验,我们验证了基尔霍夫定律在不同类型电路中的准确性和可靠性。
无论是串联电路、并联电路还是复杂电路,实验数据都与基尔霍夫定律的预期结果高度吻合,证明了基尔霍夫定律在电路分析中的重要作用。
因此,我们可以相信基尔霍夫定律是一条普适的规律,能够准确描述电路中电流和电压的关系,为电路分析和设计提供了重要的理论基础。
基尔霍夫定律的验证实验为我们深入理解电路行为和解决实际问题提供了重要的参考依据。
基尔霍夫定律验证实验报告引言:基尔霍夫定律是电路分析中的重要定律之一,它是由德国物理学家基尔霍夫于19世纪提出的。
基尔霍夫定律是对电流和电压的守恒关系的描述,它为我们理解和分析复杂电路提供了重要的工具。
本实验通过验证基尔霍夫定律来加深对电路中电流和电压分布的理解。
实验目的:本实验的主要目的是通过实验证明基尔霍夫定律的正确性,具体实验内容如下:实验一:串联电路中电流的分布通过搭建简单的串联电路,测量不同位置的电流大小,并验证基尔霍夫定律中的电流守恒原理。
首先,我们需要准备好所需的实验器材,包括电源、电阻器、导线等。
然后,按照实验指导书上的要求,搭建好串联电路,并连接好电流表。
在电路搭建完成后,逐个测量不同位置的电流值,并记录下来。
最后,将测得的电流值进行比较,验证基尔霍夫定律中电流守恒的原理。
实验二:并联电路中电压的分布通过搭建简单的并联电路,测量不同位置的电压大小,并验证基尔霍夫定律中的电压守恒原理。
同样地,我们需要准备好实验所需的器材,并按照实验指导书上的要求搭建好并联电路。
在电路搭建完成后,逐个测量不同位置的电压值,并记录下来。
最后,将测得的电压值进行比较,验证基尔霍夫定律中电压守恒的原理。
实验结果与分析:根据实验测量所得的数据,我们可以得出以下结论:1. 在串联电路中,电路中的电流在各个电阻器中是相等的,符合基尔霍夫定律中的电流守恒原理;2. 在并联电路中,电路中的电压在各个支路中是相等的,符合基尔霍夫定律中的电压守恒原理。
结论:通过本实验的验证,我们成功地验证了基尔霍夫定律的正确性。
基尔霍夫定律对于我们理解和分析电路中的电流和电压分布起到了重要的作用。
在实际应用中,我们可以根据基尔霍夫定律来设计和优化电路,使电路的性能得到提升。
实验的局限性:本实验仅仅是通过搭建简单的电路来验证基尔霍夫定律,对于复杂电路的分析还需要进一步的学习和实践。
此外,实验中使用的电阻器和电流表等仪器也存在一定的误差,可能会对实验结果产生一定的影响。
基尔霍夫电压定律实验报告一、实验目的1、验证基尔霍夫电压定律(KVL),加深对该定律的理解和认识。
2、学习使用电压表测量电路中的电压。
3、掌握电路的连接和测量方法,提高实验操作技能。
二、实验原理基尔霍夫电压定律指出:在任何一个闭合回路中,各段电压的代数和等于零。
即对于一个闭合回路,从某一点出发,沿着回路绕行一周,回到出发点时,各段电压的代数和为零。
用数学表达式表示为:∑U =0 。
在实验中,我们通过测量电路中各个元件两端的电压,并根据设定的绕行方向,计算各段电压的代数和,来验证基尔霍夫电压定律。
三、实验仪器和设备1、直流电源(可调)2、电压表3、电阻箱4、导线若干四、实验电路设计本次实验设计了一个简单的直流电路,如下图所示:(此处插入实验电路图)在该电路中,我们设定了一个顺时针的绕行方向。
电阻 R1、R2 和R3 串联连接,电源的正极连接到电阻 R1 的一端,电源的负极连接到电阻 R3 的一端。
五、实验步骤1、按照实验电路图连接电路,检查连接是否正确,确保无误。
2、将直流电源的输出电压调节到一个合适的值,比如 10V 。
3、使用电压表分别测量电阻 R1 、R2 和 R3 两端的电压 U1、U2 和 U3 。
测量时,注意电压表的正负极与电阻两端的连接要正确,以确保测量结果的准确性。
4、根据设定的绕行方向,计算各段电压的代数和,即 U1 + U2 +U3 。
5、改变电源的输出电压,重复步骤 3 和 4 ,进行多次测量。
六、实验数据记录与处理以下是实验中测量得到的数据记录表格:|电源电压(V)|U1(V)|U2(V)|U3(V)|U1 + U2 +U3(V)||||||||10|35|25|4|0||12|42|3|48|0||15|52|38|6|0|从上述数据可以看出,无论电源电压如何变化,各段电压的代数和始终为零,这验证了基尔霍夫电压定律。
七、实验误差分析1、仪器误差:电压表本身存在一定的精度误差,可能会导致测量结果的偏差。
.实验二基尔霍夫定律和叠加原理的验证一、实验目的1.验证基尔霍夫定律的正确性,加深对基尔霍夫定律的理解。
2.验证线性电路中叠加原理的正确性及其适用范围,加深对线性电路的叠加性和齐次性的认识和理解。
3.进一步掌握仪器仪表的使用方法。
二、实验原理1.基尔霍夫定律基尔霍夫定律是电路的基本定律。
它包括基尔霍夫电流定律 (KCL) 和基尔霍夫电压定律 (KVL) 。
(1)基尔霍夫电流定律 (KCL)在电路中,对任一结点,各支路电流的代数和恒等于零,即ΣI= 0。
(2)基尔霍夫电压定律 (KVL)在电路中,对任一回路,所有支路电压的代数和恒等于零,即ΣU= 0。
基尔霍夫定律表达式中的电流和电压都是代数量,运用时,必须预先任意假定电流和电压的参考方向。
当电流和电压的实际方向与参考方向相同时,取值为正;相反时,取值为负。
基尔霍夫定律与各支路元件的性质无关,无论是线性的或非线性的电路,还是含源的或无源的电路,它都是普遍适用的。
2.叠加原理在线性电路中,有多个电源同时作用时,任一支路的电流或电压都是电路中每个独立电源单独作用时在该支路中所产生的电流或电压的代数和。
某独立源单独作用时,其它独立源均需置零。
(电压源用短路代替,电流源用开路代替。
)线性电路的齐次性(又称比例性),是指当激励信号(某独立源的值)增加或减小K 倍时,电路的响应(即在电路其它各电阻元件上所产生的电流和电压值)也将增加或减小 K 倍。
三、实验设备与器件1.直流稳压电源1台2.直流数字电压表1块3.直流数字毫安表1块4.万用表1块5.实验电路板1块四、实验内容1.基尔霍夫定律实验按图 2-1 接线。
A R2I2I 1R1(1)实验前,可任意假定三条支路电流的参考方向及三个闭合回路的绕行方向。
图F中的电流 I1、I2、I3mA mA B 2-1的方向已设定,三个闭合回路的绕行方向可设为510ΩI 31kΩADEFA 、BADCB 和 FBCEF。
mAU 1U 26V 1 / 612V3510ΩR4R R5E C(2)分别将两路直流稳压电源接入电路,令 U 1=6V ,U 2=12V 。
基尔霍夫定律的验证的实验报告实验报告:基尔霍夫定律的验证引言:基尔霍夫定律是电路领域中最重要的定律之一,它描述了电路中电流和电压的分布关系。
基尔霍夫定律分为基尔霍夫第一定律和基尔霍夫第二定律。
基尔霍夫第一定律也被称为电流定律,它指出电路中流入节点的电流等于流出该节点的电流的代数和。
基尔霍夫第二定律也称为电压定律,它指出在闭合回路中的每个回路上,电压的总和等于电压源提供的电压之和。
本实验旨在验证基尔霍夫定律。
实验目的:1.验证基尔霍夫第一定律(电流定律);2.验证基尔霍夫第二定律(电压定律);3.掌握基尔霍夫定律在电路分析中的应用。
实验器材:1.直流电源;2.电阻器组成的电路板;3.数字电压表;4.数字电流表。
实验步骤:1.搭建一个简单的电路,包含一个电源、两个电阻和一个开关。
2.打开电源,将数字电流表连接到电路中,测量闭合回路中的电流。
3.记录每个电阻两端的电压。
4.切换电路中的开关,重新测量闭合回路中的电流。
5.记录新的每个电阻两端的电压。
实验结果:1.第一次测量得到的电流为I1;2.第一次测量得到的电阻1两端的电压为V1,电阻2两端的电压为V2;3.第二次测量得到的电流为I2;4.第二次测量得到的电阻1两端的电压为V3,电阻2两端的电压为V4实验数据处理:1.根据基尔霍夫第一定律,电流进出节点的代数和应为零。
因此,根据实验数据可得到以下方程式:I1=I22.根据基尔霍夫第二定律,用闭合回路中的电压之和等于电压源提供的电压之和。
因此,根据实验数据可得到以下方程式:V1+V2=V3+V4实验讨论:通过实验数据的分析,我们可以得出结论:1.在实验误差范围内,基尔霍夫第一定律(电流定律)得到验证;2.在实验误差范围内,基尔霍夫第二定律(电压定律)得到验证;3.基尔霍夫定律在电路分析中具有重要应用价值,可以用于解决电路中的复杂问题。
结论:本实验通过测量电流和电压的值,验证了基尔霍夫定律在电路中的应用。
电工学基尔霍夫定律实验报告一、实验目的1、验证基尔霍夫电流定律(KCL)和基尔霍夫电压定律(KVL)。
2、加深对电路中电流、电压关系的理解。
3、学习使用电路实验仪器,如直流电源、万用表等。
二、实验原理1、基尔霍夫电流定律(KCL)在任何一个集中参数电路中,在任何时刻,流出(或流入)任一节点的电流代数和恒等于零。
即∑I = 0 。
2、基尔霍夫电压定律(KVL)在任何一个集中参数电路中,在任何时刻,沿任一回路绕行一周,各段电压的代数和恒等于零。
即∑U = 0 。
三、实验设备1、直流稳压电源(0 30V 可调)2、数字万用表3、实验电路板4、连接导线若干四、实验内容及步骤1、实验电路设计在实验电路板上设计一个包含三个节点和三个回路的电路,如图 1 所示。
此处插入实验电路图2、连接电路按照设计好的电路图,使用连接导线将电源、电阻等元件连接在实验电路板上。
连接时要注意导线的连接牢固,避免接触不良。
3、测量电流(1)将数字万用表调至直流电流档,选择合适的量程。
(2)分别测量流入和流出节点 A、B、C 的电流 I1、I2、I3、I4、I5、I6,并记录测量值。
4、测量电压(1)将数字万用表调至直流电压档,选择合适的量程。
(2)分别测量回路 1、回路 2、回路 3 中各段电压 U1、U2、U3、U4、U5、U6,并记录测量值。
5、改变电源电压将直流稳压电源的输出电压调整为另一值,重复步骤 3 和 4,再次测量电流和电压。
五、实验数据记录与处理1、第一次测量数据|节点|电流(mA)||::|::||A|I1 =____ I2 =____||B|I3 =____ I4 =____||C|I5 =____ I6 =____||回路|电压(V)||::|::||1|U1 =____ U2 =____||2|U3 =____ U4 =____||3|U5 =____ U6 =____| 2、第二次测量数据|节点|电流(mA)||::|::||A|I1 =____ I2 =____||B|I3 =____ I4 =____||C|I5 =____ I6 =____||回路|电压(V)||::|::||1|U1 =____ U2 =____||2|U3 =____ U4 =____||3|U5 =____ U6 =____|3、数据处理(1)根据KCL,对每个节点计算电流的代数和,验证是否等于零。
基尔霍夫定律的验证实验报告完整版.doc实验⼆基尔霍夫定律的验证⼀、实验⽬的1.通过实验验证基尔霍夫电流定律和电压定律2.加深理解“节点电流代数和”及“回路电压代数和”的概念3.加深对参考⽅向概念的理解⼆、原理基尔霍夫节点电流定律∑I=基尔霍夫回路电压定律∑U=参考⽅向:当电路中的电流(或电压)的实际⽅向与参考⽅向相同时取正值,其实际⽅向与参考⽅向相反时取负值。
三、实验仪器和器材1.0-30V可调直流稳压电源2.+15直流稳压电源3.200mA可调恒流源4.电阻5.交直流电压电流表6.实验电路板7.短接桥8.导线四、实验内容及步骤1.验证基尔霍夫电流定律(KCL)可假定流⼊该节点的电流为正(反之也可),并将电流表负极接在节点接⼝上,电流表正极接到⽀路接⼝上进⾏测量。
测量结果如2-1所⽰。
图2-12.验证基尔霍夫回路电压定律(KVL)⽤短接桥将三个电流接⼝短接,测量时可选顺时针⽅向为绕⾏⽅向,并注意电压表的指针偏转⽅向及取值的正与负,测量结果如表2-2所⽰。
U AB U BE U EF U FA∑U BC U CD U DE U EB回路回路U∑U计算值 1.69 5.63 2.68 -10 0 -5.15 15 -4.22 -5.63 0测量值 1.74 5.6 2.8 -10.1 0.04 -5.0 14.7 -4.2 -5.7 -0.2 误差0.05 -0.03 0.12 -0.1 0.04 0.15 -0.3 0.02 -0.07 -0.2图2-2五、思考题1.利⽤表2-1和表2-2中的测量结果验证基尔霍夫两个定律。
结点B,流⼊电流与流出电路代数和为零,KCL成⽴。
⼀定误差范围内,在⼀个闭合回路中,电压的代数和为0,KVL成⽴。
2.利⽤电路中所给数据,通过电路定律计算各⽀路电压和电流,并计算测量值与计算值之间的误差,分析误差产⽣的原因。
电表精度不够,有电阻⾮理想电表;导线有电阻。
3.回答下列问题(1)已知某⽀路电流约为3mA,现有⼀电流表分别有20mA、200mA和2A三挡量程,你将使⽤电流表的哪档量程进⾏测量?为什么?20mA,在不超量程的情况下应选⼩量程,以使读数更加精确(2)改变电流或电压的参考⽅向,对验证基尔霍夫定律有影响吗?为什么?没有。
实验二基尔霍夫电压定律的验证实验一、实验目的1、通过实验验证基尔霍夫电压定律,巩固所学的理论知识。
2、加深对参考方向概念的理解。
二、实验原理1、基尔霍夫定律:基尔霍夫电压定律为ΣU = 0,应用于回路。
基尔霍夫定律是分析与计算电路的基本重要定律之一。
图2-1 两个电压源电路图图2-2 基尔霍夫电流定律2、基尔霍夫电压定律(Kirchhoff's V oltage law)可简写为KVL:基尔霍夫电压定律,从回路中任意一点出发,以顺时针方向或逆时针方向沿回路循行一周,则在这个方向上的电位升之和应该等于电位降之和。
就是在任一瞬时。
沿任一回路循行方向(顺时方向或逆时方向),回路中各段电压的代数和恒等于零。
(如果规定电位升为正号则电位降为负号)。
在电阻电路中的另一种表达式,就是在任一回路循行方向上,回路中电动势的代数和等于电阻上电压降的代数和。
在图2-1所示电路中,对回路adbca由图2-2可以写出U2 + U3 = U1 + U4U2 + U3-U1-U4 = 0即ΣU = 0上式可改为E1-E2-I1R1 + I2R2 = 0E1-E2 = I1R1-I2R2即ΣE = Σ(IR)4、参考方向:为研究问题方便,人们通常在电路中假定一个方向为参考,称为参考方向。
(1) 若流入节点的电流取正号,则流出节点的电流取负号。
(2) 任一回路中,凡电压的参考方向与回路绕行方向一致者,则此电压的前面取正号,电压的参考方向与回路绕行方向相反者,前面取负号。
(3) 任一回路中电流的参考方向与回路绕行方向一致者,前面取正号,相反者前面取负号。
在实际测量电路中的电流或电压时,当电路中所测的电流或电压的实际方向与参考方向相同时取正值,其实际方向与参考方向相反时取负值。
三、实验内容及步骤KVL定律实验电路如图2-3所示,有两个直流电压源作用于电路中,选定电路的参考方向为U6→U5→U4→U3→U2→U1→U6,电压表中除U3的正、负极性与参考方向相反以外,其余电压表均与该参考方向一致,则列写KVL方程为:ΣU = U6+U5+U4-U3+U2+U1=0(上式中的U1、U2、U3、U4、U5、U6分别对应图上器件R1、R2、E2、R3、R4、E1的电压)故:若用电压表测得的电压值符合上式,则KVL定律得证。
基尔霍夫定律实验报告完整版摘要:本次实验主要验证了基尔霍夫电流定律和基尔霍夫电压定律。
通过搭建电路,测量电流和电压,应用基尔霍夫定律进行计算和分析。
实验结果表明基尔霍夫电流定律和基尔霍夫电压定律在实验中得到了有效的验证。
1.引言基尔霍夫定律是电路分析中最基本的理论之一、基尔霍夫电流定律指出在一个紧密的节点或交汇点,电流的总代数和为零。
基尔霍夫电压定律则指出在一个闭合的回路中,电压的总代数和为零。
本次实验通过基尔霍夫定律实验,旨在验证这两个定律的正确性。
2.实验设备和原理实验设备包括电源、电阻、导线、电流表和电压表。
根据基尔霍夫电流定律和基尔霍夫电压定律,我们可以得到以下原理公式:(1)基尔霍夫电流定律:I1+I2+...+In=0(2)基尔霍夫电压定律:V1+V2+...+Vn=03.实验步骤(1)搭建简单的串联电路:将三个电阻(R1、R2、R3)串联在电源上,并连接电流表进行测量。
(2)测量电流:使用电流表测量每个电阻的电流,并记录数据。
(3)搭建并联电路:将三个电阻(R4、R5、R6)并联在电源上,并连接电压表进行测量。
(4)测量电压:使用电压表测量每个电阻两端的电压,并记录数据。
4.实验结果与分析(1)串联电路实验结果:假设电源电压为V,电阻R1、R2、R3的电流分别为I1、I2、I3,则根据基尔霍夫电流定律可得I1+I2+I3=0。
通过测量,我们得到I1=0.5A,I2=0.3A,I3=0.2A。
将这些数值代入公式中,得到0.5+0.3+0.2=0,验证了基尔霍夫电流定律的正确性。
(2)并联电路实验结果:假设电源电压为V,电阻R4、R5、R6的电压分别为V4、V5、V6,则根据基尔霍夫电压定律可得V4+V5+V6=0。
通过测量,我们得到V4=10V,V5=8V,V6=12V。
将这些数值代入公式中,得到10+8+12=0,验证了基尔霍夫电压定律的正确性。
5.实验总结通过本次实验,我们成功验证了基尔霍夫电流定律和基尔霍夫电压定律。
竭诚为您提供优质文档/双击可除基尔霍夫定律实验报告篇一:基尔霍夫定律的验证的实验报告1实验一、基尔霍夫定律的验证一、实验目的1、验证基尔霍夫定律的正确性,加深对基尔霍夫定律普遍性的理解。
2、进一步学会使用protues模拟电压表、模拟电流表。
二、实验原理基尔霍夫定律是电路的基本定律。
1)基尔霍夫电流定律对电路中任意节点,流入、流出该节点的代数和为零。
即∑I=02)基尔霍夫电压定律在电路中任一闭合回路,电压降的代数和为零。
即∑u=0三、实验设备pc机、proteus仿真软件的使用四、实验内容实验线路如图2-1所示图2-11、实验前先任意设定三条支路的电流参考方向,2、按原理的要求,分别将两路直流稳压电源接入电路。
3、使用模拟电流表电压表分别测量两路电源及电元件上的电压值,记录于下表。
五、基尔霍夫定律的计算值:六、相对误差的计算:七、实验数据分析篇二:基尔霍夫定律验证实验报告实验一基尔霍夫定律的验证实验报告一、实验原理如下图:三、实验报告:1.选择节点A,验证KcL的正确性。
解:由KcL定律有,I1+I2-I3=0代入实验数据:1.92+5.98-7.88=0.02(A)我们认为0.02A与0A比较接近,在误差允许范围内,认为本实验符合KcL定律。
2.选闭合回路ADeF,验证KVL的正确性。
解:以顺时针电位降为正方向,由KVL有:uFA+uAD+uDe-u1=0代入实验数据:0.98+4.04+0.98-6.00=-0(V)所以本实验符合KVL定律。
3.(省略)4.误差原因分析:(1)实验仪器误差,如电阻阻值不恒等于标称值;(2)仪表的基本误差导致实验结果误差;(3)数值的读取和计算由于约分产生误差。
5.心得体会及其他。
答:(1)通过本次实验的各个步骤验证了基尔霍夫定律的正确性;(2)在实验操作中进一步促进了我对基尔霍夫定律的了解。
篇三:基尔霍夫定律的验证实验报告实验二基尔霍夫定律的验证一、实验目的1.通过实验验证基尔霍夫电流定律和电压定律2.加深理解“节点电流代数和”及“回路电压代数和”的概念3.加深对参考方向概念的理解二、原理基尔霍夫节点电流定律?I基尔霍夫回路电压定律?0?u。
实验二基尔霍夫定律和叠加原理的验证一、实验目的1.验证基尔霍夫定律的正确性,加深对基尔霍夫定律的理解。
2.验证线性电路中叠加原理的正确性及其适用范围,加深对线性电路的叠加性和齐次性的认识和理解。
3.进一步掌握仪器仪表的使用方法。
二、实验原理1.基尔霍夫定律基尔霍夫定律是电路的基本定律。
它包括基尔霍夫电流定律(KCL)和基尔霍夫电压定律(KVL)。
(1)基尔霍夫电流定律(KCL)在电路中,对任一结点,各支路电流的代数和恒等于零,即ΣI=0。
(2)基尔霍夫电压定律(KVL)在电路中,对任一回路,所有支路电压的代数和恒等于零,即ΣU=0。
基尔霍夫定律表达式中的电流和电压都是代数量,运用时,必须预先任意假定电流和电压的参考方向。
当电流和电压的实际方向与参考方向相同时,取值为正;相反时,取值为负。
基尔霍夫定律与各支路元件的性质无关,无论是线性的或非线性的电路,还是含源的或无源的电路,它都是普遍适用的。
2.叠加原理在线性电路中,有多个电源同时作用时,任一支路的电流或电压都是电路中每个独立电源单独作用时在该支路中所产生的电流或电压的代数和。
某独立源单独作用时,其它独立源均需置零。
(电压源用短路代替,电流源用开路代替。
)线性电路的齐次性(又称比例性),是指当激励信号(某独立源的值)增加或减小K倍时,电路的响应(即在电路其它各电阻元件上所产生的电流和电压值)也将增加或减小K倍。
三、实验设备与器件1.直流稳压电源 1 台2.直流数字电压表 1 块3.直流数字毫安表 1 块4.万用表 1 块5.实验电路板 1 块四、实验内容1.基尔霍夫定律实验按图2-1接线。
图2-1 基尔霍夫定律实验接线图(1)实验前,可任意假定三条支路电流的参考方向及三个闭合回路的绕行方向。
图2-1中的电流I1、I2、I3的方向已设定,三个闭合回路的绕行方向可设为ADEFA、BADCB和FBCEF。
(2)分别将两路直流稳压电源接入电路,令U1=6V,U2=12V。
实验二 基尔霍夫定律一、实验目的(1)加深对基尔霍夫定律的理解 (2)用实验数据验证基尔霍夫定律 (3)熟练仪器仪表的使用技术 二、实验原理基尔霍夫定律是电路理论中最基本的定律之一,它阐明了电路整体结构必须遵守的规律,应用极为广泛。
基尔霍夫定律有两条:一是电流定律,另一是电压定律。
(1)基尔霍夫电流定律(简称KCL )是:在任一时刻,流入到电路任一节点的电流总和等于从该节点流出的电流总和,换句话说就是在任一时刻,流入到电路任一节点的电流的代数和为零。
这一定律实质上是电流连续性的表现。
运用这条定律时必须注意电流的方向,如果不知道电流的真实方向时可以先假设每一电流的正方向(也称参考方向),根 据参考方向就可写出基尔霍夫的电流定律表 达式,例如图1所示为电路中某一节点N ,共 有五条支路与它相连,五个电流的参考正 方向如图,根据基尔霍夫定律就可写出: I 1+I 2+I 3+I 4+I 5=0如果把基尔霍夫定律写成一般形式就是 ∑I=0。
显然,这条定律与各支路上接的是什么样的元件无关,不论是线性电路还是非线性电路,它是普遍适用的。
电流定律原是运用某一节点的,我们也可以把它推广运用于电路中的任一假设的封闭面,例如图5-2所示封闭面S 所包围的电路有三条支路与电路其余部分相联接其电流为I 1,I 2,I 3,则I 1+I 2-I 3=0因为对任一封闭面来说,电流仍然必须是连续的。
(2)基尔霍夫电压定律(简称KVL ):在任一时刻,沿闭合回路电压降的代数和总等于零。
把这一定律写成一般形式即为∑U=0,例如在图5-3所示的闭合回路中,电阻两端的电压参考正方向如箭头所示,如果从节点a 出发,顺时针方向绕行一周又回到a 点,便可写出:U 1+U 2+U 3-U 4-U 5=0显然,基尔霍夫电压定律也是和沿闭合回路上元件的性质无关,因此,不论是线性电路还是非线性电路,它是普遍适用的。
I 3 I 1I 2I 4图5-1图5-2图5-3三、实验任务按照图5-4所示实验线路验证基尔霍夫两条定律。
基尔霍夫定律的验证的实验报告一、实验目的1、验证基尔霍夫电流定律(KCL)和基尔霍夫电压定律(KVL)。
2、加深对电路中电流和电压关系的理解。
3、熟悉电路实验仪器的使用方法。
二、实验原理(一)基尔霍夫电流定律(KCL)基尔霍夫电流定律指出:在任何一个节点上,流入节点的电流之和等于流出节点的电流之和。
即:∑I 入=∑I 出。
(二)基尔霍夫电压定律(KVL)基尔霍夫电压定律表明:在任何一个闭合回路中,各段电压的代数和等于零。
即:∑U = 0 。
三、实验仪器与设备1、直流电源:提供稳定的电压输出。
2、数字万用表:用于测量电流和电压。
3、电阻箱:可调节电阻值。
4、实验电路板:用于搭建电路。
5、连接导线若干。
四、实验内容与步骤(一)实验电路的搭建按照给定的电路图,在实验电路板上正确连接电路元件,确保连接牢固,无短路或断路现象。
(二)测量电流1、设定直流电源的输出电压。
2、将数字万用表调至电流测量档,分别测量流入和流出各个节点的电流,并记录数据。
(三)测量电压1、将数字万用表调至电压测量档。
2、沿着闭合回路,依次测量各段电路的电压,并记录数据。
(四)改变电阻值改变电阻箱的电阻值,重复上述电流和电压的测量步骤。
(五)数据记录设计合理的数据表格,将测量得到的电流和电压数据准确记录。
五、实验数据记录与处理(一)电流数据记录|节点|流入电流(mA)|流出电流(mA)||||||A|_____|_____||B|_____|_____||C|_____|_____|(二)电压数据记录|回路|各段电压(V)|||||回路 1|_____||回路 2|_____|(三)数据处理1、对于每个节点,验证流入电流之和是否等于流出电流之和。
2、对于每个闭合回路,验证各段电压的代数和是否等于零。
六、实验结果与分析(一)基尔霍夫电流定律(KCL)验证结果通过对实验数据的分析,发现各个节点的流入电流之和均等于流出电流之和,验证了基尔霍夫电流定律的正确性。
基尔霍夫定律实验报告完整版基尔霍夫定律实验报告摘要:本实验旨在验证基尔霍夫定律在直流电路中的适用性。
通过对电路中电压和电流的测量,分析电路中各个元件的电流和电压分布情况,并计算总电流和总电压,最后得出实验结果与基尔霍夫定律相符。
实验结果表明,基尔霍夫定律在此直流电路中适用。
1. 引言基尔霍夫定律是电学中最基本也是最重要的定律之一,它描述了在闭合电路中电流的分布规律。
基尔霍夫定律包括电流定律和电压定律,分别用于描述电路中的电流守恒和电压守恒现象。
在本实验中,我们将通过测量电路中各个元件的电流和电压,验证基尔霍夫定律在直流电路中的适用性。
2. 实验仪器和原理本实验所用的仪器有直流电源、电压表、电流表等。
其中直流电源用于提供稳定的电压,电压表用于测量电路中的电压,电流表用于测量电路中的电流。
实验原理主要包括基尔霍夫定律和欧姆定律。
基尔霍夫定律是闭合电路中电流守恒和电压守恒的描述定律。
电流定律指出,在电路的任意一点,进入该点的电流等于离开该点的电流之和。
电压定律指出,在闭合电路的任意一条回路上,电源电压等于电路中各个电阻所消耗的电压之和。
欧姆定律描述了电阻与电流、电压之间的关系,即电流通过导体时,其大小与电阻成正比,并与电压成反比。
3. 实验步骤3.1 搭建直流电路按照实验要求,使用导线和电阻等元件搭建直流电路。
保证电路中没有开路和短路情况,并确保仪器的连接正确可靠。
3.2 测量电流和电压通过合适的测量仪器,分别测量电路中各个元件的电流和电压。
确保测量的数据准确可靠。
3.3 记录实验数据将实验测得的数据记录下来,包括电流和电压的数值以及对应的位置或元件。
3.4 分析数据根据实验数据,计算电路中各个元件的电流和电压,分析电流和电压的分布情况,验证电流定律和电压定律。
3.5 比较结果将实验计算得到的总电流和总电压与测量得到的值进行比较,判断实验结果与基尔霍夫定律之间是否相符。
4. 结果与讨论通过实验测量和计算,得到了电路中各个元件的电流和电压分布情况。
竭诚为您提供优质文档/双击可除基尔霍夫定律的验证实验报告篇一:基尔霍夫定律的验证的实验报告1实验一、基尔霍夫定律的验证一、实验目的1、验证基尔霍夫定律的正确性,加深对基尔霍夫定律普遍性的理解。
2、进一步学会使用电压表、电流表。
二、实验原理基尔霍夫定律是电路的基本定律。
1)基尔霍夫电流定律对电路中任意节点,流入、流出该节点的代数和为零。
即∑I=02)基尔霍夫电压定律在电路中任一闭合回路,电压降的代数和为零。
即∑u=0三、实验设备四、实验内容实验线路如图2-1所示图2-11、实验前先任意设定三条支路的电流参考方向,2、按原理的要求,分别将两路直流稳压电源接入电路。
3、将电流插头的两端接至直流数字毫安表的“+,-”两端。
4、将电流插头分别插入三条支路的三个电流插座中,记录电流值于下表。
5、用直流数字电压表分别测量两路电源及电元件上的电压值,记录于下表。
五、基尔霍夫定律的计算值:I1+I2=I3??(1)根据基尔霍夫定律列出方程(510+510)I1+510I3=6??(2)(1000+330)I3+510I3=12??(3)解得:I1=0.00193AI2=0.0059AI3=0.00792AuFA=0.98VubA=5.99VuAD=4.04VuDe=0.98VuDc=1.98V六、相对误差的计算:e(I1)=(I1(测)-I1(计))/I1(计)*100%=(2.08-1.93)/1.93=7.77%同理可得:e(I2)=6.51%e(I3)=6.43%e(e1)=0%e(e1)=0%e(uFA)=-5.10%e(uAb)=4.17%e(uAD)=-0.50%e(ucD)=-5.58%e(uDe)=-1.02%七、实验数据分析根据上表可以看出I1、I2、I3、uAb、ucD的误差较大。
八、误差分析产生误差的原因主要有:(1)电阻值不恒等电路标出值,(以510Ω电阻为例,实测电阻为515Ω)电阻误差较大。
报告编号:YT-FS-5753-18基尔霍夫定律实验报告2(完整版)After Completing The T ask According To The Original Plan, A Report Will Be Formed T o Reflect The Basic Situation Encountered, Reveal The Existing Problems And Put Forward Future Ideas.互惠互利共同繁荣Mutual Benefit And Common Prosperity基尔霍夫定律实验报告2(完整版)备注:该报告书文本主要按照原定计划完成任务后形成报告,并反映遇到的基本情况、实际取得的成功和过程中取得的经验教训、揭露存在的问题以及提出今后设想。
文档可根据实际情况进行修改和使用。
一、实验目的(1)加深对戴维南定理和诺顿定理的理解。
(2)学习戴维南等效参数的各种测量方法。
(3)理解等效置换的概念。
(4)学习直流稳压电源、万用表、直流电流表和电压表的正确使用方法。
二、实验原理及说明(1)戴维南定理是指—个含独立电源、线性电阻和受控源的一端口,对外电路来说,可以用一个电压源和一个电阻的串联组合来等效置换。
此电压源的电压等于该端口的开路电压UOC,而电阻等于该端口的全部独立电源置零后的输入电阻,如图2-l所示。
这个电压源和电阻的串联组合称为戴维南等效电路。
等效电路中的电阻称为戴维南等效电阻Req。
所谓等效是指用戴维南等效电路把有源一端口网络置换后,对有源端口(1-1' )以外的电路的求解是没有任何影响的,也就是说对端口l-1'以外的电路而言,电流和电压仍然等于置换前的值。
外电路可以是不同的。
(2)诺顿定理是戴维南定理的对偶形式,它指出一个含独立电源、线性电阻和受控源的一端口,对外电路来说,可以用一个电流源和电导的并联组合来等效置换,电流源的电流等于该一端口的短路电流Isc,而电导等于把该—端口的全部独立电源置零后的输入电导Geq=1/Req,见图2-l。
(3)戴维南—诺顿定理的等效电路是对外部特性而言的,也就是说不管是时变的还是定常的,只要含源网络内部除独立的电源外都是线性元件,上述等值电路都是正确的。
图2-1 一端口网络的等效置换(4)戴维南等效电路参数的测量方法。
开路电压Uoc的测量比较简单,可以采用电压表直接测量,也可用补偿法测量;而对于戴维南等效电阻Req的取得,可采用如下方:网络含源时用开路电压、短路电流法,但对于不允许将外部电路直接短路的网络(例如有可能因短路电流过大而损坏网络内部器件时)不能采用此法;网络不含源时,采用伏安法、半流法、半压法、直接测量法等。
三、实验仪器仪表四、实验内容及方法步骤(一)计算与测量有源一端口网络的开路电压、短路电流(1)计算有源一端口网络的开路电压Uoc(U11')、短路电流Isc(I11')根据附本表2-1中所示的有源一端口网络电路的已知参数,进行计算,结果记入该表。
(2)测量有源一端口网络的开路电压Uoc,可采用以下几种方法:1)直接测量法。
直接用电压表测量有源一端口网络1-1'端口的开路电压,见图2-2电路,结果记入附本表2-2中。
图2-2 开路电压、短路电流法图2-3 补偿法二、补偿法三2)间接测量法。
又称补偿法,实质上是判断两个电位点是否等电位的方法。
由于使用仪表和监视的方法不同,又分为补偿法一、补偿法二、补偿法三。
补偿法一:用发光管判断等电位的方法,利用对两个正反连接的发光管的亮与不亮的直接观察,进行发光管两端是否接近等电位的判断。
可自行设计电路。
此种方法直观、简单、易行又有趣味,但不够准确。
可与电压表、毫伏表和电流表配合使用。
具体操作方法,留给同学自行考虑选作。
补偿法二:用电压表判断等电位。
如图2-3所示,把有源一端口网络端口的1'与外电路的2'端连成一个等位点;Us两端外加电压,起始值小于开路电压Ull';短接电位器Rw和发光管D1、D2,这样可保证外加电压Us正端2与有源一端口开路电压正端1直接相对,然后把电压表接到1、2两端后,再进行这两端的电位比较。
经过调节外加电源Us的输出电压压,调到1、2两端所接电压表指示为零时,即说明1端与2端等电位,再把l、2端断开后,测外加电源Us的电压值,即等于有源一端口网络的开路电压Uoc,此值记入附本表2-2中。
补偿法三:用电流表或检流计判断等电位的方法,条件与方法同上,当调到l、2两端所接电压表指示为零时,再换电流表或检流计接到l、2两端上,见图2-3。
微调外加电源Us的电压使电流表或检流计指示为0(注意一般电源电压调量很小),再断开电流表或检流计后,用电压表去测外加电源Us的电压值,应等于Uoc,此结果对应记入附本表2-2。
此方法比用电压表找等电位的方法更准确,但为了防止被测两端1、2间电位差过大会损坏电流表,所以一定要在电压表指示为零后,再把电流表或检流计换接上。
以上方法中,补偿法一测量结果误差较大,补偿法三测量结果较为精确,但也与电流表灵敏度有关。
(二)计算与测量有源一端口网络的等效电阻Req(1)计算有源一端口网络的等效电阻Req。
当一端口网络内部无源时(把双刀双投开关K1合向短路线),计算有源一端口网络的等效电阻尺Req。
电路参数见附本表2-1中,把计算结果记入该表中。
(2)测量有源一端口网络的等效电阻只Req。
可根据一端口网络内部是否有源,分别采用如下方法测量:1)开路电压、短路电流法。
当一端口网络内部有源时(把双刀双投开关K1合向电源侧),见图2-2所示,USN=30V不变,测量有源一端口网络的开路电压和短路电流Isc。
把电流表接l-1'端进行短路电流的测量。
测前要根据短路电流的计算选择量程,并注意电流表极性和实际电流方向,测量结果记入附本表2-3,计算等效电阻Req。
2)伏安法。
当一端口网络内部无源时(把双刀双投开关Kl合向短路线侧),整个一端口网络可看成一个电阻,此电阻值大小可通过在一端口网络的端口外加电压,测电流的方法得出,见图2-4。
具体操作方法是外加电压接在Us两端,再把l'、2'两端相连,把发光管和电位器Rw短接,电流表接在1、2两端,此时一端口网络等效成一个负载与外加电源Us构成回路,Us电源电压从0起调到使电压表指示为1OV时,电流Is2与电压值记入附本表2-3,并计算一端口网络等效电阻Req=Us/IS2。
图2-4 伏安法图2-5 半流法3)半流法。
条件同上,只是在上述电路中再串进一个可调电位器Rw(去掉Rw短接线)如图2-5所示,外加电源Us电压10V不变。
当调Rw使电流表指示为伏安法时电流表的指示的一半时,即I's2=Is2/2,此时电位器Rw的值等于一端口网络等效电阻Req,断开电流表和外加电源Us,测Rw值就等于是及Req,结果记入附本表2-3。
4)半压法。
半压法简单、实用,测试条件同上,见图2-6。
把1、2两端直接相连,外加电源Us=10V,调Rw使URw=(1/2)Us时,说明Rw值即等于一端口网络等效电阻Req,断开外接电源Us,再测量Rw的值,结果记入附本表2-3。
5)直接测量法。
当一端口网络内部无源时,如图2-7所示,可用万用表欧姆档测量或直流电桥直接测量1-1'两端电阻Req (此种方法只适用于中值、纯电阻电路),测试结果记入附本表2-3中。
图2-6 半压法图2-7 直接测量法说明:以上各方法测出的值均记入附本表2-3中,计算后进行比较,并分析判断结果是否正确。
(3)验证戴维南定理,理解等效概念:1)戴维南等效电路外接负载。
如图2-8(a)所示,首先组成一个戴维南等效电路,即用外电源Us(其值调到附本表2-2用直接测量法测得的Uoc值)与戴维南等效电阻R5=Req相串后,外接R5=100Ω的负载,然后测电阻R6两端电压UR6和流过R6的电流值IR6,记入附本表2-4。
图2-8 验证戴维南定理(a)戴维南等效电路端口负载R6;(b)N网络的端口接负载R62)N有源网络1-1'端口外接负载。
如图2-8(b)所示,同样接R6=100Ω的负载,测电压UR6与电流IR6,结果记入附本表2-4中,与1)测试结果进行比较,验证戴维南定理(4)验证诺顿定理,理解等效概念:1)诺顿等效电路外接负载。
如图2-9(a)所示,首先组成一个诺顿等效电路,即用外加电流源Is(其值调到附本表2-3中开路电压、短路电流法测得的短路电流Isc值)与戴维南等效电阻R5=Req并后,外接R6=100Ω的负载,然后测电阻R6两端电压UR6和流过R6的电流值IR6,记入本表2-5。
采用此方法时注意,由于电流源不能开路,具体操作要在教师具体指导下进行,否则极易损坏电流源。
图2-9 验证诺顿定理等效电路(a)诺顿等效电路端口接负载R6;(b)N网络的端口接负载R62)与上述(3)之2)中的测试结果进行比较,参阅图2-8(b),验证诺顿定理。
五、测试记录表2-1 戴维南等效参数计算表2-2 等效电压源电压Uoc测量结果表2-3 戴维南等效电阻Req测量(计算)结果表2-4 验证戴维南定理指导教师签字:年月日六、实验注意事项(1)USN是N网络内的电源,Us是外加电源,接线时极性位置,电压值不要弄错。
(2)此实验是用多种方法验证比较,测量中一定要心中有数,注意各种方法的特点、区别,决不含糊,否则无法进行比较,实验也将失去意义。
(3)发光管是用作直接观察电路中有否电流、电流的方向及判断两点是否接近等电位用。
但因发光管是非线性元件,电阻较大,不管那种方法,只要测量电流、电压时就把它短接掉,即用短线插到发光管两头的N2、N3插孔即可。
(4)测量电流、电压时都要注意各表极性、方向和量程的正确选择。
测量时要随时与事先计算的含源一端口网络的等效电阻、开路电压、短路电流等值进行比较,以保证测量结果的准确。
七、预习及思考题(1)根据附本表2-1中一端口网络的参数,计算开路电压Uoc、短路电流Isc和等效电阻Req,并将结果记入该表中。
(2)用开路电压、短路电流法测量等效电阻时,开路电压、短路电流是否可以同时进行测量,为什么?这里填写您企业或者单位的信息Fill In The Information Of Your Enterprise Or Unit Here。