学生体测模版填写说明
- 格式:doc
- 大小:202.00 KB
- 文档页数:9
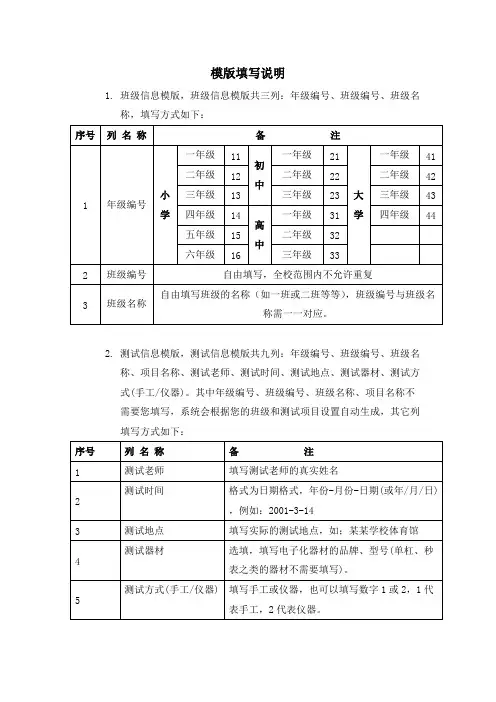
学生体质健康标准上报模版填写说明班级信息模版,班级信息模版共三列:年级编号、班级编号、班级名称,填写方式如下:序号列名称备注一年级11 一年级21一年级41初二年级12 二年级22 二年级42中小三年级13 三年级23 大三年级43 1 年级编号学四年级44学四年级14 一年级31高五年级15 二年级32中六年级16 三年级332 班级编号自由填写,全校范围内不允许重复班级名称自由填写班级的名称(如一班或二班等等),班级编号与班级名称需一一对3应。
测试信息模版,测试信息模版共九列:年级编号、班级编号、班级名称、项目名称、测试老师、测试时间、测试地点、测试器材、测试方式(手工/仪器) 。
其中年级编号、班级编号、班级名称、项目名称不需要您填写,系统会根据您的班级和测试项目设置自动生成,其它列填写方式如下:序号列名称备注1 测试老师填写测试老师的真实姓名测试时间格式为日期格式,年份-月份-日期(或年/月/日),例如:22001-3-143 测试地点填写实际的测试地点,如;某某学校体育馆测试器材选填,填写电子化器材的品牌、型号( 单杠、秒表之类的4器材不需要填写)。
测试方式( 手工/仪器) 填写手工或仪器,也可以填写数字 1 或2 ,1 代表手工,52 代表仪器。
学生基本信息模版,学生基本信息模版包括,班级编号、班级名称、学号、民族代码、姓名、性别、出生日期、学生来源、身份证号、家庭住址,填写方式如下:序号列名称备注1 班级编号自由填写,全校范围内不允许重复2 班级名称自由填写班级的名称(如一班或二班等等)学号(学生ID 号)可以自由填写数字或字母,为该学生在本学校的唯一标3 识,不允许重复,学生在本校内升降级或转班该学号均不变更。
可以填写该学生的学籍号或IC 卡号。
5 民族代码填入民族代码,(见附表1)6 姓名填写学生真实姓名7 性别填写数字: 1 或2; 1 代表男生 2 代表女生出生日期格式为日期格式,年份-月份-日期(或年/月/日),例如:82001-3-14只有大学才填写此项,填写大学生入学前学籍所在地的行政区划码。
1.2.学生体测模版,学生体测模版包含年级编号、班级编号、班级名称、学号(学生ID号)、民族代码、姓名、性别、出生日期、学生来源、身份证号、家庭住址、身高、体重、肺活量、50米跑、立定跳远、坐位体前屈、800米跑、1000米跑、一分钟仰卧起坐、引体向上、左眼视力、右眼视力,填写方式如下:3.单元格格式设置Excel表中只有出生年月为日期格式,其它为文本或常规格式,表头的格式请不要修改(特别是修改日期列时不要修改表头的格式),具体设置方法为:选择“出生年月”一列,点右键选择“设置单元格格式”选择“日期”,然后选择*2001-3-14后点击“确定”按钮。
在office2003中“年份/月份/日期”(如:2001/3/14),也可正常导入。
数据导入注意事项:(1)各年级在EXCEL表中相应位置完整填写测试项目成绩,数据行与行中间不允许有空行,遇到空行默认为数据到此结束,造成数据不能全部导入。
(2)在输入耐力类项目并且是以分秒为单位的项目成绩时,可以省略输入秒的符号,例:3′15″可以只输入为3′15 。
另外,输入分的符号“′”时,可以采用“插入”—“特殊符号”—“单位符号”里的“′”,也可以输入键盘上的单引号‘或’代替分的符号“′”。
例:3′15″可以输入为3’15。
(4)学生因病或残疾免测时,请在首页资料下载中,下载“免于执行《标准》申请表”,填写后提交当地教育行政部门,申请通过后可免于上报。
(5)如果各项的成绩或基本信息是从其它系统导出到EXCEL表中的,请先按要求把数据整理好,按列进行复制并粘贴到本软件的数据模版中,不要整个表格或多列同时复制粘贴,以免在数据导入时发生导入异常的情况。
(6)请不要将不同年级的测试信息放入除Sheet1以外的其他工作表中,否则将导致出现“EXCEL中无可导入的数据”或只能导入工作表Sheet1中填写的年级班级信息的错误。
附表1民族代码表附表2测试项目相关说明表。
填表说明表1-学生基本信息表A栏(班级编号):不填写B栏(班级名称):按实际班级填写,如图,“物流报关1601班”就填写“物流报关1601”C栏(学籍号):填写学生学号D栏(民族代码):在“民族代码表中”查找对应的民族代码填入E栏(姓名):如实填写学生姓名,且与身份证上姓名一致F栏(性别):填入数字,男生填写“1”,女生填写“2”G栏(出生日期):格式要求“年份-月份-日期”或“年份/月份/日期”,如1996-01-03 或1996/06/03在填写前先设置“单元格格式”如图:将鼠标放置在字母“G”上,先鼠标“左键”点击一下,然后“右键”一下,选择“设置单元格格式”左键一下,在“数字”栏中,选择“日期”再在后面的“类型”中,选择“2001/3/14”,然后点击右下角的“确定”H栏(学生来源):填写学生身份证上所在的省市在“学生来源代码表”中所对应的代码I栏(身份证号):如实填写学生身份证号,在填写前同G栏操作一样先设置“单元格格式”为“文本”J栏(家庭住址):填写身份证号上的家庭住址表2-学生体测模板A栏(年级编号):大一班级填写“41”,大二班级填写“42”B栏(班级编号):不填写C栏(班级名称)—I栏(家庭住址):所填信息与“表1-学生基本信息模板”中的信息一致,且学生由上到下的顺序一致J栏(身高):填写学生真实身高,按单位厘米来记录,且保留一位小数K栏(体重):填写学生真实体重,按单位公斤来记录,且保留一位小数L栏(肺活量):按学生测试的数据填写M栏(50米跑):按学生测试的数据填写,用小数表示,如,某同学测试成绩为6秒7,那填入表中为6.7N栏(立定跳远):按学生测试的数据填写,按单位厘米来记录,如,某同学测试成绩为2米35 ,那填入表中为235O栏(坐位体前屈):按学生测试的数据填写,按单位厘米来记录,且保留一位小数P栏(800米跑)、Q栏(1000米跑):填写时对应学生性别,1(男)填写Q栏(1000米跑),2(女)填写P栏(800米跑),以“英文”键盘格式填写数值,如,学生测试数据为4分02秒,那填入表中为4’02R栏(1分钟仰卧起坐)、S栏(引体向上):填写时对应学生性别,1(男)填写S栏(引体向上),2(女)填写R栏(1分钟仰卧起坐),如实填写学生测试中的个数所有栏中的都有一个“红色”批注,将鼠标放置在“红色”上,就会出现该栏对应的要求,所有的表格不要擅自改动,增加或删减栏目!!!!!各班表格填写完后,请将表格重新命名,如。
模版填写说明1.班级信息模版,班级信息模版共三列:年级编号、班级编号、班级名称,填写方式如下:2.测试信息模版,测试信息模版共九列:年级编号、班级编号、班级名称、项目名称、测试老师、测试时间、测试地点、测试器材、测试方式(手工/仪器)。
其中年级编号、班级编号、班级名称、项目名称不需要您填写,系统会根据您的班级和测试项目设置自动生成,其它列填写方式如下:3.学生基本信息模版,学生基本信息模版包括,班级编号、班级名称、学号、民族代码、姓名、性别、出生日期、学生来源、身份证号、家庭住址,填写方式如下:4.学生体测模版,学生体测模版包含年级编号、班级编号、班级名称、学号(学生ID号)、民族代码、姓名、性别、出生日期、学生来源、身份证号、家庭住址、身高、体重、肺活量、50米跑、立定跳远、坐位体前屈、800米跑、1000米跑、一分钟仰卧起坐、引体向上、左眼视力、右眼视力,填写方式如下:5.单元格格式设置Excel表中只有出生年月为日期格式,其它为文本或常规格式,表头的格式请不要修改(特别是修改日期列时不要修改表头的格式),具体设置方法为:选择“出生年月”一列,点右键选择“设置单元格格式”选择“日期”,然后选择*2001-3-14后点击“确定”按钮。
在office2003中“年份/月份/日期”(如:2001/3/14),也可正常导入。
数据导入注意事项:(1)各年级在EXCEL表中相应位置完整填写测试项目成绩,数据行与行中间不允许有空行,遇到空行默认为数据到此结束,造成数据不能全部导入。
(2)在输入耐力类项目并且是以分秒为单位的项目成绩时,可以省略输入秒的符号,例:3′15″可以只输入为3′15 。
另外,输入分的符号“′”时,可以采用“插入”—“特殊符号”—“单位符号”里的“′”,也可以输入键盘上的单引号‘或’代替分的符号“′”。
例:3′15″可以输入为3’15。
(4)学生因病或残疾免测时,请在首页资料下载中,下载“免于执行《标准》申请表”,填写后提交当地教育行政部门,申请通过后可免于上报。
模版填写说明1.班级信息模版,班级信息模版共三列:年级编号、班级编号、班级名称,填写方式如下:2.测试信息模版,测试信息模版共九列:年级编号、班级编号、班级名称、项目名称、测试老师、测试时间、测试地点、测试器材、测试方式(手工/仪器)。
其中年级编号、班级编号、班级名称、项目名称不需要您填写,系统会根据您的班级和测试项目设置自动生成,其它列填写方式如下:3.学生基本信息模版,学生基本信息模版包括,班级编号、班级名称、学号、民族代码、姓名、性别、出生日期、学生来源、身份证号、家庭住址,填写方式如下:4.学生体测模版,学生体测模版包含年级编号、班级编号、班级名称、学号(学生ID号)、民族代码、姓名、性别、出生日期、学生来源、身份证号、家庭住址、身高、体重、肺活量、50米跑、立定跳远、坐位体前屈、800米跑、1000米跑、一分钟仰卧起坐、引体向上、左眼视力、右眼视力,填写方式如下:5.单元格格式设置Excel表中只有出生年月为日期格式,其它为文本或常规格式,表头的格式请不要修改(特别是修改日期列时不要修改表头的格式),具体设置方法为:选择“出生年月”一列,点右键选择“设置单元格格式”选择“日期”,然后选择*2001-3-14后点击“确定”按钮。
在office2003中“年份/月份/日期”(如:2001/3/14),也可正常导入。
数据导入注意事项:(1)各年级在EXCEL表中相应位置完整填写测试项目成绩,数据行与行中间不允许有空行,遇到空行默认为数据到此结束,造成数据不能全部导入。
(2)在输入耐力类项目并且是以分秒为单位的项目成绩时,可以省略输入秒的符号,例:3′15″可以只输入为3′15 。
另外,输入分的符号“′”时,可以采用“插入”—“特殊符号”—“单位符号”里的“′”,也可以输入键盘上的单引号‘或’代替分的符号“′”。
例:3′15″可以输入为3’15。
(4)学生因病或残疾免测时,请在首页资料下载中,下载“免于执行《标准》申请表”,填写后提交当地教育行政部门,申请通过后可免于上报。
模版填写说明1.班级信息模版,班级信息模版共三列:年级编号、班级编号、班级名称,填写方式如下:序号列 名 称备 注一年级11一年级21一年级41二年级12二年级22二年级42三年级13初中三年级23三年级43四年级14一年级31四年级44五年级15二年级321年级编号小学六年级16高中三年级33大学2班级编号自由填写,全校范围内不允许重复3班级名称自由填写班级的名称(如一班或二班等等),班级编号与班级名称需一一对应。
2.测试信息模版,测试信息模版共九列:年级编号、班级编号、班级名称、项目名称、测试老师、测试时间、测试地点、测试器材、测试方式(手工/仪器)。
其中年级编号、班级编号、班级名称、项目名称不需要您填写,系统会根据您的班级和测试项目设置自动生成,其它列填写方式如下:序号列 名 称备 注1测试老师填写测试老师的真实姓名2测试时间格式为日期格式,年份-月份-日期(或年/月/日),例如:2001-3-143测试地点填写实际的测试地点,如;某某学校体育馆4测试器材选填,填写电子化器材的品牌、型号(单杠、秒表之类的器材不需要填写)。
5测试方式(手工/仪器)填写手工或仪器,也可以填写数字1或2,1代表手工,2代表仪器。
3.学生基本信息模版,学生基本信息模版包括,班级编号、班级名称、学号、民族代码、姓名、性别、出生日期、学生来源、身份证号、家庭住址,填写方式如下:序号列名称备注1班级编号自由填写,全校范围内不允许重复2班级名称自由填写班级的名称(如一班或二班等等)3学号(学生ID号)可以自由填写数字或字母,为该学生在本学校的唯一标识,不允许重复,学生在本校内升降级或转班该学号均不变更。
可以填写该学生的学籍号或IC卡号。
5民族代码填入民族代码,(见附表1)6姓名填写学生真实姓名7性别填写数字:1或2;1代表男生2代表女生8出生日期格式为日期格式,年份-月份-日期(或年/月/日),例如:2001-3-149学生来源只有大学才填写此项,填写大学生入学前学籍所在地的行政区划码。
1.2.学生体测模版,学生体测模版包含年级编号、班级编号、班级名称、学号(学生ID号)、民族代码、姓名、性别、出生日期、学生来源、身份证号、家庭住址、身高、体重、肺活量、50米跑、立定跳远、坐位体前屈、800米跑、1000米跑、一分钟仰卧起坐、引体向上、左眼视力、右眼视力,填写方式如下:3.单元格格式设置Excel表中只有出生年月为日期格式,其它为文本或常规格式,表头的格式请不要修改(特别是修改日期列时不要修改表头的格式),具体设置方法为:选择“出生年月”一列,点右键选择“设置单元格格式”选择“日期”,然后选择*2001-3-14后点击“确定”按钮。
在office2003中“年份/月份/日期”(如:2001/3/14),也可正常导入。
数据导入注意事项:(1)各年级在EXCEL表中相应位置完整填写测试项目成绩,数据行与行中间不允许有空行,遇到空行默认为数据到此结束,造成数据不能全部导入。
(2)在输入耐力类项目并且是以分秒为单位的项目成绩时,可以省略输入秒的符号,例:3′15″可以只输入为3′15 。
另外,输入分的符号“′”时,可以采用“插入”—“特殊符号”—“单位符号”里的“′”,也可以输入键盘上的单引号‘或’代替分的符号“′”。
例:3′15″可以输入为3’15。
(4)学生因病或残疾免测时,请在首页资料下载中,下载“免于执行《标准》申请表”,填写后提交当地教育行政部门,申请通过后可免于上报。
(5)如果各项的成绩或基本信息是从其它系统导出到EXCEL表中的,请先按要求把数据整理好,按列进行复制并粘贴到本软件的数据模版中,不要整个表格或多列同时复制粘贴,以免在数据导入时发生导入异常的情况。
(6)请不要将不同年级的测试信息放入除Sheet1以外的其他工作表中,否则将导致出现“EXCEL中无可导入的数据”或只能导入工作表Sheet1中填写的年级班级信息的错误。
附表1民族代码表附表2测试项目相关说明表。
学生体检报告单的填写我很乐意帮助你完成这篇文章。
下面是一个关于学生体检报告单的填写的示例:学生体检报告单的填写一、基本信息1. 姓名:2. 性别:3. 年级:二、身体状况1. 身高:2. 体重:3. 体质指数(BMI):三、生活习惯1. 饮食习惯:2. 运动频率:3. 睡眠质量:四、健康状况1. 视力:2. 听力:3. 其他身体系统检查结果:在填写学生体检报告单时,请尽量提供准确的信息,以保证医生对学生的身体状况有一个全面的了解。
以下是对每个部分的详细说明:一、基本信息首先,填写学生的姓名、性别和所在的年级。
这些基本信息将有助于标识学生的身份,并确保报告单与正确的学生对应。
二、身体状况在这一部分中,记录学生的身高、体重以及计算出的体质指数。
这些数据可以帮助评估学生是否偏瘦、正常或超重,并在判断学生的整体健康状况时提供重要参考。
三、生活习惯了解学生的饮食习惯、运动频率和睡眠质量对评估其健康状况也非常重要。
填写这一部分时,请尽量提供详细的信息,例如饮食中主要包含的食物种类、每周进行的运动类型和时间以及每晚的睡眠时间。
四、健康状况最后,在这一部分中,记录学生的视力和听力检查结果。
此外,还应记录其他身体系统(例如呼吸系统、心血管系统和神经系统等)的检查结果。
这些信息能够让医生了解到学生身体的各个方面是否正常。
总结:填写学生体检报告单时,准确地记录学生的基本信息、身体状况、生活习惯和健康状况非常重要。
这将为医生提供全面的信息,并帮助他们评估学生的整体健康状况,从而有助于制定适当的健康干预和建议。
2.学生体测模版,学生体测模版包含年级编号、班级编号、班级名称、学号(学生ID号)、民族代码、姓名、性别、出生日期、学生来源、身份证号、家庭住址、身高、体重、肺活量、50米跑、立定跳远、坐位体前屈、800米跑、1000米跑、一分钟仰卧起坐、引体向上、左眼视力、右眼视力,填写方式如下:Excel表中只有出生年月为日期格式,其它为文本或常规格式,表头的格式请不要修改(特别是修改日期列时不要修改表头的格式),具体设置方法为:选择“出生年月” 一列,点右键选择“设置单元格格式”选择“日期”, 然后选择*2001-3-14后点击“确定”按钮。
在office2003中“年份/月份/日期”(如:2001/3/14 ),也可正常导入。
数据导入注意事项:(1) 各年级在EXCELS中相应位置完整填写测试项目成绩,数据行与行中间不允许有空行,遇到空行默认为数据到此结束,造成数据不能全部导入。
(2) 在输入耐力类项目并且是以分秒为单位的项目成绩时,可以省略输入秒的符号,例:3' 15〃可以只输入为3' 15。
另外,输入分的符号”时,可以采用“插入”一“特殊符号”一“单位符号” 里的,也可以输入键盘上的单引号'或’代替分的符号…。
例:3' 15〃可以输入为3' 15。
(4) 学生因病或残疾免测时,请在首页资料下载中,下载“免丁执行《标准》申请表”,填写后提交当地教育行政部门,申请通过后可免丁上报。
(5) 如果各项的成绩或基本信息是从其它系统导出到EXCE以中的,请先按要求把数据整理好,按列进行复制并粘贴到本软件的数据模版中,不要整个表格或多列同时复制粘贴,以免在数据导入时发生导入异常的情况(6) 请不要将不同年级的测试信息放入除Sheetl以外的其他工作表中,否则将导致出现“ EXCEL中无可导入的数据”或只能导入工作表Sheetl中填写的年级班级信息的错误。
附表1民族代码表附表2测试项目相关说明表。
1.学生体测模版,学生体测模版包含年级编号、班级编号、班级名称、学号(学生ID号)、民族代码、姓名、性别、出生日期、学生来源、身份证号、家庭住址、身高、体重、肺活量、50米跑、立定跳远、坐位体前屈、800米跑、1000米跑、一分钟仰卧起坐、引体向上、左眼视力、右眼视力,填写方式如下:2.单元格格式设置Excel表中只有出生年月为日期格式,其它为文本或常规格式,表头的格式请不要修改(特别是修改日期列时不要修改表头的格式),具体设置方法为:选择“出生年月”一列,点右键选择“设置单元格格式”选择“日期”,然后选择*2001-3-14后点击“确定”按钮。
在office2003中“年份/月份/日期”(如:2001/3/14),也可正常导入。
数据导入注意事项:(1)各年级在EXCEL表中相应位置完整填写测试项目成绩,数据行与行中间不允许有空行,遇到空行默认为数据到此结束,造成数据不能全部导入。
(2)在输入耐力类项目并且是以分秒为单位的项目成绩时,可以省略输入秒的符号,例:3′15″可以只输入为3′15 。
另外,输入分的符号“′”时,可以采用“插入”—“特殊符号”—“单位符号”里的“′”,也可以输入键盘上的单引号‘或’代替分的符号“′”。
例:3′15″可以输入为3’15。
(4)学生因病或残疾免测时,请在首页资料下载中,下载“免于执行《标准》申请表”,填写后提交当地教育行政部门,申请通过后可免于上报。
(5)如果各项的成绩或基本信息是从其它系统导出到EXCEL表中的,请先按要求把数据整理好,按列进行复制并粘贴到本软件的数据模版中,不要整个表格或多列同时复制粘贴,以免在数据导入时发生导入异常的情况。
(6)请不要将不同年级的测试信息放入除Sheet1以外的其他工作表中,否则将导致出现“EXCEL中无可导入的数据”或只能导入工作表Sheet1中填写的年级班级信息的错误。
体测成绩填表说明:
1、身高:数字格式,单位cm。
2、体重:数字格式,单位kg。
3、肺活量:数值式范围在500-9999之间。
4、50米跑:值范围5.0-20.0,可以是小数。
5、立定跳远:值范围0.50-4.00,可以是小数。
6、坐位体前屈:值范围-30-40,可以是小数。
7、800米、1000米跑:格式3′45″(″(秒号)可省略) 或者3’45" ("(双引号)
可省略)。
8、一分钟仰卧起坐:值是0-99的整数。
9、引体向上:值是0-99的整数。
10、左、右眼视力:数字格式范围在1.0-5.9之间。
11、身体残疾者:要求填写“免予执行《国家学生体质健康标准》申请表”(淮南师范学院体育学院网站---下载专区下载)。
另外需填写大一、大二年级的视力,贵系新生入学名单模板稍后单独发送给您,谢谢!。
1.2.学生体测模版,学生体测模版包含年级编号、班级编号、班级名称、学号(学生ID号)、民族代码、姓名、性别、出生日期、学生来源、身份证号、家庭住址、身高、体重、肺活量、50米跑、立定跳远、坐位体前屈、800米跑、1000米跑、一分钟仰卧起坐、引体向上、左眼视力、右眼视力,填写方式如下:3.单元格格式设置Excel表中只有出生年月为日期格式,其它为文本或常规格式,表头的格式请不要修改(特别是修改日期列时不要修改表头的格式),具体设置方法为:选择“出生年月”一列,点右键选择“设置单元格格式”选择“日期”,然后选择*2001-3-14后点击“确定”按钮。
在office2003中“年份/月份/日期”(如:2001/3/14),也可正常导入。
数据导入注意事项:(1)各年级在EXCEL表中相应位置完整填写测试项目成绩,数据行与行中间不允许有空行,遇到空行默认为数据到此结束,造成数据不能全部导入。
(2)在输入耐力类项目并且是以分秒为单位的项目成绩时,可以省略输入秒的符号,例:3′15″可以只输入为3′15 。
另外,输入分的符号“′”时,可以采用“插入”—“特殊符号”—“单位符号”里的“′”,也可以输入键盘上的单引号‘或’代替分的符号“′”。
例:3′15″可以输入为3’15。
(4)学生因病或残疾免测时,请在首页资料下载中,下载“免于执行《标准》申请表”,填写后提交当地教育行政部门,申请通过后可免于上报。
(5)如果各项的成绩或基本信息是从其它系统导出到EXCEL表中的,请先按要求把数据整理好,按列进行复制并粘贴到本软件的数据模版中,不要整个表格或多列同时复制粘贴,以免在数据导入时发生导入异常的情况。
(6)请不要将不同年级的测试信息放入除Sheet1以外的其他工作表中,否则将导致出现“EXCEL中无可导入的数据”或只能导入工作表Sheet1中填写的年级班级信息的错误。
附表1民族代码表附表2测试项目相关说明表。
学生体质健康标准上报模版填写说明班级信息模版,班级信息模版共三列:年级编号、班级编号、班级名称,填写方式如下:
测试信息模版,测试信息模版共九列:年级编号、班级编号、班级名称、项目名称、测试老师、测试时间、测试地点、测试器材、测试方式(手工/仪器)。
其中年级编号、班级编号、班级名称、项目名称不需要您填写,系统会根据您的班级和测试项目设置自动生成,其它列
学生基本信息模版,学生基本信息模版包括,班级编号、班级名称、学号、民族代码、姓名、性别、出生日期、学生来源、身份证号、家庭住址,填写方式如下:
学生体测模版,学生体测模版包含年级编号、班级编号、班级名称、学号(学生ID号)、民族代码、姓名、性别、出生日期、学生来源、身份证号、家庭住址、身高、体重、肺活量、50米跑、立定跳远、坐位体前屈、800米跑、1000米跑、一分钟仰卧起坐、引体向上、左眼视力、右眼视力,填写方式如下:
单元格格式设置
Excel表中只有出生年月为日期格式,其它为文本或常规格式,表头的格式请不要修改(特别是修改日期列时不要修改表头的格式),具体设置方法为:选择“出生年月”一列,点右键选择“设置单元格格式”选择“日期”,然后选择*2001-3-14后点击“确定”按钮。
在office2003中“年份/月份/日期”(如:2001/3/14),也可正常导入。
数据导入注意事项:
(1)各年级在EXCEL表中相应位置完整填写测试项目成绩,数据行与行中间不允许有空行,遇到空行默认为数据到此结束,造成数据不能全部导入。
(2)在输入耐力类项目并且是以分秒为单位的项目成绩时,可以省略输入秒的符号,例:3′15″可以只输入为3′15 。
另外,输入分的符号“′”时,可以采用“插入”—“特殊符号”—“单位符号”里的“′”,也可以输入键盘上的单引号‘或’代替分的符号“′”。
例:3′15″可以输入为3’15。
(4)学生因病或残疾免测时,请在首页资料下载中,下载“免于执行《标准》申请表”,填写后提交当地教育行政部门,申请通过后可免于上报。
(5)如果各项的成绩或基本信息是从其它系统导出到EXCEL表中的,请先按要求把数据整理好,按列进行复制并粘贴到本软件的数据模版中,不要整个表格或多列同时复制粘贴,以免在数据导入时发生导入异常的情况。
(6)请不要将不同年级的测试信息放入除Sheet1以外的其他工作表中,否则将导致出现“EXCEL中无可导入的数据”或只能导入工作表Sheet1中填写的年级班级信息的错误。