微机原理-可编程并行接口实验--利用8255A芯片设计接口电路并编程实现
- 格式:docx
- 大小:453.55 KB
- 文档页数:7
实验七8255A 并行口实验(二)一、实验目的掌握通过8255A 并行口传输数据的方法,以控制发光二极管的亮与灭。
二、实验内容用8255 做输出口,控制十二个发光管亮灭,模拟交通灯管理。
三、实验程序CODE SEGMENTASSUME CS:CODEIOCONPT EQU 0FF2BH;8255控制口IOAPT EQU 0FF28H;PA口IOBPT EQU 0FF29H;PB口IOCPT EQU 0FF2AH;PC口ORG 11E0HSTART: MOV AL,82H;PB输入,PA,PC输出MOV DX,IOCONPTOUT DX,AL;写命令字MOV DX,IOBPT;读PB口IN AL,DXMOV BYTE PTR DS:[0601H],AL;保存PBMOV DX,IOCONPT;8255控制口MOV AL,80HOUT DX,AL;写命令字,PA,PB,PC输出MOV DX,IOBPTMOV AL,DS:[0601H]OR AL,0F0HOUT DX,AL;将读入的PB状态重新置到PB上MOV DX,IOCPTMOV AL,0F0HOUT DX,AL;四路口红灯全亮CALL DELAY1;延时IOLED0:MOV AL,10100101BMOV DX,IOCPTOUT DX,AL;南北绿灯亮,东西红灯亮;-----------------------------------------------CALL DELAY1;延时CALL DELAY1;延时CALL DELAY1;延时CALL DELAY1;延时CALL DELAY1;延时CALL DELAY1;延时;------------------------此处为南北绿灯亮的时间-------------OR AL,0F0HOUT DX,AL;南北绿灯灭,东西红灯亮MOV CX,8IOLED1:MOV DX,IOBPTMOV AL,DS:[0601H]AND AL,10101111BOUT DX,AL;南北黄灯亮,东西黄灯亮CALL DELAY2;延时 --------------南北黄灯闪烁时间OR AL,01010000BOUT DX,AL;南北黄灯灭,东西黄灯灭CALL DELAY2;延时LOOP IOLED1;南北黄灯闪烁8次MOV DX,IOCPTMOV AL,0F0HOUT DX,AL;四路口红灯全亮;----------------------------------------------------------CALL DELAY2;延时;----------------------此处为四路口红灯全亮时间---------------- MOV AL,01011010BOUT DX,AL;东西绿灯亮,南北红灯亮;---------------------------------------------------------CALL DELAY1;延时CALL DELAY1;延时CALL DELAY1;延时CALL DELAY1;延时CALL DELAY2;延时CALL DELAY2;延时CALL DELAY2;延时CALL DELAY2;延时CALL DELAY2;延时CALL DELAY2;延时CALL DELAY2;延时CALL DELAY2;延时;----------------------此处为东西绿灯亮的时间-----------------------------------OR AL,0F0HOUT DX,AL;东西绿灯灭MOV CX,8IOLED2:MOV DX,IOBPTMOV AL,DS:[0601H]AND AL,01011111BOUT DX,AL;东西黄灯亮,CALL DELAY2;延时 --------------东西黄灯闪烁时间OR AL,10100000BOUT DX,AL;东西黄灯灭,CALL DELAY2;延时LOOP IOLED2;东西黄灯闪烁8次,南北黄灯亦然MOV DX,IOCPTMOV AL,0F0HOUT DX,AL;四路口红灯全亮;---------------------------------------------------------- CALL DELAY2;延时;----------------------此处为四路口红灯全亮时间------------ JMP IOLED0;循环继续DELAY1:PUSH AXPUSH CXMOV CX,0030HDELY2:CALL DELAY2;延时,DELAY1延时是DELAY2的48倍LOOP DELY2POP CXPOP AXRETDELAY2:PUSH CXMOV CX,8000HDELA1:LOOP DELA1POP CXRETCODE ENDSEND START四、实验结果本实验实现了双路口的,交通灯循环。
微型计算机原理与接口技术实验报告实验名称:8255A并行口实验(一)8255A并行口实验(二)2015年12月9日实验四8255A并行口实验(一)一、实验目的1. 掌握8255A和微机接口方法;2. 掌握8255A的工作方式和编程原理二、实验内容用8255PA口控制PB 口。
三、实验接线图四、编程指南1.8255A芯片简介:8255A可编程外围接口芯片是INTEL公司生产的通用并行接口芯片,它具有A、B、C三个并行接口,用+5V单电源供电,能在以下三种方式下工作:方式0:基本输入/输出方式;方式I :选通输入/输出方式;方式2:双向选通工作方式;2. 使8255A端口A工作在方式0并作为输入口,读取KI-K8个开关量,PB 口工作在方式0作为输出口。
五、实验程序框图六、实验步骤1. 断电连接导线,8255A 芯片A 口的PA0-PA7依次和开关量输入KI-K8相 连,8255A 芯片 B 口的 PB0-PB7依次接 LI-L8 ;2. 在PC 机和实验系统联机状态下,新建实验程序,编辑完成后进行保存(保存后缀为.asm 文件); 3. 编译下载;4. 全速运行,运行程序。
七、实验程序CODE SEGMENT MAIN PROC FARASSUME CS:CODEMAIN ENDP CODE ENDSEND MAINSTART: MOV DX, 0FF2BHMOV AL, 90H OUT DX, ALTEST: MOV DX, 0FF28HIN AL, DXMOV DX, 0FF29H OUT DX, AL JMP TEST;控制字寄存器 ;控制字;写入控制字 ;指向A 口;从A 口读入开关状态 ;指向B 口;B 口控制LED ,指示开关状态 ;进行下一轮检测 图4-2八、实验结果闭合或断开开关,相应的发光二极管会亮或灭。
九、实验中遇到的问题及解决方式问题:编程过程中不知道此实验平台的8255A的端口地址解决:查阅实验指导书中对实验平台的简介,最终得到了口地址。
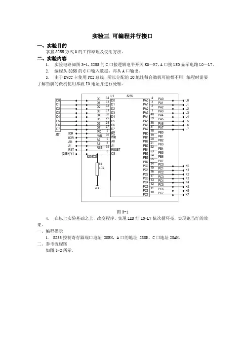
实验三可编程并行接口一、实验目的掌握8255方式0的工作原理及使用方法。
二、实验内容1.实验电路如图3-1,8255的C口接逻辑电平开关K0~K7,A口接LED显示电路L0~L7。
2.编程从8255的C口输入数据,再从A口输出。
3.由于DVCC卡使用PCI总线,所以分配的IO地址每台微机可能都不用,编程时需要了解当前的微机使用那段IO地址并进行处理。
L0L1L2L3L4L5L6L7K0K1K2K3K4K5K6K7图3-14. 在以上实验基础之上,改变程序,实现LED灯L0-L7依次循环亮,实现跑马灯的效果。
一、编程提示1.8255控制寄存器端口地址 28BH,A口的地址 288H,C口地址28AH。
二、参考流程图如图3-2所示。
三、参考程序源程序清单如下:ioport equ 0E400h-0280hio8255a equ ioport+288hio8255b equ ioport+28bhio8255c equ ioport+28ahcode segmentassume cs:codestart:mov dx,io8255bmov al,008bhout dx,al ;设8255为C口输入,A口输出inout: mov dx,io8255c ;从C口输入一数据in al,dxcall disp ;调显示子程序mov dx,io8255a ;从A口输出刚才自C口out dx,al ;所输入的数据Mov dl,0ffh ;判断是否有按键mov ah,06hint 21hjz inout ;若无,则继续自C口输入,A口输出mov ah,4ch ;否则返回int 21hdisp proc near ;显示子程序push dxand al,0fh ;首先取低四位mov dl,alcmp dl,9 ;判断是否<=9jle num ;若是则为'0'-'9',ASCII码加30Hadd dl,7 ;否则为'A'-'F',ASCII码加37Hnum: add dl,30hmov ah,02h ;显示int 21hmov dl,0dh ;加回车符int 21hmov dl,0ah ;加换行符int 21hpop dxret ;子程序返回disp endpcode endsend start四、实验结果1. LED灯L0~L7依次发光2. 开关K0-K7控制LED显示电路显示数字,并且在屏幕上输出输入的数字图3-3图3-4五、实验总结通过本次试验,我掌握了可编程并行接口8255和微机的硬件连接方法,编程方法,并加深了对可编程并行接口8255的工作方式理解及编程方法。
最新8255实验报告实验目的:本次实验旨在熟悉并掌握Intel 8255A可编程并行接口的功能及其编程方法。
通过实验,学习如何利用8255A实现并行数据的输入输出操作,并了解其在微型计算机系统中的应用。
实验设备与器件:1. 微机实验箱及接口电路板2. Intel 8255A 可编程并行接口芯片3. 8位微处理器(如8086)4. 示波器、逻辑笔等测试工具实验原理:Intel 8255A是一种3态可编程并行输入/输出接口芯片,具有三个8位并行I/O端口:端口A、端口B和端口C。
端口A和端口B可用于输入输出,端口C分为两个4位端口C1和C2,可分别进行输入输出操作。
8255A通过控制字寄存器(控制字1和控制字2)来设置工作模式和端口方向。
实验步骤:1. 初始化8255A:通过编程设置控制字寄存器,定义端口A、B的工作模式(例如,端口A为输入,端口B为输出)和端口C的配置(C1和C2的输入输出模式)。
2. 编写程序代码,实现端口A的数据读取和端口B的数据输出。
3. 使用示波器检测端口C的输入输出信号,验证其功能。
4. 通过改变控制字寄存器的设置,观察并记录端口工作模式变化后的行为。
实验结果:1. 端口A成功读取了外部输入的二进制数据,并在显示器上显示出来。
2. 端口B按照程序设定输出了相应的控制信号,通过LED灯或其他指示设备得到了验证。
3. 端口C1和C2在不同的控制字设置下,能够正确地执行输入输出操作,信号波形通过示波器得到了确认。
实验结论:通过本次实验,我们成功地对Intel 8255A可编程并行接口进行了编程和操作,实现了并行数据的输入输出。
实验结果表明,8255A在并行接口通信中具有重要作用,能够提高数据传输效率,适用于需要高速并行数据传输的场合。
微机原理实验报告班级:自动化72组员梁慕佳 07054031张乐 07054033张林鹏 07054034实验一:8255 并行接口实验1 实验目的1. 学习并掌握8255 的工作方式及其应用;2. 掌握8255 典型应用电路的接法。
2 实验设备PC机一台,TD-PITE 实验装置一套。
3 实验内容1. 基本输入输出实验。
编写程序,使8255 的A口为输入,B口为输出,完成拨动开关到数据灯的数据传输。
要求只要开关拨动,数据灯的显示就发生相应改变。
2. 流水灯显示实验。
编写程序,使8255 的A口和B口均为输出,数据灯D7~D0由左向右,每次仅亮一个灯,循环显示,D15~D8与D7~D0 正相反,由右向左,每次仅点亮一个灯,循环显示。
4 实验原理并行接口是以数据的字节为单位与I/O 设备或被控制对象之间传递信息。
CPU和接口之间的数据传送总是并行的,即可以同时传递8 位、16 位或32 位等。
8255可编程外围接口芯片是Intel公司生产的通用并行I/O 接口芯片,它具有A、B、C 三个并行接口,用+5V单电源供电,能在以下三种方式下工作:方式0--基本输入/输出方式、方式1--选通输入/输出方式、方式2--双向选通工作方式。
8255的内部结构及引脚如图2-6-1 所示,8255工作方式控制字和C口按位置位/复位控制字格式如图2-6-2所示。
图2-6-1 8255内部结构及外部引脚图图2-6-2 8255控制字格式5 实验步骤1. 基本输入输出实验本实验使8255 端口A工作在方式0 并作为输入口,端口B工作在方式0 并作为输出口。
用一组开关信号接入端口A,端口B 输出线接至一组数据灯上,然后通过对8255 芯片编程来实现输入输出功能。
具体实验步骤如下述:(1)实验接线图如图2-6-3所示,按图连接实验线路图;(2)编写实验程序,经编译、连接无误后装入系统;(3)运行程序,改变拨动开关,同时观察LED 显示,验证程序功能。
实验五可编程并行接口(8255A)一.实验目的1.掌握8255A方式0的工作原理及使用方法二.实验内容1.按下面图4-1可编程并行口接口8255A电路连接线路,如下图所示:图4-1可编程并行口接口8255A2.编写程序,实现从PC口读入开关状态,然后在PA口输出开关状态。
编程可参考如下流程图:其中288H是8255A芯片的PA口地址。
三.编程提示1.PA口地址=(DC00H-280H)+288H=0DC08H,其余端口地址可依此类推。
下面是整个接口程序的参考源程序,请补充完整8255A并行口输出实验,8255A工作于方式0。
stack segment para stackX db 100 dup(?)stack endsdata segmentY db 100 dup(?)data endscode segment 'code'assume cs:code,ds:data,ss:stackstart: mov ax,datamov ds,ax____________ ;8255A初始化next: ___________ ;从PC口输入数据;从PA口输出数据__________以下语句是用于判断是否按下ESC键,如果按下则退出。
mov dl , 0ffHmov ah , 06Hint 21hjz next ;无键按下则继续从PC口读入数据mov ah , 4chint 21hcode endsend start2. 编译及运行将上述程序对应的工程建立在E:\wjyl\bxk目录下,编译、连接、构建后生成exe文件。
运行不能直接在WINXP系统下,必须在纯DOS系统下。
四.思考题1. 8255A的工作方式0的特点是什么?2.这个程序里有查询环节吗?如果有,作用是什么?。
一、实验内容编写程序,通过可编程并行通信接口(8255A)读取TPC-USB实验装置上开关数据,并在微机屏幕上显示出来。
二、实验目的和要求实验目的:可编程并行通信接口(8255A)具有三个端口,端口A、端口B、端口C、本实验可通过B端口和C端口与实验装置的开关K1~K8连接,读取开关K的状态。
1、掌握8255A并行接口的原理及编程方法。
2、了解TPC-USB通用实验装置上的逻辑电平开关电路,掌握读取开关数据的方法预习要求:1、熟悉8255A并行接口的原理及编程方法;2、编写源程序。
三、实验设备(软、硬件)1、PC机2、TPC-USB实验装置3、通用微机实验培训装置四、实验设计方案(或实验综合知识)通过可编程并行通信接口(8255A)读取TPC-USB实验装置上开关数据,并在微机屏幕上显示出来。
相关知识:DOS系统功能调用直接控制台输入输出单字符功能号:AH=06H入口参数:DL=0FFH(输入)DL=字符(输出)出口参数:AL=输入字符五、实验原理使用8255A并行接口作为数据中转的中介完成数据的输入输出过程。
六、实验方法及步骤1、电路设计;2、实验装置接线;3、源程序录入并调试根据题意编写程序,编写源程序,汇编,链接程序,调试程序,直到调试成功为止。
4、执行程序〃打开实验装置外接电源。
〃执行程序。
〃任意设置开关K1~K8,在PC机的屏幕上会显示K1~K8的状态七、实验数据记录与处理DATA SEGMENTIO8255A EQU 288HIO8255C EQU 28AHCONTRL EQU 28BHDATA ENDSCODE SEGMENTASSUME CS:CODESTART: MOV DX,CONTRL ;设8255为C口输入,A 口输出MOV AL,8BHOUT DX,ALINOUT: MOV DX,IO8255C ;从C口输入一数据IN AL,DXMOV DX,IO8255A ;从A口输出刚才自C 口OUT DX,AL ;所输入的数据MOV DL,0FFH ;判断是否有按键MOV AH,06HINT 21HJZ INOUT ;若无,则继续自C口输入,A口输出MOV AH,4CH ;否则返回INT 21HCODE ENDSEND START八、实验结果及分析先按下实验箱上白色的复位键,硬件会重新启动,运行程序,启动LED指示灯开关,亮了,实验成功。
实验七可编程并行接口芯片8255A的使用1一、实验目的了解可编程并行接口芯片8255的内部结构、工作方式、初始化编程及应用。
二、实验设备(1)显示器、鼠标、键盘各一件;(2)QTH-2008PC 32位微机教学实验仪一套。
三、实验说明1、8255A的内部结构:(1)数据总线缓冲器:这是一个双向三态的8位数据缓冲器,它是8255A与微机系统数据总线的接口。
输入输的数据、CPU输出的控制字以及CPU输入的状态信息都是通过这个缓冲器传送的。
(2)三个端口A,B和C:A端口包含一个8位数据输出锁存器和缓冲器,一个8位数据输入锁存器。
B端口包含一个8位数据输入/输出锁存器和缓冲器,一个8位数据输入缓冲器。
C端口包含一个8位数据输出锁存器及缓冲器,一个8位数据输入缓冲器(输入没有锁存器)。
(3)A组和B组控制电路:这是两组根据CPU输出的控制字控制8255工作方式的电路,它们对于CPU而言,共用一个端口地址相同的控制字寄存器,接收CPU输出的一字节方式控制字或对C口按位复位字命令。
方式控制字的高5位决定A组工作方式,低3位决定B 组的工作方式。
对C口按位复位命令字可对C口的每一位实现置位或复位。
A组控制电路控制A口和C口上半部,B组控制电路控制B口和C口下半部。
(4)读写控制逻辑:用来控制把CPU输出的控制字或数据送至相应端口,也由它来控制把状态信息或输入数据通过相应的端口送到CPU。
2、8255A的工作方式:方式0—基本输入输出方式;方式1—选通输入输出方式;方式2—双向选通输入输出方式。
3、8255A的控制字:图1 8255A方式控制字图2 C口按位置位/复位控制字四、实验原理图图3 可编程并行接口8255电路五、实验内容流水灯实验:利用8255的A口、B口循环点亮发光二极管。
六、实验步骤(1)实验连线该模块的WR、RD分别连到PC104总线接口模块的IOWR、IORD。
该模块的数据(AD0~AD7)、地址线(A0~A7)分别连到PC104总线接口模块的数据(D0~D7)、地址线(A0~A7)。
实验五-1 8255A可编程并行口实验一、实验目的1.掌握并行接口芯片8255A和微机接口的连接方法。
2.掌握并行接口芯片8255A的工作方式及其编程方法。
三、实验内容1.实验原理如实验原理图6-4所示,PA口8位接8个开关K1~ K8,PB口8位接8个发光二极管,从PA口读入8位开关量送PB口显示。
拨动K1~ K8,PB口上接的8个发光二极管L1~ L8对应显示K1~ K8的状态。
图6-42.实验线路连接(1)8255A芯片PA0~ PA7插孔依次接K1~ K8。
(2)8255A芯片PB0~PB7插孔依次接L1 ~ L8。
系统已定义的I/O地址如下:接口芯片口地址用途8255A口FFD8H EP总线8255B口FFD9H EP地址8255C口FFDAH EP控制8255控制口FFDBH 控制字四、实验软件框图五、实验参考程序PA EQU 0FFD8HPB EQU 0FFD9HPC EQU 0FFDAHPCTL EQU 0FFDBHCODE SEGMENTASSUME CS:CODE,DS:CODE,ES:CODEORG 32E0HH2: 。
CODE ENDSEND H2六、实验思考1.通过实验你是如何理解8255的PA口和PB口的工作过程?2.用程序验证若8255的PA口为方式1或方式2,是否可以实现PA口控制PB口?七、实验步骤1.按图6-4连好线路。
2.运行实验程序,拨动K1~K8,L1~L8会跟着亮灭。
实验五-28255并行口实验(二)A.B.C口输出方波一、实验目的掌握可编程I/O接口芯片8255的接口原理使用,熟悉对8255初始化编程和输入、输出软件设计方法。
二、实验内容在8255 A.B.C口用示波器测出波形。
三、程序流程四、实验步骤编译、装载,连续运行程序,用示波器测量8255 A.B.C口并观察其波形。
关键点:ch0、ch1分接PA口的D1、D0;ch0、ch1分接PB口的D1、D0;ch0、ch1分接PC口的D1、D0五、实验参考程序PA EQU 0FFD8HPB EQU 0FFD9HPC EQU 0FFDAHPCTL EQU 0FFDBHCODE SEGMENTASSUME CS:CODE,DS:CODE,ES:CODEORG 32C0HH1:JMP P11CODE ENDSEND H1六、实验思考1.说明8255 A.B.C口输出方波,与8253输出方波有什么区别?2.说明8255 A.B.C口输出方波的原理是什么?实验五-3 8255A可编程并行口实验(三)交通灯一、实验目的进一步掌握8255A可编程并行口使用方法。
实验二8255A并行接口应用一、实验目的1.掌握8255A的功能及方式0、1的实现2.熟悉8255A与CPU的接口,以及传输数据的工作原理及编程方法。
3.了解七段数码管显示数字的原理。
4.掌握同时显示多位数字的技术。
二、8255应用小结1.8255的工作方式一片8255内部有3个端口,A口可以工作在方式0、方式1或方式2,B口可以工作在方式0、方式1,C口可以工作在方式0。
方式0是基本型输入/输出。
这种方式和外设交换数据时,8255端口与外设之间不使用联络线。
方式1为选通型输入/输出。
用这种方式和外界交换数据时,端口和外设之间要有联络信号。
方式2是双向数据传送,仅A口有这项功能。
当A口工作在方式2时,B口仍可以工作在方式0或方式1,但此时B口方式1只能用查询方式与CPU交换信息。
2. 工作方式选择字8255工作方式选择字共8位(如图),存放在8255控制寄存器中。
最高位D7为标志位,D7=1表示控制寄存器中存放的是工作方式选择字,D7=0表示控制寄存器中存放的是C口置位/复位控制字。
3.C口置/复位控制字8255的C口可进行位操作,即:可对8255C口的每一位进行置位或清零操作,该操作是通过设置C口置/复位字实现的(图8-10)。
C口置/复位字共8位,各位含义如下:3.8255A的控制信号与传输动作的对应关系4.命令字与初始化编程8255有两个命令字,即方式选择控制字和C口置0/置1控制字,初始化编程的步骤是:①向8255控制寄存器写入“方式选择控制字”,从而预置端口的工作方式。
②当端口预置为方式1或方式2时,再向控制寄存器写入“C口置0/置1控制字”。
这一操作的主要目的是使相应端口的中断允许触发器置0,从而禁止中断,或者使相应端口的中断允许触发器置1,从而允许端口提出中断请求。
注意:“C口置0/置1控制字”虽然是对C口进行操作,但是该控制字是命令字,所以要写入控制寄存器,而不是写入C口控制寄存器。
实验报告二、实验原理1、8255A芯片8255A是一种可编程的I/O接口芯片,可以与MCS-51系统单片机以及外设直接相连,广泛用作外部并行I/O扩展接口。
(1)8255A的内部结构 8255A内部由PA、PB、PC三个8位可编程双向I/O口,A组控制器和B组控制器,数据缓冲器及控制逻辑四部分电路组成。
8255A结构框图和引脚图如图4-30所示。
①三个数据端口A、B、C。
这三个端口可看作是I/O口,但它们的结构和功能也稍有不同。
A口:独立的8位I/O口,内部有对数据输入/输出的锁存功能。
B口:独立的8位I/O口,对输出数据有锁存功能。
C口:可以看作一个独立8位I/O口,也可以看作是两个独立4位I/O口,仅对输出数据进行锁存。
②A组和B组的控制电路。
这是两组根据CPU命令控制8255A工作方式的电路,这些控制电路内部设有控制寄存器,可以根据CPU送来的编程命令来控制8255A的工作方式,也可以根据编程命令来对口的指定位进行置/复位的操作。
A组控制电路用来控制A口及C口的高4位。
B组控制电路用来控制B口及C口的低4位。
③数据总线缓冲器。
8位的双向的三态缓冲器。
作为8255A与系统总线连接的界面,输入/输出的数据,CPU 的编程命令以及外设通过8255A传送的工作状态等信息,都是通过它来传输的。
④读/写控制逻辑。
读/写控制逻辑电路负责管理8255A 的数据传输过程。
它接收片选 信号CS 及系统读信号RD 、写信号WR 、复位信号RESET,还有来自系统地址总线的口地址 选择信号A0和A1(图4-31)。
图4-31 8255A 结构框图和引脚图(2) 8255A 的引脚功能:①数据总线(8条)。
D0~D7,用于传送CPU 和8255A 间的数据、命令和状态字。
②控制总线(4条)。
RESET:复位线,高电平有效。
CS:片选线,低电平有效。
RD 、WR: RD 为读命令线,WR 为写命令线,皆为低电平有效。
微机原理实验报告微机原理实验报告班级:自动化72组员梁慕佳 07054031张乐 07054033张林鹏 07054034实验一:8255 并行接口实验1 实验目的1. 学习并掌握8255 的工作方式及其应用;2. 掌握8255 典型应用电路的接法。
2 实验设备PC机一台,TD-PITE 实验装置一套。
3 实验内容1. 基本输入输出实验。
编写程序,使8255 的A口为输入,B口为输出,完成拨动开关到数据灯的数据传输。
要求只要开关拨动,数据灯的显示就发生相应改变。
2. 流水灯显示实验。
编写程序,使8255 的A口和B口均为输出,数据灯D7~D0由左向右,每次仅亮一个灯,循环显示,D15~D8与D7~D0 正相反,由右向左,每次仅点亮一个灯,循环显示。
4 实验原理并行接口是以数据的字节为单位与I/O 设备或被控制对象之间传递信息。
CPU和接口之间的数据传送总是并行的,即可以同时传递8 位、16 位或32 位等。
8255可编程外围接口芯片是Intel公司生产的通用并行I/O 接口芯片,它具有A、B、C三个并行接口,用+5V单电源供电,能在以下三种方式下工作:方式0--基本输入/输出方式、方式1--选通输入/输出方式、方式2--双向选通工作方式。
8255的内部结构及引脚如图2-6-1 所示,8255工作方式控制字和C口按位置位/复位控制字格式如图2-6-2所示。
图2-6-1 8255内部结构及外部引脚图图2-6-2 8255控制字格式5 实验步骤1. 基本输入输出实验本实验使8255 端口A工作在方式0 并作为输入口,端口B工作在方式0 并作为输出口。
用一组开关信号接入端口A,端口B 输出线接至一组数据灯上,然后通过对8255 芯片编程来实现输入输出功能。
具体实验步骤如下述:(1)实验接线图如图2-6-3所示,按图连接实验线路图;(2)编写实验程序,经编译、连接无误后装入系统;(3)运行程序,改变拨动开关,同时观察LED 显示,验证程序功能。
题目名称:微机原理课程设计摘要通过上课老师讲和自己动手实验的方法去验证课本上的理论知识。
在了解微型计算机的基本组成的前提上,动手感受8255A和8259A的工作原理、工作方式、相关引脚、内部结构等内容。
在交通控制灯的实验设计中了解8255A的相关芯片的连接和在实验中增强自己的动手能力。
利用8259A的中断特性进行单级中断实验,从而更好的理解8259A的相关性质。
关键词:8255A 8259A目录1 概述 (1)1.1前言 (1)1.2微型计算机的发展史 (1)1.3典型的输入输出芯片 (1)1.4微型机算机的基本组成 (2)2 可编程并行接口8255A的应用设计 (3)2.18255A的基本特性 (3)2.1.1并行接口概述 (3)2.1.2 8255A的基本内容 (3)2.28255A的内部结构及引脚设计 (4)2.2.1 8255A的内部结构 (4)2.2.2 8255A的工作方式 (5)2.2.3 8255A的控制字 (6)2.2.4 8255A的引脚图 (7)2.3交通灯的设计 (8)2.3.1 设计构思 (8)2.3.2 任务分析 (9)2.3.3 流程框图 (9)2.3.4 实验小结 (10)3 8259A的应用设计 (11)3.1中断概述 (11)3.28259A的内部结构及引脚 (11)3.2.1 8259A内部结构图 (11)3.2 .2 8259A的工作方式 (12)3.38259A引脚图 (12)3.3.1 8259A与CPU相连的接口引脚。
(13)3.3.2与外设相接的接口引脚 (13)3.3.3构成级联时使用的引脚 (13)3.48259A应用实例 (14)3.58259A单级中断控制器的设计 (14)3.5.1 任务分析 (14)3.5.2实验要求 (15)3.5.3 流程框图 (15)3.5.4 实验小结 (15)4 总结 (16)5 参考文献 (17)1 概述1.1 前言自1981年IBM公司的通用微型计算机IBM PC/XT问世以来,在短短的20多年间,微型计算机一直以令人惊讶的速度发展。
实验十三8255A并行接口实验实验十三8255A 并行接口实验一、实验目的1、学习并掌握8255A的各种工作方式及其应用。
2、学习在接口实验单元上构造实验电路。
3、掌握8255A工作于中断方式的应用。
二、实验设备1、EAT598实验教学系统一台。
2、连接线若干。
三、实验内容8225A可编程并行接口芯片8255A可编程外围接口芯片是Intel公司生产的通用可编程并行I/O接口芯片,它具有A、B、C三个8位并行接口,用+5V单电源供电,有三种工作方式:方式0——基本输入/出方式方式1——选通输入/出方式方式2——双向选通工作方式c82590 equ 200hc82591 equ 201hd8255a equ 210hd8255b equ 211hc8255 equ 213hstack segment stackdw 64 dup(?)stack endscode segmentassume cs:code,ss:stackstart: climov dx,c8255mov al,86hout dx,almov al,05hpush dsmov ax,0000h ;修改中断向量表内容mov ds,axmov ax,offset ir0mov si,0020hmov [si],axmov ax,8100h ;程序的加载段地址为8100h mov si,0022hmov [si],axpop dsmov al,13hmov dx,c82590out dx,alnopnopmov al,8mov dx,c82591out dx,alnopnopmov al,3out dx,alnopnopmov al,0out dx,alnopnopagain: stihltjmp againir0: mov dx,d8255bin al,dxmov dx,d8255aout dx,aliretcode endsend start四、报告要求1、总结8255A可编程并行接口芯片的编程方法(1)将DIP8开关SA9拨向ON系统状态,8255A的片选信号CS8255接译码器的输出210H,地址为210H~213H;(2)端口B输入线PB0~PB7接一组开关K0~K7;(3)端口A输出线PA0~PA7接至一组发光二极管L0~L7。
微机原理实验
实验五可编程并行接口实验
一、实验目的
1. 理解可编程并行接口8255A芯片的结构和功能;
2. 掌握8255A芯片初始化程序的设计方法;
3. 掌握8255A芯片与CPU信号的连接方法以及并行接口设计和编程方法;
4. 掌握七段数码管的静态和动态显示原理;
5. 掌握利用七段数码管显示计算数机内部信息。
二、实验内容
1. ※●利用8255A芯片设计接口电路并编程实现:A口输出数据,驱动四个LED,使其顺序显示‘0’~‘F’的二进制状态,每个状态保持1秒钟。
(1)电路框图
(2)源程序
(3)运行结果
2. ※●设计接口电路并编程实现:两个七段数码管分别显示“HP”,字符保持3秒钟后两个数码管同时熄灭。
(1)电路框图
(2)源程序
(3)运行结果
HP字符显示3秒后同时熄灭
3. 通过对8255A芯片的实验,对比实验五、实验六,谈谈你对8255A的认识和体会以及输入输出接口调试的过程;
8255A是可编程并行I/O接口芯片,通过对它进行编程,可实现无条件、有条件和中断方式的接口电路。
它适合于外部设备和微机之间进行近距离、大量和快速的信息交换,比如微机与并行接口打印机或者磁盘驱动器等。
输入输出接口调试过程:先搞清四个端口地址,然后根据所要实现的功能对控制端口写控制字,然后对其他端口进行数据交换,验证硬件电路的正确性。
4.简单叙述数码管接口电路设计的原则和调试方法;
送入数码管的数据分为段码和位码,段码决定数码管显示什么样的字符,位码决定哪一位的数码管显示该字符。
调试时,先对连接段码的端口送入数据,然后对连接位码的端口送入数据,观察数码管的显示状态,改变位码端口数据,继续观察数码管的显示状态。
不能先送位码,再送段码,即不能先点亮再显示,因为这样可能会在段码未稳定之前显示错误的字符。
5. 叙述七段数码管动态显示延时时间长短对视觉有何影响?
延时程序的作用是保持当前显示数码管足够时间,同时稳定显示效果,以形
成视觉暂留。
人眼的视觉暂留时间大概在二十四分之一秒左右,所以一般电视电影至少是24帧以上,才会看起来是连续的动作,延时的时间设置小于40ms即可,延时太短会加重cpu的负担,延时太长,则看起来是不断闪烁的,不能连续显示。
三、实验分析
本次实验电路连线简单,但是理解起来有一点困难,要明白8255A控制字的作用,第二个题为了显示完美的三秒HP,也需要不断地计算和尝试。
实验过程中,也遇到了一些问题,比如:
1. 一开始连好电路编译成功,但是运行后出现了严重仿真错误SPICE failed to connect pin v+,后来发现是8255A的隐藏管脚没有设置好,将VCC为VDD,GND 为VSS后错误消失。
2.写代码粗心RET 打成了REG,编译错误。
3.设置控制字时在10100000后忘加二进制B,出现错误struction or register not accepted in current CPU mode.
4.第二题在送段码位码之前忘记关显示,结果一上电先显示88.
5.第二题一开始只在P显示后调用了延时,H显示后未延时,导致运行结果只显示P.。