液氨密度表
- 格式:doc
- 大小:188.00 KB
- 文档页数:5
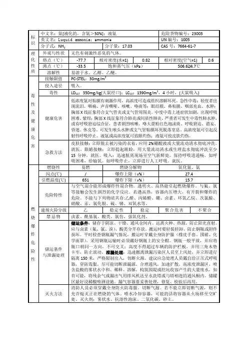
液氨(MSDS)安全技术说明书液氨(氨水见表1-20)中文名:氨;氨气(液氨) 英文名:ammonia 标分子式:NH 分子量:17.03 CAS号:7664,41,7 3识危规号:23003性状:无色有刺激性恶臭的气体。
理溶解性:易溶于水、乙醇、乙醚。
化熔点(?):,77.7 沸点(?): ,33.5 相对密度(水,1):0.82(,79?) 性临界温度(?):132.5 临界压力(MPa):11.40 相对密度(空气,1):0.6燃烧热(KJ/mol): 最小点火能(mJ): 饱和蒸汽压(KPa):506.62(4.7?) 质燃烧性:易燃燃烧分解产物:氧化氮、氨。
闪点(?): 聚合危害:不聚合燃爆炸下限(,):15.7 稳定性:稳定烧爆炸上限(,):27.4 最大爆炸压力(MPa):0.580 爆引燃温度(?):651 禁忌物:卤素、酰基氯、酸类、氯仿、强氧化剂。
炸危险特性:与空气混合能形成爆炸性混合物。
遇明火、高热能引起燃烧爆炸。
与氟、氯等接触危会发生剧烈的化学反应。
若遇高热,容器内压增大,有开裂和爆炸的危险。
险灭火方法:消防人员必须穿戴全身防火防毒服。
切断气源。
若不能立即切断气源,则不允许熄灭性正在燃烧的气体。
喷水冷却容器,可能的话将容器从火场移至空旷处。
灭火剂:雾状水、抗溶性泡沫、二氧化碳、砂土。
33接触限值: 中国MAC(mg/m) 30 前苏联MAC(mg/m)20 33毒美国TVL,TWA OSHA 50ppm,34 mg/m; ACGIH 25ppm,17mg/m 3美国 TLV,STEL ACGIH 35ppm,24mg/m 性 3急性毒性: LD 350mg/kg(大鼠经口) LC 1390mg/m,4小时(大鼠吸入) 5050侵入途径: 吸入。
健康危害:低浓度氨对粘膜有刺激作用,高浓度可造成组织溶解坏死。
急性中毒:轻度者出现对流泪、咽痛、声音嘶哑、咳嗽、咯痰等;眼结膜、鼻粘膜、咽部充血、水肿;胸部X线征象人体符合支气管炎或支气管周围炎。
液氨的品质参数、主要特性、危害及泄漏处理措施一、液氨的品质参数二、氨的主要特性氨属可燃、易爆、有毒物质,危险类别为2.3类,其主要性质见下表:1、易气化扩散发生泄漏时,由液态变为气态,液氨会迅速气化,体积迅速扩大,没有及时气化的液氨以液滴的形式雾化在蒸汽中;在泄漏初期,由于液氨的部分蒸发,使得氨蒸汽的云团密度高于空气密度,氨气随风飘移,易形成大面积染毒区和燃烧爆炸区,需及时对危害范围内的人员进行疏散,并采取禁绝火源措施。
2、易中毒伤亡氨有毒,有刺激性和恶臭味的气体,容易挥发,氨泄漏至大气中,扩散到一定的范围,易造成急性中毒和灼伤,每立方米空气中最高允许浓度为30mg/m3,当空气中氨的含量达到0.5-0.6%,30分钟内即可造成人员中毒;氨气侵入人体的主要途径是皮肤,感觉器官,呼吸道和消化道等部位.轻度中毒症状为:眼口有干辣感,流泪,流鼻涕,咳嗽,声音嘶哑,吞咽食物困难,头昏疼痛,检查时可见眼膜充血水肿,肺部可听到少数干罗音;重度中毒症状为:在高浓度氨气作用下,头,面部等外露部位皮肤或造成重二度化学灼伤,还可出现昏迷,精神错乱,痉挛,也可造成心肌炎或心力衰竭,少数因反射性声门痉挛或呼吸停止呈触电式死亡。
3、易燃烧爆炸氨既是有毒气体,又是一种可燃气体,氨的自燃点为651℃,燃烧值为2.37-2.51J/m3,临界温度为132.5℃,临界压力为11.4Mpa,氨在空气中的含量达11-14%时,遇明火即可燃烧,其火焰呈黄绿色,有油类存在时,更增加燃烧危险;当空气中氨的含量达15.7%-27.4%时,遇火源就会引起爆炸,最易引燃浓度17%,产生最大爆炸压力0.58Mpa;液氨容器受热会膨胀,压力会升高,能使钢瓶或储罐爆炸.4、易污染环境氨可以污染空气,在风力的作用下,这种有毒气体随风飘移,造成大范围的空气污染,对人畜产生危害;如果液氨大量泄漏流到河流,湖泊,水库等水域,则造成水污染,严重时该水域的水未经处理不能使用.5、易发生次生事故氨不稳定,遇热分解,与氟,氯等接触会发生剧烈的化学反应,若遇高热,容器内压增大,有开裂和爆炸的危险。
液氨密度与温度压力对照表
液氨密度与温度压力对照表是用来表示液氨在不同温度和压力下的密度变化的表格。
液氨是一种重要的化学原料,它的密度变化会影响到液氨的质量和使用效果,因此,液氨密度与温度压力对照表的编制是非常重要的。
液氨密度与温度压力对照表的编制,首先要确定液氨的温度和压力范围,一般情况下,液氨的温度范围为-20℃~+50℃,压
力范围为0.1MPa~1.0MPa。
然后,在确定的温度和压力范围内,采用实验方法,测量液氨的密度,并将测量结果记录在液氨密度与温度压力对照表中。
液氨密度与温度压力对照表的编制,还要考虑液氨的温度和压力变化对液氨密度的影响。
一般情况下,随着温度的升高,液氨的密度会降低;随着压力的升高,液氨的密度会升高。
因此,在编制液氨密度与温度压力对照表时,要根据液氨的温度和压力变化,结合实验测量结果,编制出准确的液氨密度与温度压力对照表。
此外,液氨密度与温度压力对照表的编制,还要考虑液氨的其他物理性质,如液氨的比重、折射率、折光率等,这些物理性质也会影响液氨的密度,因此,在编制液氨密度与温度压力对照表时,要考虑液氨的其他物理性质,以确保液氨密度与温度压力对照表的准确性。
总之,液氨密度与温度压力对照表的编制,是一项非常重要的工作,要求编制者要综合考虑液氨的温度、压力和其他物理性质,结合实验测量结果,编制出准确的液氨密度与温度压力对照表,以保证液氨的质量和使用效果。
液氨密度对照表液氨是一种常用的工业原料,在工业生产中多用于生产氨基酸、重氨酸、肥料和染料等化工产品,也广泛用作化学药物和有机合成原料。
由于液氨的密度大小不同,在给定温度下,密度对地形、结构以及运输中的各种实际操作具有重要意义。
因此,确定液氨的实际密度是非常必要的。
液氨的实际密度和其温度有关,当温度改变时,它的实际密度也会随之改变。
根据国家行业标准,液氨的密度可以通过以下公式进行表示:液氨的密度(kg/m3)=液氨的实际密度(kg/m3)/(1 + 0.00124T),其中T为温度(℃)。
按照以上公式,在不同温度下液氨的实际密度如下表所示:温度(℃)t实际密度(kg/m3)20t793.425t789.530t785.535t781.540t777.545t773.450t769.3表1氨实际密度对照表液氨实际密度的测定,一般采用重量法,即利用液氨在重力场中的重量的特点,根据液氨的重量对容器中的液体进行测定。
在测量液氨实际密度时,需要使用专用的测量仪器和容器,确保测量结果准确。
以上表格表明,随着温度的提高,液氨的实际密度也会随之下降。
当温度从20到50时,液氨的实际密度从793.4 kg/m3降低到769.3 kg/m3。
此外,还可以发现,液氨的实际密度变化率随着温度的提高而减小,当温度从20到25℃时,液氨的实际密度下降了3.9 kg/m3,而当温度从45到50℃时,液氨的实际密度只下降了4.1kg/m3。
液氨的实际密度对于运输、储存和使用液氨都十分重要。
液氨容器的容积应与液氨的实际密度有关,强调了必须根据温度确定液氨的实际密度才能正确计算出液氨的质量。
此外,运输过程中也需考虑液氨的实际密度。
液氨容器应在温度不变的条件下完成运输,以保证液氨的安全运输。
液氨的实际密度影响了它在液体体中的存在量,也会影响它的生产、运输和使用的灵活性。
因此,在使用液氨前,应充分了解液氨的实际密度,以保证安全生产和使用液氨。