高压电缆敷设和电缆头制作标准化作业指导书
- 格式:doc
- 大小:226.77 KB
- 文档页数:24
电缆终端头制作标准化作业流程图编写作业指导书、作W指导卡:填写工作票\在铠装断口处保留20mm内垫层、其余剥除。
将电缆接地线固定在牢固的构件上,并可靠接地。
电缆试验合格\播去填充物•分开芯线,打光铠装上接地线的焊区•川地线连通每相铜屏敲层和铠装,并且焊牢。
套入单孔防雨裙,(每相两支,下层上边缘线距离三孔防雨袒上边缘线170mm .上层防雨裙距离中在三义根部包绕填充胶.形似橄榄状.最大直径大于电缆外径将三拆套套入三相分相的根部,由指套根部依次向两端加热,将其田4\由指套指端量取40mm钢屏蔽层.用绝缘胶带固定后余部分剥除.保留20mm将相色管按照相续放宜距离接线端子250mm处,加热安装接线端子,孔深加5mm剥去线芯绝缘,倒角。
压接端子后,倒角处包绕填充胶.并搭接线端编号:0115010610kV蘑哈线兄弟矿业线路接引作业指导书编写:审核:批准:工作负责人:作业日期2011年12月29日至2011年12月29日扎兰屯岭东电力建设有限责任公司1.1本指导书适用于扎兰屯岭东电力建设有限责任公司蘑哈线兄弟矿业 线路接引作业。
1.2如采用另外的作业方法时,应另行编制标准化作业指导书,但其格 式、流程、原则不变。
2、引用文件2.1国家电网公司《电力安全工作规程(电力线路部分)》 2.2 GB 50168-1991电气安装工程,电缆线路施工验收规范 2. 3 JB/T8144. 3-1995额定电压26/35KV 及以下电力电缆附件基本 技术要求电缆接头 2.4 JB/T8144. 1-1995额定电压26/35KV 及以下电力电缆附件基本 技术要求总则 2.5JB/T8144. 2-1995额定电压26/35KV 及以下电力电缆附件基本 技术要求电缆终端头 2.6GB12706. 1-2002额定电压35KV 及以下铜芯,铝芯塑料绝缘, 电力电缆第一部分:一般规定 2.7GB12706. 2-2002额定电压35KV 及以下铜芯、铝芯塑料绝缘电 力电缆第二部分:聚氯乙烯绝缘电力电缆2. 8 GB12706. 3-2002额定电压35KV 及以下铜芯、铝芯塑料绝缘, 电力电缆第三部分:交联聚乙烯绝缘电力电缆 2.9国家电网公司《电力电缆线路运行规程》1. 范3、人员分工4、材料5.工器具6、风险分析及防范措施7、开工8.作业内容10.验收记录12.作业指导书执行情况评估评估项符合项可操作性整改意见。
电缆终端头制作作业指导书电缆终端头是电力系统中的关键部件,它的品质和安全性直接关系到电力系统的运行安全,因此电缆终端头制作是重要的作业之一。
下面为大家提供一份电缆终端头制作作业指导书,希望能够帮助大家更好地制作电缆终端头。
一、材料准备1. 终端头:根据电缆型号、截面尺寸、电压等级等要求,选用与电缆相匹配的终端头。
2. 清洁剂:用于清洗终端头、电缆绝缘体表面的清洁剂,可以选择医用酒精、纯净水等。
3. 助焊剂:用于增加焊接的可靠性和接触面积。
4. 线夹:用于连接电缆终端头和电气设备的线夹。
5. 钳子、螺丝批、榔头等工具。
二、制作过程1. 清洁将终端头、电缆绝缘体表面和线夹表面清洗干净,除去表面油污和杂质,确保接触面干净无尘。
2. 剥皮将电缆绝缘体保护层剥皮,露出一定长度的裸电缆,通常裸电缆长度应大于终端头长度的一半。
3. 压接线夹将线夹放入终端头末端,用钳子压紧,并用螺丝批将线夹固定在终端头上。
4. 半导体层加工对于高压电缆终端头,需要在终端头内部增加半导体层,提高接触面积和电磁场均衡性。
将半导体带缠绕在终端头中,将其表面与终端头表面平整,用助焊剂涂抹焊接位置。
5. 焊接将电缆绝缘体和终端头内部的半导体与终端头焊接好,焊接时确保加热温度、时间、压力均匀。
6. 填充填料为提高绝缘强度和密封性,可以在终端头内部填充绝缘填料。
在填充之前,先涂抹一层助焊剂,再将填料填充到终端头内部,确保填充均匀,无空隙。
7. 填充终端头将终端头填充满绝缘料,使其呈现半球形,以达到密封电缆终端头的目的。
8. 硬化填充完成后,可根据绝缘材料的特性进行硬化处理。
焊接部位和填充绝缘材料的部分进行烘干和硬化,使其达到一定的硬度和强度。
三、验收在制作完电缆终端头之后,应进行验收。
验收内容包括:1. 外观检查:终端头表面应平整,无变形、裂纹、气泡等缺陷,填充材料应均匀无空隙。
2. 尺寸检查:终端头的长度、宽度、高度应符合要求。
3. 功能检查:可进行绝缘测试、耐压试验等检测,确保终端头能够满足要求的使用要求。
BOP项目电缆敷设与做头作业指导书1.工程概况本项目施工范围包括化学水系统、循环水系统、除灰系统、输煤等BOP项目的电缆敷设与做头(220kv 电缆除外)。
主要施工内容为电缆的运输、敷设、电缆头制作、电缆防火封堵。
2.编制依据2.1.电缆敷设及电气设备布置等方面的设计院和厂家图纸。
2.2.《电气装置安装工程电缆线路施工及验收规范》(GB50168-92)。
2.3.《电气装置安装工程盘柜及二次回路结线施工及验收规范》(GB50171-92)。
2.4.《火电施工质量检验及评定标准》电气部分(84年版)。
2.5.《电力建设安全工作规程(火力发电厂部分)》DL5009.1-92。
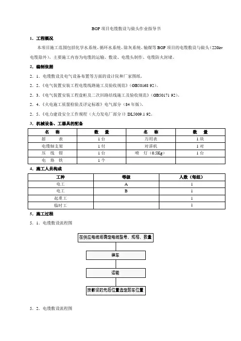
3.机械设备、工器具的配备4.施工人员构成5.施工过程5.1.电缆敷设流程图5.2.电缆敷设流程图5.3.电缆头制作流程图5.3.1.6kv聚氯乙烯电缆终端头制作流程图:5.3.2.低压动力电缆端头制作流程图:5.3.3.控制电缆终端头制作流程图:5.3.4.电缆防火封堵流程图施工过程及施工工艺如下:5.4.电缆运输施工过程5.4.1.电缆运输的准备工作:(1)电缆敷设清单汇总表已确认无误,并按汇总表上的规格、型号及数量与供应部门查对电缆的存放位置。
(2)检查电缆存放场到施工现场电缆存放位置的道路应畅通。
(3)起吊、运输机械应良好。
(4)施工现场的电缆存放场面积应足够大,并在周围不应有明火作业。
5.4.2.电缆的运输方法及工艺要求5.4.2.1.滚动运搬:滚动运搬的前进方向应是电缆缠紧而不应是电缆松散的方向。
5.4.2.2.吊运电缆方式:电缆轴要穿轴立吊,不应平吊。
5.4.2.3.电缆装吊方式:装车时电缆保持立放,两侧垫上木方,电缆轴不要平放,以防电缆松散。
5.4.2.4.人工卸车方式:人工卸车要使电缆平移下车,不可由车上直接推到地面使电缆砸坏。
5.4.3.工艺要求:电缆在运输过程中,不应使电缆及电缆轴受到损伤。
5.5.电缆敷设施工过程5.5.1.电缆敷设前应具备的条件:敷设前应核对电缆型号、电压等级、规格、长度、路径、两端位置应与敷设清单相符。
10kV电力电缆头制作安装作业指导书范本-制度大全10kV电力电缆头制作安装作业指导书范本之相关制度和职责,1目的规范10kV电力电缆头制作及安装作业,保证作业人员安全和作业质量。
2适用范围本指导书适用于贵州电网公司10kV电力电缆终端头、中间接头制作及安装的作业。
3引用标准下列标准所包含的条...1 目的规范10kV电力电缆头制作及安装作业,保证作业人员安全和作业质量。
2适用范围本指导书适用于贵州电网公司10kV电力电缆终端头、中间接头制作及安装的作业。
3 引用标准下列标准所包含的条文,通过引用而构成本作业指导书的条文。
本书出版时,所示版本均为有效。
所有标准都会被修订,使用本书的各方,应探讨使用下列标准最新版本的可能性:GB 5589?《电缆附件试验方法》GB 9327?《电缆导体压缩和机械连接接头试验方法》GB 11033 《额定电压26/35kV及以下电力电缆附件基本技术要求》GB 14315 《电线电缆导体用压接型铜、铝接线端子和连接管》GB/T 50169-1992?《电气装置安装工程接地装置施工及验收规范》GB/T 50168-1992《电气装置安装工程电缆线路施工及验收规范》DL 408-1991?《电业安全工作规程》(发电厂和变电所部分)DL 409-1991?《电业安全工作规程》(电力线路部分)DL/T 596-1996?《电力设备预防性试验规程》Q-CSG 1002-2004?《架空线路及电缆安健环设施标准》4 安全措施? 4.1 工作前认真履行“两票”制度,严格遵守《电业安全工作规程》(电力线路部分)(发电厂和变电所部分)中的有关规定。
4.2?制作热缩电缆头时,工作现场必须配备灭火器材。
4.3 外接施工电源时必须两人进行。
5 作业准备5.1 人员准备:工作负责人:1人;技术负责人:1人;工作人员:2人;辅助工:4人(在杆塔上安装时,视情况再增加人员)。
5.2 作业人员必须是经考试合格的人员。
高压电缆敷设及电缆头制作监理作业指导书审批:编写:管光兵二〇一〇年十月六日目录1.适用范围 (2)2.相关标准及规范 (2)3.施工工艺及监理作业流程 (3)4.强制性条文 (4)5.危险点辨识和控制措施 (4)6.见证点、旁站点的规定 (5)7.监理过程控制 (6)7.1人员配备 (6)7.2工器具配置 (6)7.3技术准备 (6)7.4安全、技术交底 (6)7.5文明施工 (7)7.6常见质量通病及对策 (7)7.7质量控制措施 (8)8.质量检验标准 (10)9.使用表格 (11)1.适用范围本作业指导书适用于10KV-35kV电压等级的高压电缆敷设及电缆头制作作业旁站监理工作。
2.相关标准及规范3.施工工艺及监理作业流程施工流程监理流程图3-1高压电缆敷设及电缆头制作作业施工工艺及监理工作流程图4.强制性条文5.危险点辨识和控制措施目的:监理人员应对本作业的危险点进行预先辨识,了解有可能导致发生事故位置及相应的控制措施,从而在实施监理过程中实施针对性监理,确保安全。
注意:在实际监理过程中,当发现产生新的危险因素时,监理人员应立即在现场口头通知现场负责人,必要时以“监理工程师通知单”形式要求施工方制定预控措施后方可施工。
6.见证点、停工待检点、旁站点的规定7.监理过程控制7.1人员配备7.2工器具配置7.3技术准备7.3.1审查施工组织设计及专项施工方案。
7.3.2熟悉掌握高压电缆敷设及电缆头制作施工作业指导书。
7.3.3熟悉图纸,了解设计意图。
7.3.4 熟悉本工程的监理细则,安全监理细则等监理工作指导文件。
7.3.5熟悉掌握高压电缆敷设及电缆头制作验收规范。
7.3.6核查:供货商及检测单位资质、进场材料、计量器具、施工机具、特殊作业人员是否已报审批并已审核批准。
7.4安全、技术交底7.4.1 监现场监理人员应参加施工项目部对施工人员进行的安全技术交底会,明确设计对本工程的工艺要求、工程施工实施中的难点、应注意事项和质量要求等,并做好记录。
电缆终端、中间头制作作业指导书1.工程概况1.1本项目主要包括彰山电厂#2机组电力电缆终端头制作施工范围主要包括6kV、400V配电室及就地控制箱马达等,其中6kV电缆为铜芯交联聚乙烯绝缘电力电缆,400V铜芯电缆为聚氯乙烯绝缘电力电缆。
2主要工程量:6kV中压头 98 个 400V低压头 2606个2.编制依据2.1《主厂房电缆敷设图》、《专业组织总设计》2.2《火电施工质量检验及评定标准》DL/T5161.1-20022.3《电气装置安装工程电缆线路施工及验收规范》GB50168-922.4《电力建设安全工作规程》(火力发电厂部分)DL50091—912.5《电力建设安全健康与环境管理工作规定》国家电力公司颁布3.施工具备条件及准备3.1施工应具备的条件℃以上,相对湿度70%以下,无尘埃和其他有害气体(如酸、碱、盐类等)的侵入。
3.2.施工准备4.劳力组织班长 1人技术员 1人安全员 1人质检员 1人安装工 4人5.主要工机具除常用电工工具外,还应有电源、电烙铁、气油喷灯、液化气、压钳、锉刀、试灯、摇表等,所有工具应擦拭干净方可使用。
6.施工进度7.施工工序及主要施工方案电缆整理→电缆剥切→辅助绝缘安装→电缆鼻子安装→电缆接线7.1 6kV热缩电缆头制作:接地线规格如下表:电缆接地线采用铜绞线或镀锡铜编织线,其截面面积不应小于下表电缆截面(mm2)接地线截面(mm2)120及以下16150及以上25注意:半导电层应剥离干净,勿划伤线芯绝缘。
用白布蘸无水酒精或清洗剂清洗线芯绝缘表面。
半导体切口要平整,不能有尖锐棱角,半导体切口处不能与主绝缘分离,以免有气隙。
电缆终端和接头中最小距离额定电压(kV)最小距离(mm)额定电压(kV)最小距离(mm)1 50 10 1256 100 35 250“铅笔头”状(以消除尖角造成的电场集中问题)。
7.2 400V低压电缆头制作:, 并清理电缆鼻子上的毛刺。
高压电缆敷设及电缆头制作安装施工工艺高压电缆是输送电力的重要物品,其敷设、维护以及安装施工都是非常重要的。
本文主要介绍高压电缆的敷设以及电缆头制作安装施工工艺,帮助读者了解高压电缆敷设及电缆头制作安装施工工艺的步骤与要求。
一、高压电缆敷设高压电缆敷设主要包括预处理、布线、敷设和固定四个步骤。
1. 预处理在进行高压电缆敷设之前需要进行地形测量,确定敷设线路,做好施工准备。
同时需要检查电缆的型号及使用性能以及配合材料的选择,以确保敷设的质量和安全。
2. 布线首先需要将电缆线路布置于地面,对于直线敷设,将电缆在地面上铺好,并保证两端长度一致;对于弯曲路段,需要考虑电缆转弯半径与路线安排,以保证电缆敷设平滑,不受损伤。
3. 敷设将电缆沿地面敷设,同时需要注意控制电缆曲度半径不小于规定数值,以防损坏电缆。
敷设时需要注意弯道场地的转弯部分,以保证不产生铰链效应。
4. 固定完成敷设后,需要将电缆固定在地面上。
固定的方式根据敷设场地具体情况设计。
需要注意固定的牢固程度,防止电缆在使用过程中发生位移。
二、电缆头制作安装施工工艺电缆头是高压电缆的重要组成部分,能够承受电线路中的高压电流,保证电线路的安全和稳定。
以下是电缆头制作安装施工工艺的步骤。
1. 电缆剥皮首先需要根据电缆接头的要求以及电缆的型号,通过剥皮机进行电缆剥皮,剥下一定长度的电缆绝缘层,以便进行下一步操作。
2. 提绞线处理将电缆头导电芯线和绕制牢固的绞线进行处理,确保电缆头内部的导电芯线与绞线之间不会存在空气孔隙,以保证接头导电良好。
3. 压制模具制作根据电缆的型号及规格,制作电缆头压模具,由压制模具将导电芯、屏蔽、绝缘等材料压制在一起,并封盖好电缆头。
4. 管绕电缆头制作完成后进行管绕,将电缆的屏蔽、绝缘等部分封装在管中,并注入防水材料,避免电缆头进水,发生设备短路。
5. 安装及接线完成电缆头的制作后进行安装及接线操作,将电缆头与电线连接。
安装完成后,需要进行防水、绝缘、封口等工作,确保电缆头出线口处不会出现渗漏现象,避免设备损坏。
高压单芯电缆敷设、终端头制作及安装一、高压单芯电缆敷设:高压单芯电缆敷设时,应给每一根电缆编号并做好相应记录,以确保在安装高压电缆头时不会出错。
在敷设完每一根电缆后,应及时做好电力中断处的防水密封工作,最好用等径的热缩管帽做热缩密封处理,以防止电缆进水或受潮。
高压单芯电缆在电缆沟或空间比较狭小的地方,要保证其弯曲半径大于电缆线径的20倍(R≥20D)。
在高压电缆两端应做相应预留。
二、高压单芯电缆终端头的制作:采用高压交联聚乙烯绝缘电缆冷缩接头技术,用PVC 带绑扎剥开电缆,保留35mm 铜屏蔽,对电缆进行良好电缆头预处理;用恒力弹簧将接地编制线固定在铠装带上,对冷收缩套管安装要保证冷缩终端的有效距离及顶部防水密封;安装冷缩式终端头要保证主绝缘光滑,并分段标识。
电缆头在安装时要防潮,不应在雨天、雾天、大风天做电缆头,施工中要保证手和工具、材料的清洁。
单芯电缆高压电缆多采用一端接地的方式,通过在靠近电缆终端点的地方安装涌流放电器来防止电缆产生过电压。
当穿过轨道的时候,电缆要放在电缆槽或管子里。
电缆头制作完成后应进行电气试验,合格后填写施工技术记录,并请监理工程师进行质量检查、签认。
三、高压电缆、电缆头安装:高压电缆头在制作完成后需静臵3天,等完全凝固后,做电缆耐压试验并记录。
在确定电缆头符合安装要求后,方可安装。
1、安装前需校验每一根电缆,核对电缆编号,确保电缆安装正确。
2、安装2.1高压电缆户外头的安装安装时用棕绳系在高压电缆头最下端热缩套一下,由钢柱或铁塔顶吊至安装位臵,连接电缆终端,然后从底部依次用准备好的非磁性电缆抱箍固定。
并根据所选的电缆屏蔽层和铠装层接地方式(以设计为准),分别固定电缆屏蔽层和铠装层接地端子。
同一钢柱或铁塔上电缆完全连接好后,把多余电缆按相关规定埋设,并埋设相应警示桩。
2.2高压电缆户内头的安装户内头安装前,先拆除电缆头上包裹的防水纸等,具体操作如图所示:步骤如下:1)、将钟型法兰推回。
电缆敷设作业指导书(新版本)。
GB -2010《建筑电气设计规范》GB -2015《建筑工程施工质量验收规范》GB -2013《电力工程施工与质量验收规范》GB -2015《电力工程施工安全标准》GB/T -2016《风电场电气工程施工及验收规范》16-2016《建筑工程施工现场安全技术规程》63-2016《建筑施工质量验收规范》三、作业流程1.电缆敷设1.1 敷设前的准备工作1.1.1 确认敷设路线,绘制敷设图纸,制定敷设计划。
1.1.2 按照设计图纸要求,清理敷设路线,确保路线畅通无阻。
1.1.3 检查敷设路线附近的设备、管线等,做好保护措施。
1.2 敷设过程1.2.1 确认电缆型号、规格、长度等参数,检查电缆表面是否有损坏、破损等情况。
1.2.2 按照设计要求进行电缆敷设,注意电缆的弯曲半径,不得小于电缆规定的最小弯曲半径。
1.2.3 在电缆敷设过程中,应注意电缆的保护,避免电缆受到机械损伤、化学腐蚀等影响。
1.3 敷设后的工作1.3.1 检查电缆敷设质量,确认电缆敷设是否符合设计要求。
1.3.2 进行电缆接头的制作和接线工作。
2.二次接线2.1 前期准备工作2.1.1 确认接线图纸,制定接线计划。
2.1.2 检查接线设备、工具等,确保完好无损。
2.2 接线过程2.2.1 确认接线点,检查接线端子是否干净、无锈蚀等情况。
2.2.2 按照接线图纸要求进行接线,注意接线的正确性和可靠性。
2.2.3 在接线过程中,应注意接线的保护,避免接线受到机械损伤、化学腐蚀等影响。
2.3 接线后的工作2.3.1 检查接线质量,确认接线是否符合设计要求。
2.3.2 进行接线箱、接线板等设备的安装和调试。
四、工艺流程说明及主要质量控制要点4.1 电缆敷设工艺流程4.1.1 敷设前的准备工作绘制敷设图纸,清理敷设路线,做好保护措施。
确认电缆型号、规格、长度等参数,检查电缆表面是否有损坏、破损等情况。
4.1.2 敷设过程按照设计要求进行电缆敷设,注意电缆的弯曲半径。
一、总则本作业指导书是根据“电气装置安装工程电缆线路施工及验收规范”GB-50168-92制定,为保证电缆线路安装工程的施工质量,促进电缆线路施工技术水平的提高,确保电缆线路安全运行,特制定本作业指导书。
在施工前必须认真学习和执行该作业指导书,施工质量应符合验收规范及施工图纸的要求,施工人员必须依照作业指导书进行生产操作并实现作业指导书明确达到的质量和要求,望有关人员认真执行。
二、适用范围:本指导书适用于500kV及以下电力电缆、控制电缆线路安装工程的施工及验收。
三、作业任务:1、2、3、四、施工前的准备工作:、设定作业区域,本工程施工地点在大庆市新华电厂厂区内。
、应保证作业场地平整,道路畅通,为运输电缆及其他设备提供方便。
、办理好生产施工人员的进厂作业手续。
、选择好电缆的行走路径减少电缆不必要的浪费及电缆的交叉。
、制定安全技术措施,对施工人员进行现场技术交底。
、电缆敷设前应对电缆的行走路径和涵洞进行检查,对防碍电缆敷设的地方进行修整。
、与建设单位、工程监理、生产厂家共同对物资进行开箱验收。
五、电缆的运输与保管在运输装卸过程中,不应使电缆及电缆盘受到损伤。
严禁将电缆盘直接由车上推下。
电缆盘不应平放运输、平放贮存。
运输或滚动电缆盘前,必须保证电缆盘牢固,电缆绕紧。
滚动时必须顺着电缆盘上的箭头指示或电缆的缠紧方向。
电缆及其附件到达现场后,应按下列要求及时进行检查。
产品的技术文件应齐全。
电缆型号、规格、长度应符合订货要求,附件应齐全;电缆外观不应受损。
电缆封端应严密。
当外观检查有怀疑时,应进行受潮判断或试验。
电缆及其有关材料如不立即安装,应按下列要求贮存:电缆应集中分类存放,并应标明型号、电压、规格、长度。
电缆盘之间应有通道。
地基应坚实,当受条件限制时,盘下应加垫,存放处不得积水。
电缆终端瓷套在贮存时,应有防止受机械损伤的措施电缆附件的绝缘材料的防潮包装应密封良好,并应根据材料性能和保管要求贮存和保管。
电缆头制作及安装作业指导书前言电缆头作为用于电气设备连接的重要组件,在电力、机械、交通等领域均有广泛的应用。
为了保障电缆头的质量和使用效果,需要对其制作和安装进行规范化的指导。
本文档旨在为电工、安装工等相关人员提供电缆头制作与安装的操作步骤和注意事项。
电缆头制作电缆头制作包括以下几个步骤:步骤一:清洗电缆及电缆头将电缆和电缆头表面的污物清除干净,以免影响电缆头与电缆的接触质量。
步骤二:剥离电缆绝缘层使用工具(如刨刀、剥皮刀等)将电缆一段绝缘层剥离,露出一定长度的电线。
步骤三:扭合电线将电线进行绞合,形成一个与电缆头接触的“毛茸茸”状。
将电缆头放在电线上方,将电线通过电缆头内部的孔穴,注意电线应全部穿过,缺口不应大于1mm。
然后,将电缆头放在钳子上,旋转钳子,直至电线与电缆头内部相互纠缠,形成紧密的固定。
步骤五:填充绝缘层用绝缘材料,将电缆头内部的孔穴填满,确保电线与外界隔离,杜绝漏电。
步骤六:缩小电缆头将电缆头置于热源中,使绝缘材料熔化,并在电缆头上形成压纹,分别收缩在电线的两端和电线之外部分。
在缩小过程中,应适当加压,确保缩小后的电缆头与电缆线贴合紧密,且不易拉脱。
电缆头的安装步骤一:清理工作在安装前,首先要清除连接位置表面的污垢和氧化物,以避免其影响电气连接的质量。
步骤二:检查电缆头的质量检查电缆头的绝缘材料、填充物等是否符合规定要求,以及电线是否固定在电缆头内,电线与电缆头接触是否良好。
将电缆头插入连接端口,直到与连接器接触良好,但不应过度插入或不够插入。
确保插头的方向与连接器相符,插栓与接口精。
电缆敷设作业指导书1 适用范围本指导书适用于新建和检修中的高低压电力电缆敷设作业。
2 编制依据2.1《铁路电力管理规则》和《铁路电力安全工作规程》(铁运〔1999〕103号)。
2.2《高速铁路电力管理规则》(铁总运[2015]49号)2.3《铁路电力安全工作规程补充规定》(铁总运[2015]51号)2.4《铁路电力设备安装标准》(80)铁机字1817号第三版。
2.5《铁路电力设计规范》(TB10008-2007)2.6《杭州供电段高速铁路电力设备检修管理细则》。
2.7《杭州供电段普速铁路电力设备检修管理细则》。
3安全风险提示3.1风险识别3.1.1敷设过程中存在触电伤害。
3.1.2敷设过程中存在车辆伤害。
3.1.3敷设过程中存在滑跌伤害。
3.1.4敷设过程中存在蛇犬伤害。
3.2管控措施3.2.1必须执行“三戴二穿”制度,合理安排作业人员,作业人员明确所分担的作业任务和作业安全事项。
3.2.2具备必要的电气知识和业务技能,并根据工作性质,熟悉本规程的相关部分,经考试合格并取得相关资质。
3.2.3高压设备发生接地时,室内不准接近故障点4米以内,室外不准接近故障点8米以内。
3.2.4在快速列车开行区段内进行敷设作业,必须到行车室驻站,并设置防护人员。
3.2.5具备必要的安全生产知识,学会紧急救护法,特别要学会触电急救。
3.2.6毒蛇咬伤后,不要惊慌、奔跑、饮酒,以免加速蛇毒在人体内扩散,应迅速从伤口上端向下方反复挤出毒液,伤口用布带扎紧,将伤肢固定,避免活动,以减少毒液吸收。
3.2.7犬咬伤后应立即用浓肥皂水冲洗伤口,同时用挤压法自上而下将残留伤口唾液挤出,然后再用碘酒涂搽伤口。
3.2.8雨雪天气,要及时清扫楼梯、工作平台、工作现场的积雪,要扶好、走稳注意安全。
3.2.9新参加工作的人员、实习人员,应经过安全知识教育后,方可随同参加指定的工作,并且不得单独工作。
3.2.10编制施工组织方案、召开审查会,涉及营业线施工,必须与相关单位签订安全协议。
电缆敷设施工作业指导书电缆敷设施工作业指导书目录1工程概况及工程量 (1)1.1 工程概况 (1)1.2 主要工程量和工期 (1)2编制依据 (1)3作业前的条件和准备 (2)3.1 技术准备 (2)3.2作业人员配置、人员资格及职责 (3)3.3施工作业工机具及安全器具统计 (4)4作业的程序方法和内容 (4)4.1施工工序 (4)4.2施工方法及要求 (5)2)加热收缩技术: (7)4)安装注意事项: (8)5.质量控制点的设置和质量通病预防 (11)5.1 质量目标 (11)5.2质量通病及预防 (11)5.3 作业过程中控制点的设置 (11)5.4 质量标准及要求 (11)6.作业的安全要求和环境条件 (12)6.1 作业的安全危害因素辨识和控制 (12)6.2 环境条件 (13)1工程概况及工程量1.1 工程概况大唐新能源利民20MWp光伏发电项目位于山西省朔州市朔城区利民镇,厂址距离朔州市区约35公里,交通便利。
总体规划容量20MWp光伏发电,共分20区域,我方承担光伏发电站电缆敷设安装工作。
根据本期合同,我方承担光伏发电站WB1~WB20区域35KV集电线路电缆敷的施工作业。
1.2 主要工程量和工期1.2.1 主要工程量1.2.2 工期全站电力电缆共计20745米,根据工程施工总进度计划的要求,计划于2015年11月15日开工,至2015年12月30日完工,计划工期为 45天。
2编制依据3作业前的条件和准备3.1 技术准备3.1.1电缆到货后无损坏或损伤,数量满足要求。
3.1.2 施工方案设计完成,并与相关专业讨论确定,完成审批。
3.1.3 作业指导书编制完成,完成审批。
3.1.4 施工材料、设备购置预算编制完成、计划已交物资部门采购。
3.1.5电缆未出库进行施工之前,必须对其妥善保管。
3.1.6土建已经交安,经验收符合电气施工标准,允许施工。
3.1.7 施工作业前,对施工人员进行技术、安全交底,并执行全员签字制度,做到施工人员心中有数,交底时明确技术要求、安全注意事项。
1.适用范围本作业指导书适用于大唐国际如皋(2×12MW)热电联产工程高压电缆头制作、接线工作,主要施工地点在主厂房和各辅助厂房的厂用高、低压电动机及配电室、主变压器、发电机出线小间、35kV配电室及其他各配电室内。
2.编制依据2.1《大唐国际如皋(2×12MW)热电联产工程电气专业施工组织设计》2.2《电力建设安全工作规程》(火力发电厂部分) DL 5009.1-20142.3《电气装置安装工程电缆线路施工及验收规范》 (GB 50168-2006)2.4《电气装置安装工程质量检验及评定规程》 DL/T5161.1~5161.17-20022.5《工程建设标准强制性条文》(电力工程部分) 2011版2.6电力电缆终端头制作说明书3.工程概况及主要工程量3.1工程概况本工程主要是大唐国际如皋(2×12MW)热电联产工程高压电缆头制作、接线,主要施工地点在主厂房和各辅助厂房的厂用高、低压电动机及配电室、主变压器、发电机出线小间、35kV配电室及其他各配电室内。
3.2主要工程量(由于电缆清册未到,此工程量为预估计工程量)4.作业人员的资格要求所有工作人员均经过三级安全教育培训,并体检合格取得上岗证,特殊工种人员均已取得特种工证。
注:施工人员数量根据现场实际施工进度可进行调整。
5.主要施工工器具配备6.施工准备6.1选择相对应的电缆终端附件做好准备。
6.2对施工人员进行详细的技术交底和安全交底。
6.3进行空气湿度测试,检查是否符合湿度要求。
6.4现场施工用电源布设完毕,施工场地清理干净。
6.5施工用所有机具准备齐全完毕。
6.6劳动力组织、分工合理,人员充足。
7.作业程序7.1低压电缆头制作程序7.2高压电缆头制作程序8.作业方法、工艺要求及质量标准8.1低压电缆头制作8.1.1电缆整理切剥a.由电缆沟或架空电缆桥架处整理电缆至盘柜或设备接线处,电缆数量多时应排列有序、美观、绑扎整齐。
电缆头制作作业指导书一、实验目的本实验旨在掌握电缆头制作及连接方法,了解电缆头的结构和基本原理,提高实际操作能力。
二、实验材料及设备1. 电缆:本实验所使用的电缆为直径为4mm的双绞线。
2. 电缆头:RJ-45电缆头。
3. 工具:剥线钳、剥皮刀、剪刀、碎布等。
4. 设备:电缆连接器。
三、实验步骤1. 测量电缆长度:使用卷尺测量所需电缆的长度,并使用剪刀将电缆修剪到合适的长度。
2. 剥离电缆皮:找到电缆的一端,使用剥皮刀剥离电缆外皮,露出内部的导线。
3. 切割电缆:将电缆修剪到所需长度后,使用剪刀将电缆剪断,并保持导线整齐排列,长度一致。
4. 剥离导线保护层:使用剥线钳找到电缆内部的绝缘保护层,轻轻压紧并旋转,将保护层剥离,露出导线。
5. 整理导线顺序:将剥离后的导线根据正常连接顺序排列,确保每根导线的长度一致,并保持导线之间的间隔。
6. 弯曲导线:将导线弯曲,使其形成一个U形,方便插入电缆头。
7. 插入电缆头:将弯曲的导线插入电缆头中,确保每根导线都插入到对应的插口,并对电缆头进行固定。
8. 压接电缆头:使用压接工具将电缆头上的连接针与导线紧密连接。
9. 检查连接结果:完成压接后,检查导线与连接针的连接是否牢固,无松动。
四、实验注意事项1. 操作要轻柔:在剥离电缆皮和导线保护层时,要轻轻操作,避免损坏电缆和导线。
2. 导线排列整齐:在剥离导线保护层后,要保持导线整齐排列,长度一致,并保持导线之间的间隔。
3. 插入电缆头注意事项:插入电缆头时要插入到对应的插口,确保每根导线都正确连接。
4. 压接工具使用正确:使用压接工具时,要掌握正确的使用方法,避免把连接针压歪或者损坏连接针。
5. 连接结果检查:完成压接后,要检查导线与连接针的连接是否牢固,无松动或打滑。
五、实验结果处理1. 实验记录:记录实验过程中的任何问题和注意事项,如剥线是否均匀,连接针是否牢固等。
2. 分析实验结果:根据实验结果,分析电缆头制作中可能存在的问题和改进方法。
镇江临港220千伏变电站工程
电气安装工程
高压电缆敷设和电缆头制作作业指导书
镇江大照集团有限公司
临港220千伏变电站工程-变电站电气安装工程施工项目部
二0一三年九月
批准:年月日审核:年月日编写:年月日
1.适用范围
本作业指导书适用于镇江临港220kV 变电所高压电缆敷设和电缆头制作。
2.编制依据
2.1《电气装置安装工程电缆线路施工及验收规范》GB 50168—2006
2.2《电气装置安装工程电气设备交接试验标准》GB50150—2006
2.3《电气装置安装工程质量检验及评定规程》DL/T5161.1 ~ 5161.17—2002
2.4《国家电网公司输变电优质工程考核项目及评分标准库(2009版)》
2.5国家电网公司输变电工程相关施工工艺示范手册
2.6《国家电网公司输变电工程施工危险源辩识和预控措施》
2.7《江苏省电力公司输变电工程安全文明施工标准(09年3月试行版)》
2.8《国家电网公司十八项电网重大反事故措施(修订版)》国家电网生技〔2012〕352号
2.9国家电网公司电力安全工作规程(变电部分)国家电网安监[2009]664号
2.10《电力建设安全健康环境评价标准》(国家电网工[2004]488号)
2.11《国家建设部工程建设标准强制性条文(电力工程部分)》 (2006年版)
2.12《输变电工程建设标准强制性条文实施管理规程》国家电网科[2009]642号
3.工程概况及工程量
3.1工程概况
镇江临港220kV变电站地处江苏省句容市下蜀镇北部临港工业集中区,站址西侧紧邻疏港大道,南侧为沿江高等级公路。
紧邻镇江电厂-下蜀220kV线路。
场地开阔,地形平坦,场地的东侧为一些待拆的民房及零星树木,场地的西侧不远处为一片杨树林,场地南侧为比较开阔的麦田。
水系发育,交通便利。
各电压等级进出线走廊较好。
此方案位于临港工业集中开发区,处于负荷中心。
站址周围无可见污染源,清洁度较好。
亦无互为影响的军事、广电、通信等设施。
基本无需进行拆迁工作。
站址区均未发现文物及有开采价值的矿藏,也未发现有坟地。
3.2 工程量
4.作业前应做的准备工作及条件4.1 准备工作安排
4.4 工器具
4.5安装材料(耗材)
5.安装流程图
6.作业程序及作业标准6.1 开工
6.2 施工电源使用
6.3 施工工艺要求
6.4作业内容及质量标准
7.安全措施
8. 文明施工及环境保护
10. 强制性条文检查记录
(以下空白)。