质感涂料施工工艺(通体)
- 格式:docx
- 大小:12.39 KB
- 文档页数:4
质感涂料的施工工艺质感涂料是一种特殊的室内墙面装饰材料,其具有独特的纹理和质感效果,能够营造出丰富多样的视觉效果,增强墙面的美观度和艺术感。
质感涂料的施工工艺是保证施工质量的关键,下面将详细介绍质感涂料的施工工艺。
一、基面处理:质感涂料施工前首先要进行基面处理,以确保质感涂料能够牢固附着于墙面上。
基面处理包括修补墙面的裂缝、洞孔和不平整处,清除表面的尘土和油污,以及刷上一层底漆。
底漆用于提高涂料的附着力,并增加墙面的耐久性。
二、底涂处理:在基面处理完成后,需要进行底涂处理。
底涂一般采用与质感涂料相配套的乳胶漆,可以提高质感涂料的附着力,平整墙面的颜色和防止涂料开裂。
底涂的颜色可以选择与质感涂料相近或相反的颜色,以增强质感效果。
三、质感涂料漆施工:在进行质感涂料施工前,需要将涂料进行搅拌均匀,以确保其纹理和颜色的一致性。
在施工过程中,可以使用辊涂、喷涂或者刮涂等各种方式进行。
辊涂是最常用的施工方式,可以使用不同规格的辊筒,根据表面大小选择相应的辊具。
喷涂可以提高施工效率,但需要注意控制喷涂厚度和均匀性。
刮涂是一种特殊的施工方式,使用刮刀将涂料刮在墙面上,形成特殊的纹理效果。
四、修饰工艺:在质感涂料施工完成后,可以根据需要进行修饰工艺。
常见的修饰工艺包括刮纹、描绘、镂空等,可根据个人喜好选择进行。
刮纹是将刮刀沾取涂料后在墙面上来回刮拭,形成丰富的纹理效果。
描绘可以使用刷子或者画笔,在墙面上进行绘画,增加艺术感和个性化。
镂空则是使用特殊的模板,在墙面上制造凹凸不平的质感效果。
五、涂层保护:质感涂料施工完成后,需要进行涂层保护,以增加墙面的耐久性和防止涂料脱落。
涂层保护可以使用透明的漆膜进行,形成一层保护膜,防止涂料的损坏和老化。
总结起来,质感涂料的施工工艺包括基面处理、底涂处理、质感涂料漆施工、修饰工艺以及涂层保护等环节。
合理的施工工艺能够保证质感涂料的施工质量和效果,为室内墙面营造出独特的质感和艺术感。
施工组织设计编制依据及编制说明编制依据《工程建设标准强制性条文》2002年版《建筑工程施工质量验收统一标准》(GB50300-2001)《建筑安装工程质量检验评定标准》(GBJ300-301)《建筑装饰装修工程施工及验收规范》(GB50210-2001)《住宅装饰装修工程施工规范》(GB50327-2001)《建筑涂饰工程施工及验收规程》(JGJ/T 29-2003)《合成树脂乳液砂壁状建筑涂料》(JG/T 24-2000)《合成树脂乳液外墙涂料》(GB/T9755-2001)《建筑外墙用腻子》(JG/T 157-2004)编制说明本施工组织设计是专为*********项目外墙质感涂料工程编制的,我公司对此项目工作高度重视,按照*********项目要求,组织有丰富管理及施工经验的人员,成立编制专题小组,进行了认真而详细的编制。
工程概况及特点总述此为***********地产公司涂料分包工程的施工组织设计,全面概述********项目的施工工艺。
本次投标的施工目标质量目标:达到国家施工验收规范,质量检验评定标准,符合设计要求,达到验评标准规定的优良质量等级,质量效果达到甲方要求。
工期目标:紧随施工方外墙完工进度,在甲方规定的工期内完成质感涂料的涂装施工。
安全目标:无大小安全事故。
工程概况*********地产项目建筑形态为别墅、*****,涂料施工面积约为**********万平方米。
项目组织管理机构附项目主要管理人员资格证项目管理人员职责项目负责人:对项目全面负责,组织协调与业主、土建总包、设计单位等横向单位之间的关系;人员、设备、材料、资金等总调度和协调。
项目经理:负责工程日常事务的全面工作,即工程质量、工程进度、工程验收、工程预决算、成本核算、合同履行、工地各方向的协调及签订手续办理等工作。
施工员:主要负责工程的施工组织、调动人员分配、材料用量计划、施工进度和施工质量的控制。
技术员:主要负责工程的技术指导、编制施工组织设计方案和进度计划、施工技术交底和技术资料归档。
质感漆施工工艺流程
《质感漆施工工艺流程》
质感漆是一种具有特殊质感和视觉效果的涂料,广泛应用于室内装饰和家具表面处理。
其施工工艺流程相对复杂,需要经过多道工序才能达到理想的效果。
首先,进行表面处理。
在施工前,需要对待涂部位进行清洁和打磨,确保表面平整、干净。
接着,进行底漆打底。
底漆的选择非常重要,它不仅能够增强质感漆的附着力,还能够均匀表面吸附涂料。
底漆一般需要经过两次以上的涂刷,以保证表面的平整度和附着力。
接下来是质感漆的施工。
施工时需要使用专用的喷涂设备或者刷涂工具,将质感漆均匀地涂刷在表面上。
注意在施工过程中要均匀掌握好抹布、板刷、砂纸等工具,以保证表面的质感均匀细腻。
最后,进行涂面处理。
待质感漆施工完成后,需要进行涂面处理,以增强其表面的亮度和耐久性。
常用的涂面处理方法有打磨、上光等。
这些步骤既能够增强表面的亮度和平整度,又能够增强涂层的耐久性。
综上所述,质感漆施工工艺流程并不简单,需要经过多道工序才能达到理想的效果。
只有严格按照流程进行施工,才能够获得高质量的质感漆工程。
质感漆施工方法
质感漆是一种装饰涂料,具有独特的表面质感和立体感,可以为墙面、家具、门窗等物品增添美观的效果。
以下是质感漆的施工方法,供参考:
1. 预备工作
在开始施工前,要先将施工区域进行清洁和防尘处理,确保墙面平整、干燥无油污和尘土。
如果有旧的油漆层,需要先进行打磨处理,以便新的涂料能够附着牢固。
2. 底漆处理
在墙面上涂刷底漆,一般选择与质感漆相匹配的底漆。
底漆的作用是提高涂料的附着力,并增强质感漆的效果。
涂刷底漆时要均匀地横竖交错涂抹,确保底漆能够充分渗透到墙面。
3. 质感漆施工
将质感漆倒入容器中,用辊筒或刮刀均匀地涂抹在墙面上。
可以根据需要选择不同的涂刷工具和施工技巧,如纹理辊筒、双色刮刀等。
施工时要注意涂抹的均匀性和厚度的掌握,以保证最终的效果。
4. 花纹处理
在质感漆未完全干透之前,可以用刷子或刮刀等工具进行花纹处理。
可以在涂料表面刷出花纹、线条或纹理,以增加立体感和艺术效果。
花纹处理要轻柔地进行,避免刷子或刮刀过度刮擦,影响涂料表面的质感效果。
5. 保护和修饰
等质感漆完全干透后,可以根据需要进行修饰和保护处理。
可以在质感漆表面涂刷透明的保护层,提高涂料的耐磨性和耐污性。
也可以加装装饰饰品或灯光等,使质感漆更加突出。
总的来说,质感漆的施工方法需要注重平整度、均匀性和手法的熟练程度。
熟练掌握了质感漆的施工技巧和注意事项,就能够创造出丰富多样的装饰效果,营造出独特的空间氛围。
质感艺术涂料施工技术质感艺术涂料施工技术都需要把底材处理好,即刮平腻子,打磨好,除掉灰尘,刷好抗碱底漆。
1、喷涂压花系列(又称浮雕系列):用浮雕喷枪喷出花点,然后用光塑滚筒把点压扁,干燥后即可上金属漆或乳胶漆,用透明防尘面漆罩光后效果更好。
2、滚浆颗粒系列:用灰刀把颗粒型质感涂料直接抹到墙上抹平,或用光塑滚筒直接滚到墙上,然后滚平即可,干燥后即可上金属漆或乳胶漆,用透明防尘面漆罩光后效果更好。
3、拉毛系列:把弹性拉毛涂料用灰刀均匀抹到墙上,然后用拉毛滚筒滚即可拉出不同的效果,根据料的厚薄和所用拉毛滚桶的纹理大小可做出大小不同的花纹。
干燥后即可上金属漆或乳胶漆,用透明防尘面漆罩光后效果更好。
4、厚降树皮系列:用光塑滚筒把刮砂质感涂料滚到墙上,拉出合适的纹理,快干时用刮板把高的地方刮平,干燥后即可上金属漆或乳胶漆,用透明防尘面漆罩光后效果更好。
5、刮砂系列:用灰刀把刮砂型质感涂料直接抹到墙上抹平,或用光塑滚筒直接滚到墙上,滚平然后用扇形刮板的木柄蘸水后往不同的方向拉或用钉子划可做出不同的效果干燥后即可上金属漆或乳胶漆,用透明防尘面漆罩光后效果更好。
6、批荡系列:用灰刀把质感涂料刮到墙上,然后随意作出各种高低不平的造型,干燥后即可上金属漆或乳胶漆,可以在刷漆后及时用灰刀边把高地方的漆刮掉,也可以等漆干后用砂纸打磨,把高的地方漆除掉,直到露出底色。
呈现不同的艺术效果。
用透明防尘面漆罩光后效果更好。
7、梦幻系列:用灰刀把质感涂料刮到墙上,然后随意作出各种高低不平的造型,干燥后上深色乳胶漆或金属漆,漆干后用刷子轻轻扫金属漆即可。
8、砖系列:用分色纸先贴出自己想要的形状,然后用灰刀把质感涂料抹上去,抹好即可把分色纸撕掉,干燥后即可上金属漆或乳胶漆,用透明防尘面漆罩光后效果更好。
9、特殊图案系列:有绘画基础的人用灰刀、批刀或其它工具根据客户要求做出各种艺术造型,如人物、风景等,干燥后即可上金属漆或乳胶漆,用透明防尘面漆罩光后效果更好。
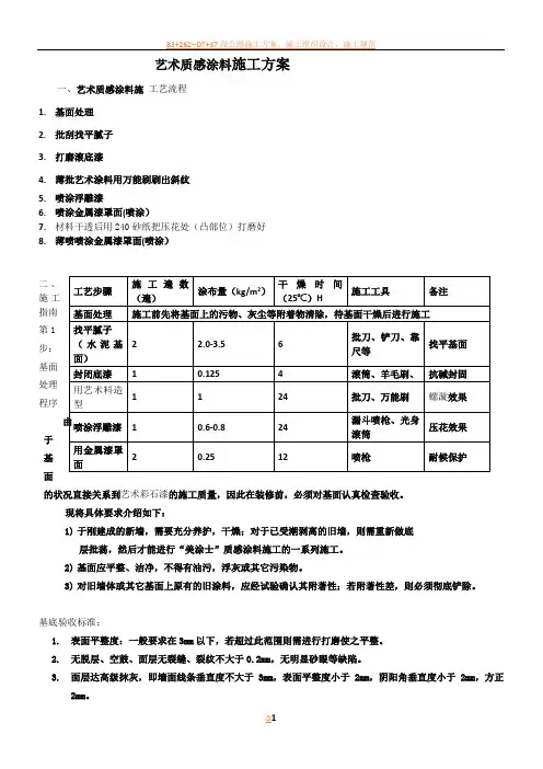
艺术质感涂料施工方案一、艺术质感涂料施工艺流程1.基面处理2.批刮找平腻子3.打磨滚底漆4.薄批艺术涂料用万能刷刷出斜纹5.喷涂浮雕漆6.喷涂金属漆罩面(喷涂)7.材料干透后用240砂纸把压花处(凸部位)打磨好8.薄喷喷涂金属漆罩面(喷涂)施工指南第1步:基面处理程序于基面的状况直接关系到艺术彩石漆的施工质量,因此在装修前,必须对基面认真检查验收。
现将具体要求介绍如下:1)于刚建成的新墙,需要充分养护,干燥;对于已受潮剥离的旧墙,则需重新做底层批荡,然后才能进行“美涂士”质感涂料施工的一系列施工。
2)基面应平整、洁净,不得有油污,浮灰或其它污染物。
3)对旧墙体或其它基面上原有的旧涂料,应经试验确认其附著性;若附著性差,则必须彻底铲除。
基底验收标准:1.表面平整度:一般要求在3mm以下,若超过此范围则需进行打磨使之平整。
2.无脱层、空鼓、面层无裂缝、裂纹不大于0.2mm,无明显砂眼等缺陷。
3.面层达高级抹灰,即墙面线条垂直度不大于3mm,表面平整度小于2mm,阴阳角垂直度小于2mm,方正2mm。
4.表面必须平整、洁净、颜色均匀,无裂纹、无明显接槎,无灰尘、油渍、无外露钢筋、铁丝、木屑、红角和灰线平直方正,清晰美观。
5.护角等符合施工规范规定,分隔缝(条)宽度、深度均匀、平整光滑、楞角整齐、横平竖直。
6.基层的碱性:基层墙面PH值低于10。
7.基层的含水率:基层含水率小于8%,新粉刷的砂浆面层要经过3个星期左右才能施工。
8.表面污物:表面尘土、油污等要用钢丝刷、合成洗涤剂等加以去除,或用粗砂布打磨干净,清洁打磨完毕后方可施工。
第2步:批刮找平腻子,打磨平整。
(1)批刮腻子应使用抹子、刮板或钢批进行施工,从上向下批刮。
每遍腻子不能刮涂太厚,过厚易产生龟裂、脱落等弊病。
通常外墙腻子一道在0.5~1.0mm左右。
(2)腻子通常批刮两遍,两遍腻子的间隔时间不能过短,一定要在第一道腻子干燥后,再披刮第二道腻子。
第1篇一、施工准备1. 材料准备:根据设计要求,准备相应型号的质感涂料、基层处理剂、底漆、腻子、砂纸、刷子、滚筒、涂料桶等。
2. 工具准备:准备切割机、打磨机、喷枪、水平尺、垂直尺、卷尺等。
3. 人员准备:施工人员需具备一定的涂料施工经验,了解质感涂料的特点和施工工艺。
二、施工步骤1. 基层处理:将施工面清洗干净,去除油污、浮尘、松散物等,确保基层坚实、平整。
2. 打底子:在处理好的基层上刷一层基层处理剂,提高基层的附着力。
3. 刮腻子:根据设计要求,刮涂适量的腻子,平整腻子层,避免出现凹凸不平现象。
4. 磨光:腻子层干燥后,用砂纸进行磨光,使表面平整、光滑。
5. 涂刷底漆:在磨光后的基层上刷一层底漆,提高质感涂料的附着力。
6. 涂刷质感涂料:根据设计要求,选择合适的质感涂料,按照涂料比例调配均匀。
(1)涂刷:使用刷子或滚筒均匀涂刷质感涂料,注意涂刷均匀,避免出现色差。
(2)压花:待涂料干燥至一定程度后,使用压花工具进行压花,形成所需的质感效果。
7. 固化:质感涂料施工完成后,需在一定温度和湿度条件下进行固化,以确保涂料性能。
8. 检验:固化后,对施工面进行检验,确保涂料表面平整、无色差、无流挂现象。
三、施工注意事项1. 施工过程中,注意通风,避免涂料挥发对人体造成伤害。
2. 施工温度宜在5℃以上,湿度宜在85%以下,以保证涂料性能。
3. 施工过程中,避免涂料沾染到其他物品,造成污染。
4. 施工完成后,对施工面进行保护,避免受到碰撞和划伤。
5. 施工过程中,严格按照施工规范进行操作,确保施工质量。
质感涂料工程施工是一项技术性较强的工程,需要施工人员具备丰富的经验和熟练的技艺。
通过合理的施工步骤和注意事项,可以确保质感涂料施工达到预期效果,为建筑物增添独特的艺术魅力。
第2篇一、施工准备1. 材料准备:根据设计要求,选择合适的质感涂料、基层处理材料、辅助材料等。
2. 工具准备:滚筒、刷子、刮刀、砂纸、水平尺、线锤、剪刀等。
质感配套施工工艺质感涂料施工流程:水泥砂浆抹灰门框、窗框护栏安装砂浆封塞基层检查及处理、修补满刮第一遍腻子满刮第二遍腻子打磨、养护封闭底漆中层漆面漆门窗框封胶一、基层要求:1、外墙抹灰应分层进行,表面用铁抹揉实压光,水泥砂浆配比应符合建筑施工规范的要求。
2、基层应坚实平整,不能出现开裂、起砂、空鼓及漏网现象,要求墙体含水率≤10%。
采用含水率测试仪进行测试以确定是否达标(通常情况下,新浇筑的混凝土夏季干燥3周,冬季干燥4周以上)。
3、墙体干燥彻底,清除基层泛出碱沫,PH值≤10。
采用PH试纸测试。
4、基层表面的清洁有利于涂料的附着,清除水泥砂浆流痕、灰尘,无污垢以及析出碱性物质,对混凝土模板脱模剂必须清理干净。
5、基层应达到高级抹灰标准,表面平整≤2mm,阴阳角垂直≤2mm。
阴阳角方正≤2mm,立面垂直≤3mm,分隔缝深浅一致,保证横平竖直≤1mm。
6、根据建筑设计可适量增加伸缩缝的布局,以释放水泥水化热而产生的应力,减少大面积裂缝的产生,同时也有利于涂装施工中腻子量控制,降低成本。
7、涂料施工的作业面必须是完整且合格的,对脚手架孔洞以及局部未抹灰墙面需提前采用砂浆修补,砂浆修补后应低于基面2mm左右,避免涂装后的修补对涂饰效果的影响。
8、基层的完整、合格与否将直接的影响到涂料最终的质量,再好的涂料也无法在不合格(未进行表面处理、抹灰层未干燥固化等)的基层表面上发挥其应有的性能,特别是建筑涂料,如基层不完整、不合格(在墙体含水率高于15%及PH值大于10,交付施工的基面不完整时施工涂料),将很有可能发生涂料的质量问题,大大的增加涂料起泡、泛碱脱落、补疤的可能性,所以施工开始前应严格的对基层进行各项指标的检测控制,待达到要求且完整后才进行涂料的施工。
二、环境气候的要求1、外墙涂料施工时,施工温度控制在8℃-35℃范围内,避开高温天气,要求空气相对湿度≤85%时进行。
2、涂装前24小时,涂装后12小时不应受雨淋浇,未成膜前不能遇水,如遇雨需采取遮挡措施。
质感涂料的施工工艺质感涂料是一种具有特殊纹理和触感效果的涂料,其施工工艺相对于普通涂料有一定的特殊性。
在进行质感涂料的施工时,需要遵循一定的工艺流程和操作规范,以确保施工效果的质量和持久性。
本文将介绍质感涂料的施工工艺。
一、准备工作在进行质感涂料的施工前,首先需要进行准备工作。
这包括准备涂料和施工工具,对施工的表面进行清洁处理和修补,确保施工面的平整度和光滑度。
此外,还需要将施工区域进行遮挡,防止其他部位受到涂料污染。
二、底漆处理在质感涂料的施工前,通常需要对施工面进行底漆处理。
底漆的选择应根据施工面的材质和状态来决定。
底漆主要起到保护和加强底层附着力的作用,为质感涂料的施工提供良好的基础。
三、质感涂料的选择质感涂料有多种不同的纹理和触感效果可供选择,如皮纹、羊毛纹、皇家纹等。
在选择质感涂料时,应考虑施工的环境和需求,选择适合的质感效果。
此外,还需要考虑质感涂料的耐久性、抗污性和易清洁性等特点。
四、施工工艺质感涂料的施工可以采用刷涂、滚涂或喷涂等方式进行。
具体的施工工艺如下:1. 刷涂:使用刷子将质感涂料均匀涂抹在施工面上,注意涂料的平整度和厚度控制。
首先进行整面刷涂,然后利用刷子的毛尖或特制刷具进行纹理处理,使得涂料形成所需的纹理效果。
2. 滚涂:使用适合质感涂料的毛辊进行滚涂,将涂料均匀地滚涂在施工面上。
可以根据需要使用不同类型的滚筒来调整纹理效果。
滚涂时要注意控制涂料的厚度和纹理的均匀性。
3. 喷涂:使用专用的喷涂设备对质感涂料进行喷涂。
可以根据需要调整喷涂的压力和喷涂的角度来控制质感纹理的效果。
喷涂时要注意避免涂料积聚和垂直性纹理效果不均匀。
五、涂层保护质感涂料施工完成后,需要进行涂层的保护。
可以使用特殊的保护剂或涂层来提高涂料的抗污性和耐久性,并保持其美观效果。
在进行涂层保护时,要注意选择适合的保护材料,并按照产品说明进行施工。
六、施工注意事项在质感涂料的施工过程中,还需要注意以下事项:1. 涂料搅拌:使用前需对质感涂料进行充分搅拌,以保证颜色和纹理的均匀性。
外墙质感涂料施工工艺一、外墙质感涂料施工工艺流程:基面检查→基面处理→腻子找平→成品保护→施涂底漆→外墙弹性涂料施工二、外墙质感涂料施工工艺:1、基面检查与验收? 检查抗裂聚合物砂浆基层和水泥砂浆抹灰基面的平整度是否符合国家标准要求(±3mm/2m),门窗洞口和露台及雨棚防水是否完工。
若有未完工和不符合规范要求,是否向甲方提出通知,由相关方作出整改处理。
? 将附着在抗裂聚合物砂浆基层和水泥砂浆抹灰基面上的杂物、土砂、油腻、灰尘等物清除。
? 检查抗裂聚合物砂浆基层和水泥砂浆抹灰基面的含水率及PH值。
测量基面含水率之方法(现场简单测定法)A 晴天时利用透明胶布平铺基面,以胶布封合胶布四周,经过2-4个小时后,若胶布内部呈现结露现象,则基面含水率高,不宜施工。
B 取干燥报纸平铺基面,再以透明胶带封合,约2小时后,报纸取出点火,若无法点燃,则基面含水率高,不宜施工。
? 水泥砂浆基面养护时间至少应在15-28天以上,外保温基面养护时间至少应在3-5天以上,方可进行涂料施工。
注:养护期的长短根据当时的季节、气温和湿度等有关;? 注:基面检查与验收应由甲方、总包方及涂料方等相关部门进行,验收合格后,并填写验收报告后,由涂料方进场。
2、基面处理? 针对抗裂聚合物砂浆基层和水泥砂浆抹灰基面的平整度达不到要求的地方,使用外墙双组份柔性腻子进行局部找补批刮作整平,使墙面更加平整。
3、腻子整平层? 使用双组份柔性腻子作整平,用量约为1.5-2.5公斤/平方;? 配合比例:双组份柔性腻子A组份:B组份:水=25:2:4-6,先加水后加添加剂再粉料,用电动搅拌机搅拌5-10分钟直至无颗粒的浆料,静置5分钟,再搅拌一次即可施工;? 施工方法:采用刮涂的施工工艺,一次施工不宜过薄过厚,对缺陷如凹陷、空鼓、砂眼、裂缝等应预先清理和修补;批腻子应先刮上部.再刮下部,操作时将腻子置于托板上,用抹子进行刮涂;根据基层情况和装饰要求刮涂1-2遍腻子。
质感涂料施工方案1. 简介质感涂料是一种具有特殊纹理和质感效果的涂料,可以给墙面和家居装饰增加独特的艺术感和立体感。
本文将介绍质感涂料的施工方案,包括准备工作、施工步骤和注意事项。
2. 准备工作2.1 清洁墙面在施工之前,首先要保证墙面干净无尘。
可以使用清洁剂和抹布清洁墙面,去除顽固污渍和油脂等。
然后用水彻底清洗墙面,并确保墙面干燥。
2.2 填补裂缝和修复墙面如果墙面有裂缝或损坏,需要先进行修复。
使用填缝剂或修补腻子将裂缝填补平整,并用砂纸打磨墙面,使其光滑。
2.3 保护周边物品在施工开始之前,需要用塑料薄膜或布料将周边的家具、地板等物品进行覆盖,以免受到涂料的溅落。
2.4 选择合适的涂料和工具根据所需的质感效果,选择合适的质感涂料。
常见的质感涂料有砂岩质感涂料、皱纹质感涂料等。
此外,还需要准备刷子、滚筒等工具进行涂料施工。
3. 施工步骤3.1 打底涂料施工首先,使用打底涂料进行墙面的底层涂刷。
打底涂料的选择可以根据质感涂料的要求来确定,一般建议选择白色或近似打底颜色的涂料。
使用刷子或滚筒均匀地涂刷打底涂料,并确保涂层干燥后再进行下一步操作。
3.2 质感涂料施工在打底涂料干燥后,可以开始质感涂料的施工。
在进行施工前,需要仔细阅读质感涂料的使用说明书,了解涂料的施工方法和稀释比例等细节。
根据说明书的指导,选择合适的刷子或滚筒进行施工。
质感涂料施工步骤一般为:1.将质感涂料倒入涂料盘或桶中,按照要求稀释涂料;2.使用刷子或滚筒沾取适量的质感涂料,并进行试涂;3.根据试涂效果调整刷涂的力度和方向,实现理想的质感效果;4.刷涂完成后,等待质感涂料完全干燥。
3.3 涂层护理和修复质感涂料施工完成后,需要注意涂层的护理和修复。
不同的涂料可能有不同的护理要求,一般建议避免使用过于硬的物体碰撞涂层,以免造成刮痕。
如果涂层出现了损坏或脱落,需要及时进行修复,以保持墙面的美观。
4. 注意事项在进行质感涂料施工时,需要注意以下事项:•施工环境要通风良好,保证室内空气流通;•注意个人防护,如佩戴口罩、手套等,以免吸入有害物质;•遵循涂料说明书的使用方法和要求,避免使用不当;•在进行施工前,充分了解并熟悉涂料的质感效果,避免施工不达预期;•涂料施工完成后,及时清理施工工具,避免涂料干燥后难以清洁。
质感涂料施工步骤1、质感涂料施工工序混凝土基面处理→满批质感涂料腻子(含贴网)→满批质感涂料→刷抗碱底漆→刷面油2、基层处理(1)对外墙立模固定用穿墙螺栓孔凿成¢50×30深的喇叭口,然后用掺膨胀剂的水泥砂浆嵌补密实,补前用清水冲洗喇叭口,刷素水泥浆一道。
(2)吊外墙垂直线,检查外墙墙面,门窗口是否垂直、方正,对超过规范的部分进行修补。
(3)铝合金门窗安装完毕后,窗框四周用微膨胀砂浆填塞密实,框边留5mm深凹槽打玻璃胶密封,门窗框周边用小锤敲击,以检查塞缝是否密实。
(4)对外墙残留的模板皮进行清理,混凝土浆、灰尘、砂砾油污等用钢丝刷清刷,碱水洗净。
(5)待混凝土表面清理结束14d干燥期后,含水率<6%,pH值<10时,进行下道工序施工。
3、腻子施工3.1配料25kg粉料约加5~6kg水,用电动搅拌机搅拌均匀直到无颗粒,静置5min,再搅拌一次即可施工。
3.2施工方法采用辊筒、喷枪等工具施工,具体施工效果根据施工工具、施工手法而定。
趁腻子未干时,铺贴耐碱增强玻璃纤维一道,在此基础上满批第二遍腻子,表面达到平整光滑。
3.3材料用量刮砂型用量:2.5~3.0kg/m2,标准型用量:2.0~3.0kg/m2,细刮砂型用量:1.5~2.0kg/m2。
4粉状质感涂料经过24h干透后对成品腻子进行打磨至光滑,用质感涂料刮出设计要求的凹凸槽效果。
4.1表面准备所有表面必须结实、平整、清洁无松动,无油污、无混凝土养护剂、脱模剂和其他松散脏物。
4.2配料先将水倒入搅拌桶内,慢慢加入粉料,用电动搅拌机搅拌至均匀无结块、无沉淀的膏状,静置10min,再搅拌后才能使用。
禁止在已干结的浆料中重新加水搅拌后使用。
4.3施工工艺客户可根据需要选择相应的施工方法,可用喷涂法和镘抹法,用抹刀将胶浆均匀平整地涂抹于基面上,约10min后,根据需要,用工具在表面滚压成各种图案。
待涂层完全固化后(24~28h)再涂刷其他涂料。
质感涂料施工工艺流程质感涂料施工工艺流程1.施工准备在进行质感涂料施工之前,首先需要对施工现场进行准备工作。
清理施工面,去除尘土和杂物,确保施工面干净整洁。
对墙面进行修复和处理,填补裂纹和凹坑,修整不平整的部分,确保墙面平整。
如果墙面有油污、水渍等问题,需要先进行清洗处理。
2.底漆施工在施工准备完成后,需要进行底漆施工。
底漆的主要作用是提高涂层与基层之间的附着力和抗碱性能,以及增强涂层的耐候性和防潮性能。
选择适合的底漆根据涂料品牌和墙面情况进行施工,一般需要进行两遍底漆涂布,首次底漆需要稀释。
3.上色施工上色施工是质感涂料最关键的一步,直接影响到涂层的效果。
在施工过程中,需要根据设计要求和涂料特性来进行刷涂、滚涂或喷涂。
在选择涂料颜色时,可以根据室内环境和家具搭配来选择,也可以参考设计师的意见。
4.质感涂料施工在进行质感涂料施工之前,需要先进行稀释或预处理。
根据涂料的特性和所需效果,可以选择不同的涂刷工具,如刺维刷、刮痕刷、海绵刷等。
根据设计要求和个人技术,采用不同的刷涂方法,制造出不同的质感效果。
在进行质感涂料施工时,需要注意涂料的用量和施工的厚度,要均匀刷涂,避免出现涂料流淌和浮泡现象。
5.调色施工在质感涂料施工完成后,可以根据需要进行调色施工。
调色施工是为了创造出不同色彩和质感效果,可以根据个人喜好和设计要求进行调整。
调色施工可以通过涂料的混合、划痕、喷涂等方法进行,以达到丰富、层次分明的效果。
6.干燥和涂层保护质感涂料施工完成后,需要等待涂料干燥。
根据不同的涂料类型和环境湿度,干燥时间会有所差异。
一般情况下,需要等待24小时以上,确保涂层充分干燥。
在干燥期间,需要保持施工现场的良好通风,避免外界污染。
7.涂层保护在质感涂料施工完成后,需要进行涂层保护。
根据涂料的特性,可以选择不同的涂层保护方法,如清洁剂、防污剂等。
涂层保护可以延长涂料的使用寿命,防止涂层受到外界物质的侵蚀和损坏。
8.验收和维护质感涂料施工完成后,进行验收工作。
施工方案及技术交底一、外保温基层标准要求1.外保温质量对涂装影响⑴对于建筑外墙涂料涂装工程,基层质量的优劣将最终影响到涂料保护装饰性能,由于项目采用外保温体系,涂料涂装前的表面抹灰质量至关重要。
特别是基层抹灰胶浆平整度、粗糙程度对后续腻子工序影响较大。
⑵质量不达标的基层将对涂装产生不利影响:①需增加填补、修整的工作量,延长工期。
②同时提升材料消耗,增加腻子材料成本费用。
③对基层强度、抗裂性等质量标准有所降低,埋下质量隐患。
⑶外保温体系常见的是表面的开裂、空鼓和渗水。
这是不可回避的一个问题:①主要是外墙体由于昼夜和季节变化,温度胀缩系数所引起。
②开裂和渗水的外墙外保温比不做外保温影响还坏,而且很难修复.③防护层是决定整个外保温体系性能的关键。
防护层做好了,外墙外保温的抗裂性就有了基本保证.⑷经验表明,外保温的防护层没做好,饰面涂层很难担当抗裂作用:①即使采用弹性配套作为饰面,外墙外保温照样开裂和渗水就是例证。
②同时各种材料和组分之间的匹配性和整个体系的完整性也是十分重要的。
③对基层抹灰及保养期等质量标准应有一个基本认识,进而避免基层缺陷的出现,保证涂料装饰质量的耐久性.2.参考国家标准条文⑴目前对于基层的技术规范要求,目前国内参照的规范标准主要有:①GB50210-2001:《建筑装饰装修工程质量验收规范》②JGJ/T29—2003;J250—2003:《建筑涂饰工程施工及验收规程》③JGJ144—2004;J408—2005:《外墙外保温工程技术规程》二、基层处理标准要求1.伸缩缝预留:⑴基层抹灰层应按设计及规范要求设置伸缩缝至结构层,宽度在1.5cm左右。
⑵伸缩缝的留置可采用预嵌木条或事后切割的方法。
伸缩缝应由熟练的工人用防水密封胶填充。
⑶根据建筑设计可适量增加伸缩缝的布局,以释放水泥水化热而产生的应力,减少大面积裂缝产生,同时也有利于涂装施工中腻子量控制,降低成本。
2.养护:⑴基层抹灰层应有足够的养护时间,一般情况下,新浇筑的混凝土夏季干燥3周,冬季干燥4周以上。
量感涂料动工工艺之阳早格格创做一、动工条件1、基底:合格基底有五个基原个性:脆固、仄坦、搞燥、中性、浑净1)基底強度需达5㎏F/㎝2以上,没有掉粉,没有起砂,无空饱、起层、启裂战剥离局里2)基底含火率10﹪以下3)基底搞燥起码20天以上,PH值≤104)基底央供为抹灰里,仄坦度缺面3mm以下2、天气1)气温10℃以上2)气氛干度85﹪以下3)风速5m/秒以下附:丈量基里含火率的要领(现场简朴测定法):1、阴天时利用透明胶布仄揭基里,以胶布启合四里,经2~4小时后,若胶布里里呈结露局里,则基里含火率下,没有宜动工.2、与搞燥的报纸仄鋪基里,再以透明胶布启合,约2小时后,报纸若浮现干润状,则基里含火率下,没有宜动工.二、资料及工艺系统1、主涂料系统:砂量感涂料2、墙里涂拆系统:批底建补膩子2~3遍红色火性抗碱底漆1遍批砂量感涂料火性防尘罩里浑漆1~2遍三、动工工艺过程动工过程图如图所示四、动工要领1、基层处理1)将火泥砂浆基底批刮至完全仄坦,基里央供无空饱、无缝隙、阳阳角笔曲圆正;2)新的墙体应留置一段适度的时间(冬季大于28天,夏季大于21天),用干度仪尝试墙体干度,央供小于或者等于10% ;用PH试纸尝试墙体酸碱度,央供小于或者等于10,如PH值大于是10,必须举止强酸处理;3)扫除污秽、紧集物;将砂浆表面的污秽,包罗油污及其余净物扫除搞净,紧集物及火泥浆必须革除;央供目测无污秽,紧集物战其余障碍物;4)注意兴办物表面的颜色,如果颜色很深,表示其火份含量仍很下;正在涂刷前最佳用干度仪检测一下.5)用散合物火泥砂浆建补较大的缝隙战凸起,但是需注意,假如其材量太过细糙,果其吸火率的分歧,大概会效率到末尾的涂刷效验战涂刷里积.2、批刮中墙博用腻子待墙体上建补的部位搞燥二周(14天)即可举止中墙博用的腻子的动工.提议使用中墙博用腻子细细拆配举止墙体的批刮.动做中墙基层的找仄资料,动做墙体末尾的支光效率.具备劣同的耐火性,附效力强、粘结力下及易刮涂等个性.1)密释要领:粉料:火=100:20-29(即每袋25KG粉料加火5).2)搅拌要领:正在容器中先注进量佳的浑火,后再按比率缓缓加进搞粉料,用电动搅拌器矮速充分搅拌,边倒边搅拌至匀称无结块、无重淀物,成浓稀浆状即可.3)动工重心:用批刮工具谦刮腻子,屡屡薄度统制正在1mm安排.由于基层的分歧腻子的用量也分歧,普遍第一遍腻子的用量约为1.3㎏/m²,第二遍递减.待腻子真搞后圆可举止下一讲腻子的批刮,批嵌末尾一讲腻子时要预防交茬.根据墙里仄坦度,腻子批刮次数为普遍为一遍或者二遍为宜.最后效验:所有基里仄坦、光润、无传染,用2m少的铝合金靠尺查看,缺面正在2mm内.3、挨磨末尾一遍腻子搞燥后即可举止挨磨,挨磨砂纸普遍采用240~360目为宜.最后效验:仄坦、光润、无砂眼、无刮刀痕等.4、扫除粉尘及墙体保护挨磨完后将要墙体上的粉尘物扫除搞净,而后用浑火将墙体腻子层举止洒火保护,央供早早各洒火二遍保护3天以上.5、涂刷红色火性抗碱底漆辊涂启关底漆必须待腻子真搞后,圆能上底漆.1)查看被滚涂里,央供无刮痕、无浮灰,仄坦、光润;2)按产品证明比率配制红色火性抗碱底漆;3)正在滚筒上蘸少量已配佳的底漆正在被涂墙里上沉缓稳固天去回滑动,曲下预防正扭蛇止;4)脆持涂层薄度匀称普遍、无漏滚涂;5)资料用量:约9.5㎡/㎏(一遍).最后效验:表面仄滑,无滚涂痕迹、薄薄普遍、无漏滚涂.6、批涂批砂量感涂料1)查看底漆涂层,用400~600目耐火砂纸将凸出的灰层战砂粒挨磨仄坦,再将浮灰扫除,并用底漆对于被挨磨处举止建补,保证底漆涂层的完备;2)底漆搞透后,用分色纸粘揭所要化妆部位的鸿沟,用没有锈钢灰刀把砂涂料批到墙上,薄度以细砂径大小或者稍小为宜,让细砂稍超过,尽管批仄坦、匀称,尽管搞到一次乐成.搞完后将分色纸撕掉.7、火性防尘罩里涂料砂量感涂料制型工序动工完成后要待搞48小时(温度25℃、干度≦85%)圆可上罩里涂料.罩里漆可根据客户的安排需要,可辊涂火性涂料或者溶剂型涂料.最后效验:涂膜匀称、颜色光芒匀称普遍、无漏涂、无流挂等.砂量感涂料也可调色,但是正在表面罩墙里漆可巩固其抗污性及其耐侯性8、完工浑理:机具浑理:1)屡屡动工完成,滾筒、毛刷需荡涤搞净、甩搞,并挂于指定的位子.2)用于火性涂料动工的工具应浸泡火中荡涤.3)其余工具战设备,如电线、灯、梯架等动工完成,要即时支回,没有得隨意搁置.4)板滞设备即时浑理搞净,即时检建.场合浑理:1)动工中断后,脆持动工现场的浑净卫死,被传染的非动工部位及设备浑理搞净,没有得损害.2)墙里用于呵护的报纸等应正在拆架前浑理搞净,集结支集下楼,没有得治扔.。
质感配套施工工艺
质感涂料施工流程:
水泥砂浆抹灰门框、窗框护栏安装砂浆封塞基层检查及处理、修补满刮第一遍腻子满刮第二遍腻子打磨、养护封闭底漆中层漆面漆门窗框封胶
一、基层要求:
1、外墙抹灰应分层进行,表面用铁抹揉实压光,水泥砂浆配比应符合建筑施工规范的要求。
2、基层应坚实平整,不能出现开裂、起砂、空鼓及漏网现象,要求墙体含水率w 10%。
采用含水率测试仪
进行测试以确定是否达标(通常情况下,新浇筑的混凝土夏季干燥3周,冬季干燥4周以上)。
3、墙体干燥彻底,清除基层泛出碱沫,PH值w 10。
采用PH试纸测试。
4、基层表面的清洁有利于涂料的附着,清除水泥砂浆流痕、灰尘,无污垢以及析出碱性物质,对混凝土模板脱模剂必须清理干
净。
5、基层应达到高级抹灰标准,表面平整w 2mm ,阴阳角垂直w 2mm。
阴阳角方正w 2mm ,立面垂直w 3mm ,
分隔缝深浅一致,保证横平竖直w 1mm。
6、根据建筑设计可适量增加伸缩缝的布局,以释放水泥水化热而产生的应力,减少大面积裂缝的产生,同时也有利于涂装施工
中腻子量控制,降低成本。
7、涂料施工的作业面必须是完整且合格的,对脚手架孔洞以及局部未抹灰墙面需提前采用砂浆修补,砂浆修补后应低于基面
2mm左右,避免涂装后的修补对涂饰效果的影响。
8、基层的完整、合格与否将直接的影响到涂料最终的质量,再好的涂料也无法在不合格(未进行表面处理、抹灰层
未干燥固化等)的基层表面上发挥其应有的性能,特别是建筑涂料,如基层不完整、不合格(在
墙体含水率高于15%^ PH值大于10,交付施工的基面不完整时施工涂料),将很有可能发生涂料的质量问题,大大的增加涂料起泡、泛碱脱落、补疤的可能性,所以施工开始前应严格的对基层进行各项指标的检测控制,待达到要求且完整后才进行涂料的施工。
二、环境气候的要求
1、外墙涂料施工时,施工温度控制在8C -35 C范围内,避开高温天气,要求空气相对湿度w 85%时进行。
2、涂装前24小时,涂装后12小时不应受雨淋浇,未成膜前不能遇水,如遇雨需采取遮挡措施。
3、雨天或湿度较高以及大风天气必须停止施工,以免涂膜冲花或泛白。
4、雨天、以及湿度大、墙体不干等施工条件达不到工艺要求,涂层干燥时间就会过长,严重影响其附着力,
造成涂层酥松,涂膜起泡、脱落、流挂、变色、龟裂(无法成膜)等问题,需天晴墙面完全干燥后方可
继续涂装。
5、乳胶漆施工温度(24小时内)低于8C应停止施工,低温下成膜困难,如低于0C水会结冰,导致破乳,
不能形成连续的漆膜。
6、材料存放应避免曝晒。
三、基层表面的处理(新水泥砂浆基层)
1、检查交付涂料施工的基层完整与合格否,合格完整后再进入涂料的施工。
2、检查基层是否有漏网(浇注体与彻体间的抗裂网格),是否有空鼓,检查到后应做好记号,做好位置记录,告知相
关人员整修合格后再进入涂料施工。
3、基层污染物的清除处理,浮砂、浮浆、水泥泪可用铲刀铲除干净。
(一).腻子施工工艺要领
1、墙体基层具备涂装条件后,进行第一道满刮外墙专用腻子工序操作,使墙体的平整度更高,达到涂料施
工装饰要求。
一般水泥基腻子都是由可再乳化的粉状乳胶(也称固体聚合物)作为基料,也就是主要粘结剂,所以使用时须采用电动搅拌器将腻子进行充分搅拌,待搅拌均匀后,停滞3-5 分钟,给腻子一个熟化过程,再进行搅拌2 分钟左右,只有这样才能使腻子的各种性能指标达到最佳使用效果。
2、注意如果刮腻子前墙体温较高,需先前墙体湿润,待没有明水后再操作施工,刮涂后待腻子层施工干燥再进行打磨处理,对
不平整部位进行腻子找补。
腻子层可采用100-360 目砂纸进行打磨,以砂纸粗标号往细标号过渡方式,有利于减少或降低基层砂痕和提高腻子层细度以确保建筑体系装饰效果。
3、一般情况下,腻子须分二道刮涂,这样才能弥补第一道的不足。
腻子的作用是找平墙面,以达到平整为
目的,不宜刮得太厚(1.0-1.5mm),腻子层过厚反而易开裂。
同时注意对阴阳角不平处进行处理,力求达到横平竖直。
4、腻子打磨平整后,最好用水浇淋来保养腻子以增加硬度,否则腻子强度会受到影响。
如果腻子的刮涂没有按施工工艺操作要
求进行,会出现腻子刮涂后,感觉腻子硬度达不到要求并且用手抠摸有轻微脱粉现象,将会影响到后涂面漆的质量。
5、在涂装底漆时,必须保证腻子干燥彻底,含水率低于10%, PH值小于10 (在环境温度20c0,湿度65% 条件
下,淋水后需要一天的干燥时间)。
然后可在腻子层上做一道封闭底漆以增加后继涂层与腻子之间的层间附着力。
涂料装饰面与墙体腻子层有着密切的关系,只要基层有了保证,建筑装饰涂料才能真正显示其优越性。
(二)、底漆施工工艺要领
1、待腻子层平整度达到涂料施工要求并且干燥(表面含水率低于10%,PH值小于10)后,首先涂刷一道
E1010水性丙烯酸封闭底漆,施工时可适当加清水稀释,稀释比例为20%。
切记不要超量稀释。
2、底漆采用滚涂的方式进行施工,底漆只要求涂刷一道,但必须涂刷均匀,不能漏涂等现象出现,特别是阴角处,此处可采用
小刷子进行涂刷以达到后继涂层的施工要求。
因封闭底漆具有良好的渗透性、耐碱性,在增加基层粘接强度,把墙体的碱性物质、灰尘粉尘封闭到一起的同时又提高基层、中层与面层间的附着力,决不可轻视底漆的作用,它是涂料涂装最基本的保
证;
3、通常在20C、R.H68%F施工底漆需2~4小时干燥,它是随着温度的不同而干燥时间有所不同。
(三)、面层刮砂工艺要领(涂膜厚约0.8~1.2mm)
1、底漆干燥后,进行中层刮砂施工操作,根据设计要求采用质感平搓效果,该效果的施工工具与刮腻子
的工具一致(刮板与铲刀)。
施工时首先用刮板上料并且摊匀,接着再刮刀进行修均,在修平整均匀时,刮刀应尽量放平些,不能过斜,一般情况下刮刀与墙面的夹角保持在10°左右为宜。
2、刮涂施工接头的处理,应以墙体分格缝、阴阳角处或落水管等分界线作为分隔搭接。
如无法在以上地方搭接(如架子与
架子之间),也应尽量采用湿接的形式进行施工处理,漆膜厚度以最粗砂的粒径为准。
3、孔洞处的处理,施工时应预留足够的位置(孔洞的周围应尽量留大些)以便于砂浆的直填塞修补,这样做的好处在于砂浆
修补时,砂浆层不会盖过附近的质感中涂,从于降低疤痕的产生。
通常质感中涂在20C、R.H68%F施工需要4小时干燥;
(四)、成品保护措施
1、施工单位在进行涂料施工时,应根据现场实际情况,切实抓好工程施工中的成品保护工作,采取不同
程度的遮挡保护措施,要防止涂料在施工中对周围环境的污染以及涂料成膜后清理的难度,防止涂料对瓷砖、塑料管道、板材以及铝合金窗等造成污染。
2、涂漆前检查建筑的瓷砖、门窗、玻璃、雨水管、栏杆、铝合金等已成品设施,均应遮挡保护,可用纸带、塑料薄膜、旧报
纸等将它们遮挡或全包起来,防止涂料对它们造成的污染或形成疵点,确保原物原样。
3、防止涂装时涂料的飞溅下落,施工时应掌握风速,尽可能控制在低风涂刷,不仅降低了材料的浪费,同
时也避免涂料在滚涂过程中被风吹起对其它物造成的污染,使涂料涂装的污染指数降到最低限度。
如果形成污染,由干燥后的涂料将很难清除掉,对后续清理工作带来相当大的难度。
所以在施工时对不慎污染处应立即清擦,特别是瓷砖、护栏部分,决不能等到干燥后再清理。
4、只有尊重他人的劳动成果,别人才会尊重你的劳动成果。
敝病的预防及处理:
(1)接痕:在涂漆过程中,由于涂装先后不同,而在饰面各施工区的接茬处呈现凸起的现象主要是腻子层
较为多见,砂浆层的接茬也较常见。
原因分析:①主要是腻子层的接头没打磨平整;②施工技巧低。
预防措施:①先处理好水泥砂浆层的接茬处(可采用电动打磨):②彻底的将腻子层的接头打磨平整,
③提高施工人员的施工技巧。
处理方案:将凸起的地方打磨平整,再进行整配套涂层的施工,最后一道面漆应整个大面的施工。
2)杠影:涂料施工结束后,远观可看到漆膜表面在原脚手架的位置出现均匀分布的横竖条纹。
原因分析:①使用脚手架施工,②施工至脚手架附近时因为脚手架的阻碍,③涂膜出现交叉在脚手架的位置,漆膜较厚引起。
预防措施:①面漆的施工可采用吊篮施工。
②施工至脚手架部位时,尽量薄辊。
③保持脚手架和墙面
有一定的距离。
处理方案:重新涂刷面漆一道,且涂刷时要保证整个大面一次性完成。
3)泛碱:涂料施工后不久,在涂层表面出现一层白色结晶物的现象。
原因分析:①赶工,基层不干碱性高,②基层有裂缝渗水,③施工完不久遇雨;④涂料配套不当。
预防措施:①严格按照施工要求施工(墙体含水率应低于10% PH值低于10);②清理积水;③如施工
完后不久遇雨应采取遮挡措施;④选择抗碱性较好的涂料配套。
处理方案:如有裂缝应先修补,再重新按涂料配套工序施工;可采用清水清洗,待干燥后再涂料一道封闭底漆及二道以上面漆。
海虹老人涂料(中国)有限公司。