b接地(等电位)联结导通性测试记录
- 格式:xls
- 大小:23.50 KB
- 文档页数:1
接地电阻测验记录1. 背景与目的接地电阻测验是建筑物、设备、机械等电气设施的检查维护中必不可少的一项内容。
在日常使用中,建筑物、设备的接地会因为各种原因(如氧化、老化等)导致接地电阻值增加,导致接地效果不好,甚至存在安全隐患。
因此,接地电阻测验的目的是检测接地电阻值是否符合标准要求,及时发现和排查安全隐患,保证构筑物及设备的运行安全。
2. 测验设备与方法2.1 设备•电源:20V直流电源;•万用表:正负极测量精度为1mΩ;•测试线:2根红黑线,长度大于1.5m;•夹具:电极直径小于10mm,夹勾长度大于50mm,接触面积大于1平方厘米;2.2 方法•选择测试点:确保测试点与设备的接地电源有电气绝缘,测试点连接地线后,地线不能与其他线路连接;•清洁测试点:使用擦拭工具除去表面氧化物或者灰尘等污垢;•测量电阻值:将电源的正负极连接到测试点和地线,将万用表连接到夹具上面,测量出接地电阻值;•重复测量:每个测试点至少测量三次,取平均值,排除不合格的测量值;3. 测验记录测验点测试时间接地电阻测量(Ω)测量人员1号测试点2022-10-10 09:00:00 0.25 张三2号测试点2022-10-10 09:30:00 0.23 李四3号测试点2022-10-10 10:00:00 0.22 王五4. 结论与建议经过以上的测试,可以得出以下结论:•测试结果表明,所有测试点的接地电阻值都符合标准要求,没有发现安全隐患;•但是,为了进一步提升安全保障效果,建议每半年或一年对设备和机械等电气设施进行一次接地电阻测验,对发现的问题及时逐一解决,确保设备和机械的安全运行。
5. 参考文献•GB50057-2010 工业建筑地基基础设计规范•JGJ/T162-2019 外观检查、设备运行试验和检验规程•DL/T 936-2004电力建设工程接地工程验收规程6. 结语以上是本文的接地电阻测验记录,希望可以帮助到有需要的人,确保建筑物和设备的安全运行,避免因接地电阻不良导致的安全事故发生。
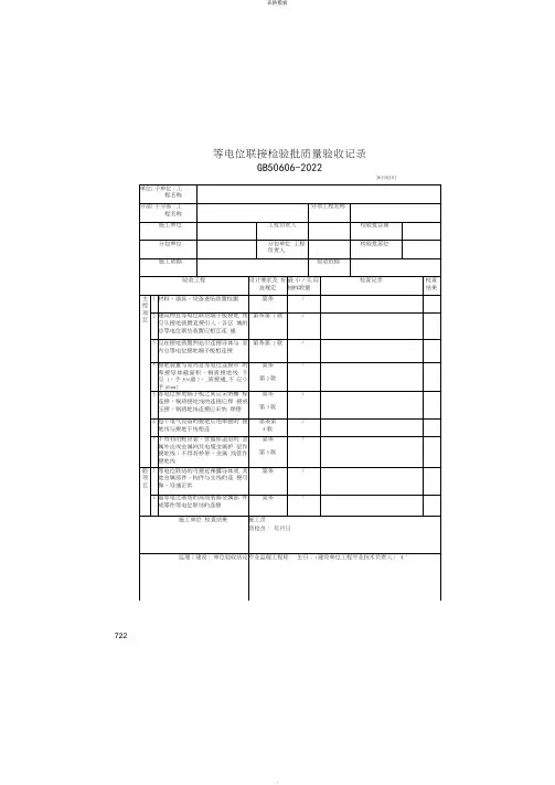
等电位联接检验批质量验收记录注:本表内容的填写需依据《现场验收检验批检查原始记录》。
本检验批质量验收的规范依据见本页背面。
填写说明一、填写依据1 《智能建筑工程施工规范》GB50606-2010。
2 《建筑电气工程质量验收规范》GB50303-2002。
3 《建筑工程施工质量验收统一标准》GB50300-2013。
二、检验批划分防雷及接地装置安装工程中分项工程检验批,人工接地装置和利用建筑物基础钢筋的接地体各为一个检验批,大型基础可按区块划分成若干个检验批;避雷引下线安装六层以下的建筑为一个检验批,高层建筑依均压环设置间隔的层数为一个检验批;接闪器安装同一屋面为一个检验批。
三、GB50606-2010规范摘要3.5.1 材料、器具、设备进场质量检测应符合下列规定:1 需要进行质量检查的产品应包括智能建筑工程各子系统中使用的材料、硬件设备、软件产品和工程中应用的各种系统接口;列入中华人民共和国实施强制性产品认证的产品目录或实施生产许可证和上网许可证管理的产品应进行产品质量检查,未列入的产品也应按规定程序通过产品质量检测后方可使用。
2 材料及主要设备的检测应符合下列规定:1)按照合同文件和工程设计文件进行的进场验收,应有书面记录和参加人签字,并应经监理工程师或建设单位验收人员确认;2)应对材料、设备的外观、规格、型号、数量及产地等进行检查复核;3)主要设备、材料应有生产厂家的质量合格证明文件及性能的检测报告。
3 设备及材料的质量检查应包括安全性、可靠性及电磁兼容性等项目,并应由生产厂家出具相应检测报告。
16.1.3 等电位联结安装除应执行国家标准《建筑物电子信息系统防雷技术规范》GB50343-2012第6.4节和《建筑电气工程施工质量验收规范》GB50303-2002第27章的规定外,尚应符合下列规定:1 建筑物总等电位联结端子板接地线应从接地装置直接引入,各区域的总等电位联结装置应相互连通。
2 应在接地装置两处引连接导体与室内总等电位接地端子板相连接,接地装置与室内总等电位连接带的连接导体截面积,铜质接地线不应小于50m㎡,钢质接地线不应小于80m㎡。
接地(等电位)联结导通性测试记录
鲁DQ-033—
说明
1.检测部位:指检测点的位置,如在X层、XX房间或XX区段与XX区段:等电位联结端子板与等电位联结范围内,金属管道或金属体等末端之间的区、段。
2.导通测试可用等电位联结测试仪、微欧表或接地电阻测试仪进行导通测试。
并将仪表名称型号填写清楚,测试数据写清。
3.接地电阻测试,指等电位箱处的接地电阻测试值。
应用接地电阻测试仪进行测试,并将接地电阻测试仪的型号标清,测试数据填写清楚。
结论:依据设计和规范要求,根据测试结果,作出测试结论。
机电安装监理知识测试题库(三)项目名称:姓名:得分:选择或填空题:(每题或每空1分,共120分)1.建筑电气动力工程的空载试运行和建筑电气照明工程负荷试运行前,应根据电气设备及相关建筑设备的种类、特性和技术参数等编制试运行方案并应经施工单位审核同意、经监理单位后执行。
A、同意B、审批C、审查D、确认2.规范中3.1.7中规定:电气设备的外露可导电部分应单独与保护导体相连接,不得连接,连接导体的材质、截面积应符合设计要求A、串联B、并联C、混合穿插D、遗漏3.实行生产许可证或强制性认证(CCC认证)的产品,应有许可证编号或CCC认证标志,并应抽查生产许可证或CCC认证证书的认证范围、。
A、真实性B、有效性C、有效性及真实性D、时效性4.进口电气设备、器具和材料进场验收时应提供质量合格证明文件,性能检测报告以及安装、使用、维修、试验要求和说明等技术文件;对有商检规定要求的进口电气设备,尚应提供。
A、海关检测证明B、出口国检测证明C、商检证明D、CCC认证证明5.主要机电设备的绝缘性能检测:对灯具的绝缘性能进行现场抽样检测,灯具的绝缘电阻值不应小于MΩ,灯具内绝缘导线的绝缘层厚度不应小于0.6mm。
A、1.0B、1.5C、2.0D、4.06.电气和机械性能检测:对开关、插座的电气和机械性能应进行现场抽样检测,并应符合下列规定:不同极性带电部件间的电气间隙不应小于3mm,爬电距离不应小于3mm; 2)绝缘电阻值不应小于MΩ;A、2.0B、5.0C、6.0D、8.07.型钢和电焊条的进场验收应符合下列规定:型钢表面应无严重锈蚀、过度扭曲和;电焊条包装应完整,拆包检查焊条尾部应无锈斑。
A、弯折变形B、结构损伤C、断裂D、变形8.母线槽的进场验收应符合下列规定:CCC型式试验报告中的技术参数应符合设计要求,导体规格及相应应与CCC型式试验报告中的导体规格一致,当对导体的载流能力有异议时,应送有资质的试验室做极限温升试验,额定电流的温升应符合国家现行有关产品标准的规定;A、温升值B、防水性能C、IP性能9.验收建筑电气工程时,应核查下列各项质量控制资料,且资料内容应真实、齐全、完整:3.接闪线和接闪带固定支架的测试记录; A、横向剪力 B、水平拉力 C、垂直拉力4 接地(等电位)联结测试记录; A、导通性 B、绝缘性 C、可靠性10.变配电室通电后可抽测下列项目,抽测结果应符合本规范的规定和设计要求:1.开关插座的正确性; A、相序 B、接线 C、位置2.剩余电流动作保护器的和时间; A、动作电流 B、故障电流 C、灵敏度11.对于低压成套配电柜、箱及控制柜(台、箱)间线路的线间和线对地间绝缘电阻值,馈电线路不应小于0.5MΩ,二次回路不应小于1MΩ;二次回路的耐压试验电压应为1000V,当回路绝缘电阻值大于10MΩ时,应采用 V兆欧表代替,试验持续时间应为1min 或符合产品技术文件要求。
等电位联结导通性检验记录搀扶扶持教学工作总结[搀扶扶持教学工作总结]本文章由a href="hao123/a合作伙伴hao123网址导行群发转栽而成时间荏苒,欢快而充实的工作时间总是短暂的,转眼到了这一学期的尾声,搀扶扶持教学工作总结。
回顾这一学期,我和我的学生们不仅在一次次的交往与碰撞中建立起了*而浓厚的师生情,而且在互相信任的条件下较圆满地完成了本学期的教学任务。
为在以后的教学工作中做到查漏补缺,更加快速地进步课堂效率,特把本学期的工作总结如下:一、加强思想政治学习,切实做到热爱学生,引领学生。
"思想是行动的先导",为了让自己对学生的爱一如既往,对教育的执着一如既往,我继续把思想政治学习当做一项首要而且重要的工作来做。
为让自己的教育思想跟得上时代的潮流和学生的现状、我养成了读书、看报、看新闻的习惯。
本学期,我认真研读了《种籽教育手记》、《乖孩子的伤最重》、《教师心理学》、《给老师的一百条建议》等书籍,从前人的经验中寻求聪明,及时发现自己在教育孩子中出现的题目并适时做出调整。
在不断学习中,我越来越有了这样的感受:要让孩子健康欢快地长大,教师不光要有一颗爱孩子的心,还要把握一定的教育技巧,并且做到用自己的言行为学生做好示范,引领学生长大。
二、不断充电,用丰富的学识武装自己的头脑教师的课堂要想赢得同学们的认可,自己的学识要渊博,这是不争的事实。
随着科技的迅猛发展,学科间的联系越来越紧密,我越来越感觉自己只凭上学时的那点儿储备来教现在的学生,已经不能做到得心应、手游刃有余。
为此,每一学期我都自主投票平台的加强自己的业务学习。
本学期,为扩展自己的知识面,我认真研读了《红楼梦》、《三国演义》等名著;为丰厚自己的诗文素养,我新积累古诗文50余首;为进步自己的课堂教学水平,我努力研读各种教学设计,探索总结适合自己的教学模式;…三、采取多种教学形式,带动学生语文素养的提升。