接地电阻测试记录填写范本
- 格式:doc
- 大小:36.51 KB
- 文档页数:2
附件:工程施工现场应急预案及安全保证措施一、编制原则1、以人为本,安全第一原则。
把保障人民群众生命财产安全,最大限度地预防和减少突发事件所造成的损失作为首要任务。
2、统一领导,分级负责原则。
在本项目部领导统一组织下,发挥各职能部门作用,逐级落实安全生产责任,建立完善的突发事件应急管理机制。
3、依靠科学,依法规范原则。
科学技术是第一生产力,利用现代科学技术,发挥专业技术人员作用,依照行业安全生产法规,规范应急救援工作。
4、预防为主,防止结合原则。
认真贯彻安全第一,预防为主,综合治理的基本方针,坚持突发事件应急与预防工作相结合,重点做好预防、预测、预警、预报和常态下风险评估、应急准备、应急队伍建设、应急演练等项工作。
确保应急预案的科学性、权威性、规范性和可操作性。
二、编制目的1、应急预案应针对那些可能造成企业、系统人员死亡或严重伤害、设备和环境受到严重破坏的突发性灾害,如触电事故、泥石流灾害、火灾、环境破坏等。
2、应急预案是对日常安全管理工作的必要补充,应急预案应以完善的预防措施为基础,体现“安全第一、预防为主”的方针。
3、应急预案应以努力保护人身安全、防止人员伤害为第一目的,同时兼顾设备和环境的防护,尽量减少灾害的损失程度。
4、应急预案应结合实际,措施明确具体,具有很强的可操作性。
5、应急预案应经常检查修订,以保证先进科学的防灾、减灾设备和措施被采用。
三、应急组织机构及职责1、应急组织机构为加强安全领导,进行系统化、网络化管理,项目部成立应急预案管理领导小组,项目经理任组长,项目总工程师、常务副经理、安全总监、项目副经理为副组长,各职能部门负责人、安全环保部安全员、各施工队专职安全员、施工队队长为组员,负责日常的安全管理工作。
2、应急领导小组职责负责重、特大事故的现场应急抢险救援指挥,对施工现场突发性情况进行技术、资金和设备支持,在施工现场发生重特大事故时以最快的时间达到现场,分析紧急状态和确定风险事故级别,负责分部和有关地方管理部门、组织、机构联络和报告事故情况,制定抢险救援的方案措施,领导现场应急抢险救援工作,确定紧急状态的解除,协助事故原因的调查和处理工作。
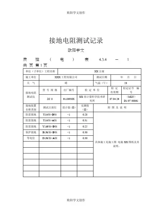
接地电阻测试记录表填写范本
接地电阻测试记录表
测试单位:测试地点:测试日期:
测试人员:测试仪器型号:测试依据:
序号测试点编号测试点位置联络面标志(颜色)测试结果(Ω)备注
1 红色
2 黄色
3 绿色
4 蓝色
5 紫色
测试结论:
根据接地电阻测试结果,测试结果均在规定范围内(一般为<10Ω),符合相关安全规定要求。
接地系统电阻良好,能够有效保护人员和设备安全。
测试人员签字:日期:
备注:
1. 测试点位置应尽可能选在接近设备的周边区域,一般选择与设备相连的金属部件作为测试点位置,以获得更准确的测试结果。
2. 每个测试点的测试结果应记录在相应的序号后,并在备注栏中注明具体测试点的位置,以便后续维护和管理。
3. 如果测试结果超出规定范围,应及时采取相应的措施进行修复和维护,确保接地系统的正常运行。
4. 记录表中的测试结果仅供参考,具体测试时应根据实际情况和安全规定来确定接地系统的合格标准。
5. 在填写记录表时,应注明测试单位、测试地点、测试日期、测试人员、测试仪器型号和测试依据等重要信息,以便进行后续的追踪和查询工作。
接地电阻测试记录范本1.接地电阻测试记录表单填写工程名称**建设项目编号*******测试日期*年*月*日仪表型号(就是你检测时所用的仪器型号)如仪器名称:防雷元件测试仪仪器型号:F-2仪器号:HC06天气情况气温接地电阻就你所检测的这块的就打钩如:防雷接地,就钩防雷接地设计要求就看建筑电器设计总说明图的防雷接地块(防雷接地的),哪里是几就钩几。
如:小于10,就钩小于10的。
测试部位,检测哪块,就如实填写测试结论符合要求或不符合要求**********-***2.电气接地电阻测试记录电气接地电阻测试记录试验表50工程名称施工单位仪表型号测试日期年月日计量单位Ω(欧姆)天气情况气温℃接地类型防雷接地保护接地重复接地接地接地组别及实测数据12345678910设计要求≤Ω≤≤Ω≤Ω≤Ω测试结论参加单位及人员建设单位监理单位设计单位施工员质检员测试(二人)①本表适用于各种类型接地电阻的测试。
②非重点及设计无特殊要求的工程,设计单位可不参加签字。
③参加人员第一栏凡是委托监理的工程均由监理代表签字。
补充:接地的作用总的步说可以分为有两个:保护人员和设备不受损害叫保护接地;保障设备的正常运行的叫工作接地。
1、保护接地:(1)防雷接地是防止受到雷电袭击;(2)机壳安全接地是将系统中平时不带电的金属部分(机柜外壳,操作台外壳等)与地之间形成良好的导电连接,以保护设备和人身安全。
保护接地还可以防止静电的积聚。
2、工作接地:工作接地是为了使系统以及与之相连的仪表均能可靠运行并保证测量和控制精度而设的接地。
它分为机器逻辑地、信号回路接地、屏蔽接地,在石化和其它防爆系统中还有本安接地。
3.接地电阻测试记录.表c2c2-24-1表填相关信息:凡设计和施工质量验收规范规定要求电气接地的项目安装完毕后均应进行接地电阻测试并用该表记录。
接地电阻实测值与季节系数乘积不得大于所规定的接地电阻。
其主要内容包括:避雷系统接地装置及其引下线、接伞器;设计要求接地的金属门窗、幕墙等;电源入户的重复接地及其变压器中心点接地;设备、系统、的保护接地(分类、分系统进行)和缆线金属导管、槽架、电气设备可接近裸露导体等;以及输送含有易燃、易爆气体或安装在易燃、易爆环境的风管系统;燃油系统的设备和管道等。