第8章 PCI总线标准..
- 格式:ppt
- 大小:2.44 MB
- 文档页数:54
PCIPCIPCI总线系统要求有一个PCI控制卡,它必须安装在一个PCI插槽内。
这种插槽是目前主板带有最多数量的插槽类型,在当前流行的台式机主板上,ATX结构的主板一般带有5~6个PCI插槽,而小一点的MATX主板也都带有2~3个PCI插槽。
根据实现方式不同,PCI控制器可以与CPU 一次交换32位或64位数据,它允许智能PCI辅助适配器利用一种总线主控技术与CPU并行地执行任务。
PCI允许多路复用技术,即允许一个以上的电子信号同时存在于总线之上。
普通PCI总线带宽一般为133MB/s(在32bit/33Mhz下)或者266MB/s(在32bit/66Mhz下)。
对于普通的声卡、百兆网卡、Modem 卡等扩展设备一般使用的是133MB/s的传输速率,这种设备的金手指特征一般是与PCI插槽对应(长-短),而对于部分PCI显卡、千兆网卡、磁盘阵列卡、USB2.0或者火线卡等需要较高带宽的PCI设备一般可以使用266MB/s的带宽,这种设备的特征是金手指一般是三段式(短-长-短)。
至于设备是否工作在66Mhz下可以通过软件everest查看,在PCI设备栏中选中需要观察设备并查看“66Mhz操作”是否为“已支持”,如果显示为“不支持”则表示这个设备最多只能使用133MB/s的带宽。
Intel在2001年春季的IDF上,正式公布了旨在取代PCI总线的第三代I/O技术,该规范由Intel支持的AWG(Arapahoe Working Group)负责制定。
2002年4月17日,AWG正式宣布3GIO1.0规范草稿制定完毕,并移交PCI-SIG(PCI特别兴趣小组,PCI-Special Interest Group)进行审核。
开始的时候大家都以为它会被命名为SerialPCI(受到串PCI行ATA的影响),但最后却被正式命名为PCI Express,Express意思是高速、特别快的意思。
PCI总线是一种不依附于某个具体处理器的局部总线。
pcie规范PCIe(Peripheral Component Interconnect Express)是一种高速串行总线规范,用于在计算机系统中连接各种外部设备和扩展卡。
PCIe是一种基于总线结构的互联技术,它提供了更高的带宽和更快的数据传输速度,以满足现代计算需求日益增长的需求。
本文将详细介绍PCIe规范,包括其历史、特点、工作原理以及应用领域。
PCIe的历史可以追溯到1992年,当时英特尔、IBM和康柏就开始开发PCI(Peripheral Component Interconnect)总线规范,用于取代传统的ISA和VLB总线。
PCI总线规范在1993年发布,迅速成为标准计算机接口,并在20世纪90年代普及开来。
然而,随着计算机性能的不断提升和多媒体、网络等应用的广泛应用,PCI总线的带宽和性能已经无法满足需求。
为了提供更高的带宽和更快的数据传输速度,PCI-SIG(PCI Special Interest Group)于2004年发布了PCI Express规范,即PCIe 1.0版本。
PCIe采用了全新的串行总线结构,以替代传统的并行总线。
相较于PCI总线,PCIe具有更高的数据传输速度、更低的延迟、更高的带宽和更好的可伸缩性。
PCIe的特点主要体现在以下几个方面:1. 高速传输:PCIe提供了多个版本,每个版本都有不同的数据传输速率。
当前最常见的PCIe 3.0版本,具有每条通道8 Gbps的传输速度,每条通道相当于一个全双工的高速通道。
2. 可伸缩性:PCIe采用点对点连接的拓扑结构,每个设备都有一个独立的通道,与其他设备无冲突。
这种可伸缩性使得PCIe可以支持大量的设备以及更复杂的系统架构。
3. 低延迟:由于PCIe采用了串行传输,相较于并行总线具有更低的延迟,能够更快地处理数据。
4. 热插拔支持:PCIe支持热插拔特性,即可以在计算机运行时插入或拔出设备,而不需要重启计算机。
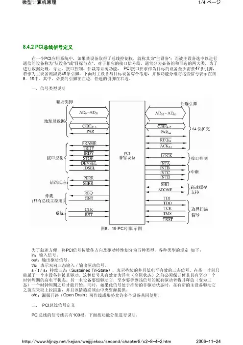
8.4.2 PCI总线信号定义在一个PCI应用系统中,如果某设备取得了总线控制权,就称其为"主设备";而被主设备选中以进行通信的设备称为"从设备"或"目标节点''。
对于相应的接口信号线,通常分为必备的和可选的两大类,为了进行数据处理、寻址、接口控制、仲裁等系统功能, PCI接口要求作为目标的设备至少需要47条引脚,若作为主设备则需要49条引脚。
下面对主设备与目标设备综合考虑,并按功能分组将这些信号表示在图8.19中。
其中,必要的引脚在左边,任选的引脚在右边。
一.信号类型说明图8.19 PCI引脚示图为了叙述方便,将PCI信号按数传方向及驱动特性划分为五种类型,各种类型的规定 如下:in:输入信号。
out:输出驱动信号。
t/s:表示双向三态输入/输出驱动信号。
s/t/s:持续三态(Sustained Tri-State),表示持续的并且低电平有效的三态信号。
在某一时刻只能属于一个主设备并被其驱动。
这种信号从有效变为浮空(高阻状态)之前必须保证使其具有至少一个时钟周期的高电平状态。
另一主设备要想驱动它,至少要等到该信号的原有驱动者将其释放(变为三态)一个时钟周期之后才能开始。
同时,如果此信号处于持续的非驱动状态时,在有新的主设备驱动它之前应采取上拉措施,并且该措施必须由中央资源提供。
o/d:漏极开路(Open Drain)可作线或形势允许多个设备共同使用,二. PCI总线信号定义PCI总线的信号线共有100根,下面按功能分组进行说明。
1.系统引线CLK in:时钟输入,为所有PCI上的接口传送提供时序。
其最高频率可达66MHz,最低频率一般为0(DC),这一频率也称为PCI的工作频率。
对于PCI的其他信号,除、、、之外,其余信号都在CLK的上升沿有效(或采样)。
in:复位,用来使PCI专用的特性寄存器和定时器相关的信号恢复规定的初始状况。
“微机系统原理与接口技术”第八章习题解答(部分)1. 什么叫总线和总线操作?为什么各种微型计算机系统中普遍采用总线结构?答:总线是模块与模块之间传送信息的一组公用信号线;而模块间信息传送时与总线有关的操作统称为总线操作;模块间完成一次完整信息交换的时间称为一个总线操作周期。
总线标准的建立使得各种符合标准的模块可以很方便地挂在总线上,使系统扩展和升级变得高效、简单、易行。
因此微型计算机系统中普遍采用总线结构。
2.微机总线有哪些种类?其数据传输的主要过程是什么?答:微机中目前普遍采用的总线标准包括系统内总线标准和系统外总线标准两类:系统内总线标准一般指微机主板插槽(系统扩展板)遵循的各种标准,如PC/XT总线标准、ISA 总线标准(PC/AT总线标准)、VL总线标准(VESA具备总线标准)、PCI局部总线标准等;系统外总线标准指系统互连时遵循的各种标准,多表现为微机对外的标准接口插头,有时也称为接口标准,如EIA RS-232异步串行接口标准、USB通用串行接口标准、IEEE-488通用并行接口标准等。
一个总线操作周期一般分为四个阶段,即:总线请求及仲裁阶段、寻址阶段、传数阶段和结束阶段。
在含有多个主控制器的微机系统中,这四个阶段都是必不可少的;而在仅含一个主控制器的单处理器系统中,则只需要寻址和传数两个阶段。
3.计算机系统与外部设备之间相互连接的总线称为系统外总线(通信总线);用于连接微型机系统内各插件板的总线称为系统内总线(板级总线);CPU内部连接各寄存器及运算部件之间的总线称为片内总线。
4.一次总线的信息传送过程大致可以分为4个阶段,依次为总线请求及仲裁阶段、寻址阶段、传数阶段和结束阶段。
8.同步总线有哪些优点和缺点?主要用在什么场合?答:同步并行总线时序是指总线上所有信号均以同步时钟为基准,所有接在总线上的设备的信息传输也严格与同步时钟同步。
同步并行总线的优点是简单、易实现;缺点是无法兼容总线上各种不同响应速度的设备,因为同步时钟的速度必须以最慢的响应设备为准,这样总线上的高速设备将无法发挥其高速性能。
总线的布线有什么特殊要求PCI总线的布线有什么特殊要求 作者:kyoman_hu 来自:中国PCB技术网论坛 时间:2004-12-27我们可以从下面的几点来分析一下PCI:1 首先,PCI系统是一个同步时序的体统,而且是Common clock方式进行的。
2 PCI的电平特点是依靠发射信号叠加达到预期的电平设计。
3 PCI系统一般是多负载的情况,一个PCI的桥片最多按照PCI的规范可以带6个负载(好像一般系统也不会操作5个)。
4 PCI的拓扑结构可以是菊花链等多种拓扑结构,选择什么样的拓扑结构需要根据系统的布局和仿真结果进行设计。
5 另外PCI的AD信号线是双向的,需要在布局和仿真的时候关注PCI的slave和Master 之间的关系。
指导了上面的几个问题我们可以根据PCI规范以及PCI的仿真结果大致得到下面的几个约束:1 PCI的各个时钟之间的Skew不要大于2ns。
2 PCI的flight time不要超过10ns(自己拿一个系统计算就知道为什么这样规定了),这个是针对33M PCI进行越是的,这个延时只的信号从一个设备传输到另一个设计后,经过反射回到最初的芯片的传输延时,包括,PCB走线延时,和因为驱动器buffer(包括拓扑)造成的信号畸变的延时。
3 PCI的阻抗设计需要根据实际的系统进行仿真决定,PCI规范的推荐值在50-110ohm之间。
4 需要考虑一些特殊的信号走线的延时,比如REQ#。
可以查一下规范我记着应该有特殊的要求。
5 PCI规范上面规定的2.5"和1.5"的大小那是为了规范各个不同的PCI厂家的规范进行的。
如果你在系统的板上面进行设计,只要计算的时序满足要求就可以了。
6 如果存在PCI的桥片,这些桥片一般都会通过PLL或者DLL的时钟调节PCI设计的setup 和hold时间,这些时钟的处理可以根据实际的芯片进行调整,一般的要求是延时和PCI CLk 的一样,记住这里的延时不仅仅是指PCB走线的延时。
PCIe是什么?PCIe标准和PCIe布线规则总结概述PCI-Express(peripheral component interconnect express)是一种高速串行计算机扩展总线标准,它原来的名称为“3GIO”,是由英特尔在2001年提出的,旨在替代旧的PCI,PCI-X和AGP总线标准。
PCIe属于高速串行点对点双通道高带宽传输,所连接的设备分配独享通道带宽,不共享总线带宽,主要支持主动电源管理,错误报告,端对端的可靠性传输,热插拔以及服务质量(QOS)等功能。
PCIe交由PCI-SIG(PCI特殊兴趣组织)认证发布后才改名为“PCI-Express”,简称“PCI-E”。
它的主要优势就是数据传输速率高,目前最高的16X 2.0版本可达到10GB/s,而且还有相当大的发展潜力。
PCI Express也有多种规格,从PCI Express 1X到PCI Express 32X,能满足将来一定时间内出现的低速设备和高速设备的需求。
PCI-Express最新的接口是PCIe 3.0接口,其比特率为8GB/s,约为上一代产品带宽的两倍,并且包含发射器和接收器均衡、PLL改善以及时钟数据恢复等一系列重要的新功能,用以改善数据传输和数据保护性能。
INTEL、IBM、LSI、OCZ、三星(计划中)、SanDisk、STEC、SuperTalent和东芝(计划中)等,而针对海量的数据增长使得用户对规模更大、可扩展性更强的系统所应用,PCIe 3.0技术的加入最新的LSI MegaRAID控制器及HBA产品的出色性能,就可以实现更大的系统设计灵活性。
当然,主流主板都能能支持PCI Express 1.0 16X,也有部分较高端的主板支持PCI Express 2.016X。
PCIe标准PCI Express卡适合其物理尺寸或更大的插槽(使用×16作为最大的),但可能不适合更小的PCI Express插槽;例如,×16卡可能不适合×4或×8插槽。
pci总线标准协议PCI总线标准协议。
PCI(Peripheral Component Interconnect)总线是一种用于连接外部设备和主板的总线标准,它是一种高速、并行的总线结构,可以支持多种设备的连接。
PCI总线标准协议是为了规范PCI总线的通信协议而制定的,它规定了PCI设备之间的通信方式、数据传输规范和电气特性等,对于PCI设备的互操作性和兼容性起到了重要的作用。
首先,PCI总线标准协议规定了PCI设备之间的通信方式。
PCI设备之间的通信是通过地址、数据和控制信号进行的,协议规定了这些信号的传输方式和时序要求,确保了设备之间的正常通信。
同时,协议还规定了总线仲裁、数据传输和中断请求等机制,保证了多个设备之间的协调工作。
其次,PCI总线标准协议规定了数据传输的规范。
在PCI总线上,数据传输是通过读写操作进行的,协议规定了数据传输的时序、速率和错误检测等要求,保证了数据的可靠传输。
此外,协议还规定了总线的带宽分配和数据缓冲机制,以提高数据传输的效率和可靠性。
另外,PCI总线标准协议还规定了PCI设备的电气特性。
由于PCI总线是一种并行总线,对于信号的电平和时序要求非常严格,协议规定了总线上信号的电气特性,包括电压、电流和信号波形等,以确保设备能够正常工作并且不会对其他设备造成干扰。
总的来说,PCI总线标准协议是对PCI总线通信协议的规范,它规定了PCI设备之间的通信方式、数据传输规范和电气特性等,保证了设备之间的互操作性和兼容性。
在实际应用中,遵循PCI总线标准协议可以有效地提高系统的稳定性和可靠性,同时也为设备的设计和开发提供了统一的标准,促进了整个行业的发展。
总的来说,PCI总线标准协议是一项非常重要的技术规范,它为PCI设备的设计、开发和应用提供了统一的标准,保证了设备之间的互操作性和兼容性。
在实际应用中,遵循PCI总线标准协议可以有效地提高系统的稳定性和可靠性,同时也为设备的设计和开发提供了统一的标准,促进了整个行业的发展。
PCI总线随着Windows图形用户界面的迅速发展,以及多媒体技术的广泛应用,要求系统具有高速图形处理和I/O吞吐能力。
为了适应计算机的这种发展要求,Intel公司首先提出了PCI( Peripheral ComponentInterconnect )总线概念。
之后Intel联合IBM、Compaq、AST、HP、 Apple、NCR、DEC 等100多家公司共同开发总线,并于1993年推出了PCI总线标准。
目前PCI已称为一种新的总线标准,广泛用于微机、工作站以及便携式计算机中。
1. PCI总线的特点PCI 总线主要有以下一些特点:(1)数据传输率高PCI的数据总线宽度为32位,并可扩充到64位。
它以33.3MHz或66.6MHz的时钟频率工作,若采用32位数据总线,数据传送速率可达133 MB/s;而采用64位宽度,则最高传输速率可达266 MB/s。
(2)支持猝发传输(Burst Transmission)通常的数据传输是先输出地址后进行数据操作,即使所要传输数据的地址是连续的,每次也要有输出和建立地址的阶段。
而PCI支持猝发数据传输周期,该周期在一个地址相位(phase)后可跟若干个数据相位。
这意味着传输从某一个地址开始后,可以连续对数据进行操作,而每次的操作数地址是自动加l形成的。
显然,这减少了无谓的地址操作,加快了传输速度。
这种传输方式对使用高性能图形设备尤为重要。
(3)支持多主设备在同一条PCI总线上可以有多个主设备,各个主设备通过总线仲裁竞争总线控制权。
相比之下,在ISA总线系统中,DMA控制器和CPU对总线的争用是不平等的,DMA控制器采用“周期窃取”法向 CPU申请总线,得到CPU允许后才能使用总线。
而PCI总线专门设有总线占用请求和总线占用允许信号,各个主设备平等竞争总线。
(4)独立于处理器传统的系统总线(如ISA总线 ) 实际上是CPU引脚信号的延伸或再驱动,而PCI总线以一种独特的中间缓冲器方式独立于处理器,并将CPU子系统与外围设备分开。
PCI即Peripheral Component Interconnect,中文意思是“外围器件互联”,是由PCISIG (PCI Special Interest Group)推出的一种局部并行总线标准。
在现在电子设备中应用非常广泛,下面我详细介绍下PCI总线的工作原理,希望对大家有所帮助。
♦PCI总线的过去现在和未来PCI总线是由ISA(Industy Standard Architecture)总线发展而来的,ISA并行总线有8位和16位两种模式,时钟频率为8MHz,总线带宽为:8bit*8MHz=64Mbps=8MB/s 或16bit*8MHz= 128Mbps =16MB/s。
在计算机出现初期的386/486时代,ISA总线的带宽已经算是很宽的了,满足CPU的需求可以说是绰绰有余了。
1987年,IBM公司推出32位MAC(MicroChannel Architecture)总线,总线带宽达到40MB/s,迫于IBM的压力,Compaq、AST、Epson、HP、Olivetti和NEL等9家公司联合于1988年9月推出EISA(Extended ISA)总线,EISA总线仍然保持ISA总线的8MHz时钟频率,但将总线位宽提高到32位,总线带宽为:32bit*8MHz=256Mbps = 32MB/s,并且与ISA总线完全兼容。
随着计算机技术的继续发展,CPU的处理速度越来越快,EISA总线的32MB/s 带宽已经满足不了CPU的需求,CPU外围总线带宽已经成为制约计算机处理能力继续提高的瓶颈。
1991年下半年,Intel公司首选提出PCI总线的概念,并与IBM、Compaq、AST、HP、DEC等100多家公司成立PCISIG组织,联合推出PCI总线。
PCI总线支持32位和64位两种位宽,时钟频率为33MHz,总线带宽:32bit*33MHz= 1056Mbps =132MB/s 或64bit*33MHz=2112Mbps=264MB/s。
总线标准有哪些总线标准是指在计算机系统中,不同设备之间进行数据传输的接口标准。
它规定了数据传输的格式、速率、传输方式等,是计算机系统中非常重要的一部分。
在现代计算机系统中,有许多不同的总线标准,每种标准都有其特定的应用场景和优势。
下面将介绍几种常见的总线标准。
首先,我们来介绍一下最常见的总线标准之一——PCI总线标准。
PCI (Peripheral Component Interconnect)总线是一种用于连接计算机内部外设的标准总线。
它具有高带宽、高速度的特点,适用于连接硬盘、显卡、网卡等高速数据传输设备。
PCI总线标准有多个版本,包括PCI、PCI-X和PCI Express,它们分别适用于不同的应用场景和需求。
另外一种常见的总线标准是USB(Universal Serial Bus)总线。
USB总线是一种用于连接外部设备的标准总线,它具有热插拔、即插即用的特点,适用于连接键盘、鼠标、打印机、摄像头等外部设备。
USB总线标准也有多个版本,包括USB 1.0、USB 2.0、USB 3.0和最新的USB 4.0,每个版本都在传输速率、功耗管理等方面进行了改进。
除了PCI和USB总线标准,还有一种常见的总线标准是SATA(Serial ATA)总线。
SATA总线是一种用于连接存储设备的标准总线,它适用于连接硬盘、固态硬盘等存储设备。
SATA总线标准也有多个版本,包括SATA 1.0、SATA 2.0、SATA 3.0等,每个版本都在传输速率、数据完整性等方面进行了改进。
此外,还有一种重要的总线标准是PCIe(Peripheral Component Interconnect Express)总线。
PCIe总线是一种用于连接高性能扩展卡的标准总线,它具有高带宽、低延迟的特点,适用于连接显卡、网卡、存储控制器等高性能扩展设备。
PCIe 总线标准也有多个版本,包括PCIe 1.0、PCIe 2.0、PCIe 3.0和PCIe 4.0,每个版本都在传输速率、数据完整性等方面进行了改进。
pci e总线标准PCI Express(Peripheral Component Interconnect Express)是一种计算机总线标准,用于连接外部设备到计算机。
它是一种高速串行通信接口,用于连接内部硬件设备,如图形卡、网络适配器和存储设备。
PCIe总线标准已经成为现代计算机系统中最常见的总线标准之一,其高速、可靠和灵活的特性使其成为了许多计算机硬件设备的首选接口。
PCIe总线标准最初由英特尔公司于2004年引入,并在随后的几年内不断发展和演进。
它取代了旧的PCI和AGP总线标准,为计算机系统提供了更高的带宽和更低的延迟。
PCIe总线标准采用了不同的版本,包括PCIe 1.0、PCIe 2.0、PCIe 3.0和PCIe 4.0,每个版本都提供了不同的数据传输速率和带宽。
PCIe总线标准的设计采用了一种点对点连接的架构,这意味着每个设备都直接连接到主板上的PCIe插槽,而不需要共享带宽或资源。
这种架构使得PCIe总线标准能够支持高性能的设备,并且在多设备同时工作时不会出现性能瓶颈。
PCIe总线标准还支持热插拔功能,这意味着用户可以在计算机运行的情况下插入或拔出PCIe设备,而不会影响系统的稳定性或性能。
这为用户提供了更大的灵活性和便利性,使他们能够随时升级或更换硬件设备。
除了传统的PCIe插槽,PCIe总线标准还引入了M.2接口,这是一种更小、更紧凑的接口,用于连接固态硬盘和无线网卡等设备。
M.2接口可以通过PCIe总线标准提供更高的带宽和更快的数据传输速率,使得这些设备能够更好地发挥性能。
总的来说,PCIe总线标准是一种高速、可靠和灵活的计算机总线标准,它已经成为了现代计算机系统中最常见的接口之一。
它的设计和特性使得它能够支持高性能的设备,并且为用户提供了更大的灵活性和便利性。
随着技术的不断发展,PCIe 总线标准将继续演进和改进,为计算机硬件设备的发展提供更好的支持和基础。
PCI局部总线规范——版本2.1目录一( 简要介绍二( 信号定义三( 总线操作四( 电器规范五( 机械规范六( 配置空间第一章简要介绍外围组件接口技术(Peripheral Component Interconnect PCI)是一种新型的高带宽、处理器无关的总线系统。
它既可以作为中间层的总线也可以作为周边总线系统使用。
与其他普通总线规范想对照,PCI 总线为高速I/O设备提供了更好的支持(比如图形适配器、网络接口控制器、磁盘控制器,等等)。
现行的标准允许在33Mhz下使用64根数据线,纯传输速率可达2.11Gbps。
但是PCI吸引人的地方不在于它的高速度,它适应了现代I/O设备对系统的要求,并且只需要很少的芯片就可以实现并支持其他总线系统。
PCI被设计为支持各种处理器环境,所以它提供了很多通用的功能,这些功能是构筑在同步时序和中央仲裁机制基础上的。
PCI局部总线是为了在高集成化外围控制设备,系统/存储器等之间提供一种交互的机制。
下图是一个典型的PCI局部总线系统的结构。
PCI局部总线有如下特点:高性能、低费用、易用性、耐用性、可靠性、灵活性、软件兼容性。
这些特点在后面可以看出。
第二章总线定义PCI能够作为32或64位总线使用。
它们可以按照功能不同化为以下几组: 1(系统引脚:包括时钟和重启引脚。
2(地址和数据引脚:包括32条传输地址和数据的引线,其余的引线是为了配合它而使用的。
3(接口控制引脚:用来保持master和target之间通信的一致性。
4(仲裁引脚:和其他的PCI信号线不同,这些不是共享的数据线。
每一个PCI master都有它自己的仲裁信号线来直接和ARBITOR相连接。
5(错误监测引脚:用于奇偶校验和其他错误的报告。
除此而外,PCI还提供了另外50条可选的信号线来支持中断、缓存、及64位扩展等功能。
对于只做target 设备的PCI设备而言,至少需要47个管脚;而对于用作master的设备而言,至少需要48个管脚。