粉体综合特性测试方法及其特点:
- 格式:docx
- 大小:307.17 KB
- 文档页数:5
粉体综合特性测试仪的特性介绍测试仪操作规程粉体综合特性测试仪是一种紧要用于评价粉体物理特性的仪器。
该仪器的测试项目包括粉体的振实密度、松装密度、安眠角、抹刀角、崩溃角、差角、分散度、凝集度、粉体综合特性测试仪是一种紧要用于评价粉体物理特性的仪器。
该仪器的测试项目包括粉体的振实密度、松装密度、安眠角、抹刀角、崩溃角、差角、分散度、凝集度、流动度等项目。
计算项目包括差角、空隙率压缩度(压缩率)、流动性指数、喷流性指数等项目。
1、差角:休止角与崩溃角之差称差角。
差角越大,粉体的流动性与喷流性越强2、压缩度:同一个试样的振实密度与松装密度之差与振实密度之比为压缩度。
压缩度也称为压缩率。
压缩度越小,粉体的流动性越好。
3、空隙率:空隙率是指粉体中的空隙占整个粉体体积的百分比。
空隙率因粉体的粒子形状、排列结构、粒径等因素的不同而变化。
颗粒为球形时,粉体空隙率为40%左右;颗粒为超细或不规定形状时,粉体空隙率为70—80%或更高。
粉体综合特性测试仪的特点是一机多用、操作简便、重复性好、测定条件简单更改、配套完整等。
它的研制成功为粉体特性测试的普遍开展供应了一个新的测试手段。
该仪器紧要用于粉体生产企业、大专院校、科研机构的材料科学讨论领域,在与粉体流动特性相关的生产领域也将有广泛的应用前景。
—专业分析仪器服务平台,试验室仪器设备交易网,仪器行业专业网络宣扬媒体。
相关热词:等离子清洗机,反应釜,旋转蒸发仪,高精度温湿度计,露点仪,高效液相色谱仪价格,霉菌试验箱,跌落试验台,离子色谱仪价格,噪声计,高压灭菌器,集菌仪,接地电阻测试仪型号,柱温箱,旋涡混合仪,电热套,场强仪万能材料试验机价格,洗瓶机,匀浆机,耐候试验箱,熔融指数仪,透射电子显微镜。
功能特点:只需将传感器插入样品中,打开电源开关.2—5秒钟测试值即显示在液晶显示器上2—5秒钟即可看到测试值;无来自仪器及耗材对人身健康的任何危害;无任何耗材的附加费用;低能耗;DC12V充电器;9V充电电池;PPm—100%大量程测试范围,可供选择;应用本仪器可广泛应用于化工石油、乳化液、水煤桨、制药、建材、食品加工、造纸等行业液体、浆体、悬浮物的浓度快速测试。
实验⼋粉体⼒学特性测定实验⼋粉体⼒学特性测定⼀、实验⽬的了解DSJ-3型电动四联等应变直剪仪与BT-1000型粉体综合特性测试仪的结构与⼯作原理,通过实验掌握粉体摩擦⾓与休⽌⾓的测定⽅法,并了解上述粉体特性在粉体输送与储存等单元操作中的意义。
⼆、实验装置DSJ-3型电动四联等应变直剪仪的结构如图1,可同时采⽤四个试样,分别在不同的垂直压⼒下施加⽔平剪切⼒进⾏剪切,求得粉体样破坏时的剪应⼒,然后根据库仑定律确定粉体的摩擦⾓。
图1 DJS-3型电动四联等应变直剪仪1⼿轮 2推动座 3 固定盒 4 滑动盒 5 量⼒环 6 测微表 7 加压装置8 量⼒环⽀架 9 杠杠 10 吊盘部件 11 传动装置 12 换档⼿柄DSJ-3型电动四联等应变直剪仪可分为推动、剪切、杠杆加荷、测⼒四部分。
推动部分1 910 283 4 6 5 7 1211的推动轴的⽔平推进速率分为2.4、0.8、0.1、0.02mm/min 四档;剪切盒分上盒和下盒,上盒剪切过程中固定不动,下盒可沿底部导轨移动,盒内物料⾯积为30cm 2,⾼2cm ,;杠杆⽐例为1:12;仪器附有砝码多块,其中1.275公⽄4块,2.55公⽄12块。
可使物料表⾯加上垂直应⼒数值为50、100、200、400KPa 等四级。
测⼒环置于剪切盒与后档之间,测量⽔平剪切⼒。
BT-1000型粉体综合特性测试仪是⼀种主要⽤于评价粉体流动特性的仪器,其测试项⽬包括休⽌⾓、动态休⽌⾓、平板⾓、分散度、松装密度及振实密度等参数,其结构如图2,本实验主要⽤于测试休⽌⾓及动态休⽌⾓。
图2 BT-1000型粉体综合特性测试仪正⾯图1 定时器开关2 照明灯开关3 出料⼝4 透明套筒管5 松、实密度6 休⽌⾓试样7 接料盘8 减振器9 电源开关 10 分散度料仓 11 ⾓度尺12 照明灯 13 分散度筒 14 振动电机开关 15 振动筛开关 16 定时器三、实验原理休⽌⾓(⽤符号?r 表⽰)是指物料的⾃由表⾯与⽔平⾯所形成的最⼤⾓度。
粉体细度检测方法汇总以及不同方法检测细度的优势和好处目前粉体加工中,超细粉体的需求量越来越大,超细粉体加工逐渐向纳米级发展,超细粉体的价格和普通的粉体价格有很大的差距,所以超细粉体行业将越来越供不应求超细粉体的加工生产中,粉体细度的检查就成为一项检测成品质量的关键,超细粉体中基本都是微米级的,更低的很难用物理方法检测,用到其他的方法,北京环亚天元机械技术有限公司专业厂家给大家介绍一下粉体细度检测方法汇总,供大家参考。
粉体检测方法有很多,有直接检测法,间接检测法。
直接检测法即为筛分法和显微镜法,间接检测是经过公示计算颗粒直径大小,即为沉积法。
不同检测方法使用原理不同,所得的参数也不同,同时粒度组成也有不同的表示方法。
北京环亚天元机械技术有限公司首先给大家介绍一下粉体检测的各种方法的优势和对比供大家选择参考。
将在以后逐一为大家介绍不同方法检测粉体细度的优势和好处。
分类测量方法基本原理测量范围(μm)特点筛分法丝网筛用一定大小的筛子,将被测试样分成两部分,留在筛上面的粒径较粗的不通过量(筛余量)和通过筛孔粒径较细的通过量(筛过量)。
37~4000 电铸筛5~12沉降法移液管法根据Stokes沉降原理,分散在沉降介质中的样品颗粒,其沉降速度是颗粒大小的函数,利用移液管测定出液体浓度变化,可计算出颗粒大小和粒度分布。
仪器便宜,方法简单,测定所需时间长,分析计算工作量大。
比重计法利用比重计在一定位置所示悬浊液比重随时间变化测定粒度分布1~10仪器便宜,方法简单,测定工作量大。
浊度法利用光透法或X射线透过法测定液体因浓度变化而引起的浊度变化,从而测定样品的粒度和粒度分布。
0.1~100自动测定,数据不需处理便可得到分布曲线,可用于在线粒度分析。
天平法通过测定已沉积下来的颗粒累积重量,测定样品的粒度和粒度分布。
0.1~150自动测定和自动记录,仪器较贵,测定小颗粒误差较大。
离心沉降法在离心力场中,颗粒沉降也服从Stokes定律,利用圆盘离心机使颗粒快速沉降并测出其浓度变化,从而得出料度大小和分布。
粉体综合特性测试方法及其特点:1.Jenike剪切法:分析和测试如下数据:莫尔应力圆、内摩擦角、主应力、剪切力、屈服轨迹、稳态流、流动函数、开放屈服强度(无侧限屈服强度)、内摩擦时间角、时效屈服轨迹、堆积密度、密度轨迹、壁摩擦角、附着力、壁剪切力、壁应力、壁轨迹、运动摩擦角、静态摩擦角、料仓设计的料斗半顶角、卸料口径、流与不流判定、流动因子、初始抗剪强度(内聚力)等.举例:2. 卡尔Carr指数法:1. 松装(自然堆积)密度bulk density2. 振实密度 tap density3. 安息角(休止角)Angel of repose4. 质量流速mass flow velocity5. 体积流速volume flow rate6. 崩溃角 Angle of collapse7. 平板角Flat Angle8. 空隙率Voidage9. 时间 time 10. 差角angle of difference11. 分散性dispersibility 12.流动指数(卡尔指数和豪斯纳比)Flow index13.压缩度 14.凝集度15.均齐度 16.筛分粒度3.旋转圆筒法,转鼓法即将粉体颗粒填充转鼓中让其缓慢转动,测定固定转速下每旋转一圈颗粒发生坍塌的次数,次数越大,流动性越好;反之越小,流动性越差。
此方法反映了颗粒流动的稳定性、临界转变及坍塌规模.和质量流率.满足欧洲药典要求.转鼓中颗粒表面因流速不同从上到下可分为 3个区域:即稀疏流动区、致密流动区和蠕变区;剪切率的变化对颗粒流动特征和运动状态具有决定性影响;颗粒在转鼓中的运动有一个显著特点,即可以大致分为流动表层和静止底层两个区域,将颗粒物质从静止状态发展到流动、再由流动通过堵塞转变为静止的全过程有机地统一起来。
通过调节转鼓的旋转速度,可获得颗粒的流动过程与流动状态.根据转鼓中颗粒流动层厚度或自由表面倾角,获得流动层的剪切速率,进而计算得到颗粒物质的流动性. 不同转速和转鼓直径下从中心到自由表面的致密流动区域内颗粒的剪切变形速率都具有线性变化特征,平均剪切率,反映颗粒流动的平均剪切变形能力,颗粒尺寸、形状、摩擦因数及流动状态等因素的影响。
粉体综合特性测试仪—卡尔指数
什么是卡尔指数,如何来测量呢?白山市玖久仪器仪表有限公司带您了解粉体综合特性测试仪中卡尔指数的测量与计算。
卡尔指数(美国ASTM D6393-99标准):
将测试室顶部的漏斗取下,将减震平台提升到第三档位,将溢料盘、松装密度量杯定位台、100ml不锈钢量杯依次放到减震平台上,如右图。
至少取120~150ml的待测样品,将振动筛安装好,打开振动筛开关,在振动筛上加料,使样品通过筛网、内置漏斗充满量杯密度容器后关闭振动筛。
当粉体充满密度容器后。
用刮板将多余的料刮出,并用毛刷将外面的粉扫除干净,用天平称量粉体的质量,如图7。
连续试验3次。
设3次的平均质量为M,用下式计算松装密度ρa:
ρ a = M / 100
由于粉体无论是处于静止状态还是流动状态,都是一种两相存在的体系。
颗粒本身的特性以及颗粒之间相互摩擦将会产生一些特殊流动特性,研究这些特性对粉体加工、输送、包装、存储等方面的工作具有重要意义。
该仪器的特点是一机多用、测定条件灵活多样、操作简便、重复性好、适合多种标准等。
该仪器的研制成功,为科研、工业生产等领域评价粉体综合特性测试工作的普遍开展提供了一个新的手段。
该仪器可直接测试项目包括粉体的振实密度、松装(堆积)密度、休止角、崩溃角、平板角、分散度等参数,通过上述测试数据的计算可得到差角、压缩度、空隙率、均齐度、凝集度等指标,还能通过上述参数查表得到流动性指数、喷流性指数等卡尔指数参数。
以上内容就是粉体综合特性测试仪中卡尔指数的测量与计算,如有疑问欢迎致电白山市玖久仪器仪表有限公司。
粉体综合特性测试仪-Jenike剪切分析方法的应用粉体具有固态、液态、气态等特性,是材料学中较复杂的综合性跨学科体系,复杂的特性决定了不同的测试和表征方法;目前常用的粉体物理特性测试方法有卡尔指数法和Jenike剪切分析方法,每种分析方法都具有自己的独特性,卡尔指数法更多来自于经验获取,比较适用于来料检测和QC工作;而Jenike剪切分析方法是较复杂的分析方法也是更倾向于从粉体的本质和内在性质分析,更适用于研发和料仓设计.卡尔指数法在行业中运用的比较多,更多来自于简单的操作和直观的数据评定;Jenike剪切分析方法更多的是科研人员必备工具,重点讲解Jenike剪切分析方法在实际粉体中的应用.一.工作原理装满一定质量粉体样品的剪切盒,通过剪切盖垂直负载到粉体上的压力,剪切盒旋转运动,此时粉体受到作用力与反作用力影响而相互摩擦.通过传感器获得数据.剪切单元的旋转速度及负载压力来分析粉体流动性能.二.应用工况Jenike剪切分析方法分析粉体剪切动态数据来描述流动行为表征,粉体工业在加工、存储、运输、料仓中常出现拱架/鼠孔结构、料仓设计等.1.物料与物料之间的相互运行,比如大颗粒在表面流动,而小颗粒被积压在内部;等颗粒物之间的相互作用,从而产生结块,搭桥,鼠孔等现象出现.2.在仓储和运输中物料与容器内壁面的摩擦运动.3.在料斗的设计中,排料口的大小、料斗壁的倾斜角以及粉料对料斗壁的压力,设计不合理的料斗会给生产造成很大的困难.4.工厂节假日、生产停电、设备故障检修导致管道中物料长时间堆积和积压,从而造成管道和料仓堵塞.这些影响粉体流动性的行为特征通过测量粉体内部强度、流动函数、摩擦函数、密度、时间函数等数据定量分析上述现象和状态.三.检测项目:预固结处理;瞬态剪切函数;时效剪切函数;壁摩擦函数;时效壁摩擦函数;松装密度函数;数据管理与分析;系统管理.四.数据分析和表达分析和测试如下数据:莫尔应力圆、内摩擦角、主应力、剪切力、屈服轨迹、稳态流、流动函数、开放屈服强度(无侧限屈服强度)、内摩擦时间角、时效屈服轨迹、堆积密度、密度轨迹、壁摩擦角、附着力、壁剪切力、壁应力、壁轨迹、运动摩擦角、静态摩擦角、料仓设计的料斗半顶角、卸料口径、流与不流判定、流动因子、初始抗剪强度(内聚力)等数据分析.五.技术指标整机示意图六.软件操作界面图。
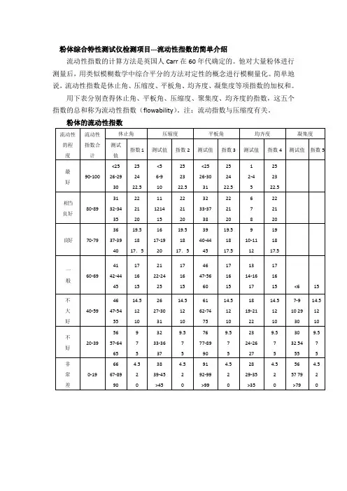
粉体综合特性测试仪检测项目---流动性指数的简单介绍流动性指数的计算方法是英国人Carr在60年代确定的。
他对大量粉体进行测量后,用类似模糊数学中综合平分的方法对定性的概念进行模糊量化。
简单地说,流动性指数是休止角、压缩度、平板角、均齐度、凝集度等项指数的加权和。
用下表分别查得休止角、平板角、压缩度、聚集度、均齐度的指数,这五个指数的总和称为流动性指数(flowability)。
注:流动指数与压缩度有关。
粉体的流动性指数流动性的程度流动性指数合计休止角压缩度平板角均齐度凝集度测试值指数1 测试值指数2 测试值指数3 测试值指数4 测试值指数5最好90-100<2526-2930252422.5<56-910252322.5<2526-3031252422.512-45252322.5相当良好80-893132-3435222120111214152221203233-3738222120678222120良好70-793637-394019.51817.51617-192019.51817.53940-444519.51817.5910-1112191817.5一般60-694142-44451716152122-24251716154647-56601716151314-1617171615 <6 15不大好40-594647-545514.512102627-303114.512106162-747514.512101819-212214.512107-910 293014.51210不好20-395657-64659753233-36379.5757677-89909.5752324-26279.5753032 54559.575非常差0-196667-89904.523839-45>454.529192-99>994.522829-35>354.525657 79>794.52。
粉体综合特性测试仪的特性介绍粉体综合特性测试仪是一种能够测试粉体力学和物化特性的仪器。
该仪器能够测试友好度、输送性、流动性、粉尘性、析出率等多种特性,是粉体工程领域必不可少的测试仪器。
1. 友好度测试友好度是指粉末或颗粒物质在不同状态下,对人体的刺激或损伤程度的评价。
友好度测试通过使用仪器的特制设备对粉末进行评估,并获得一个人为经验值。
这个经验值可以用于在粉末与人类接触时的安全性评估。
友好度测试中,仪器使用一个旋转桶,并加入一定量的粉末。
随后,旋转桶旋转数小时。
随着时间的推移,仪器会记录旋转的系数,并通过评估旋转系数来确定粉末的安全性评估。
2. 输送性测试输送性是指粉末或颗粒物质在输送管路中的行为特性。
输送性是粉体流动以及与结构表面的摩擦性、压缩性、粘附性、形状等形成的综合性质。
输送性测试中,仪器使用仿真人工管道系统,不同管道之间的特性都可以进行调整,以更准确地模拟真实环境中的输送过程。
该仪器还可以测定粉末在不同条件下的压缩性和残留量等特性。
3. 流动性测试流动性是指粉末或颗粒物质在流动过程中的特性。
流动性通常是粉体流动性和与结构表面的摩擦性、压缩性、粘附性等形成的综合性质。
流动性测试中,仪器使用夹层卸料斗,并将粉末加入到钢筒中,并给钢筒施加旋转和振动。
测量的参数包括流动角度、均匀率、最大流动角度等,以评估不同条件下的流动性。
4. 粉尘性测试粉尘性是指粉末或颗粒物质在生产过程中的飞扬情况和粉尘对人体健康的影响。
粉尘性测试通过测量粉末的飞散速度和粉尘的量来评估粉尘性。
粉尘性测试中,仪器使用分析滤纸法,测试产生的粉尘量。
此外,可以利用风洞对粉末的飞扬情况进行模拟。
5. 析出率测试析出率是指粉末或颗粒物质在溶解过程中析出的比例。
这种特性对于制定合理的生产工艺参数非常重要。
析出率测试中,仪器使用不同容量的反应器,测量非粘性溶出系统中的析出率。
仪器还可以测量溶出速率和溶解度。
总之,粉体综合特性测试仪是一种功能强大的测试仪器,可以评估粉末在不同条件下的特性,为粉体工程提供有用的参考。
粉体综合特性测试实验体会一、实验目的筛分法是最简单的也是用得最早和应用最广泛的粒度测定方法,利用筛分方法不仅可以测定粒度分布,而且通过绘制累积粒度特性曲线,还可得到累积产率50%时的平均粒度。
本实验用筛分法测粉体粒度分布,本实验的目的:1、了解筛析法测粉体粒度分布的原理和方法。
2、根据筛分析数据绘制粒度累积分布曲线和频率分布曲线。
二、实验原理1、测试方法概述筛析法是让粉体试样通过一系列不同筛孔的标准筛,将其分离成若干个粒级,分别称重,求得以质量百分数表示的粒度分布。
筛析法适用约100mm至20μm之间的粒度分布测量。
筛孔的大小习惯上用“目”表示,其含义是每英寸(25.4mm)长度上筛孔的数目,也有用1cm长度上的孔数或1cm2筛面上的孔数表示的,还有的直接用筛孔的尺寸来表示。
筛分法常使用标准套筛,筛析法有干法与湿法两种,测定粒度分布时,一般用干法筛分,若试样含水较多,颗粒凝聚性较强时则应当用湿法筛分(精度比干法筛分高),特别是颗粒较细的物料,若允许与水混合时,最好使用湿法。
因为湿法可避免很细的颗粒附着在筛孔上面堵塞筛孔。
另外,湿法可不受物料温度和大气湿度的影响,湿法还可以改善操作条件。
所以,湿法与干法均己被列为国家标准方法并列作用,作为测定水泥及生料的细度。
筛析结果往往采用频率分布和累积分布来表示颗粒的粒度分布。
频率分布表示各个粒径相对应的颗粒百分含量(微分型);累积分布表示小于(或大于)某粒径的颗粒占全部颗粒的百分含量与该粒径的关系(积分型)。
用表格或图形来直观表示颗粒粒径的频率分布和累积分布。
筛析法使用的设备简单,操作方便,但筛分结果受颗粒形状的影响较大,粒度分布的粒级较粗,测试下限超过38μm时,筛分时间长,也容易堵塞。
2、设备仪器工作原理;干筛法:置于筛中一定重量的粉料试样,借助于机械振动或手工拍打使细粉通过筛网,直至筛分完全后,根据筛余物重量和试样重量求出粉料试料的筛余量。
湿筛法:置于筛中一定重量的粉料试样,经适宜的分散水流(可带有一定的水压)冲洗一定时间后,筛分完全。
粉体综合特性测试仪校准方法粉体综合特性测试仪基本上能分析物料80%以上的表征特性,对粉末流动性评价意义重大,所以常被粉体企业认可为有效方法,通过分析松装密度,振实密度获得压缩度指数,休止角,刀抹角,崩溃角,流速等通过carr指数法来评定流动性;这种仪器因在市场上很难找到具有资质的第三方计量公司,故在校准仪器方法就变的很困难;特别是实验室操作人员,没有标准或者方法能标定仪器,则对测试结果的准确性就变的没有依据可查.fenti粉体特性综合测试仪(FT-2000B)校正方法和项目:1.休止角,刀抹角,崩溃角,采用三种标准角度块,通过仪器内部程序校准,在仪器使用前可以通过标准角度块确认仪器是否准确,一般有三种规格分别是30度,45度和60度,仪器准备测试样品前得校准了,和仪器多年使用后可以通过标准角度块来修正;2.流速,可以通过出厂时提供得标准金刚砂来校正流出时间,从而判定一致性.3.松装密度和振实密度通过标定得物质,在标定得测量条件下,是否一致性.1. 松装(自然堆积)密度bulk density2. 振实密度 tap density3. 安息角(休止角)Angel of repose4. 质量流速mass flow velocity5. 体积流速volume flow rate6. 崩溃角 Angle of collapse7. 平板角Flat Angle8. 空隙率Voidage9. 时间 time10. 差角angle of difference11. 分散性dispersibility12.流动指数(卡尔指数和豪斯纳比)Flow index13.压缩度14.凝集度15.均齐度16.筛分粒度粉体特性综合测试仪(FT-2000B)校准部件如下图所示。
粉体综合特性测试仪的测定项目及定义粉体综合特性测试仪的测定项目及定义玖久仪器带您来共同了解粉体综合特性测试仪测定与计算项目及定义,使您对GJ03-09粉体综合特性测试仪有更深的了解粉体综合特性测试仪测定与计算项目及定义:1.标准测定项目:1)振实密度:振实密度是指粉体装填在特定容器后,对容器进行振动,从而破坏粉体中的空隙,使粉体处于紧密填充状态后的密度。
通过测量振实密度可以知道粉体的流动性和空隙率等数据。
(注:金属粉等特殊粉体的振实密度按相应的标准执行)。
2)松装密度:松装密度是指粉体在特定容器中处于自然充满状态后的密度。
该指标对存储容器和包装袋的设计很重要。
(注:金属粉等特殊粉体的松装密度按相应的标准执行)。
3)休止角:粉体堆积层的自由表面在静平衡状态下,与水平面形成的最大角度叫做休止角。
它是通过特定方式使粉体自然下落到特定平台上形成的。
休止角对分体的流动性影响最大,休止角越小,粉体的流动性越好。
休止角也称安息角、自然坡度角等。
4)崩溃角:给测量休止角的堆积粉体以一定的冲击,使其表面崩溃后圆锥体的底角称为崩溃角。
5)平板角:将埋在粉体中的平板向上垂直提起,粉体在平板上的自由表面(斜面)和平板之间的夹角与受到震动后的夹角的平均值称为平板角。
在实际测量过程中,平板角是以平板提起后的角度和平板受到冲击后除掉不稳定粉体的角度的平均值来表示的。
平板角越小,粉体的流动性越强。
一般地,平板角大于休止角。
6)分散度:粉体在空气中分散的难易程度称为分散度。
测量方法是将10克试样从一定高度落下后,测量接料盘外试样占试样总量的百分数。
分散度与试样的分散性、漂浮性和飞溅性有关。
如果分散度超过50%,说明该样品具有很强的飞溅倾向。
2.标准计算项目:1)差角:休止角与崩溃角之差称为差角。
差角越大,粉体的流动性与喷流性越强。
2)压缩度:同一个试样的振实密度与松装密度之差与振实密度之比为压缩度。
压缩度也称为压缩率。
压缩度越小,粉体的流动性越好。
粉体综合特性测试、实验目的1、了解粉体基本特性。
2、掌握BT-1000 粉体综合特性测试仪的使用方法。
二、实验仪器设备BT-1000型离心沉降式粒度分布仪三、实验原理1)振实密度:振实密度是指粉体装填在特定容器后,对容器进行振动,从而破坏粉体中的空隙,使粉体处于紧密填充状态后的密度。
通过测量振实密度可以知道粉体的流动性和空隙率等数据。
(注:金属粉等特殊粉体的振实密度按相应的标准执行)。
2)松装密度:松装密度是指粉体在特定容器中处于自然充满状态后的密度。
该指标对存储容器和包装袋的设计很重要。
(注:金属粉等特殊粉体的松装密度按相应的标准执行)。
3)休止角:粉体堆积层的自由表面在静平衡状态下,与水平面形成的最大角度叫做休止角。
它是通过特定方式使粉体自然下落到特定平台上形成的。
休止角对分体的流动性影响最大,休止角越小,粉体的流动性越好。
休止角也称休止角、自然坡度角等。
4)崩溃角:给测量休止角的堆积粉体以一定的冲击,使其表面崩溃后圆锥体的底角称为崩溃角。
5)平板角:将埋在粉体中的平板向上垂直提起,粉体在平板上的自由表面(斜面)和平板之间的夹角与受到震动后的夹角的平均值称为平板角。
在实际测量过程中,平板角是以平板提起后的角度和平板受到冲击后除掉不稳定粉体的角度的平均值来表示的。
平板角越小,粉体的流动性越强。
一般地,平板角大于休止角。
6)分散度:粉体在空气中分散的难易程度称为分散度。
测量方法是将10 克试样从一定高度落下后,测量接料盘外试样占试样总量的百分数。
分散度与试样的分散性、漂浮性和飞溅性有关。
如果分散度超过50%,说明该样品具有很强的飞溅倾向。
BT-1000 型粉体特性测试仪测试项目包括粉体的振实密度、松装密度、休止角、平板角、崩溃角、差角、分散度、凝集度、流动度等项目。
它的特点是机多用、操作简便、重复性好、测定条件容易改变、配套完整等。
1、振实密度测试过程示意图2、松装密度测试过程示意图3、休止角测试过程示意图实际堆积形国暮休止宦的理梅状再与实际状憲示童图四、实验步骤1、测定内容1、1休止角、崩溃角的测定打开仪器门,放好减振器及专用盘,再将休止角、崩溃角式样台放到专用接料盘中,装好出料口套筒,然后将1mm的筛子固定再振动架上,打开筛盖。
粉体综合特性测试仪中振实密度的设定依据标准及测定方法振实密度是涉及到粉末特性的很多工厂高校及其科研单位所必测的项目之一。
粉体密度是指单位体积的粉体所对应的质量。
由于粉体中颗粒与颗粒之间或颗粒内部存在空隙(或孔隙),其粉体的密度通常小于所对应物质的真密度。
粉体密度按其测试方式的不同可以分为松装密度(又称堆积密度)和振实密度。
松装密度是指粉体试样以松散状态,均匀、连续的充满已知容积的量杯,称出量杯和粉体试样的质量,便可算出粉体试样的松装密度。
振实密度:振实密度是指粉体装填在特定容器后,在一定条件下对容器进行振动,从而破坏粉体中的空隙,使粉体处于紧密填充状态后的密度,一般情况下粉体的振实密度小于粉体中单颗颗粒的真密度。
GJ03-09型粉体综合特性测试仪提供了美国ASTM D6393-99标准(卡尔指数)中规定的振实密度测定方法和国家标准(金属粉末振实密度的测定)GB/T 5162-2006/ ISO 3953:1993中规定的振实密度测定方法。
并参照美国药典针对非金属粉末,粉体密度测试仪扩展了部分功能,如:“振动幅度”由国标中规定的3mm扩展到1mm~15mm整数可调;“振动频率”由国标中规定得100~300次/分钟可调,扩展到0~300次/分钟可调。
“振动次数”由国标中规定3000次扩展到0~99999次任意设定(注:当设定为0次时结果输出为“松装密度”)。
操作流程具体如下:A、设定振幅:本仪器振动组件的最大振幅为15mm,仪器出厂时振幅已调整为3mm。
国标GB/T 5162-2006/ ISO 3953:1993(金属粉末振实密度的测定)中规定振幅为3mm,美国药典规定振幅为14mm。
您可以依据需要将附件中的1mm、2mm或5mm启振垫适量加入到振实组件顶针与直线轴承间既可(如右图)。
振幅 = 启振垫总高度B、振动组件的安装:GJ03-09型粉体综合特性测试仪配备了25ml、50 ml、100 ml三种不同规格的量筒(见附件)。
粉体综合特性测试一、实验目的1、了解粉体基本特性。
2、掌握BT-1000粉体综合特性测试仪的使用方法。
二、实验仪器设备BT-1000型离心沉降式粒度分布仪三、实验原理1)振实密度:振实密度是指粉体装填在特定容器后,对容器进行振动,从而破坏粉体中的空隙,使粉体处于紧密填充状态后的密度。
通过测量振实密度可以知道粉体的流动性和空隙率等数据。
(注:金属粉等特殊粉体的振实密度按相应的标准执行)。
2)松装密度:松装密度是指粉体在特定容器中处于自然充满状态后的密度。
该指标对存储容器和包装袋的设计很重要。
(注:金属粉等特殊粉体的松装密度按相应的标准执行)。
3)休止角:粉体堆积层的自由表面在静平衡状态下,与水平面形成的最大角度叫做休止角。
它是通过特定方式使粉体自然下落到特定平台上形成的。
休止角对分体的流动性影响最大,休止角越小,粉体的流动性越好。
休止角也称休止角、自然坡度角等。
4)崩溃角:给测量休止角的堆积粉体以一定的冲击,使其表面崩溃后圆锥体的底角称为崩溃角。
5)平板角:将埋在粉体中的平板向上垂直提起,粉体在平板上的自由表面(斜面)和平板之间的夹角与受到震动后的夹角的平均值称为平板角。
在实际测量过程中,平板角是以平板提起后的角度和平板受到冲击后除掉不稳定粉体的角度的平均值来表示的。
平板角越小,粉体的流动性越强。
一般地,平板角大于休止角。
6)分散度:粉体在空气中分散的难易程度称为分散度。
测量方法是将10克试样从一定高度落下后,测量接料盘外试样占试样总量的百分数。
分散度与试样的分散性、漂浮性和飞溅性有关。
如果分散度超过50%,说明该样品具有很强的飞溅倾向。
BT-1000型粉体特性测试仪测试项目包括粉体的振实密度、松装密度、休止角、平板角、崩溃角、差角、分散度、凝集度、流动度等项目。
它的特点是一机多用、操作简便、重复性好、测定条件容易改变、配套完整等。
1、振实密度测试过程示意图2、松装密度测试过程示意图3、休止角测试过程示意图四、实验步骤1、测定内容1、1休止角、崩溃角的测定打开仪器门,放好减振器及专用盘,再将休止角、崩溃角式样台放到专用接料盘中,装好出料口套筒,然后将1mm的筛子固定再振动架上,打开筛盖。
粉体综合特性测试方法及其特点:
1.Jenike剪切法:
分析和测试如下数据:莫尔应力圆、内摩擦角、主应力、剪切力、屈服轨迹、稳态流、流动函数、开放屈服强度(无侧限屈服强度)、内摩擦时间角、时效屈服轨迹、堆积密度、密度轨迹、壁摩擦角、附着力、壁剪切力、壁应力、壁轨迹、运动摩擦角、静态摩擦角、料仓设计的料斗
半顶角、卸料口径、流与不流判定、流动因子、初始抗剪强度(内聚力)等.
举例:
2. 卡尔Carr指数法:
1. 松装(自然堆积)密度bulk density
2. 振实密度 tap density
3. 安息角(休止角)Angel of repose
4. 质量流速mass flow velocity
5. 体积流速volume flow rate
6. 崩溃角 Angle of collapse
7. 平板角Flat Angle
8. 空隙率Voidage
9. 时间 time 10. 差角angle of difference
11. 分散性dispersibility 12.流动指数(卡尔指数和豪斯纳比)Flow index
13.压缩度 14.凝集度
15.均齐度 16.筛分粒度
3.旋转圆筒法,
转鼓法即将粉体颗粒填充转鼓中让其缓慢转动,测定固定转速下每旋转一圈颗粒发生坍塌的次数,次数越大,流动性越好;反之越小,流动性越差。
此方法反映了颗粒流动的稳定性、临界转变及坍塌规模.和质量流率.满足欧洲药典要求.
转鼓中颗粒表面因流速不同从上到下可分为 3个区域:即稀疏流动区、致密流动区和蠕变区;剪切率的变化对颗粒流动特征和运动状态具有决定性影响;颗粒在转鼓中的运动有一个显著特点,即可以大致分为流动表层和静止底层两个区域,将颗粒物质从静止状态发展到流动、再由
流动通过堵塞转变为静止的全过程有机地统一起来。
通过调节转鼓的旋转速度,可获得颗粒的流动过程与流动状态.
根据转鼓中颗粒流动层厚度或自由表面倾角,获得流动层的剪切速率,进而计算得到颗粒物质的流动性. 不同转速和转鼓直径下从中心到自由表面的致密流动区域内颗粒的剪切变形速率都具有线性变化特征,平均剪切率,反映颗粒流动的平均剪切变形能力,颗粒尺寸、形状、摩擦因数及流动状态等因素的影响。
举例:FT-7100粉体流动测试仪(转鼓法)
FT-710 Powder flow tester (Drum method)
4.单轴压缩法,
直接分析侧向屈服强度从而获得流动函数来评定。