传感器原理与应用习题_第5章磁电式传感器
- 格式:doc
- 大小:149.50 KB
- 文档页数:5
成都理工大学《传感器原理与应用》试题5一、填空:(20分)1.通常传感器由_______________________________部分组成,是能把外界各种_____________转换成_____________器件和装置。
2.热电偶所产生的热电势是由_____________电势和_____________电势组成的,其表达式为Eab(T,To)=_____________。
在热电偶温度补偿中,补偿导线法(即冷端延长线法)是在_____________和之间,接入它的作用是_____________。
3.光电传感器的工作原理是基于物质的光电效应,目前所利用的光电效应大致有三大类:第一类是利用在光线作用下_____________效应,这类器件有_____________等;第二类是利用在光线作用下效应,这类器件有_____________等;第三类是利用在光线作下效应,这类器件有_____________。
4.压磁式传感器的工作原理是:某些铁磁物质在外界机械力作用下,其内部产生机械应力,从而引起_____________,这种现象称为_____________。
相反,某些铁磁物质在外界磁场的作用下会产生_____________,这种现象称为_____________。
5.磁电式传感器是利用_____________产生感应电势的。
而霍尔式传感器为_____________在磁场中有电磁效应(霍尔效应)而输出电势的。
霍尔式传感器可用来测量_____________,_____________,_____________,_____________。
6.测量过程中存在着测量误差。
绝对误差是指_____________其表达式为_____________;相对误差是指其表达式为_____________;引用误差是指_____________其表达式为_____________7.光栅传感器中莫尔条纹的一个重要特性是具有位移放大作用。
《第一章传感器的一般特性》11)该测速发电机的灵敏度.2)该测速发电机的线性度.2.已知一热电偶的时间常数τ=10s,若用它来测量一台炉子的温度,炉内温度在540οC和500οC 之间按近似正弦曲线波动,周期为80s,静态灵敏度k=1,试求该热电偶输出的最大值和最小值,以与输入与输出信号之间的相位差和滞后时间.3.用一只时间常数为0.355s 的一阶传感器去测量周期分别为1s、2s和3s的正弦信号,问幅值误差为多少?4.若用一阶传感器作100Hz正弦信号的测试,如幅值误差要求限制在5%以内,则时间常数应取多少?若在该时间常数下,同一传感器作50Hz正弦信号的测试,这时的幅值误差和相角有多大?5.已知某二阶系统传感器的固有频率f0=10kHz,阻尼比ξ=0.1,若要求传感器的输出幅值误差小于3%,试确定该传感器的工作频率范围.6.某压力传感器属于二阶系统,其固有频率为1000Hz,阻尼比为临界值的50%,当500Hz的简谐压力输入后,试求其幅值误差和相位滞后.《第二章应变式传感器》1.假设某电阻应变计在输入应变为5000με时电阻变化为1%,试确定该应变计的灵敏系数.又若在使用该应变计的过程中,采用的灵敏系数为 1.9,试确定由此而产生的测量误差的正负和大小.2.如下图所示的系统中:①当F=0和热源移开时,R l=R2=R3=R4,与U0=0;②各应变片的灵敏系数皆为+2.0,且其电阻温度系数为正值;③梁的弹性模量随温度增加而减小;④应变片的热膨胀系数比梁的大;⑤假定应变片的温度和紧接在它下面的梁的温度一样.在时间t=0时,在梁的自由端加上一向上的力,然后维持不变,在振荡消失之后,在一稍后的时间t1打开辐射源,然后就一直开着,试简要绘出U0和t的关系曲线的一般形状,并通过仔细推理说明你给出这种曲线形状的理由.3.一材料为钢的实心圆柱形试件,直径d=10 mm,材料的弹性模量E=2 ×1011N/m2,泊松比μ=0.285,试件上贴有一片金属电阻应变片,其主轴线与试件加工方向垂直,如图1所示,若已知应变片的轴向灵敏度k x =2,横向灵敏度C=4%,当试件受到压缩力F=3×104N作用时.应变片的电阻相对变化ΔR/R为多少.4.在材料为钢的实心圆柱形试件上,沿轴线和圆周方向各粘贴一片电阻120 Ω的金属电阻应变片,如图2所示,把这两片应变片接入差动电桥,已知钢的泊松比μ=0.285,应变片的灵敏系数k0=2,电桥电源电压U sr=6V〔d.C.〕,当试件受轴向拉伸时,测得应变片R1的电阻变化值ΔR1=0.48 Ω,试求电桥的输出电压.图1 图25.一台采用等强度梁的电子秤,在梁的上下两面各贴有二片电阻应变片,做成秤重传感器,如下图所示.已知l=100 mm,b=11 mm,t=3 mm,E=2.1×104N/mm2,k0=2,接入直流四臂差动电桥,供桥电压6 V,当秤重0.5 kg时,电桥的输出电压U sc为多大.6.今在〔110〕晶面的〈001〉〈110〉晶面上各放置一电阻条,如下图所示,试求:l〕在0.1MPa 压力作用下电阻条的σr和σt各为何值?2〕此两电阻条为P型电阻条时ΔR/R=?3〕若为N型电阻条时其ΔR/R?4〕若将这两电阻条改为安置在距膜中心为4.l 7mm处,电阻条上的平均应力σr和σt各为多少?7.现有基长为10 mm与20 mm的两种丝式应变片,欲测钢构件频率为10kHz的动态应力,若要求应变波幅测量的相对误差小于0.5%,试问应选用哪一种?为什么?8.已知一测力传感器的电阻应变片的阻值R=120Ω,灵敏度系数k0= 2,若将它接入第一类对称电桥,电桥的供电电压U sr=10V〔d.c.〕,要求电桥的非线性误差e f<0.5%,试求应变片的最大应变εmax应小于多少,并求最大应变时电桥的输出电压.9.一个量程为10kN的应变式测力传感器,其弹性元件为薄壁圆筒轴向受力,外径20mm,内径18mm,在其表面粘贴八各应变片,四个沿周向粘贴,应变片的电阻值均为120Ω,灵敏度为2.0,波松比为0.3,材料弹性模量E=2.1×1011Pa.要求:1>绘出弹性元件贴片位置与全桥电路;2>计算传感器在满量程时,各应变片电阻变化;3>当桥路的供电电压为10V时,计算传感器的输出电压.10.如图所示电路是电阻应变仪中所用的不平衡电桥的简化电路,图中R2=R3=R是固定电阻,R1与R4是电阻应变片,工作时R1受拉,R4受压,ΔR表示应变片发生应变后,电阻值的变化量.当应变片不受力,无应变时ΔR=0,桥路处于平衡状态,当应变片受力发生应变时,桥路失去了平衡,这时,就用桥路输出电压U cd表示应变片应变后的电阻值的变化量.试证明: U cd=-<E/2><ΔR/R>《第三章电容式传感器》1.试计算带有固定圆周膜片电容压力传感器的灵敏度〔ΔC/C〕/p,如下图.已知在半径r处的偏移量y可用下式表示:式中P——压力;a——圆膜片半径;t——膜片厚度;μ——膜片材料的泊松比.2.在压力比指示系统中采用的电容传感元件与其电桥测量线路如图所示.已知:δ0=0.25mm,D=38.2mm,R=5.1kΩ,U=60V〔A.C〕,f=400Hz.试求.1)该电容传感器的电压灵敏度〔单位为V/m〕k u?2)当电容传感器活动极板位移Δδ=10μm时,输出电压U0的值.3.如图所示为油量表中的电容传感器简图,其中1、2为电容传感元件的同心圆筒〔电极〕:3为箱体.已知:R1=15mm,R2=12mm;油箱高度H=2m,汽油的介电常数εr=2.1.求:同心圆套筒电容传感器在空箱和注满汽油时的电容量.4.一只电容位移传感器如图所示,由四块置于空气中的平行平板组成.板A,C和D是固定极板.板B是活动极板,其厚度为t,它与固定极板的间距为d.B,C和D极板的长度均为b,A板的长度为2 b,各板宽度为l,忽略板C和D的间隙与各板的边缘效应,试推导活动极板B从中间位置移动x=±b/2时电容C AC和C AD的表达式〔x=0时为对称位置〕.5.试推导下图所示变电介质电容式位移传感器的特性方程C=f<x>.设真空的介电系数为ε0,ε2>ε1,以与极板宽度为W.其他参数如图所示.《第四章电感式传感器》1.一个铁氧体环形磁心,平均长度为12cm,截面积为1.5cm2,平均相对磁导率μr=2 000,求:1〕均匀绕线5 00匝时的电感;2> 匝数增加1倍时的电感.2.有一只螺管形差动式电感传感器,已知电源电压U=4V,f=400HZ,传感器线圈铜电阻和电感量分别为R=40Ω,L=30mH,用两只匹配电阻设计成4臂等阻抗电桥,如图1所示,试求:1〕匹配电阻R1和R2的值为多大才能使电压灵敏度达到最大;2>当ΔZ=10Ω时,分别接成单臂和差动电桥后的输出电压值;3>用矢量图表明输出电压U0与电源电压U之间的相位差;4〕假设该传感器的两个线圈铜电阻不相等R4≠R3,在机械零位时便存在零位电压,用矢量图分析能否用调整衔铁位置的方法使U0=0.图1 图2a图2 b3.试计算图2a所示差动变压器式传感器接入桥式电路〔顺接法〕时的空载输出电压U0,一、二次侧线圈间的互感为M1、M2,两个二次侧线圈完全相同.又若同一差动变压器式传感器接成图2b所示反串电路〔对接法〕,问两种方法哪一种灵敏度高,高几倍?提示:①将图a所示的二次侧绕组边电路图简化如图2c所示等效电路〔根据已知条件Z1=Z2;②求出图b 空载输出电压与图a计算的结果进行比较.〕图2 c图34.试推导图3所示差动型电感传感器电桥的输出特性U0=f〔ΔL〕,已知电源角频率为ω,Z1、Z2为传感器两线圈的阻抗,零位时Z1=Z2= r+jωL,若以变间隙式传感器接入该电桥,求灵敏度表达式k=U0/Δδ多大〔本题用有效值表示〕.5.图4中两种零点残余电压的补偿方法对吗?为什么?图中R为补偿电阻.图46.某线性差动变压器式传感器采用的频率为100HZ、峰一峰值为6V的电源激励,假设衔铁的输入运动是频率为10Hz的正弦运动,它的位移幅值为±3mm,已知传感器的灵敏度为2V/mm,试画出激励电压、输入位移和输出电压的波形.7.使用电涡流式传感器测量位移或振幅时对被测物体要考虑哪些因素,为什么?《第五章压电式传感器》1.分析压电式加速度传感器的频率响应特性.又若测量电路的总电容C=1000PF,总电阻R=500 MΩ,传感器机械系统固有频率f0=30 kHz,相对阻尼系数ξ=0.5,求幅值误差在2%以内的使用频率范围.2.用石英晶体加速度计与电荷放大器测量机器的振动,已知:加速度计灵敏度为5 pC/g,电荷放大器灵敏度为50 mV/pC,当机器达到最大加速度值时相应的输出电压幅值等于2 V,试计算该机器的振动加速度.3.在某电荷放大器的说明书中有如下技术指标:输出电压为±10V,输入电阻大于1014Ω,输出电阻为0.1kΩ,频率响应:0~150kHz,噪声电压〔有效值〕最大为2mV〔指输入信号为零时所出现的输出信号值〕,非线性误差:0.l%,温度漂移:±0.lmV/ºC.l〕如果用内阻为10 kΩ的电压表测量电荷放大器的输出电压,试求由于负载效应而减少的电压值.2〕假设用一输入电阻为2MΩ的示波器并接在电荷放大器的输入端,以便观察输入信号波形,此时对电荷放大器有何影响?3〕噪声电压在什么时候会成为问题?4〕试求当环境温度变化十15o C时,电荷放大器输出电压的变化值,该值对测量结果有否影响?5〕当输入信号频率为180kHZ时,该电荷放大器是否适用?4.试用直角坐标系画出AT型,GT型,DT型,X-30º的晶体切型的方位图.5.压电传感元件的电容为1000PF,k q=2.5C/cm,连接电缆电容C c=300 pF,示波器的输入阻抗为1MΩ和并联电容为50pF,试求:1〕压电元件的电压灵敏度多大?2>测量系统的高频响应<V/cm〕.3>如系统测量的幅值误差为5%,最低频率是多少?4〕如f j=10HZ,允许误差为5 %,用并联连接方式,电容量C值是多大?6.石英晶体压电传感元件,面积为1cm2,厚度为0.lcm,固定在两个金属板之间,用来测量通过晶体两面力的变化.材料的杨氏模量为9×1010Pa,电荷灵敏度为2pC/N,相对介质常数为5,lcm2材料相对两面间电阻为1014Ω.一个20pF的电容和一个100MΩ的电阻与极板并联.如果所加力是F=0.01sin〔103t〕N.求:1〕两个极板间电压峰一峰值;2〕晶体厚度的最大变化.<0.758mv,1.516mv;1.1×10-10cm>7.已知电压前置放大器的输入电阻为100 MΩ,测量回路的总电容为100pF,试求用压电式加速度计相配测量1Hz低频振动时产生的幅值误差.<94%>8.用压电式传感器测量最低频率为1Hz 的振动,要在1Hz 时灵敏度下降不超过5%,若测量回路的总电容为500pF,求所用电压前置放大器的输入电阻为多大?9.已知压电式加速度传感器的阻尼比是ξ=0.1,其无阻尼固有频率f=32kHz,若要求传感器的输出幅值误差在5%以内,试确定传感器的最高响应频率.10.有一压电式加速度计,供它专用的电缆长度为1.2m,电缆电容为100pF,压电片本身的电容为1000pF,据此出厂时标定的电压灵敏度为100mV/g.若使用中改为另一根电缆,其电容为300pF,长为2.9m,问其电压灵敏度作如何改变.<60mv/g>《第六章数字式传感器》1.数字式传感器的特点?根据工作原理数字式传感器可分为那几类?2.光栅传感器的基本原理?莫尔条纹如何形成?有何特点?3.分析光栅传感器具有较高测量精度的原因.《第七章固态传感器》1.霍尔元件能够测量哪些物理参数?霍尔元件的不等位电势的概念是什么?温度补偿的方法有哪几种?2.简述霍尔效应与构成以与霍尔传感器可能的应用场合.3.光电效应可分为几类?说明其原理并指出相应的光电元件.4.试拟定用光敏二极管控制,用交流电源供电照明的明通与暗通直流继电器电路原理图,并说明之.《第八章光纤传感器》1.说明光纤的组成并分析其传光原理,指出光纤传光的必要条件?2.光纤损耗是如何产生的?它对光纤传感器有哪些影响?。
电感式传感器习题及解答第5章电感式传感器一、单项选择题1、电感式传感器的常用测量电路不包括。
A. 交流电桥B. 变压器式交流电桥C. 脉冲宽度调制电路D. 谐振式测量电路2、电感式传感器采用变压器式交流电桥测量电路时,下列说法不正确的是。
A. 衔铁上、下移动时,输出电压相位相反B. 衔铁上、下移动时,输出电压随衔铁的位移而变化C. 根据输出的指示可以判断位移的方向D. 当衔铁位于中间位置时,电桥处于平衡状态 3、下列说法正确的是。
A. 差动整流电路可以消除零点残余电压,但不能判断衔铁的位置。
B. 差动整流电路可以判断衔铁的位置,但不能判断运动的方向。
C. 相敏检波电路可以判断位移的大小,但不能判断位移的方向。
D. 相敏检波电路可以判断位移的大小,也可以判断位移的方向。
4、对于差动变压器,采用交流电压表测量输出电压时,下列说法正确的是。
A.直流电桥 B.变压器式交流电桥 C.差动相敏检波电路D.运算放大电路 6、通常用差动变压器传感器测量。
A.位移B.振动C.加速度D.厚度 7、差动螺线管式电感传感器配用的测量电路有( )。
A.直流电桥 B.变压器式交流电桥 C.差动相敏检波电路D.运算放大电路二、多项选择题1、自感型传感器的两线圈接于电桥的相邻桥臂时,其输出灵敏度。
A. 提高很多倍B. 提高一倍C. 降低一倍D. 降低许多倍 2、电感式传感器可以对等物理量进行测量。
)A位移B振动C压力D流量E比重 3、零点残余电压产生的原因是A传感器的两次级绕组的电气参数不同 B传感器的两次级绕组的几何尺寸不对称 C磁性材料磁化曲线的非线性 D 环境温度的升高4、下列哪些是电感式传感器?A.差动式 B.变压式 C.压磁式 D.感应同步器三、填空题1、电感式传感器是建立在为或基础上的,电感式传感器可以把输入的物理量转换的变化,并通过测量电路进一步转换为电量的变化,进而实现对非电量的测量。
2、对变隙式差动变压器,当衔铁上移时,变压器的输出电压与输入电压的关系是。
第5章 磁电式传感器习题集与部分参考答案5-1 阐明磁电式振动速度传感器的工作原理,并说明引起其输出特性非线性的原因。
5-2 试述相对式磁电测振传感器的工作原理和工作频率范围。
5-3 试分析绝对式磁电测振传感器的工作频率范围。
如果要扩展其测量频率范围的下限应采取什么措施;若要提高其上限又可采取什么措施?5-4 对永久磁铁为什么要进行交流稳磁处理?说明其原理。
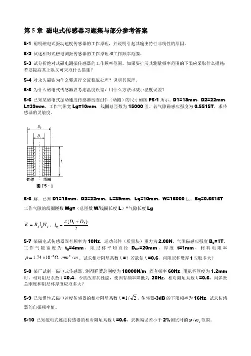
5-5 为什么磁电式传感器要考虑温度误差?用什么方法可减小温度误差?5-6 已知某磁电式振动速度传感器线圈组件(动圈)的尺寸如图P5-1所示:D1=18mm ,D2=22mm ,L=39mm ,工作气隙宽Lg=10mm ,线圈总匝数为15000匝。
若气隙磁感应强度为0.5515T ,求传感器的灵敏度。
5-6 解:已知D1=18mm ,D2=22mm ,L=39mm ,Lg=10mm ,W=15000匝,Bg=0.5515T 工作气隙的线圈匝数Wg=(总匝数W/线圈长度L )*气隙长度Lgg g W l B K 0=,2)(210D D l +=π5-7 某磁电式传感器固有频率为10Hz ,运动部件(质量块)重力为2.08N ,气隙磁感应强度B g =1T ,工作气隙宽度为t g =4mm ,阻尼杯平均直径D CP =20mm ,厚度t=1mm ,材料电阻率m mm /1074.128⋅Ω⨯=-ρ。
试求相对阻尼系数ξ=?若欲使ξ=0.6,问阻尼杯璧厚t 应取多大? 5-8 某厂试制一磁电式传感器,测得弹簧总刚度为18000N/m ,固有频率60Hz ,阻尼杯厚度为1.2mm 时,相对阻尼系数ξ=0.4。
今欲改善其性能,使固有频率降低为20Hz ,相对阻尼系数ξ=0.6,问弹簧总刚度和阻尼杯厚度应取多大?5-9 已知惯性式磁电速度传感器的相对阻尼系数ξ=2/1,传感器-3dB 的下限频率为16Hz ,试求传感器的自振频率值。
5-10 已知磁电式速度传感器的相对阻尼系数ξ=0.6,求振幅误差小于2%测试时的n ωω/范围。
第5章《传感器及其应用》第1节 揭开传感器的“面纱”【学习目标】1.了解传感器在生产和生活中的应用。
2.知道非电学量转换成电学量的技术意义。
3.知道传感器的最基本原理及其一般结构。
4.知道敏感元件的作用。
【要点透析】1. 什么是传感器?传感器是把非电学物理量(如位移、速度、压力、温度、湿度、流量、声强、光照度等)按一定规律转换成便于处理和传输电学量(如电压、电流等)的一种元件。
传感器输入的是非电学物理量,输出的是电学量。
将非电学物理量转换成电学量后,测量比较方便,而且能输入到计算机进行处理。
各种传感器是自动控制设备中不可缺少的元件,已经渗透到宇宙开发、环境保护、交通运输以至家庭生活等多种领域。
2.传感器的组成传感器一般由敏感元件、转换元件和测量电路三部分组成,有时还需要加辅助电源。
如图5.1-1所示。
敏感元件(预变换器):将不能够直接变换为电量的非电量转换为可直接变换为电量的非电量元件。
敏感元件是传感器的核心部分,它是利用材料的某种敏感效应(如热敏、光敏、压敏、力敏、湿敏等)制成的。
转换元件:将感受到的非电量直接转换为电量的器件称为转换元件,如压电晶体、热电偶等。
转换电路:将转换元件输出的电量变成便于显示、记录、控制和处理的有用电信号的电路称为测量电路。
3.传感器的分类传感器的种类很多,目前尚没有统一的分类方法,一般常采用的分类方法有如下几种:(1)按工作原理分类物理传感器:利用物质的物理性质和物理效应感知并检测出待测对象信息的传感器,如电容传感器、电感传感器、光电传感器、压电传感器等;化学传感器:利用化学反应识别和检测信息的传感器,如气敏传感器、湿敏传感器等; 生物传感器:利用生物化学反应识别和检测信息的传感器,它是由固定生物体材料和适图5.1-1 敏感元件当转换器件组合成的系统。
如组织传感器、细胞传感器、酶传感器等。
(2)按用途分类这种分类方法给使用者提供了方便,容易根据需要测量的对象选择所需要的传感器。
第1章传感器特性习题答案:5.答:静特性是当输入量为常数或变化极慢时,传感器的输入输出特性,其主要指标有线性度、迟滞、重复性、分辨力、稳定性、温度稳定性、各种抗干扰稳定性。
传感器的静特性由静特性曲线反映出来,静特性曲线由实际测绘中获得。
人们根据传感器的静特性来选择合适的传感器。
9.解:10. 解:11.解:带入数据拟合直线灵敏度 0.68,线性度±7% 。
,,,,,,13.解:此题与炉温实验的测试曲线类似:14.解:15.解:所求幅值误差为1.109,相位滞后33042,所求幅值误差为1.109,相位滞后33042,16.答:dy/dx=1-0.00014x。
微分值在x<7143Pa时为正,x>7143Pa时为负,故不能使用。
17.答:⑴20。
C时,0~100ppm对应得电阻变化为250~350 kΩ。
V0在48.78~67.63mV之间变化。
⑵如果R2=10 MΩ,R3=250 kΩ,20。
C时,V0在0~18.85mV之间变化。
30。
C时V0在46.46mV(0ppm)~64.43mV(100ppm)之间变化。
⑶20。
C时,V0为0~18.85mV,30。
C时V0为0~17.79mV,如果零点不随温度变化,灵敏度约降低4.9%。
但相对(2)得情况来说有很大的改善。
18.答:感应电压=2πfCRSVN,以f=50/60Hz, RS=1kΩ, VN=100代入,并保证单位一致,得:感应电压=2π*60*500*10-12*1000*100[V]=1.8*10-2V第3章应变式传感器概述习题答案9. 答:(1).全桥电路如下图所示(2).圆桶截面积应变片1、2、3、4感受纵向应变;应变片5、6、7、8感受纵向应变;满量程时:(3)10.答:敏感元件与弹性元件温度误差不同产生虚假误差,可采用自补偿和线路补偿。
11.解:12.解:13.解:①是ΔR/R=2(Δl/l)。
因为电阻变化率是ΔR/R=0.001,所以Δl/l(应变)=0.0005=5*10-4。
For personal use only in study and research; not for commercial use第一章 思考题与习题1、什么是传感器的静态特性?它有哪些性能指标?答:输入量为常量或变化很慢情况下,输出与输入两者之间的关系称为传感器的静态特性。
它的性能指标有:线性度、迟滞、重复性、灵敏度与灵敏度误差、分辨率与阈值、稳定性、温度稳定性、抗干扰稳定性和静态误差(静态测量不确定性或精度)。
2、传感器动特性取决于什么因素?答:传感器动特性取决于传感器的组成环节和输入量,对于不同的组成环节(接触环节、模拟环节、数字环节等)和不同形式的输入量(正弦、阶跃、脉冲等)其动特性和性能指标不同。
3、某传感器给定相对误差为2%FS ,满度值输出为50mV ,求可能出现的最大误差δ(以mV 计)。
当传感器使用在满刻度的1/2和1/8时计算可能产生的百分误差。
并由此说明使用传感器选择适当量程的重要性。
已知:FS %2=γ, mV y FS 50=;求:δm =?解:∵ %100⨯=FS my δγ; ∴ mV y FS m 1%100=⨯∙=γδ若: FS FS y y 211= 则: %4%100251%1001=⨯=⨯=FS m y δγ 若: FS FS y y 812=则: %16%10025.61%1002=⨯=⨯=FS m y δγ 由此说明,在测量时一般被测量接近量程(一般为量程的2/3以上),测得的值误差小一些。
4、有一个传感器,其微分方程为x y dt dy 15.03/30=+,其中y 为输出电压(mV ),x 为输入温度(0C ),试求该传感器的时间常数τ和静态灵敏度k 。
已知:x y dt dy 15.03/30=+;求:τ=?,k =?解:将x y dt dy 15.03/30=+化为标准方程式为:x y dt dy 05.0/10=+与一阶传感器的标准方程:kx y dt dy =+τ 比较有: ⎩⎨⎧==)/(05.0)(100C mV k s τ 5、已知某二阶系统传感器的自振频率f 0=20k Hz,阻尼比ξ=0.1,若要求传感器的输出幅值误差小于3%,试确定该传感器的工作频率范围。
《第一章传感器的一般特性》1.从某直流测速发电机试验中,获得如下结果:转速(r/min)0 500 1000 1500 2000 2500 3000输出电压(V)0 9.1 15.0 23.3 29.9 39.0 47.5试绘制转速和输出电压的关系曲线,并确定:1)该测速发电机的灵敏度。
2)该测速发电机的线性度。
2.已知一热电偶的时间常数τ=10s,若用它来测量一台炉子的温度,炉内温度在540οC和500οC 之间按近似正弦曲线波动,周期为80s,静态灵敏度k=1,试求该热电偶输出的最大值和最小值,以及输入与输出信号之间的相位差和滞后时间。
3.用一只时间常数为0.355s 的一阶传感器去测量周期分别为1s、2s和3s的正弦信号,问幅值误差为多少?4.若用一阶传感器作100Hz正弦信号的测试,如幅值误差要求限制在5%以内,则时间常数应取多少?若在该时间常数下,同一传感器作50Hz正弦信号的测试,这时的幅值误差和相角有多大?5.已知某二阶系统传感器的固有频率f0=10kHz,阻尼比ξ=0.1,若要求传感器的输出幅值误差小于3%,试确定该传感器的工作频率范围。
6.某压力传感器属于二阶系统,其固有频率为1000Hz,阻尼比为临界值的50%,当500Hz的简谐压力输入后,试求其幅值误差和相位滞后。
《第二章应变式传感器》1.假设某电阻应变计在输入应变为5000με时电阻变化为1%,试确定该应变计的灵敏系数。
又若在使用该应变计的过程中,采用的灵敏系数为1.9,试确定由此而产生的测量误差的正负和大小。
2.如下图所示的系统中:①当F=0和热源移开时,R l=R2=R3=R4,及U0=0;②各应变片的灵敏系数皆为+2.0,且其电阻温度系数为正值;③梁的弹性模量随温度增加而减小;④应变片的热膨胀系数比梁的大;⑤假定应变片的温度和紧接在它下面的梁的温度一样。
在时间t=0时,在梁的自由端加上一向上的力,然后维持不变,在振荡消失之后,在一稍后的时间t1打开辐射源,然后就一直开着,试简要绘出U0和t的关系曲线的一般形状,并通过仔细推理说明你给出这种曲线形状的理由。
《传感器原理及工程应用》习题答案王丽香第1章 传感与检测技术的理论基础(P26)1-3 用测量范围为-50~150kPa 的压力传感器测量140kPa 的压力时,传感器测得示值为142kPa ,求该示值的绝对误差、实际相对误差、标称相对误差和引用误差。
解:已知: 真值L =140kPa 测量值x =142kPa 测量上限=150kPa 测量下限=-50kPa∴ 绝对误差 Δ=x-L=142-140=2(kPa)实际相对误差 %==43.11402≈∆L δ标称相对误差 %==41.11422≈∆x δ引用误差%--=测量上限-测量下限=1)50(1502≈∆γ1-10 对某节流元件(孔板)开孔直径d 20的尺寸进行了15次测量,测量数据如下(单位:mm ):120.42 120.43 120.40 120.42 120.43 120.39 120.30 120.40 120.43 120.41 120.43 120.42 120.39 120.39 120.40试用格拉布斯准则判断上述数据是否含有粗大误差,并写出其测量结果。
解:当n =15时,若取置信概率P =0.95,查表可得格拉布斯系数G =2.41。
则 2072.410.03270.0788()0.104d G mm v σ=⨯=<=-,所以7d 为粗大误差数据,应当剔除。
然后重新计算平均值和标准偏差。
当n =14时,若取置信概率P =0.95,查表可得格拉布斯系数G =2.37。
则 20 2.370.01610.0382()d i G mm v σ=⨯=>,所以其他14个测量值中没有坏值。
计算算术平均值的标准偏差200.0043()mm σσ=== 20330.00430.013()d mm σ=⨯=所以,测量结果为:20(120.4110.013)()(99.73%)d mm P =±=1-14交流电路的电抗数值方程为CL X ωω1-= 当角频率Hz 51=ω,测得电抗1X 为Ω8.0; 当角频率Hz 22=ω,测得电抗2X 为Ω2.0; 当角频率Hz 13=ω,测得电抗3X 为Ω-3.0。
传感器原理及应用习题答案习题1 (2)习题2 (4)习题3 (8)习题4 (10)习题5 (12)习题6 (14)习题7 (17)习题8 (20)习题9 (23)习题10 (25)习题11 (26)习题12 (28)习题13 (32)习题11-1 什么叫传感器?它由哪几部分组成?并说出各部分的作用及其相互间的关系。
答:传感器是能感受规定的被测量并按照一定的规律将其转换成可用输出信号的器件或装置。
通常传感器由敏感元件和转换元件组成。
敏感元件是指传感器中能直接感受或响应被测量的部分,转换元件是指传感器中将敏感元件感受或响应的被测量转换成适于传输或测量的电信号部分。
由于传感器的输出信号一般都很微弱, 因此需要有信号调节与转换电路对其进行放大、运算调制等。
随着半导体器件与集成技术在传感器中的应用,传感器的信号调节与转换电路可能安装在传感器的壳体里或与敏感元件一起集成在同一芯片上。
此外,信号调节转换电路以及传感器工作必须有辅助的电源,因此信号调节转换电路以及所需的电源都应作为传感器组成的一部分。
1-2 简述传感器的作用和地位及其传感器技术的发展方向。
答:传感器位于信息采集系统之首,属于感知、获取及检测信息的窗口,并提供给系统赖以进行处理和决策所必须的原始信息。
没有传感技术,整个信息技术的发展就成了一句空话。
科学技术越发达,自动化程度越高,信息控制技术对传感器的依赖性就越大。
发展方向:开发新材料,采用微细加工技术,多功能集成传感器的研究,智能传感器研究,航天传感器的研究,仿生传感器的研究等。
1-3 传感器的静态特性指什么?衡量它的性能指标主要有哪些?答:传感器的静态特性是指被测量的值处于稳定状态时的输出—输入关系。
与时间无关。
主要性能指标有:线性度、灵敏度、迟滞和重复性等。
1-4 传感器的动态特性指什么?常用的分析方法有哪几种?答:传感器的动态特性是指其输出与随时间变化的输入量之间的响应特性。
常用的分析方法有时域分析和频域分析。
习题集及答案第1章概述1.1 什么是传感器?按照国标定义,“传感器”应该如何说明含义?1.2 传感器由哪几部分组成?试述它们的作用及相互关系。
1.3 简述传感器主要发展趋势,并说明现代检测系统的特征。
1.4 传感器如何分类?按传感器检测的范畴可分为哪几种?1.5 传感器的图形符号如何表示?它们各部分代表什么含义?应注意哪些问题?1.6 用图形符号表示一电阻式温度传感器。
1.7 请例举出两个你用到或看到的传感器,并说明其作用。
如果没有传感器,应该出现哪种状况。
1.8 空调和电冰箱中采用了哪些传感器?它们分别起到什么作用?答案1.1答:从广义的角度来说,感知信号检出器件和信号处理部分总称为传感器。
我们对传感器定义是:一种能把特定的信息(物理、化学、生物)按一定规律转换成某种可用信号输出的器件和装置。
从狭义角度对传感器定义是:能把外界非电信息转换成电信号输出的器件。
我国国家标准(GB7665—87)对传感器(Sensor/transducer)的定义是:“能够感受规定的被测量并按照一定规律转换成可用输出信号的器件和装置”。
定义表明传感器有这样三层含义:它是由敏感元件和转换元件构成的一种检测装置;能按一定规律将被测量转换成电信号输出;传感器的输出与输入之间存在确定的关系。
按使用的场合不同传感器又称为变换器、换能器、探测器。
1.2答:组成——由敏感元件、转换元件、基本电路组成;关系,作用——传感器处于研究对象与测试系统的接口位置,即检测与控制之首。
传感器是感知、获取与检测信息的窗口,一切科学研究与自动化生产过程要获取的信息都要通过传感器获取并通过它转换成容易传输与处理的电信号,其作用与地位特别重要。
1.3答:(略)答:按照我国制定的传感器分类体系表,传感器分为物理量传感器、化学量传感器以及生物量传感器三大类,含12个小类。
按传感器的检测对象可分为:力学量、热学量、流体量、光学量、电量、磁学量、声学量、化学量、生物量、机器人等等。
2023传感器原理及应用(王化祥著)课后答案下载2023传感器原理及应用(王化祥著)课后答案下载前言绪论第一章传感器及其基本特性第一节传感器的定义、组成及分类第二节传感器的基本特性__小结习题与思考题第二章电阻应变式传感器第一节应变式传感器第二节应变式传感器的测量电路第三节压阻式传感器第四节应变式传感器的应用__小结习题与思考题第三章电容式传感器第一节电容式传感器的'工作原理与类型第二节电容式传感器的测量电路第三节电容式传感器的误差分析及补偿第四节电容式传感器的应用__小结习题与思考题第四章电感式传感器第一节自感式传感器第二节差动变压器式传感器第三节电涡流式传感器__小结习题与思考题第五章压电式传感器第一节压电效应与压电材料第二节压电传感器的等效电路和测量电路第三节引起/玉,E9式传感器测量误差的因素第四节压电传感器的应用__小结习题与思考题第一节磁电感应式传感器第二节霍尔传感器第三节磁敏电阻器第四节磁敏二极管和磁敏三极管第五节磁电传感器的应用__小结习题与思考题第七章热电式传感器第一节热电偶传感器第二节热电阻式传感器第三节半导体式热敏电阻第四节热电式传感器的应用__小结习题与思考题第八章光电传感器第一节光电效应第二节光电器件及其特性第三节红外传感器__小结习题与思考题第九章常用其他新型传感器第一节气体传感器第二节湿敏传感器第三节超声传感器第四节超导传感器第五节仿生传感器__小结习题与思考题第十章智能传感器第一节智能传感器概述第二节智能传感器的实现方式第三节智能传感器的应用第四节智能传感器的发展方向本?小结习题与思考题……第十一章传感器的标定与选用传感器原理及应用(王化祥著):基本信息点击此处下载传感器原理及应用(王化祥著)课后答案传感器原理及应用(王化祥著):目录作者:王桂荣,李宪芝主编出版社:中国电力出版社版次:1字数:500000印刷时间:-5-1ISBN:9787512304109。
传感器原理及应用复习题库第一章 概述1、传感器一般由敏感元件、转换元件、基本电路三部分组成。
62、传感器图用图形符号由符号要素正方形和等边三角形组成,正方形表示转换元件,三角形表示敏感元件,“X ”表示被测量,“*”表示转换原理。
7第二章 传感器的基本特性1、传感器动态特性的主要技术指标有哪些?它们的意义是什么?答:1)传感器动态特性主要有:时间常数τ;固有频率n ω;阻尼系数ξ。
2)含义:τ越小系统需要达到稳定的时间越少;固有频率n ω越高响应曲线上升越快;当n ω为常数时响应特性取决于阻尼比ξ,阻尼系数ξ越大,过冲现象减弱,1ξ≥时无过冲,不存在振荡,阻尼比直接影响过冲量和振荡次数。
2、有一温度传感器,微分方程为30/30.15dy dt y x +=,其中y 为输出电压(mV) , x 为输入温度(℃)。
试求该传感器的时间常数和静态灵敏度。
解:对微分方程两边进行拉氏变换,Y(s)(30s+3)=0.15X(s)则该传感器系统的传递函数为: ()0.150.05()()303101Y s H s X s s s ===++ 该传感器的时间常数τ=10,灵敏度k=0.053、测得某检测装置的一组输入输出数据如下:试用最小二乘法原理拟合直线,求其线性度和灵敏度。
(10-12)1、解: b kx y +=)(b kx y i i i +-=∆22)(i i ii i i x x n y x y x n k ∑-∑∑∑-∑=222)()(i i i i i i i x x n y x x y x b ∑-∑∑∑-∑∑=代入数据求得68.0=k 25.0=b ∴ 25.068.0+=x y238.01=∆ 35.02-=∆ 16.03-=∆ 11.04-=∆ 126.05-=∆ 194.06-=∆ x0.9 2.5 3.3 4.5 5.7 6.7 y 1.1 1.6 2.6 3.2 4.0 5.0%7535.0%100max ±=±=⨯∆±=FS L y L γ 第三章 电阻式传感器1、何为电阻应变效应?怎样利用这种效应制成应变片?答:导体在受到拉力或压力的外界力作用时,会产生机械变形,同时机械变形会引起导体阻值的变化,这种导体材料因变形而使其电阻值发生变化的现象称为电阻应变效应。
第5章 磁电式传感器习题集与部分参考答案5-1 阐明磁电式振动速度传感器的工作原理,并说明引起其输出特性非线性的原因。
5-2 试述相对式磁电测振传感器的工作原理和工作频率范围。
5-3 试分析绝对式磁电测振传感器的工作频率范围。
如果要扩展其测量频率范围的下限应采取什么措施;若要提高其上限又可采取什么措施?5-4 对永久磁铁为什么要进行交流稳磁处理?说明其原理。
5-5 为什么磁电式传感器要考虑温度误差?用什么方法可减小温度误差?5-6 已知某磁电式振动速度传感器线圈组件(动圈)的尺寸如图P5-1所示:D1=18mm ,D2=22mm ,L=39mm ,工作气隙宽Lg=10mm ,线圈总匝数为15000匝。
若气隙磁感应强度为0.5515T ,求传感器的灵敏度。
5-6 解:已知D1=18mm ,D2=22mm ,L=39mm ,Lg=10mm ,W=15000匝,Bg=0.5515T 工作气隙的线圈匝数Wg=(总匝数W/线圈长度L )*气隙长度Lgg g W l B K 0=,2)(210D D l +=π5-7 某磁电式传感器固有频率为10Hz ,运动部件(质量块)重力为2.08N ,气隙磁感应强度B g =1T ,工作气隙宽度为t g =4mm ,阻尼杯平均直径D CP =20mm ,厚度t=1mm ,材料电阻率m mm /1074.128⋅Ω⨯=-ρ。
试求相对阻尼系数ξ=?若欲使ξ=0.6,问阻尼杯璧厚t 应取多大? 5-8 某厂试制一磁电式传感器,测得弹簧总刚度为18000N/m ,固有频率60Hz ,阻尼杯厚度为1.2mm 时,相对阻尼系数ξ=0.4。
今欲改善其性能,使固有频率降低为20Hz ,相对阻尼系数ξ=0.6,问弹簧总刚度和阻尼杯厚度应取多大?5-9 已知惯性式磁电速度传感器的相对阻尼系数ξ=2/1,传感器-3dB 的下限频率为16Hz ,试求传感器的自振频率值。
5-10 已知磁电式速度传感器的相对阻尼系数ξ=0.6,求振幅误差小于2%测试时的n ωω/范围。
解:已知ξ=0.6,振幅误差小于2%。
若振动体作简谐振动,即当输入信号x 0为正弦波时,可得到频率传递函数⎪⎪⎭⎫ ⎝⎛+⎪⎪⎭⎫ ⎝⎛-⎪⎪⎭⎫ ⎝⎛=02020021)(ωωξωωωωωj j x x t 得 振幅比2022020021⎥⎦⎤⎢⎣⎡⎪⎪⎭⎫ ⎝⎛+⎥⎥⎦⎤⎢⎢⎣⎡⎪⎪⎭⎫ ⎝⎛-⎪⎪⎭⎫ ⎝⎛=ωωξωωωωj x x t 0x x t =1.02时,0ωω=3.51;0x x t =0.98时,0ωω=1.45 因要求0ωω>>1,一般取0ωω≥3,所以取0ωω≥3.51 5-11 已知磁电式振动速度传感器的固有频率n f =15Hz ,阻尼系数ξ=0.7。
若输入频率为f=45Hz 的简谐振动,求传感器输出的振幅误差为多少?5-12 何谓霍尔效应?利用霍尔效应可进行哪些参数测量?答:当电流垂直于外磁场通过导体时,在导体的垂直于磁场和电流方向的两个端面之间会出现电势差,这一现象便是霍尔效应。
这个电势差也被叫做霍尔电势差。
霍尔器件工作产生的霍尔电势为IB K d IB R U H H H ==,由表达式可知,霍尔电势H U 正比于激励电流I 及磁感应强度B ,其灵敏度H K 与霍尔系数H R 成正比,而与霍尔片厚度d 成反比。
利用霍尔效应可测量大电流、微气隙磁场、微位移、转速、加速度、振动、压力、流量和液位等;用以制成磁读头、磁罗盘、无刷电机、接近开关和计算元件等等。
5-13 霍尔元件的不等位电势和温度影响是如何产生的?可采取哪些方法来减小之。
答:影响霍尔元件输出零点的因素主要是霍尔元件的初始位置。
霍尔位移传感器,是由一块永久磁铁组成磁路的传感器,在霍尔元件处于初始位置0=∆x 时,霍尔电势H U 不等于零。
霍尔式位移传感器为了获得较好的线性分布,在磁极端面装有极靴,霍尔元件调整好初始位置时,可以使霍尔电势H U =0。
不等位电势的重要起因是不能将霍尔电极焊接在同一等位面上,可以通过机械修磨或用化学腐蚀的方法或用网络补偿法校正。
霍尔元件的灵敏系数H K 是温度的函数,关系式为:()T K K H H ∆+=α10,大多数霍尔元件的温度系数α是正值,因此,它们的霍尔电势也将随温度升高而增加αΔT 倍。
补偿温度变化对霍尔电势的影响,通常采用一种恒流源补偿电路。
基本思想是:在温度增加的同时,让激励电流 I 相应地减小,并能保持 I K H ⋅乘积不变,也就可以相对抵消温度对灵敏系数H K 增加的影响,从而抵消对霍尔电势的影响。
5-14 磁敏传感器有哪几种?它们各有什么特点?可用来测量哪些参数?答:磁敏电阻:外加磁场使导体(半导体)电阻随磁场增加而增大的现象称磁阻效应。
载流导体置于磁场中除了产生霍尔效应外,导体中载流子因受洛仑兹力作用要发生偏转,载流子运动方向偏转使电流路径变化,起到了加大电阻的作用,磁场越强增大电阻的作用越强。
磁敏电阻主要运用于测位移。
磁敏二极管:输出电压随着磁场大小的方向而变化,特别是在弱磁场作用下,可获得较大输出电压变化,r 区内外复合率差别越大,灵敏度越高。
当磁敏二极管反向偏置时,只有很少电流通过,二极管两端电压也不会因受到磁场的作用而有任何改变。
利用磁敏二极管可以检测弱磁场变化这一特性可以制成漏磁探伤仪。
5-15 为什么说磁电感应式传感器是一种有源传感器?5-16 变磁阻式传感器有哪几种结构形式?可以检测哪些非电量?5-17 磁电式传感器是速度传感器,它如何通过测量电路获得相对应的位移和加速度信号?5-18 磁电式传感器与电感式传感器有哪些不同?磁电式传感器主要用于测量哪些物理参数?答:a.磁电式传感器是通过磁电作用将被测量转换为电信号的一种传感器。
电感式传感器是利用线圈自感或互感的变化来测量的一种装置。
b.磁电式传感器具有频响宽、动态范围大的特点。
而电感式传感器存在交流零位信号,不宜于高频动态信号检测;其响应速度较慢,也不宜做快速动态测量。
c. 磁电式传感器测量的物理参数有:磁场、电流、位移、压力、振动、转速。
5-19 发电机是利用导线在永久磁铁的磁场中作旋转运动而发电的。
无论负载怎样消耗这个电能,永久磁铁不会变弱,这是什么道理?答:发电机供应给负载的电能是,为转动这个发电机所供应得机械能(火力或水力)变换而来的能量。
磁铁持有的能量未被消耗,所以磁铁不会变弱。
5-20 只要磁通量发生变化,就有感应电动势产生,请说出三种产生感应电动势的方法。
答:(1)线圈与磁场发生相对运动;(2)磁路中磁阻变化;(3)恒定磁场中线圈面积变化。
5-21 已知测量齿轮齿数Z=18,采用变磁通感应式传感器测量工作轴转速(如图所示)。
若测得输出电动势的交变频率为24(Hz),求:被测轴的转速n(r/min)为多少?当分辨误差为±1齿时,转速测量误差是多少?解:(1)测量时,齿轮随工作轴一起转动,每转过一个齿,传感器磁路磁阻变化一次,磁通也变化一次,因此,线圈感应电动势的变化频率f 等于齿轮的齿数Z 与转速n 的乘积。
f=nZ/60n=60f/Z=60*24/18=80(r/min)(2)读数误差为±1齿,所以应为1/18转,即:n=80±1/18 (r/min)5-22 什么是霍尔效应?霍尔电势的大小与方向和哪些因素有关?影响霍尔电势的因素有哪些?答:霍尔效应:将一载流导体放在磁场中,若磁场方向与电流方向正交,则在与磁场和电流方向正交,则在与磁场和电流两者垂直的方向上将会出现横向电势,这一现象称为霍尔效应,相应的电势称为霍尔电势。
具有霍尔效应的半导体在其相应的侧面上装上电极后即构成霍尔元件,常用灵敏度H K 来表征霍尔元件的特性,霍尔电势正比于激励电流I 和磁感应强度B ;而灵敏度H K 由霍尔系数H R 与霍尔片的厚度d 决定: IB K IB d R U H H H =⋅=1,d R K H H =5-23 集成霍尔器件有哪几种类型?试画出其输出特性曲线。
5-24 有一测量转速装置,调制盘上有100对永久磁极,N 、S 极交替放置,调制盘由转轴带动旋转,在磁极上方固定一个霍尔元件,每通过一对磁极霍尔元件产生一个方脉冲送到计数器。
假定t=5min 采样时间内,计数器收到N=15万个脉冲,求转速n=?转/分。
5-25 磁敏元件有哪些?(磁敏电阻、磁敏二极管、磁敏晶体管)什么是磁阻效应?简述磁敏二极管、晶体管工作原理。
5-26 磁敏电阻与磁敏晶体管有哪些不同?与霍尔元件在本质上的区别是什么?5-27 磁敏晶体管与普通晶体管的区别是什么?5-28 试证明霍尔式位移传感器的输出与位移成正比。
5-29 霍尔元件能够测量哪些物理参数?霍尔元件的不等位电势的概念是什么?温度补偿的方法有哪几种?答:a.霍尔元件可测量磁场、电流、位移、压力、振动、转速等。
b.霍尔组件的不等位电势是霍尔组件在额定控制电流作用下,在无外加磁场时,两输出电极之间的空载电势,可用输出的电压表示。
c.温度补偿方法:分流电阻法:适用于恒流源供给控制电流的情况。
电桥补偿法5-30 简述霍尔效应及构成以及霍尔传感器可能的应用场合。
答:一块长为l、宽为d的半导体薄片置于磁感应强度为磁场(磁场方向垂直于薄片)中,当有电流I流过时,在垂直于电流和磁场的方向上将产生电动势Uh。
这种现象称为霍尔效应。
霍尔组件多用N型半导体材料,且比较薄。
霍尔式传感器转换效率较低,受温度影响大,但其结构简单、体积小、坚固、频率响应宽、动态范围(输出电势变化)大、无触点,使用寿命长、可靠性高、易微型化和集成电路化,因此在测量技术、自动控制、电磁测量、计算装置以及现代军事技术等领域中得到广泛应用。
5-31 试分析霍尔效应产生的原因。
答:金属或半导体薄片置于磁场中,当有电流通过时,在垂直于电流和磁场的方向上将产生电动势,这种物理现象称为霍尔效应。
如将N型半导体薄片,垂直置于磁场中。
在薄片左右两端通以电流,这时半导体中的载流子(电子)将沿着与电流相反的方向运动。
由于外磁场的作用,电子将受到磁场力(洛仑兹力)的作用而发生偏转,结果在半导体的后端面上积累了电子而带负电,前端面则因缺少电子而带正电,从而在前后端面形成电场。
该电场产生的电场力也将作用于半导体中的载流子,电场力方向和磁场力方向正好相反,当与大小相等时,电子积累达到动态平衡。
这时,在半导体前后两端面之间建立的电动势就称为霍尔电动势。
5-32 霍尔电动势的大小、方向与哪些因素有关?答:霍尔电动势的大小正比于激励电流I与磁感应强度B,且当I或B的方向改变时,霍尔电动势的方向也随着改变,但当I和B的方向同时改变时霍尔电动势极性不变。
一定的感受机构对一些能够转换成位移量的其他非电量,如振动、压力、应变、流量等进行检测。