压力管道元件制造许可评审表
- 格式:doc
- 大小:88.00 KB
- 文档页数:8
压力管道元件制造许可鉴定评审指南 SDTJ/JLJ-YYP-002压力管道元件制造许可鉴定评审指南压力管道元件制造许可鉴定评审细则(第四版)山东省特种设备检验研究院编制二○○九年五月地址:济南市山大路9号邮编:250013电话:0531-********、81903668 传真:0531-********网址: E-mail:ps_stjy@山东省特种设备检验研究院特种设备行政许可鉴定评审十六字承诺依法评审恪尽职守廉洁公正热情服务山东省特种设备检验研究院投诉电话:0531-********目录第一部分压力管道元件制造许可鉴定评审指南 (1)第二部分压力管道元件制造许可鉴定评审细则 (12)第一章总则 (12)第二章制造许可的评审 (12)第一节制造许可资源条件的评审 (12)第二节质量保证体系建立与实施的评审 (17)第三节产品安全性能抽查检验 (27)第四节主要产品专项评审要求 (29)一、无缝钢管的专项评审要求 (29)二、螺旋缝埋弧焊钢管的专项评审要求 (32)三、钢制无缝管件的专项评审要求 (34)四、阀门的专项评审要求 (36)五、金属波纹膨胀节评审要求 (39)六、锻制管件、锻制法兰、阀体锻件的锻坯制造评审要求 (41)七、锻制法兰(限机械加工)制造评审要求 (43)八、紧固件制造评审要求 (45)第五节其他产品资源条件专项要求 (47)一、钢制有缝管件(钢板制对焊管件) (47)二、铸铁管、铸铁管件 (48)三、其他型式补偿器 (49)四、金属软管 (49)五、弹簧支吊架 (50)六、阀门铸件 (51)第三章增项(升级)评审 (53)第四章换证评审 (54)第一部分压力管道元件制造许可鉴定评审指南1.引言本《指南》是依据《特种设备安全监察条例》、《特种设备行政许可鉴定评审监督与管理规则》、《特种设备制造、安装、改造、维修许可鉴定评审细则》、《特种设备制造、安装、改造、维修质量保证体系基本要求》、《压力管道元件制造许可规则》的规定而制定的。
压力管道元件制造许可评审记录评审记录编号:【编号】评审日期:【日期】评审地点:【地点】一、评审背景和目的本次评审旨在对【申请单位名称】的压力管道元件制造许可申请进行评审,并根据国家相关标准和规范,判断其是否具备相应的条件和能力,以便决定是否批准其申请。
二、评审人员本次评审由以下人员组成:1.主评审人:【姓名】2.评审人员:【姓名】、【姓名】、【姓名】三、评审内容1.企业背景资料2.压力管道元件制造基地及设备情况3.生产工艺和技术能力4.质量管理体系5.安全生产管理体系6.环境管理体系7.监督检查记录8.其他补充材料四、评审过程1.主评审人介绍评审流程和注意事项。
2.申请单位代表作简要汇报。
3.评审人员对申请单位提交的材料进行逐项审核,并记录评审意见。
4.针对存在问题或不符合要求的地方,评审人员与申请单位代表进行沟通,要求其提供补充材料或解释说明。
5.评审人员充分讨论,并对每一项评审内容进行评分和综合评价。
6.主评审人根据评分和评价结果,形成评审结论。
五、评审结论经过评审小组的认真讨论和评分,综合考虑申请单位的企业背景、设备情况、工艺能力、质量管理体系、安全生产管理体系、环境管理体系等各方面的情况,我们对申请单位的压力管道元件制造许可申请提出如下评审结论:1.申请单位的企业背景资料齐全,符合相关法律法规要求。
2.压力管道元件制造基地及设备符合相关标准和规范,能够满足生产要求。
3.申请单位的生产工艺和技术能力得到保证,并有相应的技术人员进行管理和工艺指导。
4.申请单位的质量管理体系符合相关标准和规范,并经过有效运行和实施。
5.申请单位建立了完善的安全生产管理体系,能够有效预防和控制压力管道事故的发生。
6.申请单位建立了环境管理体系,并采取了相应的环保措施,有效降低对环境的影响。
7.监督检查记录表明,申请单位存在一些违规行为和不符合要求的情况,但对于事故隐患和问题的整改和处理能力较强。
8.根据以上评审结果,我们认为申请单位具备压力管道元件制造许可的条件和能力,建议批准其申请。
压力管道制造安装许可质量保证体系评审表背景压力管道是现代化工输送系统不可或缺的组成部分,其制造和安装的质量直接关系到用户生命财产安全。
为了保证压力管道的质量安全,国家对压力管道制造和安装进行了严格的监管和管理。
其中,评审压力管道制造安装许可质量保证体系,是保证压力管道质量安全的重要环节之一。
目的本文档旨在制定一份压力管道制造安装许可质量保证体系评审表,为评审人员提供规范的评审流程和标准,确保评审结果公正、客观。
评审范围评审对象为压力管道制造和安装企业的质量保证体系。
具体包括以下方面:•质量管理体系文件和记录的完整性与合法性;•生产加工过程的规范性和标准化程度;•现场作业环境的卫生、安全、整洁等情况;•检验和测试设备的运行状况及有效性;•检验和测试过程的规范性和准确性;•压力管道安装、调试及验收遵循性;•内部质量控制和持续改进的机制有效性。
评审流程1.前期准备评审人员应在评审前,熟悉评审对象的资料和相关标准,对评审范围和方法进行充分的准备。
2.现场评审评审人员应参观压力管道制造和安装企业,实地查看生产、加工、检验、试验、安装、调试等过程,并进行相关质量保证体系文件和记录的核查。
3.文件审核评审人员应对评审对象提交的质量保证体系文件和记录进行审核,确保其符合企业质量管理规定和相关标准的要求。
4.报告编制评审人员应将评审结果进行综合分析和梳理,编制评审报告。
报告应包括评审对象的主要情况、问题点及改进建议等。
5.反馈评审人员应对评审报告进行反馈,并向企业提供改进建议。
企业应及时处理问题,完善质量保证体系。
评审标准评审标准应遵循以下原则:•基于国家标准和法律法规,同时结合评审对象的特殊情况;•以质量保证体系文件和记录、生产加工过程和现场作业环境等为评价对象;•充分考虑质量管理的实际情况,注重持续改进和追求卓越。
制定一份严谨的《压力管道制造安装许可质量保证体系评审表》,有利于规范压力管道制造和安装企业的质量管理,保障用户和社会公众的生命财产安全。
压力管道制造、安装、改造、维修许可质量保证体系评审表1、管理职责评审表评审编号:单位名称:压力管道制造、安装、改造、维修许可质量保证体系评审表2、质量保证体系文件评审表评审编号:单位名称:压力管道制造、安装、改造、维修许可质量保证体系评审表3、文件与记录的控制评审表评审编号:单位名称:压力管道制造、安装、改造、维修许可质量保证体系评审表4、合同控制评审表评审编号:单位名称:5、设计控制评审表评审编号:单位名称:6、材料、零部件质量控制评审表评审编号:单位名称:7、作业(工艺)控制评审表评审编号:单位名称:8、焊接质量控制评审表评审编号:单位名称:压力管道制造、安装、改造、维修许可质量保证体系评审表9、热处理质量控制评审表评审编号:单位名称:压力管道制造、安装、改造、维修许可质量保证体系评审表10、无损检测质量控制评审表评审编号:单位名称:压力管道制造、安装、改造、维修许可质量保证体系评审表11、理化试验质量控制评审表评审编号:单位名称:压力管道制造、安装、改造、维修许可质量保证体系评审表12、检验与试验评审表评审编号:单位名称:压力管道制造、安装、改造、维修许可质量保证体系评审表13、设备及检验试验装置的控制评审编号:单位名称:压力管道制造、安装、改造、维修许可质量保证体系评审表14、不合格品处置评审表评审编号:单位名称:压力管道制造、安装、改造、维修许可质量保证体系评审表15、质量改进与服务评审表评审编号:单位名称:压力管道制造、安装、改造、维修许可质量保证体系评审表16、人员培训、考核和管理评审表评审编号:单位名称:压力管道制造、安装、改造、维修许可质量保证体系评审表18、执行特种设备许可制度评审表评审编号:单位名称:压力管道制造、安装、改造、维修许可质量保证体系评审表评审编号:单位名称:压力管道制造、安装、改造、维修许可质量保证体系评审表评审编号:单位名称:。
压力管道元件制造许可评审记录压力管道元件制造许可评审记录是一种重要的文档,它记录了制造商获得压力管道元件制造许可所进行的评审过程和结果。
对于压力管道元件制造商来说,这个许可证是非常重要的,因为它关系到许多重要的安全问题。
下面将对压力管道元件制造许可评审记录的重要性、评审内容和制造商需提供的资料做详细的分析。
首先,压力管道元件制造许可评审记录是一个非常重要的文档。
作为一种许可证,它关系到生产商的合法性和合规性。
如果没有通过评审,制造商将无法从事相关行业的生产活动。
而通过评审并获得许可证,制造商可以更好地参与市场竞争,顺利推广和销售自己的产品。
此外,该证书也是消费者正确了解产品的权利来源,是关键保证产品的安全、质量和合规性。
其次,制造许可证评审内容主要包括两个方面。
一方面,评审机构将查询过往的生产记录、过程规范、产品检验记录、从员工保密程序到资质证明的所有相关资料,评估制造商是否符合相关行业标准、技术规范和法律法规等方面的要求。
另一方面,评审机构还将和制造商进行深入的交流,了解其安全生产管理及设备制造的流程和管理流程等方面的细节,同时对制造商的安全生产和产品质量的保障能力做出综合评估。
最后,制造商需要提供哪些资料也是非常重要的。
以上提到了制造商需要提供的一些资料,例如:过往的生产记录、过程规范、产品检验记录、员工保密程序和资质证明等等。
除此之外,制造商还需提供产品的三维模型文件、设计图纸、工艺文件、样品及测试结果。
这些资料将利用计算机技术进行分析评估,从而得出最终结果。
在此基础上,我认为制造商需要重视压力管道元件制造许可评审程序和其他文档。
评审记录如能清晰地反映审核的全过程,包括评估方法、部门之间的沟通和组织结构等,这将使任何一家制造商在获得许可证后成为市场上的领导者。
正所谓:量身定制的评估可以更好的满足行业需求。
总之,压力管道元件制造许可评审记录是重要的管理文档,它为制造商提供了正确的方向和指导。
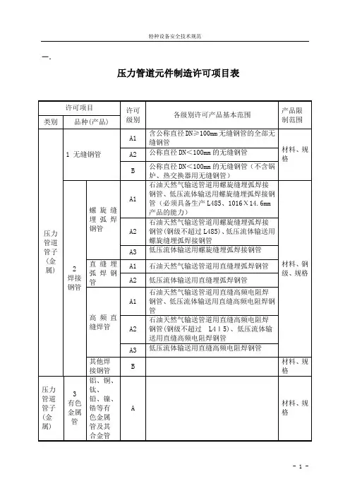
特种设备安全技术规范一.压力管道元件制造许可项目表特种设备安全技术规范特种设备安全技术规范特种设备安全技术规范特种设备安全技术规范特种设备安全技术规范质量监督部门审批。
(2)压力管道材料(原料),压力管道制管专用钢板、聚乙烯混配料的制造许可方式为型式许可,其余为工厂许可。
(3)产品限制范围是指许可品种产品的范围,一般涉及其产品名称、规格、产品标准,有时还涉及制造工艺、材料等。
该范围通过型式试验和生产条件确定。
(4)特殊工况阀门,是指石油天然气及相关工业、火电站高温高压管道、低温设备管道(温度低于-46℃)、燃气管道上,用于高温高压、易燃、易爆、低温介质的阀门。
一般工况阀门,是指不属于特殊工况阀门的其他压力管道用阀门。
阀门典型品种名称(包括特殊工况阀门和一般工况阀门):闸阀、截止阀、节流阀、球阀、止回阀、蝶阀、隔膜阀、旋塞阀、柱塞阀、疏水阀、低温阀、调节(控制)阀、减压阀(自力式)、眼镜阀(冶金工业用阀)、孔板阀(冶金工业用阀)、排污阀、减温阀、减压阀、紧急切断阀、其它阀门特种设备安全技术规范(无行业或国家标准,用于石油、化工装置上的非标阀门)。
(5)元件组合装置:由两种或两种以上管道元件,通过焊接或机械方法组装成整体部件出厂的产品,如汇管(汇流排)、绝缘接头、减温减压组合装置等。
(6)工厂预制直埋管或者保温管包括带夹套的直埋管和带防腐外壳的保温管,防腐外壳包括硬质聚氨酯泡沫塑料防腐保温层、玻璃纤维增强塑料外护层聚氨酯泡沫塑料、高密度聚乙烯外护管聚氨酯泡沫塑料等。
特种设备安全技术规范二.安全标记其及使用一、安全标记(以下简称TS标记)样式如下图所示。
TS图安全标记式样二、TS标记的大小可根据元件的大小按一定的比例确定,但最小高度不应小于5mm。
三、TS标记的使用(一)被允许使用TS标记的制造单位应当在制造许可范围内的每个压力管道元件上(已经完成的或者是处在最终评定状态的压力管道元件和组合件上),以清晰可辨的和不易擦除的方式加贴TS标记。
文件编号:AHTJ-PSPX/QR-GD02-2010 压力管道元件制造许可现场评审记录申请单位___________________申请项目___________________申请类型□首次□换证□增项评审组长______评审员_________评审日期___________________发布日期:二0一0年十一月十五日实施日期:二0一一年元月一日1 / 31XX省特种设备检测院一、管道元件制造许可资源条件评审记录12 / 313 / 314 / 31评审人员:申请单位人员确认:年月日一、管道元件制造许可资源条件评审记录25 / 316 / 317 / 31评审人员:申请单位人员确认:年月日一、管道元件制造许可资源条件评审记录38 / 319 / 3110 / 31评审人员:申请单位人员确认:年月日一、管道元件制造许可资源条件评审记录411 / 3113 / 31一、管道元件制造许可资源条件评审记录514 / 3115 / 3116 / 31评审人员:申请单位人员确认:年月日二、压力管道元件制造质量保证体系建立及运行评审记录17 / 3118 / 3119 / 3120 / 3121 / 3122 / 3123 / 3124 / 31三、压力管道元件制造安全性能抽查评审记录25 / 3126 / 3127 / 31评审人员:申请单位人员确认:年月日四、压力管道元件制造持证期间执法情况评审报告28 / 3129 / 31评审人员:申请单位人员确认:年月日五、关键岗位人员审查考核记录30 / 31评审人员:年月日注:①应当针对不同岗位的要求进行考核。
一般应当包括以下内容:相关法律、法规、标准,管理知识,本专业知识,自身职责,工作程序要求等。
②考核等次分优、良、中、差31 / 31。
文件编号:AHTJ-PSPX/QR-GD02-2010 压力管道元件制造许可现场评审记录
申请单位___________________
申请项目___________________
申请类型□首次□换证□增项
评审组长______评审员_________
评审日期___________________
发布日期:二0一0年十一月十五日
实施日期:二0一一年元月一日
省特种设备检测院
一、管道元件制造许可资源条件评审记录1
一、管道元件制造许可资源条件评审记录2
评审人员:申请单位人员确认:年月日
一、管道元件制造许可资源条件评审记录3
评审人员:申请单位人员确认:年月日
一、管道元件制造许可资源条件评审记录4
评审人员:申请单位人员确认:年月日
一、管道元件制造许可资源条件评审记录5
评审人员:申请单位人员确认:年月日
二、压力管道元件制造质量保证体系建立及运行评审记录
评审人员:申请单位人员确认:年月日
三、压力管道元件制造安全性能抽查评审记录
评审人员:申请单位人员确认:年月日
四、压力管道元件制造持证期间执法情况评审报告
评审人员:申请单位人员确认:年月日
五、关键岗位人员审查考核记录
评审人员:年月日
注:①应当针对不同岗位的要求进行考核。
一般应当包括以下容:相关法律、法规、标准,管理知识,本专业知识,自身职责,工作程序要求等。
②考核等次分优、良、中、差。
编号:合同名称:购销合同(PE燃气管)合同编号:/评审时间:2019.3.27评审内容:(1)顾客要求是否得到明确;(2)公司是否有提供施工服务的能力;(3)合同技术要求、技术标准、进度、质量、安全、验收标准、服务以及质量保证期限、物资型号、规格要求是否合理、明确;(4)合同结算方式、付款期限、价格及相关费用测定是否合理、明确,交货期是否能满足要求;(5) 本项目部的保证能力(包括生产进度、技术、设计、调试准备、设备到货等)能否满足合同规定的要求(6)合同洽谈中的不一致意见是否得到解决(7)合同规定的违约责任是否合理、清楚评审人员签字:评审结果:顾客已明确交货时间,符合公司服务能力范围,合同款项、付款方式明确且合理,合同内容未出现分歧意见,合同的违约责任已明确规定,无异议。
负责人签字:日期:编号:合同名称:购销合同(SDR11 PE燃气管)合同编号:/评审时间:2019.2.20评审内容:(5)顾客要求是否得到明确;(6)公司是否有提供施工服务的能力;(7)合同技术要求、技术标准、进度、质量、安全、验收标准、服务以及质量保证期限、物资型号、规格要求是否合理、明确;(8)合同结算方式、付款期限、价格及相关费用测定是否合理、明确,交货期是否能满足要求;(8) 本项目部的保证能力(包括生产进度、技术、设计、调试准备、设备到货等)能否满足合同规定的要求(9)合同洽谈中的不一致意见是否得到解决(10)合同规定的违约责任是否合理、清楚评审人员签字:评审结果:顾客已明确交货时间,符合公司服务能力范围,合同款项、付款方式明确且合理,合同内容未出现分歧意见,合同的违约责任已明确规定,无异议。
负责人签字:日期:编号:合同名称:购销合同合同编号:XTJ-XS-2019042201评审时间:2019.4.11评审内容:(9)顾客要求是否得到明确;(10)公司是否有提供施工服务的能力;(11)合同技术要求、技术标准、进度、质量、安全、验收标准、服务以及质量保证期限、物资型号、规格要求是否合理、明确;(12)合同结算方式、付款期限、价格及相关费用测定是否合理、明确,交货期是否能满足要求;(11) 本项目部的保证能力(包括生产进度、技术、设计、调试准备、设备到货等)能否满足合同规定的要求(12)合同洽谈中的不一致意见是否得到解决(13)合同规定的违约责任是否合理、清楚评审人员签字:评审结果:顾客已明确交货时间,符合公司服务能力范围,合同款项、付款方式明确且合理,合同内容未出现分歧意见,合同的违约责任已明确规定,无异议。
压力管道条件初审审查情况表(一般条件部分)
注1:理论考试试卷为100分平均90分得1分(无60分以下),平均80分得0.5分,平均80分以下或有2人以上60分以下,不得分并直接定为不具备条件。
注2:实际考核满枝要求得1分,基本满枝要求得0.5分,不满足要求不得分。
注3:其他作业人员有上岗证得1分,不全得0.5分,无不得分。
注4:符合要求得1分,基本符合要求但有缺陷得0.5分,符合要求、不适用、无不得分。
注5:最终评定分少于80分,定为不具备条件,最终评定分少于81-90分定为基本具备条件,最终评定分90分以上定为具备条件。
压力管道元件制造许可
1文档收集于互联网,如有不妥请联系删除.
压力管道元件制造许可
2文档收集于互联网,如有不妥请联系删除.
压力管道元件制造许可
3文档收集于互联网,如有不妥请联系删除.
压力管道元件制造许可
4文档收集于互联网,如有不妥请联系删除.
压力管道元件制造许可
5文档收集于互联网,如有不妥请联系删除.
压力管道元件制造许可
6文档收集于互联网,如有不妥请联系删除.
压力管道元件制造许可
7文档收集于互联网,如有不妥请联系删除.
压力管道元件制造许可
8文档收集于互联网,如有不妥请联系删除.。