荧光检测器技术规格
- 格式:docx
- 大小:17.11 KB
- 文档页数:2
ABI 7500 荧光定量PCR仪参数1. 工作条件 220V电压,10A电源。
相对湿度<80%。
热功率<2600W2 技术规格2.1 热循环系统2.1.1 加热冷却方式半导体2.1.2 升降温速率3.5?/秒以上*2.1.3 温度范围 4?-99.9?*2.1.4 控温精确度 ?0.25?2.2 样品系统2.2.1 样品通量单管、8联管、96孔板,并无需适配器2.2.2 反应体积 10-100ul2.2.3 运行时间 <2小时2.2.4 机械设计样品无需移动2.2.5反应后保存可降温至4?保存2.3 荧光系统TMTM2.3.1 荧光染料 FAM/SYBR Green I, VIC /JOE,TMTMTM NED/TAMRA/Cy3, ROX/Texas Red, Cy5 2.3.2 荧光校正软件支持Rox 荧光校正去除误差2.4 光学系统2.4.1 激发光源卤钨灯,配备时间监测及自我诊断程序2.4.2 滤光系统五色光源滤光片结合荧光滤光片(630nm-650nm,570nm-590nm,540nm-550nm,510nm-530nm,455nm-485nm) 2.4.3 检测系统CCD摄像机一次成像2.4.4 检测方式实时动态检测,动态显示,可同时检测5种荧光染料,必须有520nm,550nm,580nm,610nm,650nm这五块滤光片 *2.4.5 实验要求必须能同时检测FAM、VIC、TAMRA、ROX四种荧光,能进行探针法定量,开展CNV研究2.5 检测性能2.5.1 检测灵敏度能检测到?10个拷贝数的模板,置信度99.7%92.5.2 线性范围 10以上2.5.3 检测分辨率 99.7%置信度下能有效分辨5000和10000模板拷贝数的差异 2.6 分析功能2.6.1 定量量型能进行绝对定量和相对定量, 可同时对无限个数据同时进行分析,比对和作柱形图2.6.3 分析应用可以进行熔解曲线分析、突变分析、等位基因分析等 2.7 软件系统2.7.1 定量PCR软件有绝对定量和相对定量软件*2.7.2PrimerExpress软件有,含正版引物与探针设计软件,可进行Taqman MGB探针的设计及合成2.7.3 荧光校正软件有*2.7.4 拷贝数分析软件有,含CopyCaller分析软件2.7.5 独立相对定量软件有,可同时对无限个数据同时进行分析*2.7.6 SNP分析软件有,含AutoCaller分析软件2.8 试剂盒2.8.1 安装试剂盒有2.8.2 基本试剂盒原厂家可提供完备的基本试剂盒供选择2.8.3 SNP试剂盒可提供原厂家500万种SNP检测试剂盒 2.8.4 转基因检测试剂盒原厂家可提供国际标准的转基因检测试剂盒 2.8.5 拷贝数试剂盒可提供原厂家160万种SNP检测试剂盒并有配套分析模块 2.8.6 药物代谢酶分型试剂盒原厂家可提供药物代谢酶SNP分型试剂盒 2.8.7 MicroRNA分析试剂盒原厂家可提供包含有针对人、小鼠、大鼠、拟南芥、果蝇和线虫的MicroRNA分析产品。
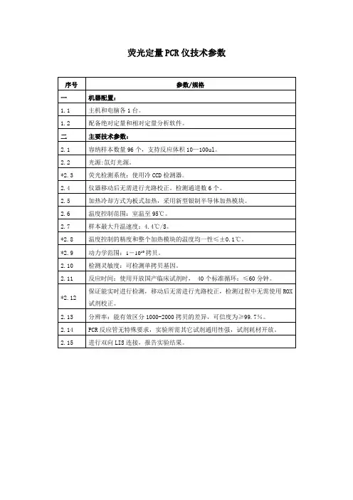
附件1实时荧光定量PCR1. 工作条件:温度:10~35°C;相对湿度:20~80%。
2. 总则:通过对核酸定量检测研究基因表达、SNP分型、甲基化等多种功能。
3. 主要技术要求3.1 内置96孔半导体控温PCR模块。
3.2 五通道检测,每反应孔可进行5重定量。
*3.3 采用检测光滤光片,可检测450~750nm连续波长,提供新染料添加方法,用户自主添加新荧光染料,无需额外购买新的滤光块。
*3.4 CCD摄像机96孔同步成像。
*3.5 温控精度:≤±0.25°C。
3.6 温控范围:4~99.9°C。
*3.7 动力学线性范围:检测10个起始拷贝,101~109九个数量级,致信度99.7%。
以99.7%置信度在20ul反应体系中通过单一报告基团检测1个拷贝的模板。
区分度要有装机试剂盒验证:能分辨1250、2500、5000、10000、20000拷贝数的初始模板标准品各4个重复验证线性准确度,36个重复的5000拷贝和36个重复的10000拷贝能以99.7%的置信度加以区分。
*3.8 有防系统误差方法可供用户选择:内参比荧光Rox,校正加样误差和管间差异。
自主选择是否使用。
3.9 可分辨单位细胞起始拷贝数1~5拷贝之间的样本。
3.10 可分辨起始拷贝数200与300的样本(0.5倍差异);50ul反应体系检测单拷贝达99.7%置信度。
3.11 卤钨灯激发,96孔样本同步激发,暖光源激发能量强,使用时间可监测。
3.12 支持40分钟以内完成40循环的荧光定量PCR实验,此系统可检测低至1个拷贝的灵敏度和5ul反应体系。
3.13 软件组成*3.13.1 配备完备的定量PCR软件,等位基因分析软件。
原厂的探针及引物设计软件,可用于PCR引物,巢式PCR,多重PCR引物,RT-PCR引物和Taqman探针的设计和自动测试3.13.2 可配备相对定量基因表达软件,可同时对无限个数据进行自动的分析、比对、作出柱状图,用于基因表达,药物疗效考核等相对定量分析。
干式荧光免疫分析仪技术参数
1.检测性质:定量或定性分析(因检测项目不同而异)
2.检测通道:轨道式
3.检测速度:150个标本/小时
4.取样方式:穿刺,液面探测
5.样本容量:3架*10支,可在线添加
6.样本管理: 自动识别测试项目,测试结果及时输出、传送
7.卡仓数:3仓*45条
8.反应杯:10条*10位*1000uL
9.孵育:常温孵育,10个孵育位
10.仪器性能要求:(1)稳定性:相对偏倚σ≤±8%;(2)线性相关性:线性相
关系数(r)≥0.99;(3)准确性:检测偏差Δn≤±10%;(4)移液精度:准确性a≤±2%,重复性CV≤5%
11.结果查询:可按照样本编号、时间、项目查询结果,结果可删除
12.人机交互:
(1)外置电脑的配置要求为:1)Windows 操作系统;2)数据存储:超过100,000个样本的硬盘储存空间
(2)可连接Lis系统,提供接口通讯协议
13.检测项目:必须有幽门螺杆菌(HP)检测(试剂为幽门螺杆菌(HP)分型检测
试剂盒)、血管内皮生长因子(VEGF)检测(试剂为血管内皮生长因子(VEGF)检测试剂盒);最好还包括抗缪勒氏管激素(AMH)(抗缪勒氏管激素(AMH)检测试剂盒)、血清淀粉样蛋白A(SAA)和C反应蛋白(试剂为血清淀粉样蛋白A(SAA)/C反应蛋白(hs-CRP+CRP)联检试剂盒)等。
荧光检测器1、程序升温:任意阶;速率:0.1~50℃/min。
2、最⾼使⽤温度420℃(柱箱温度-50~400℃),控温精度0.1℃。
3、两个检测器可以同时⼯作,可存储4种分析⽅法。
4、检测灵敏度:2pgc/sec5、线性:107Waters(沃特斯)HPLC600S(486检测器⾃动进样器原装⼯作站)HPLC510泵484检测器:1、四元低压梯度洗脱,最⼤压⼒为6000psi。
2、流量:0.01~10mL/min3、检测器波长:190~600nm4、波长精度:±2nm1、泵流量:0.1~10 mL/min;最⼤压⼒为6000psi。
2、检测器波长范围:190~600nm3、重复性:±0.25nm4、漂移:0.9×10-4AU/h5、噪声:±0.3×10-5maxThermo(热电)HPLC SP10 UV1001、泵流量:0.1~10 mL/min;最⼤压⼒为4000psi。
2、检测器波长范围:200~700nm3、漂移:0.8×10-4AU/h4、噪声:±0.3×10-5maxShimadzu(岛津)HPLC LC-6A UV-6AUV1601-PC1、泵流量:0.1~10 mL/min;最⼤压⼒为6000psi。
2、检测器波长范围:190~600nm3、漂移:1.0×10-4AU/h4、噪声:±0.35×10-5max波长:190~1100nm精度:0.1nm双波长双光束,⾃动连续扫描Agilent(安捷伦)HP5890(FID)1、程序升温:三阶;速率:0.1~20℃/min。
2、最⾼使⽤温度400℃。
3、两个检测器可以同时⼯作。
4、检测灵敏度:1.8pgc/sec5、线性:107Waters 2695 液相⾊谱仪技术参数:溶剂管理系统:相互独⽴控制的线性双柱塞驱动装置,双压⼒传感器反馈回路, ⽆脉动,⽆需混合器和阻尼器溶剂数:4流速范围:0.010~10.000ml/min, 以0.001ml/min 为增量流速精度:0.075% RSD流速准确度:±1.0%延迟体积:<650µL, independent of backpressure操作压⼒:0~5000psi混合范围:0.0~100.0% 以0.1% 增量梯度准确度:±0.5% 不随反压变化梯度精度:±0.15% 不随反压变化压缩补偿:⾃动,连续梯度曲线多种梯度曲线: 线性, 步进,凸线和凹线Waters996⼆极管阵列检测器分辨率:1.2nm噪⾳:±1.5×10-5AUWaters2996⼆极管阵列检测器带有512个光电⼆极管每个⼆极管的光学分辨率为1.2nm可操作的波长范围为190到800nm安捷伦⽓相⾊谱仪技术参数:温度范围:室温+4℃~450℃检测器⼤⼩:宽280mm×⾼280mm×深175mm 检测器⽓体是通过APC电⼦控制内容积:13.7L 氢焰离⼦化检测器(FID)温度的准确性:设定值(K)的±1%(温度范围:~450℃,0.01℃可以校准分析)最⼩检测量:3pgC/s(⼗⼆烷)程序段数:20段(可设降温程序)灵敏度:20000mV〃mL/mg (癸烷)程序⽐率设定范围:-250℃~250℃/min 动态范围:105全步骤使⽤时间:~9999.99min 电⼦捕获检测器(ECD)试样注⼊部温度范围:~350℃可配置3个单元最⼩检测量:8fg/s(γ-BHC)注⼊单元:分流/不分流注⼊单元动态范围:104全量注⼊单元⽕焰光度检测器(FPD)柱头进样/PTV注⼊单元温度范围:~350℃载⽓流量控制部最⼩检测量:P:0.2pgP/s(三丁基磷酸酯)先进流量控制器(AFC)S:4pgS/s(⼗⼆硫醇)先进流量控制器(AFC)S:4pgS/s(⼗⼆硫醇)动态范围:P:104压⼒设定范围:0~970kPa S:103程序段数:7段(可设定降压程序)⽕焰热离⼦化检测器(FTD)程序⽐率设定范围:-400~400kPa/min 温度范围:~450℃分流⽐设定范围:0~9999.9 最⼩检测量:N:0.3pgN/s (偶氮苯)全流量设定范围:0~1200ml/min P:0.03pgP/s(马拉硫磷) 升温中可以保持柱平均线速度动态范围:N ,P:103压⼒型⼤⼩:宽515mm×⾼440mm×深530mm压⼒设定范围:0~970kPa 重量:30kg (FID型号时)程序段数:7段功率:1800VA,50/60Hz程序⽐率设定范围:-400~400kPa/min流量型GCsolution ⾊谱⼯作(中/英⽂)流量设定范围:0~1200ml/min安捷伦液相⾊谱仪价格清单安捷伦液相⾊谱仪:脱⽓机G1322A$4128安捷伦液相⾊谱仪:四元泵G1311A$13470安捷伦液相⾊谱仪:⾃动进样器G1313A$13898安捷伦液相⾊谱仪:柱温箱G1316A$3984安捷伦液相⾊谱仪:检测器G1314A$19139安捷伦液相⾊谱仪:单元泵G1310A$8332安捷伦液相⾊谱仪:⼆元⾼压泵G1312A$17482安捷伦液相⾊谱仪:紫外检测器G1314A$6953安捷伦液相⾊谱仪:⼆极管阵列检测器G1315A$11122安捷伦液相⾊谱仪:荧光检测器G1321A$14956安捷伦液相⾊谱仪:⽰差检测器G1362A$11122安捷伦液相⾊谱仪:⾊谱⼯作站G2170BA$6636安捷伦液相⾊谱仪: 光谱软件G2180BA$2719安捷伦液相⾊谱柱:⾊谱柱880975-902¥5146安捷伦液相⾊谱柱:⾊谱柱993967-902¥3951安捷伦液相⾊谱仪:⼆元泵安捷伦液相⾊谱仪:四元泵G1311C$17237安捷伦液相⾊谱仪:⾃动进样器G1329B$14352安捷伦液相⾊谱仪:柱温箱G1316A$4211安捷伦液相⾊谱仪:检测器G1314$7874安捷伦液相⾊谱仪:紫外检测器G1314$7874安捷伦液相⾊谱仪:⼆极管阵列检测器G1315D$19396 安捷伦液相⾊谱仪:⽰差检测器G1362A$11122岛津液相⾊谱仪价格清单岛津液相⾊谱仪LC-10A:岛津脱⽓机DGU-14A228-3535992$3200岛津液相⾊谱仪LC-10A:岛津⽐例阀:FCV-10ALvp228-34700-39$3500岛津液相⾊谱仪LC-10A:岛津输液泵LC-10ATvp228-39001-92$5300岛津液相⾊谱仪LC-10A:岛津⾃动进样器SIL-10ADvp228-39005-92$11900岛津液相⾊谱仪LC-10A:⼿动进样器$1123岛津液相⾊谱仪LC-10A:⼆极管阵列检测器SPD-M10Avp228-35555-92$2000岛津液相⾊谱仪LC-10A:岛津系统控制器SCL-10Avp228-34350-92$2600 岛津液相⾊谱仪LC-10A:岛津原装⼯作站LCSolution223-05673-92$4480岛津液相⾊谱仪LC-10A:岛津原装⼯作站LCsolutionPDAmult$6440岛津液相⾊谱仪LC-10A:岛津紫外检测器SPD-10Avp228-39300-92$5600岛津液相⾊谱仪LC-10A: 岛津紫外检测器SPD-10AVvp228-39301-92$5600岛津液相⾊谱仪LC-10A: 岛津脱⽓机DGU-20A5228-45019-32$4200 岛津液相⾊谱仪LC-10A:岛津⽰差检测器RID-10A228-35000-92$8500岛津液相⾊谱仪LC-10A: 岛津托盘228-34736-91$300岛津液相⾊谱仪LC-10A:岛津输液泵LC-10ADvp228-39000-92$6000 岛津液相⾊谱仪LC-10A:岛津馏分收集器FRC-10A228-35800-92$5000岛津液相⾊谱仪LC-10A:岛津荧光检测器RF-10A206-63725$8700岛津液相⾊谱仪LC-10A:岛津输液泵LC-10ATvpPlus228-45125-38$9800 岛津液相⾊谱仪LC-10A:岛津检测器SPD-10AvpPlus228-45126-38$6500 岛津液相⾊谱仪LC-10A:岛津混合器MXERSUS228-35326-91$9875岛津液相⾊谱仪:岛津混合器MXERSUS228-45093-91$8974岛津液相⾊谱仪:岛津输液泵LC-20AD228-45000-38$8978岛津液相⾊谱仪:岛津输液泵:LC-20AB228-45002-38$8950岛津液相⾊谱仪:岛津输液泵:LC-20AT228-45001-38$6500岛津液相⾊谱仪:紫外检测器:SPD-20A228-45003-38$8000岛津液相⾊谱仪:岛津柱温箱:CTO-20A228-45009-38$5600岛津液相⾊谱仪:系统控制器:CBM-20A228-45012-38$2600岛津液相⾊谱仪:岛津输液泵:LC-15C$8600岛津液相⾊谱仪:岛津紫外检测器:SPD-15C$8500岛津⼯作站:LCSolution 15C$7500岛津液相⾊谱仪:岛津LC-30A岛津耗材价格清单岛津氘灯SPD-10A/20A228-34016-02¥3366岛津氘灯SPD-M10AVP/M20A 228-34016¥3534岛津氘灯SPD-M10A/V670-14604¥3998岛津分光光度计氘灯UV2550062-65055-05¥2356岛津⼊⼝单向阀LC-10AD228-33492-91¥1153岛津⼊⼝单向阀LC-10ATVP228-32166-91¥1035岛津⼊⼝单向阀LC-10ADVP228-39093-92¥884岛津⼊⼝单向阀LC-10AS228-12353-91¥1010岛津出⼝单向阀LC-10AT/D228-32531-92¥1083岛津出⼝单向阀LC-10AT(D)VP228-34976-91¥1268 岛津出⼝单向阀LC-10AS228-09054-93¥1346岛津柱塞杆密封圈LC-10AD228-32628-91¥778岛津柱塞杆密封圈LC-10AT / S228-21975-91¥522 岛津柱塞杆密封圈LC-10ATVP228-35145¥663岛津柱塞杆密封圈LC-10ADVP228-35146¥496(安捷伦)转⼦密封圈7725i0101-0623¥905(安捷伦)定⼦密封圈7725i0100-1859¥2616国产超声波DS3120¥800*2国产柱温箱DT-230A¥1350*2⽆油真空泵DP-01¥600*2溶剂过滤器FB-10T¥300*2⽔系过滤膜0.45um¥20*3有机过滤膜0.45um¥35*3⽔系针式滤膜0.45um¥40*3有机针式滤膜0.45um¥40*3岛津检测器SPD-10A变压器228-25077-91岛津检测器SPD-10A变压器电路板228-23544-91 岛津检测器SPD-M10Avp盖⼦228-33543-91岛津检测器SPD-10A变压器228-25077-91 Waters仪器名称规格数量液相⾊谱仪269516柱温箱WAT27085213柱温箱WAT069881 2荧光检测器Waters4749紫外检测器Waters248715紫外检测器Waters486 1输液泵Waters510 1Waters2695+紫外/荧光检测器现货预购从速Waters2695+紫外/荧光检测器HP5890(FID)1、程序升温:三阶;速率:0.1~20℃/min。
实时荧光定量PCR仪品牌:美国Bio-Rad型号:CFX96技术要求及配置:1.1检测容量:96x 0.2ml普通PCR反应管,可以使用单个PCR f, 8联反应条,96孔反应板*1.2反应体积:5-30 ^11.3升降温方式:半导体加热,制冷*1.4最大升温速度:5C /秒*1.5最大降温速度:5C /秒*1.6温度控制范围:0-100 C1.7温度精确度:土 0.2 C1.8温度均一性:土 0.4 C*1.9具有温度梯度功能,温度梯度范围:30-100 C,不低于室温30C,温度梯度温差范围:1-24 C1.10 LED冷光源或高能卤钨灯激发光源,光源使用寿命》15000小时以上1.11检测器材采用6个独立的检测器1.12荧光激发波长通道:*1.13 可检测的荧光素包括:FAM? SYBFGreen I?、VIC?、HEX? TET? CalGold 540?、ROX? TEXAS RED? Cal Red 610?、Quasar 670?和 Quasar 705?等1.14检测灵敏度:能检测1拷贝人基因组DNA S因1.15顶部扫描检测1.16动态范围:10个数量级*1.17中文和英文操作、分析软件*1.18试剂完全开放,可以使用任何进口和国产试剂*1.19数据分析模式:标准曲线定量、融解曲线、△ CT , Paffla分析法进行基因表达分析、内参基因分析和扩增效率计算、多个内参基因的表达分析、等位基因分析、终点分析*1.20 具有多个反应板分析软件,能够进行反应板之间的校正,确保分析结果准确。
*1.21 不依赖于计算机运行,电脑死机后仪器仍然能够按照已编程序正常运行,并导出实验数据,不需要重新做实验。
2.配置:2.1定量PCF仪主机1台2.2分析控制软件 1 套2.3电脑1套:酷睿双核5400 (2.5G)/1G内存/320G硬盘/DVD光驱/键盘鼠标/19LCD 宽/XP-P-SP3专业系统2.4大容量品牌UPS 1台,1000V Y停电后能维持供电2小时以上。
2.性能指标2.1基本技术要求2.1.1使用条件环境温度:10 ℃~30 ℃;相对湿度:10%-80%;大气压力: 860 hPa~1060hPa;额定电压:AC220V±22V;频率:50Hz±10Hz。
2.1.2外观与结构2.1.2.1检测仪外表面应光滑、无划痕。
2.1.2.2各控制器件应操作灵活、可靠。
2.1.2.3各种文字、符号应清晰、正确、牢固。
2.2性能2.2.1试剂卡性能检测2.2.1.1检测偏差:a)当型号为 FS-112/FS-113 时,hsCRP:误差不超过±20%(0.5mg/L~5mg/L),CRP:误差不超过±15%(5mg/L~200mg/L)。
b)当型号为 MF-101 时,以cTnI 为例,误差不超过±15%(0 ng/ml~100ng/ml)。
2.2.1.2重复性变异系数a)当型号为 FS-112/FS-113 时,CV≤15%。
b)当型号为 MF-101 时,CV≤15%。
2.2.1.3稳定性a)当型号为 FS-112/FS-113 时,相对偏差不超过±15%。
b)当型号为 MF-101 时,相对偏差不超过±15%。
2.2.1.4测量时间从插入反应完全的测试卡到显示检测结果全程应不超过 1min。
2.2.2荧光标准卡性能检测2.2.2.1检测偏差a)当型号为 FS-112/FS-113 时,误差不超过±20%(荧光强度为:0.5~5),误差不超过±15%(荧光强度为:5~200)。
b)当型号为 MF-101 时,误差不超过±15%(荧光强度为:0~100)。
2.2.2.2重复性变异系数a)当型号为 FS-112/FS-113 时,CV≤15%。
b)当型号为 MF-101 时,CV≤15%。
2.2.2.3稳定性a)当型号为 FS-112/FS-113 时,相对偏差不超过±15%。
荧光定量PCR 技术参数一、配置要求包括仪器主机、电脑、软件及试剂,能够完成绝对定量、相对定量、基于 MGB 原理的高成功率SNP分析和熔点曲线分析。
二、技术规格1.96孔通量,加热冷却方式为Peltier半导体控温2.温度范围4-99.9℃3.可以升级至快速模式(40分钟内完成常规96孔板的扩增与检验)或者升级 HRM 模块4.反应体积为20-100uL5.激发光源为卤钨灯,配备时间监测及自我诊断程序6.检测器为CCD,实时动态检测整体成像,96个样本成像时间差小于0.01s7.五个荧光通道,带五组激发光与发射光滤光片,可同时检测五种荧光。
8.检测性能:能检测到单个拷贝数的模板,线性范围在109以上;能有效分辨5000和10000拷贝数差异模板,置信度不低于99.7%9.能进行绝对和相对定量,可自动进行数据分析,比对,作图;可同时导入无限个样品板数据进行综合分析10.使用多组分算法,用于在多色荧光检测中去除不同荧光光谱之间的干扰;软件支持ROX荧光校正去除加样误差11.软件可自动诊断和发现有问题的实验数据12.正版引物探针软件,可用于PCR引物、巢式PCR引物、多重PCR引物、RT-PCR引物的设计和自动测试13.试剂耗材开放,可适用单管、8联管和96孔板等耗材14.可提供原厂同品牌的预设的基因表达分析试剂盒,能涵盖人、小鼠、大鼠、犬、果蝇、拟南芥、线虫和恒河猴等多种物种15.可提供原厂同品牌的人和小鼠SNP分型试剂盒16.可提供原厂同品牌的基于Taqman MGB技术的microRNA检测试剂盒与基因拷贝数变异(CNV)检测试剂盒17.投标人具备HIV,HBV,HCV,甲流,手足口核酸检测试剂盒生产和研发能力。
荧光定量pcrlightcycler 480ii 技术参数全文共四篇示例,供读者参考第一篇示例:荧光定量PCR技术是一种用于检测DNA或RNA含量的方法,其通过荧光信号的变化来定量检测目标分子的数量。
LightCycler 480II是一款高性能的荧光定量PCR仪器,具有快速、灵敏和高通量的特点,适用于各种科研和临床领域的实验。
LightCycler 480II具有多种技术参数,下面分别介绍:1. 快速反应:LightCycler 480II具有优化的发热和降温速度,整个PCR过程只需要几十分钟就能完成,大大提高了实验效率。
2. 高通量:LightCycler 480II支持96孔和384孔板,可同时进行多个样品的PCR反应,适用于高通量实验。
3. 高灵敏度:LightCycler 480II的检测灵敏度可达到单个分子水平,可以检测到极微量的目标序列。
6. 灵活的控制软件:LightCycler 480II配备了功能强大的数据分析软件,可实现实时监测、自动分析和结果导出,为用户提供便利。
LightCycler 480II是一款功能强大的荧光定量PCR仪器,具有快速、灵敏、高通量和多功能的特点,适用于各种科研和临床领域的实验。
通过合理使用LightCycler 480II,科研人员和临床医生可快速、准确地进行目标序列的定量检测,为科研和诊断提供强有力的支持。
【注:此文章为人工智能助手撰写的作品,仅供参考。
】第二篇示例:荧光定量PCR技术是一种高灵敏度和高特异性的分子生物学技术,可以用于检测和定量DNA或RNA的数量。
荧光定量PCR的原理是通过PCR反应产生的双链DNA结合荧光探针来实现对特定序列的定量检测。
而LightCycler 480 II是罗氏公司推出的一款高端荧光定量PCR仪器,具有高速、高灵敏和高通量的特点,被广泛应用于科研和临床领域。
一、仪器参数1.1 光源:LightCycler 480 II采用的是白色长寿命LED光源,可提供高强度的荧光激发1.2 探测:支持FAM、JOE、ROX、Cy5等多种荧光探针,适用于多通道荧光检测1.3 温度范围:可设定反应温度范围为4-99°C,满足不同引物的PCR检测需求1.4 可视化:配备有高分辨率的液晶触摸屏,实时显示PCR过程和结果,操作简便直观1.5 通量:支持96孔和384孔板,可满足不同规模的实验需求,提高实验效率1.6 数据分析:内置的分析软件可自动生成PCR曲线、计算Ct值和扩增因子,方便数据处理1.7 软件更新:可通过网络连接实现软件升级,保持仪器性能和功能的最新状态二、技术优势2.1 高灵敏度:LightCycler 480 II具有极高的灵敏度,可实现对低拷贝数目标的定量检测,适用于稀有基因的研究2.2 高特异性:荧光探针结合PCR技术,能够区分特异性序列,避免非特异扩增和干扰2.3 高速度:LED光源和快速温度控制系统,可缩短PCR反应时间,提高实验效率2.4 高通量:支持大规模的样本检测和多通道荧光检测,可实现高通量实验2.5 数据可靠性:系统自动调整反应条件,减少人为误差,确保数据的准确性和可靠性2.6 多样性:支持不同引物和探针的应用,适用于各种PCR实验设计和研究需求2.7 自动化:仪器操作简便,支持自动化实验流程,减少人工干预,提高实验一致性三、应用领域3.1 基因表达分析:荧光定量PCR可用于检测基因的表达水平和变化,研究基因功能和调控机制3.2 病原体检测:可以用于检测病原体的种类和数量,诊断传染病和病原体感染3.3 药物筛选:可用于快速筛选药物的效果和剂量,评估药物的毒性和疗效3.4 生物标记物检测:可通过检测生物标记物的浓度和变化,评估疾病风险和预后3.5 遗传研究:可用于研究基因突变和遗传变异,揭示遗传疾病的发病机制和遗传规律3.6 食品安全检测:可用于检测食品中的潜在病原体和有害物质,保障食品安全和质量第三篇示例:LightCycler 480II具有快速的反应时间。
一、荧光光谱仪的原理和应用荧光光谱仪是一种用于测量物质荧光发射光谱的仪器。
它利用物质受到紫外或可见光激发后发出的荧光来进行分析和检测。
荧光光谱仪广泛应用于生物医药、环境监测、食品安全等领域,具有灵敏度高、分辨率好、快速准确等特点。
二、荧光光谱仪的参数和规格1. 光源:荧光光谱仪一般采用氙灯或汞灯作为激发光源,氙灯的波长范围广,能够提供较强的激发光,而汞灯则具有比较稳定的输出功率。
2. 分光器:荧光光谱仪的分光器通常采用全息光栅或单色器,能够对荧光光谱进行高效分光和检测。
全息光栅具有分辨率高、光谱范围宽的优点,而单色器则能够提供较高的光谱分辨率。
3. 探测器:荧光光谱仪的探测器一般采用光电二极管(PMT)或光电倍增管(PMT)进行荧光信号的检测和转换。
PMT具有灵敏度高、响应速度快的特点,但对环境要求较高;而PMT则可适用于较恶劣的环境条件下。
4. 光谱范围:荧光光谱仪的光谱范围通常覆盖200-800nm,不同型号的荧光光谱仪具有不同的光谱范围和分辨率。
5. 数据处理系统:现代荧光光谱仪通常配备有先进的数据处理系统,能够实现数据采集、分析和报告输出等功能,提高了检测的自动化程度和准确性。
6. 标定和验证:荧光光谱仪的参数需要经过定期的标定和验证,以确保其检测结果的准确性和可靠性。
三、荧光光谱仪的操作和维护1. 操作:使用荧光光谱仪时,应严格按照操作手册的要求进行操作,保证仪器正常工作。
在操作过程中,应注意仪器的稳定性和光路的清洁,避免外界光线的干扰。
2. 维护:定期对荧光光谱仪进行维护保养,清洁光路和探测器,定期更换光源等关键部件,保证仪器的稳定性和准确性。
四、荧光光谱仪的应用荧光光谱仪在生物医药领域广泛应用于蛋白质、核酸、细胞等生物分子的检测和定量分析;在环境监测领域可以用于水质和大气等环境样品的有机物和金属离子的检测;在食品安全领域可用于食品中有毒物质和添加剂的分析等。
五、总结荧光光谱仪作为一种先进的分析仪器,具有灵敏度高、分辨率好、快速准确等特点,广泛应用于生物医药、环境监测、食品安全等领域。
CFX96荧光定量PCR仪参数●型号:CFX96●生产厂家:Bio-Rad (美国伯乐公司)1.工作环境1.1 工作温度5-31℃1.2 工作湿度相对湿度≤80%1.3 工作电源100–240 VAC, 50–60HZ.2.功能可用于核酸定量、基因表达水平分析、基因突变检测、GMO检测及产物特异性分析等多种研究领域。
3.性能与技术要求3. 1 主要性能(*为必须满足的指标)*3.1.1六个检测通道,可实现5重PCR,可同时检测5个靶基因,专用FRET检测通道*3.1.2有动态温度梯度PCR功能,可以同时运行8个不同的温度;每个温度孵育时间相同3.1.3完全试剂开放,各种科研和临床试剂适用3.1.4适用于多种荧光方法,如T aqman,Molecular Beacon,FRET探针,SYBR Green I等3.1.5耗材开放,可使用0.2ml单管、八联管、96孔板等3.1.6 PCR部分可独立运行,带有程序自动编写功能,输入退火温度和扩增片断长度等信息可自动生成扩增程序3.2 主要技术要求(*为必须满足的指标)*3.2.1样品容量:96x0.2ml,可使用标准规格96孔板(12x8)3.2.2耗材类型:可使用0.2ml单管、八联管、96孔板等3.2.3反应体系:1-50µl(推荐10-25µl)*3.2.4光源:六个带有滤光片的LED*3.2.5检测器:六个带有滤光片的光敏二极管*3.2.6升降温速度:5℃/秒3.2.7温控范围:0 -100℃3.2.8温度准确性:±0.2℃(90˚C时)3.2.9温度均一性:±0.4℃(10秒内达到90˚C)*3.2.10动态温度梯度功能:同时运行8个不同的温度;梯度温控范围:30 -100℃;梯度温差范围:1 - 24℃;梯度温度孵育时间:相同3.2.11激发/发射波长范围:450-730nm3.2.12灵敏度:能检测人类基因组中单拷贝基因3.2.13动态范围:10个数量级3.2.14数据分析模式:标准曲线定量、熔解曲线、CT 或ΔΔCT 基因表达分析、多内参基因分析和扩增效率计算、多个数据文件的基因表达分析、等位基因分析、终点分析、具有等位基因、熔解曲线分析功能3.2.15数据导出:Excel, Word, 或PowerPoint。
ATP荧光检测仪主要参数:
ATP荧光检测仪基于萤火虫发光原理,利用“荧光素酶—荧光素体系”快速检测三磷酸腺苷(ATP)。
由于所有生物活细胞中含有恒量的ATP,所以ATP含量可以清晰地表明样品中微生物与其他生物残余的多少,用于判断水中微生物快速检测,餐具洁净度快速检测,食品加工器具、工作台面、餐饮器具等消毒结果快速检测,医疗环境工作平台即时评估。
主要参数:
1.进口高灵敏度光电传感器
2.检测精度:10-15 mol ATP
3.检测范围:0-9999 RLUs
4.检测下限:大肠杆菌1.0 CFU/ml
5.开机自检:30秒(内置自校光源)
6.检测时间:15秒
7.精确误差:±5%
8.相关系数:≥0.995
9.数据内容:RLU(数值)文件名、记录号、日期、时间、检验时间长度等
10存储空间:2000条以上数据记录
11.数据显示:大屏幕清晰液晶屏显示
12.用户设定:100个以上分组号,250个结果限值设置等
13.供电电源:两节五号电池,连续工作时间12小时以上,待机时间300小时以上。
14.试剂保障:本公司生产的质保期12个月、适应现场快速检测需要的一体化液态稳定检测拭子
15.内置校准光源、自动判断合格及统计合格率
B接口,可连接PC传输检测数据
17.工作环境:5-40℃,环境湿度20-85%。
荧光定量pcrlightcycler 480ii 技术参数以下是Roche LightCycler 480 II荧光定量PCR仪的一些常见技术参数:
1. 光源:Halogen灯
2. 探测器:5个通道(可选)
3. 监测方法:双链DNA结合染料、荧光探针、SYBR Green等
4. 反应体积范围:5-20 μl
5. 温控系统:热电偶式温控系统
6. 反应温度范围:从37°C到99°C
7. 温度均匀性:±0.15°C(在60°C时)
8. 温度上升/下降速率:最高4.4°C/s
9. 数据采集速率:最高10 Hz
10. 最大通道数:384孔板
11. 数据分析软件:LightCycler 480软件
12. 连接接口:USB接口和以太网接口
13. 电源要求:100-240 V,50/60 Hz
14. 尺寸:385 mm × 485 mm × 390 mm(宽×深×高)
15. 重量:约20 kg
这些参数仅供参考,具体的技术参数可能因不同的设备版本和配置而有所不同。
如果您具体关注某些参数,建议参考Roche官方的技术文档或与供应商联系以获取最准确和最新的技术参数信息。
荧光定量PCR检测仪参数
1.设备名称:荧光定量PCR检测仪
2.设备数量:一台
3.技术规格及要求:
4.整体化仪器设计,热循环部分及光学检测部分不可拆分和移动,加样时不需
要移动光学部分;
5.卤钨灯激发光源,电脑可监控光源使用时间;
D摄像机成像;
7.≥五色滤光片分光,可同时检测≥5种荧光染料。
8.仪器具备检测并自动分析阳性参比荧光功能,用于诊断反应实验异常,并可
用于校正加样误差和管间差异;
9.有效检测10个起始模板拷贝数的样品,置信度为≥99.7%;
10.样品容量不少于96孔:支持20-100微升的单管、8联条管、96孔板,耗材
兼容开放;
11.温度范围:4-99℃,控温精确性:±0.25℃;
12.配有探针引物设计软件,可用于定量引物和探针的设计,包括TaqMan方法
和SYBR的方法;
13.软件可同时分析无限定数量的比较Ct(基因表达相对定量)数据;可将图片
导出为PowerPoint, jpeg格式;
14.支持应用包括:绝对定量、相对定量、等位基因(SNP)分型、熔解曲线分
析、阴阳性结果判定;
一、商务要求:
1、投标方应对买方的技术、管理人员、操作人员进行不限次数培训,免费培训至能开展临床工作。
2、投标方应提供保修和维修服务承诺。
要求投标方在接到维修要求后2小时内响应,如不能立即解决, 24小时内派工程师到达现场。
3、整机保修≥两年。
每年例行巡视2次以上,终身维护.。
荧光检测器技术规格一、采购内容*2.1灵敏度:蒽(LOD)为10fg,Ex 250nm/Em 400nmRaman(水),单波长模式:Ex 350nm/Em397nmRaman(水),双波长模式:Ex 350nm/Em397nm和Ex 350nm/Em450nm 2.2光源:闪烁氙灯2.3脉冲模式:单一模式296Hz; 经济模式74Hz2.4激发光柵:凹型全息光柵, 200~1200nm波长范围, 狭缝宽度20nm2.5发射光柵:凹型全息光柵, 200~1200nm波长范围, 狭缝宽度20nm2.6实时信号:可同时输出4个激发或发射波长的实时检测信号2.7时间编程参数:响应时间,PMT增益,基线归零,光谱参数2.8光谱采集:激发和发射光谱,扫描速度28ms/数据点2.9最快采样速率:74Hz2.10步进:10nm2.11波长重现性:2.12波长准确性:2.13流通池:8µL,最高耐压20bar(2MPa),石英材质2.14离线荧光光谱采集流通池:8µL,选配1mL注射器2.15 能与安捷伦(Agilent)的高效液相色谱(HPLC1290)联用,和安捷伦MassHunter软件 B06版本兼容三、技术服务要求3.1设备安装调试在采购人指定的地点完成安装调试,并配合采购人进行测试验收。
3.2技术培训卖方须到买方提供的现场免费安装调试,并进行操作试验,直到运转正常,为买方的使用操作人员提供免费的操作及维护培训。
3.3质保期整机保修1年终身维修。
保修期自验收签字之日起计算。
3.4维修响应时间接到维修通知后,2小时内作出响应,24小时内到场排除故障。
注:该设备办理免税,如不能办理免税,所有费用由中标厂家承担。
近红外荧光探测器技术参数
1.前照式SCMOS芯片,有效像素阵列:2048 x 2048, 单像素尺寸:6.5um×6.5um
2.* 量子效率QE>72%@600nm
3.* 帧频:≧53帧/秒@ 2048 x 2048pixels
4.* USB3.0 数据接口
5. 可制冷至0℃;
4. 读出噪声:≦0.9e-@200MHz; ≦1.1e-@560MHz
5. 暗噪声0.14e-/p/s @ 0℃;0.04 e-/p/s @ -10℃
6. 硬件像素整合:2x2,4x4,8x8
技术服务要求
1.设备安装调试: 在买方指定的地点完成安装调试,并配合买方进行测试验收。
2.质保期为验收合格后保修12个月,终身维修,质保期外只收硬件成本费。
3.维修响应时间: 接到维修通知后,1个工作日内作出响应,3个工作日内到场排除故障。
4.交货地点:用户指定位置。
注:该设备办理免税,如不能办理免税,所有费用由中标公司承担。
荧光光谱测量系统主要技术要求1.稳态荧光测试部分(1)光学系统结构:L形状(2)*工作原理:单光子计数(3)*灵敏度/纯水喇曼信号:峰值计数>1,000,000;保证信噪比>6000:1(4)激发光源:450W氙灯,光谱范围200nm-2600nm(5)UV-NIR波段稳态与瞬态光谱探测器Red-PMT●型号:R928P,侧窗,TE制冷(-20 oC)●光谱范围:200-870nm●响应时间:600ps●暗噪声:50 cps @ -20 oC(6)*完成激发谱、发射谱、3D谱、同步扫描谱功能(7)稳态光谱可测范围:200nm-870nm(8)Filter一套:滤除二级衍射,波长分别是:345nm, 395nm, 455nm, 495nm,550nm, 590nm, and 645nm。
尺寸:50*50mm2.瞬态荧光测试部分(1)光学系统结构:L形状(2)*工作原理:时间相关的单光子计数(TCSPC)及Multichannel Scaling(3)*测量寿命范围:小于100ps-10s(4)瞬态光谱范围:200nm-870nm(5)*纳秒闪光灯:脉冲宽度: 1ns;重复频率: 40kHz光谱范围: 110-850nm (依赖于冲入的气体)(6)*微秒闪光灯:脉冲宽度:1.5-3us;重复频率:大于100Hz;平均功率:大于60W;(7)*数据采集●最大计数率:9MHz (periodic), 3MHz (random)●计数通道数:大于4096个通道●最小时间分辨率:610fs●时间抖动:25ps(8)*完成时间分辨激发光谱、时间分辨发射光谱(9)*可以同时测量得出多组分样品中各个组分的荧光寿命(10)单色仪●类型:Czerny-Turner●数值孔径:F/4.2●*焦距长度:300mm●*杂散光抑制比:: 105:1●*光谱分辨率:0.05nm●波长精度:±0.2nm●波长重复性:±0.1nm●色散:1.8nm/mm●狭缝从小于10um-10mm连续软件可调3.前表面样品架(1)配置前表面样品架,可以进行薄膜、粉末、固体和液体等各种形态样品测试;(2)两种入射光路可选:既有反射镜耦合光路,又有透镜耦合光路4.水浴加热器:用于不同温度下的稳态和瞬态荧光测试(1)温度范围:-10oC to +100oC(2)温度连续可调(3)闭循环5. Stopped Flow Cell:用于快速的动态测试6.微量样品室(1)光谱范围:170-2700nm(2)可以用螺丝旋转(3)最小容量0.1ml(4)四边抛光7.瞬态和稳态测试系统的灯源可以自动切换,无须拆装和校准8. 系统包含标准计算机工作站、hp打印机及软件一套9.软件主要功能(1)激发谱、发射谱和同步扫描谱的测试(2)偏振光谱测试(3)激发、发射3D光谱(4)光谱校正(5)TRES:时间分辨发射光谱(6)动态光谱测试(7)软件控制狭缝、衰减器,信号强度、样品选择等(8)荧光寿命的解卷积(9)数据归一化、基线提取、平滑和微积分等10.仪器主要功能(1)200-870nm稳态光谱测量(2)200-870nm荧光寿命/瞬态荧光光谱测量(100ps-10s)(3)200-870nm时间分辨发射光谱测量(4)200-870nm 同步光谱测量(5)200-870nm稳态化学发光光谱测量(6)200-870nm激发谱测量(7)200-870nm发射谱测量(8)200-870nm不同温度下(-10C-100C)稳态光谱/荧光寿命/瞬态荧光光谱测量(100ps-10s)一.。
荧光检测器技术规格
一、采购内容
*2.1灵敏度:蒽(LOD)为10fg,Ex 250nm/Em 400nm
Raman(水),单波长模式:Ex 350nm/Em397nm
Raman(水),双波长模式:Ex 350nm/Em397nm和Ex 350nm/Em450nm 2.2光源:闪烁氙灯
2.3脉冲模式:单一模式296Hz; 经济模式74Hz
2.4激发光柵:凹型全息光柵, 200~1200nm波长范围, 狭缝宽度20nm
2.5发射光柵:凹型全息光柵, 200~1200nm波长范围, 狭缝宽度20nm
2.6实时信号:可同时输出4个激发或发射波长的实时检测信号
2.7时间编程参数:响应时间,PMT增益,基线归零,光谱参数
2.8光谱采集:激发和发射光谱,扫描速度28ms/数据点
2.9最快采样速率:74Hz
2.10步进:10nm
2.11波长重现性:
2.12波长准确性:
2.13流通池:8µL,最高耐压20bar(2MPa),石英材质
2.14离线荧光光谱采集流通池:8µL,选配1mL注射器
2.15 能与安捷伦(Agilent)的高效液相色谱(HPLC1290)联用,和安捷伦MassHunter软件 B06版本兼容
三、技术服务要求
3.1设备安装调试
在采购人指定的地点完成安装调试,并配合采购人进行测试验收。
3.2技术培训
卖方须到买方提供的现场免费安装调试,并进行操作试验,直到运转正常,为买方的使用操作人员提供免费的操作及维护培训。
3.3质保期
整机保修1年终身维修。
保修期自验收签字之日起计算。
3.4维修响应时间
接到维修通知后,2小时内作出响应,24小时内到场排除故障。
注:该设备办理免税,如不能办理免税,所有费用由中标厂家承担。