GD-C5-711198 水性涂料涂饰检验批质量验收记录
- 格式:xls
- 大小:68.50 KB
- 文档页数:1
施工单位检测评定结果监理工程师:(建设单位项目专业技术负责人)注:1.本表由施工项目专业质量检查员填写,监理工程师(建设单位项目技术负责人)组织项目专业质量(技术)负责人进行验收。
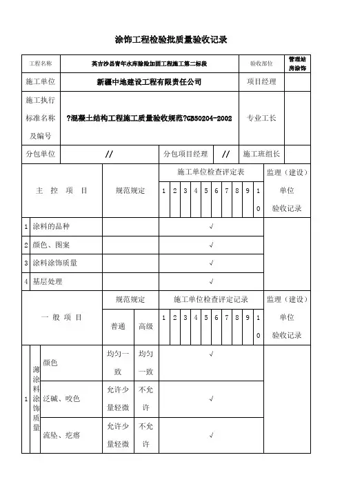
2.记录中定量项目填写数据,定性项目“符合规范要求”水性涂料涂饰工程检验批质量验收记录工程名称莎车县亚克艾日克乡等两乡一镇农村饮水安全工程验收单位管理房室外施工单位喀什长河水利水电工程有限责任公司项目经理施工执行标准名称及编号?混凝土结构工程施工质量验收规范?GB50204-2002专业工长分包单位// 分包项目经理// 施工班组长主控项目规范规定施工单位检查评定表监理(建设)单位验收记录1 |2|3|4|5|6|7 8 9 io1涂料的品种V2 颜色、图案V3 复层涂料颜色均匀一致泛碱、咬色不允许喷点疏密程度均匀、不允许连片4涂层与其他装修材料和设备衔接处检查评定合格项目专业质量检查员:监理(建设)单位验收结论用V标注,结果和结论栏由本人签字。
4 基层处理V一般项目规范规定施工单位检查评定记录普通咼级1|2|3|4|5|6|7 8 9 101 薄涂料涂饰质量颜色均匀一致均匀一致V 泛碱、咬色允许少量轻微不允许V 流坠、疙瘩允许少量轻微不允许V 砂眼、刷纹允许少量轻微无V 装饰线、分色线直角线 2 1 V2 厚涂料颜色均匀一致均匀一致泛碱、咬色允许少量轻微不允许点状分部————疏密均匀3 复层涂料颜色均匀一致泛碱、咬色不允许喷点疏密程度均匀、不允许连片4 涂层与其他装修材料和设备衔接处监理(建设)单位验收记录施工单位检测评定结果检查评定合格项目专业质量检查员:监理(建设)单位验收结论监理工程师:(建设单位项目专业技术负责人):年月日注:1.本表由施工项目专业质量检查员填写,监理工程师(建设单位项目技术负责人)组织项目专业质量(技术)负责人进行验收。
2.记录中定量项目填写数据,定性项目“符合规范要求”用V标注,结果和结论栏由本人签字。
涂料检验批质量验收记录
1. 项目信息
2. 检验批信息
3. 质量验收标准
根据国家标准[标准编号],本次质量验收将按照以下要求进行:
- [验收标准1]
- [验收标准2]
- [验收标准3]
...
4. 检验结果
本次涂料检验批通过以下检验项目的质量验收:
5. 验收结论
经过质量验收,本批涂料符合相关标准要求,可以接受使用。
建议在施工前进行搅拌并按照施工要求进行使用。
6. 验收人员
7. 监督检查
监督检查人员应对涂料质量进行定期检查,以确保施工过程中
质量的稳定性和持续性。
注意事项
1. 本验收记录仅适用于涂料检验批质量验收,不作为法律依据。
2. 如发现涂料存在质量问题,请及时通知生产厂家进行处理。
3. 此记录可作为涂料验收的基本参考,但不承担法律责任。
以上为涂料检验批质量验收记录,请勿篡改或删除任何项目。
若有变动,请更新记录并保存为最新版本。
涂饰工程检验批质量验收记录
注:1.本表由施工项目专业质量检查员填写,监理工程师(建设单位项目技术负责人)组织项目专业质量(技术)负责人进行验收。
2.记录中定量项目填写数据,定性项目“符合规范要求”用√标注,结果和结论栏由本人签字。
注:1.本表由施工项目专业质量检查员填写,监理工程师(建设单位项目技术负责人)组织项目专业质量(技术)负责人进行验收。
2.记录中定量项目填写数据,定性项目“符合规范要求”用√标注,结果和结论栏由本人签字。
注:1.本表由施工项目专业质量检查员填写,监理工程师(建设单位项目技术负责人)组织项目专业质量(技术)负责人进行验收。
2.记录中定量项目填写数据,定性项目“符合规范要求”用√标注,结果和结论栏由本人签字
注:1.本表由施工项目专业质量检查员填写,监理工程师(建设单位项目技术负责人)组织项目专业质量(技术)负责人进行验收。
2.记录中定量项目填写数据,定性项目“符合规范要求”用√标注,结果和结论栏由本人签字。
涂饰工程检验批质量验收记录
注:1.本表由施工项目专业质量检查员填写,监理工程师(建设单位项目技术负责人)组织项目专业质量(技术)负责人进行验收。
2.记录中定量项目填写数据,定性项目“符合规范要求”用√标注,结果和结论栏
由本人签字。
水性涂料涂饰工程检验批质量验收记录
注:1.本表由施工项目专业质量检查员填写,监理工程师(建设单位项目技术负责人)组织项目专业质量(技术)负责人进行验收。
2.记录中定量项目填写数据,定性项目“符合规范要求”用√标注,结果和结论栏
由本人签字。
水性涂料涂饰工程检验批质量验收记录
注:1.本表由施工项目专业质量检查员填写,监理工程师(建设单位项目技术负责人)组织项目专业质量(技术)负责人进行验收。
2.记录中定量项目填写数据,定性项目“符合规范要求”用√标注,结果和结论栏
由本人签字
水性涂料涂饰工程检验批质量验收记录
注:1.本表由施工项目专业质量检查员填写,监理工程师(建设单位项目技术负责人)组织项目专业质量(技术)负责人进行验收。
2.记录中定量项目填写数据,定性项目“符合规范要求”用√标注,结果和结论栏
由本人签字。
涂饰工程检验批质量验收记录
进行验收。
2.记录中定量项目填写数据,定性项目“符合规范要求”
用"标注,结果和结论栏由本人签字。
水性涂料涂饰工程检验批质量验收记录
注:1.本表由施工项目专业质量检查员填写,监理工程师(建设单位项目技术负责人)组织项目专业质量(技术)负责人进行验收。
2.记录中定量项目填写数据,定性项目“符合规范要求”用"标注,结果和结论栏由本人签字。
水性涂料涂饰工程检验批质量验收记录
2.记录中定量项目填写数据,定性项目“符合规范要求”用"标注,结果和结论栏由本人签字
水性涂料涂饰工程检验批质量验收记录
注:1.本表由施工项目专业质量检查员填写,监理工程师(建设单位项目技术负责人)组织项目专业质量(技术)负责人进行验收。
2.记录中定量项目填写数据,定性项目“符合规范要求”用"标注,结果和结论栏由本人签字。
油漆涂料检验批质量验收记录
日期: [填写日期]
检验批号: [填写检验批号]
检验单位: [填写检验单位名称]
1. 项目概述
在此检验批中,对油漆涂料进行质量验收检验,确保其符合要求并达到预期质量标准。
2. 检验对象
被检验的油漆涂料样品。
3. 检验方法
采用以下方法对油漆涂料进行检验:
- 目测检查:外观、颜色、质地等
- 化学分析:成分、稀释度、溶剂含量等
- 物理性能测试:粘度、干燥时间、硬度等
- 耐久性测试:耐热、耐候、耐腐蚀等
4. 检验结果
对被检验的油漆涂料样品进行详细的检验,记录如下:
5. 检验结论
根据上述检验结果,对油漆涂料的质量进行评估和结论,填写如下:
[填写检验结论]
6. 检验人员
- 主检人员: [填写主检人员姓名]
- 协检人员: [填写协检人员姓名]
7. 备注
在此部分填写任何额外的备注或意见。
[填写备注或意见]
审核人意见
经审核,本次油漆涂料检验批质量验收合格。
审核人: [填写审核人姓名]
日期: [填写审核日期]。
检查
结果
1全/全合格2全/全合格3全/全合格4全/全合格1
全/全
合格////////////////////////////////全/全合格全/全
合格全/全
合格
施工单位检查结果
所查项目全部合格
监理单位验收结论
厚
涂料涂饰质量允复层涂饰质量
颜色
泛碱、
咬色流坠、疙瘩
砂眼、刷纹装饰线
、分色线直线
度颜色
泛碱、咬色点状分布专业监理工程师: 年 月 日
主控项目一般项目234专业工长:
项目专业质量检查员:
年 月 日
泛碱、咬色不允许
符合要求喷点疏密程度均匀,不允许连片符合要求
高级涂饰
疏密均匀/
颜色均匀一致符合设计及规范要求
高级涂饰不允许/普通涂饰-/高级涂饰
均匀一致/普通涂饰允许少量轻微/高级涂饰1mm /普通涂饰均匀一致/高级涂饰无砂眼、无刷纹
/普通涂饰2mm /高级涂饰
不允许/普通涂饰允许少量轻微砂眼、刷纹通顺/高级涂饰不允许/普通涂饰允许少量轻微/高级涂饰
均匀一致/普通涂饰
允许少量轻微/与其他材料和设备衔接处
第10.2.9条符合设计及规范要求
普通涂饰均匀一致/薄
涂料涂饰质量
允
许偏差涂饰综合质量第10.2.4条符合设计及规范要求基层处理
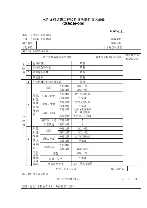
第10.2.5条符合设计及规范要求涂料品种、型号、性能第10.2.2条符合设计及规范要求涂饰颜色和图案第10.2.3条符合设计及规范要求施工依据
施工图、规范验收依据
《建筑装饰装修工程质量验收
规范》GB50210-2001
验收项目
设计要求及规范规定最小/实际抽样数量检查记录
分包单位/
分包单位
项目负责人
/检验批部位
二层走廊立面
乳胶漆
施工单位项目负责人检验批容量1间
水性涂料涂饰检验批质量验收记录
GD-C5-711198
单位(子单位)
工程名称
汕头东岸投资建设有限公司办公室分部(子分部)
工程名称
建筑装饰装修
分项工程名称水性涂料涂饰。