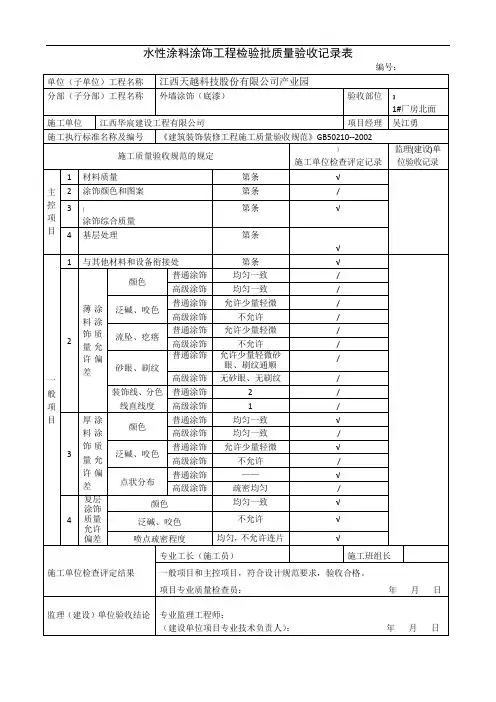
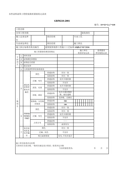
水性涂料涂饰工程检验批评定表
- 格式:xls
- 大小:55.50 KB
- 文档页数:12
乳胶漆质量检验批验收记录水性涂料涂饰工程检验批质量验收记录表
工程名称:XXX—198单位
分部工程名称:
施工单位:
分包单位:
施工执行标准名称及编号:
施工质量验收规范的规定:
1.材料质量
2.涂饰颜色和图案
3.涂饰综合质量
4.基层处理
其中包括与其他材料和设备衔接处的处理以及装饰线、分色线垂直度的处理。
检查项:
1.颜色
2.涂饰质量
3.复层涂饰质量
4.施工质量
评定结果:
1.颜色
2.涂饰质量
3.复层涂饰质量
4.施工质量
其中,第10.2.2条、第10.2.3条、第10.2.4条、第10.2.5条、第10.2.9条的评定标准分别为均匀一致、允许少量轻微、不允许、允许少量轻微砂眼、刷纹通顺。
施工单位检查评定结果应符合设计和规范要求。
监理单位验收记录:
内墙乳胶漆子分部验收部位:
项目经理:
分包项目经理:
主楼一层2:
检查项:
1.薄涂料涂饰质量
2.饰质量和允许偏差
3.泛碱、咬色
4.流坠、疙瘩
5.砂眼、刷纹
验收结论:
符合规范要求。
施工班组长:
检查项:
1.泛碱、咬色
2.点状分布
3.颜色
4.喷点疏密程度
专业工长(施工人员):项目专业质量检查员:监理单位:
专业监理工程师:
验收结论:
符合规范要求。
经建设单位项目专业技术负责人审核确认,此次涂饰工程检验合格。
水性涂料涂饰工程检验批质量验收评定记录表格说明本表适用于乳液型涂料、无机涂料、水溶性涂料等水性涂料涂饰工程的质量验收评定。
主控项目:1.材料的品种、型号和性能:检查产品合格证书、性能检测报告和进场验收记录。
2.颜色和图案:观察检查。
3.涂饰综合质量:观察;手摸检查。
4.基层处理:观察;手摸检查;检查施工记录。
一般项目:检查数量:室外工程每100m2应至少检查一处,每处不得小于10m2。
室内工程每个检验批应至少抽查10%,并不得少于3间,不足3间时应全数检查。
1.薄涂料涂饰质量:①颜色:观察。
②泛碱、咬色:观察。
③流坠、疙瘩:观察。
④砂眼、刷纹:观察。
⑤装饰线、分色线直线度:拉5m线,不足5m拉通线,用钢直尺检查。
2.厚涂料涂饰质量:①颜色:观察。
②泛碱、咬色:观察。
③点状分布:观察。
3.复合涂料涂饰质量:①颜色:观察。
②泛碱、咬色:观察。
③喷点疏密程度:观察。
山西铝业监督站制溶剂型涂料涂饰工程检验批质量验收评定记录表格说明本表适用于丙烯酸酯涂料、聚氨酯丙烯酸涂料、有机硅丙烯酸涂料等溶剂型涂料涂饰工程的质量验收评定。
主控项目:1.材料的品种、型号和性能:检查产品合格证书、性能检测报告和进场验收记录。
2.颜色和图案:观察检查。
3.涂饰综合质量:观察;手摸检查。
4.基层处理:观察;手摸检查;检查施工记录。
一般项目:检查数量:室外工程每100m2应至少检查一处,每处不得小于10m2。
室内工程每个检验批应至少抽查10%,并不得少于3间,不足3间时应全数检查。
1.色漆的涂饰质量:①颜色:观察。
②光泽、光滑:观察;手摸检查。
③刷纹:观察。
④裹棱、流坠、皱皮:观察。
⑤装饰线、分色线直线度:拉5m线,不足5m拉通线,用钢直尺检查。
2.清漆的涂饰质量:①颜色:观察。
②木纹:观察。
③光泽、光滑:观察;手摸检查。
④刷纹:观察。
⑤裹棱、流坠、皱皮:观察。
山西铝业监督站制美术涂饰工程检验批质量验收评定记录表格说明本表适用于套色涂饰、滚花涂饰、仿花纹涂饰等室内外美术涂饰工程的质量验收评定。