自动检测课程——转速检测试验报告
- 格式:doc
- 大小:154.21 KB
- 文档页数:6
电机转速控制实验报告
1. 实验目的
本实验旨在研究电机转速控制的原理和方法,通过实际操作和数据分析来加深对电机控制的理解,并验证控制算法的有效性。
2. 实验原理
电机转速控制是通过改变电机供电电压或者改变电机绕组的接线方式来控制电机的转速。
在本次实验中,我们将采用调制技术来实现电机转速的控制。
3. 实验设备与材料
- 电机:直流电机
- 控制器:单片机控制器
- 传感器:转速传感器
- 电源
- 连接线
4. 实验步骤
1. 搭建实验电路:将电机和传感器连接至控制器,并接通电源。
2. 编写控制程序:根据所选的控制算法,编写相应的控制程序,并将其烧录至控制器中。
3. 运行实验:根据预设条件,控制电机的转速并记录数据。
4. 数据分析:对实测数据进行分析,验证控制算法的有效性。
5. 实验结果与分析
在实验过程中,我们采用了调制技术来实现电机转速的控制。
通过对控制程序的设计和实验数据的分析,我们得出以下结论:
- 当调制信号的频率增加时,电机的转速也随之增加,说明控制算法的设计是成功的。
- 通过调整调制信号的占空比,我们可以实现对电机转速的精确控制。
6. 实验总结
通过本次实验,我们深入了解了电机转速控制的原理和方法。
实验结果表明,调制技术能够有效地实现电机转速的控制,并且可以通过调整参数来实现不同的控制效果。
在实验过程中,我们还学习了如何编写控制程序和分析实验数据。
这些都对我们进一步深入研究电机控制提供了良好的基础。
7. 参考文献
- 电机控制技术原理与应用教材
- 直流电机转速控制实验指导书。
电机转速测量实验报告实验目的本实验旨在通过测量电机的转速,探究转速与电压、电流之间的关系,以及验证理论公式与实际测量值之间的一致性。
实验器材•直流电机•转速测量仪•多用途测试仪•电阻箱•直流电源•连接线实验步骤1.将直流电机与直流电源相连,通过测试仪测量电机的电流。
2.将转速测量仪与电机连接,确保测量仪的传感器与电机轴心对齐。
3.设置转速测量仪的测量范围,并记录下所选范围。
4.逐渐增加直流电源的电压,记录下每个电压值对应的电机转速。
5.分别测量不同电压下电机的电流,并记录下每个电压值对应的电机电流。
数据记录与分析1.在实验中记录下不同电压下的电机转速和电流数据。
2.绘制电机转速与电压的关系曲线图,并观察曲线的趋势。
3.绘制电机转速与电流的关系曲线图,并观察曲线的趋势。
4.根据实验数据,分析电机转速与电压、电流之间的关系,并给出结论。
5.使用理论公式计算电机转速与电压、电流之间的关系,并与实验数据进行比较,验证理论公式的准确性。
结果与讨论通过实验测量和数据分析,我们得到了电机转速与电压、电流之间的关系。
根据曲线图的趋势和实验数据,我们可以得出以下结论: - 随着电压的增加,电机的转速呈线性增加趋势。
- 在给定电压下,电机的转速与电流之间存在正相关关系。
我们还将实验数据与理论公式进行了比较,发现实验数据与理论公式的计算结果相符,验证了理论公式的准确性。
实验总结通过本次实验,我们深入了解了电机的转速测量方法,并探究了电机转速与电压、电流之间的关系。
通过实验数据和理论计算的对比,我们验证了理论公式的准确性。
在实验过程中,我们还发现了一些潜在的误差来源,例如测试仪器的精度限制、测量误差、实验条件的不完全控制等。
为了提高实验结果的准确性,我们可以进一步优化实验设计,采取更精确的测量仪器和更严格的实验控制。
通过这次实验,我们不仅获得了实际操作的经验,还加深了对电机转速测量原理的理解,为今后在相关领域的研究和应用奠定了基础。
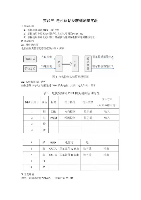
实验三电机驱动及转速测量实验1 实验目的(1)掌握单片机通用I/O 口的使用;(2)掌握使用单片机定时器产生占空比可调的PWM 波;(3)掌握使用单片机定时器2 的捕获功能实现电机转速测量的方法。
2 实验电路2.1 硬件原理图电机控制实验箱的原理框图如图1 所示。
2.2 实验装置接口说明控制系统与电机实验箱通过DB9 插头连接,其接口定义如表1 所示。
3 开发环境程序开发调试软件为KeilC,下载软件为S51ISP4 实验要求(1)通过实验箱上的键盘输入调整PWM 波的占空比,具体要求如下:当按键为0 时,其占空比为20%,LED1 显示值为0;当按键为1 时,其占空比为40%,LED1 显示值为1;当按键为2 时,其占空比为60%,LED1 显示值为2;当按键为3 时,其占空比为80%,LED1 显示值为3;(2)将测量到的电机转速显示到实验箱的数码管LED3~LED6 上,转速单位为“转/分”。
5 软件流程图6 实验步骤1)硬件连接2)程序开发调试软件为KeilC ,下载软件为S51ISP ,先通过单片机控制电机,改变占空比,使用示波器测量转速。
3)硬件连接,将测得转速显示在数码管上。
7 程序#include<reg52.h>#include<absacc.h>#define COMMAND XBYTE[0x1B31]#define DATA XBYTE[0x1B30]#define uchar unsigned char#define Pwm 9000#define CountPerMinute 55286000uchar code table1[]={0x08,0x09,0x0a,0x0b,0x0c,0x0d,0x0e,0x0f,0x00,0x01,0x02,0x03,0x04,0x05,0x06,0x07}; uchar code table2[]={0x3f,0x06,0x5b,0x4f,0x66,0x6d,0x7d,0x07,0x7f,0x6f,0x77,0x7c,0x39,0x5e,0x79,0x71};sbit PwmOut=P1^2;long data PwmH;long data PwmL;unsigned int OverFlow=0;void delay(){uchar i,j;for(i=0;i<100;i++)for(j=0;j<100;j++);}uchar PulsNum=0; //脉冲数计数器void initmotor();//电机初始化void inittimer();//定时器初始化void init8279();//8279初始化void dis(uchar num,uchar a);//显示子程序void mode(uchar a);//模式选择子程序void speed_ctr(uchar a,uchar b,uchar c);//速度显示子程序void initmotor(){PwmOut=0; //输出低电平PwmH=4500; //PWM 高低点平各定时4500 个数,即占空比为50%PwmL=4500;}void initTimer(){TMOD=0x01; //定时器0 工作于方式1TH0=65535/256; //定时器0 计数初值设置为1TL0=65535%256;ET0=1; //定时器0 中断允许TR0=1; //启动定时器0T2CON=0x09; //定时器2 工作于捕捉方式TH2=0x00; //定时器2 计数初值设置TL2=0x00;ET2=1; //定时器2 中断允许PT2=1; //定时器2 中断优先级最高TR2=1; //启动定时器2}void init8279(){uchar reg;//清除显示RAMCOMMAND=0xd1;do{reg=COMMAND;}while(reg&0x80);COMMAND=0;//设置工作方式COMMAND=0x32;//设置工作频率COMMAND=0x80;//设置显示RAM}void key_in() interrupt 0{uchar keydata;//键入中断COMMAND=0x40;//读入行列号到keydatakeydata=DATA;keydata=keydata&0x3f;//屏蔽高位keydata=table1[keydata];//得到键值dis(0x80,keydata);//第1位显示键值mode(keydata);}void mode(uchar a){PwmH=Pwm*((a+1)*20-6.53)/0.87/100.0;//求占空比PwmL=Pwm-PwmH;}void Pwm_ctr() interrupt 1{if(PwmOut==1) //当前为高电平{TH0=(65536-PwmL)/256; //计数値赋为低电平时间値TL0=(65536-PwmL)%256;PwmOut=0; //输出低电平}else if(PwmOut==0) //当前为低电平{TH0=(65536-PwmH)/256; //计数値赋为高电平时间値TL0=(65536-PwmH)%256;PwmOut=1; //输出高电平}void speed_ctr(uchar a,uchar b,uchar c){unsigned long speed;uchar speed1,speed2,speed3,speed4;speed=CountPerMinute/(65536*a+256*b+c); //计算转速speed1=speed/1000;//速度最高位dis(0x85,speed1); //速度最高位显示在数码管3speed2=(speed-speed1*1000)/100;dis(0x84,speed2); //速度第二位显示在数码管4speed3=(speed-speed1*1000-speed2*100)/10;dis(0x83,speed3); //5speed4=speed-speed1*1000-speed2*100-speed3*10;dis(0x82,speed4); //6}void time2() interrupt 5{uchar datal,datah;if(EXF2==1) //捕获引起的中断{PulsNum+=1; //脉冲个数加1if(PulsNum==1) //定时器清零{OverFlow=0;TH2=0;TL2=0;}else if(PulsNum==9) //电机转一圈后计算转速{TR2=0;datal=RCAP2L; //读取捕捉值datah=RCAP2H;speed_ctr(OverFlow,datah,datal);TR2=1;PulsNum=0; //脉冲个数清零}EXF2=0; //清中断标志}else if(TF2){OverFlow++; //溢出次数加一TF2=0; //清中断标志}void dis(uchar num,uchar a){COMMAND=num;//选择第几位显示数据a=table2[a];//得到数据的段码DA TA=a;delay();}void main(){inittimer();initmotor();init8279();EX0=1;//开外部中断0IT0=1;//外部中断0边沿触发EA=1;//开中断while(1);}8 实验心得掌握单片机通用I/O 口的使用,掌握使用单片机定时器产生占空比可调的PWM 波,对改变PWM波的占空比的计算方法有了深入练习,了解了使用单片机定时器2 的捕获功能实现电机转速测量的方法。
测控实验报告电机驱动及转速测量实验实验目的:1.理解电机驱动的基本原理;2.掌握电机的驱动方式及控制方法;3.学会使用光电编码器测量电机转速;4.了解电机在不同转速下的性能特点。
实验器材:1.电机驱动装置;2.光电编码器;3.转速测量仪。
实验步骤:1.将电机与电机驱动装置连接,并接通电源;2.设置电机驱动的参数,包括电流、电压等;3.钳住电机的轴心,使其不能转动;4.将光电编码器与电机轴连接;5.将转速测量仪连接到光电编码器,并设置好测量参数;6.解除电机的钳住状态,使其开始旋转;7.启动转速测量仪并记录电机的转速;8.增加电机驱动的电流或电压,再次记录电机的转速;9.重复步骤7和8,直至达到一定的转速范围。
实验数据处理:1.将实验记录的电机转速数据整理成表格,包括不同电流或电压下的转速;2.绘制电机转速与电流或电压之间的关系曲线;3.分析曲线的特点,如转速与电流或电压的线性关系、转速的上限等。
实验结果与讨论:根据实验数据和曲线分析可得:1.电机的转速与电流或电压呈正相关关系,增加电流或电压会使电机的转速增加;2.当电流或电压达到一定值时,电机的转速会趋于稳定,不再继续增加;3.电机在低速和高速情况下性能可能有所变化,如启动力矩、转速稳定性等。
实验结论:通过电机驱动及转速测量实验,我们掌握了电机驱动的基本原理和控制方法,学会使用光电编码器测量电机转速,并了解了电机在不同转速下的性能特点。
实验结果显示,电机的转速与电流或电压呈正相关关系,并且当电流或电压达到一定值时,电机的转速趋于稳定。
此外,电机在低速和高速情况下的性能可能有所变化。
这些实验结果对电机的应用、控制和优化具有重要的参考价值。
“传感技术”自学报告之一转速测量传感器自学报告:班级:学号:2015年12月3日目录第1章转速测量文献综述 (3)1.1 转速测量的意义 (3)1.2 转速测量现状 (3)1.2.1 磁电式转速测量 (5)1.2.2 光电式转速测量 (7)1.2.3 电感式转速测量 (9)第2章总体方案设计 (11)2.1 方案一 (11)2.2 方案二 (12)2.3方案分析对比.............................................................. .. (12)2.4 小结 (14)第3章具体设计与特性分析 (15)3.1 传感器设计 (15)3.2 转换电路设计 (15)3.3 传感器总体分析 (19)3.4 使用条件和误差补偿 (19)3.5 仿真实验 (20)3.6 小结 (20)总结 (22)参考文献 (23)附录 (24)第1章转速测量文献综述1.1转速测量的意义无论是在日常生活还是工业生产中,我们经常会遇到各种需要测量转速的场合,例如:在发电机、电动机、卷扬机、机床主轴等设备的实验、运转和控制中,常需要分时或连续测量和显示器转速和瞬时转速。
同样,在平时,我们通过对空调、冰箱、汽车等发动机转速的测量来方便我们诊断他们可能发生的故障,以便能够更加快捷的进行维修。
因此,转速测量的应用系统在工业生产、在科技教育、民用电器等各个领域的应用极为广泛,往往成为某一产品或控制系统的核心部分,其各种参数在不同的应用中都有其侧重点,但转速测量系统普遍应用在国民经济生产生活中,在很多运动系统中的监测和控制中,测量转速的准确度、稳定性及变化过程的准确性将直接影响系统的运行性能,因而转速测量对保障高速旋转机械的正常运行有着重要的意义。
目前,市面上的转速测量传感器主要有以下几个技术特点:灵敏度高、可靠性高、寿命长、触发距离远,信号触发一般为铁(软)磁材料,但同时,转速测量传感器自身的测量精度也受到许多方面的影响,如温度或周围磁场环境的变化给基于霍尔效应的传感器带来的测量精度的影响,当被测物体转速过快时,由于光电门的频率响应不够而导致无法测出被测物体的实际转速,而磁电式传感器也可能由于安装时未严格卡紧螺母而导致最终的测量结果与实际偏离较大。
课程设计霍尔转速测量学生姓名:学院:电气信息工程学院专业班级:电气工程及其自动化1142班专业课程:自动检测技术指导教师:2014 年 6 月26 日一、设计的背景和目的1.设计的背景在工程实践中,我们经常会遇到各种需要测量转速的场合。
例如在发动机、电动机等旋转设备的试验、运转和控制中,常需要分时和连续测量和显示其转速及瞬时速度。
传统式的转速测量通常是采用测速发电机为检测元件,这种方法是模拟式的,因此其得到的信号是电压信号,其抗干扰能力差,灵活性差。
霍尔元件是一种基于霍尔效应的磁传感器,已发展成一个品种多样的磁传感器产品族,并已得到广泛的应用。
霍尔器件是一种磁传感器。
用它们可以检测磁场及其变化,可在各种与磁场有关的场合中使用。
霍尔器件以霍尔效应为其工作基础。
霍尔器件具有许多优点,它们的结构牢固,体积小,重量轻,寿命长,安装方便,功耗小,频率高(可达1MHZ),耐震动,不怕灰尘、油污、水汽及盐雾等的污染或腐蚀。
霍尔线性器件的精度高、线性度好;霍尔开关器件无触点、无磨损、输出波形清晰、无抖动、无回跳、位置重复精度高(可达μm级)。
采用了各种补偿和保护措施的霍尔器件的工作温度范围宽,可达.55℃~150℃。
按照霍尔器件的功能可将它们分为: 霍尔线性器件和霍尔开关器件。
前者输出模拟量,后者输出数字量。
2.设计的目的实验介绍了霍尔传感器的工作原理,阐述了霍尔传感器测速系统的工作过程,利用脉冲计数法实现了对转速的测量,利用硬件电路设计,编制了电机转速的测量设计了测量模块、显示模块等,并通过PROTEUSE软件进行了仿真。
仿真结果表明所设计的电路原理上是可行的。
二、设计的功能根据霍尔传感器的原理,当转动的物体比如说电机在转动时,如果能在其转子上加上一个磁铁,然后让霍尔传感器去感受就能在LED数码管上得到一定时间内的转动的脉冲数,然后通过芯片的内部计算从而得到转速,并且显示在数码管上,单位r/min。
三、 系统方案设计本电路中主要采用的是A44E 集成霍尔开关采集脉冲信号,通过计数器计数,再通过译码器译码传递给数码管,将采集的数据显示出来的设计方案。
“传感技术”自学报告之一转速测量传感器自学报告姓名:班级:学号:2015年12月3日目录第1章转速测量文献综述 (1)1.1 转速测量的意义 (1)1.2 转速测量现状 (1)1.2.1 磁电式转速测量 (3)1.2.2 光电式转速测量 (5)1.2.3 电感式转速测量 (7)第2章总体方案设计 (9)2.1 方案一 (9)2.2 方案二 (10)2.3方案分析对比 (12)2.4 小结 (12)第3章具体设计与特性分析 (13)3.1 传感器设计 (13)3.2 转换电路设计 (13)3.3 传感器总体分析 (17)3.4 使用条件和误差补偿 (17)3.5 仿真实验 (18)3.6 小结 (18)总结 (20)参考文献 (21)附录 (22)第1章转速测量文献综述1.1转速测量的意义无论是在日常生活还是工业生产中,我们经常会遇到各种需要测量转速的场合,例如:在发电机、电动机、卷扬机、机床主轴等设备的实验、运转和控制中,常需要分时或连续测量和显示器转速和瞬时转速。
同样,在平时,我们通过对空调、冰箱、汽车等发动机转速的测量来方便我们诊断他们可能发生的故障,以便能够更加快捷的进行维修。
因此,转速测量的应用系统在工业生产、在科技教育、民用电器等各个领域的应用极为广泛,往往成为某一产品或控制系统的核心部分,其各种参数在不同的应用中都有其侧重点,但转速测量系统普遍应用在国民经济生产生活中,在很多运动系统中的监测和控制中,测量转速的准确度、稳定性及变化过程的准确性将直接影响系统的运行性能,因而转速测量对保障高速旋转机械的正常运行有着重要的意义。
目前,市面上的转速测量传感器主要有以下几个技术特点:灵敏度高、可靠性高、寿命长、触发距离远,信号触发一般为铁(软)磁材料,但同时,转速测量传感器自身的测量精度也受到许多方面的影响,如温度或周围磁场环境的变化给基于霍尔效应的传感器带来的测量精度的影响,当被测物体转速过快时,由于光电门的频率响应不够而导致无法测出被测物体的实际转速,而磁电式传感器也可能由于安装时未严格卡紧螺母而导致最终的测量结果与实际偏离较大。
电机转速测量实验报告电机转速测量实验报告引言电机转速测量是电工学中重要的实验之一。
准确测量电机转速对于电机的性能评估、故障诊断以及控制系统设计都具有重要意义。
本实验旨在通过使用转速传感器和测速仪器来测量电机的转速,并对测量结果进行分析和评估。
实验目的1. 学习使用转速传感器和测速仪器进行电机转速测量。
2. 掌握电机转速测量的基本原理和方法。
3. 分析测量结果,评估电机的性能。
实验装置与方法实验所需的装置包括电机、转速传感器、测速仪器等。
首先,将转速传感器安装在电机轴上,并连接到测速仪器。
然后,通过控制电机的电源,使其运行,并记录测速仪器上显示的转速数值。
重复多次实验,以获得准确的平均转速。
实验结果与分析通过多次实验测量,我们得到了电机在不同负载下的转速数据。
通过对这些数据进行分析,我们可以得出以下结论:1. 负载对电机转速的影响实验结果显示,随着负载的增加,电机的转速逐渐降低。
这是因为负载的增加会增加电机所需的功率,从而降低电机的转速。
这一结论对于电机的性能评估和控制系统设计具有重要意义。
2. 转速传感器的准确性通过对多次实验测量结果的比较,我们发现转速传感器的测量结果相对稳定且准确。
然而,在测量过程中,我们还发现转速传感器对于电机的启动和停止过程中的瞬时变化较为敏感。
因此,在实际应用中,我们需要注意这一点,并进行相应的数据处理和滤波。
3. 电机性能评估通过测量电机的转速,我们可以评估电机的性能。
例如,我们可以通过比较实际转速与额定转速的差异来评估电机的负载能力和效率。
此外,我们还可以通过测量不同负载下的转速来评估电机的响应速度和稳定性。
结论与展望通过本次实验,我们学习了电机转速测量的基本原理和方法,并通过实际操作获得了相关数据。
通过对实验结果的分析,我们得出了一些有关负载对电机转速的影响以及转速传感器的准确性的结论。
这些结论对于电机的性能评估和控制系统设计具有重要意义。
然而,本实验还存在一些局限性,例如实验数据的采集和处理方法可以进一步改进,以提高测量结果的准确性和稳定性。
实验一转速测量实验一、实验目的:1.熟悉和掌握霍尔转速传感器、磁电式、光电转速传感器的工作原理。
2.了解转速的测量方法。
二、基本原理:1.利用霍尔效应表达式:U H=KHI B,当被测圆盘上装上N只磁性体时,圆盘每转一周磁场就变化N 次.每转一周霍尔电势就同频率相应变化,输出电势通过放大、整形和计数电路就可以测量被测旋转物的转速.2。
基于电磁感应原理,N 匝线圈所在磁场的磁通变化时,线圈中感应电势:dtd Ne φ-=发生变化,因此当转盘上嵌入N 个磁棒时,每转一周线圈感应电势产生N 次的变化,通过放大、整形和计数等电路即可以测量转速。
3.光电式转速传感器有反射型和直射型二种,本实验装置是反射型的,传感器端部有发光管和光电池,发光管发出的光源在转盘上反射后由光电池接受转换成电信号,由于转盘上有黑白相间的12个间隔,转动时将获得与转速及黑白间隔数有关的脉冲,将电脉计数处理即可得到转速值。
三、实验所需部件:霍尔转速传感器、磁电传感器、光电转速传感器、直流电源+5V 、转动源2—12V 、数显单元、导线若干. 四、实验步骤:1、根据图1-1,将霍尔转速传感器装于传感器支架上,探头对准反射面内的磁钢.图1-1 霍尔、光电、磁电转速传感器安装示意图2、将5V 直流源加于霍尔转速传感器的电源端(1号接线端)。
3、将霍尔转速传感器输出端(2号接线端)插入数显单元Fin端,3号接线端接地.4、将转速源+2V—12V 输出旋至最小,接入三源板的转速电源孔中。
5、将数显单元上的开关拨到转速档,合上主控箱电源开关。
6、调节转速电压,可改变电机转速,观察并记录电压每增加1V 时数显表转速显示的值,填入表1-1中。
7、关闭主控箱电源开关,取下霍尔转速传感器,进行光电转速测量,光电转速传感器已安装在三源板上,把三源板上的+5V、接地、V O与主控箱上的+5V、地、数显表的Fin相连。
8、将转速源2-12V输出旋到最小,接到三源板的转速电源插孔中。
转速测量设计实验报告1. 实验目的本实验旨在设计并实现一种测量转速的方法,并验证其准确性和稳定性。
2. 实验原理2.1 传感器原理转速测量一般需要通过传感器来实现。
常见的转速传感器有光电传感器、霍尔传感器和接触式触发器等。
本实验采用光电传感器作为转速测量的感知器件。
光电传感器通过发射红外光束,并根据反射光的变化来测量目标物体的运动速度。
2.2 转速计算方法根据光电传感器感知到的目标物体的运动情况,我们可以计算出目标物体的转速。
转速的计算方法如下:速度= \frac {2\pi r}{T}其中,速度为目标物体的线速度,r为目标物体的半径,T为目标物体绕轴旋转一周所需的时间。
3. 实验设计本实验的设计思路是在目标物体上固定一块白色圆片,并将光电传感器放在圆片的旁边。
光电传感器产生的红外光束会照射到圆片上,并由圆片反射回光电传感器。
当目标物体旋转时,圆片运动会导致光电传感器感受到反射光的变化。
我们通过记录光电传感器输出的电信号的变化来计算目标物体的转速。
实验所需材料如下:- 光电传感器- 白色圆片- 电路连接线- 示波器(或数字多用表)实验步骤如下:1. 将光电传感器固定在实验平台上,使其能够与目标物体保持一定的距离。
2. 将白色圆片固定在目标物体上,并使其与光电传感器处于同一平面。
3. 连接光电传感器的输出端和示波器(或数字多用表)。
4. 打开示波器(或数字多用表)并设置合适的测量范围。
5. 启动目标物体的旋转,记录光电传感器输出的电信号的变化。
6. 根据记录到的数据,计算目标物体的转速。
4. 实验结果与分析在实验中,我们通过示波器记录了光电传感器输出的电信号的变化,并根据这些数据计算了目标物体的转速。
实验结果显示,我们所设计的转速测量方法具有较高的准确性和稳定性。
在实际使用中,我们可以根据实验结果进行进一步优化和改进。
例如,可以根据目标物体的特性选择合适的感知器件,调整光电传感器和目标物体之间的距离,以及对于输出信号的处理等等。
转速测量实验结论一、实验目的本实验旨在通过转速测量实验,掌握转速测量的基本原理和方法,并能够正确使用测量仪器进行转速测量。
二、实验原理1. 转速的定义转速是指单位时间内旋转的圈数,通常用每分钟旋转圈数(rpm)表示。
2. 转速测量方法(1)机械式测量方法:利用机械传动装置将被测物体的运动传递到指针或计数器上,从而获得转速信息。
(2)光电式测量方法:利用光电传感器将被测物体运动时产生的光信号转换为电信号,再通过电路处理得到转速信息。
3. 测量仪器(1)机械式仪器:如机械式计数器、震荡表等。
(2)光电式仪器:如光电编码器、激光干涉仪等。
三、实验步骤及数据处理1. 实验步骤:(1)将被测物体安装在装置上,使其能够自由旋转。
(2)选择合适的测量仪器,并按要求连接好线路。
(3)根据不同的仪器和要求,进行相应的调节和校准。
(4)开始转速测量,并记录测量数据。
2. 数据处理:(1)根据仪器的不同,将获得不同形式的数据,如计数器显示、电压信号等。
(2)根据实验要求,将数据进行单位换算和计算,得到转速值。
(3)对于多次测量的数据,可以进行平均值计算,并进行误差分析。
四、实验结论通过转速测量实验,我们可以得出以下结论:1. 转速是指单位时间内旋转的圈数,通常用每分钟旋转圈数(rpm)表示。
2. 转速测量方法主要有机械式和光电式两种方法。
3. 测量仪器包括机械式仪器和光电式仪器两种类型。
4. 在进行转速测量时需要注意选择合适的仪器、正确连接线路、进行调节和校准等步骤,以保证准确性和可靠性。
5. 对于多次测量的数据,应该进行平均值计算,并进行误差分析。
一、实训背景随着科技的发展,自动化检测技术在各个行业中的应用越来越广泛。
为了提高我们的实践能力,加深对自动检测技术的理解,我们参加了为期两周的自动检测实训。
本次实训旨在让我们熟悉自动检测的基本原理、掌握常用检测设备的操作方法,以及提高在实际工作中解决检测问题的能力。
二、实训内容1. 自动检测基本原理实训过程中,我们学习了自动检测的基本原理,包括检测信号的产生、放大、处理、显示和传输等环节。
通过对自动检测原理的学习,我们了解了检测信号的分类、特点以及检测系统的组成。
2. 常用检测设备操作实训中,我们熟悉了多种检测设备的操作方法,如超声波检测仪、红外线测温仪、振动检测仪等。
通过实际操作,我们掌握了设备的调试、校准、数据采集和结果分析等技能。
3. 检测数据分析与处理实训过程中,我们学习了如何对检测数据进行采集、处理和分析。
通过实际案例,我们了解了不同检测方法在数据处理中的优缺点,以及如何根据实际情况选择合适的处理方法。
4. 实际工程应用在实训的最后阶段,我们参与了一个实际工程项目,负责对该项目的检测工作。
在项目实施过程中,我们运用所学知识,解决了实际问题,提高了自己的实践能力。
三、实训收获1. 理论知识与实践能力的提升通过本次实训,我们对自动检测的基本原理、常用检测设备操作和数据分析处理方法有了更深入的了解。
同时,实际工程项目的参与使我们能够将理论知识运用到实际工作中,提高了我们的实践能力。
2. 团队协作能力的增强在实训过程中,我们分工合作,共同完成了各项任务。
通过团队协作,我们学会了如何与他人沟通、协调,提高了自己的团队协作能力。
3. 解决问题的能力在实训过程中,我们遇到了各种实际问题,如设备故障、数据处理困难等。
通过努力,我们成功解决了这些问题,提高了自己的解决问题的能力。
四、实训总结1. 认识到自动检测技术在实际工程中的重要性通过本次实训,我们深刻认识到自动检测技术在工程中的应用价值。
在今后的工作中,我们将不断学习,提高自己的自动检测技术水平。
实验一霍尔测速和光电测速实验一、实验目的:了解霍尔组件的应用——测量转速。
二、实验仪器:光电传感器、霍尔传感器、+5V、+4、±6、±8、±10V直流电源、转动源、频率/转速表。
三、实验原理;如图1,霍尔传感器和光电传感器已安装于传感器支架上,且霍尔组件正对着转盘上的磁钢。
光电传感器正对着测速圆盘的通孔。
a霍尔测速 b 光电测速图1霍尔测速原理:利用霍尔效应表达式:U H=K H IB,当被测圆盘上装上N只磁性体时,转盘每转一周磁场变化N次,每转一周霍尔电势就同频率相应变化,输出电势通过放大、整形和计数电路就可以测出被测旋转物的转速。
光电测速原理:光电式转速传感器有反射型和透射型二种,本实验装置是透射型的,传感器端部有发光管和光电池,发光管发出的光源通过转盘上的孔透射到光电管上,并转换成电信号,由于转盘上有等间距的6个透射孔,转动时将获得与转速及透射孔数有关的脉冲,将电脉计数处理即可得到转速值。
转盘每转一周输出N个脉冲信号,计数器可以测出脉冲信号的频率(Hz),可按n=f*60/N计算转速。
四、实验内容与步骤霍尔测速步骤1.将+5V电源接到三源板上“霍尔”输出的电源端,“霍尔”输出接到直流电压表。
用手转动测速圆盘,观测输出电压与霍尔传感器相对测速圆盘位置的关系。
2.将“霍尔”输出接到频率/转速表(切换到测转速位置)。
3.打开实验台电源,选择不同电源+4V、+6V、+8V、+10V、12V(±6)、16V(±8)、20V(±10)、24V驱动转动源,可以观察到转动源转速的变化,待转速稳定后记录相应驱动电压下得到的转速值和频率值4用示波器观测霍尔元件输出的脉冲波形,记录其频率,根据测速圆盘的结构,换算转速;将示波器测得的转速作为实际转速与转速表测得的转速对比,计算误差。
光电测速试验步骤同上。
1.将+5V电源接到板上“光电”输出的电源端,“光电”输出接到直流电压表。
一、实训目的本次实训旨在通过实验,深入了解电动机转速与电源频率、绕组极数等因素之间的关系,掌握电动机转速的基本原理和实验方法,提高对电动机运行特性的认识,为今后的实际应用打下基础。
二、实训内容1. 实验设备(1)直流电动机一台(2)交流电源一台(3)变频器一台(4)转速表一台(5)万用表一台(6)连接导线若干2. 实验原理电动机转速与电源频率、绕组极数之间的关系可以通过以下公式表示:n = 1200 f / p其中,n为电动机转速(转/分钟),f为电源频率(Hz),p为绕组极数。
3. 实验步骤(1)将直流电动机与交流电源连接,确保电动机能够正常工作。
(2)使用转速表测量电动机的空载转速,记录数据。
(3)调整交流电源的频率,观察并记录不同频率下电动机的转速。
(4)更换不同极数的绕组,观察并记录电动机转速的变化。
(5)使用变频器对电源进行变频,观察并记录电动机转速的变化。
(6)分析实验数据,得出结论。
三、实验结果与分析1. 实验数据(1)空载转速:3000转/分钟(2)频率为50Hz时,转速为3000转/分钟(3)频率为60Hz时,转速为3600转/分钟(4)更换2极绕组后,转速为1500转/分钟(5)更换4极绕组后,转速为750转/分钟(6)使用变频器将电源频率调整为40Hz,转速为2400转/分钟2. 分析(1)根据实验数据,当电源频率为50Hz时,电动机的转速与空载转速相同,说明此时电动机处于空载状态。
(2)当电源频率提高时,电动机转速也随之提高,验证了电动机转速与电源频率之间的关系。
(3)更换不同极数的绕组,电动机转速发生变化,说明电动机转速与绕组极数有关。
(4)使用变频器调整电源频率,电动机转速发生变化,进一步验证了电动机转速与电源频率之间的关系。
四、结论通过本次实训,我们了解到电动机转速与电源频率、绕组极数等因素有关。
在实际应用中,可以根据需要调整电源频率或绕组极数来控制电动机转速。
此外,电动机转速还受到负载大小等因素的影响。
一、实训背景电动机作为一种重要的动力设备,广泛应用于工业生产、交通运输、家用电器等领域。
电动机的转速直接影响着其工作效率和性能。
为了更好地理解和掌握电动机转速的影响因素,我们开展了电动机转速实训,通过实验验证和分析,总结出影响电动机转速的关键因素。
二、实训目的1. 理解电动机转速的基本概念和影响因素;2. 掌握电动机转速实验的基本方法和步骤;3. 分析实验数据,得出影响电动机转速的关键因素;4. 培养实验操作能力和数据分析能力。
三、实训内容1. 电动机转速实验原理电动机转速是指电动机转子每分钟转动的次数,用单位“转/分钟”(rpm)表示。
电动机转速与电源频率、绕组极数和负载等因素有关。
2. 实验步骤(1)准备实验器材:电动机、转速表、电源、开关、导线等;(2)搭建实验电路,连接电动机、转速表和电源;(3)开启电源,观察电动机转速;(4)改变电源频率、绕组极数和负载,记录不同条件下的电动机转速;(5)分析实验数据,得出影响电动机转速的关键因素。
3. 实验数据与分析(1)电源频率对电动机转速的影响实验结果表明,电源频率越高,电动机转速越快。
这是因为在相同时间内,电源频率越高,电流变化越快,产生的电磁力也越大,从而提高了电动机转速。
(2)绕组极数对电动机转速的影响实验结果表明,绕组极数越多,电动机转速越低。
这是因为绕组极数增加,电动机每转一周所需要的时间增加,从而降低了转速。
(3)负载对电动机转速的影响实验结果表明,负载越大,电动机转速越低。
这是因为负载增加,电动机需要克服更大的阻力,导致转速降低。
四、实训总结1. 电动机转速受电源频率、绕组极数和负载等因素的影响;2. 电源频率越高,电动机转速越快;3. 绕组极数越多,电动机转速越低;4. 负载越大,电动机转速越低;5. 实验过程中,要严格按照实验步骤进行,确保实验数据的准确性。
五、实训心得1. 通过本次实训,我深刻理解了电动机转速的基本概念和影响因素;2. 学会了电动机转速实验的基本方法和步骤,提高了实验操作能力;3. 分析实验数据,培养了我的数据分析能力;4. 认识到实验过程中要严谨、细致,以确保实验结果的准确性。
实验二转速测量实验一、实验目的学习和掌握数字式转速测量方法二、实验内容1、学习光电反射式转速表的使用2、测量电机和风扇的转速三、实验设备1、HIOKI 3403转速表2、电机3、直流电源4、风扇四、实验原理1.频率的测量在工业生产领域中周期性现象十分普遍,如各种周而复始的旋转运动、往复运动,各种传感器和测量电路变换后的周期性脉冲等。
周期性过程重复出现一次所需要的时间称为周期,用符号T(单位是s)表示。
单位时间内周期性过程重复出现的次数称为频率,记为f(单位是Hz)。
周期与频率互为倒数关系:1(2-1)fT目前频率测量技术已能达到很高的精确度,因此在检测技术中,常将一些非电量或其他电参量转换成频率进行测量,以提高测量的精度。
频率测量方法可分为计数法和模拟法两类。
计数法测量精度高、操作简便,可直接显示数字,便于与微机结合实现测量过程自动化,应用最为广泛;模拟法因为简单经济,在有些场合仍有应用。
1)、频率(周期)的数字测量(1)计数法测量原理计数法就是在一定的时间间隔T内,对周期性脉冲的重复次数进行计数。
若周期性脉冲的周期为T,则计数结果为A T N T =(2-2)图2-1 计数法测量原理计数法原理如图2-1(a )所示,周期为T A 的脉冲①加到闸门的输入端,宽度为T 的门控信号②加到闸门的控制端控制闸门的开、闭时间,只有在闸门开通时间T内闸门才输出计数脉冲③到十进制计数器进行计数。
在闸门打开前计数器先清零,闸门关闭时,计数器的计数值N 由T 和T A 决定。
如果T 和T A 一个为已知标准量,另一个为待测量,则从计数值N 和已知标准量便可求得未知待测量。
由于T 和T A 两个量是不相关的,T 不一定正好是T A 的整数N 倍,即T 和NT A 之间有一定误差,如图2-1(b )所示。
图中△t 1,是闸门开启时刻至第一个计数脉冲前沿的时间(假设计数脉冲前沿使计数器翻转计数),△t 2是闸门关闭时刻至下一个计数脉冲前沿的时间。
转速测量实验报告转速测量实验报告引言:转速是物体旋转的速度,是许多工程和科学领域中重要的参数。
在机械工程、电子工程、航空航天等领域,转速的准确测量对于设备的性能评估和安全运行至关重要。
本实验旨在探究转速测量的原理和方法,并通过实验验证转速测量的准确性。
一、实验目的本实验的目的是通过使用不同的转速测量方法,比较它们的准确性和适用性。
具体的实验目标包括:1. 理解转速的定义和测量方法;2. 掌握光电转速测量仪器的使用;3. 了解霍尔传感器转速测量原理;4. 比较不同转速测量方法的优缺点。
二、实验原理1. 光电转速测量原理:光电转速测量是通过光电传感器来测量物体旋转的速度。
光电传感器由光电发射器和接收器组成,当旋转物体上的反射片经过光电传感器时,光电传感器会输出一个脉冲信号,通过计算单位时间内的脉冲数可以得到转速。
2. 霍尔传感器转速测量原理:霍尔传感器是一种基于霍尔效应的传感器,可以测量磁场的强度。
在转速测量中,霍尔传感器可以通过检测旋转物体上的磁场变化来测量转速。
通过将霍尔传感器与磁铁安装在旋转物体上,当旋转物体旋转时,磁铁会产生磁场变化,从而引起霍尔传感器输出电压的变化,通过计算单位时间内的电压变化次数可以得到转速。
三、实验步骤1. 光电转速测量实验步骤:a. 将光电传感器安装在旋转物体上,并将光电发射器和接收器对准;b. 连接光电传感器与测量仪器,设置测量参数;c. 启动旋转物体,记录单位时间内的脉冲数,计算转速。
2. 霍尔传感器转速测量实验步骤:a. 将霍尔传感器和磁铁安装在旋转物体上;b. 连接霍尔传感器与测量仪器,设置测量参数;c. 启动旋转物体,记录单位时间内的电压变化次数,计算转速。
四、实验结果与分析通过实验测量得到的转速数据,可以对不同转速测量方法进行比较和分析。
在本实验中,我们使用了光电转速测量和霍尔传感器转速测量两种方法。
根据实验结果,我们可以得出以下结论:1. 光电转速测量方法准确性高,适用于需要高精度转速测量的场合。
实验一霍尔测速和光电测速实验
一、实验目的:
了解霍尔组件的应用——测量转速。
二、实验仪器:
光电传感器、霍尔传感器、+5V、+4、±6、±8、±10V直流电源、转动源、频率/转速表。
三、实验原理;
如图1,霍尔传感器和光电传感器已安装于传感器支架上,且霍尔组件正对着转盘上的磁钢。
光电传感器正对着测速圆盘的通孔。
a霍尔测速 b 光电测速
图1
霍尔测速原理:利用霍尔效应表达式:U H=K H IB,当被测圆盘上装上N只磁性体时,转盘每转一周磁场变化N次,每转一周霍尔电势就同频率相应变化,输出电势通过放大、整形和计数电路就可以测出被测旋转物的转速。
光电测速原理:光电式转速传感器有反射型和透射型二种,本实验装置是透射型的,传感器端部有发光管和光电池,发光管发出的光源通过转盘上的孔透射到光电管上,并转换成电信号,由于转盘上有等间距的6个透射孔,转动时将获得与转速及透射孔数有关的脉冲,将电脉计数处理即可得到转速值。
转盘每转一周输出N个脉冲信号,计数器可以测出脉冲信号的频率(Hz),可按n=f*60/N计算转速。
四、实验内容与步骤
霍尔测速步骤
1.将+5V电源接到三源板上“霍尔”输出的电源端,“霍尔”输出接到直流电压表。
用手转动测速圆盘,观测输出电压与霍尔传感器相对测速圆盘位置的关系。
2.将“霍尔”输出接到频率/转速表(切换到测转速位置)。
3.打开实验台电源,选择不同电源+4V、+6V、+8V、+10V、12V(±6)、16V(±8)、20V(±10)、24V驱动转动源,可以观察到转动源转速的变化,待转速稳定后记录相应驱动电压下得到的转速值和频率值
4用示波器观测霍尔元件输出的脉冲波形,记录其频率,根据测速圆盘的结构,换算转速;将示波器测得的转速作为实际转速与转速表测得的转速对比,计算误差。
光电测速试验步骤同上。
1.将+5V电源接到板上“光电”输出的电源端,“光电”输出接到直流电压表。
用手转动测速圆盘,观测输出电压与光电传感器相对测速圆盘位置的关系。
2.将“光电”输出接到频率/转速表(切换到测转速位置)。
3打开实验台电源,选择不同电源+4V、+6V、+8V、+10V、12V(±6)、16V(±8)、20V(±10)、24V驱动转动源,可以观察到转动源转速的变化,待转速稳定后记录相应驱动电压下得到的转速值和频率值
4示波器观测光电元件输出的脉冲波形,记录其频率,根据测速圆盘的结构,换算转速;将示波器测得的转速作为实际转速与转速表测得的转速对比,计算误差。
五、实验数据分析
表1 霍尔测速原始记录
从以上两种曲线以及两种曲线的对比可以看出两种测速方法都是差不多的。
霍尔测速V-RPM 曲线的9889.02=R ,光电测速V-RPM 曲线的9905.02=R 。
实验二 光纤传感器的测速实验
一、实验目的:
了解光纤位移传感器用于测转速的方法。
二、实验仪器:
光纤位移传感器模块、Y 型光纤传感器、直流稳压电源、数显直流电压表、频率/转速表、转动源、示波器。
三、实验原理:
反射式光纤传感器是一种传输型光纤传感器。
其原理如图2所示:光纤采用Y型结构,两束光纤一端合并在一起组成光纤探头,另一端分为两支,分别作为光源光纤和接收光纤。
光从光源耦合到光源光纤,通过光纤传输,射向反射面,再被反射到接收光纤,最后由光电转换器接收。
反射式光纤位移传感器是一种非接触式测量,具有探头小,响应速度快。
图2 Y 型光纤传感器
利用光纤位移传感器探头对旋转被测物反射光的明显变化产生电脉冲,采用频率/转速计,也可测量转速。
四、实验内容与步骤
1.将光纤传感器安装在转动源传感器支架上,使光纤探头对准转动盘边缘的反射点,探头距离反射点1mm 左右(在光纤传感器的线性区域内)。
2.用手拨动一下转盘,使探头避开反射面(避免产生暗电流),接好实验模块±15V 电源,模块输出Uo 接到直流电压表输入。
调节Rw 使直流电压表显示为零。
(Rw 确定后不能改动)
3.将模块输出Uo 接到频率/转速表的输入“f in ”。
4.合上主控台电源,选择不同电源+4V 、+6V 、+8V 、+10V 、12V (±6)、16V (±8)、20V (±10)、24V 驱动转动源,可以观察到转动源转速的变化。
5用示波器观测光纤传感器模块输出的波形。
五、实验数据分析
表3
驱动电压V(V)
4v 6v
8v
10v
12v
16v 20v 24v 转速n(rpm)
430 866 1273 1802 2234
备注:表3中从16V以上数据就为零,是因为转速太快已经超出光纤传感器的测速范围,所以V-RPM曲线的电压值只有4V~12V。
X。