第三讲-荷载及结构计算简图
- 格式:ppt
- 大小:1.77 MB
- 文档页数:53
2 常用结构计算2-1 荷载与结构静力计算表2-1-1 荷载1.结构上的荷载结构上的荷载分为下列三类:(1)永久荷载如结构自重、土压力、预应力等。
(2)可变荷载如楼面活荷载、屋面活荷载和积灰荷载、吊车荷载、风荷载、雪活载等。
(3)偶然荷载如爆炸力、撞击力等。
建筑结构设计时,对不同荷载应采用不同的代表值。
对永久荷载应采用标准值作为代表值。
对可变荷载应根据设计要求,采用标准值、组合值、频遇值或准永久值作为代表值。
对偶然荷载应按建筑结构使用的特点确定其代表值。
2.荷载组合建筑结构设计应根据使用过程中在结构上可能同时出现的荷载,按承载能力极限状态和正常使用极限状态分别进行荷载(效应)组合,并应取各自的最不利的效应组合进行设计。
对于承载能力极限状态,应按荷载效应的基本组合或偶然组合进行荷载(效应)组合。
γ0S≤R (2-1)式中γ0——结构重要性系数;S——荷载效应组合的设计值;R——结构构件抗力的设计值。
对于基本组合,荷载效应组合的设计值S应从下列组合值中取最不利值确定:(1)由可变荷载效应控制的组合(2-2)式中γG——永久荷载的分项系数;γQi——第i个可变荷载的分项系数,其中Y Q1为可变荷载Q1的分项系数;S GK——按永久荷载标准值G K计算的荷载效应值;S QiK——按可变荷载标准值Q ik计算的荷载效应值,其中S Q1K为诸可变荷载效应中起控制作用者;ψci——可变荷载Q i的组合值系数;n——参与组合的可变荷载数。
(2)由永久荷载效应控制的组合(2-3)(3)基本组合的荷载分项系数1)永久荷载的分项系数当其效应对结构不利时:对由可变荷载效应控制的组合,应取1.2;对由永久荷载效应控制的组合,应取1.35;当其效应对结构有利时:一般情况下应取1.0;对结构的倾覆、滑移或漂浮验算,应取0.9。
2)可变荷载的分项系数一般情况下应取1.4;对标准值大于4kN/m2的工业房屋楼面结构活荷载应取1.3。
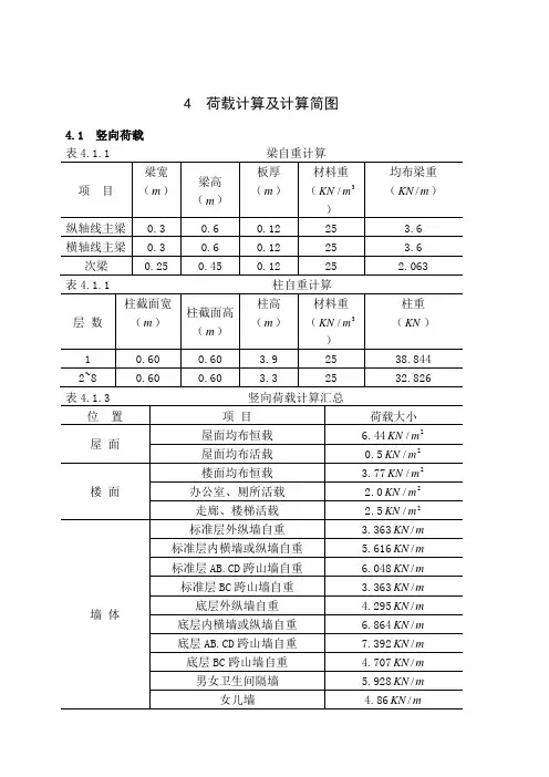
4 荷载计算及计算简图4.1 竖向荷载表4.1.1 梁自重计算项目梁宽(m)梁高(m)板厚(m)材料重(3/mKN)均布梁重(mKN/)纵轴线主梁0.3 0.6 0.12 25 3.6 横轴线主梁0.3 0.6 0.12 25 3.6 次梁0.25 0.45 0.12 25 2.063 表4.1.1 柱自重计算层数柱截面宽(m)柱截面高(m)柱高(m)材料重(3/mKN)柱重(KN)1 0.60 0.60 3.9 25 38.8442~8 0.60 0.60 3.3 25 32.826 表4.1.3 竖向荷载计算汇总位置项目荷载大小屋面屋面均布恒载 6.442/mKN屋面均布活载0.52/mKN楼面楼面均布恒载 3.772/mKN办公室、厕所活载 2.02/mKN走廊、楼梯活载 2.52/mKN墙体标准层外纵墙自重 3.363mKN/标准层内横墙或纵墙自重 5.616mKN/标准层AB.CD跨山墙自重 6.048mKN/标准层BC跨山墙自重 3.363mKN/底层外纵墙自重 4.295mKN/底层内横墙或纵墙自重 6.864mKN/底层AB.CD跨山墙自重7.392mKN/底层BC跨山墙自重 4.707mKN/男女卫生间隔墙 5.928mKN/女儿墙 4.86mKN/梁纵轴线主梁 3.6mKN/横轴线主梁 3.6mKN/次梁2.063m KN /楼、屋面荷载按照图4.1.1所示导荷方式传递到相应框架梁上。
图4.1.1 荷载传导方式4.2 楼、屋面恒载计算4.2.1 作用在顶层框架梁上的线荷载标准值1)梁自重m KN g g g BC CD AB /6.3161616=== 2)均布恒载(楼板传至的梁段最大值)m KN g g CD AB /184.236.344.62626=⨯== m KN g BC /32.19344.626=⨯=4.2.2 作用在标准层框架梁上的线荷载标准值 1)梁自重+墙自重m KN g g CD AB /216.911== m KN g BC /85.21=2)均布恒载(楼板传至的梁段最大值)m KN g g CD AB /572.136.377.322=⨯== m KN g BC /31.11377.32=⨯=4.2.3 框架节点集中荷载标准值1)顶层框架边节点集中荷载计算如表4.2.1。
结构的计算简图及受力分析3.1 荷载的分类实际的建筑结构由于其作用和工作条件不同,作用在它们上面的力也显示出多种形式。
如图3.1所示的工业厂房结构,屋架所受到的力有:屋面板的自重传给屋架的力,屋架本身的自重,风压力和雪压力以及两端柱或砖墙的支承力等。
图3.1在建筑力学中,我们把作用在物体上的力一般分为两类:一类是主动力,例如重力、风压力等;另一类是约束力,如柱或墙对梁的支承力。
通常把作用在结构上的主动力称为荷载。
荷载多种多样,分类方法各不相同,主要有以下几种分类方法:(1)荷载按其作用在结构上的空间范围可分为集中荷载和分布荷载作用于结构上一点处的荷载称为集中荷载。
满布在体积、面积和线段上的荷载分别称为体荷载、面荷载和线荷载,统称为分布荷载。
例如梁的自重,用单位长度的重力来表示,单位是N/m或kN/m,作用在梁的轴线上,是线荷载。
对于等截面匀质材料梁,单位长度自重不变,可将其称为线均布荷载,常用字母q表示(图3.2)。
当荷载不均匀分布时,称为非均布荷载,如水对水池侧壁的压力是随深度线性增加的,呈三角形分布。
图3.2(2)荷载按其作用在结构上的时间分为恒载和活载恒荷载是指永久作用在结构上的荷载,其大小和位置都不再发生变化,如结构的自重。
活荷载是指作用于结构上的可变荷载。
这种荷载有时存在、有时不存在,作用位置可能是固定的也可能是移动的,如风荷载、雪荷载、吊车荷载等。
各种常用的活荷载可参见《建筑结构荷载规范》。
(3)荷载按其作用在结构上的性质分为静力荷载和动力荷载静力荷载是指荷载从零缓慢增加到一定值,不会使结构产生明显冲击和振动,因而可以忽略惯性力影响的荷载,如结构自重及人群等活荷载。
动力荷载是指大小和方向随时间明显变化的荷载,它使结构的内力和变形随时间变化,如地震力等。
3.2 约束与约束反力1)约束和约束反力的概念所谓约束,是指能够限制某构件位移(包括线位移和角位移)的其他物体(如支承屋架的柱子,见图 3.1)。
4 荷载计算及计算简图4.1 竖向荷载第 1 页楼、屋面荷载按照图4.1.1所示导荷方式传递到相应框架梁上。
图4.1.1 荷载传导方式4.2 楼、屋面恒载计算4.2.1 作用在顶层框架梁上的线荷载标准值1)梁自重m KN g g g BC CD AB /6.3161616=== 2)均布恒载(楼板传至的梁段最大值) 4.2.2 作用在标准层框架梁上的线荷载标准值 1)梁自重+墙自重2)均布恒载(楼板传至的梁段最大值) 4.2.3 框架节点集中荷载标准值1)顶层框架边节点集中荷载计算如表4.2.1。
表4.2.1 顶层框架边节点集中荷载计算顶层框架边节点集中荷载 153.73KN 2)顶层框架中节点集中荷载计算如表4.2.2。
顶层框架中节点集中荷载 151.39KN 3)标准层框架边节点集中荷载计算如表4.2.3。
标准层框架边节点集中荷载 114.063KN 4)标准层层框架中节点集中荷载计算如表4.2.4。
标准层框架中节点集中荷载 148.121KN4.3 楼、屋面活载计算4.3.1 顶层框架梁上线荷载(楼板传至的梁段最大值)4.3.2 顶层框架梁上集中荷载4.3.1 顶层框架梁上线荷载(楼板传至的梁段最大值)梁上线荷载(楼板传至的梁段最大值)4.3.4 标准层框架梁上集中荷载4.4 竖向荷载作用下结构计算简图竖向荷载作用下结构计算简图如图4.4.1及4.4.2所示。
4.5 水平荷载计算第 3 页4.5.1计算质点重力荷载代表值1)顶层重力荷载代表值计算如表4.5.1。
2)标准层重力荷载代表值计算如表4.5.2。
第 5 页3)底层重力荷载代表值计算如表4.5.3。
根据表4.5.1~4.5.3,等效总重力荷载为:4.5.2 D 值的计算1)各构件截面尺寸:纵向框架梁:300mmX600mm横向框架梁:250mmX500mm 柱:650mmX650mm2)梁截面惯性矩:现浇楼面中框架,0.20I I =边框架梁05.1I I =,12/30bh I =3)各构件线刚度:l EI i /=。
4 荷载计算及计算简图4.1 竖向荷载第 1 页楼、屋面荷载按照图4.1.1所示导荷方式传递到相应框架梁上。
图4.1.1 荷载传导方式4.2 楼、屋面恒载计算4.2.1 作用在顶层框架梁上的线荷载标准值1)梁自重m KN g g g BC CD AB /6.3161616=== 2)均布恒载(楼板传至的梁段最大值) 4.2.2 作用在标准层框架梁上的线荷载标准值 1)梁自重+墙自重2)均布恒载(楼板传至的梁段最大值) 4.2.3 框架节点集中荷载标准值1)顶层框架边节点集中荷载计算如表4.2.1。
表4.2.1 顶层框架边节点集中荷载计算顶层框架边节点集中荷载 153.73KN 2)顶层框架中节点集中荷载计算如表4.2.2。
顶层框架中节点集中荷载 151.39KN 3)标准层框架边节点集中荷载计算如表4.2.3。
标准层框架边节点集中荷载 114.063KN 4)标准层层框架中节点集中荷载计算如表4.2.4。
标准层框架中节点集中荷载 148.121KN4.3 楼、屋面活载计算4.3.1 顶层框架梁上线荷载(楼板传至的梁段最大值)4.3.2 顶层框架梁上集中荷载4.3.1 顶层框架梁上线荷载(楼板传至的梁段最大值)梁上线荷载(楼板传至的梁段最大值)4.3.4 标准层框架梁上集中荷载4.4 竖向荷载作用下结构计算简图竖向荷载作用下结构计算简图如图4.4.1及4.4.2所示。
4.5 水平荷载计算第 3 页4.5.1计算质点重力荷载代表值1)顶层重力荷载代表值计算如表4.5.1。
2)标准层重力荷载代表值计算如表4.5.2。
第 5 页3)底层重力荷载代表值计算如表4.5.3。
根据表4.5.1~4.5.3,等效总重力荷载为:4.5.2 D 值的计算1)各构件截面尺寸:纵向框架梁:300mmX600mm横向框架梁:250mmX500mm 柱:650mmX650mm2)梁截面惯性矩:现浇楼面中框架,0.20I I =边框架梁05.1I I =,12/30bh I =3)各构件线刚度:l EI i /=。
11建工2班温东洋⑥号轴线一,恒载计算1,三层(1),屋面恒载①,防水卷材二层0.05×2=0.1kN/m2②,100厚保温层0.1×1.5=0.15 kN/m2③,20厚砂浆找平层0.4 kN/m2④,找坡层,平均厚90 0.09×14=1.26 kN/m2⑤,120厚现浇板0.12×25=3.0 kN/m2⑥,板底抹灰0.02×17=0.34 kN/m2屋面恒载标准值5.3 kN/m2屋面恒载设计值g=1.2×5.3=6.36 kN/m2(2),屋面框架梁恒载①,梁自重0.25×0.65×25=4.1 kN/m②,梁侧粉刷0.34×(0.65-0.12)+0.5×0.65=0.5 kN/m屋面框架梁恒载标准值4.6 kN/m屋面框架梁恒载设计值1.2×4.6 = 5.5 kN/m(3),女儿墙恒载①,女儿墙自重(0.06×0.6+0.08×0.06) ×25=1.0 kN/m②,女儿墙抹灰0.5×(0.6+0.06)×0.36×(0.6+0.12)=0.6 kN/m女儿墙恒载标准值1.6 kN/m女儿墙恒载设计值1.2×1.6=2 kN/m(4),屋面次梁恒载①,梁自重0.25×0.4×25=2.5 kN/m②,梁侧粉刷0.2 kN/m屋面次梁恒载标准值 2.7 kN/m屋面次梁恒载设计值 1.2×2.7= 3.24 kN/m图1 图2 图3 图4 图示的说明:①,图二所示为板的何在传递情况。
②,图三所示为KL1和KL2的荷载分布。
③,集中力F1,F2,F4均为六轴线框架梁两侧的框架梁所传递的力,F3为次梁传递的力图5 图6 图7 图8 图9关于图五的说明,①,F1承担了自重,女儿墙的自重,板传递的三角形恒载[5.5×7.8+2×7.8+(3.9×1.95×0.5) ×6.36×2]/2=53 kN②,EC段的梯形恒载峰值 6.36×1.95×2=25 kN/m③,F2承担了自重,板传递的梯形和三角形恒载[5.5×7.8+(2.85×1.05) ×6.36×2+(0.5×3.9×1.95) ×6.36×2]/2= 64kN④,CB段的三角形峰值 6.36×1.05×2=13.4kN/m⑤,F3为次梁传递的集中恒载,该次梁承担了自重,板传递的梯形和三角形恒载[3.2×7.8+(2.85×1.05) ×6.36×2+(0.5×3.9×1.95) ×6.36×2]/2=56kN⑥,BA段的三角形峰值同CB段⑦,F4的值同F12,二层(1),楼面恒载①,20厚大理石面层0.02×28=0.56 kN/m2②,30厚找平层0.03×20=0.6 kN/m2③,120厚现浇板0.12×25=3.0 kN/m2④,板底抹灰0.02×17=0.34 kN/m2楼面恒载标准值4.5 kN/m2楼面恒载设计值1.2×4.5=5.4 kN/m(2),框架梁恒载①,梁自重0.25×0.65×25=4.1 kN/m②,梁侧粉刷0.5 kN/m楼面框架梁恒载标准值4.6 kN/m楼面框架梁恒载设计值1.2×4.6= 5.52 kN/m(3),次梁恒载①,梁自重0.25×0.4×25=2.5 kN/m②,梁侧粉刷0.2 kN/m楼面次梁恒载标准值 2.7 kN/m楼面次梁恒载设计值 1.2×2.7= 3.24 kN/m(4),墙体恒载①,墙体自重 5.4×(3.5-0.65)=15.4 kN/m墙体恒载标准值15.4 kN/m墙体恒载设计值1.2×15.4=18.5 kN/m图10 图11 图12 图13 图14 图示的说明,①,F1承担了自重,墙体的自重,板传递的三角形恒载,把窗洞处平均算为8 kN/m5.52×3.9+18.5×1.8+8×2.1+0.5×3.9×1.95×5.4=92 kN②,EC段的峰值, 5.4×1.95×2=21kN/m③,F2承担了自重,墙体的自重,板传递的三角形,梯形恒载5.52×3.9+18.5×3.9+0.5×3.9×1.95×5.4+2.85×1.05×5.4=130 kN④,CB段的峰值,5.4×1.05×2=11.4 kN/m⑤,F3承担了次梁自重,(墙体的自重),板传递的三角形,梯形恒载3.24×3.9+18.5×3.9×0.5+0.5×3.9×1.95×5.4+2.85×1.05×5.4=85 kN⑥,BA段的峰值,5.4×1.95×2=21kN/m, F4的值同F13,一层F3承担了次梁自重,墙体的自重,板传递的三角形,梯形恒载3.24×3.9+18.5×3.9+0.5×3.9×1.95×5.4+2.85×1.05×5.4=121 kN各项均同二层二,活载计算1,屋面活载标准值 0.5 kN/m 2设计值1.4×0.5=0.7 kN/m 2 2,二,一层楼面活载 标准值 普通房间2.0 kN/m 2 走廊为2.5 kN/m 2 设计值1.4×2.0=2.8kN/m 2 1.4×2.5=3.5kN/m 2图15 图16 图17 图18 图19图示的说明, ①,F1承担了板传递的三角形荷载0.5×3.9×1.95×0.7=2.7 kN②,EC 段的峰值1.95×0.7×2=2.8 kN/m③,F2承担了板传递的三角形和梯形荷载0.5×3.9×1.95×0.7+2.85×1.05×0.7=4.8 kN④,CB 段的峰值 1.05×0.7×2=1.47 kN/m⑤,F3同F2,BA 段的峰值同EC 段,F4同F1图20 图21 图22 图23 图24 图示的说明,①,F1承担了板传递的三角形荷载0.5×3.9×1.95×2.8=10.6 kN②,EC 段的峰值1.95×2.8×2=11 kN/m③,F2承担了板传递的三角形和梯形荷载0.5×3.9×1.95×2.8+2.85×1.05×3.5=21kN④,CB 段的峰值 1.05×2.8×2=5.9 kN/m⑤,F3同F2,BA 段的峰值同EC 段,F4同F1三,雪载计算屋面雪载标准值0.2 kN/m 2屋面雪载设计值1.4×0.2=0.28 kN/m 2图25 图26 图27 图28 图29 图示的说明,①,F1承担了板传递的三角形荷载0.5×3.9×1.95×0.28=1 kN②,EC段的峰值1.95×0.28×2=1.1 kN/m③,F2承担了板传递的三角形和梯形荷载0.5×3.9×1.95×0.28+2.85×1.05×0.28=2 kN④,CB段的峰值 1.05×0.28×2=0.6 kN/m⑤,F3同F2,BA段的峰值同EC段,F4同F1五,次梁计算1,恒载计算该次梁跨度相同,荷载也相同,故仅取五等跨连续梁来进行内力计算。