包装标准书
- 格式:xls
- 大小:31.00 KB
- 文档页数:1
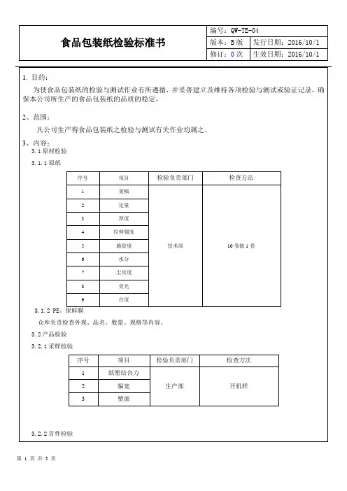
1目的为了统一规范公司产品包装测试标准,保证公司产品生产出货品质,减少产品在运输过程中的损坏;特制定本文件。
2范围本公司器材产品使用纸箱包装样机包装方式验证,或者量产出货产品包装检验测试(不包含零部件包装测试)。
3定义无4内容4.1参考文件及资料GB/T4857.3-2008 《静载荷堆码试验方法》GB/T4857.4-2008 《采用压力试验机进行的抗压和堆码试验方法》GB/T4857.5-1992 《跌落试验方法》GB/T4857.11-2005 《水平冲击试验方法》GB/T4857.23-2012 《随机振动试验方法》4.2权责4.2.1 研发中心各项目部负责各产品包装资料、包装方式的制定、修改。
4.2.2 研发中心综合部负责包装测试标准文件的制定、修改。
4.2.3 质量管理中心负责产品包装测试、测试报告提供等。
4.3测试要求4.3.1 如果客户有要求,则按照客户的测试标准进行包装测试。
4.3.2 包装测试前应该先确认该产品的测试标准,然后进行相应的测试。
4.3.3 进行包装测试的机台、包装材料都必须与产品大货生产时的材质保持相同,包装方式一致。
产品量产前应该完成包装测试。
包装测试标准对应表4.4测试方法A 堆码测试A1 实物堆码测试A1.1让产品处于其正常竖立状态放置,按照下列公式计算出产品的负载重量, 用其他产品进行堆叠测试时,聚合板以上部分的重量必须平均分布。
负载重量KG=产品毛重(KG) x(最高堆码层数H-1)x2.0 (安全系数)注:H=2380/h(产品高度mm),结果四舍五入保留个位数。
A1.2产品堆叠的时间72小时。
测试72小时后,检查外箱结构是否有损坏。
产品外箱变形不超过20mm且产品没有损坏的视为合格;外箱变形超过20mm需要改善后重新进行测试。
A1.3拍照并记录实验结果,填写包装报告上堆码测试部分。
A2 堆码测试—压溃测试(确认机台符合GB/T4857.4-2008 测试标准)A2.1让产品处于其正常竖立状态,通过下面的公式算出所需的负载重量(全部采用公制单位)负载重量KG=产品的毛重KG x(最高堆码层数-1)x 3.0 (安全系数)A2.2 让包装件处于正常的平衡状态并放置在压板中间,如果产品比压板尺寸大,必须使用延伸板(见下图)。
文化产品包装设计与生产标准书第一章文化产品概述 (2)1.1 文化产品的定义与分类 (2)1.2 文化产品的市场趋势 (3)第二章设计理念与策略 (3)2.1 设计理念的确定 (3)2.2 设计策略的制定 (3)第三章设计元素与应用 (4)3.1 色彩搭配与应用 (4)3.1.1 色彩定位 (4)3.1.2 色彩搭配 (4)3.1.3 色彩应用 (5)3.2 图形符号设计与应用 (5)3.2.1 图形符号设计 (5)3.2.2 图形符号应用 (5)3.3 文字设计与应用 (5)3.3.1 文字设计 (6)3.3.2 文字应用 (6)第四章结构与材料选择 (6)4.1 包装结构设计 (6)4.2 包装材料的选择 (6)4.3 环保与可持续性考虑 (7)第五章生产工艺与流程 (7)5.1 生产工艺的选择 (7)5.2 生产流程的制定 (7)5.3 质量控制与检测 (8)第六章成本控制与预算 (8)6.1 成本分析与控制 (8)6.1.1 成本构成分析 (8)6.1.2 成本控制策略 (9)6.1.3 成本分析与评估 (9)6.2 预算编制与执行 (9)6.2.1 预算编制 (9)6.2.2 预算执行 (9)第七章市场推广与营销 (10)7.1 市场定位与目标群体 (10)7.2 营销策略与推广手段 (10)第八章文化产品包装设计案例解析 (11)8.1 成功案例分享 (11)8.1.1 案例一:某传统茶品牌包装设计 (11)8.1.2 案例二:某博物馆文创产品包装设计 (11)8.1.3 案例三:某地域特色食品包装设计 (12)8.2 失败案例分析 (12)8.2.1 案例一:某文化产品包装设计过于复杂 (12)8.2.2 案例二:某文化产品包装设计缺乏文化内涵 (12)8.2.3 案例三:某文化产品包装设计忽视消费者需求 (12)第九章文化产品包装设计评价与反馈 (12)9.1 设计评价体系 (12)9.1.1 评价原则 (12)9.1.2 评价标准 (13)9.1.3 评价方法 (13)9.2 反馈收集与改进 (13)9.2.1 反馈收集 (13)9.2.2 改进措施 (13)第十章法规与标准遵循 (14)10.1 相关法规与政策 (14)10.1.1 法律法规概述 (14)10.1.2 政策指导 (14)10.2 设计与生产标准 (14)10.2.1 设计标准 (14)10.2.2 生产标准 (14)10.3 知识产权保护与合规 (15)10.3.1 知识产权保护 (15)10.3.2 合规管理 (15)第一章文化产品概述1.1 文化产品的定义与分类文化产品,是指以文化为核心价值,以创意为驱动,通过科技、艺术、设计等手段表现和传播的具有文化内涵的物质和非物质产品。
一、总则1.1 产品包装应根据产品的性质、特点和储运条件进行包装设计。
设计应做到包装紧凑,防护周密,安全可靠,便于装卸,经济美观,确保在正常装卸、运输条件下和储存有效期内,产品不得因包装原因发生损坏、锈蚀而降低产品安全和使用性能。
1.2 根据公司产品的特点,新产品投产后一般按本标准的要求进行包装,不另出包装设计文件。
如有特殊包装要求,需在投产前完成相应的标准和文件。
1.3 储存包装件的仓库应通风良好,相对湿度不大于85%,并应符合国家环保法规定。
产品包装有效期自包装之日起为2年。
1.4 在特殊情况下,产品包装可根据产品储运的具体要求按供需双方的协议执行。
1.5 本标准未规定的其它要求应符合铁路、公路、水路和航空运输包装的有关规定。
1.6 本标准涉及的产品为:公司生产的开关插座类产品。
二、引用标准GB/T 1019-1989 家用电器包装通则 GB/T 6545-1998 瓦楞纸板耐破强度的测定法GB/T 6543-1986 瓦楞纸箱 GB/T 6546-1998 瓦楞纸板边压强度的测定法GB/T 6544-1999 包装材料瓦楞纸板 GB/T 6547-1998 瓦楞纸板厚度的测定法GB/T 8166-1987 缓冲包装设计方法 GB/T 6548-1998 瓦楞纸板粘合强度的测定法GB/T 4857.4-1992 包装运输包装件压力试验方法三、技术要求3.1 产品包装的基本要求a、产品包装环境应清洁、干燥、无有害物质。
应在室温条件下,相对湿度不大于85%的环境中进行。
b、产品检验合格后,应在附件、备件及产品使用说明书(如有说明书)、合格证(品质保证卡)、防伪标识等齐全后才能包装。
c、产品包装作业应严格按产品包装技术文件进行。
d、包装材料必须保持干燥、整洁,符合标准要求。
对产品直接接触的包装材料应对该产品无腐蚀作用和其它有害影响。
e、产品在包装箱内应避免过度碰撞及与内壁直接磨擦,以免冲击损伤及刮花面板。
图书包装标准
(1)精装书用80克以上牛皮纸、瓶装树勇70克以上牛皮纸包装,如用其他包装纸纸质需坚韧不脆不破裂
(2)捆扎两端需加垫箱纸板,规格与图书开本相同,困劲扎牢,图书两端的四边捆绳处需加垫箱纸板“小耳朵”
(3)成套图书一个定价的要配套包装,分册定价的单独包装
(4)精装塑套、平装压膜、封面油墨浓度较高的每本之间要加点一张同样开张的白纸
(5)包装纸搭口要在包的两边书口处包紧粘牢。
(6)一种图书的包、捆内数量一致,一种书用纸有薄有厚的,以厚本为准。
(7)图书捆扎长度:16开本为200-220毫米,32开本为400-430毫米,64开本为200-220毫米。
其他开本可参照办理。
(8)图书出厂包装高度:8开、16开、21开本,每包100-120毫米,大中小32开本每包200-220毫米。
10开、18开本每包100-120毫米,360开、64开本每包200-220毫米。
特殊开本临时商定,在规定尺寸内尽量凑整数。
(9)包捆内每叠交叉数逢5、逢10掉头为宜。
日化产品包装设计标准书第1章总论 (5)1.1 设计原则 (5)1.1.1 实用性原则:包装设计需满足产品的保护、存储、运输、销售及使用功能,保证产品安全、便捷地到达消费者手中。
(5)1.1.2 美观性原则:包装设计应具有吸引力,符合消费者的审美需求,体现产品品质和企业形象。
(5)1.1.3 环保性原则:包装设计应采用环保材料,降低资源消耗,提高包装物的回收利用率,减少环境污染。
(6)1.1.4 经济性原则:在满足功能、美观、环保的前提下,包装设计应考虑成本因素,合理选择材料和工艺,降低成本。
(6)1.1.5 创新性原则:包装设计应具有独特的创意,突出产品特点,提升品牌形象,增强市场竞争力。
(6)1.2 设计流程 (6)1.2.1 市场调研:了解目标市场、消费者需求、竞争对手状况等,为设计提供依据。
61.2.2 概念设计:根据市场调研结果,提出包装设计的初步概念,包括风格、色彩、形状等。
(6)1.2.3 设计草图:将概念设计细化,绘制设计草图,进行创意构思。
(6)1.2.4 设计完善:根据草图,调整设计方案,优化细节,保证包装设计的实用性、美观性和创新性。
(6)1.2.5 设计评审:组织相关部门对设计方案进行评审,保证设计符合要求。
(6)1.2.6 样品制作与测试:根据设计方案制作样品,进行功能测试,保证包装设计在实际应用中的可行性。
(6)1.2.7 设计定稿:根据样品测试结果,对设计方案进行调整,最终确定设计稿。
(6)1.3 设计要求 (6)1.3.1 符合国家相关法规和标准:包装设计应符合我国有关包装材料、包装标识、卫生安全等方面的法规和标准。
(6)1.3.2 突出产品特点:包装设计应充分展示产品特性,便于消费者识别和选择。
(6)1.3.3 易于识别:包装设计应具有鲜明的视觉元素,提高品牌识别度。
(6)1.3.4 结构合理:包装结构应便于生产、运输、储存、陈列和销售,同时考虑消费者的使用体验。
书刊包装的要求及方法有关书刊的包装尚无统一标准,下面的包装要求是参考了新华书店储运公司的部分规定提出的,不是标准,仅供参考。
一、包装要求(1)精装书用80g/m2以上牛皮纸包装;平装书用70g /m2以上牛皮纸包装。
如用其它纸包装,纸质需坚韧不脆,不破裂。
(2)根据用户的要求,运往外埠的书籍可用纸箱或其它包装形式。
(3)图书包装规格。
①包件高度。
根据图书的开本尺寸,每包件的高度如表9-1所列。
表9-1 图书包件高度开本每包高度(mm) 备注8开100~12016开100~12024开100~12032开200~220 包括大小32开本,最高不超过230mm 40开100~120 双摞包装48开100~120 双摞包装60开200~220 双摞包装64开200~220 双摞包装②成套图书一个定价的要配套包装;分本定价的要单独包装。
③包装精装书带塑料套,平装书带塑料压膜封面的图书时,本与本之间要夹垫一张与书的开本尺寸一样的白纸,以免粘连。
④包装纸搭口要在包件的两边书口处,包紧粘牢。
⑤一种书籍用纸的厚度有差异时,包装时以厚本书为标准。
(6)每包内每刀交叉数规定如表9-2所列。
表9-2 每刀交叉数规定装帧每包数量(本) 包内每刀交叉数(本)平装2~10 2、4平装11~30 5、10平装30~100 10、20 零头限5本平装100~200 20、30、50 零头限10本平装200本以上40、50 零头限10本精装不分薄厚 1 必须对口二、包装方法目前,我国的印刷厂主要使用纸张包装,对于一些有特殊要求的书籍也使用书套包装。
图9-1纸张包装形式1.纸张包装。
按照图书包装要求,将书摞放到包装纸上,使用手工或机械的方法,把书册和纸张压紧,用绳子或塑料带十字交叉将书籍捆扎在一起,形成包件,如图9-1所示的形式。
常见的包装形式是包装纸塔口在包装件两边书口处,使用手工包装时,也有包装纸搭口在上面的形式。
图9-2书套、书盒的形式2.书套包装。
包装需求标准承诺书本承诺书是针对我们公司客户的包装需求所做出的保证。
我们保证,我们的包装符合以下标准,并能为客户提供最佳的包装解决方案。
1.包装材料原材料的选择我们的公司只使用经过认证的、符合质量标准的原材料进行包装。
我们的原材料均来自于可持续发展的渠道,确保不对环境造成负面影响。
2.包装的安全防护功能我们的包装材料均经过认证,能够保护产品在运输和储存过程中免受挤压、震动和水分等可能对其造成的任何损害。
同时,我们会根据客户的不同产品特性,选择合适的防护方式,确保产品在运输中的完好性。
3.包装的环保性我们的包装材料均符合环保标准,我们将采用最少的包装材料来减少浪费,同时通过可持续性的材料选择和回收利用来最大程度地减少对环境的负面影响。
4.包装外观的印刷标识我们将采用高品质的印刷工艺,确保我们的包装外观简约大方,色彩鲜艳,符合行业标准。
同时我们会添加必要的标识和标签,以提高产品的识别度。
5.包装的内部结构和尺寸我们将根据客户不同的产品特性,设计合适的内部包装结构,以确保每个产品在包装过程中的安全。
在包装尺寸选择上,我们会根据客户提供的产品规格,以及运输方式和需求等因素进行合理的选择。
6.包装的符合性测试我们会定期对新产品进行测试,确保其与原有的包装标准符合。
对于包装材料和生产过程,我们会定期对其进行检测和监测以确保符合指定的质量标准。
我们深知,一个良好的包装解决方案是确保保障产品质量和客户的声誉的关键因素。
因此本公司向客户提供以下承诺:我们将尽力确保我们的包装方案可靠、安全、环保,并为客户提供优质的服务。
如发现任何问题,我们将及时处理和解决问题。
本承诺书可以被视为我们的公司对我们客户所做出的承诺,解释和描述我们的包装产品和服务。
如果有任何疑问或方针,请随时与我们联系。
Q/ZT 众泰汽车制造企业标准QGZTZZ/GY01.03-2017包装方案设计说明书2017-03-16发布 2017-03-16实施众泰汽车制造发布前言为了实现众泰汽车制造公司(ZOTYE)包装管理的标准化,降低物流成本,提高物流和生产效率,能更好地使零件“准时”供应到众泰汽车制造公司各收货点,特制定符合供货要求的通用包装规则。
本标准由众泰汽车制造提出本标准由工艺技术部负责归口管理本标准起草单位:工艺技术部本标准起草人:浩本标准审核人:应杰本标准标准化人:王伟绩本标准审定人:吕憬本标准批准人:映波本标准首次发布日期:2017年3月16日文件/制定及修改情况记录目录1、目的2、原则3、木托盘标准3.1木托盘规格及技术要求3.2塑料托盘规格及技术要求3.3托盘的构成3.4托盘堆码标识要求4、塑料箱标准4.1选择原则4.2一般要求4.3塑料箱尺寸及相关标准4.4塑料箱堆码高度规则4.5塑料箱堆码规则4.6塑料箱衬设计要求4.6.1防尘盖设计盖要求4.6.2衬设计要求4.6.3衬材料选用4.6.4塑料箱标识要求5、通用铁箱标准5.1选择原则5.2一般要求5.3材料要求5.4底部结构5.5众泰汽车制作公司推荐标准通用铁箱尺寸5.6通用铁箱标识要求6、专用器具标准6.1选择原则6.2一般要求6.3材料要求6.4专用器具推荐适用尺寸6.5专用器具堆跺脚标准6.6专用器具标识标准6.7专用器具部结构7、牵引装置标准7.1牵引杆7.2挂钩7.3牵引杆和挂钩安装位置8、通用铁箱和专用器具制作工艺及油漆标准8.1焊接8.2公差要求8.3油漆要求9、脚轮标准9.1脚轮要求9.2减震脚轮技术参数9.3减震脚轮选用标准9.4脚轮使用年限9.5脚轮安装要求10、瓦楞纸箱标准10.1进口件、贵重件和特殊采购零件要求10.2瓦楞纸箱类型10.3纸箱附件10.4纸箱尺寸规定10.5纸箱标识要求11、包装防护要求11.1发动机零部件11.1.1防尘11.1.2防锈11.2外观件和饰件11.3电子件11.3.1防磕碰、防划伤包装保护11.3.2防潮11.4易损、易碎件12、包装日常维护标准12.1油漆12.2容器主体和防护材料12.3脚轮13、容器编号规则13.1专用器具编号规则13.2托盘编号规则14、环保要求14.1环保包装要求14.2环保包装对包装材料的再生利用有明确的定义14.3包装使用年限14.4所有零部件包装必须符合环保要求1、目的为了实现众泰汽车(ZOTYE)包装管理的标准化,降低物流成本,提高物流和生产效率,能更好地使零件“准时”供应到众泰公司各收货点,特制定符合供货要求的通用包装规则。
手工(机封)礼盒包装作业标准书1.目的对手工/机封礼盒包装作业进行规范,保证产品包装质量。
2.范围适用于手工/机封礼盒包装操作。
3.术语无4.职责4.1 手工/机封礼盒包装操作人员要负责本标准的执行。
4.2 包装段主管负责监督本标准的执行。
5.工作流程图无6.内容及要求6.1 班前工作:6.1.1确认生产计划,依据下达的生产任务领取相应的包材、胶带。
6.1.2清理现场卫生,用湿毛巾擦拭链道,避免包装时罐子或箱子底部沾土。
6.1.3在上罐工序取卡板纸平铺在地上,避免礼盒箱底与地面直接接触。
6.1.4包装班长负责分配员工工作区域,避免混乱。
6.2 班中工作:6.2.1确认所领箱皮与生产任务相符,有不同版本箱皮时需注意分开使用,打箱过程中需随时注意箱皮质量,如有报废箱皮如:粘胶不好、无提手、破损、彩印不良、覆膜不合格,1*12精品装礼盒视窗塑料纸掉落、错位等,需挑出单独存放。
打箱过程中需自检打箱质量,确保箱底折叠正确。
6.2.2需确保装礼盒用产品为优良品,无磕碰罐、瘪罐、脏罐,内套无断裂,装箱时还需复检打箱质量,确认箱底承重力,装箱时需在罐子上层加放一张隔纸避免提手碰触罐盖拉环。
6.2.3装箱后产品首先统一方向集中码放在铺好的卡板纸上,待数量足够一板产品后集中粘贴封口贴,封口贴粘贴要求居于封口正中,平整端正、“”字体与箱体主版面字体方向一致,封口贴与礼盒配套发放。
6.2.4机封礼盒喷胶标准:用专用的覆膜胶,喷嘴出胶口径≥0.51mm,喷胶压力≥3MPa,喷胶数量16道(每个摇盖4道胶),喷胶量>2.2g/件,舌边喷胶需在无覆膜部分,距离边缘不得小于5mm;不得有明显溢胶或拉丝;摇盖粘合牢固,揭开后覆膜胶需粘在覆膜一侧,大摇盖里纸材破明显。
(符合《关于透视窗礼盒标准调整通知》)。
6.2.5喷码要求:6.2.5.1 1×10礼盒、1×12礼盒产品在线包装打码格式举例:HL 2015 05 08 00:00:00合格D5RA“H”代表委托方代码,“L”代表生产地代码,“D”代表班组,“5”代表1#生产线,“R”代表防伪码,“A”为喷码机编号(如同一条线有多台喷码机同时使用,会出现记录重叠,追溯不明确问题,为确保包装产品的追溯性,每垛产品喷码均保证唯一性,需将喷码机编号A、B、C、D……),打码格式要求与机封箱一致。
Part NO.客户料号Part Name 品名客户Client Process Name 本工序1000PCS/H/人底板端子standard operating procedure全检包装标准作业指导书Document No.文件号Full inspection procedure全检磅重LJV NO.公司料号产能capacityIssued Date 生效日期2018/7/10充足adequate 充足adequate 1:240OO455*325*H285Standard Operation Procedure标准作业程序(SIP)Key control points:管制重点:1.According to the requirement 2000pcs/tray, 24000pcs/carton;1.按照包装明细中要求:2000PCS/盒2.Should put 1 bags desiccant 2.包装产品须放置干燥剂,1包放入3.Full inspection to pick out acoording to samples;3.按照不良样品图片,全检挑选出不4.Check and make sure the labl objects, confirm the quantity 4.核对实物与标签一致,数量确认要Matters need attention 注意事项:1.on the overall package operation required to wear the white gauze g 1.整个包装操作过程作业人员需要佩戴2.Should be handled the parts with 2.全检作业过程中,注意产品需轻拿轻Material dosageratio 用量比using tool,jig anmould 规格P1:包装前对产品四面进行全检外观,检查是否有压伤、变形等不良,产品电镀后表面不可发黑/发黄/漏底材现象,同时把不良品放在红色胶盒内隔离Check the appearance of the product on all sides before packing, check whether there are any pressure injury, distortion,etc., at the same time, put the bad product in the red plastic box to isolateP5:装箱:已打包好OK 的产品吸塑盒,依次放入纸箱里,共16盒 P5: packing: packing OK products have been packaged box, in turn into the carton, atotal of 16 layers,P6:封箱/贴标示:产品与数量确认无误后,再进行封箱,将已核对好的标签,贴上外箱指定方框内 32000PCS/箱 P6: sealing / affixed label products with the number after the confirmation, and then sealing, will check the labels affixed outside the box designated box24000PCS/ boxP3:准备好待包装产品,纸箱,清洁好包装工作台面戴好乳胶指套,数100PCS 称重取单重。