降水计算书
- 格式:doc
- 大小:32.00 KB
- 文档页数:2
钢板桩支护及降水计算书一、工程概况1.1概述中铁·滨海欣城一期工程4#、5#、6#楼位于项目的北侧,4#楼基底占地面积330m2,西侧距用地界线8.5m,其他侧较为开阔;5#楼基底占地面积413m2北侧距用地界线18.5m,西侧为临时道,距用地界线约8.5m,东距用地界线约10m,南侧较为开阔;6#楼基底占地面积374m2,南侧距待建地下约5.2m,待建车库坑深为6.75m,本次不进行地下车库开挖,其它侧较为开阔。
建筑±0.00相当于大沽标高3.45m,现地表大沽标高为2.0m, 4#、5#楼挖深3.5米,6#楼挖深3.03米。
1.2地下水勘查期间测得场地地下水位如下:视见水位埋深2.00~2.60,相当于标高-0.45~-0.55静止水位埋深1.50~2.10,相当于标高-0.5~-0.05表层地下水属潜水类型,主要由大气降水补给,以蒸发形式排泄,水位随季节有所变化,一般年变幅在0.5~1.00m左右。
本场地地下结构抗浮设防水位可按设计室外地面标高下返0.50m考虑。
依据《岩土工程工程技术规范》(DB 29-20-2000),本场地环境类型为Ⅲ级,场区地下水对混凝土有中腐蚀性,在工程设计和施工时应采取二级防护措施。
场区地基土的标准冻结深度为0.60m。
1.3基坑侧壁安全等级及重要性系数基坑安全等级为二级,基坑重要性系数γ0=1.0。
1.4设计依据《天津市市政工程施工技术规程》;(DB29-75-2004);《建筑基坑支护技术规范》(JGJ120-99);《建筑基坑工程技术规范》(DB 29-202-2010);《建筑基坑工程监测技术规范》(GB50497-2009);《天津市轨道交通地下工程质量安全风险控制指导书》(天津市建设管理委员会);二、支护结构设计与计算2.1各土层的计算参数根据本工程岩土工程勘察资料,各土层的设计计算参数如下表:土层物理力学参数2.2计算区段的划分根据环境条件、地下结构及土层分布厚度,本工程基坑分为三个区段,4#、5#楼挖深3.5米,6#楼挖深3.03米。
基坑降水设计计算书由于基坑较深、面积较大,本次按照基础底板需开挖深度考虑基坑降水方案,本方案采用管井降水,电梯井部分可以另外采用轻型井点从开挖后的基坑底部进行二次降水,如果刚好管井布置在电梯井则可加深管井,加深降水深度。
根据勘察报告和类似的施工经验渗透系数取值为1.5m/d 。
一、管井计算管井井深21m ,井底位于粉土层中,按潜水完整井计算,管井外径0.4m ,内径0.3m 。
综合考虑土层渗透系数和各土层厚度,取渗透系数值k=1.5m/d ,含水层厚度按21.0m-11m=10m 计算,降水至基坑中心坑底下0.5m 处,其水位降低值S w =8.2m 。
1.计算基坑等效半径r 0。
根据平面布置图可知,基坑面积应是为:22042m 2,故由公式得基坑的等效半径为:784.83220420===ππAr m式中:r 0——基坑等效半径,m ;A ——基坑面积,m 2。
2.含水层影响半径 基坑井水位降低值根据需降低水位,确定为8.2m ,根据规范取s w =10.0m ,由勘察资料知含水层厚度为H=10.0m ,则含水层影响半径为:=⨯⨯⨯==5.10.101022kH s R w 77.460m式中:R ——抽水影响半径;Sw ——井水位降深,当井水位降深小于10m 时取10m ;H ——含水层厚度;k ——渗透系数,1.5m/d 。
3.基坑涌水量计算整个管井降水系统的总涌水量按均值含水层潜水完整井计算,总涌水量为:- 1 - )1ln()2(0r R s s H k Q d d +-=π 基坑涌水量Q=5018(m 3/d)4.管井布置数量确定3r 120k l q s ∏=经计算,单井出水量q=80-100 m ³,根据工程经验,考虑群井效应,取q=80 m ³/d则需管井数量n=1.1×5018/80=69.0实际管井数量取73口计算降水管井应布设为73口,根据经验,本工程共布设降水管井73口,降水管井平面布置为基坑顶边线四周为16m/口;基坑内为25m/口,井深15m ;观测井2口,井深15m 。
降水设计计算书1、水文地质参数的选择根据本工程的地质勘察报告及勘察单位所提供的具体参数和我方掌握的抽水试验资料,临近场区地质勘察报告,并考虑几年来本场区地下水变化及地下水水位的季节性变化等因素,合理选取计算参数。
2、计算过程2.1、基坑等效半径r0r0=0.29(a+b)式中:r0—矩形基坑圆形概化后的等效半径(m)a、b—分别为基坑的长、宽 (m),取a=76m;b=53.0m计算得:r= 37.41m2.2、降水井深度HH≥H1+h+iL+l+l1+l2式中:H —井点管井的埋置深度(m)H1—井点管埋设面至基槽底面距离 (m),取H1=7.35m(集水坑加深1.0m考虑) h—基坑中央最深挖掘面至降水曲线最高点的安全距离(m), h要求值为0.50m。
L—井点管中心至基坑中心的短边距离(m),取L=20mi—降水曲线坡度,因为基坑内潜水将被疏干,所以取i≈0.1l—滤管有效长度(m),取l=1.00ml 1—沉砂管长度(m),取l1=1.00ml 2—井拖高度(m),取l2=0.3m计算得,H =7.35+0.5+2.5+1.0+1.0+0.3=12.65m取H=13.0m(考虑沉淀)并且施工时,降水井四周全包裹双层100目尼龙网过滤砂子,并填满滤料。
2.3、降水影响半径RR=2S√kH式中:R—降水影响半径(m)S—水位降低值(m), S=7.35mk—含水层的渗透系数(m/d),取k=0.03m/dH—含水层厚度(m),取H=13m。
计算得:R=9.18m2.4、基坑涌水总量QQ=1.2*1.366k(2H-S)S/lg(1+R/r)计算得:Q=70.95m3/d其中1.2—经验系数2.5、降水井井点数量nn=1.1Q/q式中:Q—基坑总涌水量(m3/d)q—设计单井出水量(m3/d)单井出水量q=j·120πdl• 3√ k式中:j—经验系数,取j=0.13d—滤管直径(m),取d=0.40ml—滤管长度(m),取l=1.00m计算得:q=5m3/d计算得:n=15眼,根据实际情况布设15眼,井间距16.0m,井深13m。
北通220KV架空线入地(新城基业)工程降水井计算书一、降水井深度设计:Hw= Hw1+ Hw2+ Hw3+ Hw4+ Hw5其中:Hw:降水井深度(m)Hw1:基坑深度Hw2:降水水位距离基坑底要求的深度Hw3:iri为水利坡度。
取i=1/4,r为降水井分布范围内的等效半径。
Hw4:降水井过滤器工作长度取1mHw5:沉砂管长度取3m二、基坑涌水量计算以100米为一计算段流量计算公式为:Q= 1.366K(2H-S)SIgR-Igr其中:Q:出水量(m3/d)K: 渗透系数(m/d)本工程为K =1.2(m/d)S:基坑设计水位降深值(m)Hm: 1/2S(m)I: 3(m)H:潜水含水层厚度(m):H=S+hm+IR:井群影响半径(m):R=2S*(H*K)-2r: 基坑等效半径(m)单井出水量:q= ld *24 =1*300*24 =40.00(m3/d)a 180井点数:n=Q/q井距: m=100/n三、详细计算(一)过河段计算1、井深计算已知:设计过河段设计河底高程14.65m,基底高程最低点8.25m,得出Hw1=6.4m,降深1m后高程为7.4m,得出Hw2=1m,基础宽度B=5.6m,则r=1/2*5.6+11.2=14m,得出Hw3=1/4*14=3.5mHw=6.4+1+3.5+1+3=14.90m 井深取15m,施工中不小于15m。
2、涌水量计算:现状地下水位14.65m,降深后高程7.25m,则S=7.4mH=7.4+1/2*7.4+3=14.1mR=2*7.4*(14.1*1.2)-2=57.90mr=14mQ= 1.366*1.2*(2*14.1-7.4)*7.4 =409.19(m3/d)Ig57.90-Ig14井点数:n=Q/q=409.19/40.00=10.23=11(眼)井距:m=100/n=100/11=9.09m 取m=8m3、过河段降水井深度不小于15m,在隧道中线两侧14m处错开布置,每侧降水井间距8m。
一、基坑底渗流稳定验算---------------------------------------------------------------------- ----------------------------------------------------------------------式中_P cz ———基坑开挖面以下至承压水层顶板间覆盖土的自重压力(kN/m 2);_P wy ———承压水层的水头压力(kN/m 2);_ K y ———抗承压水头(突涌)稳定性安全系数,规范要求取大于1.100。
H=5.8m ,h=2.0m ,承压水位1.7m ,承压水头7m ,P=7×10=70kPa K y = 39.46/70.00 = 0.56 < 1.10基坑底部土抗承压水头不稳定!二、基坑涌水量计算(1)③层均质含水层承压水完整井涌水量按下式计算:)01lg(73.2r R MSK Q +=其中:含水层厚度M=2.1m ,承压水位1.9m ,水位降至坑底以下0.5m ,即水位降至标高-3.7m ,降深5.6m 。
含水层室内渗透系数K=9.1×10-5cm/s ,考虑到水平渗透性能强于垂直渗透性能,该层渗透系数K 取1.4×10-4cm/s ,即K=0.12m/d 。
基坑面积A=24357.1m 2降水影响半径R=10S k =10×5.6×12.0=19.4m基坑等效半径r 0=πA =88m基坑涌水量Q=)884.191lg(6.51.212.073.2+⨯⨯⨯=44.5m 3/d (2)确定井点管数井点管数n=1.1q QQ=44.5m 3/d ,取单根井管经验值q=0.5m 3/d ,n=98根每套轻型井点降水主管长60m ,支管间距1.2m ,支管50根。
共需2套降水井点管。
(3)⑥层均质含水层承压水完整井涌水量按下式计算:)01lg(73.2r R MSK Q +=其中:含水层厚度M=6.6m ,承压水位1.7m ,水位降至坑底以下0.5m ,即水位降至标高-3.7m ,降深5.4m 。
轻型井点降水1、适用范围本工工艺标准使用于单级轻型井点降水,进行井点降水后利于基础施工、排水 固结、增加基坑的稳定性、消除流沙、管涌、减少地下水对建筑的上浮作用等。
1.1、 土质条件:土层渗透系数0.1〜20m/d 的填土、粉土、粘土、砂土;1.2、 降水深度:W 6m ;2、编制依据2.1、 《上海市基坑工程技术规范》2.2、 《嵌基坑支护技术规范》2.3、 《建筑基坑工程监测技术规范》2.4、《建筑施工手册一一第四版》3、施工准备3.1、 材料准备支管、总管、连接套管、中粗砂、粘土、膨润土;3.2、 设备准备1) 泵机:真空泵或射流泵;2) 成孔设备:高压水枪、钻孔机、洛阳铲;3.3、 场地准备1) 现场用水:给水管网布置,冲孔高压水枪用水;2) 现场排水:安排合理排水管道,降水前施工现场排水系统完成;3) 现场用电:按井点冲成孔时用电量、抽水设备用电量;4、施工方法4.1、布置方式1)井点构造DG/TJ08-61-2010 JGJ120-99GB50497-2009并点:降水构造图A、井点管直径宜为38mm〜55mm,长度为6m〜9m;B、过滤器采用与井点管相同规格的钢管制作,长度为1m〜2m,过滤器底端封闭。
过滤器表面的进水孔直径10mm〜15mm,梅花状排列,中心距30mm〜40mm,孔隙率应大于15%。
紧贴过滤器外壁采用双层滤网包裹,内层滤网宜采用30〜80目的金属网或尼龙网,外层采用3〜10目的金属网或尼龙网,管壁与滤网间采用金属丝绕成螺旋形隔开,滤网外层应再绕一层粗金属丝。
滤管下端安装一个锥形铸铁头;C、连接管与集水总管连接管采用透明塑料管,集水总管直径宜为65mm〜110mm;D、抽水设备真空井点降水通常采用真空泵、射流泵,真空泵由真空泵、离心泵、水气分离器等组成,射流泵由离心水泵、射流器、水箱等组成;2)布型确定井点管布置根据基坑平面形状、水文地质条件及降水深度确定;A、基坑宽度小于6m时采用单排井点,布置于地下水上游,其布置见下图;单排线成井点布宜B、基坑宽度在6m〜20m时采用双排井点,布置于长边两侧;C、基坑宽度大于20m时采用环形井点,大于30m时坑中设置线状降水井点,线状降水井点总管长度不宜横跨两个土方开挖分段。
基坑降水、降压计算书一、总述(一)、降水、降压目的根据基坑开挖及基础底板结构施工的设计要求,降水的目的是在基坑开挖之前,把基坑内地下水位降低,改善基坑开挖条件和保证基坑开挖安全。
基坑降水包括降潜水和承压水两种类型。
1、通过降水及时疏干开挖范围内土层(淤泥层、砂层)的地下水,使其得以固结,增强土体抗剪强度和自稳性,防止开挖面土体失稳。
2、降低下部承压水层的承压水水头,防止基坑底部土体隆起或突涌的发生,确保施工时基坑底板的稳定性。
(二)、设计标准1、承压水:承压水对基坑开挖到底部安全系数不小于1.1;2、潜水:地下水位降低至基坑底面3m以下。
(三)、计算公式1、基坑底板稳定性验算公式基坑底板的稳定条件:基坑底板至承压含水层顶板间的土压力应大于承压水的顶托力。
即:H•γs≥Fs•γw•h式中:H—基坑底至承压含水层顶板间的距离(m);γs—基坑底至承压含水层顶板间各层土的加权平均重度(KN/m3);h—承压水头高度至承压含水层顶板间的距离;γw—水的重度;Fs—安全系数,取1.1。
2、基坑降水量及井数计算公式1)地下水容量储存量的计算:W=μ·V或W=μ·A·h式中:W—容积储存量(m3)V—含水层体积(m3),V=基坑面积×降水深度h(即潜水静止水位至基坑底板以下3.0m);μ—含水层的给水度(粉砂与粘土给水度经验值为0.10~0.15,本次根据上部土层的性质取μ=0.15)。
2)地下水垂直补给量的计算:Q j=k z·A·I式中: Q j—地下水垂直补给量(m3/d);k z—垂直渗透系数(m/d),粘性土的渗透系数根据经验取0.05m/d;A—径流补给断面积(m2),即基坑面积;I —水力坡度,I=(h2-h1)/L,其中:h1—承压含水层水头降至深度(m);h2—基坑底板的深度(m);L—承压含水层顶板至基坑底板的距离(m);3)坑内降水井数量:n=A/a井式中:n—井数(口)A—基坑面积(m2)a井—单井有效抽水面积(m2),在上海地区第⑦层以上以粘性土为主的潜水含水层中,单井有效抽水面积a井一般为150~250m2,取200m2;二、黄兴路站1、稳定性验算(1)有关参数①、基坑底板开挖深度北端头井:16.70 m,绝对标高为-13.90m,承压含水层顶板位于地面以下30.0m;南端头井:16.30 m,绝对标高为-13.50m,承压含水层顶板位于地面以下22.0m;标准段:14.70 m,绝对标高为-11.90m,承压含水层顶板位于地面以下22.0m;②、基坑底至承压含水层顶板间的加权平均重度北端头井:γs=18.1KN/m3;南端头井:γs=18.4KN/m3;标准段:γs=17.7KN/m3。
井点降水计算实例轻型井点降水施工方案1、工程简介着中重说明基础工程中的地质概况、地下水概况以及与降水有关的情况,即为什么要降水?2、降水方式方法及采取的措施现场井点布置,采用的设备型号,技术参数等。
3、降水工作中应注意的事项在降水施工过程中,技术、质量、安全、环保应注意的事项4、计算书(附后)本节主要讨论轻型井点降水有关计算轻型井点降水计算一、总涌水量计算1.基坑总涌水量Q(m3/d),即环形井点系统用水量,常按无压完整井井群,用下式计算公式:(2H―s)sQ=1.366KlgR―lgx02.单井井点涌水量q(m3/d)常按无压完整井,按下计算公式:(2H―s)sq=1.366KlgR―lgr式中:K—土的渗透系数(m/d);H—含水层厚度(m);s—水的降低值(m);R—抽水影响半径(m),由现场抽水试验确定,也可用下式计算:R=1.95s√H?Kr—井点的半径(m);x0—基坑的假想半径(m,当矩形基坑长宽比小于5时,可化成假想半径x0的圆形井,按下式计算:x0=√F/πF—基坑井点管所包围的平面面积(m2);π—圆周率,取3.1416;二、井点管需要根数井点管需要根数n可按下式计算:Qn=mq式中q=65π?d?l 3√ K式中:n—井点管根数;m—考虑堵塞等因素的井点备用系数,一般取m=1.1;q—单根井点管的出水量(m3/d);d—滤管直径(m);l—滤管xx(m);三、井点管平均间距井点管平均间距D(m),可按下式计算:2(L+B)D=n-1求出的D应大于15d,并应符合总管接头的间距(一般为80、120、160mm)要求。
式中:L—矩形井点系统的xx(m);B—矩形井点系统的宽度(m);四、例题某工程基坑平面尺寸见图,基坑宽10m,长19m,深4.1m,挖土边坡1:0.5。
地下水位-0.6m。
根据地质勘察资料,该处地面下0.7m,为杂填土,此层下面有6.6m的细砂层,土的渗透系数K=5m/d,再往下为不透水的粘土层。
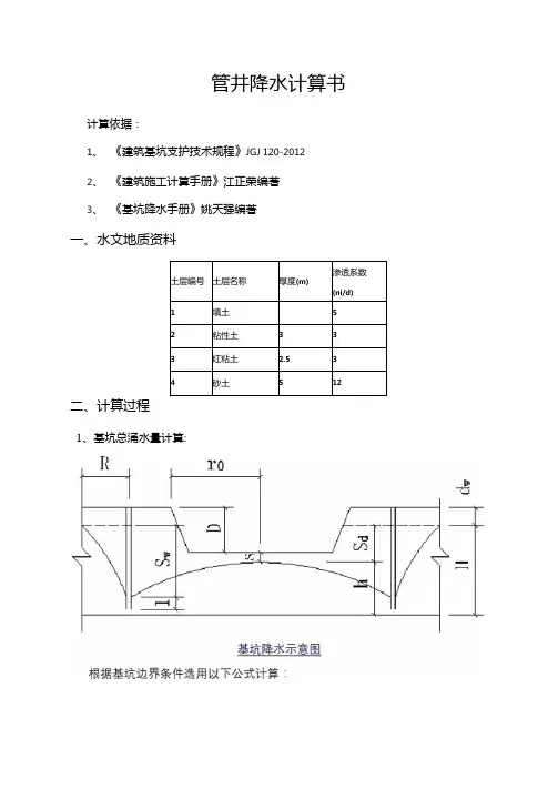
管井降水计算书计算依据:1、《建筑基坑支护技术规程》JGJ 120-20122、《建筑施工计算手册》江正荣编著3、《基坑降水手册》姚天强编著一、水文地质资料二、计算过程1、基坑总涌水量计算:Q=7tk(H2-h2)/(ln( 1 +R/r0)+(hm-l)/lxln(l +0.2hm/r o))=7r4.529(l 12-42)/(ln(l+198.62/50.463)+ (7.5-2)/2xln(l +0.2x7.5/50.463))=890.884m3/dh m=(H+h)/2Q为基坑涌水量;k为渗透系数(m/d);H为含水层厚度(m);h为设计降水面到潜水层底面的距离(m);R为降水井影响半径(m);ro为基坑等效半径(m);1为过滤器进水长度(m);通过以上计算可得基坑总涌水量为890.884m\2、降水井数量确定:单井出水量计算:qo=12Q7rrslk1/3降水井数量计算:n=l.lQ/qoqo为单井出水能力(m3/d);G为过滤器半径(m);1为过滤器进水部分长度(m);k为含水层渗透系数(m/d)。
通过计算得井点管数量为9个。
3、基坑中心水位降深计算:S F[・P土(p2+4qQ)M]/2qp=1.366kl/[log(0.661/ro)-0.22arsh(0.441/Ro)]+1.366kl/log(2R()/r()) q= 1.366k/log(2R()/ro) s为基坑水位降深(m);Q为基坑涌水量;k为渗透系数(m/d);Ro为井点系统影响半径(m);ro为基坑等效半径(m);1为含水层厚度(m);根据计算得S1=llm>= S d=6.5m,需要布置管井数量10个,大于根据涌水量计算的管井个数•故该井点布置方案满足施工降水要求!4、过滤器长度计算群井抽水时,各井点单井过滤器进水长度按下式验算:yo>lyo=[H2-O.732Q/kx(lgRo-lg(nro n-,rw)/n],y21为过滤器进水长度;io为基坑等效半径;m为管井半径;H为潜水含水层厚度;R。
管井降水计算书WTD standardization office【WTD 5AB- WTDK 08- WTD 2C】1、基坑总涌水量计算:根据基坑边界条件选用以下公式计算:Q=πk(2H-S d)S d/ln(1+R/r o)=π5(2×ln(1+=Q为基坑涌水量;k为渗透系数(m/d);H为含水层厚度(m);R为降水井影响半径(m);r0为基坑等效半径(m);S d为基坑水位降深(m);S d=(D-d w)+SD为基坑开挖深度(m);d w为地下静水位埋深(m);S为基坑中心处水位与基坑设计开挖面的距离(m);通过以上计算可得基坑总涌水量为。
2、降水井数量确定:单井出水量计算:q0=120πr s lk1/3降水井数量计算:n=q0q0为单井出水能力(m3/d);r s为过滤器半径(m);l为过滤器进水部分长度(m);k为含水层渗透系数(m/d)。
通过计算得井点管数量为4个。
3、过滤器长度计算群井抽水时,各井点单井过滤器进水长度按下式验算:y0>ly0=[k×(lgR0-lg(nr0n-1r w)/n]1/2l为过滤器进水长度;r0为基坑等效半径;r w为管井半径;H为潜水含水层厚度;R0为基坑等效半径与降水井影响半径之和;R0=R+r0R为降水井影响半径;通过以上计算,取过滤器长度为。
4、基坑中心水位降深计算:S1=H-(H2-q/(πk)×Σln(R/(2r0sin((2j-1)π/2n))))S1为基坑中心处地下水位降深;q=πk(2H-S w) S w /(ln(R/r w)+Σ(ln(R/(2r0 sin(jπ/n)))))q为按干扰井群计算的降水井单井流量(m3/d),按下式计算:S w= H1+s-d w +r o×i =+根据计算得S1= >= S d=,故该井点布置方案满足施工降水要求!。
基坑坑内疏干井降水设计书一、降水工程分析本工程降水面积约630m2,降水设计时基坑深度按5.50m考虑。
根据前述工程地质、水文地质条件,基坑开挖深度范围内的地下水主要为孔隙潜水,接受大气降水及地表水补给。
主要赋存于圆砾层中,在地表下2.0m以下分布。
基坑深度范围内的圆砾地层,由于含水层连通性好,渗透系数大,影响半径大降水难度大,易在坑壁形成较多的悬挂水、出水点及渗水线,影响基坑稳定。
因此,必须采用较小井间距布置,方可在较短的抽降周期内最大程度的达到疏干效果。
二、降水方案选择根据本场区水文地质、工程地质情况,综合上述分析,基坑面积较小,开挖深度较小,降水降深较小,所以应以管井为主要工作井点,即抽渗结合,以起到良好的引渗作用。
本工程降水采用管井围降的方法。
在基坑外围布置围降抽水管井,用以疏干和降低地下水水位。
由于含水层的变化,加上抽降周期短的原因,地下水不会完全疏干,基坑开挖后,初期局部地段坑壁仍会有少量地下水渗入基坑内,须在基坑边坡的含水层底板渗水部位埋设导水管,坑底坡脚设排水盲沟,将残留渗水引至集水坑,再以水泵抽排至坑外。
三、计算模型选择基坑涌水量计算模型可假设为承压~潜水非完整井基坑远离边界模型。
四、水文地质参数选择根据地质勘察报告,并考虑几年来本场区地下水变化及地下水水位的季节性变化,综合确定本场区的水文地质参数。
五、设计计算1、基坑等效半径r0r0=0.29(Li+Bi)式中:r0—矩形基坑等效半径(m)Li、Bi—基坑长边、短边长度(m)计算得,r0=12.76m2、降水影响半径RR=kHS2式中:R—降水影响半径(m)S—基坑水位降深(m)(S=3.5m)k—含水层的渗透系数(取40m/d)H—含水层厚度(m)(H=7.5m)计算得:R=121.24m3、基坑涌水量Q计算模型:均质含水层承压~潜水非完整井,基坑远离边界Q=πk式中:k—渗透系数(m/d),取k=40m/dH0—潜水含水层厚度(m),取H=4.5m)1ln()2(2rRhMMH+--M—承压含水层厚度(m),取7.5mh—基坑动水位至含水层底面的深度(m),取H=6.5mS—基坑水位降深(m),取S=3.5mR—降水影响半径(m)r0—基坑等效半径(m)计算得:Q=1068.267m3/d4、降水井井点数量nn=1.1Q/q式中:Q—基坑总涌水量(m3/d)q—设计单井出水量(m3/d)=350计算得:n=3.0基坑涌水量较大,要将井间距适当调小,确定降水井间距20.0m,井深6.0m。
群力第五大道管廊工程降水专项设计施工计算书1、前言1.1 工程概况本工程位于哈尔滨市群力第五大道上,在三环路与四环路之间;先期需要降水施工管线长度约2100米;管廊基坑两侧有拉森钢板护(H型钢板桩)壁桩。
本工程平面为条形,开挖深8.55米。
其拟建建筑物特性,见平面图。
因场地内地基土为饱和砂类土,位于松花江漫滩地,与松花江水系关系密切。
根据建设单位提供的地质资料,勘察期间(枯水期)场区地下水位:初见水位埋深2.5~4.8米,静止水位4.5米,其稳定水位基本鉴定在4.0米。
根据调查及以往经验地下水位年变化幅度在2.00~3.00米,故在管线开挖及管廊敷设施工过程中,一方面涉及到降水问题,为保证正常施工,基础水位应降至管廊基底下0.5米以下。
1.2 场地地质条件概况根据我单位在该场区以往的地质资料中可知,该地区场地地层(揭露深度范围内)特性如下:○1层杂填土杂色,含碎石、灰渣、砂土建筑垃圾和生活垃圾,层底埋深2.00~3.60米。
局部有新近沉积土分布。
○2层粉质粘土黄褐色,饱和、流塑,流塑,干强度中档,无光泽反映,压缩性土,韧性较差,摇振反映明显,土层结构不均匀,分布连续,层底埋深 5.60~6.80米,层厚3.50~4.60米,本层局部具有较多的粉细砂,呈透镜状与粘性土交互。
○2层—1层粘土、粉质粘土黑褐色~黄褐色,可塑,中压缩性,干强度中档,稍有光滑,韧性中档,摇振反映无,层底埋深2.5~7.4米。
○2—2层粉质粘土灰褐色,软塑,中~高压缩性,含流塑土,干强度中档,稍有光滑,韧性中档,摇振反映无,层底埋深4.7~8.2米。
○3层粉砂黄色~灰色,可塑,稍密,湿~饱和,含大量粘性土夹层,重要成分为石英、长石,颗粒形状近圆球型,颗粒级配一般,粘粒含量较高,层底埋深7.0~14.0米。
○4层细砂黄色~灰色,可塑,稍密,饱和,含大量粘性土夹层,重要成分为石英、长石,颗粒形状近圆球型,颗粒级配一般,粘粒含量低,层底埋深12.2~16.8米。
一 写字楼降水井计算公式如下:A 、计算基坑等效半径 基坑等效半径计算公式:F A r o 565.03.14== r o —— 基坑等效半径,m ;F —— 基坑面积,13500m 2。
代入参数计算结果:r o 65.6513500565.0==mB 、抽水影响半径计算 影响半径采用下式:潜水:HK s R 2=R —— 影响半径,m ;s —— 水位降深,m ,按照基坑深度范围内含水层全部疏干考虑,即降深值取含水层厚度;H —— 潜水含水层厚度,m ,取基坑四周各钻孔揭露含水层厚度的平均值,基坑潜水含水层厚11m ;K —— 渗透系数,m/d ,潜水含水层主要分布于第四系砂卵石层中; 潜水含水层: K = 25 m/d 。
代入参数计算结果如下:潜水: 83.36425111122=⨯⨯⨯==HK s R m ;C 、基坑涌水量(Q )潜水和层间水基坑涌水量采用潜水完整井计算公式:()⎪⎪⎭⎫ ⎝⎛+-=o r R ss H K Q 1lg 2366.1Q —— 基坑涌水量,m 3/d ;K ——渗透系数,m/d ;H ——潜水含水层厚度,11m ;s ——水位降深,11m ;R ——抽水影响半径,m ;r o ——基坑等效半径,m 。
代入参数,计算结果如下:()⎪⎪⎭⎫ ⎝⎛+-=o r R ss H K Q 1lg 2366.1()⎪⎭⎫ ⎝⎛+⨯-⨯⨯⨯=65.6583.3641lg 111111225366.1 = 5059.56 m 3/dD 单井出水能力q'=24⨯'αld =1.18x300x24/70=121.37m 3/d式中:q'—单井出水量l —过滤器工作部分长度m 。
d —过滤器外径mmα—与含水层渗透系数有关的系数取值为70。
将有关参数代入以上公式可以得出以下数据:E 计算井数量(n) n=q Q'1.1=45.8 F 计算井间距(a)a=1 n L z=12..64m式中:z L ——基坑降水井轴线周长约569.223米;n ——降水井数量G 基坑排水量Q 排=47×10m 3/h ×24h=11280 m 3/d > Q z =5059.56m 3/d 符合要求。
本工程 A 区:b lg 2b1 降水范围 :为了不影响土方开挖和基础施工,降水井布置在基坑开挖线上外 1m 处。
2 降水深度:要求将地下水降至建筑物标高-8.0m ; 。
3 地下水静止水位: ho=-2.0 米。
4 渗透系数: K =30.0m /d ;5 基坑为长方形箱体,取83.1 米长度计算和 33.3 米宽度计算则假象半径: ro= 0.29 (a+b ) =0.29 ( 83.1+33.3 ) =33.8 米;6 基坑降水降深: S=1m 。
7 单井涌水量 q=120 πrlk 1/3 =120 3.14 0.15 2 3.1=350 立米/d. 采用 600 直径的降水井, 井管内径 0.15m ,壁厚 5cm ;滤管长度 2m 。
8 基坑涌水量:Q 1.366KS[ l Sr 00.66l r 0l ]0.22arsh 0.44l1.366 30 7 2 7 lg 2 50lg 0.66 2 10.22arsh 0.44 2286.86 286.869 / 0.47 17.7 33.8 2 /( 33.81.410.22 500.018) 5077.4m 3/ d9 井的数量为: 1.1 5077.4/350=16 个建筑物总长度: 83.1+83.1+33.3+33.3=232.8米。
则井点布置采用基坑西侧每10 米均匀设置,其余三侧每 15 米均匀设置,自基坑坡顶线外1 米设置。
lg [ ]K——渗透系数=30m/dH——含水层厚度=13mS 降——基坑降水降深=1.0m10. 井管的埋设深度:H=Hw1+Hw2+Hw3+Hw4+Hw5+Hw6=8+1+0.1 15+2+2+0.5=15. 米取H=15 米式中H: 井管的埋设深度Hw1——基坑深度(m);Hw2 ——降水水位距离基坑底要求的深度(m);Hw3 ——ir0;i为水力坡度,在降水井分布范围内宜为1/10~1/15;r0为降水井分布范围的等效半径或降水井排间距的1/2(m);Hw4 ——降水期间的地下水位变幅(m);Hw5 ——降水井过滤器工作长度(m);Hw6 ——沉砂管长度(m)。
排水井降水计算书
1. 引言
本计算书旨在对排水井进行降水计算,以为相关工程提供必要
的数据和依据。
2. 计算方法
排水井的降水计算一般采用罗斯托克公式,该公式是根据降水
强度和排水井的容量来计算排水井的排水速率。
具体计算公式如下:\[Q = C \times A \times i\]
其中,\(Q\)表示排水速率,\(C\)表示罗斯托克系数,\(A\)表示
排水井的有效面积,\(i\)表示降水强度。
3. 数据输入
以下是进行排水井降水计算所需的数据输入:
- 排水井的有效面积(单位:平方米)
- 降水强度(单位:毫米/小时)
- 罗斯托克系数(根据实际情况选择合适的值)
4. 计算结果
根据输入的数据,通过罗斯托克公式进行计算,可以得出排水井的排水速率。
将计算结果提供给相关工程师或设计师,以便进行后续工程设计和规划。
5. 结论
排水井降水计算是设计和规划排水系统的重要工作,通过合理的计算和数据输入,可以获得准确的排水速率,为工程建设提供可靠的依据。
以上为排水井降水计算书的基本内容,希望能对您的工作有所帮助。
前一段时间在写一份勘察报告,里面有注水试验的数据。
特意查看规范及相关公式对注水试验计算渗透系数的方法进行了学习,结果发现原来网上好多的都是错的。
根据自己的学习情况,特意选了一份网上原有的报告,进行详细的分析和计算。
希望对大家有点用处。
由于这个表格格式的问题,将报告转到第二页进行说明计算。
以便报告可以完全显示。
钻孔降水头注水试验报告
工程名称:、报告编号
试验日期:2010-08-10 孔号
孔径:10cm 地下水位高程:195.0m 试段长度:6m 初始试验水头:2100cm
计算书
对于计算单位的说明,在这里面最后的K单位为(cm/s),在计算中半径r的单位用(cm),形状系数的单位最后计算也是(cm),时间的计算是(min)。
时间计算中,因为0.0523已经将min换算成为了s,因此时间用min单位。
形状系数的取值可以根据规范中的附录,选择合适的计算公式。
降水设计计算书
1、水文地质参数的选择
根据本工程的地质勘察报告及勘察单位所提供的具体参数和我方掌握的抽水试验资料,临近场区地质勘察报告,并考虑几年来本场区地下水变化及地下水水位的季节性变化等因素,合理选取计算参数。
2、计算过程
2.1、基坑等效半径r0
r0=0.29(a+b)
式中:
r0—矩形基坑圆形概化后的等效半径(m)
a、b—分别为基坑的长、宽 (m),取a=76m;b=53.0m
计算得:r
= 37.41m
2.2、降水井深度H
H≥H1+h+iL+l+l
1+l
2
式中:
H —井点管井的埋置深度(m)
H1—井点管埋设面至基槽底面距离 (m),取H1=7.35m(集水坑加深1.0m考虑) h—基坑中央最深挖掘面至降水曲线最高点的安全距离(m), h要求值为0.50m。
L—井点管中心至基坑中心的短边距离(m),取L=20m
i—降水曲线坡度,因为基坑内潜水将被疏干,所以取i≈0.1
l—滤管有效长度(m),取l=1.00m
l 1—沉砂管长度(m),取l
1
=1.00m
l 2—井拖高度(m),取l
2
=0.3m
计算得,H =7.35+0.5+2.5+1.0+1.0+0.3=12.65m
取H=13.0m(考虑沉淀)并且施工时,降水井四周全包裹双层100目尼龙网过滤砂子,并填满滤料。
2.3、降水影响半径R
R=2S√kH
式中:
R—降水影响半径(m)
S—水位降低值(m), S=7.35m
k—含水层的渗透系数(m/d),取k=0.03m/d
H—含水层厚度(m),取H=13m。
计算得:R=9.18m
2.4、基坑涌水总量Q
Q=1.2*1.366k(2H-S)S/lg(1+R/r
)
计算得:Q=70.95m3/d
其中1.2—经验系数
2.5、降水井井点数量n
n=1.1Q/q
式中:
Q—基坑总涌水量(m3/d)
q—设计单井出水量(m3/d)
单井出水量q=j·120πdl• 3√ k
式中:
j—经验系数,取j=0.13
d—滤管直径(m),取d=0.40m
l—滤管长度(m),取l=1.00m
计算得:q=5m3/d
计算得:n=15眼,根据实际情况布设15眼,井间距16.0m,井深13m。