xx公司成本费用管理内部控制业务流程图
- 格式:doc
- 大小:53.00 KB
- 文档页数:10
XX公司成本费用管理内部控制业务流程一、业务目标1 战略目标1.1 对成本费用实施全过程、全方位、全员化控制,保证产品生产优质低耗,最大限度的提高企业竞争力,为社会创造价值。
2 经营目标2.1 合理组织生产,优化生产流程,充分利用各种资源,降低生产成本。
3 财务目标3.1 合理归集、分配、摊提生产成本费用,保证成本费用真实、准确、完整。
4 合规目标4.1 符合国家有关法律、法规以及公司内部规章制度。
二、业务风险1 战略风险1.1 成本费用预测、规划不合理,成本费用控制不得力,造成产品生产高耗低效,企业效益低下,社会资源浪费,影响企业竞争力,危害企业生存、发展。
2 经营风险2.1 成本预算不合理、审核不严,影响成本控制效果。
2.2 生产损失、消耗加大,增加成本支出。
1.3 由于人为舞弊,统计资料不真实,导致成本核算信息错误。
1.4 盲目降低生产成本,导致产品质量下降或产品结构恶化。
3 财务风险2.1 不能合理归集、分配、摊提成本费用,未按要求结转成本,致使财务报表不能真实反映生产成本。
4 合规风险3.1 违反国家有关法律、法规以及公司内部规章制度导致处罚。
三、业务流程步骤与控制点1 成本费用预测1.1 成本费用预测是进行成本费用决策和编制成本费用计划的基础,是企业成本费用管理的第一环节。
1.2 根据公司总体发展目标,每年十一月底前,由公司各职能部门根据公司实际情况拟定并提交下个计划期成本费用预测方案。
1.2.1 计划财务部提交资金筹措方案及公司管理费用额度。
负责汇总各部门提交方案并进行分析比较。
1.2.2 综合管理部提交劳动力配置及工资方案、社会保障支出方案、职工培训方案。
1.2.3 生产部门提交设备配置、装置更新及修理改造方案。
提交公司年度生产计划方案。
1.2.4 技术质量部提交可能推广应用的新技术、新办法、新材料、新工艺方案。
1.2.5 市场部物资采购中心,制定物资采购计划,提供供求情况及市场价格变化趋势资料。
XX公司成本费用管理内部控制业务流程一、引言成本费用是指企业为生产经营活动所发生的各项支出,是衡量企业盈利能力和经营效益的重要指标。
对成本费用进行有效的管理和控制,对企业的可持续发展具有重要意义。
在这篇文章中,我们将对XX公司成本费用管理内部控制的业务流程进行详细介绍。
二、成本费用管理的内部控制目标成本费用管理的内部控制目标包括:1.确保成本费用记录和处理的准确性和可靠性;2.确保成本费用的合理性和合规性;3.提高成本费用管理的效率。
三、XX公司成本费用管理内部控制的业务流程1.预算编制和执行控制1.1.制定成本费用预算-公司根据历史数据和经营计划编制成本费用预算,确保预算的合理性和可行性。
-预算制定过程中需要参考相关法规和政策,确保合规。
1.2.预算执行控制-设定预算执行的责任人和权限,明确各个环节的责任和权限。
-建立预算执行的监控机制,定期对预算执行情况进行检查和评估,及时进行调整和纠正。
2.采购管理和控制2.1.采购流程管理-制定采购程序和采购控制标准,明确采购的流程和程序。
-建立供应商资质审核制度,选取合格的供应商。
-建立采购合同管理制度,确保采购合同的合规和履约。
2.2.采购授权和审批流程-设定采购授权的层级和权限,明确谁有权进行采购,并设定采购金额的授权限制。
-建立采购审批流程,确保采购的审批程序和流程合规和规范。
3.成本费用核算和分析3.1.成本费用核算-设定成本费用的分类和核算方法,确保核算的准确性。
-建立成本费用核算的制度和流程,明确责任和权限。
3.2.成本费用分析-对成本费用进行定期分析和对比,找出异常和问题。
-建立成本费用分析的制度和流程,确保分析结果的准确性和及时性。
4.资产管理和报废处理4.1.资产购置管理和控制-建立资产购置审批流程,明确谁有权决策资产购置,并设定购置金额的审批权限。
-对资产购置进行登记和跟踪,确保资产的准确记录和管理。
4.2.资产报废处理-建立资产报废审批流程,明确谁有权决策资产报废,并设定报废金额的审批权限。
内部控制六大业务流程
第一节预算业务控制
一、工作步骤示意图
二、工作流程图
(一)预算编制及批复
②部署预算编制①授权部署预算编制
⑥下达预算控制数⑤确定重点项目及限额⑨审定报送本级预算
⑦修改部门预算计划⑧编制本级预算草案
⑾批复部门预算⑩批准本级预算
(二)预算执行
(三)预算绩效管理
三、风险点及主要防控措施一览表(一)预算编制及批复
(二)预算执行
(三)决算和预算绩效管理
(二)支出业务
二、风险点及主要防控措施一览表(一)收入业务
(二)支出业务
第三节政府采购业务控制一、工作步骤示意图
二、工作流程图
三、风险点及主要防控措施一览表(一)采购预算编制与计划管理
(二)采购活动管理
第四节资产业务控制一、工作步骤示意图
(一)货币资金业务
(二)实物资产和无形资产业务
二、风险点及主要防控措施一览表(一)货币资金
(二)实物资产和无形资产
第六节合同业务控制一、工作步骤示意图
二、工作流程图
三、风险点及主要防控措施一览表(一)合同订立阶段
(二)合同履行阶段
21。
成本控制流程图成本控制是企业管理中非常重要的一环,它直接关系到企业的盈利能力和竞争力。
在现代企业管理中,成本控制已经成为一项基本的管理技能。
通过建立成本控制流程图,可以帮助企业更好地掌握成本控制的核心要点,提高管理效率,降低生产成本,从而增强企业的竞争力。
首先,成本控制流程图的第一步是成本核算。
成本核算是指对企业生产经营活动中所发生的各项费用进行准确计量、分配和核算,以便为成本控制提供准确的数据基础。
在成本核算中,需要对直接成本和间接成本进行准确的核算和分配,包括原材料成本、人工成本、制造费用等。
只有通过准确的成本核算,企业才能对成本进行有效的控制。
第二步是成本分析。
成本分析是指对成本进行系统的分析,找出成本构成及变动规律,为成本控制提供依据。
在成本分析中,需要对成本的构成因素进行详细的分解和分析,找出成本的主要影响因素,包括成本的变动规律、成本的结构特点等。
只有通过深入的成本分析,企业才能找出成本控制的关键点,有针对性地进行成本控制。
第三步是成本控制。
成本控制是指通过各种管理手段和方法,对成本进行有效的控制,确保企业的生产经营活动在成本可控的范围内进行。
在成本控制中,需要建立科学的成本控制体系,包括预算控制、标准成本控制、差异分析等。
只有通过有效的成本控制,企业才能实现成本的合理控制,提高企业的经济效益。
最后,是成本监控。
成本监控是指对成本控制过程进行动态监测和跟踪,及时发现和解决成本控制中的问题,确保成本控制的有效实施。
在成本监控中,需要建立成本监控指标体系,对各项成本指标进行动态监测和分析,及时发现成本控制中的问题,采取有效的措施加以解决。
只有通过及时的成本监控,企业才能保持成本控制的有效性,确保企业的经营活动在成本可控的范围内进行。
综上所述,成本控制流程图是企业进行成本控制的重要工具,通过建立成本控制流程图,可以帮助企业更好地掌握成本控制的核心要点,提高管理效率,降低生产成本,从而增强企业的竞争力。
收支和预算管理业务内部控制流程图HEN system office room 【HEN16H-HENS2AHENS8Q8-HENH1688】收支和预算管理业务内部控制流程图目录第一部分:内部控制工作开展步骤及流程一、工作步骤二、工作流程图三、主要经济活动的管理结构四、制度框架第二部分:经济活动控制第一节预算业务控制一、工作步骤示意图二、工作流程图三、风险点及主要防控措施一览表第二节收支业务控制一、工作步骤示意图二、风险点及主要防控措施一览表第三节政府采购业务控制一、工作步骤示意图二、工作流程图三、风险点及主要防控措施一览表第四节资产业务控制一、工作步骤示意图二、风险点及主要防控措施一览表第五节建设项目业务控制一、工作步骤示意图二、风险点及主要防控措施一览表第六节合同业务控制一、工作步骤示意图二、工作流程图三、风险点及主要防控措施一览表第一部分内部控制工作开展步骤及流程一、工作步骤(一)成立内部控制领导组织机构单位要单独设置内部控制职能部门或确定常设的内部控制牵头部门,负责组织协调开展内部控制工作(二)开展单位层面内部控制1、建立集体议事决策制度主要内容:议事成员构成;决策事项范围;投票表决规则;决策纪要的撰写、流转和保存;决策事项的落实程序;监督程序、责任追究制度等2、建立关键岗位管理制度主要内容:单位内部控制关键岗位;关键控制岗位责任制;关键岗位轮岗制度和专项审计制度;关键岗位工作人员岗位条件及培训制度等3、建立会计机构管理制度主要内容:会计机构设置;会计人员配置及岗位责任制;财会部门与其他业务部门的沟通协调制度;会计业务工作流程等4、按照单位的控制工作需要建立其他管理制度5、按照内控规范要求建立六项主要经济活动的管理结构(见下文)(三)开展经济活动内部控制1、梳理单位六项经济活动的工作流程,明确工作环节,查找风险点2、根据找出的风险点、采取控制措施,进行内控设计3、进一步完善单位的制度建设,制定内部控制工作手册二、工作流程图三、主要经济活动的管理结构四、制度框架第二部分经济活动内部控制第一节预算业务控制一、工作步骤示意图二、工作流程图(一)预算编制及批复(二)预算执行(三)预算绩效管理三、风险点及主要防控措施一览表(一)预算编制及批复(二)预算执行(三)决算和预算绩效管理第二节收支业务控制一、工作步骤示意图(一)收入业务(二)支出业务(三)债务业务二、风险点及主要防控措施一览表(一)收入业务(二)支出业务(三)债务业务第三节政府采购业务控制一、工作步骤示意图二、工作流程图三、风险点及主要防控措施一览表1、采购预算编制与计划管理。
XX公司成本费用管理内部控制业务流程一、前言成本费用管理是企业内部控制的核心内容之一,它涉及到企业经营管理的方方面面,对于确保企业的经济效益、规避风险、提高盈利能力具有重要的意义。
本文将重点介绍XX公司成本费用管理的内部控制业务流程,旨在全面提升企业内部控制管理水平,为企业的可持续发展提供有力保障。
1.成本费用编制控制流程(1)确定成本费用编制的责任部门和人员。
(2)明确成本费用编制的编制周期和编制依据。
(3)落实成本费用编制的流程和程序,包括数据收集、数据筛选和数据分析等环节。
(4)建立成本费用编制的核算体系和相应的核算流程,确保核算准确无误。
(5)编制完成后,对成本费用进行审计和核对,以确保数据的准确性和完整性。
2.成本费用支付控制流程(1)设立支付授权委托制度,规定成本费用支付的授权权限和授权流程。
(2)建立支付审批流程,确保所有支付申请经过层层审批。
(3)建立供应商管理制度,明确供应商的选取、评估和考核标准,避免伪劣产品或无效合同的支付。
(4)建立支付事项登记和凭证管理制度,确保支付事项的准确登记和有效凭证的管理。
(5)建立支付款项核对和会计确认机制,确保支付的及时性和准确性。
3.成本费用报销控制流程(1)建立报销审批流程,明确报销申请的流程和程序,确保相关支出合规、合法、合理。
(2)建立报销申请的备查和归档制度,确保报销申请的资料完整、真实、准确。
(3)建立预算控制机制,对报销申请进行预算控制和预算执行跟踪。
(4)加强审计和审计自查力度,对企业内部报销行为进行自查和纠正,避免违规行为的发生。
(5)建立报销费用的检查机制,对报销费用进行数据分析和差异比对,确保费用的合理性和准确性。
4.成本费用分析控制流程(1)设立成本费用分析的责任部门和人员,明确分析的时间节点和分析的依据。
(2)建立成本费用分析的流程和方法,对各项成本费用进行分析和统计。
(3)建立成本费用分析的报告体系,对分析结果进行汇总和分析报告的撰写。
内部控制流程图目录第一部分:内部控制工作开展步骤及流程一、工作步骤二、工作流程图三、主要经济活动的管理结构四、制度框架第二部分:经济活动控制第一节预算业务控制一、工作步骤示意图二、工作流程图三、风险点及主要防控措施一览表第二节收支业务控制一、工作步骤示意图二、风险点及主要防控措施一览表第三节政府采购业务控制一、工作步骤示意图二、工作流程图三、风险点及主要防控措施一览表第四节资产业务控制一、工作步骤示意图二、风险点及主要防控措施一览表第五节建设项目业务控制一、工作步骤示意图二、风险点及主要防控措施一览表第六节合同业务控制一、工作步骤示意图二、工作流程图三、风险点及主要防控措施一览表第一部分内部控制工作开展步骤及流程一、工作步骤(一)成立内部控制领导组织机构单位要单独设置内部控制职能部门或确定常设的内部控制牵头部门,负责组织协调开展内部控制工作(二)开展单位层面内部控制1、建立集体议事决策制度主要内容:议事成员构成;决策事项范围;投票表决规则;决策纪要的撰写、流转和保存;决策事项的落实程序;监督程序、责任追究制度等2、建立关键岗位管理制度主要内容:单位内部控制关键岗位;关键控制岗位责任制;关键岗位轮岗制度和专项审计制度;关键岗位工作人员岗位条件及培训制度等3、建立会计机构管理制度主要内容:会计机构设置;会计人员配置及岗位责任制;财会部门与其他业务部门的沟通协调制度;会计业务工作流程等4、按照单位的控制工作需要建立其他管理制度5、按照内控规范要求建立六项主要经济活动的管理结构(见下文)(三)开展经济活动内部控制1、梳理单位六项经济活动的工作流程,明确工作环节,查找风险点2、根据找出的风险点、采取控制措施,进行内控设计3、进一步完善单位的制度建设,制定内部控制工作手册二、工作流程图三、主要经济活动的管理结构四、制度框架第二部分经济活动内部控制第一节预算业务控制一、工作步骤示意图二、工作流程图(一)预算编制及批复(二)预算执行与分析(三) 预算追加调整预算调整流程节点简要说明(四)决算管理流程图决算流程节点简要说明(五)绩效评价三、风险点及主要防控措施一览表(一)预算编制及批复(二)预算执行与分析(三)决算和预算绩效管理(二)支出业务(三)债务业务二、流程图资金支出流程节点简要说明三、风险点及主要防控措施一览表(一)收入业务(二)支出业务(三)债务业务第三节政府采购业务控制一、工作步骤示意图二、工作流程图三、风险点及主要防控措施一览表1、采购预算编制与计划管理2、采购活动管理第四节资产业务控制一、工作步骤示意图(一)货币资金业务(二)实物资产和无形资产业务(三)对外投资业务二、风险点及主要防控措施一览表(一)货币资金(二)实物资产和无形资产(三)对外投资第五节建设项目业务控制一、工作步骤示意图二、风险点及主要防控措施一览表(一)项目管理(二)资金管理第六节合同业务控制一、工作步骤示意图二、工作流程图三、风险点及主要防控措施一览表(一)合同订立阶段(二)合同履行阶段。
预算管理业务流程图1、预算编制流程图预算编制财政部门预算管理委员会财务部门业务部门开始部署预算编报工作组织预算编报工作落实预算编报工作部门负责人审核初审通过汇总、调整各部门预算预算建议数审核审核预算批复流程结束阶段1.预算编制2.预算上报审核不通过预算建议数不通过不通过2、预算批复流程图预算批复财政部门预算管理委员会财务部门业务部门开始下达预算控制数控制数初步分解审批不通过调整细化形成单位预算草案汇总平衡审定审批通过预算下达流程结束不通过通过阶段1.财政控制数下达2.内部控制数下达3.内部细化再报批不通过3、预算下达流程图预算下达财政部门预算管理委员会财务部门业务部门开始年度预算下达预算指标分解细化审定年度预算指标下达预算指标下达通知预算执行流程预算追加流程结束2.预算指标下达1.指标细化分解阶段4、预算追加流程图预算追加调整财政部门预算管理委员会财务部门业务部门开始提出追加调整申请预算追加调整申请表审核审批通过是否需财政审批通过调整预算下达批复否审批下达预算追加调整数追加预算指标匹配预算执行流程结束不通过不通过通过阶段2.预算追调批复不通过1.预算追加申请5、预算调整流程图预算调整决策机构单位负责人分管领导财务部门经办部门开始提出预算调整需求预算调整申请表汇总预算调整事项预算调整方案因项目发生终止、撤销、变更等引起预算调整审核否审批是审议否否否预算编制是否下达各处室执行结束阶段1.提出预算调整申请2.预算调整编制3.预算下达6、预算执行申请及执行流程图预算执行预算管理委员会财务部门业务部门1.预算执行申请开始是否需要申请执行是否借款否结束否资金支付流程是结束提出执行申请是预算招待申请单审定审批是否采购通过政府采购流程是资金支付流程结束通过不通过不通过否2.预算执行阶段7、决算管理业务流程图决算流程财政部门预算管理委员会财务部门业务部门开始数据准备统计预算的执行情况决算编制决算报告草案审定审批通过决算报告通过接受反馈接受反馈接受反馈绩效评价流程结束不通过阶段1.决算编制2.决算审批3.决算报告8、绩效评价流程图考评控制财政部门预算管理委员会财务部门业务部门开始预算执行监控跟踪、监控预算执行情况汇总、分析预算执行情况预算执行分析报告绩效评价报告审定审批通过不通过不通过绩效考评结果报告通过应用报告结果应用报告结果应用报告结果预算编制流程结束1.绩效考评表报审批阶段2.绩效考评结果反馈。
内部控制六大业务流程
第一节预算业务控制一、工作步骤示意图
二、工作流程图
(一)预算编制及批复
②部署预算编制①授权部署预算编制
⑾批复部门预算⑩批准本级预算
(三)预算绩效管理
三、风险点及主要防控措施一览表(一)预算编制及批复
(三)决算和预算绩效管理
(二)支出业务
二、风险点及主要防控措施一览表(一)收入业务
(二)支出业务
第三节政府采购业务控制一、工作步骤示意图
二、工作流程图
三、风险点及主要防控措施一览表(一)采购预算编制与计划管理
(二)采购活动管理
第四节资产业务控制一、工作步骤示意图
(一)货币资金业务
(二)实物资产和无形资产业务
二、风险点及主要防控措施一览表(一)货币资金
(二)实物资产和无形资产
第六节合同业务控制一、工作步骤示意图
二、工作流程图
三、风险点及主要防控措施一览表(一)合同订立阶段
(二)合同履行阶段。
收支和预算管理业务内部控制流程图目录第一部份:内部控制工作开展步骤及流程一、工作步骤二、工作流程图三、主要经济活动的管理结构四、制度框架第二部份:经济活动控制第一节预算业务控制一、工作步骤示意图二、工作流程图三、风险点及主要防控措施一览表第二节收支业务控制一、工作步骤示意图二、风险点及主要防控措施一览表第三节政府采购业务控制一、工作步骤示意图二、工作流程图三、风险点及主要防控措施一览表第四节资产业务控制一、工作步骤示意图二、风险点及主要防控措施一览表第五节建设项目业务控制一、工作步骤示意图二、风险点及主要防控措施一览表第六节合同业务控制一、工作步骤示意图二、工作流程图三、风险点及主要防控措施一览表第一部份内部控制工作开展步骤及流程一、工作步骤(一)成立内部控制领导组织机构单位要单独设置内部控制职能部门或者确定常设的内部控制牵头部门,负责组织协调开展内部控制工作(二)开展单位层面内部控制1、建立集体议事决策制度主要内容:议事成员构成;决策事项范围;投票表决规则;决策记要的撰写、流转和保存;决策事项的落实程序;监督程序、责任追究制度等2、建立关键岗位管理制度主要内容:单位内部控制关键岗位;关键控制岗位责任制;关键岗位轮岗制度和专项审计制度;关键岗位工作人员岗位条件及培训制度等3、建立会计机构管理制度主要内容:会计机构设置;会计人员配置及岗位责任制;财会部门与其他业务部门的沟通协调制度;会计业务工作流程等4、按照单位的控制工作需要建立其他管理制度5、按照内控规范要求建立六项主要经济活动的管理结构(见下文)(三)开展经济活动内部控制1、梳理单位六项经济活动的工作流程,明确工作环节,查找风险点2、根据找出的风险点、采取控制措施,进行内控设计3、进一步完善单位的制度建设,制定内部控制工作手册二、工作流程图成立单位内部控制领导及组织机构开展单位内部控制建设预算收支政府采购资产建设项目合同1、确定单位主要经济活动的管理结构(见下文)2、对照内控规范和相关法律法规的要求,全面梳理单位主要经济活动的业务流程,找出风险点3、根据找出的风险点、结合内控规范和现行的法律法规规定,采取控制措施,进行内控设计。
成本支出控制制度流程图成本支出控制制度流程图成本费用控制制度第一节总则第一条为了加强对公司成本费用的内部控制,严格控制成本费用的开支规模,堵塞漏洞,制止铺张浪费和徇私舞弊的行为,根据《中华人民共和国会计法》等相关法律法规,制定本制度。
第二条本制度所称成本费用是指公司为了获取收益而发生或支付的各种耗费以及虽与获取收益无关但应由本期负担的各种耗费。
第三条成本费用的下列职务应分离:批准人与经办人的职务相分离;经办人与证明人、验收人相分离。
第二节岗位分工及授权批准第四条建立成本费用业务的岗位责任制,明确内部相关部门和岗位的职责、权限,确保办理成本费用业务的不相容岗位相互分离、制约和监督。
同一岗位人员定期作适当调整和更换,避免同一人员长时间负责同一业务。
成本费用业务的不相容岗位包括:(一)成本费用定额、预算的编制与审批;(二)成本费用支出与审批;(三)成本费用支出与相关会计记录。
第五条配备合格人员办理成本费用的核算业务。
办理成本费用核算的人员应当具备良好的业务知识和职业道德,遵纪守法,客观公正。
通过培训,不断提高业务素质和职业道德水准。
第六条成本费用业务建立严格的授权批准制度,明确审批人对成本费用业务的授权批准方式、权限、程序、责任和相关控制措施,规定经办人办理成本费用业务的职责范围和工作要求。
第七条审批人应当根据成本费用授权批准制度的规定,在授权范围内进行审批,不得超越审批权限。
经办人在职责范围内,按照审批人的批准意见办理成本费用业务。
第八条通过宣传培训和奖惩措施,增强全体员工自觉节约成本费用的意识。
第三节成本费用预测、决策与预算控制第九条开展成本费用预测,应本着费用最少、效益最大的原则,明确合理的期限,充分考虑成本费用预测的不确定因素,确定成本费用定额标准。
第十条成本费用预测应当服从企业整体战略目标,考虑各种成本降低方案,从中选择最优成本费用方案。
第十一条企业对成本费用预测方案进行决策,应当对产品设计、生产工艺、生产组织、零部件自制或外购等环节,运用价值分析、生产工序、生产批量等方法,寻找降低成本费用的有效措施。
XX公司成本费用管理内部控制业务流程一、业务目标1 战略目标1.1 对成本费用实施全过程、全方位、全员化控制,保证产品生产优质低耗,最大限度的提高企业竞争力,为社会创造价值。
2 经营目标2.1 合理组织生产,优化生产流程,充分利用各种资源,降低生产成本。
3 财务目标3.1 合理归集、分配、摊提生产成本费用,保证成本费用真实、准确、完整。
4 合规目标4.1 符合国家有关法律、法规以及公司内部规章制度。
二、业务风险1 战略风险1.1 成本费用预测、规划不合理,成本费用控制不得力,造成产品生产高耗低效,企业效益低下,社会资源浪费,影响企业竞争力,危害企业生存、发展。
2 经营风险2.1 成本预算不合理、审核不严,影响成本控制效果。
2.2 生产损失、消耗加大,增加成本支出。
1.3 由于人为舞弊,统计资料不真实,导致成本核算信息错误。
1.4 盲目降低生产成本,导致产品质量下降或产品结构恶化。
3 财务风险2.1 不能合理归集、分配、摊提成本费用,未按要求结转成本,致使财务报表不能真实反映生产成本。
4 合规风险3.1 违反国家有关法律、法规以及公司内部规章制度导致处罚。
三、业务流程步骤与控制点1 成本费用预测1.1 成本费用预测是进行成本费用决策和编制成本费用计划的基础,是企业成本费用管理的第一环节。
1.2 根据公司总体发展目标,每年十一月底前,由公司各职能部门根据公司实际情况拟定并提交下个计划期成本费用预测方案。
1.2.1 计划财务部提交资金筹措方案及公司管理费用额度。
负责汇总各部门提交方案并进行分析比较。
1.2.2 综合管理部提交劳动力配置及工资方案、社会保障支出方案、职工培训方案。
1.2.3 生产部门提交设备配置、装置更新及修理改造方案。
提交公司年度生产计划方案。
1.2.4 技术质量部提交可能推广应用的新技术、新办法、新材料、新工艺方案。
1.2.5 市场部物资采购中心,制定物资采购计划,提供供求情况及市场价格变化趋势资料。
1.2.6 公司职能部门在提交有关目标方案的同时,要提出为达到目标应采取降低成本的措施和建议。
1.3 公司财务部门会同有关职能部门,汇总、整理、分析各职能部门的方案,运用成本正算与成本倒推相结合的方法,经修正优化后,确定正式的成本方案。
1.4 成本预测内容包括:制定发展总目标方案阶段的成本预测、计划实施过程中的成本预测。
1.4.1 制定发展总目标方案阶段的成本预测由公司计划财务部会同各相关职能部门编制,公司成本管理领导小组办公室审核,为公司的成本决策提供科学依据,为编制正确的成本计划打好基础。
1.4.2 计划实施过程中的成本预测由公司计划财务部会同各相关职能部门编制,公司成本管理领导小组办公室审核,旨在计划实施过程中,通过其中成本预测,实施过程控制,针对存在的问题拟定相应的技术经济措施,挖掘降低成本的潜力,指明降低成本的方向和途径,确保成本计划的完成或者超额完成。
1.5 公司成本费用预测范围包括:总成本及单位成本(包括玻璃窗膜、IT膜、FCCL 等);期间费用(营业费用、管理费用、财务费用)的总费用及单项费用。
1.6 在进行上述成本预测的同时,需相应指出降低成本的途径及措施。
1.7 公司成本管理领导小组对成本费用预测进行监督。
2 成本费用计划的编制2.1 成本费用计划是公司年度财务预算的重要组成部分,是编制年度财务预算的基础,是公司预算管理的关键环节。
2.2 生产部提交年度生产计划、提交推广利用新技术、新工艺的方案以及设备配置、改造方案、大修技改计划等;综合管理部提交劳动力配置及工资计划方案;市场部提交产品销售计划方案和有关市场供求及价格变化信息。
2.3 有关职能部门提供的相应计划方案,由计划财务部负责归集整理。
2.4 计划财务部会同有关职能部门通过总结上期计划成本执行中的经验教训、存在的问题及薄弱环节,研究分析影响成本升降的各种因素,再汇总各部门上报的下一年成本费用预算,经综合平衡后拟定成本计划及其完成计划的保证措施,期间费用控制分解到各归口部门。
2.5 编制的成本计划经过成本管理领导小组审定和成本管理第一责任人批准后,下达至所属单位及职能部门实施。
2.6 为维护成本计划的权威性、严肃性,成本计划一经批准下达,原则上不再调整。
2.7 当遇到下列情况之一者,向公司成本管理领导小组申请获批准后,可调整成本计划:2.7.1 因客观条件的变化,致使原设计方案作重大调整变更;2.7.2 计划期内主要原材料物价上浮指数明显高于成本界定水平;2.7.3 遇到其他无法抗拒的原因。
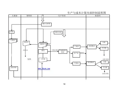
3 成本控制与监督3.1 成本控制是指全公司在生产经营过程中,依据成本标准,对成本形成过程进行监督、发现和克服生产经营中的失误和浪费,使生产经营过程发生的各种消耗和费用,被限制在成本费用计划标准范围内,以保证达到降低成本的目的。
3.2 制定成本控制标准,针对所能控制的成本内容制定科学、先进、合理的生产定额和费用开支标准。
3.2.1 成本控制的基础是加强定额管理,要认真制订各项定额,包括生产消耗、劳动力、费用定额,定期修订完善定额管理制度,不得擅自提高定额标准,开展责任成本核算。
成本控制必须层层分解,落实到基层班组及个人。
3.2.1.1 定额包括:原材料、辅助材料、燃料动力、工具、工时消耗和费用开支等。
3.2.1.2 定额的制定,应根据生产的特点和工作的需要,抓住关键,突出重点,一般应先建立健全主要材料、配件和电力消耗定额、劳动定额,逐步建立健全辅助材料、燃料消耗定额和费用开支定额,逐步由综合定额向分项定额发展,扩大定额管理的范围。
3.2.1.3 定额的制定和修改应结合计划管理、技术管理进行;要根据实际生产情况进行调查研究和专业测定;要发动员工,认真进行讨论。
定额既要先进,又要切实可行,有利于挖掘企业内部潜力,促进生产发展。
3.2.1.4 定额制定以后,必须严格执行,按定额编制计划,按定额用工、用料、用款,按定额分析考核成本完成情况。
3.2.2 每年年末计划财务部负责制定下一年公司内部计划价格,报财务总监审批后执行。
内部计划价格一般每年修订一次,遇特殊情况,报财务总监审批后调整。
内部计划价格制定以后,必须严格执行,按内部计划价格编制成本费用计划,内部计划价格制度是划清部门经济责任的关键。
3.2.3 先进合理、符合实际的成本费用计划为成本控制的实施提供控制标准和依据。
3.3 成本形成的全过程控制:在生产经营中根据成本控制标准,核发原材料,合理调整人力、控制费用支出,力争实际成本的发生不超过标准。
3.3.1 成本控制的依托是健全的原始记录,公司各部门要做好生产经营原始记录的登记、汇集、保管和整理工作,建立起传递、报送、审核制度。
3.3.1.1 原始记录是直接反映企业生产经营情况的基本资料,是产品成本核算和管理的依据。
3.3.1.2 对于产品的数量、质量,各项作业的工程量和工作量,材料的领发、退库及耗用,职工的出勤和工时的消耗,产品、半成品的转移和设备的运输等,都应有正确的记录。
3.3.1.3 各部门必须有专人负责原始记录,根据工作和管理的需要,制定统一的记录表格,做到记录完整、准确、及时,并要有严格的签署审核、传递和汇集程序,按月、按年、按规定的办法装订成册。
3.3.2 成本控制的保障是健全物资的计量、收发、领、退和盘点制度,物资的发放、转移有计量、验收等手续。
计量和验收工作是核定原材料、产品、半成品、在产品等实物数量和质量的工作,包括:3.3.2.1 建立计量验收制度,配备专职或兼职人员落实责任制;3.3.2.2 一切物资的收发,都要经过计量验收,库存物资要定期盘点;3.3.2.3 凡需用仪表计量(如水、电)的,要装备齐全,经常进行检查、校正和维修,以保证计量准确。
3.3.3 生产单位应采用“成本买断”、“费用包干”等多种形式的经济责任制,依靠员工控制成本费用的支出,内部承包必须与员工的责、权、利相结合,必须与技术经济指标相结合。
要根据公司下达的产量、质量、成本等指标,制定措施,使指标上下挂钩,层层落实。
3.3.4 公司各级单位必须做好成本计划的分解落实工作,应将有关成本指标逐级分解到基层。
公司的职能部门,应将本部门归口管理的指标,按所属单位算出分项指标(包括技术经济指标和费用指标),经综合平衡后统一下达,并作为控制、考核的依据。
分项指标必须鉴别单位的可控指标。
对于需要核算业务成本的,除消耗、费用等分解指标外,企业还必须下达成本指标。
成本指标的考核,应同各种形式的经济责任制紧密结合,做到有奖有惩。
3.3.4.1 对基本生产线应下达各种产品(或分步)责任成本指标。
3.3.4.2 对辅助生产线应下达辅助生产成本计划指标,或按计划单价下达成本降低额指标。
3.3.4.3 对市场部物资采购中心应下达采购成本降低额或降低率指标。
3.3.4.4 对市场部产品销售应下达销售费用限额指标。
3.3.4.5 对各个经费开支部门应下达经费预算控制指标。
3.3.5 公司各部门应加强成本的日常控制,在生产经营过程中,要正确运用定额、预算、审核等手段,对料、工、费进行有效控制。
各部门应根据各自负担的成本管理责任及时解决影响成本升高的各种问题,保证责任成本的完成,做到成本费用在哪里发生,就由哪里负责。
3.3.6 成本控制管理要严格按照有关成本核算和管理的基本制度的规定执行。
3.3.7 材料物资消耗的控制:3.3.7.1 原材料、动力(如:天然气、动力电)等消耗定额,是控制材料物资消耗的主要方面。
应制定先进合理的消耗定额,经常分析定额指标的执行情况,根据执行情况以及成本计划的要求,提出降低原材料、动力等材料物资消耗的建议,并考核到班组,节奖超罚。
直接材料成本控制采用将可控材料分解到生产线、大班班组、个人等直接责任人的方法。
3.3.7.2 对耗用量大,领用次数频繁并有消耗定额的材料,应实行限额领料制度;对各种零星材料,应按材料费用定额控制。
成本责任单位每月应根据有关生产计划、各单位材料消耗计划及消耗定额,确定领料限额和材料费用定额,编制“限额发料凭证”,作为控制发料的依据。
3.3.7.3 原辅材料出库,由各生产线直接办理领料手续,凭审核有效的领料单出库,并及时将出库单送交有关成本会计,进行价值核算。
3.3.7.4 领料单位由于增加产量、使用浪费和其他原因需要超过限额领料,或者改变材料的品种、规格时,必须提出申请,说明原因,经有关部门审批后才能领用。
对因材料丢失、毁损而需要超额领用时,有关部门更应严格审查,追究责任,并及时回收废料。
3.3.7.5 市场部物资采购中心应就近购买材料,经济合理地组织材料运输。
应定期编制采购费用预算,控制采购费用支出,降低材料的采购成本。
并按核定的储备定额,控制库存储备量。
3.3.8 折旧费用的控制:3.3.8.1 生产部进行基本建设,购置机器设备、电气仪表等以及对机器设备、电气仪表等进行技术改造时,应组织有关部门进行技术经济论证和可行性研究,在确保经济效益并经公司批准的前提下付诸实施。