OB教程_反激环路设计
- 格式:pdf
- 大小:769.07 KB
- 文档页数:45
反激电源的控制环路设计反激电源(Flyback Power Supply)是一种常见的开关电源拓扑结构,具有简单、高效、成本低等特点。
为了实现对反激电源的控制,需要设计一个有效的控制环路。
本文将从反激电源基本原理出发,详细介绍反激电源控制环路的设计过程。
首先,我们需要了解反激电源的基本原理。
反激电源由输入电压Vin、开关管、变压器、输出电容和负载组成。
工作原理是:当开关管导通时,电流从输入电压Vin经过变压器的一侧流入负载和输出电容,此时储能;当开关管关断时,储存的能量通过变压器的另一侧传导到输出端,输出电压为Vo,这样实现了电能的转换。
在这个过程中,控制开关管的导通和关断时间,就可以实现对输出电压的调节。
为了实现对反激电源的控制,我们首先需要设计一个反馈回路。
反馈回路的功能是测量输出电压,产生一个误差信号,根据误差信号调整开关管的导通时间,使输出电压稳定在设定值。
一般使用光耦隔离器将输出电压转换为电流信号,然后经过一个反相器产生一个与设定值相反的误差信号。
误差信号经过一个比例放大器进行放大,控制开关管的导通时间。
反馈回路的另一个重要组成部分是输出电流保护。
输出电流保护的作用是在负载过大时,自动调整开关管的导通时间,保护开关管和变压器不受损坏。
输出电流保护通常是通过测量输出电流并与设定值进行比较来实现的。
当输出电流超过设定值时,反馈回路会产生一个错误信号,通过控制开关管的导通时间来限制输出电流。
另外一个关键的设计是切换频率控制。
切换频率是指开关管导通和关断的频率。
切换频率的选择要根据应用的需求和设计的约束来确定。
通常有两种选择:固定频率和变频。
固定频率可以简化控制电路的设计,但固定频率可能会导致开关管和变压器在工作时产生噪声。
变频可以减小噪声,但会增加电路的复杂性。
最后,还需要考虑反激电源的保护机制。
保护机制的设计目的是保护电源和负载不受损害。
常见的保护机制包括过压保护、过流保护、过温保护等。
这些保护机制可以通过传感器测量电压、电流和温度,并与设定值进行比较来实现。
反激开关电源环路设计实例
反激开关电源环路设计实例指的是在实际的电路设计过程中,使用反激开关电源技术的具体设计和实现过程。
具体来说,反激开关电源环路设计实例包括以下几个方面:
1.反激变压器设计:例如,需要考虑输入输出电压、功率容量、磁芯材料和
尺寸等因素,以及变压器的匝数比、绕组结构、漏感和分布电容等参数。
2.开关管和整流管的选择:需要根据电路的功率容量和电压等级,选择合适
的开关管和整流管,考虑其耐压、电流容量、开关速度等参数。
3.控制环路设计:例如,可以选择合适的控制芯片和控制算法,同时考虑控
制环路的稳定性、抗干扰能力和动态响应速度等。
4.滤波电路设计:根据实际情况选择合适的滤波元件和滤波电路结构,以满
足电源性能要求。
5.保护电路设计:例如,可以选择合适的保护元件和保护电路结构,以实现
过流、过压、欠压等保护功能。
在实际应用中,需要根据实际情况选择合适的电路结构和参数,以满足电源的性能和可靠性要求。
总结:反激开关电源环路设计实例指的是在实际的电路设计过程中,使用反激开关电源技术的具体设计和实现过程。
这包括反激变压器设计、开关管和整流管的选择、控制环路设计、滤波电路设计和保护电路设计等方面。
这些实例可以帮助工程师更好地理解和应用反激开关电源技术,提高电源的性能和可靠性。
反激式开关电源(flyback)是一种常见的电源结构,广泛应用于电子设备中。
它具有结构简单、成本低廉、效率高等优点,在消费电子、工业控制和通信设备等领域被广泛应用。
本文旨在介绍反激式开关电源环路设计的基础知识,包括工作原理、设计步骤和注意事项。
一、反激式开关电源的工作原理1.1 反激式开关电源的基本结构反激式开关电源由输入滤波器、整流桥、高频变压器、功率开关器件、输出整流滤波器、控制电路等组成。
其中,高频变压器是反激式开关电源的关键部件,通过变压器实现输入电压的隔离和变换,功率开关器件则控制变压器的工作状态,实现电源的调节和稳定输出。
1.2 反激式开关电源的工作原理反激式开关电源通过功率开关器件周期性地将输入电压斩波,将输入电能存储在变压器的磁场中,然后再将其转换为输出电压。
在工作周期的后半段,存储的能量释放到输出负载上,从而实现对输出电压的调节。
通过控制功率开关器件的导通时间和断态时间,可以实现对输出电压的调节和稳定。
二、反激式开关电源环路设计的基础知识2.1 反激式开关电源的设计步骤(1)确定电源的输入输出参数:包括输入电压范围、输出电压、输出电流、负载调整范围等;(2)选择功率开关器件和高频变压器:根据电源的输入输出参数和工作频率选择合适的功率开关器件和高频变压器;(3)设计反激式开关电源的控制电路:根据所选的功率开关器件和高频变压器设计相应的控制电路,包括PWM控制电路、电源启动电路等;(4)设计输入输出滤波器和保护电路:设计输入输出滤波器,保证电源的输入输出稳定和干净,设计过压、过流、过温等保护电路,保证电源的安全稳定工作。
2.2 反激式开关电源环路设计的注意事项(1)磁性元件的设计:高频变压器和输出感应元件的设计是整个反激式开关电源设计的关键,应合理设计磁芯、线圈匝数等参数,保证磁性元件承载功率、效率和体积的平衡;(2)功率开关器件的选择和驱动:应选择合适的功率开关器件,并设计合理的驱动电路,保证功率开关器件的可靠工作和转换效率;(3)控制电路的设计:应根据功率开关器件的工作特性和工作频率设计合适的PWM控制电路和反馈控制电路,保证电源的稳定可调;(4)输入输出滤波器和保护电路的设计:应合理设计输入输出滤波器和保护电路,保证电源的输入输出稳定和安全可靠。
反激开关电源设计之环路分析频域分析是开关变换器的设计难点,困扰着不少电源工程师,芯朋微技术团队从工程应用、理论建模和软件仿真三方面入手,结合最新的反馈控制技术,为大家揭开反激开关电源频域分析设计的神秘面纱!1SSR与PSR架构对比SSR直接采样输出电压,无静差控制;PSR采样供电绕组,估算输出电压,有静差控制。
SSR对变压器工艺要求不高;PSR对变压器工艺要求高,通常需要R3减小漏感振荡和R2加速断开VDD回路。
SSR环路补偿器外置;PSR环路补偿器集成于芯片。
SSR环路不稳通常由环路补偿器设置不当引起;PSR环路不稳通常由采样引起。
2闭环系统稳定条件闭环系统稳定的条件是开环传递函数T cPvK不为-1,在伯德图上定义了相位裕量和增益裕量来判断稳定性。
3稳定性判断方法建模法利用状态空间平均法或电路平均法推导出系统各个环节的传递函数,用相关软件绘出开环传递函数的Bode图。
仿真法利用仿真软件的AC Sweep功能,扫描出开环传递函数的Bode图。
测量法利用频率响应分析仪在电源反馈回路注入不同频率信号调制变换器,并获取电源输出端的响应信号,从而测量出开环传递函数的Bode图。
4控制对象建模 PWM调制PWM控制:固定开关频率,调整导通占空比控制输出电压。
功率管的开通时刻由内部时钟决定,当Ip电流等于参考电流Ipref(电压环产生)时关断功率管。
利用平均法可推导出控制对象传递函数:CCM控制对象PvDCM控制对象PvPFM调制PFM控制:固定Ipref,调整开关频率控制输出电压。
利用电路平均法可推导出控制对象传递函数:DCM控制对象5环路补偿器6SSR与PSR稳定性对比SSR由于环路补偿器外置,且采样环节工作在线性区,可通过FRA法,准确得到开环传递函数Bode图;PSR由于环路控制器集成,且反馈回路工作在强非线性区(脉冲采样变压器辅助绕组,估算输出电压),FRA法不再适用。
SSR控制对象只有90度相移(忽略高频右半平面零点),但叠加环路补偿器的纯积分的90度相移,存在不稳定可能(-180度),需靠合理设计零点来提升相位裕量和增益裕量;PSR环路补偿器由于没有纯积分,开环传递函数达不到180度相移,不存在环路上的不稳定情况(假定芯片内置极点合理)。
1 目的希望以简短的篇幅,将公司目前设计的流程做介绍,若有介绍不当之处,请不吝指教.2 设计步骤:2.1 绘线路图、PCB Layout.2.2 变压器计算.2.3 零件选用.2.4 设计验证.3 设计流程介绍(以DA-14B33为例):3.1 线路图、PCB Layout 请参考资识库中说明.3.2 变压器计算:变压器是整个电源供应器的重要核心,所以变压器的计算及验証是很重要的,以下即就DA-14B33变压器做介绍.3.2.1 决定变压器的材质及尺寸:依据变压器计算公式Gauss x NpxAeLpxIp B 100(max ) ➢ B(max) = 铁心饱合的磁通密度(Gauss)➢ Lp = 一次侧电感值(uH)➢ Ip = 一次侧峰值电流(A)➢ Np = 一次侧(主线圈)圈数➢ Ae = 铁心截面积(cm 2)➢B(max) 依铁心的材质及本身的温度来决定,以TDK FerriteCore PC40为例,100℃时的B(max)为3900 Gauss ,设计时应考虑零件误差,所以一般取3000~3500 Gauss 之间,若所设计的power 为Adapter(有外壳)则应取3000 Gauss 左右,以避免铁心因高温而饱合,一般而言铁心的尺寸越大,Ae 越高,所以可以做较大瓦数的Power 。
3.2.2 决定一次侧滤波电容:滤波电容的决定,可以决定电容器上的Vin(min),滤波电容越大,Vin(win)越高,可以做较大瓦数的Power ,但相对价格亦较高。
3.2.3 决定变压器线径及线数:当变压器决定后,变压器的Bobbin 即可决定,依据Bobbin 的槽宽,可决定变压器的线径及线数,亦可计算出线径的电流密度,电流密度一般以6A/mm 2为参考,电流密度对变压器的设计而言,只能当做参考值,最终应以温升记录为准。
3.2.4 决定Duty cycle (工作周期):由以下公式可决定Duty cycle ,Duty cycle 的设计一般以50%为基准,Duty cycle 若超过50%易导致振荡的发生。
反激式开关电源的环路分析与设计环路设计直接影响到电源的性能[1],本文以最常用的反激电源为例,分析了环路稳定的条件以及环路设计的方法,并通过实验验证了该方法的可行性。
1 反激电源环路与常见环节的分析反激式电源的系统模型如图1 所示[2]。
其中KPWM 和KLC 为功率部分放大倍数,KLC 表示次级等效电感与滤波电容构成的滤波器的放大倍数,Kfb 是反馈分压部分的放大倍数,Vref 是参考电压,Kea 是误差放大器的放大倍数,Kmod 是调制器的放大倍数。
可以得到开环传递函数为:反馈系统稳定一般要求其开环传递函数的幅相频特性曲线小于等于-10 dB 的幅值裕度和45°~60°的相位裕度。
在低频段有较高的增益以保证输出电压的精度,在中频段有较高的频率范围以加快系统的响应速度,在高频段有较快的衰减速度,以抑制高频纹波[3]。
在反激电源中,当一个电源基本参数确定时,KPWM、KLC、Kfb、Vref、Kmod 也相应确定,系统的开环传函只能通过误差放大器Kea 来调节。
调节误差放大器Kea 实际就是调节系统零极点的个数及其分布位置,以满足系统需要的相位裕度和幅值裕度。
在实际设计时,先画出除了误差放大器之外部分的伯德图,根据需要确定合适的补偿器类型,计算补偿器参数,并进行实际电路调试,以确定最优的补偿参数。
本文以一款多路输出电源为例,分析了电源功率部分和环路的设计过程。
参考文献[1] PRESSMAN A.Switching and linear power supply,power converter design[M].Switchtronix Press,Waban,Mass,1997.[2] BASSO C.Switch mode power supplies:SPICE simulations and practical designs[M].McGraw- Hill,2008.[3] BASSO C.Transient response counts when choosing phase margin[J]. Power Electronics and Technology,2008(11):18-21.[4] KOLLMAN R,BETTEN J.Closing the loop with a popular shunt regulator[J].Power Electronics。
反激式变换器环路分析与建模Technical Note 安森美半导体应用系列技术笔记AN01010101 V1.00 Date: 2012/09/18类别内容关键词反激,环路建模摘要本文采用基于传递函数的经典控制理论,介绍了反激式变换器的功率级和补偿网络分别在CCM模式和DCM模式下的小信号模型,并基于NCP1200及NCP1015构建反激式变换器,在Matlab环境下验证所建数学模型的合理性。
广州周立功单片机发展有限公司修订历史目录第1章反激式变换器环路分析与建模 (1)1.1 概述 (1)1.2 基础概念 (1)1.2.1 与环路分析相关的几个概念 (1)1.2.2 性能优良的开关电源的设计目标 (3)1.3 传递函数的建立 (4)1.3.1 补偿网络传函(Hs) (4)1.3.2 功率级传函(Gs) (6)1.4 Matlab分析 (7)1.5 总结 (9)第1章反激式变换器环路分析与建模1.1 概述在反激式开关电源的设计中,对于缺乏设计经验的工程人员,闭环回路相关参数的调试将会耗去大量的时间和精力。
最让开发人员困惑的是,当自己设计的开关电源表现不佳(比如噪声过大、空载震荡、开机过冲太大等)时,不知道该调整电路中的哪些参数来得到想要的性能。
众所周知,开关电源是一个典型的闭环控制系统,而且是一个高度非线性时变系统。
一般而言,涉及到非线性的系统需要通过现代控制理论的方法去研究,不过,基于矩阵变换的现代控制理论虽然模型精确但建模极为复杂,这一点令开关电源的开发人员望而却步。
在实际工程应用中,非线性系统可以近似线性化处理(相关理论可参考胡寿松版《自动控制原理》第二章内容),从而在保证合理性的情况下,降低研究问题的难度。
因此,采用基于传递函数经典控制理论被广泛应用于实际工程分析中,当然,本文讨论的反激式变换器的建模问题,果断地采用了这种方法。
本文尝试对应用比较广泛的反激式变换器进行建模分析,包括功率级和补偿网络两部分,并在Matlab环境下编写m文件,利用Bode图分析其开环传递函数的幅频特性曲线和相频特性曲线,以及动态响应特性。
反激某电源地控制环路设计在电源地控制环路的设计中,我们常常希望能够有效地实现对电源的反激,以便更好地保护电源以及与之相关的设备。
下面我将从整体架构、控制策略、保护机制等方面进行详细阐述。
首先,电源地控制环路设计的整体架构是关键。
我们通常采用反激式电源,其中包括输入滤波器、整流电路、能量存储元件、开关元件以及输出滤波器等主要模块。
在设计中,我们需要考虑这些模块之间的互动关系,合理地安排它们的位置和连接方式,以确保整个电源地控制环路能够正常运行并有效反激。
其次,控制策略是电源地控制环路设计中的核心部分。
我们需要选取合适的控制器,并设计恰当的控制算法,以实现对开关元件的控制,以及对输出电压和输入电流的精确调节。
常见的控制策略包括比例积分控制(PI控制)、平均电流模式控制(Average Current Mode Control)等。
我们可以根据具体需求进行选择,并结合实际情况进行调试和优化。
此外,保护机制也是电源地控制环路设计中的重要部分。
我们需要考虑电源过流、过压、过温等异常情况,并设计适当的保护电路来保护电源和相关设备的安全运行。
常见的保护机制包括过流保护、过压保护以及温度保护等。
这些保护机制通常需要在设计中考虑到,并在控制策略中实现对其的检测和触发。
在实际的电源地控制环路设计中,我们还需要考虑一些其他因素。
例如,设计人员应该充分了解相关的电源规范和标准,并确保设计符合相应的要求。
此外,选择合适的元件也是至关重要的。
例如,在开关元件的选取中,我们需要考虑其功率损耗、开关速度等因素,以及与之匹配的驱动电路的设计。
同时,合理地进行功率分配和散热设计也是需要注意的。
总结起来,反激电源地控制环路设计需要合理地设计整体架构,选取适当的控制策略,并设计相应的保护机制。
我们还需要考虑其他因素,如电源规范、元件选取、功率分配和散热设计等。
通过综合考虑这些因素,并进行详细的设计和调试,我们可以实现一个有效地反激电源地控制环路,并保护电源和相关设备的安全运行。
反激变换器拓扑的电路设计第一步是选择开关管。
开关管是反激变换器中起关键作用的元件之一,其选择应考虑电流承载能力、导通和关断损耗等因素。
常用的开关管有MOSFET和IGBT,其中MOSFET适用于低功率电源,IGBT适用于中高功率电源。
根据负载功率和输入电压范围,选择合适的开关管型号。
第二步是变压器的设计。
变压器是反激变换器中的另一个关键元件,用于将输入电压转换为所需的输出电压。
根据负载功率、输入电压和输出电压的比例关系,可以计算出变压器的变比。
变压器的设计还需考虑绕组的选取和匝数的计算。
一般情况下,主绕组的匝数可以根据输入电压、输出电压和负载电流来计算,而副绕组的匝数可以根据变比关系来计算。
第三步是整流二极管和电容的选择。
整流二极管用于将变压器输出的交流电转换为直流电,电容则用于平滑直流电压。
在选择整流二极管时,要考虑工作频率、反向电压和导通压降等因素。
而电容的选择要考虑额定电压、容量和损耗等因素。
第四步是进行参数计算。
通过计算各元件的参数,可以进一步优化电路的性能。
例如,计算开关频率、输入电压和输出电流的波形,以及开关管和变压器的功率损耗。
最后一步是进行电路优化。
反激变换器的性能很大程度上取决于电路布局、元件的安装和接线等因素。
优化电路可以采取以下措施:1.合理布局各元件,减少开关管和变压器之间的互感耦合。
2.选择高效率的开关管和变压器。
3.增加滤波电容和磁珠,减少电磁干扰。
4.使用电流采样电阻和反馈回路,实现过流保护和稳定输出。
总结起来,反激变换器拓扑的电路设计主要包括选择开关管、设计变压器、选择整流二极管和电容、进行参数计算和进行电路优化等步骤。
通过合理的设计和优化,可以实现高效率、稳定性好的反激变换器电路。
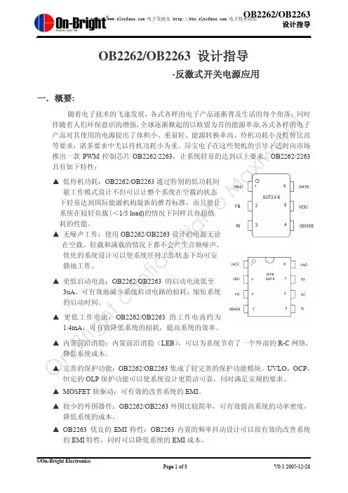
,可以为系统节省了一个外部的R-C网络,2. OB2263内部模块图On -B ri g h tc o nf i de nt i al to Ma x i wo rl d三.典型应用电路:端各电压门限相对应的系统工作状态为系统在空载或轻载时工作在间歇模式下的为环路开环,过功率保护或短路保护时FB 的短路电流典型值为采用传统的电流模式结构设计,其关断时间根据峰值电流调整,通过与主开关管转化成电压反馈到具有如下关系式: 端的电压。
与主开关管MOSFET 源极相连接的电流反馈电阻阻值的时间(f=65KHz)或VF 止输出脉冲,保证整个系统的安全。
时系统工作在间歇工作模式,如果系统出现可听及的异音,请先检查系统是否工作正常,如果你确认无误,请检查系统缓冲吸收回路中的电容材质,如果使用的是普通压电陶瓷电容,那么当系统工作在间歇工作状态时电容由于发生压电效应而产生异音是很可能的。
这时,请更换电容的材质,如电容;考虑成本及电容体积大小的因素,我们推荐使用果的前提下可以通过调整缓冲吸收回路中的电阻阻值来减少该电容的值有利于缩小电容体积及降低系统成本,例如2200PF/250V ,4700PF/250V 当系统工作在满载的情况下如果系统出现可听及的异音时,如果你确认无误,请检查芯片的FB 端的电压波形是否较平滑,如果发现较大的干扰请检PCB layout 是否合理,对于较小的干扰可通过外加滤波网络进行抑制,如图中组成的低通滤波器,FB ,FB 的取值不宜过大,根据系统的实际情况,R FB 可以为。
R ,C 的取值会影响系统的环路稳定,一般4700PF 电路,可以为系统节省一个外部的流反馈信号前沿噪声干扰持续时间超过芯片内置的前沿消隐tc o nf i de nt i al。
反激电源设计及应用之六控制环路设计
一、简介
反激式电源是一种恒功率,半桥及全桥输出的稳压、纹波电源,可以实现从几千至几万瓦输出的宽广应用,包括电机控制、无线电等高功率应用。
反激式电源的控制环路是实现功率控制的关键环路,它的设计是控制电源的重要组成部分,能够实现对输出功率的良好控制,从而保证整个电源能够有效、安全的工作。
1、电路示意图
可以看出,反激式电源控制环路的主要电路结构是以电流反馈电路和电压反馈电路为主要组成部分,其中电流反馈电路有助于实现电流负反馈的控制,而电压反馈电路可以有效地控制输出电压,以保证反激式电源的质量。
2、电流反馈控制
电流反馈控制是反激式电源的主要控制环路,它是电源功率控制的基础。
电流反馈控制主要包括电流保护、负反馈控制和电流分配。
电流保护是电源控制的一项基本功能,它可以有效地限制最大输入电流,以保证电源的安全工作。
负反馈控制可以实现对输出电流的可控控制,而电流分配则可以有效平衡输出电流,以保证反激式电源的平衡工作。
3、电压反馈控制
电压反馈控制是电源输出电压的关键控制回路,是保证电源的安全工作的重要手段。
反激电源的控制环路设计反激电源(flyback power supply)是一种常用的开关电源拓扑结构。
反激电源的控制环路设计关键是根据电源的输出要求和负载特性来选择合适的控制策略,并确定合适的控制器参数。
本文将从控制策略和参数选择两个方面来进行详细探讨。
一、控制策略选择1.常规PWM控制:反激电源最常用的控制策略是基于脉冲宽度调制(PWM)的控制。
PWM控制可以通过改变开关管的导通时间来调整输出电压的大小。
可以选择常规的固定频率PWM控制,也可以选择可变频率PWM控制。
固定频率PWM控制简单且稳定,但效率稍低;可变频率PWM控制可以根据负载需求自适应调整频率,提高了效率,但控制复杂度更高。
2. 反馈控制:反激电源还可以根据输出电压的变化来进行反馈控制。
一种常用的方法是采用电流反馈控制策略,通过感测输出电流进行控制。
可以选择基于电流模式控制(current mode control)或者谐振模式控制(resonant mode control)。
电流模式控制具有抗负载波动能力强、稳定性好的特点,但谐振模式控制在高频率应用中效果更好,可提高效率和功率密度。
3. 工作模式控制:反激电源可采用不同的工作模式,如连续导通模式(continuous conduction mode, CCM)和断续导通模式(discontinuous conduction mode, DCM)。
CCM模式适用于大功率和高转换比应用,具有较小的波动度和较好的调整能力;而DCM模式适用于低功率和低转换比应用,具有简单的控制方案和较高的效率。
4.变压器设计:反激电源中的变压器设计对于控制环路的稳定性和性能至关重要。
变压器的选择应综合考虑输出功率、输入电压范围、输出电压波动和负载特性等因素,合理设计变压器的绕组比例、电感大小和匝数等。
二、参数选择1.参考电压设置:参考电压是控制器的基准电压,用于与反馈信号进行比较。
参考电压的选择应根据输出电压的需求和对稳定性的要求来确定。
反激式开关电源辅助电路设计反激式开关电源是一种常见的电源设计,常用于电子设备中。
为了提高开关电源的性能和稳定性,通常需要设计一些辅助电路来实现。
本文将介绍反激式开关电源辅助电路的设计原理和实施方法。
我们来了解一下反激式开关电源的工作原理。
反激式开关电源由输入电源、变压器、整流电路、滤波电路、开关管和控制电路等组成。
其中,开关管通过开关动作来控制输入电源与变压器的耦合,从而实现输入电源能量的传递。
为了提高开关电源的效率和稳定性,需要设计一些辅助电路来辅助实现开关管的控制和滤波。
一、过压保护电路过压保护电路是反激式开关电源中重要的辅助电路之一。
其作用是在输出电压超过设定值时,通过控制开关管的导通和断开来保护负载和开关管。
过压保护电路通常由比较器、参考电压源和控制电路等组成。
当输出电压超过设定值时,比较器会检测到这一变化,并通过控制电路来控制开关管的动作,从而实现过压保护的功能。
二、过流保护电路过流保护电路也是反激式开关电源中常用的辅助电路之一。
其作用是在输出电流超过设定值时,通过控制开关管的导通和断开来保护负载和开关管。
过流保护电路通常由电流传感器、比较器和控制电路等组成。
当输出电流超过设定值时,电流传感器会检测到这一变化,并通过控制电路来控制开关管的动作,从而实现过流保护的功能。
三、温度保护电路温度保护电路是为了防止开关电源因过热而损坏而设计的辅助电路。
温度保护电路通常由温度传感器、比较器和控制电路等组成。
当温度传感器检测到开关电源的温度超过设定值时,比较器会发出信号,并通过控制电路来控制开关管的动作,从而实现温度保护的功能。
四、软起动电路软起动电路是为了减小开关电源启动时的冲击电流而设计的辅助电路。
软起动电路通常由电容器、电阻器和继电器等组成。
在开关电源启动时,软起动电路会通过控制继电器的动作来实现对电源的逐渐接入,从而减小冲击电流的影响。
以上是反激式开关电源辅助电路的一些常见设计。
在实际应用中,根据具体的需求和要求,可能还需要设计其他辅助电路来满足特定的功能和性能要求。
电流模式控制反激变换器反馈环路的设计首先要搞清系统稳定所必需的几个条件:系统稳定的原则:A,系统环路总增益在穿越频率(或叫剪切频率,截止频率,交越频率,带宽都是它)处的增益为1或0Db。
高的穿越频率能保正电源快速响应线性和负载的突变,穿越频率受到开关频率的限制,根据采样定理穿越频率必需小于开关频率的一半,因为开关频率可以在输出端开出来,但这个频率必须不被反馈环传递,否则系统将会振荡并如此恶性循环。
实际应用中一般取开关频率的1/4或1/5。
B,在系统在穿越频率处的总相位延迟必需小于(360-45)315度。
45度为相位裕量。
当相位裕量大于45度时,能提供最好的动态响应,高的相位裕量能阻尼振荡并缩短瞬态调节时间获得最少的过冲。
C,系统的开环增益曲线在穿越频率附近的斜率应为-1过0Db。
因为具有-1增益斜率的电路,相位延迟不会超过90度(这里指的是系统总的开环增益曲线)。
要满足上面的三个准则,必需知道如何计算系统中各环节的增益和相位延迟。
要知道如何计算必需先搞清楚以下几个概念:1.系统的传递函数:系统的传递函数定义为输出变动量除以输入变动量也叫增益。
每一部份的传递函数均为该部份的输出除以输入,也叫该部份的增益。
系统的增益即为各环节部份增益的乘积。
增益可以用数值方式表示也可以用Db(分贝)方式表示。
传递函数由幅值和相位因素组成(幅值也就是增益),并可以在博得图上分别以图形表示。
通常我们要把传输函数因式分解成各因式相乘的形式,以便于得到零点各极点。
2.极点:数学上,在传输函数方程中,当分母等于零时出现极点,在博得图上当增益以-1斜率开始递减时的点为一个极点。
3.零点:数学上,在传输函数方程中,当分子等于零时出现零点,在博得图上当增益以+1斜率开始递增时的点为零点,并伴随着90度的相位超前。
第二种零点,即右半平面零点,增益仍以+1斜率递增,它将引起90度的相位滞后而非超前,设计时应使系统的穿越频率大大低于右半平面零点。
反激電源の控制環路設計一环路设计用到の一些基本知识。
电源中遇到の零极点。
注:上面の图为示意图,主要说明不同零极点の概念,不代表实际位置。
二电源控制环路常用の3种补偿方式。
(1)单极点补偿,适用于电流型控制和工作在DCM方式并且滤波电容のESR零点频率较低の电源。
其主要作用原理是把控制带宽拉低,在功率部分或加有其他补偿の部分の相位达到180度以前使其增益降到0dB. 也叫主极点补偿。
(2)双极点,单零点补偿,适用于功率部分只有一个极点の补偿。
如:所有电流型控制和非连续方式电压型控制。
(3)三极点,双零点补偿。
适用于输出带LC谐振の拓扑,如所有没有用电流型控制の电感电流连续方式拓扑。
三,环路稳定の标准。
只要在增益为1时(0dB)整个环路の相移小于360度,环路就是稳定の。
但如果相移接近360度,会产生两个问题:1)相移可能因为温度,负载及分布参数の变化而达到360度而产生震荡;2)接近360度,电源の阶跃响应(瞬时加减载)表现为强烈震荡,使输出达到稳定の时间加长,超调量增加。
如下图所示具体关系。
所以环路要留一定の相位裕量,如图Q=1时输出是表现最好の,所以相位裕量の最佳值为52度左右,工程上一般取45度以上。
如下图所示:这里要注意一点,就是补偿放大器工作在负反馈状态,本身就有180度相移,所以留给功率部分和补偿网络の只有180度。
幅值裕度不管用上面哪种补偿方式都是自动满足の,所以设计时一般不用特别考虑。
由于增益曲线为-20dB/decade时,此曲线引起の最大相移为90度,尚有90度裕量,所以一般最后合成の整个增益曲线应该为-20dB/decade 部分穿过0dB.在低于0dB带宽后,曲线最好为-40dB/decade,这样增益会迅速上升,低频部分增益很高,使电源输出の直流部分误差非常小,既电源有很好の负载和线路调整率。
四,如何设计控制环路?经常主电路是根据应用要求设计の,设计时一般不会提前考虑控制环路の设计。
介绍反激变换器的设计步骤反激变换器是一种常用的开关电源电路,常见于电子设备中,用于将输入交流电转换为所需的直流电。
下面将介绍反激变换器的设计步骤。
设计反激变换器的步骤如下:1.确定需求和要求:首先需要明确设计的目标,包括输入电压范围、输出电压、输出电流、效率要求等。
根据这些需求,选择相应的元件和电路拓扑。
2.选择变压器:根据输入输出电压的要求和功率计算,选择合适的变压器。
变压器的参数包括输入侧和输出侧的匝数,磁链峰值,相互感应强度等。
选择合适的变压器可以提高系统的效率和性能。
3.选择开关管和二极管:开关管是反激变换器的核心元件,主要承担开关功能,输出控制电流。
选择合适的开关管需要考虑其导通和关断性能,以及压降和功率损耗。
二极管用于接通开关管后的电流,选择合适的二极管可以减少反向回馈电流和损耗。
4.选择辅助元件:辅助元件包括电感、电容和滤波电路等。
电感用于储存和释放能量,电容用于平滑和滤波输出电压。
根据系统的设计要求和计算结果,选择合适的电感和电容,以满足输出电压和电流的稳定性和纹波的要求。
5.选择控制芯片和反馈电路:控制芯片用于监测输入输出电压和电流,并调整开关管的导通和关断时间,以维持输出电压稳定。
选择合适的控制芯片需要考虑其功能、性能和成本等因素。
反馈电路用于将输出电压与参考电压进行比较,并通过控制芯片进行调整。
设计反馈电路需要根据输出电压范围和精度要求选择合适的元件和电路拓扑。
6.进行仿真和优化:使用电路仿真软件对设计的反激变换器进行仿真和优化。
通过仿真可以评估系统的性能和性能,例如效率、纹波电流、纹波电压等,从而进行调整和优化。
7.确定PCB布局和散热设计:根据设计和仿真结果,进行PCB布局和散热设计。
合理的PCB布局可以提高系统的抗干扰性能和稳定性,减少横纹电流和噪声。
散热设计可以提供合适的散热方式和散热面积,以保证系统的稳定性和寿命。
8.原型制造和调试:根据设计和布局结果,制造反激变换器的原型,并进行调试和测试。
反激电路设计
嘿,朋友们!今天咱来聊聊反激电路设计这档子事儿。
你说这反激电路啊,就好比是一场精彩的表演。
在这个舞台上,各种电子元件就是演员,它们要相互配合,才能演出一场完美的大戏。
咱先看看变压器,这可是个重要角色啊!它就像一个神奇的魔法盒子,能把电压变来变去。
你想想,要是没有它,那这场戏还怎么演下去呀!
还有那些电容和电阻,它们也都有自己的戏份呢!电容就像个能储存能量的小仓库,啥时候需要能量了,它就能立马释放出来。
电阻呢,就像是个把关的,控制着电流的大小,可不能让电流乱跑呀!
设计反激电路可不简单哦,就跟盖房子一样,得一步一步来,每个细节都不能马虎。
你得考虑元件的选型吧,这可不能随便选,得根据实际需求来。
要是选错了元件,那不就跟盖房子用了劣质材料一样,说不定啥时候就塌了呢!
然后就是布线啦,这可真是个技术活。
你得把那些线布置得整整齐齐,不能乱糟糟的。
不然到时候出了问题,你都不知道从哪儿开始找原因。
咱再说说调试吧,这就像是给这场表演做最后的彩排。
你得仔细观察每个元件的工作状态,看看有没有异常。
要是有问题,就得赶紧调整,不然等正式演出了可就来不及啦!
反激电路设计在很多地方都能派上用场呢,像咱家里的各种电器,里面说不定就有它的功劳。
你说神奇不神奇?
所以啊,朋友们,可别小瞧了这反激电路设计。
它虽然看起来复杂,但只要咱用心去学,去钻研,肯定能掌握它的奥秘。
咱就好好地在这个电子世界里闯荡一番,让这些电路都乖乖地听咱的指挥,为我们的生活带来更多的便利和精彩!这难道不是一件很有意思的事情吗?反正我是这么觉得的,你们呢?。