全自动洗衣机技术规格书样本
- 格式:doc
- 大小:101.50 KB
- 文档页数:17
波轮式全自动洗衣机机电系统设计设计说明书(2012 -- 2013年度第一学期)院系:机械工程及自动化班级:学号:学生姓名:指导教师:设计周数: 2波轮式全自动洗衣机机电系统设计一、设计任务设计一种波轮式全自动洗衣机的机电系统,要求最大洗衣机质量为 3.8kg,内桶直径400mm,洗衣转速约为140~200r/min,脱水转速约为700~800r/min。
要求具有自动调节水位、自动进水、排水、自动脱水和手动排水、停止等功能。
二、总体设计全自动洗衣机的洗衣桶(外桶)和脱水桶(内桶)是以同一中心安放的。
外桶固定,作盛水用。
内桶可以旋转,作脱水(甩水)用。
内桶的四周有很多小孔,使内外桶的水流相通。
该洗衣机的进水和排水分别由进水电磁阀和排水电磁阀来执行。
进水时,通过电控系统使进水阀打开,经进水管将水注入到外桶。
排水时,通过电控系统使排水阀打开,将水由外桶排出到机外,洗涤正转、反转由洗涤电动机驱动波盘正反转来实现,此时,脱水桶并不旋转。
脱水时,通过电控系统将离合器合上,由洗涤电动机带动内桶正转进行甩干。
高低水位开关分别用来检测高低水位。
启动按钮用来启动洗衣机工作,停止按钮用来手动停止进水、排水、脱水及报警,排水按钮用来手动排水。
图1 自动洗衣机示意图一般来说,波轮式全自动洗衣机具有进水、洗涤、漂洗、排水、脱水、水位自动控制等基本功能,其结构主要有进水系统、洗涤系统、排水系统、脱水系统、电动机控制和传动系统、电气控制系统、支承机构等5大部分组成。
详细结构如图2所示。
图2 波轮式全自动洗衣机结构波轮式全自动洗衣机采用套筒式结构,波轮装在内桶的底部。
内桶为带有加强筋和均布小孔的网状结构,并可绕轴旋转。
外筒弹性悬挂在机箱外壳上,主要用于盛水,并配有一套进水和排水系统,用两个电磁阀控制洗衣机的进、排水动作。
外筒的底部装有电动机、减速离合器,以及传动机构等部件。
动力和传动系统能提供两种转速,低速用于洗涤和漂洗,高速用于脱水,通过减速离合器来实现两种转速的切换。
格兰仕洗衣机技术服务培训资料目录一、洗衣机发展历史二、洗衣机的基本原理三、洗衣机分类四、相关国家标准五、洗衣机基本参数及指标六、全自动波轮式洗衣机原理结构七、全自动波轮洗衣机结构分解图八、全自动波轮洗衣机故障检测及维修九、营销中注意的技术问题一、洗衣机发展历史世界第一台洗衣机诞生于十九世纪末的欧洲,是一台木质的人力驱动洗衣机,随着现代化工业的发展,到二十世纪末,全球洗衣机年销量已达5000万台。
中国洗衣机开始于70年代,最早生产单桶洗衣机,80年代后,开始引日本双桶洗衣机,80年代后期,机械程控器控制的全自动洗衣机出现,90年代初,电脑控制的全自动洗衣机逐渐走向市场,同时开始引进欧洲技术在国内生产滚筒式洗衣机,90年代末期,我国洗衣机年销量已达1000万台。
二、洗衣机的基本原理1)洗衣机的洗涤原理是由模拟人工手搓衣物的原理发展而来的。
手工搓洗衣物时,衣物和衣物间、衣物和搓板间、衣物和手间的摩擦力大小适宜,在洗涤液的作用下,将衣物的污垢清洗干净。
洗衣机洗净衣物的过程也很相似,洗涤过程是在化学力和机械力的共同作用下完成的。
实际也是利用洗涤剂中的化学分子团和污垢的亲和力(结合力),再利用机械方式使它们脱离衣物而溶于水中。
2) 波轮洗衣机的洗涤过程① 水流洗涤:在洗衣机波轮刚开始运转时,衣物不动,水流开始相对衣物运动。
②摩擦洗涤:波轮运转后,衣物和水开始相对桶体一起转动,这时,衣物开始和桶内壁,波轮做相对摩擦运动,使衣物开始洗涤并磨损。
② 一般洗衣机洗净率和磨损成反比,衣物洗的越干净,对衣物磨损越大。
所以,有的洗衣机波轮运转时间为0.5s ,就是为了突出水流洗涤。
三、洗衣机分类1.搅拌式全自动洗衣机: 美洲国家,如:美国及周边国家 特点:波轮为高柱式,波轮旋转小于360。
如左图 2.滚筒式洗衣机: 欧洲国家特点:利用滚筒旋转时将衣物带到滚筒上端然后跌落下来的力量对衣物进行洗涤。
3.波轮式洗衣机:亚洲、东南亚地区,由日本设计的,我国洗衣机初期引进的都是日本的。
洗衣机技术参数要求说明1. 产品概述本文档旨在明确洗衣机的技术参数要求,以确保产品的质量和性能符合用户期望。
我们希望通过定义明确的技术规范,帮助生产部门和供应商理解我们对洗衣机的要求,并确保生产过程中的一致性和可比性。
2. 技术参数要求2.1 容量及尺寸要求洗衣机的容量和尺寸是用户选择的重要因素之一。
为了满足不同用户的需求,我们的洗衣机需要提供不同容量和尺寸的选择。
2.1.1 容量要求- 最小容量:5kg- 最大容量:10kg2.1.2 尺寸要求- 高度范围:800mm - 1000mm- 宽度范围:500mm - 700mm- 深度范围:400mm - 600mm2.2 功能要求洗衣机作为一种家电产品,需要具备一定的功能来满足用户的需求。
2.2.1 洗涤程序要求- 具有不同洗涤程序,如标准洗、快洗、节能洗等- 每个洗涤程序需要设定不同的时间和温度2.2.2 旋转速度要求- 最小旋转速度:500RPM- 最大旋转速度:1200RPM2.2.3 防震技术要求- 具备防震技术,保证洗衣机在高速旋转时的稳定性和安全性2.3 能效要求洗衣机的能效是用户关心的重要指标之一,我们需要确保产品在能效方面满足相应要求。
2.3.1 能效等级要求- 最低能效等级:A- 最高能效等级:A+++2.3.2 能源消耗要求- 电量消耗:每个洗涤周期的平均用电量不得超过1.5千瓦时- 水资源消耗:每个洗涤周期的平均用水量不得超过60升3. 结论本文档明确了洗衣机的技术参数要求,包括容量及尺寸要求、功能要求和能效要求。
通过遵守这些要求,我们将确保所生产的洗衣机产品能够满足用户的期望,并提供优质的洗涤体验。
全自动洗衣机控制系统一.题义分析及解决方案1.题义需求分析题目要求设计一个全自动洗衣机控制系统。
可以用若干个按键来实现对洗衣机的控制,让其有两种洗衣模式分的水流别是普通水流和柔和水流以及两种洗衣程序即标准程序和经济程序。
程序中要实现电机正转反转的功能,而且在各个状态中都应该通过LED晶体二极管显示洗衣机运行状态,最后在洗衣工作完成后,由蜂鸣器发出声响,表示衣物已洗干净。
由此可见,本课程设计大致上需要一个8255A芯片来控制整个程序的连接以及输入输出,若干个LED二极管来显示洗衣机运行状态,一个直流电机,逻辑开关,一个继电器来控制阀门的闭合,最后还需要一个蜂鸣器来提示洗衣过程的结束。
2.解决问题的方法跟思路1)硬件部分:a.选择可编程并行接口芯片8255A,实现自动洗衣机各个控制以及状态的显示输出。
本设计使8255A工作于方式0,即基本输入输出方式;将PA口作为输出口,显示洗衣机工作时的各个状态;PB口作为输入口,即连接开关按键;PC作为输入口,连接继电器,蜂鸣器等部件。
b.直接选用LED二极管显示洗衣机工作状态因为其会使实验过程一目了然,而且减少了8255端口的使用,编程上也方便了。
c.由于洗衣机中的电机要有一个正转反转的过程,在本设计中采用了数模转换器和PWM电压转化器以及直流电机。
2)软件部分:对8255进行初始化。
将8255的工作方式设定为方式0,即PA、PB、PC三个口能够进行输入输出操作。
PB口作为输入口,与逻辑开关相连,接收开关表示的数值和要控制的相关状态。
PA口连接LED小灯输出运行状态。
在开始时候应将水位设为1即高水位。
PC口连接蜂鸣器,继电器,电机等元件也为输入口。
二.硬件设计1.选择芯片8255(1)芯片8255A在本次设计中的作用8255A主要是用作数据的输入和输出接口,将逻辑开关的所输入的值接收进来,并且可以将数值进行输出,电源为+5V。
具体的讲就是控制洗衣机运行时候的各个流程,以及其间的状态显示和后来的报警。
洗衣机型号和LED显示面板技术参数本文档旨在提供洗衣机型号和LED显示面板的技术参数。
以下为各个型号及其相关参数的详细介绍:型号1- 型号名称:XXX型- 重量:XX千克- 尺寸:XXX毫米(宽) x XXX毫米(高) x XXX毫米(深)- 颜色:XXX色- 洗涤容量:XXX升- 离心容量:XXX升- 能效等级:XXX级- 最大转速:XXX转/分钟- 洗涤程序:XXX个- LED显示面板:有- 显示屏尺寸:XXX英寸- 分辨率:XXX x XXX- 多语言支持:是- 其他特性:XXX型号2- 型号名称:XXX型- 重量:XX千克- 尺寸:XXX毫米(宽) x XXX毫米(高) x XXX毫米(深)- 颜色:XXX色- 洗涤容量:XXX升- 离心容量:XXX升- 能效等级:XXX级- 最大转速:XXX转/分钟- 洗涤程序:XXX个- LED显示面板:有- 显示屏尺寸:XXX英寸- 分辨率:XXX x XXX- 多语言支持:是- 其他特性:XXX型号3- 型号名称:XXX型- 重量:XX千克- 尺寸:XXX毫米(宽) x XXX毫米(高) x XXX毫米(深)- 颜色:XXX色- 洗涤容量:XXX升- 离心容量:XXX升- 能效等级:XXX级- 最大转速:XXX转/分钟- 洗涤程序:XXX个- LED显示面板:有- 显示屏尺寸:XXX英寸- 分辨率:XXX x XXX- 多语言支持:是- 其他特性:XXX*请注意,以上参数仅供参考,实际参数以厂商提供的最新信息为准。
.机电工程学院课程设计说明书设计题目:全自动洗衣机控制系统设计〔三〕学生XX:学号:20094805专业班级:机制F09指导教师:. - -.2012年12月08 日内容摘要本文介绍了采用可编程控制器作为核心控制部件的全自动洗衣机控制系统设计。
对全自动洗衣机的控制系统进展了分析,在此根底上提出了基于PLC的全自动洗衣机控制方案,完成了进水系统、洗涤系统、排水系统、脱水系统、报警系统的设计,实现了强洗和弱洗洗方式的选择,以及上下水位的选择。
本系统的特点是,灵活的选用了检测系统,对洗衣的方式、洗衣时的水位和进、排水是否完成等进展检测,并把检测到的信号传递给PLC。
由PLC做为中心控制器,来完成进水、洗涤、排水、脱水等洗衣的过程,实现其全自动功能。
关键词:全自动洗衣机;PLC;控制系统目录第1章前言11.1设计内容11.2 控制要求1第2章总体方案设计22.1 系统设计方案22.2 系统硬件配置及组成原理2第3章PLC控制系统设计43.1电动机主电路的设计43.2确定I/O数量,选择PLC类型43.2.1 I/O数量确实定43.2.2 PLC类型的选择43.3I/O地址分配53.4控制流程图63.5 I/O接线图73.6控制程序梯形图83.7程序调试163.8控制程序语句表20结论26设计总结27谢辞28参考文献29第1章前言1.1设计内容利用西门子PLC的S7-200系列设计全自动洗衣机的控制系统。
洗衣的方式〔强洗、弱洗〕、洗衣的水位选择〔高水位洗衣、低水位洗衣〕需要在将衣服放入洗衣机之后手动来选择。
中选择了一种洗衣模式后,按下启动按钮,洗衣机就会自动完成进水、洗涤、排水、甩干、报警提示等整个洗衣过程。
需要完成的内容:采用PLC控制,列出I/O点地址分配表;画出I/O接线图;绘制控制流程图;利用STEP-Micro/WIN32软件完成梯形图、指令表的程序设计与调试。
1.2控制要求具体操作过程见全自动洗衣机控制流程图。
1引言本篇设计说明书针对全自动滚筒洗衣机的基本整体结构、传动部分、控制部分进行详细的计算说明,并结合数据绘制三维装配图。
采用PLC为基础的主控制电路编制程序。
该设计包括全自动滚筒洗衣机的PLC控制,主要介绍了全自动洗衣机的工作原理,控制系统的PLC的选型和资源的配置,控制系统程序设计与调试,控制系统PLC程序。
传动系统设计,主要包括带轮的设计,滚筒轴系的设计,V带的设计。
2。
全自动滚筒洗衣机的总体设计方案2。
1滚筒洗衣机的基本结构滚筒洗衣机种类很多,但是通常情况下其大致结构可分为四部分:外观支撑部分、给水排水部分、传动部分、电气控制和操作系统部分.外观支撑部分主要是滚筒洗衣机的外形框架,给水排水部分主要指洗衣机的给水系统和排水系统,传动部分主要指洗衣机的带传动及滚筒轮系的传动结构,电气控制部分主要指洗衣机依靠各种电器元件及控制器实现的自动控制部分.个部分具体组成如下:(1)外观部分包括:箱体、后盖、过滤器门、底板等(2)给水排水部分包括:进水管、排水管、储水槽、电磁阀、洗涤剂回收槽等(3)传动部分包括:多频电机、V带、大小带轮、滚筒轴系等(4)控制部分包括:电脑版、电子模块、电磁阀、程控器、温控器、水位压力开关、水加热管、恒温器、电容、定时器等(5)操作部分包括:操作面板、程序标牌、琴键开关、琴键按钮、调温器旋钮、程控器旋钮、指示灯等12.2滚筒洗衣机各部分的设计方案2。
2。
1主体部分洗涤部分主要由内筒(不锈钢滚筒)、外筒(盛洗涤液用,又称盛水桶)、内筒叉形架、转轴、外筒叉形架、滚动轴承等组成。
(1)内筒及内筒叉形架内筒又称滚筒。
滚筒是滚筒式洗衣机对衣物进行洗涤,洗涤效果有着直接关系。
内筒用厚度为2—3毫米的抛光不锈钢板卷制而成的。
有直径为3。
5—5毫米的圆孔,孔与孔之间的距离大约为15—20毫米.圆孔自内向外冲刷,翻边向外,内壁光滑,以防洗涤时刮伤衣物.在滚筒内壁沿轴向有三条凸筋,这三条凸筋在洗涤过程中起举升织物的作用.凸筋的高度一般在85—95毫米,横断面为等边三角形。
max9259技术规格书max9259自动洗衣机分为波轮的滚筒两种,使用方法如下:1、max9259全自动波轮洗衣机连接好电源,保证你家的电源线路安装漏保和接地,否则可能发生严重的触电事故。
还有就是安装好自动水龙头,保证地面平稳。
把要洗涤的衣物和洗衣粉及添加剂(软化剂、漂白剂等)故入洗衣机内,并将机盖关上。
1)你需要启动电源按钮,让洗衣机可以接受控制。
2)根据需要洗涤衣物的多少加水量。
3)选择洗衣流程:有浸泡、洗涤、漂洗、脱水四个流程。
可以根据自己的需要做出选择。
当你做出选择时,相应的过程指示灯就会亮,它亮多少个,说明它这些程序都要做,如果按到脱水,说明它只完成脱水程序,其他一概不动.你每按一下按钮它就会有相应的程序。
4)还有标准和柔和选项,这个是指洗衣的力度,快速还是慢速,这是指洗衣的时间长短。
5)按一下开始按键洗衣机就按照你的指定要求自动完成全部洗衣过程。
2、max9259全自动滚筒洗衣机相对于波轮产品,滚筒洗衣机不止在洗衣原理上与波轮洗衣机不同,滚筒洗衣机的操作模式大相径庭。
当然首先也是先放进衣服和洗衣粉,打开电源再调好洗衣程序,按开始键开始洗涤,不过相对于波轮式洗衣机。
滚筒洗衣机在使用的过程中有一些注意事项:(1)放好衣物之后,电脑根据衣物的多少会自动控制水量,水够了以后上水自动停止。
洗衣的时间是不可以自定义的,洗的是什么材料的衣物,就选到那个挡位。
(2)滚筒洗衣机一定要使用低泡洗衣粉,并且量要非常少,用量过多时会产生泡沫,泡沫会从门圈和皂盒中溢出,洗衣机会发出警报,所以只要使用低泡洗涤剂并减少洗涤剂的用量就可以解决。
(3)滚筒洗衣机洗衣服时,可能看不到水流,这是因为滚筒洗衣机的洗涤原理是靠摔打,当水量过多时不仅浪费水,还无法形成有效的摔打。
但在漂洗时会增加水量,所以不用担心最终的洗净效果。
max9259滚筒洗衣机怎么用洗衣的预备滚筒洗衣机的料盒有三个槽,从左至右分别用于投放主洗剂、柔顺剂和预洗剂。
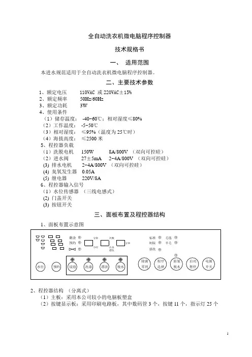
全自动洗衣机微电脑程序控制器技术规格书一、适用范围本进水规范适用于全自动洗衣机微电脑程序控制器。
二、主要技术参数1、额定电压 110VAC 或220VAC±15%2、额定频率50Hz/60Hz3、额定功耗3W4、使用条件(1)储存温度:-40~60℃;相对湿度≤80%(2)工作温度:-5~50℃(3)相对湿度:≤95%(温度为25℃时)(4)海拔高度:≤2500米5、程控器负载(1)洗脱电机150W 8A/800V (双向可控硅)(2)进水阀27±5mA 2~4A/800V (双向可控硅)(3) 排水电机2~4A/800V (双向可控硅)(4) 臭氧发生器0.05A(5) 继电器220V/8A6、程控器输入信号(1)水位传感器(三线电感式)(2) 门盖开关(3) 按钮开关三、面板布置及程控器结构1、面板布置示意图2、程控器结构(分离式)(1)主板:采用本公司较小的电脑板塑盒(2)按键显示板:采用印刷电路板,其中数码管3个,按键11个,指示灯25个四、按键操作及显示规则1、电源键接通电源后,电脑板处于待机状态,按压“电源”键后,电脑板进入初始工作状态:标准程序、水位、过程的洗涤、漂洗、脱水指示灯亮,三个数码窗显示默认运行状况。
2、启动/暂停键“启动/暂停”键用于电脑板的启动或暂停。
按压“电源”键设定程序后,按压“启动/暂停”键,程控器按规定程序运行,过程中工作的指示灯闪亮,再按时,程控器暂停工作,闪亮的指示灯变为常亮,全部负载断开,再按时,继续原来的程序运行。
3、防皱脱水键按压“防皱脱水”键,上方指示灯亮,过程中最后脱水为2分钟。
防皱脱水程序(防止衣物起皱)防皱脱水周期(前面间脱1′0.4″停1′全程2′0.4″)2ˊ04"4、程序选择键按压“程序选择”键,可以对设定的程序进行选择,其选择方式显示如下:水位,过程的相应指示灯亮,三个数码窗显示相对应程序默认运行状况:(1)蓄水漂洗:脱水结束后,排水电机断电,进水到设定水位,停止进水,开始漂洗。
Please Keep this owner’s manual handy forOWNER’S MANUAL Fully Automatic Washing Machine Read This ManualPlease Read and follow the instructions carefully. future use.16138000A433066348443501AW-M1100PTAW-DM1100PTCONTENTS SAFETY INSTRUCTIONSSafety instructions ....................................................................... INSTALLATIONProduct description ...................................................................Installation area ...........................................................................Unpacking the washing machine .........................................Selection of tap .............................................................................Preparation before washing................................................................................................................................................After washing.................................................................................Washing matters needing attention ....................................................Control pan ...........................................................el......................Option...............................................................................................Personalized setting of washing ...............course...............................................Washing table ......................................course.......................Cleaning and care ........................................................................Cleaning the cabinet...................................................................Trouble hooting.......................................................s.....................Technical ..............................................speci cations...............28991011111212121313141516161719192021 Base Cover Installation (9)Cleaning inlet lter ......................................the (19)18 Recommended detergent amount.............................Energy e ciency test program............... (21)For your safety, the information in this manual must be followed to minimize the risk of re or explosion, electric shock, or to prevent property damage, personal injury or loss of life.• This appliance is not intended for use by persons (including children) with reduced physical, sensory or mental capabilities or lack of experience and knowledge unless they have been given supervision or instruction concerning use of the appliance by a person responsible for their safety.• Children should be supervised to ensure that they do not play with the appliance.• If the supply cord is damaged, it must be replaced by the manufacturer, its service agent or similarly qualified persons in order to avoid a hazard.• The new hose-sets supplied with the appliance are to be used and that old hose-sets should not be reused.• The openings must not be obstructed by a carpet.• This appliance is intended to be used in household .Explanation of the symbols:The electric shock!• • D o not put washing machine humid place.• Hands not be inserted into .• Before maintenance the , unplug the appliance from the • Always unplug the machine and turn off the water supply after use. Be aware of the maximum and minimum inlet water pressure which is in megapascals (M a)• To ensure your safety, power plug must be inserted into an earthed three-pole socket. Check carefully and make sure that your socket is properly and reliably earthed.• Make sure that the water and electrical devices are connected by a qualified technician in accordance with the manufacturer's instructions and local safety regulations ・This product is used only domestic.This is for indoor use only.washing machine this in a should the rotating drum doing any unit electrical source.provisions P• he appliance used by children with reduced ph y sical sensory or mental capabilities or lack of experience and knowledge if they ha v e been given supervision or instruction concerning use of the appliance in a safe way and understand the hazards in v olv ed. Cleaning and user maintenance shall not be by children without supervision. • Animals and children climb into the machine. Check the machine before every operation.• sh o u l d b e su p e r v i sed t h at t hey d o not pla y wit h the applianc e.• Keep c h il d ren an d far away from t he mac h ine during operation. T done can can not be not C h il d r e n animal s and persons R isk of explosion!• wa shed in , s oak ed in , or d abb ed wit h comb us tibl e or explosive substances( such as wax, oil, paint, gasoline, de gr e a se r s, d r y -cl e aning s ol ve nt s, k e ro se n e, e tc .)Th i s ma y result in fire or explosion.• R in se t he clot hes or wa sh articl es t h oro u g h l y b y h an d putting them in the appliance .D o not wash or dry articles that ha v e been cleaned in, . before R isk to children!• T his washing machine is for indoor use only .• built-in using .I t is not intended for • T he openings must not be obstructed by a carpet.• ashing m a c hin e sha ll no t b e ins t a lled in ba t h roo m or v e r y wet roo m s as well as in t h e roo m s w i t h e x pl osiv e Th e w s or caustic gases .• R em ov e a ll b ef or e u sing Otherwise, serious damage may result.p a c kaging m a te ria l s t h e a ppl ian ce . • Th e w ashing m a c hin e w i t h sing le in let va lve may on ly connected to a cold w a ter supply.be • T he plug must be accessible after installation.• Avoi d pl a ce w h e r e t h e m a c hin e is e x p os ed t o d ir ect s u n l igh t .P l as t i c p ar t s m a y b ec o me def or med or d is c o l or ed . Avoi d pl a ce w h e r e t h e m a c hin e m a y b ec o me f roz en during cold weather .Risk of damag ing appliance!I nstalling the product!• Y our product is only for home use and is only designed f o extiles suitable for washing machine.• Do no t cl i m b up an d si t on glass lid o f t h e m a c hin e .• Cautions during Machine Handling and transport: 1.The accumulated w a ter shall be drained out of the machine . 2.Handle the machine carefully. Ne v e r ho ld part the machine while lifting . • Please do not close the • It is f or bidden to wash carpets .r t t h e p ro t r ud ing s of glass lid with ex c essive f or ce . 3.This a ppl ian ce is h e av y , i t sho uld b e t rans p or ted c ar efully .Operating the appliance!• Before washing the clothes first time, the product for the shall be operated without clothes using tub clean as the displayed program on the control panel.• Flammable and explosive or toxic solvents are forbidden. Gasoline and alcohol etc. Shall not be used as detergents. Please only select the detergents suitable for washing e machine,specially for top-loading fully automatic washing machines.• M ake sure that all pockets are emptied. Sharp and rigid items such as coins, may cause serious to this machine. brooches, nails, screws or ston s etc.damage e • Nev er re ll the water by hand during washing.INSTALLATIONProduct descriptionAccessoriesInlet hose assy manual screwcabinet baseboard10The way to place the end of drain hose:1. Check if the are properly attached the cabinet. If not, please rotate them totheir original position and tighten the nuts.2. Check alignment of the product with aleveler and do the succeeding steps ifnecessary.3. Loosen the lock nut and feet to4. rotate the footeither clockwise or counter clockwise ,until it closely contacts with the floor.Assure that the lock is secure and thenalternately press the four top corners of themachine, to check if the proper adjustmenthas been done. Levelling the washing machineINSTALLATIONOPERATIONCourseWashing TableCourses are available according to the laundry type.1719Washing the filter in w ashing machine:the 1.Scre w off the inlet hose from the of them achine.2.Pull out the filter w ith ong nosepliers and reinstall it back after bein gw ashed. e to c lea n t h e f ilter.4.Reconnec t t h e i nle t hose.back a pair of l a b rush1.There is a built-in lint lter in your washer . I tcan help to collect lint during washing cycle.2.I t is suggested to clean the lint filter every10 c ycles.3.Take it out and clean the filter w ith w ater.The n p lac e it b ac k i nt o t h e w asher.M AI NTEN A N C EWater inlet valve filter cleaning.Lint filter cleaningMAINTENANCETechnical SpecificationsStandard Water Pressure0.03MPa~0.8MPa1. Press the “ON/OFF” switch.2. Select the “Regular” program(Regular).3. Adjust washing water level to the highest level “8 gear”.4. Select "Process", go to “(Rinse)”, adjust the value by pressingthe "Set" button, select Rinse 1 time.5 Select "Process", go to “(Spin)”, adjust the value by pressingthe " Set" button, select Spin for 9 minutes.6. Press the start button.21MEMO。
技术文档范例
一、产品简介
本产品是一款智能洗衣机,外形美观,结构紧凑,采用最新的科技成果,能够满足用户对于洗衣的需求。
二、产品特性
1. 智能控制:本产品采用智能化控制,可根据衣物的种类、尺寸、材质等参数自动调节洗衣的程序,实现全自动洗衣功能。
2. 高效节能:本产品采用先进的节能技术,洗衣时能够实现省水省电,降低用户的使用成本。
3. 多功能显示:本产品在洗衣过程中可实时显示洗涤、漂洗、脱水等状态,方便用户了解洗涤过程。
4. 安全稳定:本产品在设计和制造过程中,严格按照国家安全标准进行,利用高品质材料生产,以确保安全稳定。
三、使用说明
1. 本产品应放置在干燥、通风且温度适宜的地方使用。
2. 在使用前应先检查电源是否符合电压要求,并对照说明书了解操作方法。
3. 在使用过程中应严格按照说明书的规定操作,不得随意拆卸、修理或改装本产品。
4. 在使用过程中如遇电器故障,应立即停止使用,拔掉电源插头,并联系正规维修服务机构进行维修。
四、注意事项
1. 请勿在本产品内放置易燃烧的物品。
2. 请勿在本产品周围阻塞通风口。
3. 请勿在使用过程中将手伸入洗衣机内部或触摸电源插头。
4. 请勿在使用过程中摇晃或颠簸本产品。
五、保修条款
本产品在正常使用情况下,自出厂日起一年内享受免费保修服务
(人为损坏除外)。
六、售后服务
为保证客户使用本产品的满意度及安全性,本公司提供售后服务咨询电话(详见用户手册)及上门服务。
洗衣机技术要求
洗衣机技术要求
主要参数
洗衣机类型滚筒式
洗涤容量5kg,约2个被罩和3个床单,适合四口及以上家庭
脱水容量5kg
甩干脱水速度900转/分
外型尺寸840*595*400mm[1]
基本参数
系列超薄变频系列
洗衣机类型滚筒式
洗涤容量5kg,约2个被罩和3个床单,适合四口及以上家庭
洗涤容量范围(kg) 4.1-5.0
脱水容量5kg
甩干脱水速度900转/分
内筒材料不锈钢
功能参数
安全锁童锁
显示屏数码CLED
洗衣程序1.预洗2.棉麻3.化纤4.羊毛5.内衣6.兰诺7.快洗8.单洗9.单漂10.单甩外形参数
外型尺寸840*595*400mm
外观设计银灰色
其他功能
其他性能HPM芯平衡系统;
独创弹力筋;
S-D芯变频;
兰诺一漂净程序;
强力去污;
超净漂洗;
智能断电记忆;偏心保护技术;独立水温调节。
本產品限台灣區域使用For use in Taiwan only ■為了安全請務必遵守事項 ............1~2■使用注意事項及洗衣要訣 (3)■各部名稱 (4)■操作面板名稱及功能..................5~6■洗濯量及洗劑量的關係 (7)■使用方法………………………… 8~17●標準‧污髒‧快速行程的使用方法 (8)●記憶行程的使用方法 (9)●柔洗行程的使用方法 …………10~12●毛毯行程的使用方法 (13)●護嬰行程的使用方法 (14)●槽洗淨行程的使用方法 (14)●浸泡功能的使用方法 (15)●自選行程的使用方法 ............16 ~17■預約洗濯的方法 (18)■有以下狀況 (18)●有結冰之虞時 (18)■各種洗濯的方法…………………19 ~20●濃縮粉末及液體洗劑的投入 (19)●使用肥皂絲時 (19)●洗濯劑二度使用時 (19)●使用軟化劑時 (20)●使用漂白劑時 (20)●使用熱水時 (20)■內定功能操作使用方法 (21)■保養的方法 (22)■檢查一下是不是故障 (23)■以下情形並非故障 (24)■安裝………………………………25 ~28●洗衣機的安裝 (25)●調整腳的調整方法 (26)●裝配接地線 (26)●排水管的安裝方法 (27)●裝配注水管 (28)■RoHS聲明書 (29)■超音波洗衣機洗劑使用要點 (30)●緊急處理方法 (30)●搬運方法 (30)■規格表 (31)■備忘錄 .................................32~33■訂正頁 (34)為了安全請務必遵守事項■使用前請詳細閱讀「安全上注意事項」並正確使用。
■本電器不預期供生理、感知、心智能力、經驗或知識不足之使用者(包含孩童) 使用,除非在對其負有安全責任的人員之監護或指導下安全使用。
■若忽視標示內容,使用時發生危害及損害的程度,以下列的標示區分說明:圖列表示為了安全請務必遵守事項使用注意事項及洗衣要訣各部名稱操作面板名稱及功能※本頁操作面板為示意圖,正確面板請依實物為準。
0287-G全自动洗衣机微电脑程控器
技术规格书
目录
1、适用范围
2、程控器简介
3、基本性能
4、额定参数
5、外观及结构
6、功能概述
7、程序时间表
1 适用范围
本电脑程序控制器( 以下简称程控器) 适用于吉德287控制板全自动洗衣机。
2 程控器简介
本程控器采用先进的单片机, 配以执行驱动单元、水位和安全检测、显示及按键、故障报警等外围接口电路, 组成一套完整的全自动洗衣机电脑程序控制器。
本程控器具有多种不同的程序组合, 可根据需要进行不同的选择。
程控器原理框图如下:
3基本性能
3.1 可完成浸泡、洗涤、漂洗、脱水等多种组合程序。
3.2脱水不平衡处理功能。
3.3故障报警及指示功能。
3.4无水检查功能。
4 额定参数
4.1电源电压: 220VAC±15% 50Hz
4.2使用环境: 温度-5~50℃湿度: 95%以下( 25℃时) 。
4.3程控器负载电流最大值
*.洗衣电机(正、反转) 8.0A/ 800V
*.排水电机 2.0A /800V
*.进水阀 2.0A/ 800V
4.4程控器输入信号
*.水位开关节点
*.门盖开关节点
5 外观及结构
5.1程控器各按键和指示灯配置图
6功能
6.1按键
6.1.1"电源"键
用于控制洗衣机是否进入工作状态
⑴按下"电源"键,程控器进入初始工作状态, 各指示灯状态如下:
过程=洗,漂,脱
⑵程控器进入工作状态或选择程序后10分钟内未按"起/停"键, 自动回到待机状态;
⑶洗衣程序结束后10秒自动回到待机状态。
6.1.2启动/暂停键
开机为”暂停”状态, 按一次为”开始操作”, 以后每按一次转换一次。
6.1.3 过程键
过程键设置变更及与指示灯( 红) 的关系见下表。
表1
1: 过程指示灯四个: ”浸泡”、”洗涤”、”漂洗”、”脱水”, 常亮表示过程被设置, 闪烁表示该过程在工作状态, 熄灭则表示结束。
2: 指示灯闪亮周期
正常状态: 0.5秒ON, 0.5秒OFF; 异常报警: 0.25秒ON, 0.25秒OFF。
6.1.4 程序键
6.1.4.1 开机”标准”灯亮, 按一次”大物”灯亮, 以后每按一次, 转换一次。