某建筑公司起重设备安装验收流程及表格的使用实用PPT(33张)
- 格式:ppt
- 大小:2.22 MB
- 文档页数:26
关于规范大型起重设备安装、验收工作程序的通知局属各单位、施工局、项目部:为了规范大型起重设备安装、验收工作程序,确保设备的安装质量与安全性能,根据《特种设备安全监察条例》和《特种设备安装、改造、维修许可规则》的有关规定,结合我局有些单位对大型起重设备的安装验收工作程序还不十分清楚的实际情况,也为了给陕西省技术监督局对工程局《特种设备安装改造维修许可证》提供年检资料,局设备管理处、安监办特对大型起重设备的安装、验收工作程序规范如下:第一步、大型起重设备安装前,由施工局(项目部)的机电物资部(科)根据本单位的实际情况编写安装施工方案。
由项目总工(或技术负责人)审批后下发安装单位实施。
施工方案的编写可按照附件一、二《门机(塔机)安装施工方案》的内容编写。
第二步、安装单位必须对大型起重设备的安装质量负责,为了体现这种责任安装单位必须做好大型起重设备安装过程中的各项记录。
报施工局(项目部)机电物资部(科)备查的记录主要如下:一、门机安装记录1)四条门腿安装中心距(轨距和基距)测量记录;2)四个安装点轨面标高差、轨道纵向坡度测量记录;3)中心座法兰面的标高差及对角线距离测量记录;4)中心座法兰面与门腿中心偏差测量记录;5)门机回转中心与安装点中心偏差测量记录;6)高强螺栓连接检查记录;7)润滑部位检查保养记录;8)电气试验及绝缘值测量记录;9)安装过程中存在的问题。
二、塔机安装记录1)轨道顶面纵、横方向的倾斜度测量记录;2)轨距测量记录;3)四个固定支脚形成的平面,倾斜度测量记录。
4)电气试验及绝缘值测量记录;5)高强螺栓连接检查记录;6)润滑部位检查保养记录;7)安装过程中存在的问题。
注:以上记录应有规范的格式,要有测量人员和记录人的签名和日期。
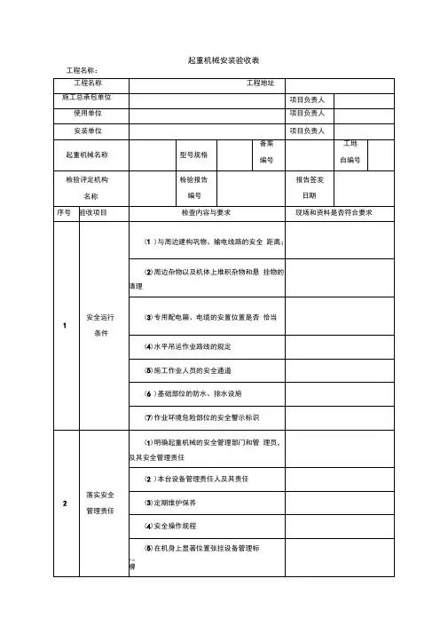
第三步、设备安装后,项目部组织(建议由项目总工或机械总工牵头)由机电物资部(科)、质安部(科)、安装单位等相关部门参加的设备验收组进行验收,验收程序及验收报告的编写可按照附件二《门机(塔机)验收报告》的要求进行。
建筑起重设备验收表————————————————————————————————作者: ————————————————————————————————日期:塔式起重机安装验收记录表(JGJ196-2010)工程名称塔式起重机型号设备编号起升高度m 幅度m 起重力矩KN·M 最大起重机T 塔身m 与建筑物水平附着距离m各道附着间距m附着道数验收部位验收要求结果塔式起重机结构部件、附件、连接件安装齐全,位置正确螺栓拧紧力矩达到技术要求,开口销完全撬开结构无变形、开焊、疲劳裂纹压重、配重的重量与位置符合使用说明书要求基础与轨道地基坚实、平整,地基或基础隐蔽工程资料齐全、准确基础周围有排水措施路基箱或枕木铺设符合要求,夹板、道钉使用正确钢轨顶面纵、横方向上的倾斜度不大于1/1000塔式起重机底架平整度符合使用说明书要求止挡装置距钢轨两端距离≥1m行走限位装置距止挡装置距离≥1m轨接头间距不大于4mm,接头高低差不大于2mm机构及零部件钢丝绳在卷筒上面缠绕整齐、润滑良好钢丝绳规格正确,断丝和磨损未达到报废标准钢丝绳固定和编插符合国家及行业标准各部位滑轮转动灵活、可靠,无卡塞现象吊钩磨损未达到报废标准、保险装置可靠各机构转动平稳、无异常响声各润滑点润滑良好、润滑油牌号正确制动器动作灵活可靠,联轴节连接良好,无异常续表B验收部位验收要求结果附着锚固锚固框架安装位置符合规定要求塔身与锚固框架固定牢靠附着框、锚杆、附着装置等各处螺栓、销轴齐全、正确、可靠垫铁、锲块等零部件齐全可靠最高附着点下塔身轴线对支承面垂直度不得大于相应高度的2/1000独立状态或附着状态下最高附着点以上塔身轴线对支承面垂直度不得大于4/1000附着点以上塔式起重机悬臂高度不得大于规定要求电气系统供电系统电压稳定、正常工作、电压(380±10%)V仪表、照明、报警系统完好、可靠控制、操纵装置动作灵活、可靠电气按要求设置短路和过电流、失压及零位保护,切断总电源的紧急开关符合要求电气系统对地的绝缘电阻不大于0.5Ω安全限位与保险装置起重量限制器灵敏可靠,其综合误差不大于额定值的±5%力矩限制器灵敏可靠,其综合误差不大于额定值的±5%回转限位器灵敏可靠行走限位器灵敏可靠变幅限位器灵敏可靠超高限位器灵敏可靠顶升横梁防脱装置完好可靠吊钩上的钢丝绳防脱钩装置完好可靠滑轮、卷筒上的钢丝绳防脱钩装置完好可靠小车断绳保护装置灵敏可靠小车断轴保护装置灵敏可靠续表B验收部位验收要求结果附着锚固不设位置合理,符合施工组织设计要求与架空线最小距离符合规定塔式起重机的尾部与周围建(构)筑物及其外围施工设施之间的安全距离不小于0.6m其他对检测单位意见复查出租单位验收意见:签章:日期:安装单位验收意见:签章:日期:使用单位验收意见:签章: 日期: 监理单位验收意见:签章:日期:总承包单位验收意见:签章:日期:施工升降机使用验收表(JGJ215-2010)工程名称工程地址设备编号备案登记号设备生产厂出厂编号出厂日期安装高度安装负责人安装日期检查结果代号说明√=合格Ο=整改后合格×=不合格无=无此项检查项目序号内容和要求检查结果备注主要部件1导轨架、附墙架连接安装齐全、牢固、位置正确。
塔式起重机安装验收检查记录表工程名称:
施工单位:
安装单位:
产权单位:
监理单位:
日期:
云南省建设厅监制
塔式起重机安装、拆卸任务书
塔式起重机安装安全技术交底书
表二
塔式起重机安装安全技术交底卡
塔式起重机顶升安全技术交底卡
表四
塔式起重机安装、拆卸安全和技术交底书
固定式塔机基础验收
注:1、基础必须严格按批准的方案交底后进行施工;
2、提供基础施工图一份;施工现场提供隐蔽工程验收单、混凝土浇灌证明、基础混凝土试压报告附后;
3、表中1、5、标准按使用说明书要求执行;检查验收应在塔机安装前进行。
塔机安装前零部件保养维修技术检验记录表
表七
说明:1、零部件检查结果由机务负责人填定,安全员监督。
2、维修处理结果由维修负责人认可,安全员监督,机务员填写塔基技术主管审核。
3、本表副本应于塔机安装前送交工程监理审核。
4、未经保养、维修检验合格,工程监理审核签字,塔机严禁安装。
塔式起重机安装、拆卸过程记录
塔式起重机安装完毕检验记录
塔式起重机安全保护装置检测记录
塔式起重机运行试验记录
塔式起重机顶升检验记录
表十一
塔式起重机附墙锚固检验记录
表十二
塔式起重机拆除前技术状况检查记录表
表十三
塔式起重机安装交接验收单
塔式起重机械验收记录表。
建筑施工起重机械(施工升降机)安装验收记录表工程名称工程地址设备厂家、型号备案登记号出厂编号出厂日期安装高度产权登记号安装单位安装日期检查项目验收内容和要求检查结果备注主要部件导轨架、附墙架连接安全齐全、牢固,位置正确螺栓拧紧力矩达到技术要求,开口销完全撬开导轨架安装垂直度满足要求结构件无变形、开焊、裂纹对重导轨符合说明书要求传动系统钢丝绳规格正确,未达到报废标准钢丝绳固定和编结符合标准要求各部位滑轮转动灵活、可靠齿轮、齿条、导向轮、背轮符合要求各机构转动平稳、无异常响声,润滑点润滑良好制动器、离合器动作灵敏、可靠安全系统防坠落安全器在有效标定期内使用超载保护装置灵敏可靠上、下限位开关灵敏可靠上、下极限位开关急停开关灵敏可靠安全钩完好额定载重量标牌牢固清晰地面防护围栏门、吊笼门机电联锁灵敏有效电气系统接触器、继电器接触良好仪表、照明、报警系统完好可靠控制、操纵装置动作灵活、可靠各种电气安全保护装置齐全、可靠电气系统对导轨架的绝缘电阻应≥0.5 MΩ,接地电阻≤4Ω(续表)注:1.对不符合要求的项目在备注栏具体说明,对要求量化的参数应填写实测值。
2.每次附着加节后,施工总承包单位应组织有关单位按此表对施工升降机进行验收。
检查项目验收内容和要求检查结果备注试运行空 载双吊笼施工升降机应分别对两个吊笼进行试运行。
试运行中吊笼应启动、制动正常,运行平稳,无异常现象。
额定载重量 125%额定载重量坠落试验吊笼制动后,结构及连接件应无任何损坏或永久变形,且制动距离应符合要求其他出租单位验收意见:负责人(签字):(盖章)年 月 日 安装单位验收意见:负责人(签字):(盖章)年 月 日使用单位验收意见:项目负责人(签字):(盖章)年 月 日 监理单位验收意见:总监理工程师(签字):(盖章)年 月 日施工承包单位验收意见:项目负责人(签字):(盖章)年 月 日8.1.8.2-6建筑施工施工起重机械(施工升降机)使用登记证(粘贴)。