台达PLC MODRW指令
- 格式:pdf
- 大小:362.37 KB
- 文档页数:21
台达PLC原理与应用符号操作数功能CMP比较指令s1s2Ds1指令说明比较参数s2比较参数n比较结果M0CMP K10D10Y0Y0: D10<K10时,Y0=ON;Y1: D10=K10时,Y1=ON;Y2: D10>D10时,Y2=ON符号操作数功能ZCP区间比较指令s1s2Ds1指令说明区间比较的下限值s2区间比较的上限值S 比较值SD比较结果X0ZCPK10K100D0Y0Y0: D0<K10时,Y0=ON;Y1: K0<=D10<=K100时,Y1=ON;Y2: D0>K100时,Y2=ON水塔水位控制当前水位信号K0~K40000~10VDC控制要求:z当水塔剩余水量少于1/4时,打开给水阀开关,进行给水动作;z当水塔水位正常时,正常水位指示灯点亮;z当水塔水位超过上限时,警报指示灯点亮给水阀关闭。
PLC元件元件说明D0水位高度测量值Y0给水阀开关Y1正常水位指示灯Y2水位上限警报灯应用指令-FMOV指令符号操作数功能FMOV多点传送指令SDS 指令说明数据的来源D 目标装置n数据长度nX0FMOVK10D10K5K10K10D10D11D12D13D14K10K10K10K10n=5S D单笔数据多点传送使用PLC控制多台变频器时,有时需要多台变频器运行于统一的频率。
如左图所示,只需要旋转旋钮,即可切换4台变频器的频率切换。
假设4台变频器的频率寄存器分别对应D10,D11,D12,D13。
PLC元件元件说明PLC元件元件说明X1选择0Hz频率X4选择50Hz频率X2选择30Hz频率D10~D134台变频器的驱动频率X3选择40Hz频率应用指令-BMOV指令符号操作数功能BMOV全部传送指令SDS 指令说明数据的来源D 目标装置n数据长度nX0BMOVD0D10K5D10D11D12D13D14n=5D0D1D2D3D4S D应用指令-BMOV指令范例多笔历史数据备份启动停止控制要求:z对待测设备的数据进行记录,将测试数据依次存入D0~D99中。
台达ethrw指令
台达ethrw指令是一种用于以太网通信的控制指令,主要在台达PLC(可编程逻辑控制器)中使用,以实现与其他设备之间的数据交换和通信。
台达ethrw指令的功能主要包括:
1.读取其他设备中的数据。
2.向其他设备中写入数据。
3.实现设备之间的数据交换和通信。
使用该指令,用户可以指定要读写数据的目标设备地址、数据类型、数据长度和起始地址等参数。
台达ethrw指令是台达PLC编程中常用的一种指令,对于实现设备间的通信和控制具有重要作用。
如需更多信息,建议咨询台达PLC编程技术人员或查阅台达PLC编程技术手册。
PLC基本指令:一般指令:LD 载入A 接点LDI 载入B 接点AND 串联 A 接点ANI 串联B 接点OR 并联A 接点ORI 并联B 接点ANB 串联回路方块ORB 并联回路方块MPS 存入堆栈MRD 堆栈读取(指针不动) MPP 读出堆栈输出指令:OUT 驱动线圈SET 动作保持(ON)RST 接点或寄存器清除定时器,计数器:TMR 16 位定时器CNT 16 位计数器DCNT 32 位计数器主控指令:MC 公共串联接点的连接MCR 公共串联接点的解除接点上升沿/下降沿输出指令:LDP 上升沿检出动作开始LDF 下降沿检出动作开始ANDP 上升沿检出串联连接ANDF 下降沿检出串联连接ORP 上升沿检出并联连接ORF 下降沿检出并联连接脉冲输出指令:PLS 上升沿检出PLF 下降沿检出结束指令:END 程序结束其它指令:NOP 无动作INV 运算结果反相P 指针I 中断插入指针步进梯形指令:STL 程序跳至副母线RET 程序返回主母线应用指令:程序流程控制:00CJ 条件转移01CALL 呼叫子程序02SRET 子程序结束03IRET 中断插入返回04EI 中断插入允许05DI 中断插入禁止06FEND 主程序结束07WDT 逾时监视定时器08FOR 循环范围开始09NEXT 循环范围结束传送比较:10CMP 比较设定输出11ZCP 区间比较12MOV 数据传送13SMOV 移位传送14CML 反转传送15BMOV 全部传送16FMOV 多点传送17XCH 数据交换18BCD BIN →BCD 变换19BIN BCD →BIN 变换四则逻辑运算:20ADD BIN 加法21 SUB BIN 减法22MUL BIN 乘法23DIV BIN 除法24INC BIN 加一25DEC BIN 减一26WAND/DAND 逻辑与 (AND) 运算27WOR/DOR 逻辑或(OR) 运算28WXOR/DXOR 逻辑异或(XOR) 运算29NEG 取负数(取2 的补码)循环移位与移位:30ROR 右循环31ROL 左循环32RCR 附进位标志右循环33RCL 附进位标志左循环34SFTR 位右移35SFTL 位左移36WSFR 字右移37WSFL 字左移38SFWR 位移写入39SFRD 位移读出数据处理:40ZRST 批次复位41DECO 译码42ENCO 编码43SUM On 位数量44BON On 位判定45MEAN 平均值46ANS 信号报警器置位47ANR 信号报警器复位48SQR BIN 开平方49FLT BIN 整数→二进制浮点数变换高速处理:50REF I/O 状态即时刷新51REFF 输入滤波器时间调整52MTR 矩阵分时输入53DHSCS 比较置位(高速计数器)54DHSCR 比较复位(高速计数器) 55DHSZ 区间比较(高速计数器) 56SPD 脉冲频率检测57PLSY 脉冲输出58PWM 脉冲波宽调制59PLSR 附加减速脉冲输出便利指令:60IST 手动/自动控制61SER 数据检索62ABSD 绝对方式凸轮控制63 INCD 相对方式凸轮控制64TTMR 示教式定时器65STMR 特殊定时器66ALT On/Off 交替67RAMP 斜坡信号68 DTM 数据转换与搬移69SORT 数据整理排序外部设定显示:70TKY 十键键盘输入71 HKY 十六键键盘输入72DSW 数字开关73SEGD 七段显示器译码74SEGL 七段显示器分时显示75ARWS 方向开关控制76ASC ASCII 码变换77PR ASCII 码打印外部SER设备:78FROM 扩展模块CR数据读出79TO 扩展模块CR数据写入80RS 串行数据传送81PRUN 8 进制位传送82ASCI HEX 转为ASCII83HEX ASCII 转为HEX84CCD 校验码85VRRD 电位器值读出86VRSC 电位器刻度读出87ABS 绝对值运算88PID PID 运算台达变频器通讯:100MODRD MODBUS 数据读取101MODWR MODBUS 数据写入102FWD 变频器正转指令103REV 变频器反转指令104STOP 变频器停止指令105RDST 变频器状态读取106 RSTEF 变频器异常复位107LRC LRC 校验码计算108CRC CRC 校验码计算150 MODRW MODBUS 資料讀出/?入206 ASDRW 台達伺服器通?浮点运算:110DECMP 二进制浮点数比较112DMOVR 浮点数值数据移动111DEZCP 二进制浮点数区间比较116 DRAD 角度→弧度117DDEG 弧度→角度118DEBCD 二进制浮点数→十进制浮点数119DEBIN 十进制浮点数→二进制浮点数120DEADD 二进制浮点数加法121DESUB 二进制浮点数法122DEMUL 二进制浮点数乘法123DEDIV 二进制浮点数除法124DEXP 二进制浮点数取指数125DLN 二进制浮点数取自然对数126DLOG 二进制浮点数取对数127DESQR 二进制浮点数平方128DPOW 浮点数乘方129INT 二进制浮点数→BIN 整数变换130DSIN 二进制浮点数SIN 运算131DCOS 二进制浮点数COS 运算132DTAN 二进制浮点数TAN 运算133DASIN 二进制浮点数ASIN 运算134DACOS 二进制浮点数ACOS 运算135DATAN 二进制浮点数ATAN 运算136DSINH 二进制浮点数SINH 运算137DCOSH 二进制浮点数COSH 运算138DTANH 二进制浮点数TANH 运算172DADDR 浮点数值加法173DSUBR 浮点数值减法174DMULR 浮点数值乘法175DDIVR 浮点数值除法数据处理 II :143DELAY 延迟指令144 GPWM 一般用脉冲波宽调变145 FTC 模糊化温度控制147 SWAP 上/下字节交换148MEMR 文件寄存器读出149MEMW 文件寄存器写入151PWD 输入脉宽检测152RTMU I 中断子程序执行时间测量开始153RTMD I 中断子程序执行时间测量结束154RAND 随机数值产生109SWRD 数字开关读取196 HST 高速定时器176 MMOV 16 32 位数值转换177 GPS (GPS) 接收通讯指令178 DSPA 太阳能板位置指令179WSUM求和202SCAL比例值运算203SCLP参数型比例值运算205CMPT表格比较指令207CSFO撷取速度与追随输出指令定位控制:155DABSR ABS 现在值读出156ZRN 原点回归157PLSV 附旋转方向脉冲输出158 DRVI 相对定位159DRVA 绝对定位191DPPMR 双轴相对点运动192DPPMA 双轴绝对点运动193DCIMR 双轴相对圆弧插补194DCIMA 双轴绝对圆弧插补195DPTPO 单轴建表式脉冲输出197 DCLLM 闭回路定位控制198 DVSPO 可变速度脉波输出199 DICF 立即变更频率指令万年历:160TCMP 万年历数据比较161 TZCP 万年历数据取间比较162TADD 万年历数据加法163TSUB 万年历数据减法166TRD 万年历数据读出167TWR 万年历数据写入169 HOUR 时间表格雷码:170GRY BIN→GRY 码变换171GBIN GRY 码→BIN 变换矩阵:180MAND 矩阵与(AND)运算181MOR 矩阵或(OR)运算182MXOR 矩阵异或(XOR)运算183 MXNR 矩阵同或(XNR)运算184MINV 矩阵反相185MCMP 矩阵比较186MBRD 矩阵位读出187MBWR 矩阵位写入188MBS 矩阵位位移189MBR 矩阵位循环移位190 MBC 矩阵位状态计数接点型态逻辑运算:215LD&S1 & S2216LD|S1 | S2217LD^S1 ^ S2218AND&S1 & S2219AND|S1 | S2220AND^S1 ^ S2221OR&S1 & S2222OR|S1 | S2223OR^S1 ^ S2接点型态比较指令:224LD=S1=S2 225LD>S1>S2 226LD<S1<S2 228LD<>S1≠S2 229LD<=S1≦S2 230LD>=S1≧S2 232AND=S1=S2 233AND>S1>S2 234AND<S1<S2 236AND<>S1≠S2 237AND<=S1≦S2 238AND>=S1≧S2 240OR=S1=S2 241OR>S1>S2 242OR<S1<S2 244OR<>S1≠S2 245OR<=S1≦S2 246OR>=S1≧S2。
基本指令:一般指令:LD 载入A接点LDI 载入B接点AND 串联?A接点ANI 串联B接点OR 并联A接点ORI 并联B接点ANB 串联回路方块ORB 并联回路方块MPS 存入堆栈MRD 堆栈读取(指针不动) MPP 读出堆栈输出指令:OUT 驱动线圈SET 动作保持(ON)RST 接点或寄存器清除定时器,计数器:TMR 16位定时器CNT 16位计数器DCNT 32位计数器主控指令:MC 公共串联接点的连接MCR 公共串联接点的解除接点上升沿/下降沿输出指令:LDP 上升沿检出动作开始LDF 下降沿检出动作开始ANDP 上升沿检出串联连接ANDF 下降沿检出串联连接ORP 上升沿检出并联连接ORF 下降沿检出并联连接脉冲输出指令:PLS 上升沿检出PLF 下降沿检出结束指令:END 程序结束其它指令:NOP 无动作INV 运算结果反相P 指针I 中断插入指针步进梯形指令:STL 程序跳至副母线RET 程序返回主母线应用指令:程序流程控制:00CJ 条件转移01CALL 呼叫子程序02SRET 子程序结束03IRET 中断插入返回04EI 中断插入允许05DI 中断插入禁止06FEND 主程序结束07WDT 逾时监视定时器08FOR 循环范围开始09NEXT 循环范围结束传送比较:10CMP 比较设定输出11ZCP 区间比较12MOV 数据传送13SMOV 移位传送14CML 反转传送15BMOV 全部传送16FMOV 多点传送17XCH 数据交换18BCD BIN→BCD变换19BIN BCD→BIN变换四则逻辑运算:20ADD BIN加法21 SUB BIN减法22MUL BIN乘法23DIV BIN除法24INC BIN加一25DEC BIN减一26WAND/DAND 逻辑与?(AND)运算27WOR/DOR 逻辑或(OR)?运算28WXOR/DXOR 逻辑异或(XOR)?运算29NEG 取负数(取2的补码)循环移位与移位:30ROR 右循环31ROL 左循环32RCR 附进位标志右循环33RCL 附进位标志左循环34SFTR 位右移35SFTL 位左移36WSFR 字右移37WSFL 字左移38SFWR 位移写入39SFRD 位移读出数据处理:40ZRST 批次复位41DECO 译码42ENCO 编码43SUM On位数量44BON On位判定45MEAN 平均值46ANS 信号报警器置位47ANR 信号报警器复位48SQR BIN开平方49FLT BIN整数→二进制浮点数变换高速处理:50REF I/O状态即时刷新51REFF 输入滤波器时间调整52MTR 矩阵分时输入53DHSCS 比较置位(高速计数器)54DHSCR 比较复位(高速计数器)55DHSZ 区间比较(高速计数器)56SPD 脉冲频率检测57PLSY 脉冲输出58PWM 脉冲波宽调制59PLSR 附加减速脉冲输出便利指令:??60IST 手动/自动控制61SER 数据检索62ABSD 绝对方式凸轮控制63 INCD 相对方式凸轮控制64TTMR 示教式定时器65STMR 特殊定时器66ALT On/Off交替67RAMP 斜坡信号68 DTM 数据转换与搬移69SORT 数据整理排序外部设定显示:70TKY 十键键盘输入71 HKY 十六键键盘输入72DSW 数字开关73SEGD 七段显示器译码74SEGL 七段显示器分时显示75ARWS 方向开关控制76ASC ASCII码变换77PR ASCII码打印外部SER设备:78FROM 扩展模块CR数据读出79TO 扩展模块CR数据写入80RS 串行数据传送81PRUN 8进制位传送82ASCI HEX?转为ASCII83HEX ASCII转为HEX84CCD 校验码85VRRD 电位器值读出86VRSC 电位器刻度读出87ABS 绝对值运算88PID PID运算台达变频器通讯:100MODRD MODBUS数据读取101MODWR MODBUS数据写入102FWD 变频器正转指令103REV 变频器反转指令104STOP 变频器停止指令105RDST 变频器状态读取106 RSTEF 变频器异常复位107LRC LRC校验码计算108CRC CRC校验码计算150 MODRW MODBUS资料读出/?入206 ASDRW 台达伺服器通?浮点运算:110DECMP 二进制浮点数比较112DMOVR 浮点数值数据移动111DEZCP 二进制浮点数区间比较116 DRAD 角度→弧度117DDEG 弧度→角度118DEBCD 二进制浮点数→十进制浮点数119DEBIN 十进制浮点数→二进制浮点数120DEADD 二进制浮点数加法121DESUB 二进制浮点数法122DEMUL 二进制浮点数乘法123DEDIV 二进制浮点数除法124DEXP 二进制浮点数取指数125DLN 二进制浮点数取自然对数126DLOG 二进制浮点数取对数127DESQR 二进制浮点数平方128DPOW 浮点数乘方129INT 二进制浮点数→BIN整数变换130DSIN 二进制浮点数SIN运算131DCOS 二进制浮点数COS运算132DTAN 二进制浮点数TAN运算133DASIN 二进制浮点数ASIN运算134DACOS 二进制浮点数ACOS运算135DATAN 二进制浮点数ATAN运算136DSINH 二进制浮点数SINH运算137DCOSH 二进制浮点数COSH运算138DTANH 二进制浮点数TANH运算172DADDR 浮点数值加法173DSUBR 浮点数值减法174DMULR 浮点数值乘法175DDIVR 浮点数值除法数据处理?II:143DELAY 延迟指令144 GPWM 一般用脉冲波宽调变145 FTC 模糊化温度控制147 SWAP 上/下字节交换148MEMR 文件寄存器读出149MEMW 文件寄存器写入151PWD 输入脉宽检测152RTMU I中断子程序执行时间测量开始153RTMD I中断子程序执行时间测量结束154RAND 随机数值产生109SWRD 数字开关读取196 HST 高速定时器176 MMOV 16 32位数值转换177 GPS (GPS)接收通讯指令178 DSPA 太阳能板位置指令179WSUM求和202SCAL比例值运算203SCLP参数型比例值运算205CMPT表格比较指令207CSFO撷取速度与追随输出指令定位控制:155DABSR ABS?现在值读出156ZRN 原点回归157PLSV 附旋转方向脉冲输出158 DRVI 相对定位159DRVA 绝对定位191DPPMR 双轴相对点运动192DPPMA 双轴绝对点运动193DCIMR 双轴相对圆弧插补194DCIMA 双轴绝对圆弧插补195DPTPO 单轴建表式脉冲输出197 DCLLM 闭回路定位控制198 DVSPO 可变速度脉波输出199 DICF 立即变更频率指令万年历:160TCMP 万年历数据比较161 TZCP 万年历数据取间比较162TADD 万年历数据加法163TSUB 万年历数据减法166TRD 万年历数据读出167TWR 万年历数据写入169 HOUR 时间表格雷码:170GRY BIN→GRY码变换171GBIN GRY码→BIN变换矩阵:180MAND 矩阵与(AND)运算181MOR 矩阵或(OR)运算182MXOR 矩阵异或(XOR)运算183 MXNR 矩阵同或(XNR)运算184MINV 矩阵反相185MCMP 矩阵比较186MBRD 矩阵位读出187MBWR 矩阵位写入188MBS 矩阵位位移189MBR 矩阵位循环移位190 MBC 矩阵位状态计数接点型态逻辑运算:215LD&S1&S2216LD|S1|S2217LD^S1^S2218AND&S1&S2219AND|S1|S2220AND^S1^S2221OR&S1&S2222OR|S1|S2223OR^S1^S2接点型态比较指令:224LD=S1=S2225LD>S1>S2226LD<S1<S2228LD<>S1≠S2229LD<=S1≦S2230LD>=S1≧S2232AND=S1=S2233AND>S1>S2234AND<S1<S2236AND<>S1≠S2237AND<=S1≦S2238AND>=S1≧S2240OR=S1=S2241OR>S1>S2242OR<S1<S2244OR<>S1≠S2245OR<=S1≦S2246OR>=S1≧S2。
PLC通讯控制伺服电机src=/forum/pic/837305_1.GIF >RS、MODRD/MODWR/MODRW、CVFD的比较:1. RS---串行数据传输:█此指令是专为主机使用RS-485串联通讯接口所提供的便利指令。
在程序中可以无限使用RS指令,但不可同一时间执行两个以上的RS指令。
█接口设备(变频器,温度控制器…)如果配备RS-485串行通讯,并且该设备的通讯格式也有公开就可以由PLC的使用者以RS指令设计程序来传输PLC与接口设备的数据。
█此指令的优点是:可以读取或者写入任何通讯格式的外围接口设备(变频器,温度控制器…); (2)可以读/写位装置;█此指令的缺点是:(1) 该指令不能对接口设备的参数地址直接作用,必须先将欲读取/写入的数据内容(头码,装置地址,功能码,数据地址,个数/数据内容,校验码,尾码)写入到寄存器中,然后才能够读取/写入。
(2)只能通过RS-485来监控外围接口设备。
2.MODRD---MODBUS数据读取█ MODRD指令是专门针对MODBUS ASCII模式/RTU模式的通讯外围设备专用的驱动指令。
█如果你要以通讯方式读取接口设备(变频器,温度控制器…)的某一参数,并且该接口设备通讯格式符合MODBUS的通讯格式,建议使用MODRD指令,因为这个指令相对RS指令要方便。
█此指令的优点是:(1)操作数简易,可以直接对参数地址进行操作。
当欲读取外围接口设备的某一参数时,只要填写外围接口设备的装置地址、欲读取数据的地址,读取的笔数(WORD); (2)如果是ASCII形式,PLC能够将读取到的ASCII数据转化为十进制或十六进制数值存放到D1050~D1055。
█此指令的缺点是:(1) 只能读取符合MODBUS通讯格式的接口设备; (2)不能读取位装置;(3)最多只能读取6笔(6个word)数据。
3.MODWR---MODBUS数据写入█MODRD指令是专门针对MODBUS ASCII模式/RTU模式的通讯外围设备专用的驱动指令。
台达PLC基本指令介绍
1.连续ON指令(COP)
连续ON指令用于在特定条件下持续打开输出。
它的语法是COP Dxxx。
其中,Dxxx是一个变量,表示PLC输出的名称或地址。
连续ON指令可以
用于实现常开输出。
2.连续OFF指令(COF)
连续OFF指令用于在特定条件下持续关闭输出。
它的语法是COF Dxxx。
其中,Dxxx是一个变量,表示PLC输出的名称或地址。
连续OFF
指令可以用于实现常闭输出。
3.打开指令(OUT)
打开指令用于打开特定的输出。
它的语法是OUT Dxxx。
其中,Dxxx
是一个变量,表示PLC输出的名称或地址。
打开指令可以用于实现瞬态输出。
4.关闭指令(RST)
关闭指令用于关闭特定的输出。
它的语法是RST Dxxx。
其中,Dxxx
是一个变量,表示PLC输出的名称或地址。
关闭指令可以用于瞬态输出的
复位操作。
5.延时指令(TON)
延时指令用于在满足特定条件后延时一段时间后打开输出。
它的语法
是TON Dxxx, Txxx。
其中,Dxxx是一个变量,表示PLC输出的名称或地址;Txxx是一个常量,表示延时的时间。
延时指令可以用于控制延时开
启输出。
台达变频器以及台达PLC通讯功能的实现1 引言plc和变频器是自动化设备上最常见的部件。
其最初的控制型式大多是用plc的i/o点和模拟量模块直接控制变频器的启停和实现调速,但这种控制方式有两大弊端,最大的弊端是占用plc的i/o点和需要增加昂贵的模拟量模块,造成控制成本的增加。
当被控制的变频器数量较多时,此弊端更是明显。
第二个弊端是模拟量控制容易受干扰,传输距离也容易受限制。
近几年来自动化产品不断更新换代,性能不断提升,功能日益强大。
在小型plc方面这个变化更加明显,现在的小型plc不仅执行速度大大提高,指令功能日益丰富,更重要的是大都支持多种通讯协议,并提供了更多的通讯接口。
同时大多的变频器也具有了rs485接口,也能支持多种通讯协议,最常见的就是modbus协议。
这种技术的进步为plc和变频器通讯的实现,提供了软件上的协议和硬件上的物理接口,从而为低成本高性能的通讯控制的实现打下了良好的基础。
2 通讯相关的基础知识2.1 通讯协议communications protocol通信协议是指通信双方的一种约定。
这个约定包括对数据格式、同步方式、传送速度、传送步骤、检纠错方式以及控制字符定义等问题做出统一规定,通信双方必须共同遵守。
因此,也叫做通信控制规程,或称传输控制规程。
modbus协议是工业控制器中使用较普遍的一种网络协议。
通过此协议,各种控制器之间(比如plc、变频器、伺服驱动器、各种智能仪表)、控制器通过其它网络(比如以太网)和其它设备之间都可以通信交换信息。
该协议定义了一个控制器可以识别的信息架构,从而使不同厂商生产的支持此协议的各种工控产品可以连接到一个网络上进行集中控制和信息交换。
2.2 rs485接口的特点rs485接口是在大家熟知的rs232接口的基础上推出的性能更优的一种串口。
由于rs485接口具有良好的抗噪声干扰性,长的传输距离和多站功能等优点,它成为应用越来越广泛的串行接口。
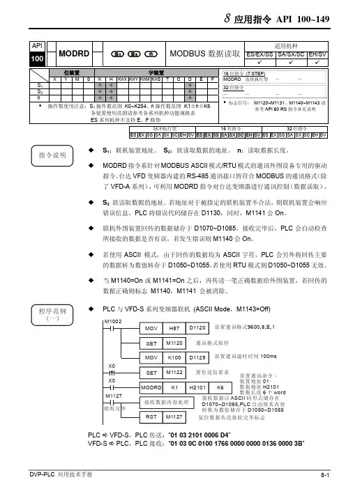
10016位指令 (7 STEP)MODRD连续执行型--32位指令----标志信号: M1120~M1131、M1140~M1143请脉冲执行型 16位指令 32位指令ES EX SS SA SX SC EH SV ES EX SS SA SX SC EH SV ES EX SS SA SX SC EH SV 指令说明S1:联机装置地址。
S2:欲读取数据的地址。
n:读取数据长度。
MODRD指令系针对MODBUS ASCII模式/RTU模式的通讯外围设备专用的驱动指令。
台达VFD变频器内建的RS-485通讯接口皆符合MODBUS的通讯格式(除了VFD-A系列),可利用MODRD指令对台达变频器进行通讯控制(数据读取)。
S2欲读取数据的地址。
若地址对于被指定的联机装置不合法,则联机装置会响应错误信息,PLC将错误代码储存在D1130,同时,M1141会On。
联机外围装置回传的数据储存于D1070~D1085。
接收完毕后,PLC会自动检查所接收的数据是否有误,若发生错误则M1140会On。
若使用ASCII 模式,由于回传的数据均为ASCII字符,PLC会另外将回传主要的数据转为数值转存于D1050~D1055。
若使用RTU模式则D1050~D1055无效。
当M1140=On或M1141=On之后,再传送一笔正确数据给外围装置,若回传的数据正确则标志 M1140,M1141 会被清除。
程序范例()一 PLC与VFD-S系列变频器联机 (ASCII Mode,M1143=Off)M1002MOV H87D1120SET M1120MOV K100D1129接收数据内容处理RST M1127M1127设置通讯格式9600,8,E,1通讯格式保持设置通讯逾时时间 100ms复位数据传送接收完毕标志SET M1122X0置位送信要求接收完毕接收数据以码形式储存在ASCIID1070~D1085,PLC 自动将其内容转换为数值储存于 D1050~D1055 X0MODRD K1H2101K6设置通讯命令:数据地址 H2101数据长度个6 word装置地址 01PLC VFD-S,PLC传送:“01 03 2101 0006 D4”VFD-S PLC,PLC接收:“01 03 0C 0100 1766 0000 0000 0136 0000 3B”PLC 传送数据寄存器 (传送信息)寄存器 DATA说 明D1089下 ‘0’ 30 H ADR 1ADR (1,0)为变频器地址D1089上 ‘1’ 31 H ADR 0 D1090下 ‘0’ 30 H CMD 1CMD (1,0)为命令码D1090上 ‘3’ 33 H CMD 0 D1091下 ‘2’ 32 H 起始数据地址Starting Data Address D1091上 ‘1’ 31 H D1092下 ‘0’ 30 HD1092上 ‘1’ 31 H D1093下 ‘0’ 30 H 数据 (word) 个数Number of Data(count by word) D1093上 ‘0’ 30 H D1094下 ‘0’ 30 HD1094上 ‘6’ 36 H D1095下 ‘D’ 44 H LRC CHK 1 LRC CHK (0,1) 为错误校验码D1095上‘4’ 34 H LRC CHK 0 PLC 接收数据寄存器 (响应信息)寄存器 DATA 说 明D1070下‘0’ 30 H ADR 1 D1070上 ‘1’ 31 H ADR 0 D1071下 ‘0’ 30 H CMD 1 D1071上 ‘3’ 33 H CMD 0 D1072下 ‘0’ 30 H 数据 (BYTE) 个数Number of Data(count by Byte) D1072上 ‘C’ 43 HD1073下 ‘0’ 30 H地址2101 H 的内容PLC 自动将ASCII 字符转换为数值储存于D1050=0100 HD1073上 ‘1’ 31 HD1074下 ‘0’ 30 HD1074上 ‘0’ 30 H D1075下 ‘1’ 31 H地址2102 H 的内容PLC 自动将ASCII 字符转换为数值储存于D1051=1766 HD1075上 ‘7’ 37 HD1076下 ‘6’ 36 HD1076上 ‘6’ 36 H D1077下 ‘0’ 30 H地址2103 H 的内容PLC 自动将ASCII 字符转换为数值储存于D1052=0000 HD1077上 ‘0’ 30 HD1078下 ‘0’ 30 HD1078上 ‘0’ 30 H D1079下 ‘0’ 30 H地址2104 H 的内容PLC 自动将ASCII 字符转换为数值储存于D1053=0000 HD1079上 ‘0’ 30 HD1080下 ‘0’ 30 HD1080上 ‘0’ 30 H D1081下 ‘0’ 30 H地址2105 H 的内容PLC 自动将ASCII 字符转换为数值储存于D1054=0136 HD1081上 ‘1’ 31 HD1082下 ‘3’ 33 HD1082上 ‘6’ 36 H D1083下 ‘0’ 30 H地址2106 H 的内容PLC 自动将ASCII 字符转换为数值储存于D1055=0000 HD1083上 ‘0’ 30 HD1084下 ‘0’ 30 HD1084上 ‘0’ 30 H D1085下 ‘3’ 33 H LRC CHK 1 D1085上‘B’ 42 H LRC CHK 0程序范例()二 PLC与VFD-S系列变频器联机 (RTU Mode,M1143=On)M1002MOV H87D1120SET M1120MOV K100D1129接收数据内容处理RST M1127M1127设置通讯格式 9600,8,E,1通讯格式保持设置通讯逾时时间 100ms复位数据传送接收完毕标志SET M1122X0置位送信要求标志接收完毕X0MODRD K1H2102K2设置通讯命令:数据地址 H2102数据长度个2 word接收数据以数值形式HEXSET M1143设置为模式RTU储存于D1070~D1085装置地址 01PLC VFD-S,PLC 传送:01 03 2102 0002 6F F7VFD-S PLC,PLC 接收:01 03 04 1770 0000 FE 5CPLC 传送数据寄存器(传送信息)寄存器DATA 说明D1089下01 H AddressD1090下03 H FunctionD1091下21 H 起始数据地址Starting Data AddressD1092下02 HD1093下00 H 数据 (word) 个数Number of Data (count by word)D1094下02 HD1095下6F H CRC CHK LowD1096下F7 H CRC CHK HighPLC 接收数据寄存器(响应信息)寄存器DATA 说明D1070下01 H AddressD1071下03 H FunctionD1072下04 H 数据 (Byte) 个数,Number of Data (Byte)D1073下17 H地址2102 H的内容D1074下70 HD1075下00 H地址2103 H的内容D1076下00 HD1077下FE H CRC CHK LowD1078下5C H CRC CHK High程序范例()三 PLC与VFD-S系列变频器联机 (ASCII Mode,M1143=Off),当通讯逾时、接收数据错误及发送地址错误的Retry。
基本指令:一般指令:LD 载入A 接点LDI 载入B 接点AND 串联 A 接点ANI 串联B 接点OR 并联A 接点ORI 并联B 接点ANB 串联回路方块ORB 并联回路方块MPS 存入堆栈MRD 堆栈读取(指针不动) MPP 读出堆栈输出指令:OUT 驱动线圈SET 动作保持(ON)RST 接点或寄存器清除定时器,计数器:TMR 16 位定时器CNT 16 位计数器DCNT 32 位计数器主控指令:MC 公共串联接点的连接MCR 公共串联接点的解除接点上升沿/下降沿输出指令:LDP 上升沿检出动作开始LDF 下降沿检出动作开始ANDP 上升沿检出串联连接ANDF 下降沿检出串联连接ORP 上升沿检出并联连接ORF 下降沿检出并联连接脉冲输出指令:PLS 上升沿检出PLF 下降沿检出结束指令:END 程序结束其它指令:NOP 无动作INV 运算结果反相P 指针I 中断插入指针步进梯形指令:STL 程序跳至副母线RET 程序返回主母线应用指令:程序流程控制:00CJ 条件转移01CALL 呼叫子程序02SRET 子程序结束03IRET 中断插入返回04EI 中断插入允许05DI 中断插入禁止06FEND 主程序结束07WDT 逾时监视定时器08FOR 循环范围开始09NEXT 循环范围结束传送比较:10CMP 比较设定输出11ZCP 区间比较12MOV 数据传送13SMOV 移位传送14CML 反转传送15BMOV 全部传送16FMOV 多点传送17XCH 数据交换18BCD BIN →BCD 变换19BIN BCD →BIN 变换四则逻辑运算:20ADD BIN 加法21 SUB BIN 减法22MUL BIN 乘法23DIV BIN 除法24INC BIN 加一25DEC BIN 减一26WAND/DAND 逻辑与 (AND) 运算27WOR/DOR 逻辑或(OR) 运算28WXOR/DXOR 逻辑异或(XOR) 运算29NEG 取负数(取2 的补码)循环移位与移位:30ROR 右循环31ROL 左循环32RCR 附进位标志右循环33RCL 附进位标志左循环34SFTR 位右移35SFTL 位左移36WSFR 字右移37WSFL 字左移38SFWR 位移写入39SFRD 位移读出数据处理:40ZRST 批次复位41DECO 译码42ENCO 编码43SUM On 位数量44BON On 位判定45MEAN 平均值46ANS 信号报警器置位47ANR 信号报警器复位48SQR BIN 开平方49FLT BIN 整数→二进制浮点数变换高速处理:50REF I/O 状态即时刷新51REFF 输入滤波器时间调整52MTR 矩阵分时输入53DHSCS 比较置位(高速计数器)54DHSCR 比较复位(高速计数器)55DHSZ 区间比较(高速计数器)56SPD 脉冲频率检测57PLSY 脉冲输出58PWM 脉冲波宽调制59PLSR 附加减速脉冲输出便利指令:60IST 手动/自动控制61SER 数据检索62ABSD 绝对方式凸轮控制63 INCD 相对方式凸轮控制64TTMR 示教式定时器65STMR 特殊定时器66ALT On/Off 交替67RAMP 斜坡信号68 DTM 数据转换与搬移69SORT 数据整理排序外部设定显示:70TKY 十键键盘输入71 HKY 十六键键盘输入72DSW 数字开关73SEGD 七段显示器译码74SEGL 七段显示器分时显示75ARWS 方向开关控制76ASC ASCII 码变换77PR ASCII 码打印外部SER设备:78FROM 扩展模块CR数据读出79TO 扩展模块CR数据写入80RS 串行数据传送81PRUN 8 进制位传送82ASCI HEX 转为ASCII83HEX ASCII 转为HEX84CCD 校验码85VRRD 电位器值读出86VRSC 电位器刻度读出87ABS 绝对值运算88PID PID 运算台达变频器通讯:100MODRD MODBUS 数据读取101MODWR MODBUS 数据写入102FWD 变频器正转指令103REV 变频器反转指令104STOP 变频器停止指令105RDST 变频器状态读取106 RSTEF 变频器异常复位107LRC LRC 校验码计算108CRC CRC 校验码计算150 MODRW MODBUS 資料讀出/?入206 ASDRW 台達伺服器通?浮点运算:110DECMP 二进制浮点数比较112DMOVR 浮点数值数据移动111DEZCP 二进制浮点数区间比较116 DRAD 角度→弧度117DDEG 弧度→角度118DEBCD 二进制浮点数→十进制浮点数119DEBIN 十进制浮点数→二进制浮点数120DEADD 二进制浮点数加法121DESUB 二进制浮点数法122DEMUL 二进制浮点数乘法123DEDIV 二进制浮点数除法124DEXP 二进制浮点数取指数125DLN 二进制浮点数取自然对数126DLOG 二进制浮点数取对数127DESQR 二进制浮点数平方128DPOW 浮点数乘方129INT 二进制浮点数→BIN 整数变换130DSIN 二进制浮点数SIN 运算131DCOS 二进制浮点数COS 运算132DTAN 二进制浮点数TAN 运算133DASIN 二进制浮点数ASIN 运算134DACOS 二进制浮点数ACOS 运算135DATAN 二进制浮点数ATAN 运算136DSINH 二进制浮点数SINH 运算137DCOSH 二进制浮点数COSH 运算138DTANH 二进制浮点数TANH 运算172DADDR 浮点数值加法173DSUBR 浮点数值减法174DMULR 浮点数值乘法175DDIVR 浮点数值除法数据处理 II :143DELAY 延迟指令144 GPWM 一般用脉冲波宽调变145 FTC 模糊化温度控制147 SWAP 上/下字节交换148MEMR 文件寄存器读出149MEMW 文件寄存器写入151PWD 输入脉宽检测152RTMU I 中断子程序执行时间测量开始153RTMD I 中断子程序执行时间测量结束154RAND 随机数值产生109SWRD 数字开关读取196 HST 高速定时器176 MMOV 16 32 位数值转换177 GPS (GPS) 接收通讯指令178 DSPA 太阳能板位置指令179WSUM求和202SCAL比例值运算203SCLP参数型比例值运算205CMPT表格比较指令207CSFO撷取速度与追随输出指令定位控制:155DABSR ABS 现在值读出156ZRN 原点回归157PLSV 附旋转方向脉冲输出158 DRVI 相对定位159DRVA 绝对定位191DPPMR 双轴相对点运动192DPPMA 双轴绝对点运动193DCIMR 双轴相对圆弧插补194DCIMA 双轴绝对圆弧插补195DPTPO 单轴建表式脉冲输出197 DCLLM 闭回路定位控制198 DVSPO 可变速度脉波输出199 DICF 立即变更频率指令万年历:160TCMP 万年历数据比较161 TZCP 万年历数据取间比较162TADD 万年历数据加法163TSUB 万年历数据减法166TRD 万年历数据读出167TWR 万年历数据写入169 HOUR 时间表格雷码:170GRY BIN→GRY 码变换171GBIN GRY 码→BIN 变换矩阵:180MAND 矩阵与(AND)运算181MOR 矩阵或(OR)运算182MXOR 矩阵异或(XOR)运算183 MXNR 矩阵同或(XNR)运算184MINV 矩阵反相185MCMP 矩阵比较186MBRD 矩阵位读出187MBWR 矩阵位写入188MBS 矩阵位位移189MBR 矩阵位循环移位190 MBC 矩阵位状态计数接点型态逻辑运算:215LD&S1 & S2216LD|S1 | S2217LD^S1 ^ S2218AND&S1 & S2219AND|S1 | S2220AND^S1 ^ S2221OR&S1 & S2222OR|S1 | S2223OR^S1 ^ S2接点型态比较指令:224LD=S1=S2225LD>S1>S2226LD<S1<S2228LD<>S1≠S2229LD<=S1≦S2230LD>=S1≧S2232AND=S1=S2 233AND>S1>S2 234AND<S1<S2 236AND<>S1≠S2 237AND<=S1≦S2 238AND>=S1≧S2 240OR=S1=S2 241OR>S1>S2 242OR<S1<S2 244OR<>S1≠S2 245OR<=S1≦S2 246OR>=S1≧S2。
台达PLC基本指令一般指令:LD载入 A 接点LDI载入 B 接点AND串联 A 接点ANI串联 B 接点OR并联 A 接点ORI并联 B 接点ANB串联回路方块ORB并联回路方块MPS存入堆栈MRD堆栈读取(指针不动) MPP读出堆栈输出指令:OUT驱动线圈SET动作保持 (ON) RST接点或寄存器清除定时器,计数器:TMR16 位定时器CNT16 位计数器DCNT32 位计数器主控指令:MC公共串联接点的连接MCR公共串联接点的解除接点上升沿/下降沿输出指令:LDP上升沿检出动作开始LDF下降沿检出动作开始ANDP上升沿检出串联连接ANDF下降沿检出串联连接ORP上升沿检出并联连接ORF下降沿检出并联连接脉冲输出指令:PLS上升沿检出PLF下降沿检出END程序结束其它指令:NOP无动作INV运算结果反相P指针I中断插入指针步进梯形指令:STL程序跳至副母线RET程序返回主母线应用指令:程序流程控制:00CJ条件转移01CALL呼叫子程序02SRET子程序结束03IRET中断插入返回04EI中断插入允许05DI中断插入禁止06FEND主程序结束07WDT逾时监视定时器08FOR循环范围开始09NEXT循环范围结束传送比较:10CMP比较设定输出11ZCP区间比较12MOV数据传送13SMOV移位传送14CML反转传送15BMOV全部传送16FMOV多点传送17XCH数据交换18BCD BIN → BCD 变换19BIN BCD → BIN 变换四则逻辑运算:20ADD BIN 加法21SUB BIN 减法22MUL BIN 乘法23DIV BIN 除法24INC BIN 加一25DEC BIN 减一26WAND/DAND逻辑与 (AND) 运算27WOR/DOR逻辑或 (OR) 运算28WXOR/DXOR逻辑异或 (XOR) 运算29NEG取负数(取 2 的补码)循环移位与移位:30ROR右循环31ROL左循环32RCR附进位标志右循环33RCL附进位标志左循环34SFTR位右移35SFTL位左移36WSFR字右移37WSFL字左移38SFWR位移写入39SFRD位移读出数据处理:40ZRST批次复位41DECO译码42ENCO编码43SUM On 位数量44BON On 位判定45MEAN平均值46ANS信号报警器置位47ANR信号报警器复位48SQR BIN 开平方49FLT BIN 整数→二进制浮点数变换高速处理:50REF I/O 状态即时刷新51REFF输入滤波器时间调整52MTR矩阵分时输入53DHSCS比较置位(高速计数器)54DHSCR比较复位(高速计数器) 55DHSZ区间比较(高速计数器) 56SPD脉冲频率检测57PLSY脉冲输出58PWM脉冲波宽调制59PLSR附加减速脉冲输出便利指令:60IST手动/自动控制61SER数据检索62ABSD绝对方式凸轮控制63INCD相对方式凸轮控制64TTMR示教式定时器65STMR特殊定时器66ALT On/Off 交替67RAMP斜坡信号68DTM数据转换与搬移69SORT数据整理排序外部设定显示:70TKY十键键盘输入71HKY十六键键盘输入72DSW数字开关73SEGD七段显示器译码74SEGL七段显示器分时显示75ARWS方向开关控制76ASC ASCII 码变换77PR ASCII 码打印外部SER设备:78FROM扩展模块CR数据读出79TO扩展模块CR数据写入80RS串行数据传送81PRUN8 进制位传送82ASCI HEX 转为 ASCII83HEX ASCII 转为 HEX84CCD校验码85VRRD电位器值读出86VRSC电位器刻度读出87ABS绝对值运算88PID PID 运算台达变频器通讯:100MODRD MODBUS 数据读取101MODWR MODBUS 数据写入102FWD变频器正转指令103REV变频器反转指令104STOP变频器停止指令105RDST变频器状态读取106RSTEF变频器异常复位107LRC LRC 校验码计算108CRC CRC 校验码计算150MODRW MODBUS 資料讀出/?入206ASDRW台達伺服器通?浮点运算:110DECMP二进制浮点数比较112DMOVR浮点数值数据移动111DEZCP二进制浮点数区间比较116DRAD角度→弧度117DDEG弧度→角度118DEBCD二进制浮点数→十进制浮点数119DEBIN十进制浮点数→二进制浮点数120DEADD二进制浮点数加法121DESUB二进制浮点数法122DEMUL二进制浮点数乘法123DEDIV二进制浮点数除法124DEXP二进制浮点数取指数125DLN二进制浮点数取自然对数126DLOG二进制浮点数取对数127DESQR二进制浮点数平方128DPOW浮点数乘方129INT二进制浮点数→BIN 整数变换130DSIN二进制浮点数SIN 运算131DCOS二进制浮点数COS 运算132DTAN二进制浮点数TAN 运算133DASIN二进制浮点数ASIN 运算134DACOS二进制浮点数ACOS 运算135DATAN二进制浮点数ATAN 运算136DSINH二进制浮点数SINH 运算137DCOSH二进制浮点数COSH 运算138DTANH二进制浮点数TANH 运算172DADDR浮点数值加法173DSUBR浮点数值减法174DMULR浮点数值乘法175DDIVR浮点数值除法数据处理 II :143DELAY延迟指令144GPWM一般用脉冲波宽调变145FTC模糊化温度控制147SWAP上/下字节交换148MEMR文件寄存器读出149MEMW文件寄存器写入151PWD输入脉宽检测152RTMU I 中断子程序执行时间测量开始153RTMD I 中断子程序执行时间测量结束154RAND随机数值产生109SWRD数字开关读取196HST高速定时器176MMOV16?32 位数值转换177GPS(GPS) 接收通讯指令178DSPA太阳能板位置指令179WSUM求和202SCAL比例值运算203SCLP参数型比例值运算205CMPT表格比较指令207CSFO撷取速度与追随输出指令定位控制:155DABSR ABS 现在值读出156ZRN原点回归157PLSV附旋转方向脉冲输出158DRVI相对定位159DRVA绝对定位191DPPMR双轴相对点运动192DPPMA双轴绝对点运动193DCIMR双轴相对圆弧插补194DCIMA双轴绝对圆弧插补195DPTPO单轴建表式脉冲输出197DCLLM闭回路定位控制198DVSPO可变速度脉波输出199DICF立即变更频率指令万年历:160TCMP万年历数据比较161TZCP万年历数据取间比较162TADD万年历数据加法163TSUB万年历数据减法166TRD万年历数据读出167TWR万年历数据写入169HOUR时间表格雷码:170GRY BIN→GRY 码变换171GBIN GRY 码→BIN 变换矩阵:180MAND矩阵与(AND)运算181MOR矩阵或(OR)运算182MXOR矩阵异或(XOR)运算183MXNR矩阵同或(XNR)运算184MINV矩阵反相185MCMP矩阵比较186MBRD矩阵位读出187MBWR矩阵位写入188MBS矩阵位位移189MBR矩阵位循环移位190MBC矩阵位状态计数接点型态逻辑运算:215LD&S1 & S2216LD|S1 | S2217LD^S1 ^ S2218AND&S1 & S2219AND|S1 | S2220AND^S1 ^ S2221OR&S1 & S2222OR|S1 | S2223OR^S1 ^ S2接点型态比较指令:224LD=S1=S2 225LD>S1>S2 226LD<="">S1≠S2 229LD<=S1≦S2 230LD>=S1≧S2 232AND=S1=S2 233AND>S1>S2 234AND<="">S1≠S2 237AND<=S1≦S2 238AND>=S1≧S2 240OR=S1=S2 241OR>S1>S2 242OR<="">S1≠S2245OR<=S1≦S2 246OR>=S1≧S2。
一般指令:LD LDI载入A 接点载入B 接点AND 串联A 接点ANI 串联B 接点OR 并联A 接点ORI 并联B 接点ANB 串联回路方块ORB 并联回路方块MPS 存入堆栈MRD 堆栈读取(指针不动)MPP 读出堆栈输出指令:OUT 驱动线圈SET 动作保持(ON)(SET是置位指令助记符) RST 接点或寄存器清除(RST是复位指令助记符)定时器,计数器:TMR 16 位定时器CNT 16 位计数器DCNT 32 位计数器主控指令:MC 公共串联接点的连接MCR 公共串联接点的解除接点上升沿/下降沿输出指令: LDP 上升沿检出动作开始LDF 下降沿检出动作开始ANDP 上升沿检出串联连接ANDF 下降沿检出串联连接ORP 上升沿检出并联连接ORF 下降沿检出并联连接脉冲输出指令:PLS 上升沿检出PLF 下降沿检出结束指令:END 程序结束其它指令:NOP 无动作INV 运算结果反相P 指针I 中断插入指针步进梯形指令:STL 程序跳至副母线RET 程序返回主母线应用指令:程序流程控制:CJ 条件转移CALL 呼叫子程序SRET 子程序结束IRET 中断插入返回EI 中断插入允许DI 中断插入禁止FEND 主程序结束WDT 逾时监视定时器FOR 循环范围开始NEXT 循环范围结束传送比较:CMP 比较设定输出ZCP 区间比较MOV 数据传送SMOV 移位传送CML 反转传送BMOV 全部传送FMOV 多点传送XCH 数据交换BCD BIN →BCD 变换BIN BCD →BIN 变换四则逻辑运算:ADD BIN 加法SUB BIN 减法MUL BIN 乘法DIV BIN 除法INC BIN 加一DEC BIN 减一WAND/DAND 逻辑与(AND) 运算WOR/DOR 逻辑或(OR) 运算WXOR/DXOR 逻辑异或(XOR) 运算NEG 取负数(取2 的补码)循环移位与移位:ROR 右循环ROL 左循环RCR 附进位标志右循环RCL 附进位标志左循环SFTR 位右移SFTL 位左移WSFR 字右移WSFL 字左移SFWR 位移写入SFRD 位移读出接点型态逻辑运算:LD& S1 & S2 LD| S1 | S2LD^ S1 ^ S2 AND& S1 & S2 AND| S1 | S2 AND^ S1 ^ S2OR& S1 & S2 OR| S1 | S2OR^ S1 ^ S2接点型态比较指令:LD= S1 =S2 LD> S1 >S2LD< S1 <S2 LD<> S1 ≠S2 LD<= S1 ≦S2 LD>= S1 ≧S2 AND= S1 =S2 AND> S1 >S2AND< S1 <S2AND<> S1 ≠S2AND<= S1 ≦S2AND>= S1 ≧S2OR= S1 =S2OR> S1 >S2OR< S1 <S2OR<> S1 ≠S2OR<= S1 ≦S2OR>= S1 ≧S2数据处理:ZRST 批次复位DECO 译码ENCO 编码SUM On 位数量BON On 位判定MEAN 平均值ANS 信号报警器置位ANR 信号报警器复位SQR BIN 开平方FLT BIN 整数→二进制浮点数变换高速处理:REF I/O 状态即时刷新REFF 输入滤波器时间调整MTR 矩阵分时输入DHSCS 比较置位(高速计数器) DHSCR 比较复位(高速计数器) DHSZ 区间比较(高速计数器) SPD 脉冲频率检测PLSY 脉冲输出PWM 脉冲波宽调制PLSR 附加减速脉冲输出便利指令:IST 手动/自动控制SER 数据检索ABSD 绝对方式凸轮控制INCD 相对方式凸轮控制TTMR 示教式定时器STMR 特殊定时器ALT On/Off 交替RAMP 斜坡信号DTM 数据转换与搬移SORT 数据整理排序外部设定显示:TKY 十键键盘输入HKY 十六键键盘输入DSW 数字开关SEGD 七段显示器译码SEGL 七段显示器分时显示ARWS 方向开关控制ASC ASCII 码变换PR ASCII 码打印外部SER设备:FROM 扩展模块CR数据读出TO 扩展模块CR数据写入RS 串行数据传送PRUN 8 进制位传送ASCI HEX 转为ASCIIHEX ASCII 转为HEXCCD 校验码VRRD 电位器值读出VRSC 电位器刻度读出ABS 绝对值运算PID PID 运算台达变频器通讯:MODRD MODBUS 数据读取MODWR MODBUS 数据写入FWD 变频器正转指令REV 变频器反转指令STOP 变频器停止指令RDST 变频器状态读取RSTEF 变频器异常复位LRC LRC 校验码计算CRC 校验码计算MODRW MODBUS 資料讀出/?入ASDRW 台達伺服器通?浮点运算:DECMP 二进制浮点数比较DMOVR 浮点数值数据移动DEZCP 二进制浮点数区间比较DRAD 角度→弧度DDEG 弧度→角度DEBCD 二进制浮点数→十进制浮点数DEBIN 十进制浮点数→二进制浮点数DEADD 二进制浮点数加法DESUB 二进制浮点数法DEMUL 二进制浮点数乘法DEDIV 二进制浮点数除法DEXP 二进制浮点数取指数DLN 二进制浮点数取自然对数DLOG 二进制浮点数取对数DESQR 二进制浮点数平方DPOW 浮点数乘方INT 二进制浮点数→BIN 整数变换DSIN 二进制浮点数SIN 运算DCOS 二进制浮点数COS 运算132DTAN二进制浮点数TAN 运算DASIN 二进制浮点数ASIN 运算DACOS 二进制浮点数ACOS 运算DATAN 二进制浮点数ATAN 运算DSINH 二进制浮点数SINH 运算DCOSH 二进制浮点数COSH 运算DTANH 二进制浮点数TANH 运算DADDR 浮点数值加法DSUBR 浮点数值减法DMULR 浮点数值乘法DDIVR 浮点数值除法数据处理II :DELAY 延迟指令GPWM 一般用脉冲波宽调变FTC 模糊化温度控制SWAP 上/下字节交换MEMR 文件寄存器读出MEMW 文件寄存器写入PWD 输入脉宽检测RTMU I 中断子程序执行时间测量开始RTMD I 中断子程序执行时间测量结束RAND 随机数值产生SWRD 数字开关读取HST 高速定时器MMOV 16à32 位数值转换GPS (GPS) 接收通讯指令DSPA 太阳能板位置指令WSUM 求和SCAL 比例值运算SCLP 参数型比例值运算CMPT 表格比较指令CSFO 撷取速度与追随输出指令定位控制:DABSR ABS 现在值读出ZRN 原点回归PLSV 附旋转方向脉冲输出DRVI 相对定位DRVA 绝对定位DPPMR 双轴相对点运动DPPMA 双轴绝对点运动DCIMR 双轴相对圆弧插补DCIMA 双轴绝对圆弧插补DPTPO 单轴建表式脉冲输出DCLLM 闭回路定位控制DVSPO 可变速度脉波输出DICF 立即变更频率指令万年历:TCMP 万年历数据比较TZCP 万年历数据取间比较TADD 万年历数据加法TSUB 万年历数据减法TRD 万年历数据读出TWR 万年历数据写入HOUR 时间表格雷码:GRY BIN→GRY 码变换GBIN GRY 码→BIN 变换矩阵:MAND 矩阵与(AND)运算MOR 矩阵或(OR)运算MXOR 矩阵异或(XOR)运算MXNR 矩阵同或(XNR)运算MINV 矩阵反相MCMP 矩阵比较MBRD 矩阵位读出MBWR 矩阵位写入MBS 矩阵位位移MBR 矩阵位循环移位MBC 矩阵位状态计数接点型态逻辑运算:LD& S1 & S2LD| S1 | S2LD^ S1 ^ S2AND& S1 & S2AND| S1 | S2AND^ S1 ^ S2OR& S1 & S2 OR| S1 | S2OR^ S1 ^ S2接点型态比较指令:LD= S1 =S2LD> S1 >S2LD< S1 <S2 LD<> S1 ≠S2 LD<= S1 ≦S2 LD>= S1 ≧S2 AND= S1 =S2 AND> S1 >S2 AND< S1 <S2 AND<> S1 ≠S2 AND<= S1 ≦S2 AND>= S1 ≧S2 OR= S1 =S2 OR> S1 >S2OR< S1 <S2 OR<> S1 ≠S2 OR<= S1 ≦S2 OR>= S1 ≧S2。
.基本指令:一般指令:LD 载入 A 接点LDI 载入 B 接点AND 串联A 接点ANI 串联 B 接点OR 并联 A 接点ORI 并联 B 接点ANB 串联回路方块ORB 并联回路方块MPS 存入堆栈MRD 堆栈读取 (指针不动) MPP 读出堆栈输出指令:OUT 驱动线圈SET 动作保持 (ON)RST 接点或寄存器清除定时器,计数器:TMR 16 位定时器CNT 16 位计数器DCNT 32 位计数器主控指令:MC 公共串联接点的连接MCR 公共串联接点的解除接点上升沿/下降沿输出指令:LDP 上升沿检出动作开始LDF 下降沿检出动作开始ANDP 上升沿检出串联连接ANDF 下降沿检出串联连接ORP 上升沿检出并联连接ORF 下降沿检出并联连接脉冲输出指令:PLS 上升沿检出PLF 下降沿检出.结束指令:END 程序结束其它指令:NOP 无动作INV 运算结果反相P 指针I 中断插入指针步进梯形指令:STL 程序跳至副母线RET 程序返回主母线应用指令:程序流程控制:00CJ 条件转移01CALL 呼叫子程序02SRET 子程序结束03IRET 中断插入返回04EI 中断插入允许05DI 中断插入禁止06FEND 主程序结束07WDT 逾时监视定时器08FOR 循环范围开始09NEXT 循环范围结束传送比较:10CMP 比较设定输出11ZCP 区间比较12MOV 数据传送13SMOV 移位传送14CML 反转传送15BMOV 全部传送16FMOV 多点传送17XCH 数据交换18BCD BIN → BCD 变换19BIN BCD → BIN 变换四则逻辑运算:.20ADD BIN 加法21 SUB BIN 减法22MUL BIN 乘法23DIV BIN 除法24INC BIN 加一25DEC BIN 减一26WAND/DAND 逻辑与(AND) 运算27WOR/DOR 逻辑或 (OR)运算28WXOR/DXOR 逻辑异或 (XOR)运算29NEG 取负数(取 2 的补码)循环移位与移位:30ROR 右循环31ROL 左循环32RCR 附进位标志右循环33RCL 附进位标志左循环34SFTR 位右移35SFTL 位左移36WSFR 字右移37WSFL 字左移38SFWR 位移写入39SFRD 位移读出数据处理:40ZRST 批次复位41DECO 译码42ENCO 编码43SUM On 位数量44BON On 位判定45MEAN 平均值46ANS 信号报警器置位47ANR 信号报警器复位48SQR BIN 开平方49FLT BIN 整数→二进制浮点数变换高速处理:50REF I/O 状态即时刷新51REFF 输入滤波器时间调整52MTR 矩阵分时输入53DHSCS 比较置位(高速计数器).54DHSCR 比较复位(高速计数器) 55DHSZ 区间比较(高速计数器) 56SPD 脉冲频率检测57PLSY 脉冲输出58PWM 脉冲波宽调制59PLSR 附加减速脉冲输出便利指令:60IST 手动/自动控制61SER 数据检索62ABSD 绝对方式凸轮控制63 INCD 相对方式凸轮控制64TTMR 示教式定时器65STMR 特殊定时器66ALT On/Off 交替67RAMP 斜坡信号68 DTM 数据转换与搬移69SORT 数据整理排序外部设定显示:70TKY 十键键盘输入71 HKY 十六键键盘输入72DSW 数字开关73SEGD 七段显示器译码74SEGL 七段显示器分时显示75ARWS 方向开关控制76ASC ASCII 码变换77PR ASCII 码打印外部SER设备:78FROM 扩展模块CR数据读出79TO 扩展模块CR数据写入80RS 串行数据传送81PRUN 8 进制位传送82ASCI HEX转为 ASCII83HEX ASCII 转为 HEX84CCD 校验码85VRRD 电位器值读出86VRSC 电位器刻度读出87ABS 绝对值运算.88PID PID 运算台达变频器通讯:100MODRD MODBUS 数据读取101MODWR MODBUS 数据写入102FWD 变频器正转指令103REV 变频器反转指令104STOP 变频器停止指令105RDST 变频器状态读取106 RSTEF 变频器异常复位107LRC LRC 校验码计算108CRC CRC 校验码计算150 MODRW MODBUS 資料讀出/?入206 ASDRW 台達伺服器通?浮点运算:110DECMP 二进制浮点数比较112DMOVR 浮点数值数据移动111DEZCP 二进制浮点数区间比较116 DRAD 角度→弧度117DDEG 弧度→角度118DEBCD 二进制浮点数→十进制浮点数119DEBIN 十进制浮点数→二进制浮点数120DEADD 二进制浮点数加法121DESUB 二进制浮点数法122DEMUL 二进制浮点数乘法123DEDIV 二进制浮点数除法124DEXP 二进制浮点数取指数125DLN 二进制浮点数取自然对数126DLOG 二进制浮点数取对数127DESQR 二进制浮点数平方128DPOW 浮点数乘方129INT 二进制浮点数→BIN 整数变换130DSIN 二进制浮点数SIN 运算131DCOS 二进制浮点数COS 运算132DTAN 二进制浮点数TAN 运算133DASIN 二进制浮点数ASIN 运算134DACOS 二进制浮点数ACOS 运算135DATAN 二进制浮点数ATAN 运算136DSINH 二进制浮点数SINH 运算137DCOSH 二进制浮点数COSH 运算138DTANH 二进制浮点数TANH 运算172DADDR 浮点数值加法173DSUBR 浮点数值减法174DMULR 浮点数值乘法175DDIVR 浮点数值除法数据处理II :143DELAY 延迟指令144 GPWM 一般用脉冲波宽调变145 FTC 模糊化温度控制147 SWAP 上/下字节交换148MEMR 文件寄存器读出149MEMW 文件寄存器写入151PWD 输入脉宽检测152RTMU I 中断子程序执行时间测量开始153RTMD I 中断子程序执行时间测量结束154RAND 随机数值产生109SWRD 数字开关读取196 HST 高速定时器176 MMOV 16 32 位数值转换177 GPS (GPS) 接收通讯指令178 DSPA 太阳能板位置指令179WSUM求和202SCAL比例值运算203SCLP参数型比例值运算205CMPT表格比较指令207CSFO撷取速度与追随输出指令定位控制:155DABSR ABS现在值读出156ZRN 原点回归157PLSV 附旋转方向脉冲输出158 DRVI 相对定位159DRVA 绝对定位191DPPMR 双轴相对点运动192DPPMA 双轴绝对点运动193DCIMR 双轴相对圆弧插补194DCIMA 双轴绝对圆弧插补195DPTPO 单轴建表式脉冲输出197 DCLLM 闭回路定位控制198 DVSPO 可变速度脉波输出199 DICF 立即变更频率指令万年历:160TCMP 万年历数据比较161 TZCP 万年历数据取间比较162TADD 万年历数据加法163TSUB 万年历数据减法166TRD 万年历数据读出167TWR 万年历数据写入169 HOUR 时间表格雷码:170GRY BIN→GRY 码变换171GBIN GRY 码→BIN 变换矩阵:180MAND 矩阵与(AND)运算181MOR 矩阵或(OR)运算182MXOR 矩阵异或(XOR)运算183 MXNR 矩阵同或(XNR)运算184MINV 矩阵反相185MCMP 矩阵比较186MBRD 矩阵位读出187MBWR 矩阵位写入188MBS 矩阵位位移189MBR 矩阵位循环移位190 MBC 矩阵位状态计数接点型态逻辑运算:215LD&S1 & S2216LD|S1 | S2217LD^S1 ^ S2218AND&S1 & S2219AND|S1 | S2220AND^S1 ^ S2221OR&S1 & S2S1 | S2222OR|223OR^S1 ^ S2接点型态比较指令:224LD=S1= S2 225LD>S1> S2 226LD<S1< S2 228LD<>S1≠ S2 229LD<=S1≦ S2 230LD>=S1≧ S2 232AND=S1= S2 233AND>S1> S2 234AND<S1< S2 236AND<>S1≠ S2 237AND<=S1≦ S2238AND>=S1≧ S2 240OR=S1= S2 241OR>S1> S2 242OR<S1< S2 244OR<>S1≠ S2 245OR<=S1≦ S2 246OR>=S1≧ S2。