机电系统(材料)检测计划演示教学
- 格式:doc
- 大小:38.00 KB
- 文档页数:9
机电设备维修技术讲解教案(第2周第2次课)机电设备维修技术讲解教案 (第2周第2次课)目标本次课的目标是讲解机电设备维修技术的基本概念和方法,帮助学生理解和掌握机电设备的维修过程和技术要点。
内容1. 机电设备维修的概述- 机电设备维修的定义和重要性- 机电设备维修的分类和特点2. 机电设备维修的流程- 维修前的准备工作- 故障诊断与排除- 维修过程中的注意事项- 维修后的检验和测试3. 机电设备维修的常用技术方法- 拆卸和装配技术- 零件更换和修复技术- 调试和校准技术- 维护保养技术4. 实例分析与练- 分析真实机电设备故障案例- 进行相应的维修训练和实践操作教学方法- 讲解:通过讲解理论知识和技术要点,引导学生理解和掌握机电设备维修技术。
- 示范:进行维修技术的操作示范,让学生对实际维修过程有更直观的了解。
- 练:组织学生进行维修技术的实践练,培养他们的实际操作能力。
教学资源- 板书:使用黑板或白板进行关键概念和技术要点的记录和演示。
- 多媒体:使用投影仪或电子白板展示相关图片、视频和案例,增强学生的研究兴趣和理解能力。
教学评估- 口头回答问题:提问学生关于机电设备维修技术的相关问题,鼓励他们口头回答并解释自己的答案。
- 实际操作评估:观察学生在维修实践中的操作技能和解决问题的能力。
- 答题测试:进行相关的维修技术知识测试和应用题,评估学生的理论掌握程度。
参考资料- 《机电设备维修技术教程》- 《机电设备维修技术实用手册》- 相关的维修案例和实例分析资料。
《机电设备检测》课程实施方案课程名称:机电设备检测适用专业:四年制中等职业技术学校机电技术应用专业制订时间:2011年8月一、课程性质和地位本课程是中等职业学校《机电技术应用》专业的一门专业核心课程,是机电技术综合应用的入门课程。
学生通过学习能整体认识机电设备的机械系统,达到“机电技术应用工”职业资格四级标准中的相关模块要求,具备从事机械安装的职业能力。
二、课程能力目标1.课程核心能力目标(1) 能读懂机电设备检测传感器的说明书;(2) 能正确安装检测传感器;(3) 能正确使用检测仪器;(4) 能使用检测仪器对机电设备的振动、温度、速度和噪声进行检测;(5) 能进行数据采集,并能作初步的诊断;(6) 能维护和保养检测仪器。
2. 课程通用能力目标(1) 正确的就业观和一定的创业意识,创业技能;(2) 良好的心理素质和职业道德;(3) 会执行与职业相关的保证工作安全和防止意外的规章制度;(4) 良好的协调人际关系的能力和团队合作精神;(5) 通过不同的途径获取信息和技术交流的能力及运用互联网的能力;(6) 解决本专业的一般技术问题的能力;(7) 初步具有工作质量评估能力和处理一般工作质量事故的能力。
三、课程主要教学内容四、课程教学设计1.指导思想本课程在充分考虑机电行业职业岗位活动的前提下,紧紧围绕课程专业能力和核心能力培养,通过精心设计学习任务和项目活动,以进行企业真实生产的装置为载体,创设模拟真实工作环境的教学情景,采用行动导向教学,达成课程教学目标。
2.课程教学设计方案(总课时:64)五、教材及学习资料的选用教材:项目化规划教材《设备状态监测与故障诊断技术》北京大学出版社2007 年第一版,林英志主编。
同时,校本教材《机电设备检测》为辅导教材。
参考资料:1.盛兆顺、尹琦岭主编《设备状态检测与故障诊断技术及应用》化学工业出版社2003年2.黄志坚主编《机械设备振动故障监测与诊断》化学工业出版社 2010年3.李和春主编《化工维修钳工》化学工业出版社 2009年4.精品课程网站六、教学评价1.指导思想课程采用“多元化”评价,以能力为核心,紧密联系职业岗位要求,理论与实践相结合,过程性评价和终结性评价相结合,重在过程性评价。
机电工程施工材料检测计划一、背景及目的随着我国经济的快速发展,机电工程在基础设施建设中占据越来越重要的地位。
为确保机电工程质量,提高投资效益,减少安全事故,施工材料检测成为关键环节。
本检测计划旨在规范机电工程施工过程中材料检测工作,确保工程质量符合国家标准和设计要求。
二、检测范围及内容1. 检测范围:本检测计划适用于机电工程所有施工材料,包括水泥、钢材、混凝土、砂石、防水材料、保温材料、装饰材料等。
2. 检测内容:主要包括材料品种、规格、性能、质量等方面的检测。
具体检测项目如下:(1)水泥:强度、安定性、凝结时间、细度等;(2)钢材:抗拉强度、屈服强度、伸长率、弯曲性能等;(3)混凝土:抗压强度、抗折强度、抗渗性能、凝结时间等;(4)砂石:粒径分布、含泥量、压碎指数等;(5)防水材料:防水性能、抗拉强度、延伸率等;(6)保温材料:导热系数、保温性能、吸水率等;(7)装饰材料:甲醛含量、苯含量、VOC含量等。
三、检测方法及标准1. 检测方法:依据国家相关标准,采用物理试验、化学分析等方法进行检测。
2. 检测标准:国家标准、行业标准及设计文件要求。
四、检测程序及时间安排1. 检测程序:(1)材料进场验收:对进场材料进行外观检查,确保材料品种、规格、数量符合要求;(2)取样:从进场材料中随机抽取样品,送检;(3)检测:按照检测项目进行试验检测;(4)结果判定:依据检测结果判定材料是否合格;(5)记录归档:将检测结果记录归档,以便日后查询。
2. 时间安排:根据施工进度,提前安排检测计划,确保材料检测工作与施工进度相匹配。
五、质量控制及整改措施1. 质量控制:加强检测过程质量控制,确保检测数据真实、准确、可靠。
2. 整改措施:对于检测不合格的材料,应立即采取以下措施:(1)退货:将不合格材料退回供应商;(2)更换:要求供应商更换合格材料;(3)隔离:将不合格材料隔离存放,不得用于工程施工;(4)整改:对施工过程中出现的问题进行整改,确保工程质量。
机电工程检验计划和试验计划
a. 文件见证点——W
是质量检查人员需要文件见证的质量控制点,如:材质证明、原材料检验试验报告、工序的检验试验报告等。
施工人员应及时提供相应的材料,供质量检查人员检验。
b. 现场见证点——X
是对于复杂工序、测试试验要进行旁站监督,该控制点为现场见证点,质量检查员需在现场见证点记录签字。
c. 停点见证点——T
是对于重要工序节点、隐蔽工程、关键的试验验收点或质量目标、质量检验计划中规定控制点必须在质量检查员见证后,只有质量检查员对工序结果的确认合理后才能进行下道工序,该控制点为停点检查,也为停点见证点。
对于此点,一旦明确施工单位,必须按规定停点,不允许不停点继续施工。
出现违反规定事情,质量检查员追查其责任。
d. 日常巡检——R
质量检查员做好巡查工作。
在施工过程中跟踪服务,施工过程干到哪就要检查到哪,做到“三勤”即腿勤、眼勤、嘴勤。
检查包括质量保证资料、质量管理资料及各种工程技术资料施工中发现有一点问题的苗头就要及时通知相关人员要求纠正,把问题消灭在萌芽状态。
机电工程试验计划。
机电系统故障检修计划一、引言机电系统是现代工业中不可或缺的设备之一,它们承担着各种机械设备的运行和维护任务。
然而,由于长时间使用或其他因素导致的故障,机电系统随时都可能发生故障,影响正常生产和运营。
因此,制定一份详细而有效的机电系统故障检修计划,可以帮助我们以最快速度恢复设备运行,确保生产顺利进行。
二、目标本故障检修计划的目标是迅速且安全地检修机电系统故障,以最小化生产中断时间。
通过合理的计划和组织,我们将专注于快速定位故障并采取适当的措施修复设备。
三、计划细节1. 故障报告与登记- 所有设备操作员在发现机电系统故障时,应立即向相关负责人报告,并详细描述故障现象。
负责人将根据报告的内容登记故障信息,包括设备编号、故障描述和故障发生时间。
- 故障登记表应放置在显眼的位置,以便操作员可以方便地报告故障。
2. 故障分析与定位- 由维修人员组成的故障分析小组将根据故障报告和登记的信息,对故障进行分析和定位。
- 分析小组应快速响应,并尽快确定可能导致故障的原因,例如电气问题、机械故障或其他。
他们应采取适当的测试和检查来确认根本原因,并记录在案。
3. 资源准备- 根据故障分析的结果,维修人员将确定所需的备件、工具和设备,并与相关部门协调安排。
- 这包括与供应商联系以获取备件,并确保其及时送达维修现场。
4. 修复措施- 维修人员应按照安全操作规程进行维修工作。
他们应严格遵循设备制造商的维修手册和相关操作指南。
- 维修过程中,维修人员应对所做的每个步骤进行记录,并在维修完成后进行核对,以确保未漏掉任何必要的维修工作。
5. 系统测试与调试- 当维修完成后,必须进行系统测试和调试以确保设备安装正确并正常运行。
- 维修人员应通过适当的测试设备和工具对修复后的设备进行各项功能和性能测试。
- 结果应与设备的规格和性能指标进行比较,以确认设备已恢复正常工作状态。
6. 故障修复确认和记录- 维修人员应向相关部门报告故障修复情况,并确保经过验证的修复报告记录在案。
机电一体化技术专业机电系统维护与调试优秀教案范本1. 简介机电一体化技术是指将机械、电子、自动控制等学科相互融合,形成一种综合性的技术体系。
在各个行业,特别是制造业中,机电一体化技术的应用越来越广泛,因此培养具备机电一体化技术能力的人才变得尤为重要。
针对机电一体化技术专业中的机电系统维护与调试课程,编写一份优秀的教案范本,旨在提供一个教学参考,帮助教师更好地开展课程教学。
2. 教学目标2.1 知识目标本课程主要教授机电系统的基本维护与调试知识,包括机械系统、电气系统、控制系统的维护和故障排除等。
2.2 能力目标培养学生对机电系统进行常见故障检修的能力,能够独立解决机电系统的维护和调试问题。
2.3 态度目标培养学生具备严谨的工作态度,注重维护与调试过程中的安全性和质量。
3. 教学内容3.1 机械系统维护3.1.1 机械零部件的清洁与润滑3.1.2 轴承的安装与调整3.1.3 机械传动系统的维护3.2 电气系统维护3.2.1 电气元件的安装与连接3.2.2 线路图的解读与分析3.2.3 电气故障的排除3.3 控制系统维护3.3.1 PLC程序的修改与调试3.3.2 人机界面操作与故障诊断3.3.3 控制系统的参数设置与调整4. 教学方法4.1 理论讲授通过讲授相关知识点,介绍机电系统的基本工作原理和常见故障排除方法。
4.2 实践操作通过模拟实际工作场景,指导学生进行机械系统的维护、电气系统的连接与调试、控制系统的参数设置与调整等实际操作。
4.3 案例分析通过分析真实故障案例,引导学生运用所学知识解决实际问题,培养其综合应用能力。
4.4 小组讨论组织学生进行小组讨论,分享经验和解决方案,促进学生之间的合作与交流。
5. 教学评估5.1 学习任务布置合适的学习任务,要求学生独立完成相关维护和调试任务,并提交相应的实验报告。
5.2 随堂测验通过设计适当的测试题目,检验学生对所学知识的掌握程度。
5.3 项目评估组织学生开展综合性项目,要求他们运用所学知识进行机电系统的维护与调试,评估其在实际应用中的能力。
实验一机电一体化系统演示实验一、实验目的:1、掌握机电一体化系统的基本组成要素;2、了解机电一体化系统的技术组成;3、了解快速构建机电一体化系统的方法;4、了解机电一体化中机械电气部分之间的相互关系及其接口技术。
二、实验设备及器材:AGV工业机器人;SZ直流伺服电机;ZK4直流伺服电机驱动调速器;AGV工业机器人控制柜及其它电气器材;三、实验原理:(一)工业机器人结构与工作原理直流伺服电动式球坐标型工业机器人具有三个自由度(即:RRP----大臂回旋、仰角、小臂伸缩三个运动)和一个手爪开合动作,采用全电动驱动方式控制。
机械人本体结构如图1所示。
图1 机械人本体1--机械手爪2--机械手小臂3--机械手大臂4—机身机器人本体由机身、大臂、小臂、手爪等组成。
机身固定在机械小车上;大臂可以绕着机身在水平面内和垂直面内旋转;小臂在丝杆的传动下,可以前后进行伸缩。
在大臂和小臂的共同作用下,机械手的手爪能够接近要抓的物体;同时,手爪在电机的带动下张开,以便能够抓住物体。
当物体被控制在手爪的控制范围内时,手爪夹紧物体,然后通过大臂的旋转和小臂的伸缩运动,最终将物体置于规定的位置。
机器人大臂回旋运动和大臂仰角运动均采用直流电动机、谐波减速器传动,PWM脉宽调速器控制,可实现1~12 r.p.m无极调速控制。
机器人小臂伸缩采用直流电动机,行星减速器加滚珠丝杠传动,PWM脉宽调速器控制,可实现20~2000 mm/Min无极调速控制。
手爪开合采用连杆及螺旋机构,同步电机驱动,其结构简单,无调速器,电路控制方便。
由于在机械结构设计中采用了谐波减速、滚珠丝杠、滚珠直线导轨等精密传动装置,机器人手爪定位可达到较高精度。
机器人由机器人本体,电控柜和操作盒等组成。
如图2所示。
图2使用操作盒手动控制机器人大臂、小臂、手爪等各项运动。
经测试已达到下列主要技术指标:1、大臂回转角度:240°2、大臂仰角:- 60°~ 20°3、小臂伸缩行程:0~200 mm4、抓物重量:≤ 2 Kg(二) ZK4系列直流电机调速器工作原理采用脉宽调制和电压反馈技术,使电动机能在0--100%额定转速范围内实现无级调速和连续运转,且稳定度高,运转平稳。
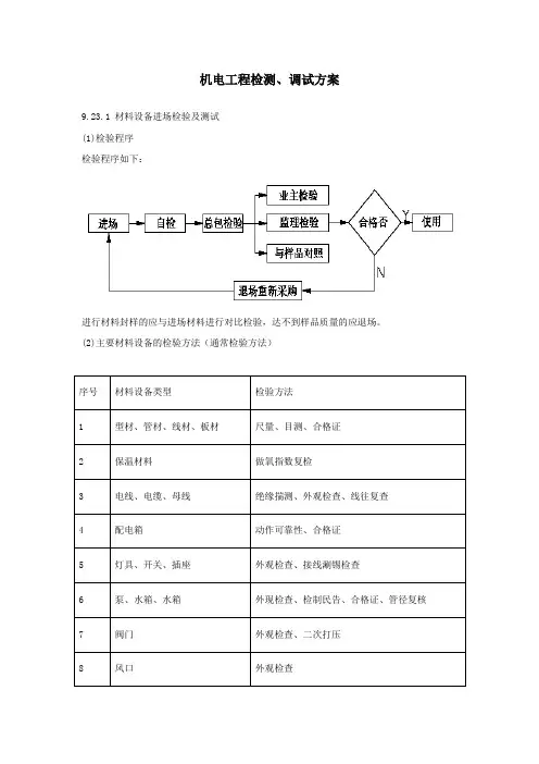
机电工程检测、调试方案9.23.1 材料设备进场检验及测试(1)检验程序检验程序如下:进行材料封样的应与进场材料进行对比检验,达不到样品质量的应退场。
(2)主要材料设备的检验方法(通常检验方法)序号材料设备类型检验方法1 型材、管材、线材、板材尺量、目测、合格证2 保温材料做氧指数复检3 电线、电缆、母线绝缘揣测、外观检查、线往复查4 配电箱动作可靠性、合格证5 灯具、开关、插座外观检查、接线涮锡检查6 泵、水箱、水箱外现检查、检制民告、合格证、管径复核7 阀门外观检查、二次打压8 风口外观检查9.23.2 主要材料设备的测试方法(1)阀门的强度及严密性试验:阀门安装前必须进行强度和严密性试验,试验应在每批(同牌号、同型号、同规格)数量中抽查 10%,且不少于一个。
对于安装在主干管上起切断作用的闭路阀门应逐个做强度及严密性试验。
试验方法见下图所示:阀门的强度试验应符合设计及技术规范的要求,如无具体要求时,阀门的强度试验压力应为公称压力的 1.5 倍,严密性试验压力为公称压力的 1.1 倍;试验压力在试验持续时间内应保持不变,且壳体填料及阀瓣密封面无渗漏。
阀门试压的试验持续时应不少于下表规定:最短试验持续时间(s)公称直径DN严密性试验强度试验金属密封非金属密封≤50 15 15 1565~200 30 15 60250~450 60 30 180≥ 500 120 60注:空调系统上的阀门强度试验持续时间不少于5min。
(2)密闭水箱、罐的试压:密闭水箱、罐水压试验的试验压力应与其所连接的系统试验压力一致,并在试验压力下10min 压力不降,不渗不漏为合格。
(3)绝缘摇测或耐压试验:电缆敷设前进行绝缘摇测或耐压试验:1kV 以下电缆用1IkV 摇表摇测线间及对地绝缘电阻应不低于 10MΩ;3-10kV 电缆应事先做耐压和泄漏试验,试验标准应符合国家和当地供电部门规定,必要时敷设前仍需用2.5kV 摇表测量绝缘电阻是否合格。
机电工程检测调试(1)
机电工程检测、调试(1)
1、材料设备进场检验及测试
(1)检验程序
检验程序如下:
进行材料封样的应与进场材料进行对比检验,达不到样品质量的应退场。
(2)主要材料设备的检验方法(通常检验方法)
序号材料设备类型检验方法
1型材、管材、线材、板材尺量、目测、合格证
2保温材料做氧指数复检
3电线、电缆、母线绝缘揣测、外观检查、线往复查
4配电箱动作可靠性、合格证
5灯具、开关、插座外观检查、接线涮锡检查
6泵、水箱、水箱外现检查、检制民告、合格证、管径复核
7阀门外观检查、二次打压
8风口外观检查
感谢您的阅读!。
机电一体化技术专业机电系统控制课程的优秀教案范本一、课程概述机电一体化技术专业机电系统控制课程旨在培养学生在机电一体化技术领域的综合应用能力。
通过本课程的学习,学生将掌握机电系统的控制原理、技术方法和实践操作技能,为将来从事相关行业和职业提供坚实的基础。
二、教学目标1. 理论目标:学生能够深入了解机电系统的基本组成结构、控制策略和控制器的工作原理。
2. 实践目标:学生能够运用所学知识,独立完成机电系统的控制设计和实验操作。
3. 创新目标:学生能够提出改进控制系统性能的方法,并能够利用先进的机电一体化技术解决实际问题。
三、教学内容1. 机电系统的基本组成结构与工作过程2. 机电系统的传感与测量技术3. 控制器的分类与工作原理4. 机电系统的控制策略与方法5. PID控制器的原理与应用6. 先进的机电一体化控制技术7. 机电系统的故障检测与诊断方法四、教学方法1. 理论授课:讲授机电系统的基本原理、控制方法和技术要点,通过理论知识的传授让学生建立起全面的机电系统控制概念。
2. 实验演示:针对不同的机电控制实验项目,给予学生具体的实验演示,让学生亲自操作并观察实验现象,加深对机电系统控制原理的理解。
3. 课堂讨论:引导学生根据所学知识与经验,就机电系统控制中遇到的问题进行讨论,并通过交流与合作找到解决问题的方法。
4. 仿真模拟:通过计算机仿真软件,模拟机电系统的工作过程和控制策略,增加学生对机电系统控制的直观理解和实践应用。
五、教学评价1.课堂作业:布置与课程内容相关的课堂作业,检验学生对课程的理解程度和掌握程度。
2.实验报告:要求学生完成与课程相关的实验报告,评估学生实验操作能力和实际应用能力。
3.小组项目:以小组形式进行机电系统控制项目设计,评价学生团队协作能力和创新能力。
4.期末考试:综合测试学生对机电系统控制知识的全面掌握和应用能力,评估学生综合素质和学习成果。
六、教学资源1.教材:机电系统控制课程相关教材,如《机电系统自动控制基础》、《机电一体化技术与应用》等。
机电设备安装系统(材料)检测方案一、工程概况:本工程为盛景家园中四区,地下共三层车库,其中地下三层兼人防工程;地上首二层为商铺及商场,三层以上由六栋29~32的住宅组成。
二、制定依据:《建筑电气工程施工质量验收规范》GB50303-2002、《建筑给排水及采暖工程施工质量验收规范》GB50242-2002、《广州市建筑设备安装工程重要建材产品进场检验实施细则(暂行)》穗建监字[2001]064号、《关于进一步明确建设工程材料检验有关问题的通知》穗建筑[2002]286号及其他有关规定。
三、进场材料检验类别:1、塑料给排水管材、管件2、阀门(DN25以下户内管道用)3、胶粘剂(UPVC塑料管用)4、PVC电线槽、电线管5、电线6、电缆7、低压开关8、家用断路器、漏电开关9、插座四、材料进场检验要求:材料进场须配有合格证和出厂检验报告及经由CMA认证的检测机构检验合格后才能进场,检验方式分别见证送检和监督抽检两种,见证送检按当地政府质检部门规定进行,监督抽检批量按照以上材料在同一单位工程每一类不少于一组进行。
五、检验不合格的处理程序:发现所检验材料不合格时,召集建设、监理、施工等相关单位详细分析原因,同时现场取样复检,复检仍不合格的,不得在工程中使用。
系统检测给水系统冲洗方法:一、利用自来水或临时水泵向系统内充水,从底层到顶层逐个的打开配水点阀门,或打开临时管道排水阀门,冲洗至流出水无污物和可见物为合格。
二、冲洗方法:利用自来水或临时水泵向系统充水。
三、冲洗结果:冲洗至流出水无污物和无可见物水质与进水水质为合格。
阀门试验:一、阀门安装前,应作强度和气密性水压试验。
试验应在每批(同牌号、同型号、同规格)数量中抽查10%,且不少于1个。
对于安装在主干管上起切断作用的闭路阀门,应逐个做强度和严密性试验。
强度试验压力为阀门公称压力的1.5倍。
严密性试验压力为阀门公称压力的1.1倍。
试验压力在试验持续时间内应保持压力不下降,且壳体填料及阀瓣密卦面无渗漏为合格。
机电系统性能测试计划一、引言机电系统是指由机械设备和电气设备组成的整体系统。
为了确保机电系统在正常工作条件下能够稳定高效地运行,需要进行性能测试。
本文将给出机电系统性能测试计划。
二、测试目的机电系统性能测试的目的在于评估系统在各种工况下的工作性能,包括但不限于以下方面:1. 系统的响应时间:测试系统在不同负载条件下的响应速度;2. 系统的稳定性:测试系统在连续运行一段时间后是否稳定;3. 系统的能效:测试系统在节能条件下的工作效率;4. 系统的安全性:测试系统在异常情况下的应对能力;5. 系统的寿命:测试系统在长期运行下的可靠性。
三、测试内容机电系统性能测试的内容主要包括以下几个方面:1. 功耗测试:测试系统在不同负载条件下的能耗情况;2. 响应时间测试:测试系统在不同负载条件下的响应时间;3. 稳定性测试:测试系统在连续运行一段时间后的稳定性;4. 效率测试:测试系统在节能条件下的工作效率;5. 安全性测试:测试系统在异常情况下的自动断电等应对能力;6. 寿命测试:测试系统在长期运行下的可靠性。
四、测试方法机电系统性能测试的方法主要包括以下几种:1. 采样测试:通过采集系统运行数据,分析系统的工作状态;2. 实际应用测试:将系统投入实际应用环境中,观察并记录系统的工作情况;3. 参数调整测试:调整系统的各种参数,观察系统的响应情况;4. 负载测试:逐步增加系统的负载,测试系统的稳定性和响应时间;5. 温度测试:测试系统在不同温度条件下的工作情况。
五、测试计划为了保证测试的有效性和全面性,需要制定详细的测试计划。
测试计划应包括以下内容:1. 测试时间安排:确定测试的起止时间和每天的测试时间段;2. 测试环境准备:准备测试所需的设备、工具和测试场地;3. 测试人员安排:确定测试人员的角色和职责,并组建测试团队;4. 测试流程:详细描述每项测试的步骤和要求;5. 测试数据记录:记录每项测试的数据和结果;6. 测试报告编写:编写详细的测试报告,包括测试方法、测试数据、测试结果和结论。
机电系统性能监测计划一、引言机电系统是现代工业生产中不可或缺的组成部分,其性能的稳定和可靠性直接关系到生产效率和安全。
为了确保机电系统的运行状态,提前发现并解决潜在问题,制定一份合理的机电系统性能监测计划是非常必要的。
本文将针对机电系统性能监测计划的内容、执行流程以及结果分析等方面进行详细阐述。
二、机电系统性能监测计划的内容1. 监测目标机电系统性能监测计划的首要目标是实时监测和评估机电设备的运行状态,发现并预防潜在的故障。
同时,还可以监测设备的能耗和效率,提升机电系统的能源利用率。
2. 监测范围机电系统性能监测计划应涵盖所有关键的机电设备,例如发电机、风机、水泵等。
同时,还应考虑到与机电系统相关的其他参数,如温度、湿度、压力等,以全面了解机电系统的运行状况。
3. 监测频率监测频率应根据机电设备的重要程度和运行环境而定。
对于关键设备和高风险工作环境,监测频率应该更加密集,以确保及时发现潜在问题。
一般建议定期进行日常监测,并定期进行深度监测。
4. 监测方法和技术机电系统性能监测计划中应明确采用的监测方法和技术。
常见的监测方法包括实时监测、远程监测和定期巡检等。
监测技术方面可以利用传感器、数据采集系统和数据分析软件等。
5. 数据采集和处理监测计划应明确数据采集和处理的流程。
数据采集可以通过传感器和监测设备实现,数据处理则需要利用专业的数据分析软件来处理和解读。
此外,还需要建立数据存档和备份机制,以备后续分析和验证。
三、机电系统性能监测计划的执行流程1. 数据采集根据监测计划确定的监测频率,进行机电设备的数据采集工作。
这包括安装传感器、设定监测设备,确保数据的准确性和完整性。
2. 数据传输和存储对采集到的数据进行传输和存储,确保数据的及时性和安全性。
可以选择将数据传输到云端服务器或者本地服务器,并进行备份和存档,以备后续分析和验证。
3. 数据分析和评估利用专业的数据分析软件对采集到的数据进行处理和解读。
机电系统(材料)检测
计划
机电设备安装系统(材料)检测方案
一、工程概况:
本工程为盛景家园中四区,地下共三层车库,其中地下三层兼人防工程;地上首二层为商铺及商场,三层以上由六栋29~32的住宅组成。
二、制定依据:
《建筑电气工程施工质量验收规范》GB50303-2002、《建筑给排水及采暖工程施工质量验收规范》GB50242-2002、《广州市建筑设备安装工程重要建材产品进场检验实施细则(暂行)》穗建监字[2001]064号、《关于进一步明确建设工程材料检验有关问题的通知》穗建筑[2002]286号及其他有关规定。
三、进场材料检验类别:
1、塑料给排水管材、管件
2、阀门(DN25以下户内管道用)
3、胶粘剂(UPVC塑料管用)
4、PVC电线槽、电线管
5、电线
6、电缆
7、低压开关
8、家用断路器、漏电开关
9、插座
四、材料进场检验要求:
材料进场须配有合格证和出厂检验报告及经由CMA认证的检测机构检验合格后才能进场,检验方式分别见证送检和监督抽检两种,见证送检按当地政
府质检部门规定进行,监督抽检批量按照以上材料在同一单位工程每一类不少于一组进行。
五、检验不合格的处理程序:
发现所检验材料不合格时,召集建设、监理、施工等相关单位详细分析原因,同时现场取样复检,复检仍不合格的,不得在工程中使用。
系统检测
给水系统冲洗方法:
一、利用自来水或临时水泵向系统内充水,从底层到顶层逐个的打开配水点阀门,或打开临时管道排水阀门,冲洗至流出水无污物和可见物为合格。
二、冲洗方法:利用自来水或临时水泵向系统充水。
三、冲洗结果:冲洗至流出水无污物和无可见物水质与进水水质为合格。
阀门试验:
一、阀门安装前,应作强度和气密性水压试验。
试验应在每批(同牌号、同型号、同规格)数量中抽查10%,且不少于1个。
对于安装在主干管上起切断作用的闭路阀门,应逐个做强度和严密性试验。
强度试验压力为阀门公称压力的1.5倍。
严密性试验压力为阀门公称压力的1.1倍。
试验压力在试验持续时间内应保持压力不下降,且壳体填料及阀瓣密卦面无渗漏为合格。
二、散热器组对后,以及整组出厂的散热器在安装之前应全部作水压试验,试验压力按设计要求,当无要求时,应为工作压力的1.5倍,但不小于0.6mpa,试验持续时间为2~3分钟,压力不降,且不渗不漏为合格。
阀门试验持续时间
排水管灌水试验:
一、排水管灌水试验:隐蔽或埋地的排水管道在隐蔽前必须做灌水试验,其灌水高度应不低于底层卫生器具的上边缘或底层地面高度。
灌水方法(过程)满水15分钟水面下降后,再灌满观察5分钟,液面不下降,检查管道及接口无渗漏为合格。
二、雨水排水管灌水试验,安装在室内的雨水排水管安装后应做灌水试验,灌水高度应到每根立管上部的雨水斗。
灌水时间为1小时,不渗不漏水为合格。
二、雨水排水管灌水试验,安装在室内的雨水排水管安装后应做灌水试验,灌水高度应到每根立管上部的雨水斗。
灌水时间为1小时,不渗不漏为合格。
SN2。
8伸缩器预留伸缩量:
夏季5—10mm;春秋季:10—15mm;冬季:15—20mm;
SN2。
6立管洞:
在设计无要求时,洞周围用石灰膏围堰,高度约20mm,堰内灌满水,时间24小时,管道应洞不漏水为合格。
SN2。
4管道隐蔽验收记录:
1、管道应填写管下部垫层状态(如细砂厚度≥100mm,宽度≥管径的2。
5倍,坡度与管道坡度相同,管项回填细土或砂的厚度≥200mm)
说明栏应填写:
1)当管道采用吊架时应说明吊架与楼板连接处理情况,如预埋钢板,吊杆与钢板双面焊接长度,如用膨胀螺栓应说明膨胀螺栓直径,连接角钢规格及吊杆及角钢双面焊缝长度。
2)如采用支架应说明时支架埋设深度(一般不小于200mm)。
3)支、吊架防腐情况(如刷沥清漆二遍)。
DQ2.9线路(设备)绝缘电阻测试记录:
一、检测绝缘电阻时,采用兆欧表的电压等级,在无特殊要求时,必须与被测回路的耐压等级一致。
二、对于5芯电缆或有用BV型线五根(A、B、C、O、地)穿管三相供电线路在测一相时,应把其它二相及0、地,短接,再接上金属线管(金属桥架)后测量。
三、对四芯电缆,除A、B、C三相外,有时作为工作零线使用,则在测量时
A、B、C三相各只对其它两相及零把“地”划掉。
假如另一根线作为地线保护,则把“0”划掉。
四、如测单相插座照明等回路,如用金属管穿线数,则测相对零或地,把其它两相划掉,再测0 地,如用PVC管穿线回路则只测相对零,把其他相和地划掉。
DQ2。
6配线敷设施工隐蔽验收记录:
一、说明中应包括:
1、相对座标、标高位置。
2、固定方式。
3、备用长度。
4、支架、防腐。
5、接地(接零)状况
6、埋地时应说明埋深、垫层、覆盖状况。
7、隐蔽前各种试验记录应齐全合格。
DQ2。
10接地电阻测试记录:
一、在计算接地电阻时,应考虑土壤干燥或冻结等季节变化的影响,从而使接地电阻在不同季节中均能保证达到所要求的值。
但防雷接地装置的接地电阻,可只考虑在畦季中土壤干燥状态的影响。
二、实测的接地电阻值或土壤电阻率,要乘以下列季节系数ψ1或ψ2或ψ3进行修正。
各种性质土壤的季节的系数
注:ψ1—测量前数天下过较长时间的雨,土壤很潮湿时用之;
ψ2—测量时土壤较潮湿,具有中等含水量时用之;
ψ3—测量时土壤干燥或测量前降雨不在时用之。
一、试验压力:
1、强度试验:当系统工作压力不大于0.6Mpa,钢管、给水铸铁管试验压力为工作压力1.5倍,但不应小于0.6Mpa,也不大于1.0Mpa;强度试验升压应缓慢,达到试验压力后,在10min内压力下降不大于0.02Mpa为合格。
2、严密性试验应在强度试验合格后进行。
将强度试验压力降至工作压力做外观检查,经不渗漏为合格。
3、塑料给水系统应在试验压力下稳压1h,压力下降不得超过0.05Mpa,然后在工作压力的1.15倍状态下稳压2h,压力下降不得超过0.03 Mpa,同时检查各连接处不得渗漏。
(规范规定:设计未注明时,试验压力均为工作压力1.5倍,但不能小于0.6 MPa)
方法措施:
1)试验管道系统和设备的中间控制阀门应全部开启。
2)向试验管道系统和设备注水时应先开启高处排气阀门排气,并由下向上,或由回水向供水进行管道系统注水,待水注满后,关闭阀门,稳定
半小时后继续向系统注水,经排气阀门出水无气泡为准,关闭排气阀。
3)向管道系统和设备加压,启动加压泵加压,先缓慢升至工作压力,停泵检查,观察各部位无渗漏,压力不降后,再升至试验压力,停泵稳压,
按批准的试验方案进行全面检查,在确认管道和设备试验合格后降至工
作压力再做较长时间检查,确认全系统部位仍无渗漏、无裂纹,则管道
系统的的严密性和承压能力试验为合格,经验收(现场)各方同意后将
工作压力逐渐降至零,填写试验记录。
灌水(满水)试验应注意管道的设备试验的位差,管道的封堵、阀门的启闭。
检验方法:各种管道系统水压试验,都是在试验压力下观测10min,压力降不应大于0.02-0.05Mpa,然后降到工作压力进行检查,压力应保持不变,不渗不漏。
设备试验则是在试验压力下10min内压力不降,不渗不漏。
静置设备灌水(满水)试验应在灌水(满水)后,静置24h,观察四周及底部是否渗漏,水位应不降且无渗漏为合格。
二、阀门安装前应做强度和严密性试验,试验应在每批(同牌号、同型号、同规格)数量中抽查10%,且不少于1个。
对于安装在主干管上起切断作用的闭路阀门,应逐个作强度和严密性试验。
试验应符合以下规定:阀口的强度试验压力为公称压力的1.5倍;严密性试验压力为公称压力的1.1倍;试验压力的持续时间内应保持不变,且壳体填料及阀瓣封面无渗漏,阀门试压的试验持续时间不应少于下表规定:
管道穿过墙壁、楼板应设置金属或塑料套管,安装在楼板内的套管其顶端应高出装饰面20mm;卫生间及厨房内高出50mm,底部应与楼板相平,套管与管道之间缝隙应用阻燃密实材料和防水油膏填实,端面光滑,管道接口不得设在套管道内。
三、系统冲洗:饮用水管道在在使用前应以含20-30mg/L游离氯的水灌满管道进行消毒,含氯水在管道中应留置24小时以上,消毒完成后再用饮用水冲洗,并经有关部门取样试验,符合国家《生活饮用水标准》方可使用。
a.冲洗时水压力应大于系统供水工作压力。
b.出水口处管径截面不得小于被冲洗管径的3/5。
c.出水口处排水流速≮1.5m/S。
质量标准:观察各冲洗环路出水口处水质,无杂质,无沉积物与入口处水质相比无异样为合格。
四、通水试验:观察和开启阀门,水嘴等放水。
五、灌水试验:(灌水高度应不低于底层卫生器具的上边缘、或底层地面)
工艺流程:封闭排出管口向管道内灌水检查管道接口认定试验合格
灌满水后,15min内未发现管道及接口有渗漏情况,再次向管道灌水,使水面恢复到停止灌水时水面位置,在第二次灌水5min以后,水面位置无下降为合格。
检验方法:灌水15min后水面下降后,再灌满观察5min,液面不下降,管道及接口无渗漏为合格。
通球试验:(球径为管径2/3)通球率为100%。
雨水管灌水试验:应从上部雨水漏斗至立管底部排出口计,灌满水15min 后,水位下降,再灌满持续5min;液面不下降不渗不漏为合格。