冲压模具标准模架汇编
- 格式:doc
- 大小:1.25 MB
- 文档页数:14
冷冲压模具常用零件标准一、弹簧与橡胶的选用1.橡胶橡胶允许承受的载荷较大,占据的空间较小,安装调整比较灵活方便,而且成本低,是中小型冷冲模弹性卸料、顶件及压边的常用弹性元件。
选用橡胶时,应主要确定其自由高度、预压缩量及截面积。
其计算公式及步骤可由表1确定。
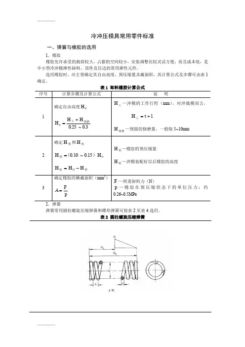
表1 卸料橡胶计算公式2.弹簧弹簧常用圆柱螺旋压缩弹簧和碟形弹簧可按表2至表4选用。
表2 圆柱螺旋压缩弹簧注:1. 材料:65Mn、60Si2Mn,热处理硬度40~48HRC,表面磷化处理。
2. 带“*”的系细长比大于3.7,应考虑设置心轴或套筒。
3. 标准:GB/T2089-1994。
表3 碟形弹簧系列A3.0;/206000;4.0;1820==≈≈μmm N E t h tD系列B3.0;/206000;75.0;2820==≈≈μmm N E t h tD系列C3.0;/206000;3.1;4020==≈≈μmm N E t h tD注:1. 材料:60Si2MnA 或50CrV A ,硬度42~52HRC 。
2. 摘自GB/T1972-1992。
表4 碟形弹簧的主要计算公式注:表中—一个弹簧在压缩量等于0.75h 0时的最大允许负荷; 0h —弹簧的极限行程(mm );n —装置中一组弹簧的总数;z —组合弹簧中每叠的弹簧数(图b 中3=z ); h —一个弹簧的高度(mm );δ—弹簧板厚度(mm ),dD h --=)(2t a n δϕ。
二、模具常用螺钉与销钉冷冲模零件的连接与紧固常用圆柱头内六角螺钉和沉头螺钉(表5和表6),零件的定位常用圆柱销(表7)。
表5 圆柱头内六角螺钉注:1. 标准:GB/T70.1-20002. 材料:35钢。
表6开槽沉头螺钉注:1. 标准:GB/T5279;2. 材料:Q235。
2. 材料:Q235,35,45。
三、模具上有关螺钉孔得尺寸1. 螺钉通过孔的尺寸见表8。
2. 螺钉旋进的最小深度、窝座最小深度以及圆柱销配合长度见下图所示。
冲压模具常用标准件一、冲压模架的型号与选择《冲模模架》标准是1991年5月1日由国家技术监督局批准并颁布实施的。
该标准是在原《冷冲模》国家标准基础上修订的新标准。
其中,模架产品标难(GB/T 2851.1、GB/T3851.3~7、GB/T2852.1~4)共10个。
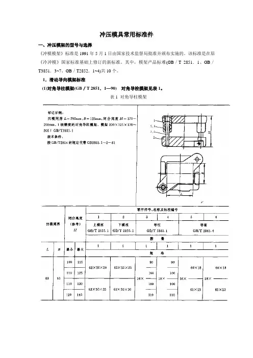
1.滑动导向模架标准(1)对角导柱模架(GB/T 2851.1—90) 对角导栓摸架见表1。
表1 对角导柱模架后侧导柱模架(GB/T2851.3——90)后侧导柱窄形模架(mm)中间导柱模架(mm)中间导柱圆形模架(mm)(续)(续)四导柱模架(GB/T 2851.7—90)(mm)(续)二、导柱导套美文欣赏1、走过春的田野,趟过夏的激流,来到秋天就是安静祥和的世界。
秋天,虽没有玫瑰的芳香,却有秋菊的淡雅,没有繁花似锦,却有硕果累累。
秋天,没有夏日的激情,却有浪漫的温情,没有春的奔放,却有收获的喜悦。
清风落叶舞秋韵,枝头硕果醉秋容。
秋天是甘美的酒,秋天是壮丽的诗,秋天是动人的歌。
2、人的一生就是一个储蓄的过程,在奋斗的时候储存了希望;在耕耘的时候储存了一粒种子;在旅行的时候储存了风景;在微笑的时候储存了快乐。
聪明的人善于储蓄,在漫长而短暂的人生旅途中,学会储蓄每一个闪光的瞬间,然后用它们酿成一杯美好的回忆,在四季的变幻与交替之间,散发浓香,珍藏一生!3、春天来了,我要把心灵放回萦绕柔肠的远方。
让心灵长出北归大雁的翅膀,乘着吹动彩云的熏风,捧着湿润江南的霡霂,唱着荡漾晨舟的渔歌,沾着充盈夜窗的芬芳,回到久别的家乡。
我翻开解冻的泥土,挖出埋藏在这里的梦,让她沐浴灿烂的阳光,期待她慢慢长出枝蔓,结下向往已久的真爱的果实。
4、好好享受生活吧,每个人都是幸福的。
人生山一程,水一程,轻握一份懂得,将牵挂折叠,将幸福尽收,带着明媚,温暖前行,只要心是温润的,再遥远的路也会走的安然,回眸处,愿阳光时时明媚,愿生活处处晴好。
5、漂然月色,时光随风远逝,悄然又到雨季,花,依旧美;心,依旧静。
冲压模具标准导料板结构1.上模上模是整副冲模的上半部,即安装于压力机滑块上的冲模部分。
2.上模座上模座是上模最上面的板状零件,工件时紧贴压力机滑块,并通过模柄或直接与压力机滑块固定。
3.下模下模是整副冲模的下半部,即安装于压力机工作台面上的冲模部分。
4.下模座下模座是下模底面的板状零件,工作时直接固定在压力机工作台面或垫板上。
5.刃壁刃壁是冲裁凹模孔刃口的侧壁。
6.刃口斜度刃口斜度是冲裁凹模孔刃壁的每侧斜度。
7.气垫气垫是以压缩空气为原动力的弹顶器。
参阅“弹顶器”。
8.反侧压块反侧压块是从工作面的另一侧支持单向受力凸模的零件。
9.导套导套是为上、下模座相对运动提供精密导向的管状零件,多数固定在上模座内,与固定在下模座的导柱配合使用。
10.导板导板是带有与凸模精密滑配内孔的板状零件,用于保证凸模与凹模的相互对准,并起卸料(件)作用。
11.导柱导柱是为上、下模座相对运动提供精密导向的圆柱形零件,多数固定在下模座,与固定在上模座的导套配合使用。
12.导正销导正销是伸入材料孔中导正其在凹模内位置的销形零件。
13.导板模导板模是以导板作导向的冲模,模具使用时凸模不脱离导板。
14.导料板导料板是引导条(带、卷)料进入凹模的板状导向零件。
15.导柱模架导柱模架是导柱、导套相互滑动的模架。
(参阅“模架”)。
16.冲模冲模是装在压力机上用于生产冲件的工艺装备,由相互配合的上、下两部分组成。
17.凸模凸模是冲模中起直接形成冲件作用的凸形工作零件,即以外形为工作表面的零件。
18.凹模凹模是冲模中起直接形成冲件作用的凹形工作零件,即以内形为工作表面的零件。
19.防护板防护板是防止手指或异物进入冲模危险区域的板状零件。
20.压料板(圈)压料板(圈)是冲模中用于压住冲压材料或工序件以控制材料流动的零件,在拉深模中,压料板多数称为压料圈。
21.压料筋压料筋是拉延模或拉深模中用以控制材料流动的筋状突起,压料筋可以是凹模或压料圈的局部结构,也可以是镶入凹模或压料圈中的单独零件。
附表25:单位面积压料力附表26:修正系数K1及K2之值附表27:拉深凹模圆角半径系数附表28:有压料装置拉深时单边间隙值(mm)附表29:凸模制造公差与凹模制造公差(mm)附表30:模具工作零件的常用材料及热处理要求附表31:模具一般零件的常用材料及热处理要求附表32:冲模零件的表面粗糙度要求附表33:各种加工方法可能达到的表面粗糙度附表34:冲模零件的公差配合要求附表35:螺孔(或沉孔)、销钉之间及至刃壁的最小距离螺纹孔 M4 M6M8 M10 M12 M16 M20 M24 螺孔(或沉孔)中心至模板边缘的距离 淬火 8 10 12 14 16 20 25 30 不淬火 6.5 8 10 11 13 16 20 25 螺孔(或沉孔)中心至刃壁的距离淬火 7 12141719 242835沉孔边缘间距、沉孔边缘与销钉孔边缘间距 淬火 5 不淬火3 销钉孔d/mm 2 34 5 6 8 10 12 16 20 25 销钉孔中心至模板边缘的距离 淬火 5 6 7 8 9 11 12 15 16 20 25 不淬火 3 3.5 4 5 6 78 10 13 16 20附表36:凹模刃口的常用型式及主要参数表刃口型式序号 结构简图特点及适用范围直筒形刃口11.为直通式,强度高,修磨后刃口尺寸不变。
2.用于大型或精度高的零件,有顶出装置。
不适用于下漏料模具。
21.刃口强度高,修磨后刃口尺寸不变。
2.凹模内易积存废料或工件,刃口磨损快。
3.用于复杂形状或高精度的工件。
31.特点同序号2,刃口强度稍低。
2. 用于复杂形状或高精度的中小型工件。
3.可用于装有顶出装置的模具。
41.凹模硬度较低,一般为40HRC ,可用锤击刃口外侧斜面调整间隙。
2.用于薄而软的金属或非金属零件。
锥形刃口51.刃口强度较差,修磨后刃口尺寸增大。
2.凹模内不易积存废料或工件,刃口磨损慢。
3.用于形状简单、精度要求不高的工件。
61. 特点同序号5。
第14章冲压模具标准及技术要求冲模标准是指在冲模设计与制造中应该遵循和执行的技术规范和标准。
制订冲模标准的意义有以下几个方面:1.可以缩短模具设计与制造周期因为模具结构及制造精度与冲压件的形状、尺寸精度以及生产的批量有关,所以冲模的种类繁多而且结构十分的复杂。
比如精密级进模的模具零件有时上百个(甚至更多),这样使得模具的设计与制造周期很长。
而实现模具标准化后,所有的标准件都可以外购,从而减化了模具的设计、减少了模具零件的制造工作量,最终的结构就是缩短了模具的制造周期。
2.有利于保证质量可以稳定和保证模具设计质量和制造中必须达到的质量规范,以保证冲压件的质量。
3.有利于模具的计算机辅助设计与制造模具技术标准使实现模具计算机辅助设计与制造的基础,可以这样说:没有模具标准化就没有模具的计算机辅助设计与制造。
4.有利于国际国内的交流与合作技术名词术语、技术条件的规范化、标准化将有利于国内、国际的商业贸易和技术交流,增强企业、国家的技术经济实力。
我国在模具行业中推广使用的模具标准是经国家技术监督局批准的国家标准(GB)和机械行业标准(JB)。
另外还有国际模具标准化组织ISO/TC29/SC8制订的冲模和成形模标准。
除此之外,由于我国一些企业从国外引进了大量级进模与汽车覆盖件模具,随着模具的引进,国外冲模标准也在我国一些企业中引用,如日本三住商事株式会议(MISUMI)的Face 标准,德国STRACK公司标准,美国DANLY公司标准等。
由于篇幅的原因,本篇只介绍常用的GB、JB及部分日本的Face标准。
14.1设计冲模时常用的标准我国已颁布的冲模技术标准见表14-1。
表14-1表14-1我国已颁布的冲模标准分类标准名称标准代号基础工艺质量1)冲模术语2)冲压件尺寸公差3)冲压件角度公差4)冲压件形状和位置未注公差5)冲压件未注公差尺寸极限偏差6)冲裁间隙7)冲模技术条件8)金属冷冲压件结构要素9)金属冷冲压件通用技术条件10)精密冲裁件通用技术条件GB/T8845-2006GB/T13914-2002GB/T13915-2002GB/T13196-2002GB/T15055-2007GB/T16743-1997GB/T14662-2006JB/T4378.1-1999JB/T4378.2-1999JB/T6958-1993设计冲压模具还应该执行和采用国家基础标准有:公差与配合标准;形状与位置公差;表面粗糙度标准;机械制图标准;尺寸及尺寸系列。
1—下模座2、15—销钉3凹模4套5 导柱 6 导套 7 上模座 8卸料板9橡胶10凸模固定板 11—垫板12—卸料螺钉13—凸模14 —模柄 16、17螺钉图2.0.1 冲裁模典型结构与模具总体设计尺寸关系图复合模的基本结构1—凸模;2—凹模;3—上模固定板;4、16—垫板;5—上模座;6—模柄;7—推杆; 8—推块; 9—推销;10—推件块;11、18—活动档料销;12—固定挡料销;13—卸料板14—凸凹模;15—下模固定板;17—下模座;19—弹簧1-下模座;2、5-销钉;3-凹模;4-凸模 1-凹模;2-凸模;3-定位钉;4-压料板;5-靠板 6-上模座;7-顶杆;8-弹簧;图3.4.2 L形件弯曲模 9、11-螺钉;10-可调定位板1.冲裁间隙过大时,断面将出现二次光亮带。
( ×)2.冲裁件的塑性差,则断面上毛面和塌角的比例大。
( ×)3.形状复杂的冲裁件,适于用凸、凹模分开加工。
( ×)4.对配作加工的凸、凹模,其零件图无需标注尺寸和公差,只说明配作间隙值。
( ×)5.整修时材料的变形过程与冲裁完全相同。
( ×)6.利用结构废料冲制冲件,也是合理排样的一种方法。
(∨)7.采用斜刃冲裁或阶梯冲裁,不仅可以降低冲裁力,而且也能减少冲裁功。
( ×)8.冲裁厚板或表面质量及精度要求不高的零件时,为了降低冲裁力,一般采用加热冲裁的方法进行。
(∨)9.冲裁力是由冲压力、卸料力、推料力及顶料力四部分组成。
( ×)10.模具的压力中心就是冲压件的重心。
( ×)11.冲裁规则形状的冲件时,模具的压力中心就是冲裁件的几何中心。
( ×)12.在压力机的一次行程中完成两道或两道以上冲孔(或落料)的冲模称为复合模。
×13.凡是有凸凹模的模具就是复合模。
( ×)14.在冲模中,直接对毛坯和板料进行冲压加工的零件称为工作零件。
一.模具制造流程二、模具常用材质:1、钢料(SKD11、G05、DC53、SS41、S45C)2、铸件(FC30、GM241、FCD55、TGC600、ICD-5)三、模具专有名词:1、CAD DATA(2D线架构,3D面形状)2、NC程序(2D及3D加工程序)3、成品图4、工法图(工艺图)5、工程内容:1、BL(下料)2、FO(成形)3、DR(拉延、拉伸)、RDR(再拉伸)4、TR(修边、剪边)5、PI(冲孔)6、RST(再整形)7、FL(翻边)8、BUR(孔翻边)9、SEP(分切)10、CAM(凸轮)11、CAM TR(侧剪)CAM PI(侧冲孔)CAM RST(侧整形)CAM BUR(侧整形)12、SLIT(剪缝)13、CUT(剪切)14、JOG(段阶)15、HEM(压平)四、模具主要结构名称:1、下模(PUNCH)2、上模(DIE)3、押板or活塞(B、H)4、押料板(PAD)5、分块(SECTION DIE)剪边、整形6、发料剪(SCRAP CUTTER)7、凸轮(CAM)驱动块(CAM DRIVER)滑动块(CAM SLIDER)押料板(CAM PSD)8、押条(BEAD)9、导引(上、下模、上模与押料板、下模与押板)GUIDE10、助条(RIB)11、发料槽(SCRAP SHUTE)12、发料盒(SCRAP BOX)13、进、退料支架(LOADING STAY、UNLOADING STAY)14、滚轮(ROLLER)15、顶料机构(LIFTER)16、折边顶料机构(FL LIFTER)17、踢出机构(KICKER)18、镶块(INSERT)19、吊耳(KOOK)→镶入吊耳or插销式吊耳20、平衡垫块(DISTANCE BLOCK)一、DR(拉伸模):一、主要结构:1、下模(PUNCH)2、押板(活塞)押褂环:B.H3、上模(DIE)二、模具设计重点:1、模垫销位置设定(依机械规格)2、导引(上、下导引方式及下模与押板导引方式)3、销槽、定位槽(依机械规格)4、吊耳(上模、下模、押板)5、平衡垫块设置6、素材定位具7、成形到底记号(R/L MARK)8、助条分布(250~350)9、打料装置10、规视孔11、减轻孔12、KEY槽13、基准孔14、模具高度15、送料高度16、进退料支架17、翻转孔三、标准零件部品:1、耐磨板(滑板)2、吊耳3、平衡垫块4、行程螺栓(行程挡块)5、成形至底记号(R/L MARK)四、设计要素:1、成品线、鱼肉造型线2、分模线(下模与押板分模线)3、下料线4、基准线(点)5、座标线6、模具中心线、机械中心线(自行决定)五、DR(拉伸模)设计方针:1、模垫销:○a位置数量须整体考虑其平衡性(B.H)○o行程大小决定○o下模座逃孔2、机械中心之决定3、押板下之模垫销位置须设置“助条”支撑4、平衡垫块数量及位置须平均分布约400~500间隔一个且须有助条支撑(B.H)5、下模与B.H导引方式:○o内导引注意模垫销行程○o外导引6、上、下模导引一般便用导跟方式7、行程定位螺栓设置(4个)8、销槽、定位槽设置(依机械规格)9、吊耳设置(上、下模及B.H)10、KEY槽(上、下模)11、肋条平均分布250~35012、进、退料支架设置工法图之认识:1、表头内容记要2、各工程内容之表示方式平面图、断面图3、进料方向4、加工方向(PRESS行压方向)(一)、构想图内容须表示之项目一、出图比例:1/4二、每张图内之名称须注记(上模or下模平面图or SECA-A……)及图框表格处注记。
一.模具制造流程二、模具常用材质:1、钢料(SKD11、G05、DC53、SS41、S45C)2、铸件(FC30、GM241、FCD55、TGC600、ICD-5)三、模具专有名词:1、CAD DATA(2D线架构,3D面形状)2、NC程序(2D及3D加工程序)3、成品图4、工法图(工艺图)5、工程内容:1、BL(下料)2、FO(成形)3、DR(拉延、拉伸)、RDR(再拉伸)4、TR(修边、剪边)5、PI(冲孔)6、RST(再整形)7、FL(翻边)8、BUR(孔翻边)9、SEP(分切)10、CAM(凸轮)11、CAM TR(侧剪)CAM PI(侧冲孔)CAM RST(侧整形)CAM BUR(侧整形)12、SLIT(剪缝)13、CUT(剪切)14、JOG(段阶)15、HEM(压平)四、模具主要结构名称:1、下模(PUNCH)2、上模(DIE)3、押板or活塞(B、H)4、押料板(PAD)5、分块(SECTION DIE)剪边、整形6、发料剪(SCRAP CUTTER)7、凸轮(CAM)驱动块(CAM DRIVER)滑动块(CAM SLIDER)押料板(CAM PSD)8、押条(BEAD)9、导引(上、下模、上模与押料板、下模与押板)GUIDE10、助条(RIB)11、发料槽(SCRAP SHUTE)12、发料盒(SCRAP BOX)13、进、退料支架(LOADING STAY、UNLOADING STAY)14、滚轮(ROLLER)15、顶料机构(LIFTER)16、折边顶料机构(FL LIFTER)17、踢出机构(KICKER)18、镶块(INSERT)19、吊耳(KOOK)→镶入吊耳or插销式吊耳20、平衡垫块(DISTANCE BLOCK)一、DR(拉伸模):一、主要结构:1、下模(PUNCH)2、押板(活塞)押褂环:B.H3、上模(DIE)二、模具设计重点:1、模垫销位置设定(依机械规格)2、导引(上、下导引方式及下模与押板导引方式)3、销槽、定位槽(依机械规格)4、吊耳(上模、下模、押板)5、平衡垫块设置6、素材定位具7、成形到底记号(R/L MARK)8、助条分布(250~350)9、打料装置10、规视孔11、减轻孔12、KEY槽13、基准孔14、模具高度15、送料高度16、进退料支架17、翻转孔三、标准零件部品:1、耐磨板(滑板)2、吊耳3、平衡垫块4、行程螺栓(行程挡块)5、成形至底记号(R/L MARK)四、设计要素:1、成品线、鱼肉造型线2、分模线(下模与押板分模线)3、下料线4、基准线(点)5、座标线6、模具中心线、机械中心线(自行决定)五、DR(拉伸模)设计方针:1、模垫销:○a位置数量须整体考虑其平衡性(B.H)○o行程大小决定○o下模座逃孔2、机械中心之决定3、押板下之模垫销位置须设置“助条”支撑4、平衡垫块数量及位置须平均分布约400~500间隔一个且须有助条支撑(B.H)5、下模与B.H导引方式:○o内导引注意模垫销行程○o外导引6、上、下模导引一般便用导跟方式7、行程定位螺栓设置(4个)8、销槽、定位槽设置(依机械规格)9、吊耳设置(上、下模及B.H)10、KEY槽(上、下模)11、肋条平均分布250~35012、进、退料支架设置工法图之认识:1、表头内容记要2、各工程内容之表示方式平面图、断面图3、进料方向4、加工方向(PRESS行压方向)(一)、构想图内容须表示之项目一、出图比例:1/4二、每张图内之名称须注记(上模or下模平面图or SECA-A……)及图框表格处注记。
冲压模具设计规范标准一、目的:本标准是根据公司产品结构特点及模具设计、制作实际需要,统一模具设计标准,提高冲压模具设计质量,为模具设计提供指导。
二、适用范围:公司所有冲压模具;三、具体规定:第一节模具制作流程标准工艺/项目/生产提模具开发电子流相关主管审核批准模具设计出图相关主管审核批准模具制作试模品管检验、开合格证生产验收!第二节图纸审核标准拿到设计任务时,首先应对产品图纸作一个全面的审核、确认,主要从以下几方面入手:1.图框內容确认产品名称、版次、视图投影角法、视图比例、材质、料厚(英制需转换为公制)。
2.图面注解內容确认依图面注解逐项确认3.视图正确性确认三视图画法、尺寸标注、各主要视图和各局部视图是否一致,特殊公差要求确认。
4.特殊要求確認a. 有无表面处理要求b. 不锈钢、铍銅、铝等材质产品需注意片纹方向要求。
c. 是否有压毛边,方向,范围?d. 产品的重点管控尺寸,公差等?e. 压铆钉的规格、工序等?f. 若有抽牙,须了解抽牙功用,重点尺寸(内径、外径、高度)g. 产品如果有工艺缺口处,连续模连料,接刀须客户确认回复。
h. 产品有没有标注尺寸公差的地方,能否做到?i. 一些孔和产品的外形可否圆整?j. 产品有没有外观要求,如平面度,垂直度等?k. 现有的工艺槽是否太窄?l. 产品若有半剪,则半剪要保证的尺寸是位置还是高度等?m. 产品若有凸点,则其功用,重要尺寸是什么?n. 产品的批量大小?o. 产品压沙拉的尺寸确认?p. 产品折弯展开可否依内R为零展开?q. 产品有包角若因高度原因可能会造成拉裂或起皱可否做工艺处理?经仔细审核确认后即可对产品进行展开,排工序等后序作业。
第三节展开图标准1.展开图中必須包含产品图中的所有內孔,內部成型和外部成型的展开的图元1)展开图的毛刺面必须向下.2)展开图中所有图元须串取成复线.3)冲裁尖角(除特殊情況外)均要倒圓角R=0.3或R=0.5(具体可根据产品料厚定)4)成形工位折线位置必须画出及注意虚实线。