二级维护作业项目及工时费分配
- 格式:xls
- 大小:17.50 KB
- 文档页数:4
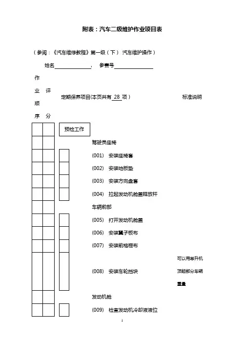
附表:汽车二级维护作业项目表(参阅:《汽车维修教程》第一级(下) 汽车维护操作) 姓名 , 参赛号 作业顺评定期保养项目(本页共有 28 项)标准说明驾驶员座椅 (001) 安装座椅套 (002) 安装地板垫 (003) 安装方向盘套 (004) 拉起发动机舱盖释放杆 车辆前部 (005) 打开发动机舱盖 (006) 安装翼子板布 (007) 安装前格栅布(008) 安装车轮挡块可以用举升机顶起部分车辆重量发动机舱 (009) 检查发动机冷却液液位 (010) 检查发动机机油液面 (011) 检查制动液液位 (012) 检查喷洗器液面 车灯 (013) 检查示宽灯点亮 (014) 检查牌照灯点亮 (015) 检查尾灯点亮 (016) 检查大灯 (近光)点亮(017) 检查大灯 (远光) 和指示灯点亮 (018) 检查大灯闪光开关和指示灯点亮 (019) 检查转向信号灯和指示灯点亮 (020) 检查危险警告灯和指示灯点亮 (021) 检查制动灯点亮(尾灯点亮时) (022) 检查倒车灯点亮 (023) 检查转向开关自动返回功能 (024) 检查仪表板照明灯点亮 (025) 检查顶灯点亮(026) 检查组合仪表警告灯(点亮和熄灭) 前挡风玻璃喷洗器(028) 检查喷射时刮水器联动 目测姓名 , 参赛号 作业顺评定期保养项目(本页共有 27 项)标准说明前挡风玻璃刮水器 (029) 检查工作情况 (低速) (030) 检查工作情况 (高速) (031) 检查自动回位位置 (032) 检查刮拭状况 喇叭 (033) 检查工作情况 驻车制动器 (034) 检查驻车制动杆行程 (035) 检查驻车制动器指示灯点亮 制动器(040) 测量制动踏板高度 (041) 测量制动踏板自由行程 (042) 检查制动助力器工作情况(下沉) 方向盘 (044) 检查自由行程 (045) 检查松驰和摆动外部检查准备 (047) 打开行李厢门 (048) 打开燃油盖 (049) 将顶灯开关旋至“DOOR ” (050) 将换挡杆置于空挡 门控灯开关车身螺母和螺栓(054) 检查座椅的螺栓和螺母是否松动姓名 , 参赛号 作业顺评定期保养项目(本页共有 18 项)门控灯开关 螺母和螺栓 (059) 检查车门的螺栓和螺母是否松动油箱盖 (060) 检查是否变形和损坏 (061) 检查连接状况 车灯 (062) 检查安装状况 (063) 检查是否损坏和有污垢 备用轮胎 (064) 检查是否有裂纹和损坏(065) 检查是否嵌入金属颗粒或其他异物(066) 测量胎面沟槽深度(测量规)(067) 检查是否有异常磨损 (068) 检查气压 (069) 检查是否漏气 (070) 检查钢圈是否损坏或腐蚀 螺母和螺栓(071) 检查行李厢门的螺栓和螺母是否松动后悬架 (072) 检查减振器的阻尼状态 (073) 检查车辆倾斜度维护项目作业表 [顶起位置1 (4/4)]姓名 , 参赛号 裁判签字 作业顺评定期保养项目(本页共有 13 项)标准说明门控灯开关 (074)检查工作情况(顶灯和指示灯工作情况)螺母和螺栓(075)检查座椅安全带的螺栓和螺母是否松动 (076)检查座椅的螺栓和螺母是否松动 (077)检查车门的螺栓和螺母是否松动 门控灯开关 (078)检查工作情况(顶灯和指示灯工作情况)螺母和螺栓(079)检查座椅安全带的螺栓和螺母是否松动 (080)检查座椅的螺栓和螺母是否松动 (081)检查车门的螺栓和螺母是否松动左 右 前悬架(082) 检查减振器的阻尼状态 (083) 检查车辆倾斜度 左 右 灯(084) 检查安装状况(085) 检查是否损坏和有污垢发动机舱(086) 检查发动机舱盖的螺栓和螺母是否松动维护项目作业表 [顶起位置 3 (1/2)]姓名 , 参赛号 裁判签字 作业顺评定期保养项目(本页共有 24 项) 标准说明 发动机机油 (排放) (087)检查是否漏油 (发动机各部位的配合表面) (088) 检查是否漏油 (油封) (089) 检查是否漏油 (排放塞) 传动带 (090) 检查是否变形(091) 检查是否损坏(磨损、裂纹、脱层或其他损坏)(092) 检查安装状况(传动带张力检查) 驱动轴护套 (093) 检查是否有裂纹、损坏(外侧) (094) 检查是否有裂纹、损坏(内侧) (095) 检查是否有泄漏(外侧) (096) 检查是否有泄漏(内侧) 转向连接机构 (097) 检查是否松动和摇摆 (098) 检查是否弯曲和损坏 (099) 检查防尘套是否有裂纹和损坏 制动管路 (100) 检查是否泄漏 (101) 检查制动管路上的压痕或其他损坏 (102) 检查制动管路软管扭曲、裂纹和凸起 (103) 检查制动器管道和软管的安装状况(松旷) 燃油管路 (104) 检查燃油是否泄漏 (105) 检查燃油管路是否损坏 排气管和安装件 (106) 检查排气管是否损坏 (107) 检查消声器是否损坏 (108) 检查排气管吊挂是否损坏或脱落 (109) 检查密封垫片是否损坏 (110) 检查排气管是否泄漏维护项目作业表 [顶起位置 3 (2/2)]姓名 , 参赛号 裁判签字作业顺评定期保养项目(本页共有 31 项) 标准说明悬架(111) 检查是否损坏 (转向节) (112) 检查是否损坏 (前减振器) (113) 检查是否损坏 (后减振器) (114) 检查是否泄漏 (前减振器) (115) 检查是否泄漏 (后减振器) (116) 检查是否损坏 (前减振器螺旋弹簧) (117) 检查是否损坏 (后减振器螺旋弹簧) (118) 检查是否损坏 (控制臂) (119) 检查是否损坏(稳定杆) 螺母和螺栓(车辆底部) 前悬架 (120) 球节×控制臂螺母 (121) 横梁连杆×横梁螺母 (122) 驱动轴轴端螺母 (123) 前控制臂×横梁螺母 (124) 横梁后部×车身螺母 (125) 后控制臂×横梁螺母 (126) 横梁前部×车身螺母 (127) 稳定连杆×滑柱总成螺母 (128) 稳定杆×横梁卡箍螺母 (129) 稳定杆×稳定连杆螺母 (130) 转向节×滑柱总成螺母/ 螺母 (131) 滑柱总成×车身螺母 (132) 球节×控制臂螺母 后悬架(133) 横梁×车身螺母(134) 滑柱减振器×滑柱座螺母 (135) 后从动连杆×转向节螺母 (136) 前平行连杆×转向节螺母 (137) 后平行连杆×横梁螺母 (138) 后平行连杆×转向节螺母 (139) 后从动连杆×从动连杆支架螺母 其他 (140) 排气管(141) 燃油箱维护项目作业表 [顶起位置 4]姓名 , 参赛号 裁判签字 作业顺评定期保养项目(本页共有 17 项)标准说明检查有无摆动 检查转动状况和噪声 拆卸车轮(左前)检查是否有裂纹和损坏检查是否嵌入金属碎片和异物 测量胎面沟槽深度 检查轮胎异常磨损 测量轮胎气压 检查轮胎漏气 检查钢轮损坏或腐蚀目视检查制动器摩擦片厚度(外侧) 测量制动器摩擦片厚度。
机加工车间生产设备二级保养规定1、设备的二级保养工作以机修工为主,操作者配合,保养后的设备要按要求,认真进行设备的精度测试,填写设备“二级保养验收单”。
2、设备二级保养为每6个月进行一次,由车间办公室按计划向各车间设备管理员发放保养通知单。
3、车间办公室及车间设备管理员应及时安排机修工及操作者进行二级保养:保养工时定额为每台2至3个工作日,操作者补贴工时,按实际保养日的50%计算。
4、除一级保养内容外,须对设备进行全面检查,包括外观。
5、将检查的结果用文字的形式作记录。
6、根据检查的记录,对能修复的零部件进行修复,对必须更换的零部件,应及时申报采购,以免影响工作进度。
7、拆洗零部件,调整各部件的配合间隙。
8、检查整机应有的精度和性能(应参照原始记录)。
9、调整恢复设备的精度和性能。
10、清洗润滑系统和装置。
11、更换已经使用到期或已变质的润滑油或冷却液。
12、检查和修理电器设备及控制系统。
13、检查和完善安全防护装置。
14、设备维修工进行二保后的工作全过程用文字形式作记录(主要对修复了什么零部件或更换了什么零部件,设备原有精度和性能及二保后的精度和性能等),交至车间办公室。
15、设备二级保养验收鉴定标准,应以完好设备条件为依据,并能满足加工工艺技术要求来进行。
16、二级保养的设备应由车间设备管理员、机修者和操作者共同验收、确认、签字后移交给使用部门。
17、设备的二级保养验收单,由车间办公室汇总,按年装订成册归档保存。
设备二级保养任务书(版本号:A/0)文件编号:LYHB/Q-63-10编制依据:GB/T19001-2008 idt IBO9001:2008《质量管理体系要求》分发号:001 受控号:043编制:审核:批准:2022年5月12日发布2022年5月12日实施****有限公司生产部设备二级保养任务书根据公司安全生产相关文件精神和实际加工的需求,确保设备正常运转和加工精度,提高设备使用寿命,根据生产安排,计划对公司内设备逐一进行二级保养。
工程车企业二级维护制度一、制度目的为了保障工程车的正常运行,延长车辆使用寿命,提高工程车的工作效率,特制定本制度。
二、适用范围本制度适用于公司内所有工程车辆的二级维护工作。
三、责任主体1. 负责人:负责制定、落实和监督本制度的执行情况。
2. 二级维护人员:负责具体的二级维护工作,包括车辆检查、维护保养等。
3. 驾驶员:协助二级维护人员进行车辆检查,并及时报告发现的问题。
四、二级维护内容1. 每辆工程车辆每3000公里进行一次二级维护,包括但不限于以下内容:(1)更换机油和机油滤清器;(2)检查并更换空气滤清器;(3)检查并更换燃油滤清器;(4)检查并调整发动机的燃烧时间;(5)检查并更换刹车油;(6)检查轮胎磨损情况并调整气压。
2. 每半年对车辆进行一次全面检查,包括但不限于:(1)检查车辆底盘、传动系统、悬挂系统等关键部件的磨损情况;(2)对车辆的润滑情况进行检查,并及时补充润滑油;(3)对车辆的制动系统进行检查,并进行必要的调整;(4)清洗车辆的发动机和散热系统,确保散热良好。
五、二级维护流程1. 二级维护负责人根据车辆使用情况和维护周期制定二级维护计划,并通知驾驶员和维护人员。
2. 驾驶员将车辆送至指定地点进行二级维护,维护人员根据维护计划进行具体操作,并做好维护记录。
3. 维护完成后,二级维护人员将车辆交还给驾驶员,并向负责人提交维护记录和维护报告。
4. 负责人根据维护记录和维护报告对二级维护情况进行审核,及时发现问题并提出改进建议。
六、二级维护制度的执行1. 公司要建立健全相关的制度和管理体系,确保二级维护工作的顺利开展。
2. 二级维护人员要严格按照工作流程进行操作,确保维护质量。
3. 驾驶员要配合维护人员进行车辆检查,并积极反馈问题,确保车辆在二级维护期间的安全运行。
4. 负责人要对二级维护工作进行监督和检查,及时发现问题并解决。
七、制度的改进与完善公司要定期对二级维护制度进行评估和改进,提高维护效率和质量。
汽车二级维护主要内容作业标准汽车作为损耗品,为保持其具有的优良性能,一般每行驶5000公里就要进厂做二级维护保养。
二级保养是除执行一级保养作业内容外,调整、检查发动机和底盘各部件工作情况,使其保持良好的技术状况。
通常作业要求如下:一、发动机部分:(1)起动发动机,倾听发动机的怠速、中速和高速运转时有无杂音异响。
(2)检验气缸压力或真空度,必要时清除燃烧室积炭及研磨气门、调整气门脚间隙,检查油封及曲轴后轴承有无漏油现象。
(3)根据情况拆栓化油器、汽油泵,必要时在试验台上试验、调整,使其符合标准;拆先空气滤清器和更换机油,清理汽油滤清器检查管道和接头。
(4)检查紧固气缸盖,进、排气歧管及消声器的螺栓、螺母,检查发动机固定情况,飞轮壳与缸体的连接和紧固情况。
(5)清理机油粗、细滤清器(更换细滤芯),拆洗耳恭听油底壳,清洗机油泵和机油集滤器,擦试和检查气缸壁,检查轴瓦(必要时进行调整),装上油底壳并紧固,按规定加注对号的新机油至规定油面。
(6)检查空气压缩机工作情况及管道密封性,调整皮带松紧度,排除贮气微内的油水及污物,检查刮水器及其气道。
(7)检查散热器及罩盖的固定情况、水泵工作情况,有无漏水,水泵轴加润滑脂,检查百叶窗工作效能。
二、离合器及传动部分:(8)检查离合器效能及底盖螺栓,调整跳板自由行程,向跳板轴加注润滑脂。
(9)检查变速器放出齿轮油,清洗变速箱及齿轮,检查齿轮、轴及变速机构的磨损器与飞轮壳螺栓的紧固情况,装复变速器盖,加注对号的齿轮油至规定高度。
(10)检查万向节,根据情况调换十安轴的方向,检查传动轴、伸缩套的松旷情况,检查中间支撑架及轴承,加注润滑脂,紧固拖车钩螺母。
(11)检查手制动器工作情况,机伯连接紧固情况,调整手制动部分,制动蹄销加注润滑脂。
(12)根据情况拆栓主减速器和差速器,检查齿轮的啮合情况,调整轴承的松紧度,添加或更换齿轮油,疏通通气孔,检查是否漏油,紧固螺丝栓、螺母。
上海市“星光计划”第五届中等职业学校职业技能大赛汽车二级维护竞赛方案上海市星光计划组委会竞赛办公室二○一二年十二月目录1. 简介 (1)1.1项目名称 (1)1.2 配套职业资格证书名称 (1)1.3项目说明 (1)2. 竞赛内容 (1)2.1理论知识竞赛的主要内容 (1)2.2操作技能竞赛的主要内容和要求 (2)2.2.1模块一:汽车二级维护 (2)3. 评分标准 (3)3.1技能评分细则(参照) (3)4. 安全规定 (5)5. 材料与设备 (5)5.1基本设施清单 (5)5.2竞赛选手自备的材料、设备和工具 (8)5.3竞赛场地禁止使用的材料和设备 (8)附录 (9)1. 简介1.1项目名称汽车二级维护1.2 配套职业资格证书名称汽车维修工(四级)1.3项目说明本竞赛项目分为理论知识和操作技能两个部分:理论知识为闭卷机考,90分钟,其中判断题60题,单选题140题;操作技能竞赛分1个模块,竞赛时间为90分钟。
竞赛项目的操作技能部分是要参赛选手在规定时间内,完成对汽车常规二级维护的全面工作。
通过竞赛,使参赛选手充分展示职业技能和团队协作精神。
参赛选手必须是中职学校在籍学生,比赛以团队方式进行,每支参赛队由2名选手组成,其中队长1名。
本竞赛方案是对第五届“星光计划”职业技能竞赛内容的框架性描述,具体内容要求以竞赛样题为准。
2. 竞赛内容2.1理论知识竞赛的主要内容理论知识竞赛的主要内容为:1、汽车维修基础知识。
2、整车二级维护3、发动机构造和基本工作原理4、空调系统构造和工作原理5、发动机检修6、汽车底盘构造、工作原理7、底盘检修8、汽车维修质量检验9、电控系统故障诊断与排除。
等,具体细目表见附录2.2操作技能竞赛的主要内容和要求竞赛项目包括1个模块:汽车二级维护。
2.2.1模块一:汽车二级维护时间:90分钟2012年上海市“星光计划”第五届中等职业学校职业技能大赛2.2.1模块一汽车二级维护项目由2人一组共同完成。
设备二级保养基本作业项目、项修及工时定额标准第一章总则第一条根据目前设备资源的实际情况,为确保设备完好率,确保项目快速启动,高效运作,经吐哈物探处(以下简称物探处)设备物资管理委员会研究决定,对物探处的设备维修,主要按“二保+项修”修理级别执行。
二保作业项目内容和相关工时定额标准以此规定为准。
第二条本规定适用于设备维修保养中心、地震队、钻井运输服务中心及各设备所属单位。
第二章二保作业项目内容第三条车辆外表部分(1)检查车辆驾驶室、翼板、散热器、引擎盖的紧固状况。
(2)检查车辆有无裂痕,铆钉及焊接是否松动并进行紧固和修补。
(3)检查固定、校正保险杠、脚踏板、挡泥板、燃油箱、储气筒、备胎架、工具箱等各项装置的连接部分。
(4)检查修理雨刮器、百叶窗。
(5)检查紧固驾驶室,并检查门锁、玻璃摇机升降及车把是否正常,必要时加以调整、润滑。
(6)检查车辆外表(包括车箱)油漆情况,必要时给予补漆。
(7)检查驾驶室座椅连接是否牢固、座椅有无变形与破裂。
第四条发动机部分(1)测试气缸压力,检试发动机怠速和加速运转时状况;检查、调整气门间隙、调校喷油器、清洗呼吸器等。
(2)检查并紧固气门室盖,进排气歧管及消声器螺栓、螺帽。
(3)拆洗化油器,调整油面高度,检查针阀的密封性。
(4)检查进、出油阀和各油管接头的密封性。
(5)检查、调整并紧固水箱、水泵、传动皮带、非水箱(风冷设备)的固定和松紧度,轴承是否松旷,水封是否漏水,测试水箱的容量及内部是否清洁,并检查有无漏水现象,必要时进行通洗。
(6)检查压缩机的固定及管线接头的密封性,检测并调整系统工作压力。
(7)检查、调整离合器间隙;紧固飞轮壳螺丝,并检视其效能。
第五条底盘部分(1)检查变速箱、分动箱的紧固情况,检查、修理操纵部分,清洗呼吸器。
(2)检查、调整、修理手制动器。
(3)检查、调整、紧固、修理传动轴、万向节、中间支撑轴架。
(4)检查前、后桥、中桥各部连接的紧固情况及有无漏油,拆除后盖或旁盖视查齿轮啮合情况及被动齿轮连接螺栓或铆钉有无松动,轴承有无旷量,必要时加以调整。
广州市健稳汽车贸易有限公司收费标准维修项目工时费报价明细表[货币单位:人民币元]维修项目Ⅰ项目收费现行价维修项目类别整车保养项目①编号101102103104105106107一类二类三类2000-3000C3000CC以上C2000CC以下一级维护230200180二级维护480430380新车1000KM保养、5000KM保养160120100 10000公里(包含15000、25000、35000、45000、55000公里)35030024530000公里级定期保养(包含9000公里级)38038034520000公里级定期保养35030024540000公里级定期保养38038034560000公里级定期保养81010万公里级定期保养911450400350 5004504000 11 1 11 2 11 3 11 4 11 5 11 6 11 7 11 8发动机,底盘一保220180150发动机,底盘二保450400350更换机油,机油滤清器806040更换波箱油605030整车美容护理380360330整车大修1200090008000150000公里全车保养900800700大修发动机附离合器280020001500车身保养300250200底盘中修912底盘大修12整车中修112保养四轮刹车212保养冷却系统312保养空调系统412保养方向系统512保养灯光系统612清洗发动机712清洗水箱加冷却液812传动轴保养91000800600 200015001200 650055004500 260200160 806050 806050 907060 605040 1009080 12010080 12010080维修项目Ⅱ广州市健稳汽车贸易有限公司收费标准13初驶保养 013检修电子燃油喷射 113电器系统一级维护 213电器系统二级维护 3120 100 90580 480 38090 80 70190 150 110广州市健稳汽车贸易有限公司收费标准212清洗喷嘴5480380280维修项目Ⅲ维修项目Ⅳ维修项目Ⅴ类编维修项目项目收费现行价广州市健稳汽车贸易有限公司收费标准广州市健稳汽车贸易有限公司收费标准维修项目Ⅵ广州市健稳汽车贸易有限公司收费标准维修项目Ⅶ广州市健稳汽车贸易有限公司收费标准广州市健稳汽车贸易有限公司收费标准维修项目Ⅷ维修项目Ⅸ项目收费现行价类编二类三类维修项目别号一类3000CC以上2000-3000CC2000CC以下901 902拆装车身饰件1100900800拆装仪表台400360320903更换前中网808080904更换前或后档风玻璃680480200 905更换发动机盖220180100 906更换发动机仓前龙门架120120120 907更换发动机盖锁并调整808080 908更换发动机盖拉索拉手404040 909更换倒车镜605050 910拆装倒车雷达180120100 911更换前翼子板160120100 912更换后翼子板650550450 913更换前车门(个)200200200车身部分⑨914更换前门玻璃(件)20015095 915拆装前门内饰板(件)1008060 916拆装后门饰板1008060 917拆装向管柱918更换车身前立柱400400350 919更换车身中立柱400400350 920更换前门锁机并调整(个)12010080 921更换后门锁机并调整12010080 922更换落水槽饰条(条)000 923更换前门玻璃绒槽(条)180160120 924更换后门玻璃绒槽180160120 925更换前门升降器或马达20012095926 927 928 929 930 931 932 933 934 935 936 937 938更换后门升降器或马达20012095更换门锁驱动器(个)12010080更换后门玻璃(件)180160120更换行李箱盖280260220更换前保险杠220160145更换后保险杠220160145更换点火开关及点火锁280180120更换全车标志1008060更换全车锁380280250安装全车电镀楣808080更换天窗玻璃150150150拆装天窗机构400300300更换后门三角窗120120120939更换车身下裙480450380 940更换后门玻璃外压条303030 941更换前门玻璃外压条303030 942校正大梁150014001300 943更换车身地毯250200200 944更换车顶900800700 945拆装驾驶室天花400300200 946拆装汽油箱680480240 947更换油箱拉索1008080948 949 950更换油箱开启盖303030更换水箱上支架120120120更换水箱下支架120120120车身部分⑨951更换车门防水胶条1008060 952更换车门外拉手505025 953更换车门内拉手1008060 954更换车门限位器404040 955更换后车门200200200 956957958959960拆装行李箱内饰件1208050更换行李箱后围板380380280更换行李箱拉簧806040无拆装前排座椅806040 961拆装后排座椅及靠背806040 962更换挡泥胶(四轮)404040 963更换前轮内挡泥衬胶(单边)404040 964更换后轮内挡泥补胶(单边)404040 965更换车门防撞胶505050 966更换大灯下支架1208050 967更换前保险杠上支架120120100 968更换后保险杠上支架120120100 969更换前叶子板内托(左或右)120100809128换叶子板饰条404040维修项目Ⅹ项目收费现行价类编二类三类维修项目别号一类3000CC以上2000-3000CC2000CC以下100全车内外沙板凹位一般6006005001 1002 1003 100霉烂位修复及校正严重900900800发动机盖凹位修复及校正150130120左前叶子板凹位修复及校正1501301204右前叶子板凹位修复及校正150130120 1005车顶凹位修复及校正200180160 1006左前门凹位修复及校正150130120 1007右前门凹位修复及校正150130120钣 金 ⑩广州市健稳汽车贸易有限公司收费标准维修项目Ⅺ项目收费现行价类编二类三类维修项目别号一类3000CC以上2000-3000CC2000CC以下广州市健稳汽车贸易有限公司收费标准9111后车门烤漆0111前立柱烤漆1111中立柱烤漆2111后立柱烤漆3111车门上幅烤漆4111车门下幅烤漆5旧件550500450残破600550500新件500450400旧件550500450残破600550500旧件400350300残破450400350旧件400350300残破450400350旧件400350300残破450400350旧件300250200残破350300250旧件300250200残破3503002501116车门防撞条烤漆100100100 1117沙板修复位补漆300250200新件300250200 111车身下裙条旧件350300250 8烤漆残破400350300。
精品文档,放心下载,放心阅读汽车维修工时定额、单价标准一、汽车维修工时单价标准:一类维修企业每工时10,可上下浮动30%;二类维修企业每工时8元,三类维修业户每工时5元,机加工、车辆急修每工时14元,可上下浮动30%。
其中一、二类维修工时单价不含辅助费,三类和机加工、精品文档,超值下载车辆急修含辅料费。
二、维修费的具体构成:维修费=工时费+材料费+其他费用1、工时费=工时定额×工时单价本《标准》规定的工时定额为最高标准,企业可以根据维修车辆具体情况,在不超过本《标准》范围内确定具体的收费结算工时。
2、材料费:是指维修过程中实际消耗的外购件费(含配件、漆料、油料、辅助材料等)和自制配件费。
漆料、油料,按实际消耗量结算。
3、其他费用:包括外加工费及材料服务费等。
外加工费:是指在维修过程中,发生在厂外加工的费用,按实际外加工费结算。
材料服务费:是指材料的采购过程中发生的装卸、运输、保管、损耗等费用。
三、维修费用结算规定1、本《标准》未列车型的维修工时定额,可参照同类车型工时定额,并由承、托修双方商定后签订维修合同。
2、进口或引进技术生产的客、货车整车或总成大修工时按同类国产车工时定额增加不得超过30%。
3、卧铺客车车身大修工时按同类客车车身工时增加不得超过20%。
4、各类双排座车大修,其车头、车身、蓬垫部分的工时按同类车型相应工时增加不超过20%。
5、带有轮边减速器的车辆,减速器的修理,按原前后桥工时增加不超过20%。
6、前驱动装置的车辆,驱动装置大修按其同类车前桥工时增加不超过20%。
7、方向机装有液压助动装置的车辆,其液压助动装置大修,按同类车型前桥工时另增不超过20%。
8、大梁断裂(复加),更换二跟以上横梁的,由承托修双方商定后签订维修合同。
9、装有独立机组装置的车辆,独立机组大修时按相应发动机总成大修工时结算。
10、装有空调装置的轻型客车大修时增加不超过50工时,中、大型客车增加不超过100工时,货车增加不超过40工时。
汽车维修项目工时费收费表及附属表以下是汽车维修项目工时费收费表及附属表:报价类别序号维修项目一类完工时间二类完工时间三类完工时间1 更换机油和机油滤清器 240.00 720.00 38.402 更换空气滤清器 48.00 38.403 更换燃油滤清器 38.40 38.404 更换火花塞 57.60 76.80 307.205 更换制动液 76.80 115.20 537.606 更换变速器油 34.56 76.807 更换转向助力油 28.80 192.008 更换冷却液 288.00 460.809 更换刹车片 268.80 460.8010 更换刹车盘 384.00 460.8011 更换制动鼓 19.20 460.8012 更换离合器片 57.60 345.6013 更换离合器总泵 180.00 540.0014 更换离合器分泵 20.00 25.0015 更换发动机皮带 20.00 20.0016 更换发动机水泵 30.00 80.0017 更换发动机风扇皮带 40.00 60.0018 更换发动机风扇 160.00 280.0019 更换发动机散热器 18.00 40.0020 更换空调滤清器 15.00 100.0021 更换空调压缩机 150.00 240.0022 更换空调冷凝器 140.00 240.0023 更换空调蒸发器 30.00 40.0024 更换空调管路 240.00 240.0025 更换发动机缸体 10.00 240.0026 更换发动机缸盖 30.00 180.00每个项目的费用根据车辆的排量和维修类别而有所不同。
排量分为2000cc以下、2000-3000cc、3000cc以上三种。
维修类别分为一类完工、二类完工和三类完工。
费用也因此而有所不同。
整车保养项目:一级维护:1.换发动机油2.换机油滤格3.换尾牙油4.换分动箱油5.换方向助力泵油6.换刹车油及排空气7.换离合器油8.调整气门间隙9.调校离合器10.调校手刹车11.调校前轮定位12.调校四轮定位13.调校转向角度14.调校方向留游隙15.换汽油滤格16.换火咀17.清洗或换空气滤格18.清洗化油器19.清洗汽油箱20.清洗喷油咀21.清洗水箱22.换前刹车皮23.换后刹车皮24.调换轮胎25.调整灯光26.保养四轮轴承27.保养传动轴内外球笼28.保养四门玻璃升降机29.加电池水,换电池30.检查补充轮胎气压31.检查补充全车油水32.检修四轮刹车33.清洗发动机外表,洗车吸尘34.检测电脑电器系统二级维护:发动机:1.调整火位2.调整怠速3.检测废气4.更换雨刮片5.调校前束6.发动机大修7.更换发动机总成8.更换汽油泵9.检修曲轴箱机油集滤器10.更换连杆轴承11.更换发动机全套活塞环12.更换发动机全套活塞环连杆13.研磨全部气门14.更换机油感应器15.更换风扇,水泵冷气机之皮带16.检修分电器17.更换时规带、时规带XXX18.更换皮带XXX或过渡轮19.更换曲轴前油封20.更换时规齿链条21.更换发动机脚胶22.更换油底壳垫23.更换水泵24.更换水箱25.更换喷油咀26.更换气缸床(垫)27.更换气门盖胶条传动系统:1.手动变速箱大修2.机械自动变速箱大修3.电子自动变速箱大修4.后桥差速器大修5.换离合器分离轴承6.更换离合器液压总泵7.更换离合器液压分泵8.更换离合器片、离合器压板9.检修变速箱操纵机构10.更换变速箱后油封整理文本。
7.5二级维护基本作业项目二级维护作业内容包含一级维护作业内容,二级维护基本作业项目见表3。
表3二级维护基本作业项目序号维护项目作业内容技术要求1发动机润滑油、机油滤清器1)更换润滑油2)视情更换机油滤清器1)润滑油规格性能指标符合规定2)液面高度符合规定3)机油滤清器密封良好,无堵塞,完好有效2检查润滑油油面高度检查转向器、变速器、主减速器等润滑油规格和液面高度,不足时按要求补给符合出厂规定3 空气滤清器清洁空气滤清器空气滤清器清洁有效,安装可靠恒温进气装置真空软管安装可靠。
进气转换阀工作灵敏、准确41)油箱及油管2)燃油滤清器3)燃油泵1)检查接头及密封情况2)清洁燃油滤器,并视情更换3)检查燃油泵,必要时更换1)接头无破损、渗漏,紧固可靠2)燃油滤清器工作正常3)燃油泵工作正常、油压符合规定5 燃油蒸发控制装检查清洁,必要时更换工作正常置表3(续)序号维护项目作业内容技术要求6 曲箱箱通风装置检查、清洁清洁畅通。
连接可靠,不漏气,各阀门无堵塞、卡滞现象,灵敏有效,符合规定7 散热器、膨胀箱、百叶窗、水泵、节温器、传动皮带1)检查密封情况、箱盖压力阀、液面高度、水泵2)检视皮带外观,调整皮带松紧度1)散热器及软管无变形、破损及渗漏;箱盖接合表面良好。
胶垫不老化、箱盖压力阀开启压力符合要求;水泵不漏水。
无异响;节温器工作性能符合规定2)皮带应无裂痕和过量磨损,表面无油污、皮带松紧度符合规定81)进、排气歧管、消声器、排气管2)气缸盖1)检查、紧固,视情补焊或更换2)按规定次序和扭紧力矩校紧气缸盖1)无裂痕、漏气、消声器性能良好2)扭紧力矩符合规定9 增压器、中冷器检查、清洁符合规定10 发动机支架检查、紧固连接牢固、无变形和裂缝11化油器及联动机构清洁、检查、紧固清洁,联动机构运动灵活,连接牢固。
无漏油、气现象,工作系统和附加装置工作正常12 油器、喷油器检查喷油器和喷油泵的作用,必要时检测喷油压力和喷油状况,视情调整供油提前角1)喷油器雾化良好、无滴油、漏油现象,喷油压力符合规定2)供油提前角符合规定13 分电器、高压线清洁、检查分电器无油污,调整触点间隙在规定范围内,无松旷、漏电现象、高压线性能符合规定14 火花塞清洁、检查或更换火花塞,调整电极间隙电极表面清洁,间隙符合规定15 气门间隙检查调查符合规定16电控燃油喷射系统供油管路检查密封状况密封良好,作用正常17 三效催化装置检查三效催化装置的作用,必要的更换作用正常18 离合器检查调整离合器踏板自由行程离合器踏板自由行程符合规定19 前轮制动1)检查前轮制动器调整臂作用正常的作用2)拆卸前轮毂总成、制动蹄、支承销;消洗转向节、轴承、支承销、清洁制动底板等零件清洁、无油污3)检查制动盘、制动凸轮轴,校紧装置螺栓1)制动底板不变形,按规定力矩扭紧装置螺栓2)凸轮轴转动灵活、无卡滞,转向间隙符合规定4)检查转向节及螺母、保险片及油封、转向节臂,校紧装置螺栓1)转向节无裂纹,螺纹完好,与螺母配合应无径向松旷,保险片作用良好,油封完好不漏油2)转向节轴径与轴承的配合间隙符合要求,转向节臂装置螺栓扭紧力矩符合规定表3(续)序号维护项目作业内容技术要求19前轮制动5)检查内外轴承液柱保持架无断裂,滚柱无脱落,无裂损和烧蚀,轴承内圈无裂损和烧蚀6)检查制动蹄及支承销1)制动蹄无裂损及明显变形,摩擦片不破裂,铆接可靠,摩擦片厚度符合规定2)支承销无过量磨损,支承销与制动蹄承孔衬套配合间隙符合规定7)检查制动蹄复位弹簧复位弹簧应无明显变形,自由长度、拉力符合规定8)检查前轮毂、制动鼓及轴承外座圈,校紧轮胎螺栓内螺母1)轮毂无裂损2)轴承外座圈无裂纹,无麻点,无烧蚀3)制动鼓无裂纹,外边缘不得高出工作表面,检视孔完整,内径尺寸、圆度误差、左右内径差符合规定4)轮胎螺栓齐全完好,规格一致、按规定力矩钮紧9)装复前轮毂、调整前轮轴承松紧度及制动间隙1)装复支承销,制动蹄支承销孔均应涂润滑脂,开口销或卡簧齐全有效2)润滑轴承3)制动鼓、制动片表面清洁,无油污4)制动片与制动鼓的间隙应符合规定,转动无碰擦现象或声响,检视孔挡板齐全5)轮毂转动灵活,用拉力计测量时可转动、且无轴向间隙6)保险可靠,防尘罩、衬垫完好,螺栓垫圈齐全紧固(螺栓规格一致)20 后轮制动1)拆半轴、轮毂总成、制动蹄、支承销,清洗各零件及制动底板、半轴套管1)轮毂通气孔畅通2)各零件及制动盘、后桥套管清洁无油污2)检查制动底板、制动凸轮轴,校紧连接螺栓1)制动底板不变形,连接栓按规定力矩紧固2)凸轮轴转动灵活,无卡滞,轴向间隙和径向间隙符合规定3)检查后桥半轴套管、螺母及油封1)套管无裂纹及明显松动,与螺母配合无径向松旷2)油封完好,无损坏,无漏油3)套管颈与轴承配合间隙符合规定4)检查内外轴承1)轴承保持架无断裂,滚柱不脱落,无裂损和烧蚀2)轴承内座圈无裂纹、烧蚀5)检查制动蹄急支承销1)制动蹄无裂纹及变形,摩擦片不破损,铆接可靠,摩擦片厚度符合规定2)支承销与制动蹄承孔衬套配合间隙符合规定3)支承销无过量磨损6)检查制动蹄复位弹簧复位弹簧无变形,自由长度符合规定,拉力良好表3(续)序号维护项目作业内容技术要求20 后轮制动7)检查后轮毂、制动鼓急轴承外座圈,检查扭紧半轴螺栓,检查轮胎螺栓,校紧内螺母1)轴毂无裂损2)轴承外座圈不松动,无损坏3)制动鼓舞裂纹,内径、圈度误差、左右内径差符合规定,外边缘不得高出工作表面,制动鼓检视孔完整4)半轴螺栓齐全有效8)检查半轴半轴无明显变曲,不磨套管,无裂纹,花键无过量磨损或钮曲变形9)装复后轮毂,调整制动间隙1)装复支承销、制动蹄片时,承孔均应涂润滑脂,开口销或卡簧齐全可靠2)润滑轴承3)套管轴颈表面应涂机油后再装上轴承4)制动蹄片、制动鼓面应清洁,无油污5)制动蹄片与制动鼓的间隙应符合规定,转动物碰擦现象和声响,检视孔挡板齐全紧固6)轮毂转动灵活,拉力符合规定7)锁紧螺母按规定力矩扭紧21转向器、转向传动机构1)检查转向器传动机构的工作状况和密封性,校紧各部螺栓2)检查调整转向盘自由转动量转向盘自由转动量符合规定,转向轻便、灵活,无卡滞和漏油现象。