千枚岩隧道Ⅲ、Ⅳ级围岩光面爆破施工工法(2)
- 格式:docx
- 大小:11.44 KB
- 文档页数:3
隧道光面爆破施工工法一、工艺原理光面爆破是控制开挖轮廓的一种爆破技术,它沿开挖轮廓周边布孔,利用主炮孔爆破后形成的良好临空面,在光爆层中起爆,借以减少光爆孔爆破的夹制作用,降低炸药单耗,减少一次起爆药量,使其获得平滑的开挖廓面,减轻围岩的破坏,减小超欠挖和避免产生冒顶和坍塌。
二、光面爆破技术要点隧道开挖应根据工程地质条件、开挖断面、开挖方法、掘进循环进尺、钻眼机具和爆破器材等结合爆破振动要求进行钻爆设计。
施工中应根据爆破效果不断调整爆破参数。
2.1爆破参数选定2.1.1周边眼间距E周边眼间距直接控制开挖轮廓线平整度的主要因素,一般E=(12~15)d,其中炮眼直径d=35~45cm,对于节理发育,层理明显的围岩地段,周边眼的间距可适当减小,也可在两个炮眼之间2.1.2最小抵抗线W(光面层厚度)最小抵抗线W直接影响光面爆破效果和爆碴块度,周边抵抗线应大于周边眼间距E,软岩取较小的E值时,W值应适当增大。
2.2周边眼装药结构2.2.1软岩周边眼装药结构一般采用两种形式:一种是较破碎围岩采用空气间隔装药,导爆索传爆。
导爆索作为炮眼装药时,按10g/m折算为2号岩石硝铵炸药。
另一种是较完整的软弱岩层采用小直径光爆炸药连续装药。
分别如下图所示:2.2.2硬岩周边眼装药结构硬岩一般采用导爆索间隔装药,装药结构如下图:炮泥导爆索药卷周边眼间隔装药结构(单位:cm)除周边眼、中空眼外,其余掏槽、底眼、掘进眼的装药结构均为连续装药,只是装药长度不同2.2本隧道钻爆参数①循环进尺的确定:根据实际情况,为减少对围岩的扰动,IV、V级围岩根据钢架支护间距确定,本隧道IV级围岩2.0m,V级围岩1.0m,II、III级围岩不大于3.5m。
②钻孔直径选择:采用Φ42mm钻眼直径,炸药选择2号岩石乳化炸药。
③隧道开挖断面的大小:由岩石和开挖方法确定。
,总药量Q=q单×S×L,式中q单是单耗,本隧道初步确定q单=0.9Kg/m3左右。
千枚岩隧道Ⅲ、Ⅳ级围岩光面爆破施工工法千枚岩隧道Ⅲ、Ⅳ级围岩光面爆破施工工法一、前言千枚岩隧道Ⅲ、Ⅳ级围岩光面爆破施工工法是在隧道建设中应用的一种特殊的爆破施工工法。
本文将详细介绍该工法的特点、适应范围、工艺原理、施工工艺、劳动组织、机具设备、质量控制、安全措施、经济技术分析以及工程实例。
二、工法特点千枚岩隧道Ⅲ、Ⅳ级围岩光面爆破施工工法的特点有:1. 适用范围广:可应用于具有III级至IV级围岩的隧道施工项目。
2. 施工效率高:通过合理的爆破设计和施工工艺,能够快速、高效地完成爆破作业,提高施工效率。
3. 施工质量好:采用先进的爆破技术和工艺,保证了隧道开挖的光面平整度,确保了施工质量。
4. 安全可靠:严格遵守安全操作规程,采取必要的安全措施,确保施工人员和设备的安全。
三、适应范围千枚岩隧道Ⅲ、Ⅳ级围岩光面爆破施工工法适用于具有III级至IV级围岩的各类隧道建设项目,特别适用于千枚岩等硬岩层的施工。
四、工艺原理该工法的工艺原理主要是通过合理的爆破设计和施工工艺,利用爆破作用将岩石破碎,达到开挖隧道的目的。
具体工艺原理包括:1. 爆破设计:根据实际工程要求和围岩特性,对爆破参数进行优化设计,包括爆破孔径、装药量、起爆顺序等。
2. 支护材料选择:根据围岩特性选择合适的支护材料,确保光面的平整度和稳定性。
3. 施工工艺设计:根据爆破设计和现场实际情况,确定合理的施工工艺,包括爆破顺序、拆除顺序等。
五、施工工艺该工法的施工工艺包括以下几个阶段:1.前期准备:包括隧道进口和出口的设置、施工方案的制定、设备调试等。
2. 爆破孔开挖:根据爆破设计要求,进行爆破孔的开挖工作。
3. 装药、起爆:将爆破孔进行装药,按照起爆顺序进行起爆作业。
4. 破碎、清理:爆破后,进行破碎和清理工作,确保隧道光面的平整度。
5. 光面处理:根据需要,对光面进行处理,包括刷涂防水、防火涂层等。
6. 支护工作:根据设计要求,对光面进行支护施工,确保光面的稳定和安全。
隧道光面爆破方案1. 引言隧道光面爆破是一种常见的隧道施工方法,它通过使用高压气体或液体在隧道岩石表面形成高热和高压力,从而破裂和剥离岩石。
本文将介绍隧道光面爆破方案的详细步骤和要点。
2. 方案准备在进行隧道光面爆破之前,需要进行充分的方案准备工作,包括以下步骤:• 2.1 确定施工范围和目标:确定需要爆破的隧道部分和预期的爆破效果。
• 2.2 进行现场勘探和测量:对施工区域进行详细的现场勘探和测量,了解地质条件和岩石性质。
• 2.3 分析岩石性质和强度:根据勘探和测量结果,分析岩石的性质和强度,确定适合的爆破参数。
• 2.4 制定爆破方案:根据岩石性质和工程要求,制定详细的爆破方案,包括爆破参数、爆破序列和安全措施等。
3. 方案实施实施隧道光面爆破方案时,需要遵循以下步骤和要点:• 3.1 清理施工区域:在爆破前,需要清理施工区域,将可能干扰施工的障碍物清除。
• 3.2 铺设爆破孔:根据爆破方案,使用钻探设备在岩石表面钻探爆破孔,确保孔深和孔径符合要求。
• 3.3 注入爆破药剂:将爆破药剂注入爆破孔中,并按照方案要求进行药量和药剂类型的控制。
• 3.4 密封爆破孔:在完成爆破药剂注入后,使用爆破密封材料密封爆破孔,确保爆破能量集中在孔内。
• 3.5 进行爆破作业:在确保施工区域安全的前提下,使用爆破装置引爆爆破药剂,观察并记录爆破效果。
• 3.6 清理爆破残留物:在爆破后,清理施工区域的爆破残留物,并进行必要的修复工作。
4. 安全措施为了保障施工人员的安全和减少施工风险,必须采取以下安全措施:• 4.1 员工培训:对施工人员进行专业培训,提高他们对施工风险和安全措施的认知。
• 4.2 安全装备:为施工人员配备适当的个人防护装备,如安全帽、防护眼镜、耳塞等。
• 4.3 安全区域设立:在施工区域周边设立安全区域,限制未经授权人员的进入。
• 4.4 安全监测:对施工区域进行安全监测,及时发现和排除安全隐患。
光面爆破施工工法摘要:光面爆破施工工法是一种在岩石或混凝土表面进行爆破施工的方法。
本文将介绍光面爆破施工工法的原理、施工步骤和应用范围,同时探讨了该工法的优势和注意事项。
引言:在构筑物建设和岩石开采过程中,常常需要对岩石或混凝土进行破碎,以便于后续的开挖、拆除或铺设工作。
传统的爆破施工方法往往会对周围环境产生较大的影响,甚至会引发安全隐患。
因此,寻找一种对周边环境影响较小、施工效率较高的爆破施工工法显得尤为重要。
光面爆破施工工法则是一种理想的选择。
一、光面爆破施工工法的原理光面爆破施工工法是利用高压气体驱动特殊橡胶垫带在岩石或混凝土表面形成空腔,然后在空腔内引爆药包实现破碎的一种施工方法。
该方法的核心是通过橡胶垫带的负压吸附作用,在其与基础物质的接触区域形成一片真空,使药包内的爆炸能量得以集中释放,从而实现对岩石或混凝土的有效破碎。
二、光面爆破施工工法的施工步骤1. 施工准备:确定施工地点、制定施工方案,并进行相应的安全防护措施,包括设置警戒区域和告示牌等。
2. 橡胶垫带铺设:根据施工计划,将橡胶垫带铺设在需要进行爆破施工的岩石或混凝土表面。
橡胶垫带的贴合度对施工效果影响较大,应确保橡胶垫带紧贴表面。
3. 空腔形成:通过调节橡胶垫带与岩石或混凝土表面的接触压力,形成一片空腔,使橡胶垫带与底层物质分离。
4. 药包引爆:在空腔内放置好药包,并在安全距离外引爆药包。
药包的爆炸能量将集中释放在空腔内部,实现对岩石或混凝土的破碎。
5. 清理施工现场:等待爆炸冲击波经过后,对爆破残渣进行清理,恢复施工现场的原貌。
三、光面爆破施工工法的应用范围光面爆破施工工法适用于多种各有不同硬度的岩石和混凝土表面,包括建筑物拆除、隧道开挖、地下矿井开采等场景。
相比传统的爆破施工方法,光面爆破施工工法的应用范围更广,施工效率更高。
四、光面爆破施工工法的优势1. 环境友好:光面爆破施工工法不会产生大量的噪音和震动,对周围环境的影响较小,减轻了对附近居民和生态环境的干扰。
光面爆破施工工艺1 前言1.1工艺概况光面爆破20世纪50年代末首先在瑞典兴起,1952年在加拿大首先使用,现已被规定为隧道掘进工程中的标准方法。
隧道采用光面爆破能使围岩周边形成平滑圆顺的表面,可以有效控制周边超欠挖,减少围岩扰动,减少支护工程量。
同普通爆破相比,光面爆破能取得巨大经济效益、安全效益和其它综合效益。
光面爆破的优点是明显的,但光爆效果随着地质条件的不同差异很大,参数选择也必须根据地质条件不同而采用不同的参数。
要取得理想的爆破效果,必须了解光爆的作用原理和影响参数,通过爆破初步设计,并反复实践才可达到良好的爆破效果。
我们通过石林隧道Ⅱ、Ⅲ级围岩光面爆破的设计,并结合地质条件、钻孔设备、设计要求,多次调整施工参数和工艺,不断摸索、完善,经总结形成本标准工艺。
1.2工艺原理光面爆破是控制开挖轮廓超欠挖和平整度的爆破技术。
它沿开挖轮廓周边布孔,利用掏槽眼和掘进孔爆破后形成的良好临空面,在光爆层中起爆,借以减少光爆层爆破时内侧岩层对光爆层的夹制作用,降低炸药单耗,减少一次起爆药量,降低爆破震动效应,减小对周边围岩的破坏,使其获得平滑的开挖廓面及降低超欠挖的一种施工技术。
2 工法的特点1)光爆周边眼钻眼精度要求高、装药技术要求较高;2)适用于各种围岩类型;3)开挖轮廓外观质量好,对围岩扰动少,增加施工安全,具有良好经济效益;4)施工参数因地而异,方法灵活。
3 适用范围本工法适用软岩、硬岩等地质条件下的铁路、公路、水工等隧道和岩石边坡处理。
4 技术标准《工程地质手册》第四版-2007;《爆破工程消耗量定额》GY102-2008;《爆破安全技术规程》GB6722-2011;《高速铁路隧道工程施工技术指南》铁建设[2010]241号;《高速铁路隧道工程施工质量验收标准》TB10753-2010;《隧道现代爆破技术》。
5 施工方法光面爆破是根据岩石岩性、产状和开挖断面大小入手,确定爆破深度、炸药类型、装药量、起爆顺序、装药结构、孔间距等技术参数,以达到良好的爆破进尺、受控的超欠挖和良好的外观质量的一种施工方法。
光面爆破施工方案光面爆破施工方案是在不使用爆炸药剂的情况下,利用高压空气或水射流等手段对光面进行爆破,以实现石材的切割和开采。
下面是一个光面爆破施工方案的示例,仅供参考:一、施工准备1. 制定施工方案,明确施工目标并确定施工方法。
2. 确定施工人员,并进行必要的培训和安全教育。
3. 检查和准备所需的施工设备和工具。
4. 对施工现场进行勘察,了解场地情况和地质条件,并制作必要的施工图纸。
二、施工过程1. 搭建围挡,将施工现场围起来,确保安全。
2. 使用钻机或压力钻机,对工作面进行预制孔的钻探,孔的直径和深度根据实际情况决定。
钻孔的间距和布局要合理,以确保爆破效果的均匀。
3. 在钻孔中放入扩散器,使空气或水射流能够均匀地进入孔洞。
4. 通过高压空气或水射流,对孔内的石材进行爆破。
爆破时,应注意调节压力和喷射角度,以实现预期的切割和开采效果。
5. 爆破结束后,及时清理施工现场,保持周围环境整洁,并妥善处理废弃物和爆破残渣。
三、施工安全措施1. 严格遵守国家和地方的爆破安全法规和标准。
2. 使用符合标准的施工设备和工具,确保其安全可靠。
3. 在施工现场设置安全警示标志,明确指示爆破区域,防止他人误入。
4. 限制施工区域和爆破区域的人员和车辆进入,确保施工安全。
5. 建立爆破施工安全管理制度,定期对施工人员进行安全教育和培训,提高他们的安全意识和操作技能。
6. 对施工现场进行定期巡视和检查,及时发现和处理安全隐患。
7. 在施工过程中,做好沟通与协调工作,确保施工现场各个环节的顺利进行。
通过以上施工方案,可以有效地实现光面的爆破施工。
然而,在实际施工中还需要根据具体情况进行调整和改进,以保证施工安全和施工质量。
同时,还需要严格执行相关的法规和标准,确保施工过程中不会对环境和周围的设施造成损害。
隧道全断面开挖光面爆破工法光面爆破是通过正确选择爆破参数和合理的施工方法,达到爆后壁面平整规则、办公设备线符合设计要求的一种控制爆破技术。
隧道全断面开挖光面爆破工法,是应用光面爆破技术,对隧道实施全断面一次开挖的一种施工方法。
它与传统的爆破法相比,最显著的优点是能有效地控制周边眼炸药的爆破作用,从而减少对围岩的扰动,保持围岩的稳定,确保施工安全,同时,又能减少超、欠挖,提高工程质量和进度。
一、光面爆破作用原理光面爆破的破岩机理是一个十分复杂的问题,目前仍在探索之中。
尽管在理论上还不甚成熟,但在定性分析方面已有共识。
一般认为,炸药起爆时,对岩体产生两种效应:一是药包爆炸气体膨胀做功所起的作用。
光面爆破是周边眼同时起爆,各炮眼的冲击波向其四周作径向传播,相邻炮眼的冲击相遇,则产生应力波的叠加,并产生切向拉力,拉力的最大值发生在相邻炮眼中心边线的中点,当岩体的极限抗拉强度小于此拉力时,岩体便被拉裂,在炮眼中心边线上形成裂缝,随后,爆炸气的膨胀使裂缝进一步扩展,形成平整的爆裂面。
二、光面爆破的技术要点要使光面爆破取得良好效果,一般需掌握以下技术要点:1、根据围岩特点,合理选定周边眼的间距和最小抵抗线,尽最大努力提高钻眼质量。
2、严格控制周边眼的装药量,尽可能将药量沿眼长均匀分布。
3、周边眼宜使用小直径药卷和低猛度、低爆速的炸药。
为满足装结构要求,可借助导爆索(传爆线)来实现空气间隔装药。
4、采用毫秒微差有序起爆。
要安排好开挖程序,使光面爆破具有良好的临空面。
(一)周边眼常用参数的选择1、周边眼间距E它是直接控制开挖轮廓面平整度的主要因素。
一般情况下E=(12~15)d,其中炮眼直径d=35~45mm。
对于节理较发育、层理明显以及开挖轮廓要求较高的地下工程,周边眼间距可适当减小,也可在两炮眼之间增加一个不装药的导向空眼。
2、最小抵抗线W(光面层厚度)W直接影响光面爆破效果和爆碴块度。
其取值在(13~22)d范围内,且W≥E。
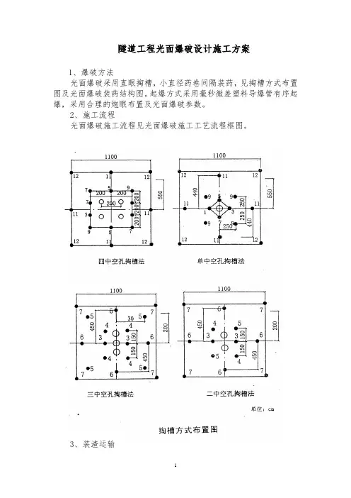
隧道工程光面爆破设计施工方案1、爆破方法光面爆破采用直眼掏槽,小直径药卷间隔装药,见掏槽方式布置图及光面爆破装药结构图。
起爆方式采用毫秒微差塑料导爆管有序起爆,采用合理的炮眼布置及光面爆破参数。
2、施工流程光面爆破施工流程见光面爆破施工工艺流程框图。
3、装渣运输(1)施工机具、机械设备配置上半断面出渣采用ITC-312H隧道挖装机装碴,3台5T东风自卸汽车运渣。
全断面开挖及下半断面开挖CAT973侧卸式装载机、CAT320反铲挖掘机或隧道挖装机装渣,3-4台20T自卸汽车或4-5台15T太脱拉自卸汽车运渣。
光面爆破施工工艺流程图(2)出渣调度安排洞内开挖1Km以内时,出渣运输过程中在洞内安排2台车,1台装渣,1台等待;洞外1台驶往弃渣场,1台在洞口等待。
洞内开挖1Km-1.5Km以内时,出碴运输过程中在洞内安排3台车,1台装渣,1台等待,1台行驶;洞外1台驶往弃渣场,1台在洞口等待循环有序在进行,形成快速装运出渣线。
洞内所有弃渣均运往路基作填料。
(3)装渣运输循环时间钻孔台车钻爆,每循环进尺4m,开挖量按平均80m3/m计算,考虑松散系数1.3,出渣量416m3,沃尔沃自卸车容量按15 m3计,约需要30车运完,按1台装载机装4台自卸车计,约需8趟出完渣。
装渣与运输比较,运输速度为时间控制点,按每循环车辆运行需15-20分钟计算,出渣共需120-150分钟,考虑工序衔接,机械维修保养和装渣数量差异等情况,装渣运输循环时间平均按180分钟计算。
4.初期支护(1)支护类型本隧道初期支护共包括R32注浆锚杆、格栅钢架等型式,依据围岩类别及地表覆盖层厚度的不同而分别设置。
施工支护紧随开挖面及时施作,以减少围岩暴露时间,控制围岩变形,防止围岩在短期内松驰。
(2)施工工序见初期支护施工流程图。
隧道全断面开挖光面爆破工法(附示意图)隧道全断面开挖光面爆破工法光面爆破是通过正确选择爆破参数和合理的施工方法,达到爆后壁面平整规则、轮廓线符合设计要求的一种控制爆破技术。
隧道全断开挖光面爆破工法,是应用光面爆破技术,对隧道实施全断面一次开挖的一种施工方法。
它与传统的爆破法相比,最显著的优点是能有效地控制周边眼炸药的爆破作用,从而减少对围岩的扰动,保持围岩的稳定,确保施工安全,同时,又能减少超、欠挖,提高工程质量和进度。
一、光面爆破作用原理光面爆破的破岩机理是一个十分复杂的问题,目前仍在探索之中。
尽管在理论上还不甚成熟,但在定性分析方面已有共识。
一般认为,炸药起爆时,对岩体产生两种效应:一是药包爆炸瞬时高温高压气体形成的冲击波效应;二是爆炸气体膨胀做功所起的作用。
光面爆破是周边眼同时起爆,各炮眼的冲击波向其四周作径向传播,相邻炮眼的冲击相遇,则产生应力波的叠加,并产生切向拉力,拉力的最大值发生在相邻炮眼中心连线的中点,当岩体的极限抗拉强度小于此拉力时,岩体便被拉裂,在炮眼中心连线上形成裂缝,随后,爆炸气的膨胀使裂缝进一步扩展,形成平整的爆裂面二、光面爆破的技术要点要使光面爆破取得良好效果,一般需掌握以下技术要点:1.根据围岩特点,合理选定周边眼的间距和最小抵抗线,尽最大努力提高钻眼质量。
2.严格控制周边眼的装药量,尽可能将药量沿眼长均匀分布。
3.周边眼宜使用小直径药卷和低猛度、低爆速的炸药。
为满足装结构要求,可借助导爆索(传爆线)来实现空气间隔装药。
4.采用毫秒微差有序起爆。
要安排好开挖程序,使光面爆破具有良好的临空面。
(一)周边眼常用参数的选择1.周边眼间距E它是直接控制开挖轮廓面平整度的主要因素。
一般情况下E=(12~15)d,其中炮眼直径d=35~45mm。
对于节理较发育、层理明显以及开挖轮廓要求较高的地下工程,周边眼间距可适当减小,也可在两炮眼之间增加一个不装药的导向空眼。
2.最小抵抗线W(光面层厚度)W直接影响光面爆破效果和爆碴块度。
隧道光面爆破施工方案一、工程概况隧道施工开挖总体上要求拱部采用光面爆破,边墙部采用预裂爆破,以最大限度地保护周边岩体的完整性,同时减少超挖量,提高初期支护的承载能力。
在Ⅴ级围岩地段要求采用短台阶法施工,台阶长度在控制在5~10m,保证初期支护及时落地封闭,以确保初期支护的承载能力。
由于二次衬砌是按要求的承载结构设计,因此在二次衬砌应紧跟开挖面:子初期支护落地后应及时施作二次衬砌仰拱和仰拱回填层,然后施作二次衬砌。
在Ⅳ级围岩地段要求采用短台阶法施工,台阶长度控制在10~15m,注意上半断面及基础锁脚锚杆的施工质量。
由于二次衬砌是按承受少量荷载进行设计,因此二次衬砌的施作可滞后开挖面20~30m,在初期支护基本稳定后施作,但是二次衬砌仰拱和仰拱回填层应紧跟衬砌支护。
在Ⅲ级围岩地段推荐采用台阶法施工,当机械化程度较高,各隧道施工工序能及时完成时,也可以采用全断面法施工。
二、施工准备1、施工测量施工测量按照《公路测量技术规则》的有关规定进行,主要测量仪器为GPS、全站仪、和水准仪。
⑴导线、水准控制测量施工前会同勘测设计部门与其他相邻标段现场交接导线控制桩和设计水准点,测量组和其他相邻标段施工单位进行施工复测后,对控制桩加以保护,设护桩,如有遗失和损坏,及时恢复和校正。
⑵洞口联系测量为保证地面控制测量精度很好传递到洞内控制点,拟定采用如下洞口控制测量方案:①洞口施工至设计标高后,在洞口埋设三个稳固导线控制点。
②为保证方向传递精度,洞口控制点与地表控制点组成大地四边形边角网进行联测。
⑶洞内控制测量①洞内控制测量根据隧道施工进度及时进行引伸测量工作。
②洞内导线的布设按主附导线的形式进行敷设,并在适当地段进行闭合检查。
③洞内精密导线采用测角精度<2”、测边精度高于2+2ppm的全站仪进行测量。
⑷洞内施工测量①洞内日常测量工作采用全站仪和水准仪进行测量。
②洞内用激光导向仪指导隧道掘进施工,激光导向仪在直线地段隧道每掘进60~80m进行一次调整。
光面爆破施工方案1. 引言光面爆破施工是一种常用的工程施工方法,用于破坏光面材料,例如混凝土、岩石等。
本文档将介绍光面爆破施工的基本原理、所需材料与设备、施工步骤以及注意事项。
2. 基本原理光面爆破施工主要通过爆破药剂的爆炸能量,以及包裹在药剂中的爆破装置,产生高压气体和冲击波来实现破坏光面材料的目的。
在施工过程中,需要严格控制爆破药剂的用量、深度和位置,以避免过度破坏和安全事故的发生。
3. 所需材料与设备在进行光面爆破施工时,以下是所需的基本材料与设备:•爆破药剂:根据需要选择适当种类和规格的爆破药剂;•爆破装置:用于将爆破药剂安全地包裹并激发爆炸能量;•爆破导线:连接爆破装置和爆破控制系统的导线;•爆破控制系统:用于遥控和控制爆破装置的爆破时间和顺序;•安全防护装备:包括防护眼镜、耳塞、手套等,用于保护施工人员的安全;•测量设备:包括激光测距仪、测量仪等,用于准确确定爆破点的位置和深度。
4. 施工步骤以下是光面爆破施工的基本步骤:步骤 1:规划和准备工作在开始施工前,需要对工程进行规划和准备工作,包括确定爆破点位置和深度,检查设备和材料是否齐全,确保施工区域的安全。
步骤 2:准确定位爆破点使用测量设备,在待爆破的光面材料上准确测量和标记出爆破点的位置和深度,确保爆破点的精度和可控性。
将爆破药剂安全地包裹在爆破装置中,并根据爆破点的位置和深度,将爆破装置固定在光面材料上。
步骤 4:连接爆破导线将爆破导线连接到爆破装置上,并根据实际情况进行布置和连接,确保爆破控制系统能够远程控制和触发爆破装置。
步骤 5:施工安全措施在进行施工前,确保施工区域内无人员和动物存在,正确佩戴安全防护装备,远离爆破点和爆炸区域,避免意外伤害和事故发生。
步骤 6:远程控制爆破根据实际需要,使用爆破控制系统远程控制和触发爆破装置,精确控制爆炸时间和顺序,以避免过度破坏和安全事故。
等待爆破完成后,进行现场检查,确保光面材料已经破坏到预期的位置和深度。
各级围岩爆破施工方法隧道爆破技术要求隧道爆破技术是隧道施工中必不可少的一环。
在进行隧道爆破前,需要根据围岩的特点,选择合适的周边眼的间距、最小抵抗线和炮眼深度,并在内圈眼与掏槽眼之间交错布置辅助炮眼。
同时,周边炮眼、内圈眼和辅助炮眼的眼底应该在同一垂直面上,掏槽炮眼要加深10厘米。
在装药时,需要严格控制周边眼的装药量,并尽可能将药量沿眼长均匀分布,以实现同步起爆。
周边眼应使用小直径药卷、低猛度和低爆速的乳化炸药。
在瓦斯隧道安全施工要求的情况下,可以使用煤矿许用的含水炸药,但必须采用煤矿许用电雷管连续正向装药,严禁反向装药,雷管以外不得装药。
同时,严禁使用秒及毫秒级电雷管,使用煤矿许用毫秒延期电雷管时,最后一段延期时间不得大于130毫秒。
爆破参数计算公式为Q=qV,其中Q为一个爆破循环的总用药量,q为爆破每立方米岩石所需炸药的消耗量,V为一个循环进尺所爆落的岩石体积(紧方)。
为了实现良好的临空面,采用毫秒差有序起爆,并采用串联的爆破网络,接头要拧紧,明线部分要包裹绝缘层。
在岩石中,炮眼深度不足0.9米时,装药长度不得大于炮眼深度的1/2,炮眼深度为0.9米以上,装药长度不得大于炮眼深度2/3,煤层中,装药长度小于炮眼深度1/2.所有炮眼剩余部分用水泡泥和黏土泡泥,水泡泥外剩余泡眼部分应用黏土泡泥封满填实,严禁使用煤粉、块状材料或其它可燃材料做炮泥。
各级围岩爆破的施工方法在进行洞身开挖时,需要根据围岩的级别和工期选择合适的施工方法。
例如,在III级围全断面岩爆破设计中,主洞开挖施工时长为35个月,需要选择合适的爆破参数计算公式,以确保爆破效果的最大化。
对于不同级别的围岩,需要采用不同的爆破设计,以确保施工的顺利进行。
在Ⅲ级围岩地段,采用光面爆破技术进行全断面法施工。
钻孔采用风动凿岩机,装药使用塑料导爆管非电起爆系统,毫秒微差有序起爆。
碴料采用自卸汽车运输,装载机和侧卸装载机装载。
每循环进尺为3.2m,全断面开挖掘进作业循环时间见下表。
浅谈千枚岩地质条件下的隧道爆破施工论文关键词:千枚岩隧道爆破爆破方案效果论文摘要:本文首先分析了千枚岩地质条件下的爆破方案选择;其次,从掏槽、周边眼间距、装药结构及药量等方面介绍爆破方案;第三部分论述爆破地震效应措施,最后阐述爆破效果。
千枚岩是一种显微变晶片理发育面上呈绢丝光泽的低级变质岩。
千枚岩典型的矿物组合主要有绿泥石、石英和绢云母,有的还含有少量的长石以及碳质和铁质等物质。
有些千枚岩中还少量的含有方解石、雏晶黑云母以及黑硬绿泥石或锰铝榴石等类型的变斑晶。
一般的千枚岩表现为细粒鳞片变晶结构,粒度一般也都小于0.1毫米,在片理面上常有小皱纹构造出现。
千枚岩的原岩一般为黏土岩、粉砂岩或中酸性凝灰岩,是低级区域变质作用的产物,其岩石强度一般较差。
钻爆法是隧道施工中较为常用的方法,其中光面爆破是关键。
千枚岩地质条件比较特殊,其岩石强度差,岩石破碎,饱和单轴抗压强度低,所以,研究通过光面爆破技术使此类岩石爆破参数得以优化,减轻爆破给岩石造成的影响,确保隧道轮廓的完整,具有重要的现实意义。
隧道施工是指修建隧道及地下洞室的施工方法、施工技术和施工管理的总称。
隧道施工方法的选择主要依据工程地质和水文地质条件,并结合隧道断面尺寸、长度、衬砌类型、隧道的使用功能和施工技术水平等因素综合考虑研究确定。
1.确定爆破方案在千枚岩地质条件下,一般采取台阶法开挖方式,具体方法是:在超前于洞身拱部三到五米的地方起挖,为新奥法施工提供平台,其次,洞身下半部与洞身拱部同时开挖,并同时进行锚喷支护。
所用到的周边切缝药包岩石定向断裂爆破技术的优势有:首先,炮孔药量较少,爆破给周围岩石的破坏性降低;其次,可以控制爆破成型,使爆破给围岩造成的影响减小;最后,减少炮孔数量,是炸药爆破能量利用率提高。
2.爆破方案2.1掏槽方式及间距的确定在隧道开挖爆破中,掏槽爆破一直是一项比较关键的爆破技术,掏槽爆破的主要作用是掘进。
其目的是在只有一个临空面的条件下,首先在工作面中央形成较小但有足够深度的槽穴,然后通过槽穴进行爆破。
隧道光面爆破施工工法光面爆破施工工法中铁十九局集团第三工程葛育松梁岩张国辉张洪敏一、前言在工程爆破技术中,隧道爆破占有重要位置,这不只是由于隧道爆破价钱昂贵,而更重要的是爆破成功与否,直接影响着隧道平安、支护类型及投资。
从一些事故调查中可知,隧道塌方落石所形成的人身伤亡事故,都直接或直接与隧道爆破技术有关。
迄今为止,隧道爆破在国际还没有一套较为系统的设计实际和方法,隧道光面爆破技术也未失掉鼎力推行和运用,因此进一步提高和开展隧道爆破技术意义严重。
我单位不时把隧道光面爆破技术作为一项研讨课题,组织专人攻关,经过广阔技术干部几个月的不懈努力,现已掌握了石灰岩地域隧道Ⅲ级、Ⅳ级围岩光面爆破施工技术,并取得各级监理、业主、设计单位等专家的认可。
我单位承建的新建武广铁路客运专线XXTJV标坪土隧道Ⅲ级、Ⅳ级开挖均采用光面爆破法,对维护围岩、增加超挖、浪费投资具有很大意义。
坪土隧道位于广东省韶关市境内,隧道出口里程DK1904+649,出口里程DK1908+556,隧道全长1907m,隧道洞身最大埋深约115m。
该隧道主要以灰岩夹泥质灰岩为主,节理发育岩体较破碎,隧道围岩主要有Ⅲ、Ⅳ、Ⅴ级。
受断层的影响,岩溶发育,易形成大规模涌泥、涌水和突水。
二、工法特点采用光面爆破对周围岩石扰动小,可以有效控制〝超、欠挖〞,施工质量可以失掉很好的控制,满足设计及验收规范的要求。
施工工艺完善、简便。
采用本工法施工进度动摇。
三、适用的范围条件本工法适用于石灰岩地域隧道开挖施工。
主要围岩级别为Ⅲ级、Ⅳ级。
岩质主要为:下伏石炭系下统灰岩、角砾状灰岩局部夹有炭质页岩、灰岩夹泥质灰岩、下伏石炭系下统石蹬子组灰岩、弱风化;石炭系下统岩关阶灰岩、下伏石炭系下统灰岩、泥质条带灰岩、钙质页岩、粉砂岩和石英砂岩。
四、施工工艺流程〔一〕施工工艺原理施工中主要采用的开挖施工方法为爆破法开挖,爆破施工进程中严厉控制装药量,增加炮轰波对围岩的扰动,到达保护围岩的目的。
千枚岩隧道Ⅲ、Ⅳ级围岩光面爆破
施工工法
千枚岩隧道Ⅲ、Ⅳ级围岩光面爆破施工工法
一、前言千枚岩隧道Ⅲ、Ⅳ级围岩光面爆破施工工法是一种针对围岩质量较好的隧道施工工法。
本文章将从工法特点、适应范围、工艺原理、施工工艺、劳动组织、机具设备、质量控制、安全措施、经济技术分析以及工程实例等方面进行详细介绍。
二、工法特点千枚岩隧道Ⅲ、Ⅳ级围岩光面爆破施工工法的特点包括:采用光面爆破施工,能够高效地控制施工进度;适用于Ⅲ、Ⅳ级围岩条件下的隧道施工,能够满足工程要求;工序简单、施工效率高、操作安全可靠等。
三、适应范围该工法适用于Ⅲ、Ⅳ级围岩条件下的隧道施工,特别适用于千枚岩等围岩质量较好的隧道施工,可以有效地提高施工效率和施工质量。
四、工艺原理该工法通过分析施工工法与实际工程之间的联系,采取一系列的技术措施来实现隧道的施工。
其中,包括选取合适的爆破参数、设计合理的爆破方案、有效地控制爆破震动和飞石飞砂等。
五、施工工艺千枚岩隧道Ⅲ、Ⅳ级围岩光面爆破施工工艺主要分为准备阶段、爆破施工阶段和清理阶段三个部分。
准备
阶段包括对隧道进口的预处理、钢架架设、锚杆固结等;爆破施工阶段包括钻孔、装药、起爆等;清理阶段包括爆破后的岩石清理和支护安装等。
六、劳动组织该工法中,需要组建一个合理的劳动组织,包括施工人员、监理人员和安全人员等,以保证施工过程中的安全和顺利进行。
七、机具设备为了实施该工法,需要使用一系列的机具设备,包括钻机、装药车、起爆器材、岩石清理设备等。
这些设备具有高效、安全、可靠的特点,在施工过程中发挥关键作用。
八、质量控制为了保证施工过程中的质量达到设计要求,需要进行严格的质量控制。
主要包括施工过程的监控、施工质量的检查和记录、施工质量的评估和改进等。
九、安全措施在施工中,要注意各项安全事项,特别是对施工工法的安全要求。
例如,要对施工现场进行安全检查和隐患排查,落实好安全技术措施,确保施工过程中的安全。
十、经济技术分析对于施工工法的经济技术分析,可以从施工周期、施工成本和使用寿命等方面进行分析,以便读者进行评估和比较,选择适合的施工工法。
十一、工程实例本工法已经在千枚岩隧道等项目中得到应用并取得了良好的效果。
通过这些工程实例可以进一步验证该工法的可行性和可靠性。
总而言之,千枚岩隧道Ⅲ、Ⅳ级围岩光面爆破施工工法是一种适用于围岩质量较好的隧道施工的工法,具有工序简单、
施工效率高、操作安全可靠的特点。
通过合理的工艺原理和施工工艺,严格的质量控制和安全措施,以及经济技术分析和工程实例的支持,能够为实际工程提供参考,并确保施工过程的稳定和成功。