职业安全健康危害因素辨识、评价与控制程序
- 格式:doc
- 大小:88.02 KB
- 文档页数:5
危害因素辨识风险评价及风险控制管理制度风险评价是指对危害因素和危险源进行定性和定量的评价,确定风险
的程度和可能的后果。
主要有以下几个步骤:
1.确定评价对象:确定要评价的危害因素或危险源。
2.收集相关信息:收集与评价对象相关的资料和信息,包括工作场所
的情况、工作方式、人员素质等。
3.评估风险的可能性:根据相关的资料和信息,评估危害因素或危险
源发生的可能性。
4.评估风险的后果:评估危害因素或危险源发生时可能导致的后果和
影响。
5.评估风险的程度:综合考虑风险的可能性和后果,评估风险的程度,确定其优先级。
风险控制管理制度是指为了减少或消除风险,保护工作场所和工作人
员安全健康,制定和实施的一系列制度和措施。
主要包括以下几个方面:
1.风险控制策略:根据风险评估的结果,制定相应的风险控制策略,
确定控制风险的目标和方法。
2.风险控制措施:根据风险控制策略,制定相应的风险控制措施,包
括技术措施、管理措施和个人防护措施等。
3.风险管理计划:制定风险管理计划,明确风险管理的目标、任务、
责任和措施,明确各部门和人员的职责和权限。
4.风险监测和评估:定期对风险控制措施进行监测和评估,及时发现和解决问题,确保风险控制的有效性。
5.风险沟通和培训:加强风险沟通和培训,提高员工对风险的认识和控制能力,增强风险意识和安全意识。
总之,危害因素辨识、风险评价及风险控制管理制度在工作场所安全管理中起着重要的作用。
通过系统地辨识危害因素、评价风险和制定控制措施,可以减少和消除工作场所的危险因素,保护员工的生命安全和身体健康。
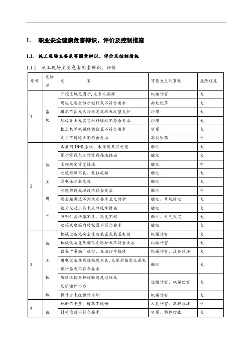
1.职业安全健康危害辩识、评价及控制措施1.1.施工现场主要危害因素辨识、评价及控制措施1.1.1.施工现场主要危害因素辨识、评价1、基坑开挖区域用彩旗拉出临时警戒线,并设专人进行监护、指挥;坑边按临边作业设置防护栏杆,并挂设安全警示牌,基坑周边设置排水沟,及时将水排走;严格按方案要求进行放坡,基坑周边1.0米范围内不准堆放土方、建筑材料等,不准施工机械停放或通行。
基坑上下设置牢固可靠的通道,基坑边到基础操作面上搭设1.0m宽通道,满铺脚手板。
立杆间距1.m,横撑间距1.0m。
并设置护栏。
脚手板上钉木防滑条(30×30×900mm),间距300mm。
2、施工用电现场施工用电采用“TN-S”系统,三相五线制,三级配电两级保护。
并按规范要求进行接零和接地;在接施工机械、照明电源前应检查电缆无破损、绝缘良好后方可接通电源。
电源箱设漏电保护器,配电箱设专人看管,实行“一机一闸一漏一箱”;使用电动机械应戴绝缘手套,基坑抽排水作业人员,穿绝缘胶靴。
所有电箱及电箱内的电器均应通过安全部门的检查认可后方可使用。
漏电保护器应安排定期巡检测试,并做好记录。
配电箱电缆安装需按照规范安装,电线进出不混乱,支线必须架空敷设,电缆过道路必须通过过路管,过路管可采用φ50-100镀锌钢管,过路管埋设深度不小于500mm。
接地线可用角钢,不可用螺纹钢,接地体之间间距不小于2.5m ,入土深度不小于2m,配电箱必须有重复接地。
3、施工机械机械设备应完好无损,安全保险装置安全有效;机械设备危险部位应按规范要求进行防护,并经安全部门认可后方准使用;安全机械不得带病运转,严禁在运行中进行检修;所有用电设备在使用前,应仔细检查线路绝缘是否良好、有无接零、有无漏电保护器等;厂内车辆行驶速度不得超过15km/h,反铲机械臂回转半径内不得站人,反铲应站在牢固的地方进行作业,反铲需移动前,必须鸣笛示意。
操作者应持证上岗。
4、施工现场工地道路应保持通畅,材料堆放应整齐、稳固,且堆放高度不超过1.5m;现场要做到工完料尽场地清。
职业安全健康风险评估:识别、评价与控制职业安全健康危害辩识与风险评价调查职业安全健康危害辩识与风险评价是一项重要的工作,旨在识别和评估作业环境中存在的危险源,选择合适的风险评价方法,采取有效的风险控制措施,编制风险报告,进行风险沟通与协商,并建立完善的风险监管体系,制定应急预案等。
1.危险源识别危险源识别是职业安全健康危害辩识与风险评价的首要步骤,其任务是找出作业环境中可能导致人员伤亡、财产损失或环境破坏的潜在危险因素。
这些危险源可能包括但不限于机械、电气、化学、物理等多个方面。
在具体的工作环境中,例如工业制造、医疗健康、交通运输等行业,危险源的识别需要结合行业特性和作业环境进行。
2.风险评价方法选择风险评价方法的选择应依据具体的作业环境和危险特性来确定。
常用的风险评价方法包括定性评价和定量评价两种。
定性评价方法主要依赖于人的专业知识和经验进行评估,而定量评价方法则通过数学模型和数据分析来评估风险程度。
在实际应用中,常采用两种或多种方法结合的方式进行风险评价。
3.制定风险控制措施根据风险评价的结果,制定相应的风险控制措施是至关重要的。
这些措施应包括工程技术、安全管理、应急处理等多个方面。
例如,针对机械伤害的风险,可以采取安装防护装置、定期维护设备等工程技术措施,同时加强员工安全培训和管理,制定应急预案等。
4.风险报告编制风险报告是风险评价结果的总结和记录,应详细描述识别出的危险源、风险评价的方法和结果、采取的风险控制措施等。
风险报告不仅能为管理层提供决策依据,还可以为一线员工提供操作指导。
5.风险沟通与协商在识别和评价风险后,与相关方进行有效的沟通和协商是必要的。
这可能涉及员工、管理层、工会、监管机构等多个层面。
通过沟通和协商,可以确保各方对风险的认知和理解是一致的,从而共同参与到风险控制中来。
6.风险监管体系建立建立一套健全的风险监管体系对于持续有效地监控和降低职业安全健康风险是至关重要的。
这包括制定相关的规章制度、设立专门的监管机构、定期进行风险评估和检查等方面。
职业安全健康危害因素辨识、评价与控制程序背景随着工业化、城市化和现代化的发展,职业病问题也逐渐成为全球范围内的重要社会问题之一。
因此,在工作场所,认识和掌握职业安全健康危害因素的辨识、评价与控制程序对人身安全和健康至关重要。
什么是职业安全健康危害因素?职业安全健康危害因素是指在个体长期暴露于工作场所的物理、化学、生物因素以及心理因素等情况下,对个体的身体和心理造成慢性、甚至具有潜在致癌和致畸的健康危害因素。
其包括但不限于以下因素:•物理因素:工作环境中的噪声、振动、辐射、电离辐射、高低温、电磁场、气压、光线等。
•化学因素:有毒、有害化学物质,如铅、汞、砷、镉、甲醛、苯等,以及灰尘、烟尘等。
•生物因素:作业场所中存在的细菌、病毒、真菌、病原体等。
•心理因素:工作强度、工作时长、工作内容、工作性质、职业发展、工作关系等因素对身心健康造成的影响。
为什么需要辨识、评价和控制职业安全健康危害因素?辨识、评价和控制职业安全健康危害因素是为了保障职工安全和健康。
具体地说,这个过程可以做到以下几点:辨识危害因素首先,对于职业安全健康危害因素,应该进行识别、分类和鉴别。
需要在工作场所里进行实地调查和检测,分析工作流程,了解危害的种类、程度和范围,有针对性地设置监测点位,识别潜在的危险因素,制订相应的防范措施。
评价危害程度其次,应对危险因素的有害程度进行评估。
可以通过临床表现、工作场所环境参量测定、工作人员体征监测等手段,定期评估职业安全和健康状况,对工作场所环境和职业健康进行评价。
控制危害因素然后,应对危害因素进行控制。
这包括对职业安全健康危害因素进行有效的控制策略,制定职业安全卫生规定和操作规程,采取必要的技术、管理和行为措施,落实职业健康安全责任,防止职工的职业健康危害。
如何进行职业安全健康危害因素辨识、评价和控制?在进行职业安全健康危害因素的辨识、评价和控制时,最好遵循以下几个步骤:步骤一:危害因素辨识和评价1.确定鉴定目标:即明确工作场所的情况、工作流程、物料及各种有毒、有害因子的类型、危险场所、危险工程等方面的情况;2.搜集资料:对工作场所进行搜集,在资料的收集中可以采用面谈、观察、检测等方式进行;3.危害因素识别:根据搜集到的资料确定工作场所中的危害因素;4.危害因素评价:评定危害因素的暴露程度和时限等因素。
职业安全健康危害因素辨识、评价与掌控程序职业安全健康是工作场所必需关注的核心问题,而危害因素评价和掌控则是职业安全健康的一项紧要任务。
危害因素评价和掌控程序包括评价危害因素、识别危害因素、订立掌控措施、实施掌控和监测和改进等步骤。
本文将深入探讨这些步骤。
1. 危害因素评价评价危害因素是订立掌控措施的第一步。
评价应当包括三个阶段:预评价、认真评价和定量评价。
(1)预评价预评价是对潜在危害因素进行初步评估,对工作场所进行初步调查,以确定哪些不安全是真正存在的。
在预评价中,应收集有关工作场所的基本信息,包括工作场所的位置、规模和操作过程。
在获得有关信息后,应确定工人潜在接触的可能的危害因素,以决议是否需要进一步评估。
(2)认真评价一旦确认必需进一步评估可能的危害因素,下一步是进行认真评估。
认真评价由几个阶段构成,包括现场勘查、测量和分析不安全特征、危害源的气味、噪声、热量、辐射等。
最后的目的是为了确定工人的危害暴露水平。
(3)定量评价在通过认真评价确定潜在危害因素的时候,接下来的任务就是定量评估这些危害因素的实际暴露水平。
定量评价需要测量危害因素的时间、强度和频率。
这可以通过一系列方法来完成,例如使用个人监测器、室内空气质量监测仪、焊接烟罩、空气流速计和声级计等设备进行。
2. 危害因素识别通过评价和定量评估,可以识别出潜在的危害源和工作流程中可能显现的故障。
此外,还应注意某些工作活动可能存在的特定不安全,例如高度作业、移动机械、化学品使用等等。
3. 订立掌控方案订立掌控方案是削减暴露水平的第一步。
掌控方案应当明确可行的掌控措施,从而根本上防止危害源的产生以及监控和管理潜在不安全的措施。
这可以通过掌控技术(例如,更换危害物质或实现闭路操作)、布置工作方法(例如漏斗、风幕和收殓罩)或通过利用个人防护装备(例如呼吸器或护目镜)来实现。
4. 实施掌控实施掌控需要实行掌控工作实施的实际措施,这可以通过培训、培训和监督来完成。
职业安全健康管理体系危险辨识、风险评价和控制对策一、危害(危险源)1.1 危害定义危害是指可能造成人员伤害、职业病、财产损失、作业环境破坏的根源或状态。
对于职业危害因素的识被应进行全方位的思考。
[例如]“在这里滑冰危险”,所说的“这里”是指一个系统是由冰、水和人以及人要进行的活动(滑冰)构成的,而所说是“危险”是指由冰、水、人以及人的活动构成的系统中存在的冰突然破裂,人掉到水中的可能性,以及冰突然破裂的程度。
1.2危害的产生一般来说,危害的产生主要是由于物的不安全状态、人的不安全行为、环境因素和管理缺陷4个方面的因素。
(1)物的不安全状态所说的物,包括机械、设备、装置、工具、材料等,也包括厂房、房屋等设施。
不安全状态是使事故能发生的不安全的物体条件或物质条件。
不同的组织、不同行业的“物”有差异,因而不安全状态有所不同。
组织应当根据事故、事件、不符合的历史经历,总结自身内部所有可能的具体的不安全状态,并通过危害辨识、风险评价予以补充,这对事故预防是极其有用的。
(2)人的不安全行为不安全行为是指违反安全规则或安全原则,使事故有可能或有机会发生的行动。
不安全行为包括本不应做了某件事、本不应该这样做(应用其他方式做)而这样做某件事和应该做某件事但没做成。
有不安全行为的人可能是受害者,也可能不是受害者。
“违反安全规则或安全原则”包括违反法律、规程、条例、标准、规定,也包括违反大多数人都知道并遵守的不成文的安全原则,即安全常识。
我国GB6441—1986《企业伤亡事故分类》附录中将不安全行为归纳为操作失误(忽视安全、忽视警告)、造成安全装置失效、使用不安全设备、手代替工具操作、物体存放不当、冒险竟然危险场所、攀坐不安全位置、在吊物下作业(停留)、机器运转时加油(修理、检查、调整、清扫等)、有分散注意力行为、忽视使用必须使用的个人防护用品或用具、不安全装束、对易燃易爆等危险品处理错误等13类。
注意:1)不安全行为主要是针对操作者而言,非针对管理人员;而由管理人员的决定和行动引起的不安全因素属于不安全状态。
危害因素辨识与风险评价控制程序1危害因素辨识与风险评价控制程序1
1.制定政策和标准
基于现有的安全技术标准和技术指南,制定针对工作场所的危险因素识别、风险评估及控制政策和标准。
2.分析危害因素
针对不同工作环境的特点,对可能会产生的危害因素进行分析,并确定可能存在的危险因素是什么,以及可能影响的范围和方式。
3.对危害因素进行识别
基于对危害因素的分析,将危害因素分类,并加以识别,以便确定危害因素的存在程度、发生可能性和发生风险程度。
4.对危害因素进行风险评估
根据危害因素的具体情况,对可能发生的后果和风险程度进行可预测的评估,以识别出现在的危害因素,明确其对职业健康和安全所带来的影响,并研究其具体控制方法。
5.建立控制程序
根据危害因素的风险评估结果,制定有效的控制程序,以降低或消除危害因素对职业健康和安全的影响。
有效的控制策略可以采取工程控制、管理控制、行为控制等措施,以有效管控工作环境危险因素的发生和控制其可能造成的危害。
6.进行监测和评估
在实施控制措施后,对因危害因素引发的职业健康和安全风险进行频繁检查和评估。
职业健康危害因素辨识、评价制度模版一、引言职业健康危害因素辨识、评价制度是保护职工健康和预防职业病的重要工具,对于企业提升职工工作环境、改善劳动条件具有重要意义。
本文将介绍一套职业健康危害因素辨识、评价制度的模板,旨在为企业建立科学合理的职业健康管理体系提供参考。
二、职业健康危害因素辨识1. 风险辨识风险辨识是职业健康危害因素辨识的关键步骤。
根据实际情况,将职业健康危害因素分为物理因素、化学因素、生物因素、人因因素等类别,并确定其具体存在的岗位及工作环境。
2. 危害辨识对于每一类职业健康危害因素,进行详细的危害辨识。
例如,对于物理因素,包括噪声、振动、辐射等,需要评估其对职工健康的影响及可能引发的职业病;对于化学因素,包括有害物质的种类、浓度、暴露途径等,需要评估其毒性及浓度对职工健康的潜在危害。
三、职业健康危害评价1. 评价方法选择根据风险辨识结果,选择适当的评价方法进行职业健康危害评价。
常用的方法包括实地调查、观察记录、测量检测和实验室分析等。
2. 评价指标设定根据危害辨识结果,设定适当的评价指标。
例如,对于噪声危害评价,可以设定噪声测量值、工作场所等效声级等指标;对于化学物质危害评价,可以设定浓度值、接触时间等指标。
四、评价结果分析1. 数据统计和分析对评价所得数据进行统计和分析,包括计算各个岗位或工作环境的职业健康危害指数、危害因素的暴露程度等。
2. 结果解读根据评价结果,对职业健康危害程度进行解读。
根据评价指标的阈值,判断是否存在职业健康危害问题,并进行相应的处理。
五、评价结果应用1. 预警与提醒根据评价结果,预警可能存在的职业健康危害风险,并提醒相关部门采取相应的防护措施。
2. 优化工作环境根据评价结果,优化现有工作环境,采取技术措施和管理措施,减少或消除职业健康危害因素。
六、监测与改进1. 监测措施建立健全的监测体系,定期对职业健康危害因素进行监测,确保职工的工作环境持续符合相关标准要求。
职业安全健康危害因素辨识、评价与控制程序背景介绍职业健康安全是一个非常重要的话题,涉及到每个人在职场上的健康与安全。
在工作过程中,人们往往会接触到各种危害因素,例如毒害物质、化学物质、放射线等等。
若不及时采取措施,可能会对健康造成巨大的危害。
因此,辨识、评价和控制职业危害因素是非常重要的工作。
危害因素辨识危害因素辨识是体现职业卫生学特有的思维方式和方法,在职业卫生实践中是非常重要的。
该方法包括以下步骤:1.调查首先,需要进行有关工作环节、物质使用情况等方面的调查,以了解潜在的危害因素。
通过调查,可以获取有关的信息和数据。
2.确定危害因素根据调查结果,可以将潜在的危害因素列出来,进行初步的判断和筛选。
3.进一步观察为了确定已列出的危害因素是否真正具有危害作用,需要进行进一步的观察和分析。
4.关键因素筛选根据观察结果,可以进行关键因素的筛选,建立较完备的危害因素清单。
危害因素评价危害因素评价包括对危害因素产生的可能性、危害作用和危害程度等方面的评估。
评价的目的是为了确定危害因素对人体健康的影响程度,采取相应的控制措施。
评价的步骤包括:1.识别影响因素首先需要识别出危害因素的各种影响因素,包括对人的直接危害、对人的间接危害等等。
2.定量和定性评价可以通过定量和定性评价进行评价,定量评价包括计算数值和部门内部比较;定性评价包括通过对比方法、共识法、专家法、模糊综合评价法等实现。
3.多个因素综合评价一些危害因素的损害效应难以单独评价,需要进行多个因素的综合评价。
危害因素控制职业健康安全的控制是职业卫生管理的核心之一,主要采用的是工程控制、管理控制和个人控制等方法。
具体的控制步骤包括:1.降低危害因素产生在工作环节设计、工作方式的选择时,尽可能减少和消除危害因素的产生。
2.采用工程措施可以采取工程措施对危害因素进行控制。
例如,在生产装置上增加密封设备,减少有害气体的泄漏;降低振动、噪音等的强度等等。
3.实施管理控制在危害因素的防范工作中,还需要进一步完善管理制度。
〔1〕作业危害因素辨识及风险评价和风险控制策划的基本步骤①识别确定作业活动及活动场所,形成作业活动清单;②对各项作业活动及活动场所中的危害因素及风险进行辨识;③对与各项危害因素有关的风险进行评价;④判定危害因素及风险级别,确定是否构成重大危害因素及风险;⑤针对评价中需要控制的风险,制定风险控制措施;⑥危害因素辨识及风险评价的更新。
〔2〕作业区〔大队〕主要领导审批作业区级普通危害因素〔见附表4〕和重大危害因素台帐〔见附表5〕,并将重大危害因素台帐报厂安全环保科;工艺危害因素辨识及风险评价以下简称为“工艺危害分析〔PHA〕”工艺危害分析是通过系统的方法来识别、评估和控制工艺过程中的危害,包括后果分析和工艺危害评价,以预防工艺危害事故的发生。
工艺危害分析是装置生命周期内各个时期和阶段辨识、评估和控制工艺危害的有效工具。
〔1〕工艺危害分析的时机生产装置在以下阶段可以进行PHA:新改扩建项目、在役生产装置〔2〕工艺危害分析的方法推荐使用的分析方法:故障假设/检查表法〔What If/Checklist〕、危险和可操作性研究〔HAZOP〕、故障模式和影响分析〔FMEA〕、故障树分析〔FTA〕。
〔3〕工艺危害分析方法的合用范围HAZOP :应用于新改扩建项目投用前、高危害工艺装置生产阶段。
What If/Checklist:应用于低危害工艺装置生产阶段、停用封存、拆除报废阶段、工艺变更过程。
FMEA:应用于分析在役装置的关键组件及其对整个系统的影响,也可以辨识共因失效和单一组件失效导致的危害事件、事故。
FTA:应用于由HAZOP 和What If/Checklist 识别出来的特定事件的分析。
〔4〕工艺危害分析的频次高危害工艺装置生产阶段每三年一次,其他生产装置每五年一次。
〔5〕工艺危害分析的实施公司将首先采用HAZOP 方法陆续对公司的所有生产装置开展工艺危害分析,具体按照《中国石油天然气集团公司危(wei)险与可操作性分析工作管理规定》执行。
3.安健环因素识别与评价控制程序1目的识别和评价公司能够控制及可对其施加影响的环境因素、危险源,确定并更新重大危险源和重要环境因素,以便于对其进行有效管理和控制。
2范围本程序适用于公司体系范围内生产和服务活动中以及公司纳入计划的、新的开发、新的或修改的活动和服务中危险源及环境因素的识别、评价、更新与管理。
本程序规定了本公司危险源、环境因素识别、评价和控制策划的要求和方法。
3术语和定义3.1安健环因素指危险源和环境因素。
4职责3.1 工程部负责环境因素、危险源辨识及评价的归口管理。
3.2 分公司工程部组织相关部门对环境因素、危险源调查和重大环境因素、危险源的辨识,并负责进行指导、监督、检查。
3.3 各部门、各分公司主管经理负责《重要环境因素一览表》以及《重大危险源清单》的审批。
3.4 公司、分公司、项目经理部分别成立“环境因素辨识评价小组”及“危险源辨识评价小组”负责评价工作。
3.5 项目经理部负责环境因素、危险源辨识及控制计划得到有效实施。
5工作程序5.1危险源、环境因素识别与评价时机:a)体系文件建立初期。
b)法律、法规变更,新产品、新项目、新服务实施前。
c)每年制定年度目标指标前。
5.2危险源、环境因素识别与评价方法:(见附录1)5.3各部门的危险源、环境因素识别与评价:a)各部门、各分公司工程部负责本部门/单位的危险源、环境因素识别、评价工作,形成危险源、环境因素清单和重要危险源、环境因素清单,制定出相应的控制措施,经部门、分公司主管经理审批并报工程部备案。
b)工程部对各部门、分公司识别评价出的重要环境因素、重大危险源及控制措施的充分、适宜和合理性进行检查。
5.4重大危险源、环境因素的管理重大危险源、环境因素的管理应尽量体现在目标和指标以及管理方案中,或通过制订管理程序的方式来加以控制,对因经济状况、技术条件等原因暂时无法实施的、要制定具体的实施计划。
降低风险的方法和顺序如下:a)消除;b)替代;c)工程控制措施;d)标志、警告和(或)管理控制措施;e)个体防护设备。
危害因素辨识、风险评价和控制措施确定管理程序1目的和范围为了识别公司的活动、产品或服务中可能导致人员伤害或疾病、财产损失、工作环境破坏、有害的环境影响等危害因素,对风险进行评价,确定风险等级,制定相应的控制和削减措施,并对危害及其影响实现事前预防控制,使公司的HSE风险降至“合理并可接受”的程度,特制定本程序。
本程序规定了危害因素辨识、风险评价和风险控制的范围、职责和内容。
本程序适用于公司及所属单位和相关承包商的危害因素辨识、风险评价和风险控制管理。
2引用术语本程序采用Q/SY1002系列标准规定的术语。
3职责3.1安全环保处为本程序的归口管理部门。
负责危害因素和环境因素识别、评价的组织、协调与监督管理,组织公司系统的识别与评价方法培训和技术指导,汇总公司各部门及所属单位的危害因素,建立公司危害因素数据库;并对危害因素和环境因素识别、风险评价工作的开展情况进行定期审核。
3.2公司机关相关部门负责定期组织分管业务系统开展危害因素辨识、风险评价,汇总本系统的危害因素,建立本系统危害因素数据库。
督促本业务系统单位制定和落实风险控制和削减措施,并报安全环保处。
3.3各单位负责定期组织本单位工作范围内的危害因素辨识、风险评价,制定和落实风险控制和削减措施,建立本单位危害因素数据库,并按业务类别上报公司相关业务管理部门;并为风险控制和削减措施的实施提供相应资源。
4程序内容4.1危害因素的辨识、风险评价4.1.1危害因素辨识的范围危害因素辨识的范围应覆盖本单位(部门)的所有产品、活动和服务过程,包括但不限于以下方面:a)道路交通活动产生的危害。
b)生产作业活动产生的危害。
c)本单位组织的文化体育娱乐活动可能存在的危害。
d)所有进入作业场所人员的活动(包括承包商或来访人员)可能产生的危害。
e)员工的不良习惯、心态、健康状况及违章操作行为等可能产生的危害。
f)作业场所自然环境状况和厂区平面布局、构筑物状况产生的危害。
危险源辨识、评价及管理程序1目的为了识别公司施工活动的危害因素,评价危害事件的风险程度,制定有效风险控制措施,最大限度降低风险级别和财产损失,特制定本程序。
2适用范围适用于公司范围内有关职业健康安全危害识别、评价更新与控制。
3职责3.1管理者代表审批《重大风险清单》、职业健康安全管理方案。
3.2安全环保监察部负责组织危险源的辨识、风险评价工作,报管理者代表批准,下发《重大风险清单》。
负责监督、检查所属各单位风险因素的管理与控制工作。
负责审核职业健康安全管理方案。
3.3生产部负责参与危险源的辨识和风险评价工作,负责组织所属各单位按照《重大风险清单》编制有针对性的预控措施,并在施工(生产)中组织贯彻落实。
3.4各基层单位、部门负责依据《重大风险清单》,对重大危害因素及风险按照相应文件要求进行管理和控制。
负责上报新产生的风险因素及管理方案。
4管理内容与要求4.1工作原则4.1.1预防原则:依据施工现场所涉及的活动范围、危害事件的性质以及时间、风险的特点,针对性的选取相应的方法。
4.1.2一致性原则:依据施工活动的特点、存在的隐患,选取相应的方法,确保辩识、评价和控制措施的一致性。
4.2危险源辩识4.2.1辩识范围a) 设备采购、设施的安装、使用、维护、报废等所有运行活动(包括相关方使用的设备、设施)。
b) 作业场所的人员活动(包括进入作业现场的相关方人员的活动)。
c) 化学品、油类及其他物资的采购、运输、储存、使用、废弃等活动(包括相关方的有关活动)。
d) 工程施工中常规或非常规的作业活动。
e) 办公场所、宿舍、食堂。
4.2.2辩识状态a) 正常状态——每天正常进行的日常活动b) 异常状态——停机、检修、维护等。
c) 紧急状态——火灾、爆炸、发生事故、事件等。
4.2.3辨识时要考虑在作业过程中的几个方面:a) 人的不安全行为;b) 物的不安全状态;c) 不良的作业环境;d) 管理方面的缺陷。
4.2.4辩识方法:a) 根据分部分项、工序、工艺流程所涉及的活动进行辩识。
职业健康安全危险源辨识与风险评价程序随着现代经济与职业多样化的不断发展,人们对职业健康安全问题的关注与认识逐步深入,而危险源的辨识与风险评价则成为有效防范职业健康安全事故的前提与基础。
以下将从危险源辨识、风险评价及预防措施三个方面来阐述职业健康安全危险源辨识与风险评价程序。
一、危险源辨识职业健康安全危险源辨识,是指通过对生产或施工环节进行全面、系统且有条理性的调研,确定可能产生危害的因素,进行认定和标识的过程。
1. 研究相关资料:了解相关职业病的危害因素,并对各类危险源分类、分级;同时也应该了解相关的国家、省、市、行业标准和规范、技术措施、职业病防治法规等。
2. 调查现场环境:对生产或施工现场进行人员进出口、交通路线、场地布置、电气线路等方面进行详细调查,了解存在的危害因素。
3. 识别危险元素:根据危险因素的性质及产生的方式,识别危险元素,如噪音、粉尘、有毒气体、辐射等。
4. 制定管控措施:对已识别的危险元素进行评估,制定有效的管控措施,保证生产或施工的安全性。
二、风险评价风险评价是指通过对危险源从概率和严重程度两个方面作出分析,评估产生危害的可能性或程度的一种评估方法。
1. 制定评估标准:通过研究风险评估制度,确定评估标准、安全指标和评价方法,要把人、物、环境等因素纳入评价范围之内,并利用专业知识、技能和统计分析法进行分析。
2. 识别风险因素:根据危险源分析的结果和评价标准,识别风险因素并量化风险,包括危害的可能性和严重性两个方面,据此作出预测。
3. 评估风险程度:根据风险因素的评估结果,对风险程度进行评估,确定该风险的优先级,采取适当的措施进行防范。
三、预防措施基于危险源辨识和风险评价的结果,对可能危害职业健康安全的因素做出预防措施,保证职业健康安全。
1. 常规预防措施:包括提前制定安全方案,制定应急处置预案,并加强人员培训,提高工作责任意识和风险防范意识等常规措施。
2. 风险控制措施:通过技术措施、工程措施、管理措施等方式予以有效的风险控制和消除,例如对有害因素采取防护措施,采取通风降尘、消声降噪等技术手段。
职业安全健康危害因素辨识、评价与控制程序
撰写人:___________
部门:___________
职业安全健康危害因素辨识、评价与控制程序
1. 目的
识别本公司在生产经营过程中影响职业健康安全的危险源,评价风险因素,从而对其进行有效控制,并在新问题出现或其他情况时对其进行更新和持续改进。
2. 范围,
适用于本公司生产、经营、管理活动过程中的危险源识别、风险评价及更新。
3. 定义
危害辨识:辨识危害的存在并确定其性质的过程。
风险评价:评价风险程度并确定其是否在可承受范围的全过程。
4. 职责
4.1 办公室、生产部负责组织公司各部门进行安全健康危害因素的辨识、评价与更新工作。
4.2 其他部门按照程序要求辨识本部门的职业安全健康危害因素,并进行初步评价。
4.3 相关部门负责安全健康危害因素的处置。
5. 管理规则及流程
第 2 页共 2 页
5.1职业安全健康危害辨识评估和控制
5.1.1按职责分工,成立职业安全健康管理委员会,对存在的职业安全健康危害进行辨识与评价。
5.1.2危害因素辨识的范围必须覆盖公司的生产作业活动全过程。
5.1.3 辨识依据
1)国家、政府各部委颁布的政策、法规、标准、规定、条例等;
2)当地的地方法规、标准、规定、条例等;
3)认证机构和检验检测机构的检测及认证结果或反馈的信息。
5.1.4 危害因素的辨识方法
1)直观经验法: a. 对照、经验法、b. 类比方法。
2)系统安全分析方法:各部门根据职业安全健康管理委员会的要求,对本部门内生产作业活动的全过程进行分析、判断,找出可能对职业安全健康不利影响的各类危害因素。
5.1.5 评价依据:
1)国家和政府的法律法规、行业协会的规定;
2)职业安全健康危害因素影响的范围、严重程度、频次;
3)职业安全健康危害因素对社会影响和经济影响的程度;
第 2 页共 2 页
4)职业安全健康危害因素对公司发展的影响程度;
5)社会、员工、投资方对职业安全健康的要求。
5.1.6评价方法
1)由职业安全健康管理委员会组织对潜在的危害因素进行评审;
2)职业安全健康风险评价采用“风险评价指数矩阵法”。
3)风险分类:不可接受的风险称为重大风险,不希望有的风险称为重要风险。
4)评价结果应形成《各岗位安全及职业危害风险评估报告》。
5)根据风险程度及公司能力和发展规划,制订相关的纠正或预防措施。
5.1.7当发生以下情况时,须对职业安全健康危害因素重新进行辨识与评价
1)有关法律、法规、标准、规范的变更和增加时;
2)发生重大职业安全健康和环境污染事故后;
3)采用新工艺、新材料、新技术、新设备时;
4)第三方审核或监测提出新的要求时。
5.1.8风险控制措施
第 2 页共 2 页
1)不需要评审即可接受的风险:不需采取措施且不必保留文件记录;
2)有条件接受的风险:通过评审决定是否需要另外的控制措施,如需要,应考虑投资效果更佳的解决方案或不增加额外成本的改进措施。
同时,需要通过监测来确保控制措施得以维持。
3)不希望有的风险:应努力降低风险,仔细测定并限定预防成本,并应在规定时间期限内实施措施减少风险。
在该风险与严重事故后果相关的场合,进行进一步的评价,以确定是否需要改进的长远控制措施和当前简易可靠的控制措施;
4)不可接受的风险:直至风险降低后才能开始工作。
1. 相关文件
《现场安全与个人防护用品的选择和使用管理程序》
2. 表单
《各岗位安全及职业危害风险评估》
第 2 页共 2 页。