基础砖砌体 检验批(建资荟萃)
- 格式:doc
- 大小:96.50 KB
- 文档页数:9
砖砌体工程检验批质量验收记录砖砌体工程是建筑工程中非常重要的一部分,设计及施工质量的好坏,不仅对建筑物的美观程度、安全性、稳定性产生重要影响,更对建筑物的经济性、可操作性产生巨大影响。
因此,在进行砖砌体工程建设时,质量控制十分关键。
砖砌体工程中,检验批质量验收记录是质量管理的重要环节。
建筑物施工周期较长,容易出现材料的陈旧损耗、施工人员更替、技术标准变化等问题,而检验批的质量验收记录是及时发现问题,及时解决问题的重要手段。
建立完善的砖砌体工程检验批质量验收记录系统,能够保障建筑物的顺利开展,提高建筑物的安全性和稳定性,降低建筑物维护费用,将建筑物使用寿命延长。
砖砌体工程检验批质量验收记录内容主要包括以下几个方面:1. 施工过程的验收记录:记录施工过程中的每一个检验批次,包括是否符合设计说明、是否符合国家相关技术标准、人员技术素质等问题。
2. 砖砌体工程材料质量的验收记录:记录砖砌体工程施工过程中所使用的砖、水泥、沙子等材料的质量情况,包括外观是否完好、尺寸是否符合要求、是否有蒸发水等问题。
3. 砌筑部位合格记录:记录每一块砖的位置、编号、厚度及混凝土砂浆质量,确保砌筑部位的合格性。
4. 砖、钢筋焊接等工艺的质量验收记录:记录每一次砖和钢筋焊接过程中的质量情况,检验是否符合国家相关技术标准及操作规范。
砖砌体工程检验批质量验收记录需要严格按照标准操作,确保记录真实准确。
具体操作包括以下几个阶段:1. 全程监测:工程质量的全程监测是建立砖砌体工程检验批质量验收记录的基础。
监测应包括设计方案的合理性、施工过程中的质量控制要求及工程结果质量检查。
2. 记录和归档:建立砖砌体工程检验批质量验收记录的目的是为了检测工程质量,各阶段的记录必须真实、准确。
记录要做到询问、检查、监督三位一体,员工要做到文明记录、妥善归档。
建立砖砌体工程的档案,要将质量验收记录与其他相关文件放在一起,归档严密。
3. 培训和教育管理:工程员工要严格按照质量验收记录操作,避免操作疏漏。
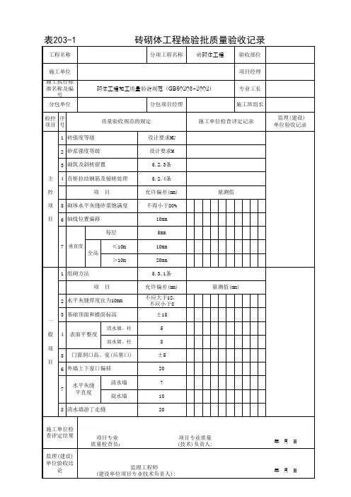
填写说明一、填写依据1 《砌体结构工程施工质量验收规范》GB50203-2011。
2 《建筑工程施工质量验收统一标准》GB50300-2013。
二、检验批划分根据《砌体结构工程施工质量验收规范》GB50203-2011中第3.0.20条规定:砌体结构工程检验批的划分应同时符合下列规定:1 所用材料类型及同类型材料的强度等级相同。
3 主体结构砌体一个楼层(基础砌体可按一个楼层计);填充墙砌体量少时可多个楼层合并。
三、GB50203-2011规范摘要主控项目5.2.1 砖和砂浆的强度等级必须符合设计要求。
抽检数量:每一生产厂家,烧结普通砖、混凝土实心砖每15万块,烧结多孔砖、混凝土多孔砖、蒸压灰砂砖及蒸压粉煤灰砖每10万块各为一验收批,不足上述数量时按1批计,抽检数量为1组。
砂浆试块的抽检数量执行本规范第4.0.12条的有关规定。
检验方法:查砖和砂浆试块试验报告。
5.2.2 砌体灰缝砂浆应密实饱满,砖墙水平灰缝的砂浆饱满度不得低于80%;砖柱水平灰缝和竖向灰缝饱满度不得低于90%。
抽检数量:每检验批抽查不应少于5处。
检验方法:用百格网检查砖底面与砂浆的粘结痕迹面积。
每处检测3块砖,取其平均值。
5.2.3 砖砌体的转角处和交接处应同时砌筑,严禁无可靠措施的内外墙分砌施工。
在抗震设防烈度为8度及8度以上的地区,对不能同时砌筑而又必须留置的临时间断处应砌成斜槎,普通砖砌体斜槎水平投影长度不应小于高度的2/3,多孔砖砌体的斜槎长高比不应小于1/2。
斜槎高度不得超过一步脚手架的高度。
抽检数量:每检验批抽查不应少于5处。
检验方法:观察检查。
5.2.4 非抗震抗震设防及抗震设防烈度为6度、7度地区的临时间断处,当不能留斜搓时,除转角处外,可留直槎,但直槎必须做成凸槎,且应加设拉结钢筋,拉结钢筋应符合下列规定:1 每120mm墙厚放置1φ6拉结钢筋(120mm厚墙应放置2φ6拉结钢筋)。
2 间距沿墙高不应超过500mm,且竖向间距偏差不应超过100mm。
砖砌体工程检验批质量
验收记录表
集团标准化工作小组 #Q8QGGQT-GX8G08Q8-GNQGJ8-MHHGN#
砖砌体工程检验批质量验收记录
表由施工项目专业质量检查员填写,监理工程师(建设单位项目技术负责人)组织项目专业质量(技术)负责人进行验收。
2.记录中定量项目填写数据,定性项目“符合规范要求”用√标注,结果和结论栏由本人签字。
砖砌体工程检验批质量验收记录
表由施工项目专业质量检查员填写,监理工程师(建设单位项目技术负责人)组织项目专业质量(技术)负责人进行验收。
2.记录中定量项目填写数据,定性项目“符合规范要求”用√标注,结果和结论栏由本人签字。
砖砌体工程检验批质量验收记录
表由施工项目专业质量检查员填写,监理工程师(建设单位项目技术负责人)组织项目专业质量(技术)负责人进行验收。
2.记录中定量项目填写数据,定性项目“符合规范要求”用√标注,结果和结论栏由本人签字。
砖砌体工程检验批质量验收记录
表由施工项目专业质量检查员填写,监理工程师(建设单位项目技术负责人)组织项目专业质量(技术)负责人进行验收。
2.记录中定量项目填写数据,定性项目“符合规范要求”用√标注,结果和结论栏由本人签字。
基础砖砌体检验批(总5页) -本页仅作为预览文档封面,使用时请删除本页-
浙建监 B7
基础砖砌体报审、报验表工程名称:浙江师范大学行知学院迁建项目一号学生宿舍编号:
注:本表一式二份,项目监理机构、施工单位各一份。
砖砌体检验批质量验收记录
01020101
02020101
基础砖砌体隐蔽工程检查验收记录
5
浙建监A5—3
施工测量放线报验申请表
工程名称:浙江师范大学行知学院迁建项目一号学生宿舍编号: A5—3
本表一式三份,经项目监理机构审核后,建设单位、监理单位、承包单位各存一份。
技术复核记录
7。
浙建监B7
基础砖砌体报审、报验表
工程名称:浙江师范大学行知学院迁建项目一号学生宿舍编号:
致:浙江求是工程咨询监理有限公司(项目监理机构)
我方已完成1-1~1-29交1-A~1-K以北后浇带基础砖砌体施工工作,经自检合格,现将有关资料报上,请予审查和验收。
附件:□√隐蔽工程质量检验资料
□√检验批质量检验记录
□分项工程质量检验记录
□检测机构证明资料
□其他
施工项目部(盖章):
项目经理或技术负责人(签字):
年月日
审查和验收意见:
项目监理机构(盖章):
专业监理工程师(签字):
年月日
注:本表一式二份,项目监理机构、施工单位各一份。
砖砌体检验批质量验收记录
01020101
02020101
单位(子单位)工程名称浙江师范大学行知学院迁建项目
一号学生宿舍
分部(子分部)
工程名称
地基与基础/基础分项工程名称无筋扩展基础分项
施工单位浙江省建工集团有限责任公司项目负责人彭旭检验批容量 10件
分包单位 / 分包单位项目
负责人/ 检验批部位1-1~1-29交1-A~1-K以北后
浇带基础砖
施工依据《混凝土结构工程施工规范》GB50666-2011 验收依据《砌体结构工程施工质量验收规范》
GB50203-2011
主控项目
验收项目设计要求及
规范规定
最小/实际
抽样数量
检查记录检查
结果
1 砖强度等级必须符合设计要求设计要求MU10 / 符合要求√
2 砂浆强度等级必须符合设计要设计要求M10 / 符合要求√
3 砂浆
饱满度
墙水平灰缝≥80% 10/10 抽查10处,全部合格√
柱水平及竖向灰缝≥90% 10/10 抽查10处,全部合格√4 转角、交接处第5.2.3条10/10 抽查10处,全部合格√
斜槎留置第5.2.4条/
5 直槎拉结钢筋及第5.2.5条/
一般项目
1 组砌方法 5.3.1条/
2 水平灰缝厚度8~12mm 10/10 抽查10处,全部合格100%
3 竖向灰缝宽度8~12mm 10/10 抽查10处,全部合格100%
4 轴线位移≤10mm 10/10 抽查10处,全部合格100%
5 基础、墙、柱顶面标高±15mm以内10/10 抽查10处,全部合格100%
6 墙面垂直度
每层≤5mm /
全高≤10m ≤10mm 10/10 抽查10处,合格9处90%>10m ≤20mm /
7 表面平整度清水墙柱≤5mm /
混水墙柱≤8mm 10/10 抽查10处,全部合格100% 8 水平灰缝平
直度
清水墙≤7mm /
混水墙≤10mm 10/10 抽查10处,全部合格100%
9 门窗洞口高、宽±10mm以内/
10 外墙上下窗口偏移≤20mm /
11 清水墙游丁走缝≤20mm /
施工单位
检查结果
专业工长:
项目专业质量检查员:
年月日
监理单位
验收结论专业监理工程师:
年月日。