砖砌体工程检验批
- 格式:doc
- 大小:87.50 KB
- 文档页数:2
砖砌体分项工程检验批质量验收记录工程项目名称:XXX建筑工程项目工程地点:XXX地区建设单位:XXX有限公司施工单位:XXX建筑工程有限公司监理单位:XXX监理有限公司监理工程师:XXX一、工程概况二、工程质量验收内容1.砖料质量验收-进行砖料抽样,并进行外观检查。
-砖的规格、尺寸、厚度等是否符合设计要求。
-砖的强度等级是否符合国家标准要求。
-检查砖的吸水率和抗冻性能是否符合规定。
2.砌筑质量验收-初次砌筑验收:检查施工现场是否按照图纸和规范要求进行了基底材料的铺设和墙体的垂直度、水平度、尺寸等进行了初次验收。
-紧固件装置质量验收:检查砖墙的拉结、角码、护角、托钢、锚栓等紧固件的型号、规格是否符合设计要求。
-砌筑焊接质量验收:检查墙体的焊接质量是否符合设计和标准要求。
-砌筑缝隙处理验收:检查墙体的缝隙处理是否符合设计要求,包括砌筑缝、壁钉孔、板缝等。
3.砖砌体抗震验收-确认砖砌体结构是否按照设计要求进行了抗震设防,包括墙体的纵、横向剪力墙效应等。
-检查砖砌体的抗震构造是否满足地震烈度和建筑物的使用年限要求。
4.砖砌体保温验收-检查砖墙的保温层是否符合设计要求,包括保温材料的选择、施工工艺等。
-测量保温材料的导热系数是否符合设计要求。
5.其他-对砖砌体分项工程的安全技术措施、材料试验、设备试验等进行检查。
三、质量验收结果经过对砖砌体分项工程的检查和测试,质量验收结果如下:1.砖料质量验收合格,各项指标均符合国家标准要求。
2.砌筑质量验收合格,墙体的垂直度、水平度、尺寸等均符合设计和规范要求。
3.砖砌体抗震验收合格,结构满足设计抗震要求。
4.砖砌体保温验收合格,保温层符合设计要求。
5.其他方面的检查均合格。
四、问题及整改情况1.初次砌筑验收中发现部分墙体垂直度不符合要求,施工单位已对问题进行了整改,重新测量后符合设计要求。
2.砌筑缝隙处理验收中发现部分缝隙处理不规范,施工单位已对问题进行了整改,重新验收后符合设计要求。
砖砌体工程检验批质量验收记录项目名称:砖砌体工程工程地点:XXX施工单位:XXX监理单位:XXX施工时间:XXXX年XX月XX日至XXXX年XX月XX日一、工程概况本次砖砌体工程占地XXX平方米,采用XXX标号的砖块进行砌筑,建筑类型为XXX。
本次质量验收范围包括砖体水平、垂直度、墙体平整度、缝隙等方面的检查。
二、质量验收内容及标准1. 砖体水平度:砖体水平度为每1m内上表面与下表面之差。
水平度标准为不大于3mm;2. 砖体垂直度:砖体垂直度为每1m内左表面或右表面与前表面之差。
垂直度标准为不大于3mm;3. 墙体平整度:墙体平整度为每1m内墙体表面凸度与凹度之差。
平整度标准为不大于5mm;4. 缝隙:砖砌体之间的缝隙应均匀、紧密,缝隙宽度为3~5mm。
三、检验方法1.砖体水平度、垂直度和墙体平整度的检验可采用测量仪器进行,如水准仪、垂直仪等;2.缝隙的检验可采用尺子、卡尺进行测量。
四、验收结论根据以上质量验收内容和标准,本次砖砌体工程的质量验收结论如下:1.砖体水平度:检验结果表明,本次工程的砖体水平度符合标准要求,每1m内上表面与下表面之差均不大于3mm。
2.砖体垂直度:检验结果显示,本次工程的砖体垂直度满足标准要求,每1m内左表面或右表面与前表面之差均不大于3mm。
3.墙体平整度:经测量,本次工程的墙体平整度在标准要求内,每1m内墙体表面凸度与凹度之差均不超过5mm。
4.缝隙:检验结果表明,本次工程的砖砌体间的缝隙宽度均在标准要求范围内,每个缝隙的宽度为3~5mm,缝隙均匀、紧密。
综上所述,本次砖砌体工程通过了质量验收,达到了设计要求和相应的标准要求。
五、存在问题及处理措施在本次砖砌体工程的质量验收过程中,没有发现明显的质量问题。
1.部分砖块表面存在污渍,需要及时清洗处理;2.部分缝隙宽度稍大,需要进行修补填充;3.墙体上存在少量的裂缝,可能是由于施工过程中的振动或不均匀的浇筑引起,需要进行修补加固。
砌体检验批质量检验记录一、背景介绍砌体是建筑工程中常见的构件之一,其质量直接关系到建筑物的安全性和持久性。
为了确保砌体质量符合设计要求和国家标准,进行砌体检验批质量检验是必不可少的环节。
二、检验目的本次砌体检验批质量检验的目的是验证砌体材料的合格性、砌体墙体的垂直度和强度,并记录检验结果,为后续施工提供参考。
三、检验内容1. 砌体材料检验1.1 检查砖的规格、强度等技术要求是否符合设计要求;1.2 检验砂浆的配合比和强度等指标是否符合要求;1.3 检查其他辅助材料(如扣件、墙线等)是否符合质量标准。
2. 墙体垂直度检验2.1 使用测量仪器对砌体墙体的垂直度进行测量;2.2 检查测量结果是否满足国家标准和设计要求。
3. 墙体强度检验3.1 对砌体墙体进行抗压强度检验;3.2 检查抗压强度是否符合设计要求和国家标准。
四、检验方法1. 砌体材料检验1.1 对砖进行抽样检验,进行外观检查、尺寸测量和抗压强度测试;1.2 对砂浆进行配合比检验,测量其塑性度、抗压强度和水分含量;1.3 对其他辅助材料进行外观检查和尺寸测量。
2. 墙体垂直度检验2.1 使用水平仪等测量工具对砌体墙体的垂直度进行测量;2.2 记录测量结果并与设计要求进行比对。
3. 墙体强度检验3.1 使用压力机等测试设备对墙体进行抗压强度测试;3.2 记录测试结果并与设计要求进行比对。
五、检验记录检验记录应包括以下信息:1. 项目基本信息:包括工程名称、施工单位、检验批编号等;2. 检验日期:记录进行砌体检验质量检验的日期;3. 检验人员:记录参与检验的人员姓名和职务;4. 检验内容:记录进行的砌体材料、墙体垂直度和墙体强度等检验内容;5. 检验结果:对每项检验内容进行详细记录,并注明是否合格;6. 检验方法:对每项检验内容的具体检验方法进行说明;7. 备注:记录检验中发现的问题、不合格情况及整改措施。
六、检验结论根据本次砌体检验批质量检验的结果,可以得出以下结论:1. 砌体材料质量是否合格;2. 墙体垂直度是否符合设计要求;3. 墙体抗压强度是否达到国家标准。
砖砌体检验批质量验收记录砖砌体检验批质量验收记录一、工程概况本工程为某住宅楼项目,总建筑面积为10000平方米,地上20层,地下2层。
本检验批为地上5层至地上7层的砖砌体工程,共计300立方米。
二、施工情况本工程采用的标准砖尺寸为240mm×115mm×53mm,强度等级为MU10。
砌筑采用一顺一丁的组砌方式,灰缝厚度为8mm~12mm。
砌筑前,对砖进行了浇水湿润处理,确保砖的含水率在10%~15%之间。
同时,采用中砂和水泥按照1:2的比例混合制备砂浆,强度等级为M5。
在砌筑过程中,严格控制灰缝的厚度和饱满度,确保灰缝横平竖直。
每皮砖的标高用水准仪进行控制,确保砌体平整度符合要求。
在门窗洞口处,采用钢筋混凝土过梁进行加固处理。
三、验收情况本次验收按照《砌体结构工程施工质量验收规范》(GB50203-2011)的要求进行。
验收内容包括砖的品种、强度等级、砂浆强度等级、灰缝厚度、饱满度、平整度、垂直度等方面。
1.砖的品种和强度等级符合设计要求,进场时进行了见证取样送检,检测结果合格。
2.砂浆强度等级符合设计要求,留置了标准养护试块,检测结果合格。
3.灰缝厚度控制在8mm~12mm之间,饱满度大于80%,抽查点数符合要求。
4.砌体平整度用2m靠尺进行检查,表面平整度小于5mm,抽查点数符合要求。
5.砌体垂直度用经纬仪进行检查,垂直度小于5mm,抽查点数符合要求。
6.门窗洞口过梁采用钢筋混凝土过梁进行加固处理,尺寸和位置符合设计要求。
四、结论本次砖砌体检验批质量验收合格,符合设计和规范要求。
在后续施工过程中,将继续加强质量控制和验收工作,确保砌体结构的施工质量和安全。
同时,建议加强施工现场的管理和监督,提高施工人员的素质和技能水平,确保施工质量和安全。
五、备注本次验收过程中发现的问题和不足之处将在后续施工过程中进行整改和完善。
同时,将根据现场实际情况和规范要求进行进一步的检查和验收工作。
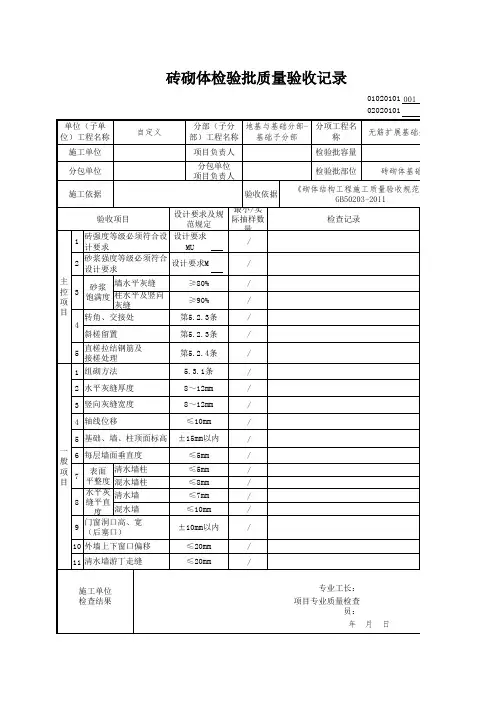
砖砌体体检验批质量验收记录02020101_____填写说明一,填写依据1 «砌体结构工程施工质量验收规范» GB 50203-20112 «建筑工程施工质量验收统一标准» GB 50300-2013二,检验批划分根据«砌体结构工程施工质量验收规范» GB 50203-2011中第3.0.20条规定:砌体结构工程检验批的划分应同时符合下列规定:1 所有材料类型及同类型材料的强度等级相同:2 不超过250m³砌体3 主体结构砌体一个楼层(基础砌体可按一个楼层计);填充墙砌体量少时可多个楼层合并。
三,GB 50203-2011规范摘要主控项目5.2.1 砖和砂浆的强度等级必须符合设计要求。
抽检数量:每一生产厂家,烧结普通砖,混凝土实心砖每15万块,烧结多孔砖,蒸压灰砂转及蒸压粉煤灰砖每10万块各为一验收批,不足上述数量时按1批计,抽检数量为一组。
砂浆试块的抽检数量执行本规范第4.0.12条的有关规定检验方法:查砖和砂浆试块报告5.2.2 砌体灰缝砂浆应密实饱满,砖墙水平灰缝的砂浆饱满度不得低于80%;砖柱水平灰缝和竖向灰缝饱满度不得低于90%。
抽检数量:每检验批抽查不应少于5处检验方法:用百格网检查砖底面与砂浆的粘结痕迹面积。
每处检验三块砖,取其平均值。
5.2.3 砖砌体的转角处和交接处应同时砌筑,严禁无可靠措施的内外墙分砌施工。
在抗震设防烈度为8度及8度以上的地区,对不能同时砌筑而又必须留置的临时间断处应砌成斜搓,普通砖砌体斜搓水平投影长度不应小于高度的2/3,多孔砖砌体的斜搓长高比不应小于1/2。
斜搓高度不得超过一步脚手架的高度。
抽检数量:每检验批抽查不应小于5处检验方法: 观察检测5.2.4 非抗震抗震设防及抗震设防烈度为6度,7度地区的临时间断处,当不能留斜搓时,除转角处外,可留直搓,但直搓必须必须做成凸搓,且应加设拉结钢筋,拉结钢筋应符合下列规定1 每120mm墙厚放置1ф6拉结钢筋(120mm厚墙应放置2ф6拉结钢筋)。
砖面层工程检验批质量验收记录项目名称:砖面层工程项目地点:XXX项目单位:XXX施工单位:XXX一、工程概况1.1项目概述1.2施工材料1.2.1砖砌体材料:XXX1.2.2粘结剂:XXX1.2.3防水材料:XXX二、工程质量验收内容2.1施工材料检验2.1.1砖砌体材料按照相关规范要求,对施工现场所使用的砖进行了检验,检验结果符合相关规范要求。
2.1.2粘结剂对施工现场所使用的粘结剂进行了抽样检验,检验结果符合相关规范要求。
2.1.3防水材料对施工现场所使用的防水材料进行了抽样检验,检验结果符合相关规范要求。
2.2施工工艺验收2.2.1砖的垂直度和水平度对砖面层进行了检查,垂直度和水平度符合相关规范要求。
2.2.2砖缝和砖面平整度对砖缝和砖面进行了检查,砖缝均匀且与砖面平整度符合相关规范要求。
2.2.3砌筑质量对砖体砌筑质量进行了检查,砌筑牢固,无明显空鼓和裂缝。
2.3完工试验2.3.1粘结强度试验按照相关规范要求进行了粘结强度试验,试验结果符合相关规范要求。
2.3.2抗水试验进行了抗水试验,试验结果符合相关规范要求。
三、验收结论本次砖面层工程检验批质量验收,经检查合格。
施工单位按照相关规范要求进行了工程施工,工程质量符合设计要求。
四、存在问题及整改措施4.1存在问题(列出存在的问题,如砖缝不均匀、砌筑质量不稳定等)4.2整改措施(针对存在的问题,提出整改措施,如重新砌筑不合格部分、加强砌筑质量管理等)五、备注(特殊情况或其他需要备注的事项)六、质量验收人员签字质量验收单位:XXX日期:XXXX年XX月XX日本次砖面层工程检验批质量验收记录共计1200字以上。
砖砌体工程检验批质量验收要求(一)主控项目:(二)一般项目4.0.1 水泥进场使用前,应分批对其强度、安定性进行复验。
检验批应以同一生产厂家、同一编号为一批。
当在使用中对水泥质量有怀疑或水泥出厂超过三个月(快硬硅酸盐水泥超过一个月)时,应复查试验,并按其结果使用。
不同品种的水泥,不得混合使用。
4.0.8 凡在砂浆中掺入有机塑化剂、早强剂、缓凝剂、防冻剂等,应经检验和试配符合要求后,方可使用。
有机塑化剂应有砌体强度的型式检验报告。
2.主控项目5.2.1 砖和砂浆的强度等级必须符合设计要求。
抽检数量:每一生产厂家的砖到现场后,按烧结砖15万块、多孔砖5万块、灰砂砖及粉煤灰砖10万块各为一验收批,抽检数量为1组。
砂浆试块的抽检数量执行本规范第4.0.12条的有关规定。
检验方法:查砖和砂浆试块试验报告。
5.2.2 砌体水平灰缝的砂浆饱满度不得小于80%。
抽检数量:每检验批抽查不应少于5处。
检验方法:用百格网检查砖底面与砂浆的粘结痕迹面积。
每处检测3块砖,取其平均值。
5.2.3 砖砌体的转角处和交接处应同时砌筑,严禁无可靠措施的内外墙分砌施工。
对不能同时砌筑而又必须留置的临时间断处应砌成斜槎,斜槎水平投影长度不应小于高度的2/3。
抽检数量:每检验批抽20%接槎,且不应少于5处。
检验方法:观察检查。
5.2.4 非抗震设防及抗震设防烈度为6度、7度地区的临时间断处,当不能留斜槎时,除转角处外,可留直槎,但直槎必须做成凸槎。
留直槎处应加设拉结钢筋,拉结钢筋的数量为每120mm墙厚放置1φ6拉结钢筋(120mm厚墙放置2φ6拉结钢筋),间距沿墙高不应超过500mm;埋入长度从留槎处算起每边均不应小于500mm,对抗震设防烈度6度、7度的地区,不应小于1000mm;末端应有90°弯钩。
抽检数量:每检验批抽20%接槎,且不应少于5处。
检验方法:观察和尺量检查。
合格标准:留槎正确,拉结钢筋设置数量、直径正确,竖向间距偏差不超过100mm,留置长度基本符合规定。
砖砌体工程项目检验批质量验收记录砖砌体工程项目是建筑施工中非常重要的一项工程,砖砌体工程的质量直接关系到整个建筑工程的稳定性和安全性。
因此,在砖砌体工程项目中,质量的验收工作是非常必要的,通过合理的验收能够保证工程的质量,减少施工过程中的质量问题。
以下是一份砖砌体工程项目检验批质量验收记录的范例:项目名称:XXX砖砌体工程项目检验批号:XXX施工单位:XXX公司验收单位:XXX监理公司验收日期:XX年XX月XX日一、验收项目:1.砖砌体墙体的垂直度2.砖砌体墙体的水平度3.砖缝的宽度和均匀度4.砂浆的配合比和强度5.砖砌体墙体的外观质量二、工程认可:根据施工单位提供的材料和施工方案,进行了相应的施工过程的检验,并确认合格。
三、验收情况记录:1.砖砌体墙体的垂直度测量结果:测量点:A1、A2、A3、A4、A5、A6测量值(mm):1.0、0.8、1.2、1.0、1.2、1.0结论:符合设计要求,合格。
2.砖砌体墙体的水平度测量结果:测量点:B1、B2、B3、B4、B5、B6测量值(mm):1.5、1.4、1.3、1.6、1.5、1.4结论:符合设计要求,合格。
3.砖缝的宽度和均匀度测量结果:测量点:C1、C2、C3、C4、C5、C6测量值(mm):10.2、10.0、10.3、10.1、10.2、10.0结论:符合设计要求,合格。
4.砂浆的配合比和强度测试结果:配合比:1比3强度:28天强度≥10MPa测试结果:砂浆配合比符合要求,强度达到要求。
结论:符合设计要求,合格。
5.砖砌体墙体的外观质量:观察墙体表面平整度、砖缝的整洁度和墙面的均匀性。
结论:墙体表面平整度符合要求,砖缝整洁度好,墙面均匀。
结论:符合设计要求,合格。
四、检验结论:根据以上的验收情况记录,本工程的砖砌体工程项目合格。
五、存在问题及处理意见:1.部分砖缝的宽度略有偏差,建议施工单位在后续工作中加强施工质量控制。
2.发现部分砖砌体墙体的垂直度稍有偏差,建议施工单位进行必要的调整。
砖砌体检验批质量验收记录一、项目基本信息项目名称:______(填写项目名称)项目地点:______(填写项目地点)项目施工单位:______(填写施工单位)监理单位:______(填写监理单位)施工日期:______(填写施工日期)验收日期:______(填写验收日期)二、施工内容1.砖砌体工程概述:______(填写砖砌体工程概述,包括砌体尺寸、墙体厚度、砂浆配比等)2.施工工艺:______(填写施工工艺,包括砌筑过程中的注意事项、施工顺序等)三、验收标准及要求1.根据相关规范和图纸要求,对砖砌体的质量进行验收;2.砖砌体应满足以下要求:(1)尺寸准确;(2)砖与砖之间无空鼓、空隙,砖与砖之间应牢固粘结;(3)墙体垂直、水平度符合规范要求;(4)砂浆拌合均匀,并且砂浆与砖间无明显的假面;(5)墙体表面光滑、平整,无明显裂缝。
四、施工过程简述1.施工工艺及步骤:______(简要描述施工工艺及步骤)2.施工人员:______(填写主要施工人员姓名)3.施工材料:______(填写主要施工材料名称及数量)五、质量检测结果1.验收项目:(1)墙体尺寸和直线度检测;(2)墙体垂直度检测;(3)墙体水平度检测;(4)砂浆配比检测;(5)墙体表面平整度检测;(6)砖与砖之间粘结强度检测。
2.检测结果:(1)墙体尺寸和直线度符合规范要求;(2)墙体垂直度符合规范要求;(3)墙体水平度符合规范要求;(4)砂浆配比符合规范要求;(5)墙体表面平整度符合规范要求;(6)砖与砖之间粘结强度符合规范要求。
六、存在问题及整改措施1.存在问题:______(填写存在的问题)2.整改措施:______(填写整改措施)七、验收结论经验收现场检验,砖砌体质量符合相关规范要求,达到验收标准。
八、签名施工单位负责人(签名):______监理单位负责人(签名):______以上为砖砌体检验批质量验收记录,共计______字。