建 筑 专 业 系 列
门窗大样制图标准及设计要点
© ALL RIGHTS RESERVED, UNAUTHORIZED, PROHIBITED THE USE OF, ALL RIGHTS RESERVED. 09/2015
目录
门窗制图 课堂操作 门窗设计 常见问题
© ALL RIGHTS RESERVED, UNAUTHORIZED, PROHIBITED THE USE OF, ALL RIGHTS RESERVED. 09/2015
• 门窗制图
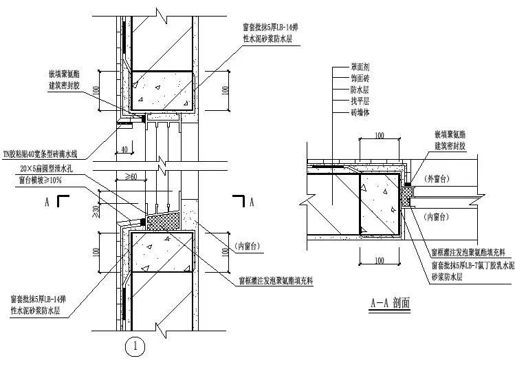
图纸内容——门窗大样
01
01门窗制图 制图内容 制图过程 自查
02课堂操作 03门窗设计 04常见问题
门窗大样表达:门窗分格形式、开启方式、洞口尺寸、编号、通风面积
© ALL RIGHTS RESERVED, UNAUTHORIZED, PROHIBITED THE USE OF, ALL RIGHTS RESERVED. 09/2015
• 门窗制图
门窗的制图内容在哪些图纸上表达呢?
单体平面 A100X
单体立面 A200X
单体剖面 A300X
01
01门窗制图 制图内容 制图过程 自查
02课堂操作 03门窗设计 04常见问题
门窗大样 A600X
门窗表 A600X
门ห้องสมุดไป่ตู้说明 A600X
© ALL RIGHTS RESERVED, UNAUTHORIZED, PROHIBITED THE USE OF, ALL RIGHTS RESERVED. 09/2015
• 门窗制图
图纸内容——单体立面
01
01门窗制图 制图内容 制图过程 自查
02课堂操作 03门窗设计 04常见问题