地下室外墙设计方案【最新版】
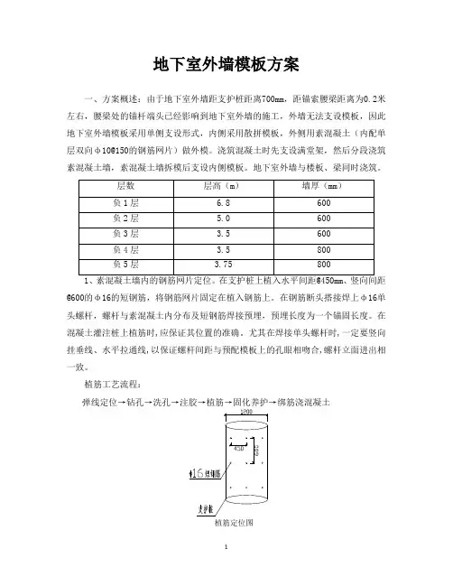
- 格式:docx
- 大小:16.37 KB
- 文档页数:5
地下室外墙单侧支模搭建方案
介绍
本文档旨在提供一种地下室外墙单侧支模搭建方案,以帮助您有效地完成工程。
方案概述
本方案采用以下步骤进行地下室外墙单侧支模搭建:
1. 调查地基:在施工前,需要对地基进行全面调查和评估,保证地基承载能力足够强。
2. 确定支模位置:根据设计图纸确定支模的位置和尺寸,并进行标记。
3. 固定支模支撑:在地基上设置支模支撑,确保支模的稳固性和均衡负载。
4. 安装支模板:将预制的支模板沿墙壁方向依次安装,固定在支模支撑上。
5. 考虑防水措施:对于地下室外墙,建议在支模板安装完成后进行防水处理,以确保墙体的密封性。
6. 完成支模搭建:按照设计要求,完成支模搭建的所有工作,并进行必要的检查和调整。
安全注意事项
进行地下室外墙单侧支模搭建时,请注意以下安全事项:
- 确保支模支撑的稳定性和坚固性。
- 使用适当的个人防护装备,如安全帽、安全鞋等。
- 遵循施工规范和操作规程,减少人员伤害和工程事故的风险。
- 定期检查支模搭建的质量和安全问题,并及时进行修复。
总结
通过本文档提供的地下室外墙单侧支模搭建方案,您可以有效
地进行工程施工。
然而,请记住在施工过程中始终注意安全事项,
并确保按照设计要求完成所有工作。
如有需要,随时请咨询专业人
士的建议和帮助。
以上是地下室外墙单侧支模搭建方案的内容,希望能对您有所
帮助。
一、工程概况本工程为某地下室工程,地下室外墙总面积为XXX平方米,墙体高度为XXX米。
墙体结构采用现浇钢筋混凝土剪力墙,外墙防水等级为二级。
为确保施工质量及工程进度,特制定本施工方案。
二、施工准备1. 材料准备:(1)钢筋:选用符合国家标准的钢筋,规格及数量按设计要求进行采购。
(2)混凝土:选用符合国家标准的混凝土,强度等级为C30,坍落度控制在120-180mm。
(3)防水材料:选用优质防水卷材、防水涂料等。
(4)模板:选用钢模板,确保刚度及稳定性。
2. 施工设备:(1)搅拌机、振捣器、切割机等混凝土施工设备。
(2)钢筋加工设备、焊接设备等钢筋加工设备。
(3)泵送设备、防水卷材铺贴设备等。
3. 人员组织:(1)项目经理:负责工程整体进度、质量、安全等方面的管理工作。
(2)技术负责人:负责技术交底、施工方案的制定、施工过程中的技术指导等工作。
(3)施工班组:负责具体的施工工作。
三、施工工艺1. 施工顺序:(1)测量放线:根据设计图纸,进行地下室外墙的测量放线。
(2)钢筋加工与绑扎:根据设计图纸,加工钢筋,并进行绑扎。
(3)模板安装:安装钢模板,确保模板的稳定性及垂直度。
(4)混凝土浇筑:按照混凝土配合比,进行混凝土的浇筑,确保混凝土密实、均匀。
(5)养护:混凝土浇筑完成后,进行养护,确保混凝土强度达到设计要求。
(6)防水施工:在混凝土养护期间,进行外墙防水施工,包括防水卷材铺贴、防水涂料施工等。
(7)模板拆除:混凝土养护期满后,拆除模板,清理现场。
2. 施工要点:(1)钢筋加工与绑扎:确保钢筋位置准确、间距均匀,绑扎牢固。
(2)模板安装:确保模板的稳定性及垂直度,防止变形、移位。
(3)混凝土浇筑:控制混凝土坍落度,确保混凝土密实、均匀。
(4)防水施工:按照防水规范要求,进行防水施工,确保防水效果。
(5)养护:混凝土养护期间,加强巡视,防止混凝土出现裂缝、蜂窝等质量问题。
四、质量保证措施1. 严格按照设计图纸及施工规范进行施工。
地下室外墙施工方案(一)引言概述:地下室外墙施工方案是地下室建设过程中的关键环节,其合理、安全的施工方案能够保证地下室的稳定和耐久性。
本文将分析地下室外墙施工的必要性,并提出了一套完善的施工方案,以确保地下室外墙的质量和安全。
正文:1. 地下室外墙施工的必要性a. 保护地下室结构的稳定性:地下室外墙的施工能够有效地保护地下室结构,提供必要的支撑和保护,确保地下室的稳定性。
b. 防水和抗渗能力:地下室外墙施工中采用合适的防水材料和施工工艺,能够有效地防止地下室外墙受到水的侵蚀和渗透,保持地下室的干燥和舒适。
c. 隔热和保温性能:地下室外墙的施工中可采用隔热材料和保温层,提高地下室的保温性能,降低能耗,提供一个更加舒适的环境。
d. 美观性:地下室外墙施工中,可以选择合适的外墙装饰材料和设计方案,提升地下室的整体美观度,增加建筑的价值。
e. 环保与节能:地下室外墙材料的选择和施工工艺的优化能够减少对自然环境的影响,并有效地节约能源。
2. 基础准备工作a. 地基处理:在开始施工前,需对地下室外墙的地基进行处理,保证基础的稳固和刚性。
b. 清理工作:清理施工区域的杂物和障碍物,确保施工的顺利进行。
3. 施工工艺和材料选择a. 墙体结构和材料:选用适合地下室外墙施工的墙体结构和材料,如混凝土、砌块等,确保墙体的强度和稳定性。
b. 防水处理:采用有效的防水材料和施工工艺,如防水涂料、防水卷材等,保证地下室外墙的防水性能。
c. 保温层和隔热材料:选择合适的保温层和隔热材料,如保温板、岩棉等,提高地下室的保温性能。
d. 外墙装饰材料:根据设计要求选择适合的外墙装饰材料,如瓷砖、涂料等,增加地下室的美观性。
e. 排水系统:设计合理的排水系统,确保地下室外墙的排水畅通,防止水的积聚。
4. 施工过程和注意事项a. 施工顺序:按照施工图纸和施工计划进行施工,确保各施工环节的有序进行。
b. 施工质量控制:实施严格的质量控制措施,如检测墙体强度、防水层的质量,并及时进行修补和处理。
地下室外墙施工方案
地下室外墙施工方案
地下室外墙施工方案涉及到地下室的建筑结构和防水处理等多个方面。
本方案旨在提供一种全面的地下室外墙施工解决方案,以确保地下室的结构稳固和防水性能优良。
一、地下室建筑结构
在地下室外墙的建筑结构设计中,我们采用耐久且具有良好抗震性能的混凝土结构。
混凝土外墙板应采用高强度的混凝土材料,以确保其承载能力和耐久性。
同时,我们将结合钢筋加固布置,提高地下室外墙的整体稳定性。
二、外墙保温层
地下室外墙保温层是确保地下室能够有效隔热、防潮的关键措施。
我们建议在外墙板表面上涂覆一层防水胶膜,以确保墙体的防水性能。
然后,在防水胶膜上喷涂一层保温材料,并用胶水固定。
我们建议采用聚苯乙烯(EPS)保温材料,因其具有
良好的隔热性能和长久的耐用性。
三、防水处理
地下室外墙的防水处理非常重要,以防止地下室受潮和水渗透等问题。
我们建议在地下室外墙面涂刷两层防水涂料,以增加其防水性。
同时,我们还会在地下室外墙与地下室地面的交接处进行密封处理,以防止水从墙体与地面的缝隙渗入。
四、装修饰面层
为了提高地下室外墙的美观性和耐用性,我们推荐在保温层之上安装装饰面层。
通常,我们可以选择使用砖石、面砖、石材等装饰材料进行外墙面层的施工。
这些装饰材料具有良好的耐用性和美观性,能够有效地保护地下室外墙。
总结起来,地下室外墙施工方案涵盖了地下室的建筑结构、保温层、防水处理和装修饰面层等多个方面。
通过合理设计和施工,我们可以确保地下室外墙具有良好的结构稳定性和防水性能,同时提高地下室的美观性和耐久性。
地下室外墙防渗漏方案一、前言。
地下室外墙要是漏水啊,那就像房子在偷偷哭鼻子,多闹心。
所以呢,咱得想个周全的办法来防止它渗漏,这就好比给外墙穿上一层超级防水的铠甲。
二、渗漏原因分析。
1. 混凝土自身问题。
混凝土要是搅拌不均匀,就像做蛋糕没搅匀面粉和鸡蛋一样,有的地方密实,有的地方疏松,疏松的地方就容易渗水啦。
还有啊,振捣不密实也是个大问题。
振捣就像给混凝土做按摩,如果没按好,里面就会有好多小气泡,这些气泡就像一个个小漏洞,水就会顺着它们钻进去。
2. 施工缝处理不当。
施工缝就像衣服上的缝合线,如果没处理好,那就相当于衣服缝得歪歪扭扭,水就能从缝里挤进来。
比如说,施工缝处的杂物没清理干净,或者新老混凝土结合不紧密,这都给渗漏开了方便之门。
3. 穿墙管处密封不好。
穿墙管就像墙上打的洞用来穿电线之类的东西。
如果密封得不好,就像窗户没关严,雨水就会顺着缝隙灌进来。
比如说,密封材料选得不合适,或者安装的时候没按要求操作,那这个地方就很容易漏水。
三、防渗漏措施。
# (一)混凝土施工方面。
1. 原材料控制。
砂和石子呢,也要干干净净的,不能有太多泥土杂质,不然就像在混凝土里掺了沙子,影响质量。
2. 配合比设计。
混凝土的配合比得精心设计。
水灰比不能太大,要是水太多,混凝土就像稀粥一样,没什么强度,还容易渗水。
就像煮饭水放多了,饭就变得黏糊糊还不好吃。
3. 搅拌和运输。
搅拌的时候,要保证足够的时间,让各种材料充分混合。
运输过程中呢,可不能让混凝土离析,就像运沙子和石头不能让它们分家一样。
如果离析了,到了工地再用就容易出问题。
4. 振捣。
振捣一定要到位。
振捣棒要像绣花针一样,在混凝土里仔细地捣鼓,把气泡都赶出来,让混凝土密实得像一块石头。
振捣工人可得有耐心,不能敷衍了事。
# (二)施工缝处理。
1. 施工缝留设。
施工缝要留设在合适的位置,不能随便乱留。
一般要按照结构受力最小的地方留设,就像在衣服上找最不容易扯开的地方缝一样。
地下室外墙(一)引言概述:地下室外墙是建筑结构中重要的一部分,它不仅承受外部环境的侵蚀,还需要确保地下室内部的干燥与保温。
本文将探讨地下室外墙的五个主要方面:材料选择、施工方法、防水处理、保温措施和装饰方式。
正文:1. 材料选择:a. 耐候性强的材料:如砖、混凝土等,能够抵抗环境侵蚀。
b. 高抗压强度材料:确保地下室外墙足够强硬,能够承受压力。
c. 透气性材料:避免湿气积聚,防止霉菌和腐蚀的产生。
d. 耐水性材料:防止墙体渗水,保持地下室的干燥。
e. 良好的隔热性能:提高地下室的保温效果。
2. 施工方法:a. 墙体基础处理:确保地下室外墙与地基之间没有缝隙,防止水渗入。
b. 地下室外墙的垂直度和平整度:保证墙体的结构稳定和美观。
c. 钢筋绑扎和混凝土浇筑:增加墙体的强度和耐久性。
d. 粘贴瓷砖或涂抹墙面防水材料:加强地下室外墙的防水性能。
3. 防水处理:a. 外墙防水涂料:防止雨水渗入地下室,保持室内干燥。
b. 地下室外墙防水卷材:提供更高的防水效果,避免水蒸气渗入。
c. 排水系统:设计合理的排水系统,引导雨水远离地下室外墙。
4. 保温措施:a. 外墙外保温材料:如聚苯板等,提高地下室的保温效果。
b. 内墙内保温材料:防止室内温度传导到地下室外墙。
5. 装饰方式:a. 涂刷防水涂料:在墙体表面形成保护膜,提高外墙的美观性。
b. 粘贴瓷砖或石材:使地下室外墙更具装饰性。
总结:地下室外墙建设需要注意材料的选择、施工方法、防水处理、保温措施和装饰方式。
只有经过合理的设计和施工,才能确保地下室外墙的耐用性、防水性和保温效果,同时使其更美观。
地下室外墙设计一般不应小于250mm,混凝土强度等级常用C20~C30。
1.荷载:竖向荷载有上部及各层地下室顶板传来的荷载和外墙自重;水平荷载有室外地坪活荷载、侧向土压力、地下水压力、人防等效静荷载。
(1)室外地坪活荷载:一般民用建筑的室外地面(包括可能停放消防车的室外地面),活荷载可取5kN/m2。
有特殊较重荷载时,按实际情况确定。
(京院技措2.0.6)地面活荷载对外墙产生的压力为沿墙高度方向的均布荷载Px,Px=qx.Ka=qx/3,qx为地面活荷载(2)水压力:水位高度可按最近3~5年的最高水位确定,不包括上层滞水。
(京院技措3.1.8)(3)土压力:a.当地下室采用大开挖方式,无护坡桩或连续墙支护时,地下室外墙承受的土压力宜取静止土压力,土压力系数K0,对一般固结土可取K0=1-sin(为土的有效内摩擦角),一般情况可取0.5。
(京院技措2.0.16)b.当地下室施工采用护坡桩或连续墙支护时,地下室外墙土压力计算中可以考虑基坑支护与地下室外墙的共同作用,或按静止土压力乘以折减系数0.66近似计算,Ka=0.5x0.66=0.33,相当于主动土压力。
(京院技措2.0.16)c.地下水位以下土的容重,可近似取11kn/m2。
(京院技措2.0.5)实际上,风荷载和地震区地面运动使土压力超过静态土压力而有所增加,但其对外墙平面外产生的内力较小,可以不予考虑。
2.荷载设计值:以前的算法地面活荷载取1.4外,其他包括水压力均取1.2。
现依据《建筑结构荷载规范,当活荷载占总荷载之比值不大于20%时,G=1.35,Q=1.40,C=0.7,综合分析后外墙各项荷载分项系数均取1.30。
3.计算简图:(1)地下室无横墙或横墙间距大于层高2倍时,其底部与刚度很大的基础底板或基础梁相连,可认为是嵌固端;顶部的支座条件应视主体结构形式而定。
当与外墙对应位置的主体结构墙为剪力墙时,首层墙体与地下一层外墙连续,可以对外墙形成一定的约束。
地下室外墙施工方案(二)引言概述:地下室外墙施工是建筑施工中一项重要的工作,对于地下室的结构安全和防水能力有着关键性的影响。
本文将探讨地下室外墙施工的方案,旨在提供一套完善的施工指南,确保施工的质量和效果。
正文内容:
一、地下室外墙施工前的准备工作
1. 建立施工组织
2. 榫卯连接和前期构件制作
3. 地面平整处理
4. 材料采购和测量勘测
5. 安全措施和图纸审查
二、地下室外墙施工材料与工艺
1. 外墙材料选择
2. 防水层施工
3. 外墙隔热层的安装
4. 脚手架的搭建和固定
5. 砖砌墙的施工工艺
三、地下室外墙施工注意事项
1. 外墙施工的季节选择
2. 施工队伍的组织和管理
3. 填充和加固处理
4. 防水材料的使用和注意事项
5. 地下室外墙与屋面接触处的处理
四、地下室外墙施工质量控制
1. 定期检查和验收
2. 施工方案的实施和调整
3. 施工工艺的质量控制
4. 材料的质量检测
5. 地下室外墙施工中的质量安全监督
五、地下室外墙施工后的维护与修复
1. 外墙维护的重要性和方法
2. 外墙修复的方法选择
3. 外墙防水层的定期检查与维护
4. 外墙装饰材料的更换和维修
5. 地下室外墙施工问题处理的常见方法
总结:地下室外墙施工方案的执行是确保地下室结构安全和防水能力的关键。
通过本文对地下室外墙施工的准备工作、材料与工艺、注意事项、质量控制以及施工后的维护与修复进行详细阐述,可以为施工人员提供有效的指导。
合理选择材料和施工工艺,严格控制施工质量,加强施工后的维护工作,能够确保地下室外墙施工的质量和效果。
地下室外墙模板方案目录一、项目概述 (3)1. 项目背景介绍 (3)2. 项目目标与目的 (4)3. 工程概况及规模 (4)二、设计原则及规范标准 (5)1. 设计原则 (6)(1)安全性原则 (7)(2)实用性原则 (9)(3)美观性原则 (10)2. 规范标准 (11)(1)国家标准 (12)(2)行业标准 (13)(3)地方标准 (14)三、外墙模板设计 (15)1. 设计参数确定 (16)(1)墙体尺寸及厚度 (17)(2)模板材质及规格 (18)(3)支撑体系设计参数 (19)2. 模板结构设计 (20)(1)模板面板设计 (22)(2)模板背楞设计 (23)(3)模板连接件设计 (24)3. 模板安装流程 (25)(1)安装准备工作 (26)(2)模板安装步骤 (27)(3)安装注意事项 (28)四、外墙防水设计 (29)1. 防水等级及要求 (31)2. 防水材料选择及施工工艺 (32)3. 防水层布局及施工细节处理 (34)五、模板加工及质量控制 (35)1. 模板加工工艺流程 (36)(1)材料准备 (37)(2)下料及成型加工 (38)(3)质量检测及验收标准 (39)2. 质量控制措施及方法 (40)(1)加工过程中的质量控制 (41)(2)施工过程中的质量监控 (42)(3)质量问题的应对措施 (43)六、施工安全及环保措施 (45)1. 施工安全措施 (46)(1)施工现场安全管理制度 (47)(2)施工人员安全培训 (48)(3)安全防护措施及应急处理方案 (49)2. 环保措施 (50)(1)噪声控制 (51)(2)扬尘控制 (52)(3)废弃物处理及资源化利用方案 (53)七、工程验收及后期维护管理方案 (54)一、项目概述本项目为一栋多层商业综合体建筑,地上二十二层。
地下室外墙主要为混凝土结构,采用钢筋混凝土框架结构。
本方案旨在确保地下室外墙的质量、安全、进度等方面满足设计要求及施工规范,同时兼顾经济性和可操作性。
地下室外墙模板方案一、工程概述本工程为_____,地下室外墙设计高度为_____,长度为_____。
地下室结构的稳定性和防水性能对于整个建筑的质量至关重要,而地下室外墙模板的施工方案直接影响着施工质量和进度。
二、模板选型根据工程特点和施工要求,经过综合考虑,决定选用_____模板体系。
该模板体系具有强度高、稳定性好、拼装灵活等优点,能够满足地下室外墙施工的需要。
三、模板材料1、面板:采用_____材质的面板,其厚度为_____,具有良好的平整度和耐磨性。
2、龙骨:主龙骨采用_____,间距为_____;次龙骨采用_____,间距为_____。
3、支撑系统:选用_____作为支撑体系,确保模板的稳定性和垂直度。
四、模板安装工艺流程1、测量放线首先,根据设计图纸,在地下室底板上放出地下室外墙的位置线和控制线,并在墙体内侧弹出模板安装的控制线,确保模板安装的位置准确无误。
2、安装底部定位筋在底板上每隔_____距离设置一根底部定位筋,以保证模板底部的位置准确和防止模板底部漏浆。
3、安装模板将模板按照编号依次进行拼装,模板之间采用_____连接方式,确保拼接紧密,无错台和缝隙。
在安装过程中,要随时使用铅垂线和水平仪进行垂直度和水平度的校正。
4、安装对拉螺栓按照设计要求,在模板上安装对拉螺栓,对拉螺栓的间距和规格应符合设计要求。
对拉螺栓穿过模板后,要在两端安装垫片和螺母,并拧紧,以保证模板的稳定性和防止混凝土涨模。
5、安装斜撑和水平撑为了保证模板的稳定性,在模板的两侧安装斜撑和水平撑,斜撑和水平撑的间距和规格应符合施工方案的要求。
6、检查验收模板安装完成后,要对模板的垂直度、平整度、拼缝、对拉螺栓的紧固程度等进行全面检查,发现问题及时整改,确保模板安装质量符合要求。
五、模板拆除1、拆除时间地下室外墙模板的拆除时间应根据混凝土的强度和温度等因素确定,一般在混凝土浇筑完成后_____天拆除。
2、拆除顺序拆除顺序应遵循先支后拆、后支先拆的原则,先拆除斜撑和水平撑,然后拆除对拉螺栓,最后拆除模板。
地下室外墙单边支模方案地下室外墙单边支模方案一、方案概述地下室外墙单边支模方案旨在介绍地下室施工中的外墙单边支模施工方案,包括施工步骤、施工材料以及安全注意事项。
二、施工步骤1. 准备工作1.1 确定施工图纸,了解外墙单边支模的尺寸和形状要求。
1.2 确定施工现场的地质情况和环境要求,做好相应的安全防护措施。
1.3 检查模板和支撑材料的完整性和稳定性,并进行修复或更换。
2. 固定支撑材料2.1 根据设计要求和模板尺寸,选择适当的支撑材料。
2.2 在地面上布置支撑材料,确保支撑点之间的水平和垂直距离符合要求。
2.3 用钢筋模板支撑柱固定住支撑材料,确保支撑的稳定性和强度。
3. 安装模板3.1 预先测量和标记地下室外墙的尺寸和位置。
3.2 根据测量结果和标记,将模板安装在支撑材料上。
3.3 使用螺栓或其他固定工具固定模板,确保模板与支撑材料之间的连接牢固。
4. 进行混凝土浇筑4.1 在模板安装完成后,根据设计要求安装钢筋。
4.2 准备混凝土,并确保掺配比例合适。
4.3 进行混凝土浇筑,确保混凝土均匀分布并充分振实。
4.4 用振动器在混凝土浇筑完成后进行振动,确保混凝土密实。
5. 模板拆除5.1 等待混凝土硬化到一定程度后,可以进行模板的拆除。
5.2 在拆除模板之前,检查混凝土的强度是否满足要求。
5.3 拆除模板并清理施工现场,确保地下室外墙施工完成。
三、施工材料1. 模板材料:常见的模板材料包括钢模板、木模板和塑料模板等。
2. 支撑材料:常见的支撑材料包括支撑柱、木方和钢托等。
3. 钢筋:根据设计要求选择合适的钢筋类型和规格。
4. 混凝土:根据设计要求配制合适的混凝土。
四、安全注意事项1. 在施工过程中,严格遵守相关施工规范和安全操作规程。
2. 使用合格的施工材料,杜绝使用破损或劣质材料。
3. 定期检查和维护支撑材料,确保支撑稳定可靠。
4. 严格执行施工现场的安全措施,确保现场人员的安全。
5. 在混凝土浇筑过程中,避免发生混凝土坍塌和钢筋露出等安全问题。
地下室外墙(二)引言概述:地下室外墙是保护地下室结构免受地下水、土壤和其他外力侵害的重要组成部分。
在上一篇文档中,我们讨论了地下室外墙的材料选择和施工技术。
本文将继续探讨地下室外墙的设计原则以及防水和维修措施。
下面将分为5个大点进行详细阐述。
一、设计原则1. 考虑保温性能:地下室外墙的设计应考虑保温性能,以降低能源消耗并提高居住舒适性。
2. 考虑抗渗透性:地下室外墙应具备防水功能,以防止地下水渗入并引发结构损坏。
3. 考虑承载能力:地下室外墙应具备足够的承载能力,以抵御地下水和土壤压力带来的负荷。
4. 考虑地震安全性:地下室外墙的设计应考虑地震因素,采用抗震措施以确保结构的稳定性。
5. 考虑施工可行性:地下室外墙的设计应考虑施工可行性,选择适合的施工方法和技术手段。
二、防水措施1. 底部防水:在地下室外墙的底部应采取合适的防水措施,如地下室外墙防潮层或防水涂料。
2. 墙面防水:地下室外墙的墙面应进行防水处理,如涂刷防水涂料、使用防水板材或填充防水剂。
3. 接缝防水:地下室外墙的接缝处应进行防水处理,如采用密封胶进行密封或使用防水条进行填充。
4. 排水系统:地下室外墙应配置合适的排水系统,包括排水板、排水管道和渗水孔,以及雨水收集装置。
5. 耐久性检测:地下室外墙防水措施的耐久性应进行定期检测和维护,及时修复损坏的防水层。
三、维修措施1. 表面修补:地下室外墙出现表面裂缝或损坏时,应及时进行修补,以避免进一步的结构破坏。
2. 渗水处理:如地下室外墙出现渗水问题,应采取相应的处理措施,如修补裂缝、加固结构或重新施工防水层。
3. 结构加固:当地下室外墙的结构出现损坏或弱化时,应进行结构加固,以确保结构的稳定性和安全性。
4. 消防措施:地下室外墙的维修过程中应注意消防措施,以避免火灾和烟雾带来的安全事故。
5. 外墙保养:地下室外墙应定期清洁和保养,确保其外观美观并延长使用寿命。
总结:地下室外墙的设计原则涵盖了保温性能、抗渗透性、承载能力和地震安全性等方面。
引言:地下室外墙施工方案是地下室工程中至关重要的一环。
本文将详细介绍地下室外墙施工方案(二),包括概述、正文内容、五个大点的阐述和每个大点中的小点详细阐述。
通过本文,读者将了解地下室外墙施工方案的重要性以及各个环节的具体操作。
概述:正文内容:一、地下室外墙材料选择1.根据地质条件选择合适的材料2.材料的耐久性和防水性能3.材料的施工便利性和经济性4.墙体与地基的连接方式5.监测墙体材料的质量和强度二、地下室外墙结构设计1.墙体的厚度和高度设计2.墙体的受力分析和设计3.墙体与地基的连接设计4.防潮层和保温层的设计5.防水材料的选择和处理三、地下室外墙施工工艺1.墙体的基础处理与建设2.墙体的分段施工3.墙体的模板搭建和拆除4.墙体的浇筑和养护5.墙体防水层的施工和处理四、地下室外墙施工质量控制1.施工前的准备和检查2.施工过程中的质量控制3.施工人员的素质要求和资质证书4.施工现场的管理和整改5.施工后的验收和记录五、地下室外墙施工安全控制1.施工过程中的安全措施2.施工现场的警示标志和安全通道3.施工设备的安全操作4.施工人员的安全教育和培训5.施工现场的定期检查和维护总结:地下室外墙施工方案(二)是地下室工程中极为重要的一部分。
本文通过引言概述、正文的五个大点阐述和小点的详细阐述,全面介绍了地下室外墙施工方案的内容。
只有在合理、科学、规范的施工方案下,地下室工程才能保证质量和安全。
因此,施工方案的制定和实施必须要严格把关,确保施工的顺利进行。
地下室外墙设计(一)【引言概述】地下室外墙设计在建筑工程中扮演着至关重要的角色。
其设计不仅要满足美观的要求,还要具备防水、抗渗透和隔热等功能。
本文将从材料的选择、防水层的施工、抗渗透措施、隔热设计以及定期保养等五个方面,对地下室外墙设计进行详细阐述。
【正文】1. 材料的选择1.1. 墙体材料的选择:应选择抗压强度高、耐水性强的材料。
1.2. 隔热材料的选择:应选择导热系数较低、防水性好的隔热材料。
1.3. 防水材料的选择:应选择具有良好的柔韧性、耐久性和抗渗性的防水材料。
1.4. 表面处理材料的选择:应选择具有良好耐候性和耐久性的表面处理材料。
2. 防水层的施工2.1. 地下室外墙防水层的种类:涂料型、卷材型和挤塑板型防水层。
2.2. 防水层施工前的处理措施:准备工作包括清理、修补、加固和处理接缝等。
2.3. 防水层施工的步骤:涂刷防水涂料、铺设防水卷材或安装挤塑板,并进行密封处理。
3. 抗渗透措施3.1. 渗透源的识别:通过检测和分析确定地下室外墙的渗透源。
3.2. 渗透控制方法:采用防水层、加强墙体结构和隔离板等措施来控制渗透。
3.3. 施工工艺的监控:加强对施工工艺的监控,确保措施的有效实施。
4. 隔热设计4.1. 隔热材料的应用:在地下室外墙设计中应选用导热系数较低的隔热材料。
4.2. 隔热层的施工:采用分层隔热和填充隔热的方式进行施工。
4.3. 隔热材料的密封处理:确保隔热材料之间的接缝密封,防止冷热桥效应。
5. 定期保养5.1. 外墙保养周期:根据使用环境和外墙材料的特性,制定合理的保养周期。
5.2. 检查、清理和维修工作:定期进行外墙的检查、清理和维修工作。
5.3. 灾害性事件后的处理:遭受灾害性事件后,及时进行修复和恢复工作。
【总结】地下室外墙的设计是一个复杂而细致的过程,不仅要考虑美观,更要考虑防水、抗渗透和隔热等功能。
通过选用合适的材料、采取科学的施工工艺以及定期维护,可以有效地保证地下室外墙的功能和使用寿命。
地下室外墙的设计如何装修地下室(二)引言概述:地下室作为房屋的重要部分,其外墙设计和装修至关重要。
本文将围绕地下室外墙的设计和装修展开讨论,从防水材料的选择、外墙隔热、装饰材料的选择等多个方面进行探讨,希望能为大家提供一些有关地下室外墙设计和装修的实用建议。
正文内容:一、选择合适的防水材料1. 了解不同防水材料的特点和适用范围2. 考虑地下室外墙的地势和周围环境,选择适合的防水材料3. 注意施工工艺和细节处理,确保地下室外墙的防水效果二、进行外墙隔热处理1. 掌握地下室外墙隔热的基本原理2. 选择合适的隔热材料,如保温板、隔热涂料等3. 合理施工,确保隔热材料的质量和效果4. 注意外墙隔热与防水材料的配合,实现双重效果三、选择适当的装饰材料1. 考虑地下室外墙的用途和特点,选择耐久性强的装饰材料2. 注意材料的防潮性和防腐性能3. 考虑装饰材料的颜色和风格,与整体建筑风格相协调4. 注意装饰材料的施工工艺和细节处理,确保装饰效果和品质四、合理设计外墙透气性1. 了解地下室外墙透气性的重要性2. 选择适合地下室的外墙透气材料和工艺3. 注意透气性与防水性的平衡,避免出现潮气堆积和渗漏问题五、注意外墙维护和保养1. 定期检查和清洁地下室外墙2. 及时修补和更换损坏的部分3. 配备合适的外墙防护材料,如防腐剂和防壁蚀涂层等总结:地下室外墙的设计和装修需要综合考虑防水、隔热、装饰等多个因素。
选择合适的防水材料、进行外墙隔热处理、选择适当的装饰材料、合理设计外墙透气性,并注意外墙维护和保养,能够有效提升地下室的舒适度和使用寿命。
希望这些建议能够对大家在地下室外墙设计和装修上提供帮助。
地下室外墙抗裂施工方案一、工程概况:本工程设计使用年限为50年,工程为两层地下室,地下室埋深约为9米,其中地下二层为3.85m,地下一层为4.8m,外墙中周长约340m,共计浇注砼量为1400m3,地下室外墙设有FBZ,其中外墙砼标号为C35S8,FBZ砼标号为C45S8,外墙纵横向受力钢筋间距为大都150mm。
地下室设两道设防,一道为砼自防水,一道为卷材柔性防水层。
地下室外墙设置两到后浇带将地下室底板以上分为三个施工段,根据施工具体情况,我司在地下室施工时实际将A、B段合为一个施工段进行施工,所外墙外围一次性浇注长度长,砼浇注量大,施工技术难度大,外墙砼浇注完成后,由于水化热产生砼收缩应力,对外墙结构不利,所以在施工中有效防止砼开裂,就成为地下室施工的重中之重。
二、主要施工思路1.为满足先有施工进度及现场劳动力要求,采用先支梁板模板后绑下层墙柱的做法进行施工,这样可以尽量避免各工序劳动力的交错打架及过久的窝工现象。
2.与设计院、甲方、监理协商,在外墙钢筋及保护层上做有助于抗裂的更改;与砼搅拌站联系,在原材料方面,做在不影响砼强度的情况下,调整有利于抗裂的砼配合比。
3.地下室外墙按其层高,分三次浇注。
第一次浇注至地下室底板以上500mm,第二次为地下室底板500mm以上~地下室一层楼面板以上500mm处,第三次浇注至地下室一层楼面板500mm以上~地下室顶板。
墙体水平缝采用300mm宽止水钢板进行施工缝防渗处理。
4.FBZ与外墙砼标号不同,采用5mm空钢丝网片进行隔开,避免混浇。
砼浇注先交C45S8柱子,在浇注相临C35S8墙体。
5.外墙砼养护,采用周边贴墙设水管,管身开小孔,不断淋水养护法进行养护。
三、施工准备(一)、施工技术准备:50(20)30迎水面地面基础或底板背水面h(b)1.组织技术人员认真审图,熟悉各构件的砼标号。
2.经甲方、监理、设计院共同协商,决定将外墙Φ14@150的水平筋改为Φ12@100,竖向钢筋配筋不变。
地下室外墙设计方案
为了满足抗渗要求,地下室外墙(以下简称外墙)的厚度一般不应小于250mm,混凝土强度等级常用C20~C30。
1.荷载:竖向荷载有上部及各层地下室顶板传来的荷载和外墙自重;水平荷载有室外地坪活荷载、侧向土压力、地下水压力、人防等效静荷载。
(1)室外地坪活荷载:一般民用建筑的室外地面(包括可能停放消防车的室外地面),活荷载可取5kN/m2。
有特殊较重荷载时,按实际情况确定。
(京院技措2.0.6)
地面活荷载对外墙产生的压力为沿墙高度方向的均布荷载Px,
Px=qx.Ka= qx/3, qx为地面活荷载
(2)水压力:水位高度可按最近3~5年的最高水位确定,不包括上层滞水。
(京院技措3.1.8)
(3)土压力:a. 当地下室采用大开挖方式,无护坡桩或连续墙支护时,地下室外墙承受的土压力宜取静止土压力,土压力系数K0,对
一般固结土可取K0=1-sinφ(φ为土的有效内摩擦角),一般情况可取0.5。
(京院技措2.0.16)
b. 当地下室施工采用护坡桩或连续墙支护时,地下室外墙土压力计算中可以考虑基坑支护与地下室外墙的共同作用,或按静止土压力乘以折减系数0.66近似计算,Ka=0.5x0.66=0.33,相当于主动土压力。
(京院技措2.0.16)
c. 地下水位以下土的容重,可近似取11kn/m2。
(京院技措2.0.5)
实际上,风荷载和地震区地面运动使土压力超过静态土压力而有所增加,但其对外墙平面外产生的内力较小,可以不予考虑。
2.荷载设计值:以前的算法地面活荷载取1.4外,其他包括水压力均取1.2。
现依据《建筑结构荷载规范,当活荷载占总荷载之比值不大于20%时,γG=1.35, γQ=1.40,ΨC=0.7,综合分析后外墙各项荷载分项系数均取1.30。
3.计算简图:
(1)地下室无横墙或横墙间距大于层高2倍时,其底部与刚度很大的基础底板或基础梁相连,可认为是嵌固端;顶部的支座条件应视主
体结构形式而定。
当与外墙对应位置的主体结构墙为剪力墙时,首层墙体与地下一层外墙连续,可以对外墙形成一定的约束。
但是,主体结构的外墙往往开有较大的门窗洞口,其对外墙的约束很有限。
当主体结构为框架类结构(包括纯框架和框剪)时,外墙仅与首层底板相连,首层底板相对于外墙而言平面外刚度很小,对外墙的约束很弱。
所以,外墙顶部应按铰接考虑。
地下室中间层可按连续铰支座考虑。
这样,地下室外墙就如同下端嵌固、上端铰支的连续梁。
(2)地下室内横墙较多且间距不大于层高2倍时,地下室外墙就如同下端嵌固、上端铰支的连续双向板。
(3)地下室无横墙但外墙上有附壁柱时,除非柱设计时考虑了外墙传来的水平荷载,否则该柱不应作为外墙的支座,仍应按(1)考虑。
(4)有的工程基础底板上有较厚的覆土,这时最下层外墙的计算高度应视该层地面做法而定。
如为混凝土面层较厚的刚性地面,且在基坑肥槽回填之前完成地面做法,则外墙计算高度可算至地下室地坪。
而实际施工顺序往往是出地面后肥槽立即回填,而地下室地面在完成机电管线布置后才施工,相隔很长时间。
这种情况下,外墙计算高度就应算至底板上皮。
为了减小外墙计算高度,可在外墙根部与基础底板交接处覆土厚度范围内设八字角,并配构造钢筋,作为外墙根部的加腋,加腋坡度按1:2。
这时外墙计算高度仍可算至地下室地坪。
4.为了便于配筋构造和节省钢筋,外墙可考虑塑性变形内力重分布。
塑性计算不仅可以在有外防水的墙体中采用,也可在混凝土自防水的墙体中采用。
塑性变形可能只在截面受拉区混凝土中出现较细微的弯曲裂缝,不会贯通整个截面厚度,所以外墙仍有足够的抗渗能力。
5.墙配筋计算:外墙除承受水平荷载外,还承受上部结构及各层地下室顶板传来的荷载和外墙自重等竖向荷载。
所以,严格来讲,外墙应按偏心受压构件计算配筋。
但在实际工程设计中,考虑竖向荷载产生的截面应力很小,而且为了计算方便,仅按墙板平面外受弯计算配筋。
当竖向荷载很大时,也可分别按受弯和轴心受压计算墙体配筋,然后将二者叠加。
6.外墙保护层厚度:按〈地下工程防水技术规范〉50108-2001-4.1.6条,“迎水面钢筋保护层厚度不应小于50mm。
”为强制性条文。
但实际操作有困难之处。
一方面外墙截面有效厚度损失较大,另一方面外墙一般较厚,且拆模早,养护困难。
施工单位为了避免开裂,在50mm厚保护层内附加Φ8@200构造筋,与外墙受力筋间距很小,垂直浇捣混凝土困难。
按〈混凝土结构设计规范〉50010-2002,外墙外侧环境类别为“二b”,内侧“二a”,据此,外侧保护层厚度25mm,内侧20mm。
也是强制性条文。
按〈混凝土结构设计规范〉执行。
a) 水平筋:外墙按连续梁计算时,水平筋为构造。
但当外墙较长时,考虑到混凝土硬化过程及温度影响产生收缩裂缝的现象极为普遍,水平筋配筋率宜适当加大,宜采用变形钢筋,直径宜小间距宜密,最大间距不宜大于200mm。
b) 外墙根部节点:一般外墙厚度远小于基础底板,底板计算时在外墙端常按铰支座考虑,外墙计算时在底板端常按固端考虑,所以底板上下钢筋伸至外墙外侧即可,端头不必设弯钩。
外墙外侧竖向钢筋在底板底部弯后直段长度满足与底板下筋搭接要求,即可形成对外墙的嵌固。
地下室顶板钢筋应加强,保护层和混凝土垫层及强度等级应按规范加注(GB50108-2001第4.1.6条)。
否则就会产生如下类似问题:地下室外墙、底板等迎水面保护层厚40mm,底板与土接触处钢筋保护层厚35mm,不适合GB50108-2001第4.1.6条;柱保护层25mm,违反GB50010-2002第9.2.1条;地下室垫层采用C10混凝土,或底板下未做混凝土垫层,违反GB50108-2001第4.1.5条和第4.1.5条;未见地下混凝土构件环境类别划分与对应的钢筋混凝土构件保护层厚度,不符合GB50010-2002第9.2.1条等。