液晶电视主板电路原理图
- 格式:pdf
- 大小:374.74 KB
- 文档页数:8
三星LA46F71B液晶彩电整机主要电路组成如图11-1所示。
从图中可以看出,三星LA46F71B液晶彩电主要由高频头TU901、视频控制芯片IC502(SVP-LX61)、帧存储器IC600和IC601(EM6A932081-5MG)、主微控制器IC403(M30840SGP)、副微控制器IC407(S3F866)、外部RAM IC410(EM562081BC)、FLASH存储器IC400(AT49BV802AT)、数据存储器IC404(M24C32)、HDMI接收处理器IC604(MST3386)、音频切换电路IC115和IC117(MM74HC4052)、音频处理电路IC105(STV8257)、音频功放电路IC111(STA323W)以及开关电源、逆变电源、液晶面板等组成。
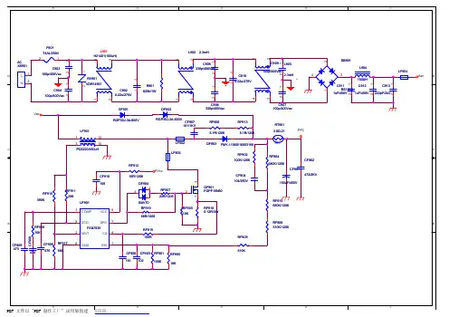
图11-2所示为三星LA46F71B 液晶彩电主板及主要IC分布,图11-3所示为三星LA46F71B液晶彩电电源板。
三星LA46F71B液晶彩电主板电路的工作过程如下:由高频头输出的中频信号送到视频控制芯片IC502,在IC502内部,经解调、A/D转换、解码、去隔行处理、图像缩放等处理,再送到内部LVDS发送器,转换成LVDS串行数据流信号,送到液晶面板电路,驱动液晶屏显示图像。
另外,由高频头输出的伴音中频信号送到音频处理电路IC105进行解调、处理,然后送到音频功放电路IC111,经IC111功率放大后,驱动扬声器发出声音。
一、中放一体化高频头电路分析中放一体化高频头电路如图11-4所示。
TU901为中放一体化频率合成式高频头,①脚为9V供电端,⑦脚为5V供电端,⑧脚为伴音中频信号输出端,该信号送到音频处理电路IC105.12脚为彩色全电视信号输出端,该信号送到视频控制芯片IC502.⑤、⑥脚为I2C总线数据和时钟端,微控制器IC403通过I2C总线完成对TU901的控制。
二、输入接口电路分析三星LA46F71B液晶彩电的输入接口较多,下面仅对其中的YPbPr、VGA、HDMI接口电路进行分析。
TCL液晶电视逻辑板的原理与维修方案——图解一、逻辑板概述T-CON板,即我们常说的逻辑板,它的结构框图如图1所示,它又被称为中控板、解压板、解码板,是液晶屏显示视频图像信号的关键部件,英语为Timer-Control(时序控制器),缩写为T-CON。
液晶屏驱动电路的供电系统,主要产生四路驱动电路所需的电压,见图1所示。
(1 )VDD:一般为3.3V,用于逻辑板集成块的供电;(2 )VGL:屏TFT薄膜开关MOS管的关断电压,一般为一5V、VGL电压产生电路原理图如图2所示;(3)VGH:屏TFT的开通电压,一般为20V~35V、VGH电压产生电路原理图如图3所示;(4)VDA:屏数据驱动电压,一般为14V~20V,由伽马校正电路产生灰阶电压,灰阶电压约有14路不同的阶梯电压;(5)Vcom:屏公共电极电压(伽马校正电压最大值的1/2)。
不同的屏VGL、VGH电压值不同,它们的产生电路如图4所示(VGL的产生电路为UP1的⑧、⑩、14脚,VGH的产生电路为UP1的11、13、24脚)。
以上任一电压出现问题,都会出现不同的图像故障,是故障多发部位。
逻辑板的工作条件如下:(1)从数字板传输过来的LVDS信号(包括:RGB基色信号、行同步信号、场同步信号、使能信号、时钟信号);(2)格式脚,控制电压符号是:SELLVDS或LVDS OPTION、格式控制电压为高、低电平;(3)屏供电多为12V或5V,现在屏多数是12V,如是全高清屏全部是12V供电。
逻辑板的作用:把主板电路送来的LVDS信号转换为供液晶屏显示的栅极驱动信号及源极驱动信号,完成LVDS到MINILVDS的转换输出,同时输出Source/Gate Drive:所需的各种控制时序。
具体就是把主板送来的LVDS信号经过转换,产生向“栅极驱动电路”及“源极驱动电路”提供为进一步转换需要的各种控制信号(STV、CKV、STH、CKH、POL)及图像数据信号(RSDS)。
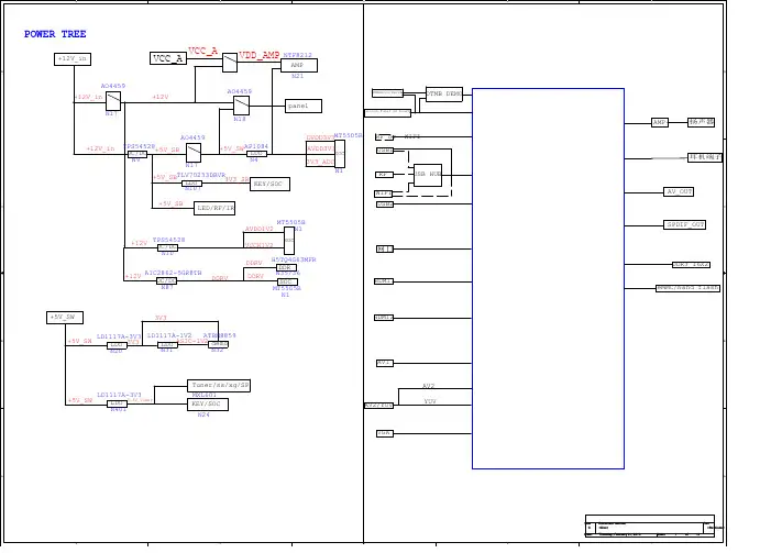
TCL液晶电视标准单元电路原理(图)前言:TCL公司近几年来研发的机器,细心的同事肯定也会发现,其实各个不同型号之间的很多单元电路都是一样的。
这种做法,能增加机器的稳定性也节省研发成本,相应也提升了我们日常维修工作的容易度,这就是研发采用标准化电路的优点。
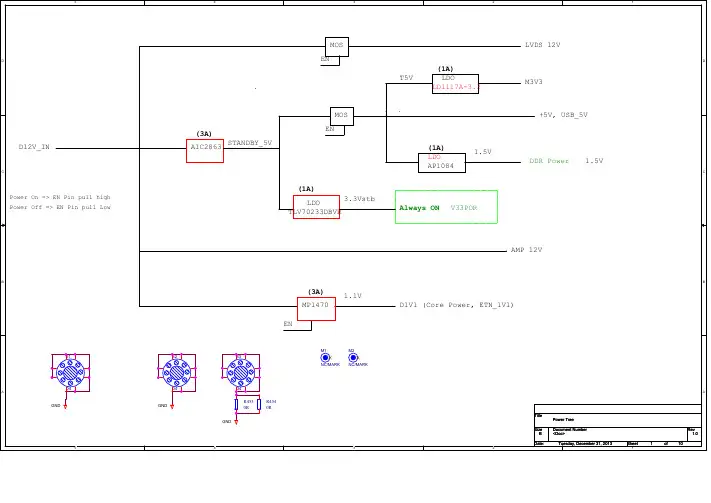
一、5V-1.2V DC-DC电路用途及功能:用于给IC 内核供电的低压大电流供电电路。
电路原理介绍:此电路是一个DC转DC的控制电路,它具有大电流、低干扰,采用元器件最优化,能完全满足数字板1.2V电路的需要。
电路中C1、C2是波波电路;R2、R3、R4组成的电路是取样电路,从这里取样的电压输入到IC的1脚,从而对输出电压的调整。
二、24V→5.1V DC-DC 电路用途及功能:用于将24V 电压降压成5.1V,给下一级DC-DC 电路、USB 或者LDO 供电。
电路原理介绍:U1:RT8110是一个DC-DC 的电源IC,以前已在其他机芯上大量使用,一个同步BUCK 降压的模式,通过R1,R2,R3分压来设定输出电压值,U1的8脚接收到反馈信号后调节PIN2 和PIN4输出方波的占空比,控制Q2,Q1 的两个MOS 管的导通时间,从而达到稳压的目的MS58机芯的-U801(12V-5V)参考测试点三、24V→12V DC-DC 电路用途及功能:用于将24V 电压降压成12V,给PANEL 供电或者给下一级DC-DC 电路或者LDO 供电。
电路原理介绍:24V 转12V,使用的MP1593,这个IC 在其他机型上大量使用,是一个BUCK 降压型,通过电阻分压取样来设置输出电压,第八脚为软启动,第七脚为使能脚,正常工作为高电平,第六脚为补偿,第五脚为FB 反馈电压,正常工作为1.22V 左右,第一脚为自举升压脚,接一个电容到续流二极管的负端。
第三脚为内部MOS 推挽输出接到续流二极管的负端同储能电感相连。
内部MOS 管导通期间向电感储能同时向负载提供供电,内部MOS 管关断时电感释放能量通过二极管续流,来达到降压的目的。
LCD Power10101、电源管理电路及屏供电电路部分9109,109,10A U D I O3、HDMI接口电路部分5554、VGA接口电路部分D23P6222222225、高清、DMP接口及切换电路部分P422226、AV、S端子视频/音频输入接口匹配电路部分62,9,10 2,9,107、TV接收、中频放大、图像解调电路部分228、伴音运放、耳机输出、伴音功放及开关机静音电路部分22555544559、高清、VGA、DMP伴音切换及光纤伴音输出电路部分华升液晶网: www.hslcd.com www.lcdwxw.cn 珠海市华升光电科技有限公司6622266668866612,92,92655510、USB、Mini USB输入、IR输入接口电路部分RXOA0-RXOA0+RXO0-RXOA4+RXO0+RXO4-RXO4+RXOA4-RXEAC+RXEC+RXEC-RXEA3-RXE3+RXE3-RXEA3+RXEAC-RXOA0+RXO0-RXO0+RXOAC+RXOA3+RXOA3-RXO3-RXO3+RXEA0-RXE0-RXE0+RXEA0+RXO2-RXO2+RXOA2+RXOAC-RXOC-RXOC+RXOA2-RXEA2+RXEA1+RXE1-RXE2+RXE1+RXEA2-RXE2-RXEA1-RXOA0-RXO3-RXO3+RXO4-RXO4+RXOA3-RXOA3+RXOA4-RXOA4+RXOA1-RXOA1+RXOA2-RXOA2+RXOAC-RXOAC+RXEA0-RXEA0+RXEA3-RXEA3+RXEA4-RXEA4+RXEA1-RXEA1+RXEA2-RXEA2+RXEAC-RXEAC+RXEA4+RXE4-RXE4+RXEA4-RXE0-RXE0+RXE3-RXE3+RXE4-RXE4+RXE1-RXE1+RXE2-RXE2+RXEC-RXEC+RXO1-RXO1+RXO2-RXO2+RXOC-RXOC+RXOA0-RXOA0+RXO0-RXO0+RXO3-RXO3+RXO4-RXO4+RXOA3-RXOA3+RXOA4-RXOA4+RXOA1-RXOA1+RXOA2-RXOA2+RXOAC-RXOAC+RXEA0-RXEA0+RXEA3-RXEA3+RXEA4-RXEA4+RXEA1-RXEA1+RXEA2-RXEA2+RXEAC-RXEAC+RXE0-RXE0+RXE3-RXE3+RXE4-RXE4+RXE1-RXE1+RXE2-RXE2+RXEC-RXEC+RXO1-RXO1+RXO2-RXO2+RXOC-RXOC+L108NTM1210-SC1211342L105NTM1210-SC1211342L111NTM1210-SC1211342L106NTM1210-SC1211342L107NTM1210-SC1211342L104NTM1210-SC1211342L103NTM1210-SC1211342L102NTM1210-SC1211342L100NTM1210-SC1211342L110NTM1210-SC1211342L101NTM1210-SC1211342L109NTM1210-SC121华升液晶网: www.hslcd.com www.lcdwxw.cn 珠海市华升光电科技有限公司华升液晶网: www.hslcd.com www.lcdwxw.cn 珠海市华升光电科技有限公司。