金蝶K3部门职责管理办法
- 格式:doc
- 大小:61.16 KB
- 文档页数:3
金蝶K/3 ERP12.3 WISE系统管理制度1.目的:为了保障金蝶K/3 ERP系统在公司运营中的有效应用,使企业快速实现管理的标准化、程序化,使企业运营管理更加规范、高效,特制定本制度。
2.适用范围:全公司纳入ERP系统管理的部门和事项,并纳入公司绩效考核。
3.权责:3.1.“K3”ERP系统推行实施小组负责本制度稿的制定和修改。
“K3”ERP系统推行领导小组负责本制度的审批。
3.2.“K3”ERP系统各操作岗位负责执行制度。
3.3.4.定义:(无)5.工作程序:5.1.ERP业务流程图:图示说明销售订单.2期实施项目备注:框内绿色为业务操作规程:ERP 5.2.销售管理:5.2.1.将确定的订单、合同按客户分类分别录入,并将生产单录入到基础公共资料中。
5.2.1.1.5.2.1.2. 对录入的订单,业务员、业务主管要对订单内容的正确性、订单业务的受控性、接单过程的合法合规性进行审核。
5.2.1.4. 当出现因基础资料缺失而导致业务无法录入到ERP系统的情况时,操作人员应立即依照5.3基础数据管理的规定向相关部门提出。
5.2.3 采购管理5.2.3.1. 物料计划人员(或承担物料计划的仓储管理或采购人员)以技术部门发放的物料请单为基础,依据实际需求修改后提出物料申请,经核准审批后提交采购。
5.2.3.2. 采购人员依据《采购申请单》下推生成《采购订单》,《采购订单》可根据与供应商的协商情况作适当修改,经核准审批后打印出并传真给供应商。
5.2.3.3. 物料入仓后,采购人员根据外购入仓单下推生成《采购发票》,并填制相应的《费用发票》。
直接到财务报账的费用由财务填制相应的《费用发票》,经审核后由财务核算人员钩稽。
5.2.4 仓储管理5.2.4.1. 办理物料外购入库手续时,供应采购人员由《采购订单》下推生成《外购入库单》,并以此检查采购的物料和数量是否符合《采购订单》要求。
对实际入仓数量超过采购订单需求的,其差额在系统设置允许范围的,必须经相关领导批准,补录《采购订单》将差额录入系统;对没有《入库单》的物料,仓管人员不得受理,并及时将相关情况向上级汇报。
□急机密□机密■一般□最速件□速件■一般文件编号:OP-03-044□急机密□机密■一般□最速件□速件■一般文件编号:OP-03-044明确各相关部门在K3系统管理中的职责,规范K3数据模块的录入、使用、变更、维护等管理与维护要求。
2 范围公司使用K3数据系统的各部门。
3 职责3.1 工程部:生产数据模块的管理和维护,包括生产物料、BOM、物料替代、工程变更数据录入和修订。
3.2 PMC部:生产计划和生产任务模块的管理和维护,包括采购申请单、生产计划、生产任务单的录入及审核和存货总量的控制,跟进采购申请单与生产任务单的完成情况,提出生产任务单分析表。
3.3 采购部:采购模块的管理与维护,包括采购订单的录入、审核及修改,采购发票的录入,跟进采购订单的完成情况,跟进进料不良材料的处理进度。
3.4 货仓部:仓库模块的管理与维护,包括存货入出单据的录入,安全库存数量的修改,仓管员与K3数据员及时核对手工账与实物的一致性。
3.5 商务部:销售模块的管理与维护,包括客户信息的录入,《销售发票》的录入,根据客户订单录入《销售订单》。
3.6财务部:财务存货核算、成本模块与财务现金、固定资产、AP、AR总账模块的管理与维护,包括检查存货科目、销售收入科目、销售成本科目、成本项目;录入红单单价与其他费用,《采购发票》、《销售发票》审核,所有存货单据的最终审核;进行准确的成本核算;财务报表制作,K3结账。
3.7 人事行政部(IT):负责K3硬件、软件的维护管理,K3操作的培训,权限设置及管理。
4 作业程序4.1 生产数据模块的管理和维护4.1.1 工程部BOM录入员首先根据商务部提供的物料清单,严格按《物料编码规则》编□急机密□机密■一般□最速件□速件■一般文件编号:OP-03-044制物料编码,在K3中录入物料数据。
商务部在接收到客户提供的物料清单时,应先确认物料清单的准确性后及时交给工程部录入员。
物料录入、修订、删除和维护的K3具体操作请参见《物料管理操作指导书》,录入物料时应确认物料属性、库龄管理情况。
阅读使人充实,会谈使人敏捷,写作使人精确。
——培根K/3 ERP 系统作业流程及岗位责任管理制度第一章总则第一条为规范公司企业资源规划(以下简称K/3 ERP)系统的管理,特制定本制度。
第二条K/3 ERP 系统各岗位人员的职责管理除有公司有特殊规定外,皆按本制度执行。
第三条K/3 ERP 系统各岗位的考核将以本制度为依据,纳入公司KPI 目标考核体系。
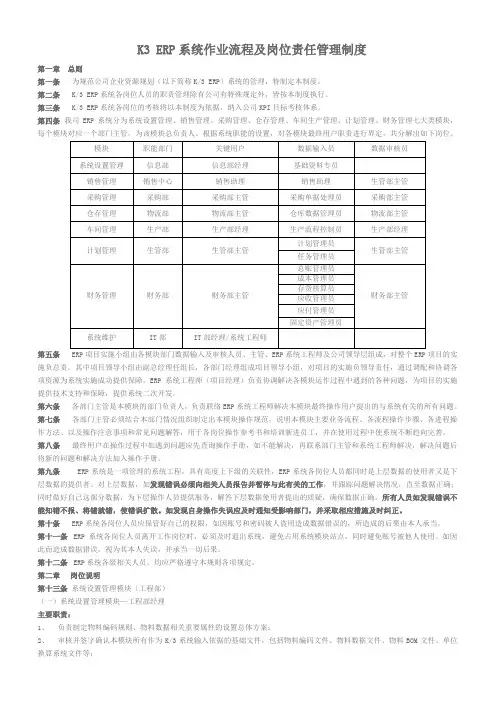
第四条我司ERP 系统分为系统设置管理、销售管理、采购管理、仓存管理、车间生产管理、计划管理、财务管理七大类模块,每个模块对应一个部门主管,为该模块总负责人。
根据系统职能的设置,对各模块最终用户职责进行界定,共分解出如下岗位:第五条ERP 项目实施小组由各模块部门数据输入及审核人员、主管、ERP 系统工程师及公司领导层组成,对整个ERP 项目的实施负总责。
其中项目领导小组由副总经理任组长,各部门经理组成项目领导小组,对项目的实施负领导责任,通过调配和协调各项资源为系统实施成功提供保障。
ERP 系统工程师(项目经理)负责协调解决各模块运作过程中遇到的各种问题,为项目的实施提供技术支持和保障,提供系统二次开发;第六条各部门主管是本模块的部门负责人,负责联络ERP 系统工程师解决本模块最终操作用户提出的与系统有关的所有问题。
第七条各部门主管必须结合本部门情况组织制定出本模块操作规范,说明本模块主要业务流程、各流程操作步骤、各进程操作方法、以及操作注意事项和常见问题解答,用于各岗位操作参考书和培训新进员工,并在使用过程中使系统不断趋向完善。
第八条最终用户在操作过程中如遇到问题应先查询操作手册,如不能解决,再联系部门主管和系统工程师解决,解决问题后将新的问题和解决方法加入操作手册。
第九条ERP 系统是一项管理的系统工程,具有高度上下级的关联性,ERP 系统各岗位人员都同时是上层数据的使用者又是下层数据的提供者。
对上层数据,如发现错误必须向相关人员报告并暂停与此有关的工作,并跟踪问题解决情况,直至数据正确;同时做好自己这部分数据,为下层操作人员提供服务,解答下层数据使用者提出的质疑,确保数据正确。
K3 ERP系统作业流程及岗位责任管理制度第一章总则第一条为规范公司企业资源规划(以下简称K/3 ERP)系统的管理,特制定本制度。
第二条K/3 ERP系统各岗位人员的职责管理除有公司有特殊规定外,皆按本制度执行。
第三条K/3 ERP系统各岗位的考核将以本制度为依据,纳入公司KPI目标考核体系。
第四条我司ERP系统分为系统设置管理、销售管理、采购管理、仓存管理、车间生产管理、计划管理、财务管理七大类模块,每个模块对应一个部门主管,为该模块总负责人。
根据系统职能的设置,对各模块最终用户职责进行界定,共分解出如下岗位。
第五条ERP项目实施小组由各模块部门数据输入及审核人员、主管、ERP系统工程师及公司领导层组成,对整个ERP项目的实施负总责。
其中项目领导小组由副总经理任组长,各部门经理组成项目领导小组,对项目的实施负领导责任,通过调配和协调各项资源为系统实施成功提供保障。
ERP系统工程师(项目经理)负责协调解决各模块运作过程中遇到的各种问题,为项目的实施提供技术支持和保障,提供系统二次开发。
第六条各部门主管是本模块的部门负责人,负责联络ERP系统工程师解决本模块最终操作用户提出的与系统有关的所有问题。
第七条各部门主管必须结合本部门情况组织制定出本模块操作规范,说明本模块主要业务流程、各流程操作步骤、各进程操作方法、以及操作注意事项和常见问题解答,用于各岗位操作参考书和培训新进员工,并在使用过程中使系统不断趋向完善。
第八条最终用户在操作过程中如遇到问题应先查询操作手册,如不能解决,再联系部门主管和系统工程师解决,解决问题后将新的问题和解决方法加入操作手册。
第九条ERP系统是一项管理的系统工程,具有高度上下级的关联性,ERP系统各岗位人员都同时是上层数据的使用者又是下层数据的提供者。
对上层数据,如发现错误必须向相关人员报告并暂停与此有关的工作,并跟踪问题解决情况,直至数据正确;同时做好自己这部分数据,为下层操作人员提供服务,解答下层数据使用者提出的质疑,确保数据正确。
K3岗位操作说明根据公司管理需要,结合购买K3系统模块能够实现的功能及公司高级蓝图流程,现对本公司K3系统操作人员的岗位职责作出以下说明。
一、采购业务操作岗位(“供应链-采购管理”及“应付款管理”模块)职责:采购业务岗位操作人员在系统上主要是对供应商资料的维护及负责“供应链”模块的“采购管理”模块、“应付款管理”模块的操作。
具体操作:采购业务单据操作流程1、对于供应商资料的维护,系统操作人员可以通过登录系统,打开“系统设置”→“基础资料”→“公共资料”→“供应商”来对供应商资料做新增、禁用及修改等处理操作;2、采购业务谈成,公司和供应商签订合同后,采购业务录入人员可以登录系统,打开“供应链”→“采购管理”→“采购订单”模块做新增采购订单(注:根据公司业务流程,把采购订单替换采购合同,所以不需做采购合同)处理,如需修改、审核及删除采购订单,可进入“供应链”→“采购管理”→“采购订单”→“采购订单-维护”界面,选中需修改、审核及删除采购订单做相应的处理;3、采购业务员采购订单录完,并审核后,可进入“供应链”→“采购管理”→“采购订单”→“采购订单-维护”界面,选中审核后的采购订单,点击“下推”按钮生成收料通知单,并点击“保存”按钮,对收料通知单进行保存,做收料通知单的好处是启到采购部门及仓库部门的沟通作用,让仓库人员做好收货的准备,等到货物实际到达仓库后,仓库人员就可以根据收料通知单下推生成外购入库单(注意:由于公司目前仓库人员还没有启用系统,所以收料通知单可以不需要做,等公司仓库人员启用系统后,再使用收料通知单),如需修改、审核及删除收料通知单,可进入“供应链”→“采购管理”→“收料通知”→“收料通知单-维护”界面,选中需修改、审核及删除收料通知单做相应的处理;4、当货物实际入仓库后,仓库操作人员可进入“供应链”→“采购管理”→“采购订单”→“采购订单-维护”界面,选中审核后的采购订单,点击“下推”按钮生成外购入库单,如果做了收料通知单的话也可以进入“供应链”→“采购管理”→“收料通知”→“收料通知单-维护”界面,选中审核后的收料通知单,点击“下推”按钮生成外购入库单,并点击“保存”按钮(注意:正常的操作流程是仓库操作人员收到货物后生成外购入库单,但是由于公司目前仓库人员还没有启用系统,所以外购入库单由业助通过采购订单下推生成,等公司仓库人员启用系统后,再由仓库人员根据收料通知单下推生成外购入库单),如需修改、审核及删除外购入库单,可进入“供应链”→“采购管理”→“外购入库”→“外购入库单-维护”界面,选中需修改、审核及删除外购入库单做相应的处理;5、业助生成外购入库单后,采购人员就可以进入“供应链”→“采购管理”→“外购入库”→“外购入库单-维护”界面,选中审核后的外购入库单,点击“下推”按钮生成采购发票,并点击“保存”按钮,“采购管理”模块生成发票后,系统就会自动传到“应付款管理”模块,所以“应付款管理”模块不需在生成采购发票(注意:由于分公司的货物都是向同阳集团公司购入,而财务对于分公司向集团公司购货账务处理是挂往来,而不是挂应付账款,所以,分公司生成外购入库单后,不需要在生成采购发票,但是分公司、集团公司向自己的供应商购货,需生成采购发票),如需修改、审核及删除采购发票,可进入“供应链”→“采购管理”→“采购发票”→“采购发票-维护”界面,选中需修改、审核及删除采购发票做相应的处理;6、业助生成采购发票后,业助就可以进入“供应链”→“采购管理”→“采购发票”→“采购发票-维护”界面,选中审核后的采购发票,点击“勾稽”按钮进行外购入库单和采购发票的勾稽,此勾稽动作一定要做,如果不进行勾稽,那么采购发票就不能生成凭证(注意:此勾稽动作只限于需要做采购发票的公司,如:同阳集团),勾稽操作做完后,整个采购系统也就走完了;7、如果业助想要查看库存报表,可打开“供应链”→“采购管理”→“库存查询”或“报表分析”界面来选择报表查询。
K3-ERP系统各岗位人员权限设置K/3 ERP系统作业流程及岗位责任管理制度第一章总那么第一条为标准公司企业资源规划〔以下简称K/3 ERP〕系统的管理,特制定本制度。
第二条K/3 ERP系统各岗位人员的职责管理除有公司有特殊规定外,皆按本制度执行。
第三条K/3 ERP系统各岗位的考核将以本制度为依据,纳入公司KPI目标考核体系。
第四条我司ERP系统分为系统设置管理、销售管理、采购管理、仓存管理、车间生产管理、方案管理、财务管理七大类模块,每个模块对应一个部门主管,为该模块总负责人。
根据系统职能的设置,对各模块最终用户职责进行界定,共分解出如下岗位:模块职能部门关键用户数据输入员数据审核员系统设置管理工程部工程部经理资料组文员资料组组长销售管理生管部生管部主管销售数据处理员生管部主管采购管理采购部采购部主管采购单据处理员采购部主管仓存管理物流部物流部主管仓库数据管理员物流部主管车间管理生产部生产部经理生产流程控制员生产部经理方案管理生管部生管部主管方案管理员生管部主管任务管理员财务管理财务部财务部主管总账管理员财务部主管本钱管理员存货核算员应收管理员应付管理员固定资产管理员系统维护IT部IT部经理/系统工程师第五条ERP工程实施小组由各模块部门数据输入及审核人员、主管、ERP系统工程师及公司领导层组成,对整个ERP工程的实施负总责。
其中工程领导小组由副总经理任组长,各部门经理组成工程领导小组,对工程的实施负领导责任,通过调配和协调各项资源为系统实施成功提供保障。
ERP系统工程师〔工程经理〕负责协调解决各模块运作过程中遇到的各种问题,为工程的实施提供技术支持和保障,提供系统二次开发;第六条各部门主管是本模块的部门负责人,负责联络ERP系统工程师解决本模块最终操作用户提出的与系统有关的所有问题。
第七条各部门主管必须结合本部门情况组织制定出本模块操作标准,说明本模块主要业务流程、各流程操作步骤、各进程操作方法、以及操作考前须知和常见问题解答,用于各岗位操作参考书和培训新进员工,并在使用过程中使系统不断趋向完善。
金蝶K3ERP系统管理制度1. 引言本文档旨在规范金蝶K3ERP系统的管理制度,确保系统的正常运行和顺利管理。
金蝶K3ERP系统是一种企业资源计划(ERP)系统,用于集成企业各个部门的管理功能,并提供决策支持。
本管理制度适用于金蝶K3ERP系统的管理员和相关工作人员。
2. 系统管理员的职责金蝶K3ERP系统管理员是负责系统运行和管理的关键角色。
其职责包括但不限于以下几点:•系统安装与配置:负责金蝶K3ERP系统的安装、配置和部署,确保系统能够正常运行。
•用户管理:管理系统的用户帐号和权限,确保只有授权的用户可以访问系统,且权限设置合理。
•数据备份与恢复:定期对系统数据进行备份,并能够在系统故障或数据丢失发生时进行及时恢复。
•系统维护与升级:负责系统的日常维护工作,包括监测系统性能、处理系统错误和安全漏洞,并及时进行系统升级。
•技术支持:为系统用户提供技术支持和培训,解答其对系统的疑问和问题。
3. 系统安全管理为保证金蝶K3ERP系统的安全性,管理员需要采取一系列措施进行系统安全管理,如下:•系统访问控制:确保只有合法的用户能够访问系统,管理员应设置强密码策略和访问控制列表。
•数据保护:对系统中保存的敏感数据进行加密,限制敏感数据的访问权限,并定期对数据进行备份。
•防病毒防火墙:安装并定期更新防病毒软件和防火墙,以保护系统免受病毒和网络攻击。
•系统监控与日志管理:实施系统监控和日志管理,记录系统的活动和异常情况,及时发现和解决系统问题。
•安全培训与意识:为系统用户提供安全培训,增强其对系统安全的意识和能力,避免不当操作导致安全事件。
4. 系统运维管理系统运维是金蝶K3ERP系统管理的重要一环。
以下是相关的管理事项:•硬件设施管理:负责对系统运行所需的硬件设备进行管理和维护,确保设备正常运行。
•系统性能监测:监控系统的性能指标,如处理速度、响应时间等,以及时发现并解决性能问题,保障系统的稳定性。
•定期备份:制定合理的备份策略,定期备份系统和数据,并将备份数据存储在安全的地方,以防数据丢失。
K3管理员手册一、管理员登陆金蝶K3的administrator用户有两个可操作入口:WEB端(浏览器)和主控台(在服务器上的“金蝶K3 WISE创新管理平台”)WEB端即主控台即二、WEB端administrator的操作说明1.用户与权限1.用户管理路径:系统设置——用户与权限——用户管理用户管理主要是维护K3普通用户的账号和密码,选中某个用户2.功能权限管理这里分配的权限是指登录web端后有哪些功能操作,没有分配权限的用户登录进去后只有“我的工作台”,查看自己的一些档案信息和自助服务1)选择某个职员,点击“权限设置”权限树2)设置查看范围是指该用户有这个功能权限的同时,可以操作什么范围的职员,比如某人事专员分配了“在职管理”的功能权限,默认的范围权限是他本部门的职员,如果需要让他管理全公司的职员,需要再重新设置查看范围,并禁用默认范围注意:如果给某用户分配多个功能权限(比如组织规划、职员管理、绩效管理),则需要给每个父菜单“设置查看范围”3.数据操作权限数据操作权限是指用户的能看到员工哪些信息,K3中的职员信息由很多表构成,数据操作权限可以控制用户能看到哪些表,甚至能控制到某一个表中的字段项做法是进入“数据操作权限”栏,选中要分配权限的用户,点击权限设置点击“全选”,则给用户所有表和所有字段的查看权,不希望全选则根据需要选择。
2. 工作流设置(一)流程创建1.先选择业务流程,以“考勤职员假期申请审批”为例“流程创建向导”:引导创建一个工作流;“复制创建”:赋值一个选中的流程(当要创建的流程跟现有流程相似度比较高时使用)(二)流程拥有者是指该流程的适用范围是哪些职员,由于不同层级的职员所走的审批节点级数不一样(比如部门普通员工和部门主管走的审批流程就不一样),这时需要建不同的流程,通过分配流程拥有者来控制职员申请他应该走的流程审批。
做法是选中某一流程,点击“流程拥有者”(三)流程管理者是指可以管理该流程的状态的人,比如终止进行中的流程,激活中止的流程,为流程重新指定审批人等,一般添加人力资源部的人为好(四)流程修改案例修改节点参与人找到要修改的审批节点(人工型活动),双击点击“参与者”,这里支持“组织单元”、“职位”、“职员”、“职员关系”、“条件判断处理人”这几种中方式来选择处理人修改之后,点击确定,然后不要忘了点击“保存”和“发布”,这样修改才会生效。
金蝶K3_ERP系统管理制度1 金蝶K/3 ERP系统管理制度(试行稿)1.目的:为了保障金蝶K/3 ERP系统在公司运营中的有效应用,使企业快速实现管理的标准化、程序化,使企业运营管理更加规范、高效,特制定本制度。
2.适用范围:全公司纳入ERP系统管理的部门和事项。
3.权责:3.1.“K3”ERP系统推行实施小组负责本制度稿的制定和修改。
3.2.“K3”ERP系统推行领导小组负责本制度的审批。
3.3.“K3”ERP系统各操作岗位负责执行制度。
4.定义:(无)5.工作程序:5.1.ERP业务流程图:图示说明5.2. ERP业务操作规程:5.2.1. 销售管理:5.2.1.1. 跟单员将确定的订单按独立核算单位的不同分别录入到各自帐套中。
5.2.1.2. 对录入的订单,业务员、业务主管、资产管理中心要对订单内容的正确性、订单业务的受控性、接单过程的合法合规性进行审核。
5.2.1.3. 经审核的订单要与其它订单信息的附件一起,及时打印、分发给相关部门人员,发现订单错漏后必须立即停止ERP业务流程并要及时反馈给营销中心跟单员纠错。
5.2.1.4. 当出现因基础资料缺失而导致业务无法录入到ERP 系统的情况时,操作人员应立即依照5.3基础数据管理的规定向相关部门提出。
5.2.1.5. 根据出货计划跟单员开出《出货通知单》通知出货,《出货通知单》必须经业务员、业务主管、资产管理中心审核后才会生效。
5.2.1.6. 错误订单经计算后系统限定是不能删除的,纠正时先执行订单修改操作(只能改数量和备注),在错误行备注栏注明“错误单据作废”让后执行单据关闭或行关闭操作,同时在补做一张《销售订单》录入被作废的内容,补入订单的表头信息要保持与原单一致。
5.2.2 计划管理5.2.2.1. 实行生产模块管理的帐套必须在接到订单后由制造中心计划部门进行MPS(主生产计划)和MRP(物料需求计划)计算。
5.2.2.2. MPS和MRP运算的参数设定由系统管理员会同计划人员按公司ERP系统管理的阶段性要求进行设定,ERP系统管理员和计划人员不得独自修改运算参数。
金蝶K3Cloud、K3wise ERP系统权限设置管理办法(征求意见稿)第一章引言集团财务管理软件系统(金蝶K3Cloud、K3wise ERP 系统)现处于升级替换期间,金蝶K3CloudERP系统为金蝶K3wise ERP系统的升级版本。
升级完成前金蝶K3wise ERP 系统作为过渡系统,升级完成后,金蝶K3CloudERP系统作为主要操作系统,金蝶K3wise ERP系统仅保留查询历史数据功能。
第二章总则第一条为规范集团财务管理软件系统(以下简称金蝶K3Cloud、K3wise ERP系统)的管理,坚持分离不相容职务的原则,合理设置岗位权限和职责,根据《金蝶K3Cloud、K3wise ERP系统操作手册》及《企业内部控制应用指引》,特制定本办法。
第二条目前集团开发使用金蝶K3Cloud、K3wise ERP 系统分为系统设置、财务会计、资产管理、租赁系统四大类模块(下称四大板块)。
集团本部及各下属企业设立各自的账套,系统设置模块总负责人由集团办公室主任统筹担任,并由集团办公室设置系统管理员;各下属企业账套的租赁系统模块总负责人由各下属企业总经理担任;财务模块、资产管理模块总负责人由集团财务金融部门负责人统筹担任。
第三条四大模块的使用权限划分如下:系统设置模块由办公室独立负责;财务会计模块、资产管理模块由财务金融部独立负责;租赁系统模块由各下属企业业务部门独立负责。
其中财务会计模块内出纳岗与会计岗、出纳岗与资金管理岗、稽核岗与会计岗、稽核岗与资金管理岗、稽核岗与出纳岗需分离设置,不能为同一人;租赁系统模块内录入岗与审核岗需分离设置,不能为同一人。
第四条各下属企业需要确定专职人员负责,提供专职负责人名单需要提交给到集团办公室,由专职人员收集各自企业问题后与系统管理员沟通。
第五条财务金融部及各下属企业根据岗位职责确定各岗位权限负责人员,并向系统管理员提供用户名单,系统管理员根据用户名单开通权限账号。
金蝶K/3 WISE部门职责管理办法一、ERP系统操作相关部门架构二、部门架构作业流程说明:1、科技部为ERP作业中物料代码及BOM清单新增的唯一部门;2、仓储部为ERP作业中材料进出库和成品进出库的唯一部门,销售部不得直接从生产部直接拿货销售,生产部不具备发货权限.3、仓储部完成原料“来料检验申请”,生产部完成产品“来料检验申请”4、销售部提供销售计划给生产部,同时将销售出货单据传递给财务部。
5、采购部依据科技部下达的物料(新品)采购通知单和仓储部下达的“物料(日常)采购申请单”完成采购。
6、整个ERP流程中,生产部为核心管理部门,其他部门都属于辅助管理部门。
三、各部门具体职责分工:1、科技部:编制产品部件及产品图号、物料代码以及BOM清单,产品图号为区分不同物料的唯一标志,物料代码必须与图号保持一一对应关系。
不允许一个图号出现多个代码.物料清单中基础管理参数包括:物料代码、物料名称、规格型号、图号,其中物料代码只能输入数字,不得输入字母,物料名称中不得包含规格型号、材质、功率等与物料名称不直接关联的其他汉字.规格型号统一定义功能为作业符号,由科技部与生产部共同制定相关规则(报财务部备案)。
2、采购部依据“物料(新品)采购申请单"和“物料(日常)采购申请单”完成采购作业(录入《采购订单(ERP版)》),有新增物料供应商相关资料(基础管理参数包括:供应商代码、供应商名称、供应商收款资料《收款开户行及账号》)的权限,不具备新增物料代码的权限。
3、仓储部依据《采购订单(ERP版)》完成收料作业,收料前推送《来料检验申请单(ERP版)》给质检部,依据《来料检验单》与《不良品通知单》分别生成《外购入库单》及《不良品退货单》,打印并粘贴《来料检验单》和《外购入库单》(按供应商分别粘贴)交采购文员,仓储部作业流程包括:外购入库、生产领料、产品入库、商品出库等。
不具备新增物料代码权限。
4、质检部依据仓储部及生产文员推送的《来料检验申请单》完成质检作业,填制《来料检验单》并推送给仓储部完成收料作业,三包件由销售部推送《来料检验申请单》。
金蝶K3系统的使用和管理一、金蝶K3系统概述金蝶K3系统是一种先进的现代企业管理模式,它是以计算机和网络通信为工具,对企业各方面的资源(包括人、财、物、产、供、销等因素)进行管理,并合理调配、准确利用,为企业提供决策、计划、控制与业绩评估的全方位和系统化管理平台。
金蝶K3系统的主线是计划,管理重心是财务,财务成本控制贯彻企业整个经营运作过程中,涉及企业所有供需过程。
二、金蝶K3系统的管理原则(1)组织管理:金蝶K3系统实行总部统一管理,分级负责的运行机制。
总经理全面负责,总部各职能部门根据业务属性分别实施。
各连锁店实行店经理负责制,对本店金蝶K3系统的使用和管理进行监督,并接受总部各职能部门的业务领导。
(2)登录人员条件:1、赋有权限的操作人员。
2、有一定的计算机操作经验(或上机操作证)。
(3)登录方式:建立虚拟网络;登录专用地址:http://192.168.1.247:8080/CASMain.XGI ;录入登录编码及密码(4)权限管理:任何操作员的使用权限均由总部系统管理员统一管理和授权,其他操作员无权实施权限管理。
操作人员如发现自己或他人被授权不当,应与系统管理员联系,以便确定适当的授权。
任何人不得盗用他人账号和密码进行登录。
(5)角色分配:根据业务需要,除各级职能部门领导角色外,主要划分如下角色:物流、保管、店长、会计、出纳等。
每个角色都被赋有不同的操作权限,各角色应在所赋权限内按要求操作。
(6)环境配置: Windwos2000+IE6.0或WindowsXP操作系统;宽带连接(7)密码管理:金蝶ERP系统是建立在Internet平台上的。
理论上,任何人只要上Internet 都可以使用我们的系统。
唯一的措施就是通过密码来控制。
因此,密码管理特别重要。
金蝶ERP系统的使用需要两个用户名和两个密码:一个是虚拟网络时用户名和密码(密码不可更改);另一个是登陆系统的用户编号和密码(密码可更改)。
K3 ERP系統作業流程及崗位責任管理制度第一章總則第一條為規範公司企業資源規劃(以下簡稱K/3 ERP)系統的管理,特製定本制度。
第二條K/3 ERP系統各崗位人員的職責管理除有公司有特殊規定外,皆按本制度執行。
第三條K/3 ERP系統各崗位的考核將以本制度為依據,納入公司KPI目標考核體系。
第四条我司ERP系統分為系統設置管理、銷售管理、採購管理、倉存管理、車間生產管理、計畫管理、財務管理七大類模組,每個模組對應一個部門主管,為該模組總負責人。
根據系統職能的設置,對各模組最終用戶職責進行界定,共分解出如下崗位:模組職能部門關鍵用戶數據輸入員數據審核員系統設置管理工程部工程部經理資料組文員資料組組長銷售管理生管部生管部主管銷售數據處理員生管部主管採購管理採購部採購部主管採購單據處理員採購部主管倉存管理物流部物流部主管倉庫數據管理員物流部主管車間管理生產部生產部經理生產流程控制員生產部經理計畫管理生管部生管部主管計畫管理員生管部主管任務管理員財務管理財務部財務部主管總賬管理員財務部主管成本管理員存貨核算員應收管理員應付管理員固定資產管理員系統維護IT部IT部經理/系統工程師第五條ERP專案實施小組由各模組部門數據輸入及審核人員、主管、ERP系統工程師及公司領導層組成,對整個ERP專案的實施負總責。
其中專案領導小組由副總經理任組長,各部門經理組成專案領導小組,對專案的實施負領導責任,通過調配和協調各項資源為系統實施成功提供保障。
ERP系統工程師(專案經理)負責協調解決各模組運作過程中遇到的各種問題,為專案的實施提供技術支持和保障,提供系統二次開發;第六條各部門主管是本模組的部門負責人,負責聯絡ERP系統工程師解決本模組最終操作用戶提出的與系統有關的所有問題。
第七條各部門主管必須結合本部門情況組織制定出本模組操作規範,說明本模組主要業務流程、各流程操作步驟、各進程操作方法、以及操作注意事項和常見問題解答,用於各崗位操作參考書和培訓新進員工,並在使用過程中使系統不斷趨向完善。
金蝶岗位职责一、目的本规章制度的目的是明确金蝶岗位的职责和权责,规范金蝶岗位工作流程,提高工作效率,确保企业职能部门的正常运作。
二、适用范围本规章制度适用于金蝶岗位及相关岗位的员工。
三、岗位职责1. 金蝶系统管理员•负责金蝶系统的日常维护、运行和管理,确保系统稳定运行。
•协助部门主管制定金蝶系统使用规范和操作流程。
•负责金蝶系统的数据备份并定期进行安全性检查。
•提供金蝶系统相关培训和技术支持,解决用户使用过程中的问题。
2. 金蝶系统操作员•根据部门主管的安排,负责金蝶系统的日常操作和数据录入。
•确保数据录入的准确性和完整性,及时处理异常数据。
•了解金蝶系统的各项功能和操作流程,根据需求进行相应的配置和调整。
•配合金蝶系统管理员进行数据备份和安全性检查。
3. 金蝶系统数据分析员•负责对金蝶系统中的数据进行分析和解读,提供相关报表和数据分析结果。
•根据数据分析结果,提出优化建议和改进措施,提高部门工作效率。
•协助部门主管制定数据分析标准和流程,确保数据分析的准确性和可靠性。
•配合金蝶系统管理员进行数据备份和安全性检查。
四、管理标准1. 岗位规范•根据金蝶岗位职责,制定详细的工作任务和目标,明确责任范围,确保工作的有序进行。
•配置适合岗位职责的工具和资源,提供相应的培训和技术支持,确保岗位工作的顺利进行。
•建立岗位绩效考核体系,根据工作目标和绩效指标进行评价,及时给予反馈和奖励,激励员工的积极性和创造力。
2. 工作流程•根据金蝶岗位职责,制定详细的工作流程和操作规范,确保工作的规范性和高效性。
•制定岗位工作手册和操作指南,明确工作步骤和要求,提供参考和指导。
•定期审查和优化工作流程,及时调整和改进,适应业务发展和变化的需求。
3. 协作配合•金蝶岗位之间要加强协作和配合,确保工作的顺利进行。
•各岗位之间要及时沟通和交流,分享信息和经验,解决问题和难题。
•建立岗位的工作联动机制,明确沟通渠道和责任分工,提高团队协作效率。
K3-ERP系统各岗位人员权限设置K/3 ERP系统作业流程及岗位责任管理制度第一章总那么第一条为标准公司企业资源规划〔以下简称K/3 ERP〕系统的管理,特制定本制度。
第二条K/3 ERP系统各岗位人员的职责管理除有公司有特殊规定外,皆按本制度执行。
第三条K/3 ERP系统各岗位的考核将以本制度为依据,纳入公司KPI目标考核体系。
第四条我司ERP系统分为系统设置管理、销售管理、采购管理、仓存管理、车间生产管理、方案管理、财务管理七大类模块,每个模块对应一个部门主管,为该模块总负责人。
根据系统职能的设置,对各模块最终用户职责进行界定,共分解出如下岗位:模块职能部门关键用户数据输入员数据审核员系统设置管理工程部工程部经理资料组文员资料组组长销售管理生管部生管部主管销售数据处理员生管部主管采购管理采购部采购部主管采购单据处理员采购部主管仓存管理物流部物流部主管仓库数据管理员物流部主管车间管理生产部生产部经理生产流程控制员生产部经理方案管理生管部生管部主管方案管理员生管部主管任务管理员财务管理财务部财务部主管总账管理员财务部主管本钱管理员存货核算员应收管理员应付管理员固定资产管理员系统维护IT部IT部经理/系统工程师第五条ERP工程实施小组由各模块部门数据输入及审核人员、主管、ERP系统工程师及公司领导层组成,对整个ERP工程的实施负总责。
其中工程领导小组由副总经理任组长,各部门经理组成工程领导小组,对工程的实施负领导责任,通过调配和协调各项资源为系统实施成功提供保障。
ERP系统工程师〔工程经理〕负责协调解决各模块运作过程中遇到的各种问题,为工程的实施提供技术支持和保障,提供系统二次开发;第六条各部门主管是本模块的部门负责人,负责联络ERP系统工程师解决本模块最终操作用户提出的与系统有关的所有问题。
第七条各部门主管必须结合本部门情况组织制定出本模块操作标准,说明本模块主要业务流程、各流程操作步骤、各进程操作方法、以及操作考前须知和常见问题解答,用于各岗位操作参考书和培训新进员工,并在使用过程中使系统不断趋向完善。
K3系统推进的相关规定考核细则为更好的推进K3系统的实施,充分发挥系统的管理功用,及时准确地统计公司生产、经营等各种数据。
现制定相关规定及考核细则如下:一、各部门的相关工作职责:序号项目主要内容维护部门核对维护1物料资料维护(包括计量单位)物料资料的新增、修改、作废、删除BOM维护小组(技术中心)胡波2BOM维护BOM的新增、修改、作废、删除、审核保证BOM资料真实性、有效性BOM维护小组(技术中心)胡波3客户资料维护客户资料的新增、修改、作废、删除财务部张雷4供应商资料维护供应商资料的新增、修改、作废、删除财务部李坤5职员资料维护职员资料的新增、修改、作废、删除人力资源部孙晓晴6部门资料维护部门资料的新增、修改、作废、删除财务部王小玲7会计资料维护会计科目的新增、修改、作废、删除;成本参数设置及数据维护;财务部王小玲8仓库资料维护仓库资料的新增、修改、作废、删除包括原材料仓库、成品仓库、半成品仓库、外库财务部王小玲9生产类基础资料维护生产类基础资料的新增、修改、作废、删除包括资源清单、班组、工作中心BOM维护小组(技术中心)胡波10成本类基础资料维护成本类基础资料的新增、修改、作废、删除包括成本项目、成本对象、成本分配标准等财务部王小玲11系统操作人权限维护操作人员权限的核定、修改操作人员帐号的维护信息中心胡长明高俊亮12系统监督日常业务跟踪及业务数据检查;信息中心胡长明高俊亮13系统运行维护1、业务流程调整、持续改进;2、单据字段维护;3、关键人员培训;信息中心胡长明高俊亮14系统后勤保障网络、服务器等基础保障信息中心胡长明高俊亮15生产相关数据录入计划任务、生产领料、任务汇报、产品入库等单据的录入各事业部事业部长16采购申请采购申请单的录入需要采购的相关部门及事业部17生产领料审核原材料领料单审核采购部何庆雷18销售订单销售订单及发货通知等单据录入市场一部、国贸部陈然张宏卫各部门需要其它部门协助是应主动提出申请并联系相关部门。
金蝶K/3 WISE部门职责管理办法
一、ERP系统操作相关部门架构
二、部门架构作业流程说明:
1、科技部为ERP作业中物料代码及BOM清单新增的唯一部门;
2、仓储部为ERP作业中材料进出库和成品进出库的唯一部门,销售部不得直接从生产部直接拿货销售,生产部不具备发货权限。
3、仓储部完成原料“来料检验申请”,生产部完成产品“来料检验申请”
4、销售部提供销售计划给生产部,同时将销售出货单据传递给财务部。
5、采购部依据科技部下达的物料(新品)采购通知单和仓储部下达的“物料(日常)采购申请单”完成采购。
6、整个ERP流程中,生产部为核心管理部门,其他部门都属于辅助管理部门。
三、各部门具体职责分工:
1、科技部:编制产品部件及产品图号、物料代码以及BOM清单,产品图号为区分不同物料的唯一标志,物料代码必须与图号保持一一对应关系。
不允许一个图号出现多个代码。
物料清单中基础管理参数包括:物料代码、物料名称、规格型号、图号,其中物料代码只能输入数字,不得输入字母,物料名称中不得包含规格型号、材质、功率等与物料名称不直接关联的其他汉字。
规格型号统一定义功能为作业符号,由科技部与生产部共同制定相关规则(报财务部备案)。
2、采购部依据“物料(新品)采购申请单”和“物料(日常)采购申请单”完成采购作业(录入《采购订单(ERP版)》),有新增物料供应商相关资料(基础管理参数包括:供应商代码、供应商名称、供应商收款资料《收款开户行及账号》)的权限,不具备新增物料代码的权限。
3、仓储部依据《采购订单(ERP版)》完成收料作业,收料前推送《来料检验申请单(ERP版)》给质检部,依据《来料检验单》与《不良品通知单》分别生成《外购入库单》及《不良品退货单》,打印并粘贴《来料检验单》和《外购入库单》(按供应商分别粘贴)交采购文员,仓储部作业流程包括:外购入库、生产领料、产品入库、商品出库等。
不具备新增物料代码权限。
4、质检部依据仓储部及生产文员推送的《来料检验申请单》完成质检作业,填制《来料检验单》并推送给仓储部完成收料作业,三包件由销售部推送《来料检验申请单》。
不具备新增物料代码权限
5、生产部依据销售部提供的销售计划以及安全库存下的备存计划,结合科技部制定的BOM资料,使用《领料工作台》配置物料需求计划,物料需求计划推送给仓储部完成物料采购,成品入库前申请质检部进行产品检验,检验完成后仓储部依据相关检验单完成收货作业。
不具备新增物料代码权限,也不得修改物料基础管理参数(规格型号及图号)。
6、销售部依据客户需求填制《销售订单》或者汇总销售订单向生产提供制作生产计划的依据。
可以新增客户资料(含客户代码、客户名称、价格政策、信用政策、客户税务开票资料),客户资料一经录入不得再有修改、作废及删除权限。
7、财务部依据各部门推送的核算单据完成财务核算及成本核算,财务部负责总账模块及现金管理模块,其他模块不具备新增及修改权限。
8、整个ERP系统由财务部的“ERP系统管理员”和“科技部的BOM维护员”共同完成维护工作,ERP系统管理员不具备新增物料代码权限,但具备对违规的物料清单资料进行删除的权限。