圆形堆取料机安装方法
- 格式:doc
- 大小:355.50 KB
- 文档页数:38
浅述圆形煤场堆取料机门架的组合吊装摘要:圆形煤场堆取料机作为一种室内圆形料场的堆取料机。
因圆形煤场堆取料机安装, 尤其是门架部分的安装困难,给设备的推广带来了很大的阻力。
经过多次安装经验积累,探索出以下省时、省力、安全的圆形煤场堆取料机安装门架部分方法。
文章主要分为以下几个方面:(一)设备概况和安装的工艺原理;(二)刮板机门架结构具体安装方法;(三)效益分析。
关键字:圆形煤场堆取料机、刮板机门架结构、安装方法1、概况和安装工艺原理圆形煤场堆取料机是一种室内圆形料场的堆取料机,采用先进的锥壳法定点堆料和分区分层侧式刮板取料的工艺,具有取料回转直径大、占地面积小、储量大、环保性能好等特点。
圆形煤场堆取料机主要分为四大部件:中心立柱、门架、堆料胶带输送机、刮板机门架。
因刮板机门架部件跨度长、重量大,且组装完毕后形状不规则,给安装带来极大困难。
经过多次安装经验积累,探索出以下省时、省力、安全的施工方法。
此施工方法在保障安装质量的前提下,可大幅度缩短工期,减少机械、人工费用。
经过多次安装经验积累,抓住安装过程中的关键点,我对旧方法进行创新,发现了更为省时、省力施工方法。
对刮板机门架吊装,进行了详细的计算,保证了施工安全。
对关键点的质量控制要求给出详细的说明,确保安装质量。
该安装合理利用力学原理,计算吊装过程中的力矩变化,采用“加码减荷”方法维持力矩平衡,防止安装过程中中心柱的倾斜。
刮板机门架吊装过程中,将单跨门架分为两段进行双机吊装。
第一段就位后,利用门架与中部回转之间的连接销轴作为支点,其中一台吊车便可脱钩。
然后用此吊车与第三辆吊车进行第二段门架的吊装及整体对接。
2、刮板机门架结构具体安装方法2.1概况刮板机门架共5节,其中第1节在安装堆取料机中心立柱时进行安装。
其余四节,两节地面组装完毕后进行双机抬吊。
门架每台机组分2片,每片5节,每片门架重为56.1t,附钢重量为11t,总重67.1t。
2.2门架吊装前的准备工作吊装门架行走机构→吊装第3、4节门架→吊装1、2节门架→吊装刮板机俯仰支架吊装门架之前,提前复测门架行走轨道,用经纬仪和钢尺配合测量轨道直径,其允许误差±10mm。
圆形堆取料机安装技术作者:徐志勇来源:《城市建设理论研究》2013年第19期摘要:本文简单叙述了圆形堆取料机的结构组成,运用场所,安装方法。
关键词:悬臂堆料机;刮板取料机;中心立柱;轨道;预均化中图分类号:U213.2 文献标识码:A 文章编号:一、概述圆形堆取料机主要用于圆形场地,是由在圆形轨道上运行的取料机和堆料机组合成的堆取料设备。
圆形堆取料机适用于大型水泥厂的原料预均化,也广泛应用于煤炭、电力,冶金、化工、港口等行业需要对散状物料进行存储、均化的堆场。
该设备占地面积小,可连续地进行堆取料作业,可实现全自动控制。
圆形料场混匀堆取料机主要由可回转的悬臂堆料机、中心立柱、桥式刮板取料机、行走小车、轨道、电控系统等组成(详见图一)。
中心立柱安装在圆形料场的中心,中心立柱上部安装可绕其回转的悬臂堆料机(均匀布料皮带机),其可以绕中心立柱回转360°,并在变幅油缸的驱动下进行变幅,通过回转机构和变幅机构的合成运动完成堆料工作。
中心立柱下部安装可绕其回转的桥臂(箱式大梁),在桥臂的下面安装有刮板取料机,通过桥架上往复运动的料耙,将料堆上的物料逐层松动并拨落至料堆底部,再由刮板取料系统将已被均化的物料输送到中柱下面的出料漏斗,通过漏斗将物料卸至地下的带式输送机运出料场。
二、施工准备:2.1组织施工人员熟悉图纸、安装说明书等技术资料,组织进行图纸自审及会审,作好技术交底。
2.2施工人员应了解设备到货及设备存放位置及现场情况。
2.3根据设备到货清单检查其规格、尺寸、数量及质量情况。
2.4根据现场情况及设备重量、体积,选择吊装方案及安装方法。
2.5基础验收及划线基础验收工作是设备安装工作一个重要工序,这项工作在设备安装前会同土建、甲方和监理单位共同验收,并作好验收记录。
基础验收工作需符合施工图纸和施工及验收规范要求。
基础外形尺寸、中心线、标高、地脚螺栓相互位置尺寸其允许偏差见下表:三、堆取料机的安装堆取料机的安装采用一台200t液压汽车吊为主要机械进行设备和构件吊装,一台25t液压汽车吊配合部件吊装。
圆形料场堆取料机安装工艺探讨发表时间:2020-05-22T09:46:26.713Z 来源:《建筑实践》2020年3期作者:王忠宇[导读] 圆形料场堆取料机不仅污染小、节约占地,而且高效环保摘要:圆形料场堆取料机不仅污染小、节约占地,而且高效环保,能够规避恶劣天气对散料的影响,故备受关注,应用广泛,但因体积大、吨位重、零件多等原因,增大了安装难度。
基于此,本文主要对圆形料场堆取料机安装工艺进行分析,希望通过本文的分析研究,给行业内人士以借鉴和启发。
关键词:圆形料场堆;取料机;安装工艺引言圆形料场堆取料机在工作性变幅机构中普遍采用配重,其主要作用有:减少俯仰机构液压缸的受力、减少俯仰电机的功率、调整回转机构以上部分重心的位置、减少重心移动所造成的能量消耗并防止过载或大风作用下的倾覆可能。
1斗轮体的制作1.1主要零件的数控放样斗轮体的制作之一是主要零件的数控放样。
在数控放样时,与驱动轴装配的斗轮体法兰板件12放5毫米厚度的平面机加工余量,内孔位置直径上放40毫米的加工余量。
斗轮体辐板由第四道圆环件8、第三道圆环件9、第二道圆环件10以及第一道圆环件11共4道圆环焊接而成。
结合钢板的宽度,分段后焊接的难易程度,以及经济效益,每道圆环确定由6块相同扇环拼接而成,因此,在数控放样时,所有的24块扇环,内侧圆弧放1毫米的焊接收缩余量,外侧圆弧放1毫米的焊接收缩余量,圆周宽度方向每块板放2毫米的焊接收缩余量并将扇环按照图纸要求弯成不同角度的锥面。
斗轮体筒体外圈均分成三段进行放样,由于外圈需要卷圆,因此,每一段的两侧放200毫米的余量用于卷圆,卷圆完成后,留部分焊接收缩余量,将其余部分进行修割。
斗轮体筒体上下面圆环各由9个料斗支座节点板及9块扇环组成:在放样时,为使后续划线工序更为便捷,料斗支座节点板内孔暂时不对其开设,等到整个斗轮体制作完成,划线后手工割出;上下圆环中的扇环半径各放大5毫米,即整个内、外圈直径放大10毫米,用于整体的焊接收缩。
圆形料场堆取料机安装工艺分析作者:曹圳来源:《科学与信息化》2018年第34期摘要由于圆形料场的堆取料机自身体积比较大包含的设备零部件比较多,再加上机械设备本身的重量比较大,因此在安装过程中对于工艺的要求非常高。
本文主要分析了圆形料场堆取料机的主要结构组成部分以及主要应用优势,重点描写了圆形料场堆取料机安装工艺,以期能够提升圆形料场堆取料机的安装工艺水平。
关键词圆形料场;堆取料机;安装工艺在现代工业发展过程中,圆形料场的堆取料机属于大型生产设备,一半大型生产设备具备的特征都十分的明显,大部分都结构复杂、零配件较多,同时现代化机械程度比较高,具有一定的自动化控制系统和液压装置系统。
在圆形料场对取料机当中总共包含有九个组成部分。
1 圆形料场堆取料机的主要结构组成分析从主干角度来说,原型堆取料机主要是分成为三大主要部分,分别是堆料机、取料机以及中心立柱。
在进行取料和堆料作业施工时,首先需要使用到的结构就是堆料回转机构以及取料回转机构,这两个机构层次可以说是非常的明显,这两个不同的回转机构让取料机和堆料机变成了独立的运行系统,能够在机械设备的运行过程中同时进行取料和堆料操作[1]。
围绕着圆形料场对取料机的中心立柱顶部跨越着进料的皮带钢结构栈桥,同时中心立柱周围围绕着悬臂式的堆料机,能够通过堆料的回转机构进行旋转。
2 圆形料场堆取料机的安装工艺分析在进行圆形料场堆取料机的安装开始之前,还需要设置仪态120t的履带式起重机和一台25t的汽车吊来一起配合吊装的安装工作。
圆形料场堆取料机的安装基本上可以分为以下几个步骤:首先需要先铺设出圆形的轨道,然后继续安装圆形料场堆取料机的中心立柱底部和中心立柱设备[2]。
接下来需要安装设备当中包含的带式输送机和刮板输送机,在安装完成之后需要安装完堆取料机的刮板装置,最后安装好液压系统之后把设备中包含的不同的传动装置都连接在一起,安装最后的液力耦合器,进行堆取料机的开机运行试验。
浅析圆形料场堆取料机的安装摘要:圆形料场堆取料机体积大,零部件多,吨位重,吊装要求高,安装难度大,安装过程中应特别重视悬臂梁机构的安装。
文章详细介绍了圆形料场堆取料机的安装施工方法和工序。
关键词:圆形料场堆取料机安装施工圆形料场堆取料机是集结构、机械、液压装置、自动控制为一体的大型机械设备,其主要部件包括:回转中柱、堆料装置、堆料臂仰俯液压系统、取料机、主梁、端梁、料耙、料耙液压驱动装置、轨道系统等。
与常规的条形储料场及设备相比较,圆形料场堆取料机不仅具有存储物料量大、占地面积小、场地利用率高、维修成本低等优点,而且,由于其堆取作业的封闭性,还具有低污染的环保特性,在电厂中具有广泛的应用。
1.概述圆形料场堆取料机安装的主要内容为中心立柱、主梁及悬臂梁等关键设备,体积大,零部件多,吨位重,吊装要求高,安装难度大,特别是交叉作业,现场条件差,使用机具及设备多,安装过程中应特别重视悬臂梁机构的安装。
安装中要严格控制每一道工序的施工质量,严格按照设计图纸及国家有关技术标准和规范进行安装施工。
2.安装施工准备2.1.熟悉图纸等相关资料首先,要组织安装施工人员熟悉图纸、安装说明书等技术资料,组织进行图纸自审及会审,作好技术交底。
施工人员应了解设备到货及设备存放位置及现场情况。
根据设备到货清单检查其规格、尺寸、数量及质量情况。
根据现场情况及设备重量、体积,选择吊装方案及安装方法。
2.2.基础验收及划线基础验收工作是设备安装工作一个重要工序,这项工作应在设备安装前会同土建、甲方和监理单位共同验收,并作好验收记录。
基础验收工作应符合施工图纸和施工及验收规范要求。
基础外形尺寸、中心线、标高、地脚螺栓相互位置尺寸。
2.3.设备出库检查按照《水泥机械设备安装工程施工及验收规范》JCJ03-90及图纸技术要求和设备明细逐项检查,应符合合格要求,方可进行安装。
3.堆取料机的吊装堆取料机的安装采用一台120t履带式起重机为主要设备进行设备和构件吊装,一台25t液压汽车吊配合部件吊装。
石灰石圆形堆取料机施工方案
1. 引言
石灰石在建筑、冶金等领域有着广泛的应用,为了提高生产效率和降低劳动强度,设计了石灰石圆形堆取料机。
本文将详细介绍该取料机的施工方案,包括施工准备、安装流程、使用方法等。
2. 施工准备
2.1 材料准备
•石灰石圆形堆取料机及配件
•施工工具
•安全防护装备
2.2 施工人员培训
施工人员应接受相关操作培训,了解取料机的结构和使用方法,确保施工顺利进行。
2.3 施工现场准备
清理施工现场,确保平整、无障碍物,为取料机安装和使用提供便利。
3. 安装流程
3.1 安装前准备
•按照安装图纸标注的位置设置基础支撑点
•将取料机各部件按照说明书组装好
3.2 安装步骤
1.将取料机主体吊装到基础支撑点上,确保平稳牢固
2.安装控制系统及电气部件
3.调试取料机运行轨道,保证正常运转
4. 使用方法
4.1 启动测试
将取料机通电启动,测试其运行是否正常,各功能是否正常协调。
4.2 操作流程
1.转动操作手柄,控制取料机在石灰石堆中取料
2.调整取料机高度和倾角,使取料更加准确高效
4.3 安全注意事项
•操作人员应穿戴好安全防护装备
•操作过程中不得随意触碰机器部件
•运行过程中严禁站在取料机下方
5. 维护保养
定期检查取料机各部件是否有松动、磨损等现象,及时进行维修保养,延长取料机的使用寿命。
6. 结语
石灰石圆形堆取料机的施工方案是保证取料机正常运行的重要保障。
通过严格按照施工步骤和要求进行施工和使用,可提高工作效率,降低安全风险,确保设备长期稳定运行。
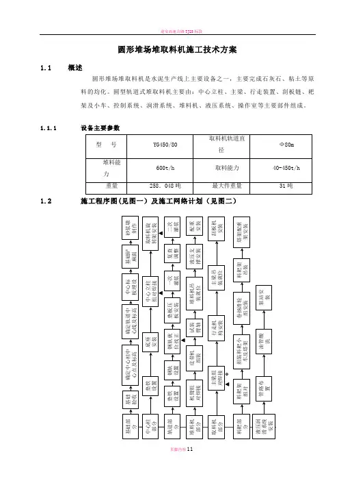
圆形堆场堆取料机施工技术方案1.1概述圆形堆场堆取料机是水泥生产线上主要设备之一,主要完成石灰石、粘土等原料的均化。
圆型轨道式堆取料机主要由:中心立柱、主梁、行走装置、刮板链、耙架及小车、控制系统、润滑系统、堆料机、液压系统、操作室等主要部件组成。
1.1.1设备主要参数1.2施工程序图1.3施工准备1.3.1 组织施工人员熟悉图纸、安装说明书等技术资料,做好技术交底工作;1.3.2 了解设备到货及设备存放位置等现场情况; 1.3.3准备施工工机具及材料,接通施工电源;1.3.4 根据设备到货清单检查其规格、尺寸、数量及质量情况,并做好设备开箱、出库记录,组织设备倒运。
1.4基础验收及放线1.4.1基础验收1.4.1.1 对照土建图、安装图和设备实际尺寸,对设备基础进行验收。
1.4.1.2 清除基础上的一切杂物、外露钢筋头等,地脚螺栓孔内清理干净。
1.4.1.3 设备基础各部分偏差在设计图及安装图上没有说明时,可按下表执行。
1.4.2基础放线以中心柱基础中心为圆心(参考建筑中心);在中心柱基础上平面设中心支架,以中心架中心为圆心挂线坠,使之与基础中心重合(见图三),埋设中心标板;划出基础十字线,检查地脚螺栓孔位置是否与图纸相符;根据设计图纸测出中心柱,基座标高与圆型轨道标高;以中心柱为圆心,用20kg弹簧称和钢盘尺划出钢轨中心辅助线。
划线偏差要求控制在±1mm之内;1.5垫铁设置垫铁设置及要求按JCJ03-90《水泥机械设备安装工程施工及验收规范》中的附录二进行。
1.6圆形轨道安装1.6.1检验出厂钢轨的圆弧是否符合要求,做样板进行检查,如不符则用调轨器或专用工具进行调整,曲率半径偏差为±5mm;1.6.2将钢轨按预先考虑好的位置吊至设置好的垫铁上,排列起来形成正确圆形。
1.6.3平均分配每根单轨接头间隙,其轨道间隙偏差±1mm,两轨道接头横向错口偏差为0.5mm,轨道水平度为1/1000;1.6.4检查立柱中心至圆弧轨道的距离,用辅助线至钢轨距离测得,允许偏差为±5mm;1.6.5安装垫板、地脚螺栓和压板,按图纸要求排列地脚螺栓,其上下螺母的大致位于螺纹的中部(螺栓露头一致),确保有足够的调整距离;1.6.6垫板纵向水平度≤1/1500,横向水平度≤1/100;1.6.7检查立柱中心基础标高与钢轨标高,标高允许偏差±1mm;1.6.8待养生期后,调整地脚螺栓进行复查,拧紧地脚螺栓,进行二次灌浆;所有检测均应考虑日照及温度的影响。
前言本说明书供使用厂操作人员使用,操作人员在开始接受该机操作前,必须熟悉和掌握本说明的各项要求和规定,才可以对本机进行操作。
一、堆场与堆取料机设备及主要参数1.堆场型式堆场:圆型堆场,遮盖式圆型轨道直径:80m堆场有效容量:16800 m3物料名称:石灰石,石灰石+粘土,煤等物料粒度:50%<50 mm,max 150 mm物料水分:视物料而定堆料方式:连续人字形2.堆料机堆料半径:21.75m堆料机卸料端回转速度:18.89m/min堆料区域角:120o最大堆料量:535 m3/h堆料机带宽:1000 mm堆料机带速:1.94 m/s堆料机选用电机:电机型号:YJ200L-4B5电机转速:14.70 r/min电动功率:30 KW堆料机选用减速机:减速机型号:NZSO 440B型减速机速比:253.中心柱中心柱转速:0.1382 r/min中心柱回转用电机:电机型号:SBA 112B B5S1(100%)电机转速:890 r/min电机功率:1.5 KW中心柱回转用减速机:减速机型号:CWS 160 IF减速机速比:63开式齿轮速比:102.24.取料机(刮板机)取料量:29~285 m3/h刮板尺寸:1400×300 mm刮板间距:630 mm刮板机运行速度:0.5m/s刮板机用电机:电机型号:Y250M-4B3电机转速:1480 r/min电机功率:55 KW刮板机用减速机:减速机型号:KSDA 680 B型减速机速比:1255.行走端梁轮距:6000 mm轮径:600 mm取料速度:0.0041~0.041 m/min调车速度:9.6 m/min变速用电机:电机型号:Z200/20——220(直流)电机转速:1200~120 r/min电机功率:200 W端梁用减速机Ⅰ:减速机型号:XWE 0.37~42减速机速比:289调车用电机:电机型号:Y160M——6(双出轴)电机转速:970 r/min电机功率:7.5 KW端梁用减速机Ⅱ:减速机型号:KSDA 430 A型KSDA 430 B型减速机速比:12.5开式齿轮速比:1.5238电磁离合器型号:DLYO——40A液压推杆制动器:YWZ 5——200/30200 W 380 V永磁直流测速发电机:55CY616.配电室佳乐牌空调器型号:KC——30DF制冷量:3000 kcal/h制热量:2850 kcal/h额定电压:220 V输电功率:1590 W/3000 W二、堆取料机操作说明本堆取料机用于圆形均化堆场,通过连续倾斜人字形堆料方法,堆成环形堆料。
浅述圆形料场堆取料机安装作者:王宏超张舒来源:《中国新技术新产品》2015年第24期摘要:本文介绍的圆形料场堆取料机的安装,主要是由于以下五个原因:第一个原因是圆形料场的堆取料机的体积较大;第二个原因是圆形料场堆取料机的设备零部件多;第三个原因是圆形料场堆取料机整机重量较大;第四个原因是圆形料场堆取料机现在安装的过程中对于吊装的工作有着非常高的要求。
对于设备的吊装工作来讲,设备的悬臂的吊装是一个难点。
本文针对圆形料场堆取料机的安装进行详细的分析和介绍,希望通过本文的介绍能够改善圆形料场堆取料机的现场安装方法,提升安装的质量。
关键词:圆形料场;堆取料机;现场安装;施工质量中图分类号:TU71 文献标识码:A圆形料场堆取料机是现在工业的一种大型设备。
这种设备通常是结构复杂,机械程度高,具有液压装置系统和带自动控制。
圆形料场堆取料机的主要的组成部件有九部分:第一部分是回转中柱;第二部分是堆料装置;第三部分是堆料臂仰俯液压系统;第四部分是取料机;第五部分是主梁;第六部分是端梁;第七部分是;料耙;第八部分是料耙液压驱动装置;第九部分是轨道系统。
这九部分是设备的最重要的组成部分,在安装的过程中要格外的重视。
圆形料场堆取料机和常规的条形料场的堆取料机相比具有四大优点:第一个优点是设备的存储物料的能力强;第二个优点是设备的占地面积较小;第三个优点是设备所占场地的利用率较高;第四个优点是设备的维修成本较低。
同时由于设备具有一定的封闭性,不会对环境造成很大的污染,因此在电厂等工业行业中应用非常的广泛。
一、圆形料场堆取料机的安装准备施工工作(1)准备一:安装前要将安装图纸及设备图纸进行详细的阅读,以便熟悉整个安装的概念。
(2)准备二:安装前要进行设备基础的土建验收和基础划线工作。
(3)准备三:要详细的清点设备以备出库安装。
二、圆形料场堆取料机的吊装圆形料场堆取料机的安装使用到的吊装工具通常情况下是一台120t的履带式的起重机,同时配套一台25t的汽车吊配合吊装的安装工作。
水泥机械设备安装作业指导书圆形堆取料机安装作业指导书
施工准备6
7
8
910
11
1
2
3
基础准备
4
轨道安装
端梁安装
5
5
主梁安装
中柱安装
料耙安装刮板机安装
堆料机安装
其它设备安装
试运转
二、质量控制计划
检验类型
DIM--尺寸检查DP--着色渗透实验MP--磁粉检查MT--样品机械实验RD--X射线检查RT--运转实验SC--特殊检查US--超声波检查VC--表面检查
文件类型
N--检验记录R--送检报告
控制类型
E--保证项目B--基本项目P--允许偏差项目
检验类别
1--自检2--会检
三、施工过程控制规范
1.施工准备
3.轨道安装
序号工作内容检查项目技术要求操作要领检测器具
5.1 主梁组对拱度允许偏差
-0.1~0.3F
F为理论值
()
焊缝1焊缝
L1
L2
与中柱连接铰支点中心线
水准仪
6.中柱安装
7.料耙安装
10.其它设备安装
11.试运转。
圆形堆取料机使用说明一概述CSR1500/1500.100圆形料场堆取料机(简称堆取料机),是一种大型、环保、连续、高效的散料装卸机械,本设备是圆形料场的关键装卸设备。
圆形料场具有巨大的环保功能,场地节约的经济性优势,煤场作业的高自动化水平,避免恶劣天气对储煤厂安全运行的影响。
基于以上的各种优点,该设备正在得到世界各地大型现代化电厂的青睐。
二圆形料场堆取料机的主要技术参数1. 额定堆料能力:1500t/h2. 额定取料能力:1500t/h3. 料场直径:100m4. 堆物料储量:116000m35. 堆料点直径:68.8m6. 轨道直径:97.4 m7. 堆料型式:定点回转堆料8. 取料型式:侧式刮板取料9. 供电方式:中心滑环及电缆拖令10. 供电电压380V11. 刮板机构:刮板宽度:2830 mm刮板高度:590 mm刮板速度:0.7m/s电动机型号:YB2315M-4电动机功率:2x132 kW张紧方式:液压张紧12. 悬臂仰俯机构型式:整体液压俯仰大臂仰角:4°大臂俯角:-12°电动机型号:YFB132M 4A B35电动机功率:7.5 kW液压系统工作压力:21 MPa13. 悬臂回转机构型式:大轴承式回转角度:360°回转速度:10m/min~15 m/min回转调速方式:变频调速驱动装置型式:立式行星减速器驱动装置型号:ZHP 3.26电动机功率: 2.2kW14. 刮板取料机回转机构回转型式:以立柱轴承为中心行走车轮组驱动行走速度:4-8m/min行走轮直径:800mm轮数:4个驱动轮数:2个轨道直径:97.4 m轨道型号:QU100驱动装置型式:侧置式驱动电机型号:YBPT 160L-4电动机功率:2×15 kW15. 刮板机俯仰机构俯仰形式:钢丝绳俯仰俯仰角度:-3.9°~39°电机型号ZHP 4.29 EG电动机功率:30kW三圆形料场堆取料机供货范围和技术文件1.供货范围:CSR1500/1500.100圆形料场堆取料机供货范围是提供主机成套设备(按总图)。
圆形堆取料机安装方法6、安装施工方法6.1堆取料机安装6.1.1概述圆形堆取料机适用于建材、港口、火力发电、冶金、矿山等圆形混匀贮料场。
本设备可将需混匀的散状物料连续混匀堆放到料场,经混匀后的物料由刮板取料机再次混匀取出,也可以混匀堆料及混匀取料同时进行。
该机结构特征和工作原理为:1)结构特征该机由中心支柱回旋机构,堆料悬壁皮带机,取料悬壁刮板机,走廊天桥,行走机构变幅卷扬机构,电仪控制系统及平台、楼梯、栏杆等金属结构件。
2)本机为中控室运程控制操作,可全自动化作业,具有堆料、取料同时进行,结构紧凑,运行可靠、安全性高、结构简单、维修方便。
3)该机工作原理为可分别或同时堆料及取料作业。
a、堆料作业:物料由高架皮带机输送到料场中心。
经漏料斗落入悬臂皮带机上,悬臂皮带机按堆料程序即回转将物料落到堆积成与地面380C的夹角。
b、取料作业:取料机主梁一端支承在中心支柱的回转轴承上,另一端通过变幅卷扬使取料机根据物料的堆料情况上下变幅。
取料时,取料机围绕中心支柱转动。
同时利用变幅卷扬使取料机上下变幅。
取料时安装在取料机上的刮板链连续转动,刮板链将料物刮至中心支柱下的中心漏斗和另一个漏料斗后,物料滑落到地下活化皮带,由活化给料机给料到输送皮带将物料送到指定地方。
6.1.2堆取料机安装6.1.2.1 安装程序基础检查、移交→→基础放线→轨道装置安装→中心支座安装→中心支柱安装→转盘及支架安装→楼梯、平台安装→堆料机拼装及安装→电气、仪表控制系统安装→调试→试车6.1.2.2安装技术要求:1)轨道安装轨道安装应符合下列要求:a、与中心支座基础不同心度小于10mm。
b、轨道圆度误差小于10mm。
c、轨道平面度10米范围内小于10mm。
d、顶面和侧面错口小于1mm。
e、两轨道接头间隙小于4~6mm。
2)中心支柱安装a、从中心支柱中心点为圆点在中心支柱基础上放出两个半径不等的中心基准圆线,并以圆点为中心放出32个等分射线,安装时,中心支柱和轨道均以此基准线为基础。
J2039-AMφ80m圆型堆场堆取料机安装说明书编制:审核:审定:中天仕名科技集团有限公司2007年7月2日J2039,Φ80m圆型堆场堆取料机设备安装说明,涉及的范围是圆型堆场设备主要零部件的安装步骤及其要求。
该设备的三个主要部分:堆料机中心柱取料机一、堆取料机的安装顺序轨道中心柱堆料机取料机二、轨道安装与调整1.轨道安装见附图Ⅰ用经纬仪检查所有基础座标高:中心柱基础及+300mm处的标高和轨道基础标高(见图2及)。
逐段将轨道放置到基础上,并将地脚螺栓、螺母、定位板等穿好,按照图纸()要求放置到位。
用垫木将轨道垫起,距标高450mm处用经纬仪检验所有轨面(51),其允许误差±1mm。
将轨道排列成正确的圆周,在整个轨道圆周上平均分摊各段之间的间隙。
并以被确认了的中心柱中心来检测到轨道中心的距离,其允许误差为±2mm。
注意地脚螺栓(53)的端部螺纹应高出基础板60mm,以便有足够的距离来精确地调节轨道面高度。
在轨道基础沟槽内进行二次浇注,如图所示(),浇注高度不得大于300mm。
注意浇注前应将地脚螺栓摆正。
2.轨道调整待灌浆硬化后,去掉垫木检测轨道所有尺寸,用专用工具——找正扳手进行精调。
精调后,将地脚螺栓的螺母拧紧。
进行最后的轨道基础灌浆。
最后将挡块按图纸进行焊接。
三、中心柱安装见附图Ⅲ1.依据在安装轨道时,被已经确定的中心,并以此为中心进行中心柱底座(39)的找正,这样就确保了法兰口的完全水平,使之安装后的回转支承(37)的水平也到了保证。
注意!中心柱底座安装找正后,不得马上灌浆,待中心柱全部安装完毕后才能进行。
2.根据中心柱装置的装配图,将带有回转支承的回转套(36)和柱子(35)均装在中心底座上,先后用高强度螺栓按图纸所给的扭矩拧紧。
检查柱子顶部法兰是否水平,如果需要调整,可通过中心底座上的专用找正螺母(40)进行校正。
3.安装集流环。
4.安装已经装上回转支承(34)的旋转框架(33)于柱子(35)顶部,按图纸中所标的扭矩将高强度螺栓拧紧。
6、安装施工方法
6.1堆取料机安装
6.1.1概述
圆形堆取料机适用于建材、港口、火力发电、冶金、矿山等圆形混匀贮料场。
本设备可将需混匀的散状物料连续混匀堆放到料场,经混匀后的物料由刮板取料机再次混匀取出,也可以混匀堆料及混匀取料同时进行。
该机结构特征和工作原理为:
1)结构特征
该机由中心支柱回旋机构,堆料悬壁皮带机,取料悬壁刮板机,走廊天桥,行走机构变幅卷扬机构,电仪控制系统及平台、楼梯、栏杆等金属结构件。
2)本机为中控室运程控制操作,可全自动化作业,具有堆料、取料同时进行,结构紧凑,运行可靠、安全性高、结构简单、维修方便。
3)该机工作原理为可分别或同时堆料及取料作业。
a、堆料作业:物料由高架皮带机输送到料场中心。
经漏料斗落入悬臂皮带机上,悬臂皮带机按堆料程序即回转将物料落到堆积成与地面380C的夹角。
b、取料作业:取料机主梁一端支承在中心支柱的回转轴承上,另
一端通过变幅卷扬使取料机根据物料的堆料情况上下变幅。
取料时,取料机围绕中心支柱转动。
同时利用变幅卷扬使取料机上下变幅。
取料时安装在取料机上的刮板链连续转动,刮板链将料物
刮至中心支柱下的中心漏斗和另一个漏料斗后,物料滑落到地下活化皮带,由活化给料机给料到输送皮带将物料送到指定地方。
6.1.2堆取料机安装
6.1.2.1 安装程序
基础检查、移交→→基础放线→轨道装置安装→中心支座安装→中心支柱安装→转盘及支架安装→楼梯、平台安装→堆料机拼装及安装→电气、仪表控制系统安装→调试→试车
6.1.2.2安装技术要求:
1)轨道安装
轨道安装应符合下列要求:
a、与中心支座基础不同心度小于10mm。
b、轨道圆度误差小于10mm。
c、轨道平面度10米范围内小于10mm。
d、顶面和侧面错口小于1mm。
e、两轨道接头间隙小于4~6mm。
2)中心支柱安装
a、从中心支柱中心点为圆点在中心支柱基础上放出两个半径不等的中心基准圆线,并以圆点为中心放出32个等分射线,安装时,中心支柱和轨道均以此基准线为基础。
b、安装支座前先将中心落料管置于中心孔内,按图上的标高和中心线要求粗调整支座后,进行一次灌浆,待混凝土强度达到75%后才能进行精调整,精调整时,支座及双层筒上平面中心与轨道的同
心度不应大于5mm,上平面的水平度不应在大于2mm。
精调整合格后,进行二次灌浆。
c、中心支柱和转盘的安装
中心支柱组件及转盘安装,按设计图纸的安装顺序安装,各部位尺寸及安装精度,符合设计技术文件规定的要求。
待链架及附件组装检查合格后,吊装就位。
d、平台、楼梯安装
按图纸的要求从下往上逐层安装好平台、楼梯、栏杆,并达到规范要求。
e、堆料机的安装
按设计图尺寸和要求,在地面进行组装,组装时,保证其桁架的上拱度组装好,经检查各部位的尺寸符合设计要求后吊装就位,并装配好铰轴、拉杆。
堆料桁架安装完后,应组装悬壁配重装置,按设计要求,加装好配重块。
待上述装配检查合格后,按图纸及规范要求安装堆料机的给料皮带及其他辅助配件。
f、天桥走廊的安装
按图纸尺寸进行天桥走廊的组装,根据吊车的起吊能力,来确定栏杆及附件是否组装,组装后应按图上的尺寸检查各部位是否符合要求,合格后吊装就位,并牢固,再安装栏杆和滑轮组件,变幅卷扬机。
g、取料机安装
按图纸和技术资料要求组装取料机链架。
链架组装时,要求保证
头轮、刮板、链架、尾轮、中心对称度和左右轨道的平行度,具体技术要求符合设计要求。
经检查合格后,吊装就位。
就位后,可按图纸要求进行链条刮板的安装,并进度调整合格。
最后安装滑轮组件,并穿变幅钢丝绳。
h、集电器装置安装和电气仪表安装
集电器装置安装在中心柱内,安装时应调整集电器中心轴套与回转交叉滚及轴承同轴度小于2mm,调整后,将底座及上联接座分别焊于中心支柱隔板和转盘上。
电气、仪表按设计技术文件要求进行电气仪表的安装。
6.1.3调试和试运转
6.1.3.1调试的准备工作
a、调试前,应对设备安装各部位进行全面仔细检查,并合格。
b、现场清理干净,保持环境卫生,确保设备安全运行。
c、检查电气线路接线是否完,并是否正确,调试是否合格。
d、对各转动部位检查、清洗、加油润滑部位是否完好。
e、现场应具备良好的照明。
f、现场楼梯、栏杆是否完好,是否安全。
6.1.3.2回转机构调试
回转驱动电机采用变频调速方式,手动盘车检查回旋机构是否有卡滞现面,起动时是否平稳,回转极限位开关是否满足设计要求,并进行调整,同时调整制动器间隙,保证起动、停止平稳。
回转时观察集电器装置与转盘是否同心,并进行调整,待上述调。