石油加工概论习题
- 格式:doc
- 大小:35.00 KB
- 文档页数:3
石油加工概论第三章~第六章简答题第三章石油产品的分类和使用要求1、汽油发动机、柴油发动机和喷气式发动机的工作过程及比较。
汽油发动机的工作过程:进气、压缩、点火燃烧和膨胀作功、排气柴油发动机的工作过程:进气、压缩、膨胀作功、排气喷气发动机的工作过程:进气、压缩、燃烧、排气比较如下:(1)柴油机与汽油机的相同之处都有四冲程:进气、压缩、燃烧膨胀、排气;都是内燃机。
(2)喷气发动机与活塞式发动机(汽油机及柴油机)有很大区别,其特点是:首先,在喷气发动机中,燃料与空气同时连续进入燃烧室,一经点燃,其可燃混合气的燃烧过程是连续进行的。
而活塞式发动机的燃料供给和燃烧则是周期性的。
其次,活塞式发动机燃料的燃烧在密闭的空间进行,而喷气发动机燃料的燃烧是在35~40m/s的高速气流中进行的,所以燃烧速度必须大于气流速度,否则会造成火焰中断。
(3)汽油发动机的进气是空气燃油混合气,而柴油发动机在进气行程只吸入空气,在压缩行程接近上止点时开始喷入燃油;柴油是用高压油泵喷入气缸中,经雾化后的细小油滴便与被压缩的高温空气混合,并迅速蒸发气化、自燃发火,其燃烧气体温度高达1500-2000℃,压力猛增至5-12MPa(4)柴油机的压缩比及气缸内的温度和压力都显著高于汽油机的,因此其热效率一般比汽油机的高,当二者功率相同时,柴油机可节约燃料20-30%。
2、什么叫压缩比?压缩比对油品质量有什么要求?它对汽油的消耗有什么影响?答:压缩比是汽油机的最重要技术指标,它是混合气被压缩前后的体积比,即活塞在下死点时气缸体积V1与活塞在上死点时气缸体积V2之比V1/V2。
汽油机压缩比提高的同时,必须提高所用汽油的辛烷值,否则发动机会产生爆震现象而无法正常工作。
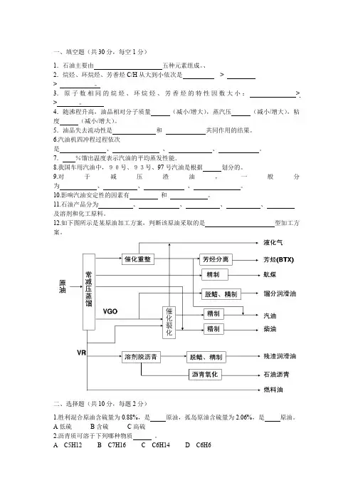
压缩比越大的汽油机,其功率、热效率越高,油耗量和单位马力金属重量均有所下降,也就是越经济。
3、什么是汽油和柴油的抗爆性?抗爆性如何表示?汽油和柴油爆震的原因有何异同?衡量汽油(柴油)是否易于发生爆震的性质称为汽油(柴油)抗爆性。
一、填空(30,每题0.5分)1、石油主要由___C__ 、____H____ 、_O_______ 、__N______ 、_____S___ 五种元素组成。
2、与国外相比我国原油的特点_凝点高_______ 、__蜡含量高______ 、_庚烷含量低_______ 。
3、经_催化裂化焦化_______ 等二次加工得到的馏_分或产品,成为___二次加工产品_____ 。
4、石油中烃类的类型___烷烃_____ 、___环烷烃_____、 __芳香烃______ 、___烯烃_____ 。
5、低温下失去流动性的原因___粘温凝固___ 、___构造凝固___ 。
6、原油中含硫化合物一般以__硫醚类____ 和___噻吩类___ 为主。
7、原油中大部分S、N、O都集中在渣油的____胶质__ 、__沥青质____ 中。
8、减压蒸馏常分离成___饱和分___ 、__芳香分____ 、___胶质___ 、____沥青质__四组分。
9、常用的简单的流程测定方法有___恩式蒸馏___ 、___ASTM蒸馏___ 。
10、烃类混合物蒸汽压随___温度___ 和__气化率____ 变化。
11、同一种原油随流程增大,粘度相差___越大___ 。
烃类分子中环数相同,其侧链越长,粘度___越大___ 。
12、烃类燃烧的三个条件___烃类蒸汽__ 、___氧气__ 、___明火火源__ 。
13、测定轻质油品、重质油品闪点的方法为___闭口杯法__ 、测定润滑油、重质油品闪点的方法为__开口杯法___。
14、发动机接点方式分为____点燃式引擎____ 、____压燃式引擎____ 。
15、汽油机一般是以四冲程工作的,四冲程分为___进气_____ 、___压缩_____ 、____做功____ 、____排气____ 四个过程。
16、汽油蒸发性指标是____馏程____ 、___蒸汽压_____ ,柴油蒸发性指标____馏程____ 、___闪点_____ 。
第一部名词解释1.石油:石油是储蓄在地下岩石空隙内不可再生的天然资源,主要是气相,并含有少量的非烃类物质,具有可燃性。
2.天然气:是以气态存在的石油。
3.石油的凝固点:指在规定条件下,油品遇冷而失去流动能力的最高温度。
4.天然气水合物:甲烷和水在低温和高压的条件下,相互作用而形成的冰样水合物。
5.石油工业:指的是从事石油和天然气的勘探,开发,储存和运输的生产部门。
6.岩浆岩:岩浆岩是岩浆遇冷而变成的岩石。
7.变质岩:是原来的岩石在外界条件的作用下而形成的新岩石(大理岩,石英岩)。
8.沉积岩:沉积岩就是原来的母岩(岩浆岩,变质岩和沉积岩)遭受风化剥蚀,经搬运,沉积和成岩作用而形成的岩石。
9.生,储,盖组合:是指生油岩(烃源岩)储集岩和盖层在空间上的搭配而形成。
10. 有效圈闭:地质圈闭是指储集层中能够阻止油气运移并使油气聚集的一种场所,有效圈闭的“有效“是指形成时间和分布位置能够有利于捕获有气。
11. 石油勘探:就是根据石油地质学介绍的有关油气田分布的知识规律,才有各种合适的先进的勘探技术和方法寻找油气的全部过程。
12. 地质储量:地下原始条件下,油气层中所有存在的原油和天然气总量。
13. 预测储量:是指在圈闭预探阶段,预探井获取了油气流或综合解释有油气层存在时,对有进一步勘探价值的可能存在的油气藏,估算求的的确定性很低的地质储量。
14. 控制储量:是指在圈闭预探阶段,预探井获得的工业油气流,并经过初步钻探认为可供开采后,估算求得的,确定性较大的地质储量。
15. 探明储量:是指在油气藏评估阶段,经评价钻探证实油气藏可供开采,并且能获得经济效益后,估算求的,确定性很大的地质储量。
16. 油气苗:是指地下已经生成的天然气,或在运移过程中,或已经储机后又遭破坏,沿一定通道跑到了地面的产物。
17. 地震勘探技术:就是人工激发地震波,利用弹性震动研究地层中不同岩石的弹性差异,以认识地层的分布情况和地质构造的一种有效的地质探方法。
⽯油加⼯概论考试1..⽯油的元素组成:组成⽯油的主要元素是碳、氢、硫、氮、氧五种元素。
2.⽯油的烃类组成:由碳和氢可组成烃类化合物,即烷烃、环烷烃和芳⾹烃,它们在原油中占绝⼤部分。
在原油中不含不饱和烃,但在⼆次加⼯后的⽯油产品中有不饱和烃(烯烃)。
3.⽯油中的⾮烃化合物主要指:含硫、含氮和含氧化合物以及胶状沥青状物质。
4.我国原油的特点:从元素组成上看,含硫低、含氮⾼是我国原油的特点之⼀。
汽油馏分含量低、渣油含量⾼是我国原油馏分组成的⼀个特点。
原油中的汽油馏分含量低、渣油含量⾼是我国原油馏分组成的⼜⼀个特点。
5.各类化合物的分布规律随着⽯油馏分沸点的升⾼,馏分中烷烃含量逐渐减少,芳烃含量逐渐增⼤,含硫化合物和胶质含量均逐渐增加。
⼤部分含硫、含氮、含氧化合物和胶质以及全部沥青质都集中在渣油中。
6.原油中除C、H外,还有S、N、O及其他微量元素(1~5%) 原油中的微量⾦属元素有V、Ni、Fe、Cu、As等⽯油中的⾮碳氢原⼦称为杂原⼦。
与国外原油相⽐,我国原油的含硫低、含氮量⾼7.碳氢⽐:是⽤来反映原油的属性的⼀个参数,与原油的化学结构有关系8.各种烃类碳氢原⼦⽐⼤⼩顺序是:烷烃<环烷烃< 芳⾹烃9.馏分与产品的区别:⽯油产品是⽯油的⼀个馏分,但馏分并不等同于产品。
⽯油产品要满⾜油品的规格要求,馏分要变成产品还必须对其进⼀步加⼯10.⽯油中含有的馏分,⼀般规定:⼩于180℃的馏分为汽油馏分(也称为低沸点馏分,轻油或⽯脑油馏分)180~350℃的馏分为煤、柴油馏分(也称中间馏分,AGO)350~500℃的馏分为减压馏分(也称⾼沸点馏分或润滑油,VGO)⼤于500℃的馏分为减渣馏分(VR)11.⽯油中的烃类主要有烷烃、环烷烃和芳烃以及兼有这三种结构的混合烃原油中⼀般不含烯烃,炔烃更少12.⽯油中的正构烷烃⼀般⽐异构烷烃含量⾼随沸点的增⾼,⽯油中的正构烷烃和异构烷烃的含量逐渐降低13.⽯油烃类的组成表⽰⽅法1.单体烃组成2.族组成⽯油馏分分成那些族,取决于分析⽅法和分析要求以及实际应⽤的需要对于汽油:烷烃(正构、异构)、环烷烃、烯烃和芳⾹烃对于煤、柴油:饱和烃(烷烃、环烷烃)、轻芳烃(单环)、中芳烃、不饱和烃和⾮烃组分等对于减压渣油:⼀般分成饱和分、芳⾹分、胶质、沥青质3.结构族组成不论⽯油烃类的结构多么复杂,都可以看作是由三个基本结构单元组成:芳⾹环、环烷环和烷基侧链,⽤这些基本结构单元的量来表⽰复杂分⼦混合物的组成的⽅法就是结构族组成表⽰法通常⽤三个基本单元上碳原⼦所占的百分数(CA%、CN%和CP%)来描述分⼦的组成,然后再加上分⼦中的总环数RT,芳环数RA和环烷环数RN来表⽰⽯油馏分的结构族组成14.原油中的含硫化合物⼀般以硫醚类和噻吩类为主15.硫的分布的总趋势是,随沸点升⾼,硫含量增加,⼤部分集中在重馏分及渣油中(75%~85%)16.汽油中馏分:H2S、硫醇、硫醚(环硫醚)及少量的⼆硫化物和噻吩中间馏分:仅含有⽐较重的硫化物,硫醚和噻吩⾼沸点馏分:⾼沸点馏分中硫的形态与中沸点馏分相似,也是硫醚与噻吩,另外还有四氢噻吩17.⽯油中的氮含量⼀般⽐硫含量低,质量分数通常集中在0.05~0.5%范围内随沸点的升⾼,含量增加,⼤部分在胶质沥青质中18.⽯油中的含氧量⽐硫、氮少,约为千分之⼏;个别的可⾼达2~3% 随沸点升⾼,含氧化合物增加19.酸度是指中和100mL试油所需的氢氧化钾毫克数[mg(KOH)/100mL],该值⼀般适⽤于轻质油品;酸值是指中和lg试油所需的氢氧化钾毫克数[mg(KOH)/1g],该值⼀般适⽤于重质油品和原油。
石油加工概论上篇作业1. 石油中有哪些烃类和非烃类化合物?它们在石油及其馏分油中的分布规律怎样?答:石油中的烃类主要有烷烃、环烷烃和芳烃,一般不含烯烃,炔烃;石油中的非烃类化合物有含硫化合物、含氮化合物、含氧化合物等。
石油中的烷烃根据石油类型的不同含量可达50~70%或低到10~15% ;石油中的正构烷烃一般比异构烷烃含量高;随沸点的增高,石油中的正构烷烃和异构烷烃的含量逐渐降低石油中大量存在的环烷烃只有含五碳环的环戊烷系和含六碳环的环己烷系;石油中的环烷烃除单环外,还有双环及多环环烷烃,环的连接方式以并联为主芳烃在石油中普遍存在。
石油中存在的微量元素类型目前发现的有59种,可分为三类:过渡(变价)金属元素;碱金属和碱土金属;卤素和其他元素汽油馏分的烃类组成①直馏汽油馏分主要由单体烃组成②直馏汽油馏分的族组成烷烃和环烷烃占直馏汽油馏分的大部分,芳香烃一般不超过20%(wt)。
就其分布规律而言,一般随着沸点的升高,芳香烃的含量逐渐增加。
石油中间馏分及高沸馏分的烃类组成石油中间馏分(200~350℃)中的烷烃主要包括从C11~C20左右(以正构烷烃计)的正、异构烷烃。
环烷烃和芳香烃以单环和双环为主,三环及三环以上的环烷烃和芳香烃的含量明显减少石油高沸点馏分(350~500℃)的烃类类型和中间馏分相似,只是在烃分子中碳原子数目更多,高环数含量更多,而且环的侧链数更多或更长,高沸点馏分的烷烃主要包括从C20到C36左右(以正构烷烃计)的正、异构烷烃;环烷烃包括从单环到六环的带有环戊烷环和环己烷环的环烷烃,其结构主要是以稠合类型为主石油中的含硫化合物原油中的含硫化合物一般以硫醚类和噻吩类为主;硫的分布的总趋势是,随沸点升高,硫含量增加,大部分集中在重馏分及渣油中(75%~85%);汽油中的馏分:H2S、硫醇、硫醚(环硫醚)及少量的二硫化物和噻吩;中间馏分:仅含有比较重的硫化物,硫醚和噻吩;高沸点馏分:高沸点馏分中硫的形态与中沸点馏分相似,也是硫醚与噻吩,另外还有四氢噻吩石油中的含氮化合物石油中的氮含量一般比硫含量低,质量分数通常集中在0.05~0.5%范围内;随沸点的升高,含量增加石油中的含氧化合物石油中的含氧量比硫、氮少,约为千分之几;个别的可高达2~3%;随沸点升高,含氧化合物增加;中间馏分(250-400℃) 含氧化合物含量最高,低、高沸点馏分含量较低石油中的微量元素大多数也是随着沸点的升高而增加,主要集中在>500℃的渣油中2. 什么叫馏程(沸程)?什么叫恩氏蒸馏的初馏点和终馏点?石油馏分的沸点表现为一定宽度的温度范围,称为沸程。
石油工业概论题库加答案Document number【AA80KGB-AA98YT-AAT8CB-2A6UT-A18GG】第一部名词解释1.石油:石油是储蓄在地下岩石空隙内不可再生的天然资源,主要是气相,并含有少量的非烃类物质,具有可燃性。
2.天然气:是以气态存在的石油。
3.石油的凝固点:指在规定条件下,油品遇冷而失去流动能力的最高温度。
4.天然气水合物:甲烷和水在低温和高压的条件下,相互作用而形成的冰样水合物。
5.石油工业:指的是从事石油和天然气的勘探,开发,储存和运输的生产部门。
6.岩浆岩:岩浆岩是岩浆遇冷而变成的岩石。
7.变质岩:是原来的岩石在外界条件的作用下而形成的新岩石(大理岩,石英岩)。
8.沉积岩:沉积岩就是原来的母岩(岩浆岩,变质岩和沉积岩)遭受风化剥蚀,经搬运,沉积和成岩作用而形成的岩石。
9.生,储,盖组合:是指生油岩(烃源岩)储集岩和盖层在空间上的搭配而形成。
10. 有效圈闭:地质圈闭是指储集层中能够阻止油气运移并使油气聚集的一种场所,有效圈闭的“有效“是指形成时间和分布位置能够有利于捕获有气。
11. 石油勘探:就是根据石油地质学介绍的有关油气田分布的知识规律,才有各种合适的先进的勘探技术和方法寻找油气的全部过程。
12. 地质储量:地下原始条件下,油气层中所有存在的原油和天然气总量。
13. 预测储量:是指在圈闭预探阶段,预探井获取了油气流或综合解释有油气层存在时,对有进一步勘探价值的可能存在的油气藏,估算求的的确定性很低的地质储量。
14. 控制储量:是指在圈闭预探阶段,预探井获得的工业油气流,并经过初步钻探认为可供开采后,估算求得的,确定性较大的地质储量。
15. 探明储量:是指在油气藏评估阶段,经评价钻探证实油气藏可供开采,并且能获得经济效益后,估算求的,确定性很大的地质储量。
16. 油气苗:是指地下已经生成的天然气,或在运移过程中,或已经储机后又遭破坏,沿一定通道跑到了地面的产物。
第一章绪论一基本概念1.石油:石油是储藏在地下岩石空隙内的不可再生的天然矿产资源,它主要是以气相、液相和固相烃类为主的,并且含有少量非烃类物质的混合物,具可燃性。
2.石油基本性质:①主要化学成分:C和H,其中C占84%~87%,H占11%~14%。
烃类化合物有:烷烃、环烷烃、芳香烃。
②非烃类化合物有:含硫化合物、含氮化合物、含氧化合物。
③密度:比水轻,相对密度一般在0.75~0.95之间。
④颜色浅的原油一般密度小,粘度低,油中含轻烃成分较多;含胶质和沥青质少,密度小。
⑤粘度:随温度的增高而减小,随密度的减小而减小。
含烷烃多的原油黏度较小;含胶质、沥青质多的原油粘度较大。
⑥凝固点:原油含蜡越多,凝点越高。
⑦闪点、燃点、自然点:原油和成品油越轻,其闪点和燃点月底,而自燃点却越高。
⑧溶解性:不溶于水,能溶于有机溶剂(如氯仿、四氯化碳、苯、醇等)。
⑨原油中的有害物质。
3.天然气的成分:主要是气态烃,以甲烷为主,其中还有少量的C2-C5烷烃成分及非烃气体。
气密度一般在0.5-0.7之间,比空气轻。
4.天然气水合物:又称可燃冰,是甲烷和水在低温和高压环境下相互作用形成的一种冰状的水合物。
5.液化天然气(LNG);液化天然气是天然气经经净化处理后,通过低温冷却而成的液态产物,气体积为原气态体积1/600。
6.天然气分类:按照矿藏特点,可分为气藏气、油藏气、凝析气藏气;按烃类的组成,可分为干气、湿气;按硫化氢和二氧化碳的含量,可分为酸气、净气。
7.石油工业:从事石油和天然气的勘探、开发、储存和运输等的生产部门统称为石油工业。
8.对外依存度:是指一个国家原油净进口量占本国原油消费量的比例,表现一个国家原油消费数量对国外原油的依赖程度。
常用来描述原油安全的程度。
9.储采比:又称回采率或回采比。
是指年末剩余储量除以当年产量得出剩余储量,按当前生产水平尚可开采的年数。
10油气当量 4?二问答题1.石油工业的行业特点。
石油工程概论试题及答案(总11页)--本页仅作为文档封面,使用时请直接删除即可----内页可以根据需求调整合适字体及大小--试卷部分一、名词解释1.深井、超深井2.地层孔隙压力3.地层破裂压力4.井斜角5.井斜方位角6. 岩石可钻性7.岩石各向异性8.机械钻速9.欠平衡钻井10.地层油等温压缩系数11.地层油溶解气油比12.地层油体积系数13.岩石孔隙度14.岩石有效渗透率15.蒸汽吞吐16.蒸汽驱17.采油指数18.油井流入动态曲线19.气举启动压力20.基质酸化21.压裂酸化22.体积波及系数二、填空题1.岩石可以分为三大类,包括、、。
其中,是钻井中常遇到的岩石。
2.钻机的三大系统包括、、。
3.牙轮钻头的牙齿分为和两大类。
4.目前石油钻井中常用的钻头分为钻头、钻头及钻头三大类。
其中钻头使用最多。
5.钻柱包括、、以及各种。
6.钻具连接必须满足的三个基本条件是、、。
7.钻井八大件包括:、、、、、、、。
8.定向井井身剖面的四个基本段为:、、、。
9.井眼轨迹的基本要素为:、和。
10.常用的气体钻井方式包括、、以及充气钻井等。
11.钻井过程中常见的复杂情况有、、、钻具事故等。
12.油气藏形成的必要条件有:、、、。
13.地质储量按控制程度及精确性由低到高分为:、、。
14.油藏流体在井筒垂直管中流动可能存在的流型有、、、和雾流五种。
15.自喷油井生产中,流体由地层流至地面分离器一般经过、、和四个基本流动过程。
16.油藏驱油的天然能量主要包括、、、、五种。
17.目前国内外油田所采用的注水方式主要分为、、、四种。
18.根据压裂液在不同施工阶段的任务,可分为、和。
19.按照酸化工艺不同,可分为、和压裂酸化。
20.提高油藏采收率的方法主要有、、和微生物采油法。
三、判断题:正确打“√”,错误打“╳”1.钻进过程中,固相含量及其分散性会影响钻速。
()2.定向井与直井的最大区别在于定向井的井眼弯曲度较大。
()3.目前广泛使用的完井方法为射孔完井法。
石油加工概论习题名词解释馏程馏分馏分组成初馏点终馏点本积平均沸点临界状态临界常数临界点密度比重比重指数特性因数K粘温特性粘温指数浊点结晶点低温流动性凝点闪点燃点自燃点比热汽化潜热热焓压缩比爆震抗爆性辛烷值抗氧化安定性启动性能加速性能实际胶质诱导期腐蚀性水溶性酸碱十六烷值残炭针入度重量发热值体积发热值无烟火焰高度延度(伸长度)软化点泡点JH露点过冷液体过热蒸汽平衡蒸发渐次汽化渐次冷凝冷回流循环回流中段循环回流水蒸汽蒸馏减压蒸馏三段汽化汽相馏出温度液相馏出温度过汽化率干式减压蒸馏催化裂化催化碳固体流态化临界流化速度带出速度滑落系数单程转化率总转化率回炼比催化剂藏量催化重整芳烃潜含量重整转化率加氢裂化溶剂精制干摩擦边界摩擦边界润滑丙烷脱沥青临界回收多效蒸发溶剂脱蜡白土精制二、填空题1、石油是一种主要由_______________ 组成的__________________ 。
2、石油是当代主要的____________ ,从石油中可制取_______ 、_________ 、__________ 、__________________ 等燃料。
3、石油是______________ 的重要原料,从石油中可制得______ 烯, ____ 苯,_____ 炔,_______ 萘。
4、我国主要大油田有___________________________ 。
5、石油从外观看来是一种____ 色的,从______ 色以至 _____ 色的________和的。
6石油炼制工业生产、、等燃料与_______ 和____________ 等化学工业原料,是国民经济支柱产业之一。
7、石油主要由、、、、______ 等元素组成。
8、石油主要由烃类和非烃类组成,其中烃类有:、一、__ ,非烃类有。
9、石油中还含有多种微量元素,其中金属微量元素有等,非金属元素有等。
10、石油中的含硫化合物给石油加工过程和石油产品质量带来的危害有:11、初馏点:12、同碳数各种烃类的特性因数大小顺序为________ > ________ > ______2013、___________________________________________________________________ 油品d4的物理意义是 _______________________________________________________14、同一种原油,随着沸点的升高,相对密度越来越;闪点越来越;燃点越来越;自燃点越来越。
中国石油大学(北京)远程教育学院期末考试《石油工程概论》学习中心:_______ 姓名:________ 学号:_______一、综述题(共8小题,每小题15分,任选4小题,共60分)(综述题请根据知识点提示结合课件组织答案,每道题目不少于400字。
照抄知识点提示不得分。
)选做题号:1. 阐述井身结构的主要内容,说出各内容所包括的具体知识,并画出基本的井深结构图。
答:井身结构是指由直径、深度和作用各不相同,且均注水泥封固环形空间而形成的轴心线重合的一组套管与水泥环的组合。
包括井中套管的层数及各种套管的直径、下入深度和管外的水泥返深,以及相应各井段钻进所用钻头直径。
⑴井身结构的组成及作用:井身结构主要由导管、表层套管、技术套管、油层套管和各层套管外的水泥环等组成。
①.导管:井身结构中下入的第一层套管叫导管。
其作用是保持井口附近的地表层。
②.表层套管:井身结构中第二层套管叫表层套管,一般为几十至几百米。
下入后,用水泥浆固井返至地面。
其作用是封隔上部不稳定的松软地层和水层。
③.技术套管:表层套管与油层套管之间的套管叫技术套管。
是钻井中途遇到高压油气水层、漏失层和坍塌层等复杂地层时为钻至目的地层而下的套管,其层次由复杂层的多少而定。
作用是封隔难以控制的复杂地层,保持钻井工作顺利进行。
④.油层套管:井身结构中最内的一层套管叫油层套管。
油层套管的下入深度取决于油井的完钻深度和完井方法。
一般要求固井水泥返至最上部油气层顶部100~150米。
其作用封隔油气水层,建立一条供长期开采油气的通道。
⑤.水泥返高:是指固井时,水泥浆沿套管与井壁之间和环形空间上返面到转盘平面之间的距离。
2. 简述绝对渗透率、有效渗透率、相对渗透率的定义,影响绝对渗透率的影响因素?绝对渗透率:岩石孔隙中只有一种流体(单相)存在,流体不与岩石起任何物理和化学反应,且流体的流动符合达西直线渗滤定律时,所测得的渗透率。
有效渗透率:多相流体在多孔介质中渗流时,其中某一项流体的渗透率叫该项流体的有效渗透率,又叫相渗透率。
石油加工概论习题一. 名词解释馏程:每个馏分的沸点范围简称为馏程或沸程馏分:就是按照组分沸点的差别将原油“切割”成若干“馏分”馏分组成:馏分常冠以汽油、煤油、柴油、润滑油等石油产品的名称,馏分并不是石油产品,石油产品要满足油品规格的要求,还需将馏分进行进一步加工才能成为石油产品。
各种石油产品在馏分范围之间有一定的重叠。
初馏点:将100ml试油置于规定仪器中.按规定条件加热蒸馏,流出第一滴冷凝液时的气相温度称为初馏点终馏点:蒸馏最终所达到的最高气相温度称为干点(汽油)或终馏点(煤、柴油)。
体积平均沸点:是馏程的10%、30%、50%、70%和90%五个馏出温度的算术平均值。
临界状态:汽、液相互相转化时,既没有体积变化,也没有热效应产生,汽相和液相具有相同的密度,此时称为临界状态。
临界常数:亦称临界参量。
它是临界温度、临界压强和临界体积的统称。
不同物质的常数值不同。
临界点:一种热力学状态,此时在最高可能温度下物质的液态和气态可以平衡共存。
密度:是单位体积内物质在真空中的质量比重:物质干燥完全密实的重量和4℃时同体积纯水的重量的比值。
比重指数:ISO标准和我国石油产品的GB标准中表示粘温性能的指标。
特性因数K:在研究各族烃类性质时,人们发现以绝对温度。
R表示的烃类沸点与相对密度d15.615.6成直线关系,不同族烃类的直线斜率不同,定义此斜率为特性因数K。
粘温特性:油品随温度变化的性质粘温指数:VI是ISO标准和我国石油产品的GB标准中表示粘温性能的指标。
浊点:油在规定仪器,条件下冷却,开始出现混浊的最高温度结晶点:油在规定仪器,条件下继续冷却,肉眼可见的结晶最高温度。
低温流动性:是显著影响石油产品在冬季、室外、高空等低温条件下使用、输送和储存等方面的使用性能。
凝点:在实验规定条件下,试管倾斜45°,一分钟后液面不移动的最高温度闪点:指可燃性液体(如烃类及石油产品)的蒸气同空气的混合物在有火焰接近时,能发生闪火(一闪即灭)的最低油温。
绪论1.什么是战略石油储备?战略石油储备的分类?战略石油储备:是应对短期石油供应冲击(大规模减少或中断)的有效途径之一。
战略储备和平准库存2.中国计划如何构筑石油战略储备?从1993年开始酝酿,2004年得到正式批复,我国首批战略石油储备基地选址山东黄岛、辽宁大连、浙江镇海和舟山等四个沿海重镇。
储备能力为1640万立方米,中国完成37天的石油储备。
但是离90天目标还很远。
3.中国石油战略对策有哪些?开源、节流、重储、保运4.按照产品结构可将炼油厂分为哪几类?燃料型、燃料-润滑油型、燃料-化工型、燃料-润滑油-化工型第一章1、石油中有哪些元素? 它们在石油中的含量?碳的质量分数一般为83.0%~87.0%氢的质量分数为11.0%~14.0%硫的质量分数为0.05%~8.00%氮的质量分数为0.02%~2.00%氧的质量分数为0.05%~2.00%Ni、V、Fe、Cu石油中的烃类主要有烷烃、环烷烃、芳烃和在分子中兼有这三类烃结构的混合烃构成。
4、石油中非烃化合物有哪些? 对石油加工及石油产品有何危害?含硫、氮、氧化合物和胶状沥青状物质.1.影响石油产品质量,使燃烧性能、安定性变差.2.腐蚀设备.3.污染环境.4.可使催化剂中毒5.含硫化合物主要有哪些?哪一类硫化物能腐蚀金属设备?活性硫化合物、非活性硫化合物。
非活性硫6.石油如何按照硫含量划分?低硫原油:S<0.5%、含硫原油:0.5%<S<2.0%、高硫原油:S>2.0%7.石油中的氮化物分为(碱性氮)、(中性氮)。
8.石油中的氧化物分为(酸性)和(中性)氧化物,以(酸性)为主。
9.胶状沥青状物质根据对某些溶剂溶解度的不同可分为(油焦质)、(碳青质)、(沥青质)、(可溶质)。
10.简述石油中各族烃类分布的总规律是?烃类分布的总规律:随石油馏分沸点升高,各族烃类的分子量增加,碳原子数增多,环状烃的环数增加,分子结构趋于复杂化。
石油加工概论第三章~第六章简答题第三章石油产品的分类和使用要求1、汽油发动机、柴油发动机和喷气式发动机的工作过程及比较。
汽油发动机的工作过程:进气、压缩、点火燃烧和膨胀作功、排气柴油发动机的工作过程:进气、压缩、膨胀作功、排气喷气发动机的工作过程:进气、压缩、燃烧、排气比较如下:(1)柴油机与汽油机的相同之处都有四冲程:进气、压缩、燃烧膨胀、排气;都是内燃机。
(2)喷气发动机与活塞式发动机(汽油机及柴油机)有很大区别,其特点是:首先,在喷气发动机中,燃料与空气同时连续进入燃烧室,一经点燃,其可燃混合气的燃烧过程是连续进行的。
而活塞式发动机的燃料供给和燃烧则是周期性的。
其次,活塞式发动机燃料的燃烧在密闭的空间进行,而喷气发动机燃料的燃烧是在35~40m/s的高速气流中进行的,所以燃烧速度必须大于气流速度,否则会造成火焰中断。
(3)汽油发动机的进气是空气燃油混合气,而柴油发动机在进气行程只吸入空气,在压缩行程接近上止点时开始喷入燃油;柴油是用高压油泵喷入气缸中,经雾化后的细小油滴便与被压缩的高温空气混合,并迅速蒸发气化、自燃发火,其燃烧气体温度高达1500-2000℃,压力猛增至5-12MPa(4)柴油机的压缩比及气缸内的温度和压力都显著高于汽油机的,因此其热效率一般比汽油机的高,当二者功率相同时,柴油机可节约燃料20-30%。
2、什么叫压缩比?压缩比对油品质量有什么要求?它对汽油的消耗有什么影响?答:压缩比是汽油机的最重要技术指标,它是混合气被压缩前后的体积比,即活塞在下死点时气缸体积V1与活塞在上死点时气缸体积V2之比V1/V2。
汽油机压缩比提高的同时,必须提高所用汽油的辛烷值,否则发动机会产生爆震现象而无法正常工作。
压缩比越大的汽油机,其功率、热效率越高,油耗量和单位马力金属重量均有所下降,也就是越经济。
3、什么是汽油和柴油的抗爆性?抗爆性如何表示?汽油和柴油爆震的原因有何异同?衡量汽油(柴油)是否易于发生爆震的性质称为汽油(柴油)抗爆性。
自测题
一、填空题(每空1分,共40分)
1、石油是一种从地下深处开采出来的呈黄色、褐色甚至黑色的可燃性粘稠液体,常与天然气共存。
2、炼制工业经历的三个时期:灯油时代、动力燃油时代、石油化工时代。
3、我国原油的主要特点是:大多数原油属较重原油,凝点高,含蜡量高,庚烷沥青质低,含硫量较低,含氮量偏高。
4、轻质原油相对密度小,含硫量低,轻油收率高,渣油含量少。
5、一般来说,轻质原油或石蜡基原油氢碳原子比较高。
6、我国原油馏分组成的特点:汽油馏分含量低,渣油含量高。
7、石油中的烃类主要有烷烃、环烷烃、芳烃和在分子中兼有这三类烃结构的混合烃构成。
8、随着沸点的增高,石油中正构烷烃和异构烷烃的含量逐渐降低。
9、对于减压渣油:一般分成饱和分、芳香分、胶质、沥青质。
10、重油或渣油的结构族组成用密度法。
11、石油中非烃类化合物主要包括含硫、含氮、含氧化合物以及胶状沥青状物质。
12、低硫原油:S˂0.5%,高硫原油S>2.0%.
13、硫的分布总趋势是,随沸点升到,硫含量增加。
氮含量增加。
14、石油及其馏分中的碱性含氮化合物主要有吡啶系、喹啉系、异喹啉系、吖啶系。
15、石油中的氧元素都是以有机含氧化合物的形式存在。
16、一般来说,在含硫及相对密度较高的海相成油的石油中含钒较多,而在低硫、高氮及陆相成油的石油中镍含量较高。
17、石油和石油产品的蒸发性能用蒸汽压、沸程来表示。
18、石油的燃烧性能用闪点、燃点和自燃点来描述。
19、汽油按用途分为车用汽油和航空汽油两类,生产汽油的工艺以催化裂化为主。
20、汽油的抗爆性用辛烷值表示。
二、判断题(每题1分,共10分)
1、原油中出C、H外,还有S、N、O及其他微量元素。
(˅)
2、是有种H为杂原子。
(×)
3、与国外原油相比,我国原油的含硫量低、含氮量高。
(˅)
4、对于不同系列的烃类,在相对分子质量相近的情况下(碳原子数相同)其氢碳原子比大小顺序是:芳香烃˅环烷烃˅烷烃。
(˅)
5、不同原油或同一原油的不同馏分其氢碳原子比存在较大差别。
(˅)
6、石油产品是石油的一个馏分,馏分等同于产品。
(×)
7、石油中烃类和非烃类含量差别很大。
(˅)
8、石油中馏分越重,结构越复杂。
(˅)
9、石油中的氮含量一般比硫含量低。
(˅)
10、环烷基原油的酸值较低,石蜡基原油的酸值较高。
(×)
三、名词解释(每题2分,共20分)
1、馏分:指用分馏的方法把原油分成不同沸点范围的组分。
2、碱性含氮化合物:在冰醋酸和苯的样品溶液中能够被高氯酸-冰醋酸滴定的含氮化合物。
3、蒸汽压:是在某一温度下一种物质液相与其上方的气相成平衡状态时,该蒸气所产生的压力称为饱和蒸汽压。
4、粘度:流体分子的内摩擦使流体带有一定的粘滞性,从而产生流体抵抗剪切作用的能力,衡量这种能力或黏质性的指标就是粘度。
5、粘温凝固:含蜡很少或不含蜡的油品,在温度下降时,年度迅速升高,当粘度达到一定程度后,油品就会变成无定性的玻璃状物质,失去流动性,这种凝固成为粘温凝固。
6、构造凝固:含蜡原油或油品,在温度下降过程中,由于蜡结晶析出而引起的凝固。
7、倾点:是指油品能从规定仪器中流出的最低温度,也称为流动极限。
8、闪点:只在规定条件下,加热油品所溢出的蒸汽和空气组成的混合物与火焰接触时发生瞬间闪火时的最低温度。
9、压缩比:是汽油机的重要技术指标他是混合气被压缩前后的体积比。
10、汽油的辛烷值:表示与被测汽油抗爆性相同的正标准燃料混合物中纯异辛烷的体积百分数。
四、简答题(每题6分,共30分)
1、含硫化合物对石油加工及产品应用的影响。
答:腐蚀性,环境污染,影响产品的储存安定性,影响燃料的燃烧性能,硫可使催化剂中毒。
2、石油中各类化合物的分布规律。
答:随着石油馏分沸点的升高,馏分中烷烃含量逐渐减少,芳烃含量逐渐增大,含硫化合物和胶质含量均逐渐增加,大部分含硫含氮含氧化合物和胶质以及全部沥青质都集中在渣油中。
3、汽油机按燃料供给方式不同可分为哪两类?汽油机组成及工作过程。
答:按燃料供给方式不同,汽油机可以分为化油器式和喷射式两大类。
汽油机通常由曲轴连杆机构、配气机构、燃料系统、润滑、冷却和点火系统所组成。
汽油机一般是以四冲程循环工作,一次完成进气、压缩、燃料膨胀做工、排气四个过程。
4、根据汽油机的工作条件,对汽油的使用要求?
答:⑴在所有的工况下,具有足够的挥发性以形成可燃混合器。
⑵燃烧平稳不产生爆震燃烧现象
⑶储存安定性好,生成胶质的倾向小
⑷对发动机没有腐蚀作用
⑸排出的污染物少。
5、汽油机与柴油机的区别。
答:汽油机:吸入油气预先混合,油气同压缩,压缩比低受燃料性质影响,电点火,燃料自燃点高有利,热工效率低,汽油机单位马力耗油多,汽油闪点很低,危险性大。
柴油机:只吸入空气,预先不混合,只压缩空气,压缩比高,不受燃料性质影响,自燃,燃料自燃点低有利,热效率高,单位马力耗油少,闪点较高,危险性较小。