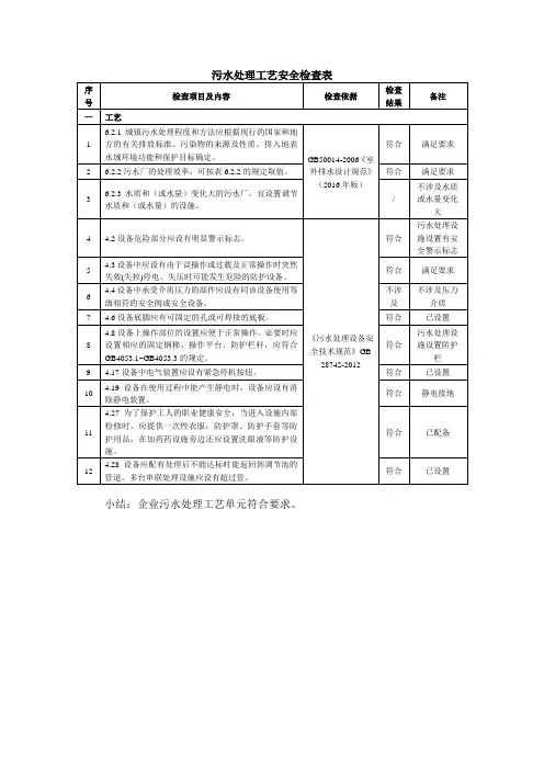
污水处理安全检查表
- 格式:docx
- 大小:30.57 KB
- 文档页数:5
污水处理设备运行检查表污水处理设备运行检查表一、设备基本信息⒈设备名称:________________⒉设备型号:________________⒊设备编号:________________⒋所属部门:________________⒌设备负责人:________________二、设备安全运行检查⒈设备外观检查●检查设备外观是否完好,无明显损坏和渗漏现象。
●检查设备周围是否有杂物或障碍物。
●检查设备安全防护设施是否完善,如护栏、标识等。
⒉设备电气系统检查●检查设备电源是否正常,线路是否接触良好。
●检查设备的开关、按钮和仪表是否正常工作。
●检查电气设备的接地是否良好,无漏电现象。
⒊设备液压系统检查●检查液压油位是否正常,及时更换、维护液压油。
●检查液压管路是否存在漏气、漏油情况。
●检查液压系统的阀门、泵和过滤器等是否正常工作。
⒋设备机械系统检查●检查设备传动部分的皮带、链条等是否磨损、松动。
●检查设备的润滑情况,补充润滑油。
●检查设备的轴承、齿轮等是否有异常声音和振动。
三、设备运行参数检查⒈检查设备的进水压力、进水温度是否在正常范围内。
⒉检查设备的出水压力、出水温度是否符合要求。
⒊检查设备的流量、搅拌速度等运行参数是否正常。
⒋检查设备的气体排放情况是否符合环保要求。
四、设备维护保养记录⒈记录设备的保养日期、保养人员及保养内容。
⒉记录设备的故障情况、维修日期及维修人员。
五、附件⒈设备说明书⒉配件清单⒊维修记录表⒋其他相关附件法律名词及注释:⒈污水处理设备●指用于处理污水的各种设备,包括处理污水的物理、化学和生物工艺设备。
⒉设备安全防护设施●指用于保护设备正常运行和员工安全的设施,如护栏、标识等。
⒊电气系统●指设备中的电气设备、线路和配电系统。
⒋液压系统●指设备中的液压传动系统,包括液压油、泵和阀门等。
⒌机械系统●指设备中的机械传动系统,包括皮带、链条、轴承和齿轮等。
⒍运行参数●指设备运行过程中需要监测和调整的各项参数,如压力、温度、流量等。
员按照使用规则正确佩戴和安全生产规章制度和操作规程、作业规程的情况用品,并监督制度制定际情况,应建持证上岗持有效特种作业操作证上岗情况应急广播、应事的劳动度要求强度的劳动和其他禁忌从事的劳动。
安全用电单位应当按照国家有关规定,结合本单位的特点,建立健全消防安全消防安全制度(四)第一项、第二项、第三项规定以外的火灾危险性较大、(五)距离公安消防队较远、被列为全国重点文物保护单位的机关、团体、企业、事业等单位以及村民委员会、居民委员会根据需要,建立志愿消防队等多种形式的消防组织,开展机关、团体、企业、事业等单位应当履行下列消防安全职举办大型群众性活动,承办人应当依法向公安机关申请安全单位应当按照国家有关规定,结合本单位的特点,建立健全各项消防安全制度和保障消防安全的操作规程,并公布执行散预案演练制度制定及落实业卫生管理机构或者组织,职业(病)危害防护设备、设施及个人防护用品情况病防护设备使职业卫生害告知情况其他情况特种设备(起重机械、场(厂)内机动车驾驶)使用设备安全管理压锅炉)压锅炉)专项检查 建设单位未依照本法规定将消防设计文件报公安机关消防机构备案,或者在竣工后未依照本违反本法规定,有下列行为之一的,责令停止施工、停止使用或者停产停业,并处三万元以上三 建设单位未依照本法规定将消防设计文件报公安机关消防机构备案,或者在竣工后未依照本生产经营单位有下列行为之一的,责令限期改正;逾期未改正的,责令停产停业整顿,可以并 (一)消防设施、器材或者消防安全标志的配置、设置不符合国家标准、行业标准,或者未动法》第59条。
员按照使用规则正确佩戴和用品,并监督Array安全生产规章制度和操作规程、作业规程的情况制度制定持有效特种作业操作证际情况,应建持证上岗上岗情况应急广播、应事的劳动强度的劳动和其他禁忌从事的劳动。
度要求安全用电机关、团体、企业、事业等单位应当履行下列消防安全职责:(三)对建筑消防设施每年至少进行一次全面检测,确保消防安全进行电焊、气焊等具有火灾危险作业的人员和自动消防系统消防安全制度下列单位应当建立单位专职消防队,承担本单位的火灾扑救工作:(一)大型核设施单位、大型发电厂、民用机场、主要港口;(四)第一项、第二项、第三项规定以外的火灾危险性较大、(五)距离公安消防队较远、被列为全国重点文物保护单位的机关、团体、企业、事业等单位以及村民委员会、居民委员会根据需要,建立志愿消防队等多种形式的消防组织,开展机关、团体、企业、事业等单位应当履行下列消防安全职责: (一)落实消防安全责任制,制定本单位的消防安全制度 机关、团体、企业、事业等单位应当履行下列消防安全职责:举办大型群众性活动,承办人应当依法向公安机关申请安全许可,制定灭火和应急疏散预案并组织演练,明确消防安全责任分工,确定消防安全管理人员,保持消防设施和消防器材配置齐全、完好有效,保证疏散通道、安全出口、疏散指示标志、应急照明和消防车通道符合消防技术标准和管理规散预案演练制度制定及落实机关、团体、企业、事业等单位应当履行下列消防安全职责: (一)落实消防安全责任制,制定本单位的消防安全制度机关、团体、企业、事业等单位应当履行下列消防安全职责: (一)落实消防安全责任制,制定本单位的消防安全制度业卫生管理机构或者组织,职业(病)危害防护设备、设施及个人防护用品情况病防护设备使职业卫生害告知情况其他情况使用设备安全管理特种设备(起重机械、场(厂)内机动车驾驶)压锅炉)压锅炉)专项检查违反本法规定,有下列行为之一的,责令停止施工、停止使用或者停产停业,并处三万元以上三十万元以下罚款: (三)依法应当进行消防验收的建设工程,未经消防验收或者消防验收不合格,擅自投入使用的; (五)公众聚集场所未经消防安全检查或者经检查不符合消防安全要求,擅自投入使用、营 建设单位未依照本法规定将消防设计文件报公安机关消防机构备案,或者在竣工后未依照本法规定报公安机关消防机构备案的,责令限期改违反本法规定,有下列行为之一的,责令停止施工、停止使用或者停产停业,并处三万元以上三十万元以下罚款: (三)依法应当进行消防验收的建设工程,未经消防验收或者消防验收不合格,擅自投入使用的; (五)公众聚集场所未经消防安全检查或者经检查不符合消防安全要求,擅自投入使用、营 建设单位未依照本法规定将消防设计文件报公安机关消防机构备案,或者在竣工后未依照本法规定报公安机关消防机构备案的,责令限期改单位违反本法规定,有下列行为之一的,责令改 (一)消防设施、器材或者消防安全标志的配置、设置不符合国家标准、行业标准,或者未保持完好有效的;动法》第59条。
员按照使用规则正确佩戴和用品,并监督Array安全生产规章制度和操作规程、作业规程的情况制度制定持有效特种作业操作证际情况,应建持证上岗上岗情况应急广播、应事的劳动强度的劳动和其他禁忌从事的劳动。
度要求安全用电机关、团体、企业、事业等单位应当履行下列消防安全职责:(三)对建筑消防设施每年至少进行一次全面检测,确保消防安全进行电焊、气焊等具有火灾危险作业的人员和自动消防系统消防安全制度下列单位应当建立单位专职消防队,承担本单位的火灾扑救工作:(一)大型核设施单位、大型发电厂、民用机场、主要港口;(四)第一项、第二项、第三项规定以外的火灾危险性较大、(五)距离公安消防队较远、被列为全国重点文物保护单位的机关、团体、企业、事业等单位以及村民委员会、居民委员会根据需要,建立志愿消防队等多种形式的消防组织,开展机关、团体、企业、事业等单位应当履行下列消防安全职责: (一)落实消防安全责任制,制定本单位的消防安全制度 机关、团体、企业、事业等单位应当履行下列消防安全职责:举办大型群众性活动,承办人应当依法向公安机关申请安全许可,制定灭火和应急疏散预案并组织演练,明确消防安全责任分工,确定消防安全管理人员,保持消防设施和消防器材配置齐全、完好有效,保证疏散通道、安全出口、疏散指示标志、应急照明和消防车通道符合消防技术标准和管理规散预案演练制度制定及落实机关、团体、企业、事业等单位应当履行下列消防安全职责: (一)落实消防安全责任制,制定本单位的消防安全制度机关、团体、企业、事业等单位应当履行下列消防安全职责: (一)落实消防安全责任制,制定本单位的消防安全制度业卫生管理机构或者组织,职业(病)危害防护设备、设施及个人防护用品情况病防护设备使职业卫生害告知情况其他情况使用设备安全管理特种设备(起重机械、场(厂)内机动车驾驶)压锅炉)压锅炉)专项检查违反本法规定,有下列行为之一的,责令停止施工、停止使用或者停产停业,并处三万元以上三十万元以下罚款: (三)依法应当进行消防验收的建设工程,未经消防验收或者消防验收不合格,擅自投入使用的; (五)公众聚集场所未经消防安全检查或者经检查不符合消防安全要求,擅自投入使用、营 建设单位未依照本法规定将消防设计文件报公安机关消防机构备案,或者在竣工后未依照本法规定报公安机关消防机构备案的,责令限期改违反本法规定,有下列行为之一的,责令停止施工、停止使用或者停产停业,并处三万元以上三十万元以下罚款: (三)依法应当进行消防验收的建设工程,未经消防验收或者消防验收不合格,擅自投入使用的; (五)公众聚集场所未经消防安全检查或者经检查不符合消防安全要求,擅自投入使用、营 建设单位未依照本法规定将消防设计文件报公安机关消防机构备案,或者在竣工后未依照本法规定报公安机关消防机构备案的,责令限期改单位违反本法规定,有下列行为之一的,责令改 (一)消防设施、器材或者消防安全标志的配置、设置不符合国家标准、行业标准,或者未保持完好有效的;动法》第59条。
员按照使用规则正确佩戴和用品,并监督Array安全生产规章制度和操作规程、作业规程的情况制度制定持有效特种作业操作证际情况,应建持证上岗上岗情况应急广播、应事的劳动强度的劳动和其他禁忌从事的劳动。
度要求安全用电机关、团体、企业、事业等单位应当履行下列消防安全职责:(三)对建筑消防设施每年至少进行一次全面检测,确保消防安全进行电焊、气焊等具有火灾危险作业的人员和自动消防系统消防安全制度下列单位应当建立单位专职消防队,承担本单位的火灾扑救工作:(一)大型核设施单位、大型发电厂、民用机场、主要港口;(四)第一项、第二项、第三项规定以外的火灾危险性较大、(五)距离公安消防队较远、被列为全国重点文物保护单位的机关、团体、企业、事业等单位以及村民委员会、居民委员会根据需要,建立志愿消防队等多种形式的消防组织,开展机关、团体、企业、事业等单位应当履行下列消防安全职责: (一)落实消防安全责任制,制定本单位的消防安全制度 机关、团体、企业、事业等单位应当履行下列消防安全职责:举办大型群众性活动,承办人应当依法向公安机关申请安全许可,制定灭火和应急疏散预案并组织演练,明确消防安全责任分工,确定消防安全管理人员,保持消防设施和消防器材配置齐全、完好有效,保证疏散通道、安全出口、疏散指示标志、应急照明和消防车通道符合消防技术标准和管理规散预案演练制度制定及落实机关、团体、企业、事业等单位应当履行下列消防安全职责: (一)落实消防安全责任制,制定本单位的消防安全制度机关、团体、企业、事业等单位应当履行下列消防安全职责: (一)落实消防安全责任制,制定本单位的消防安全制度业卫生管理机构或者组织,职业(病)危害防护设备、设施及个人防护用品情况病防护设备使职业卫生害告知情况其他情况使用设备安全管理特种设备(起重机械、场(厂)内机动车驾驶)压锅炉)压锅炉)专项检查违反本法规定,有下列行为之一的,责令停止施工、停止使用或者停产停业,并处三万元以上三十万元以下罚款: (三)依法应当进行消防验收的建设工程,未经消防验收或者消防验收不合格,擅自投入使用的; (五)公众聚集场所未经消防安全检查或者经检查不符合消防安全要求,擅自投入使用、营 建设单位未依照本法规定将消防设计文件报公安机关消防机构备案,或者在竣工后未依照本法规定报公安机关消防机构备案的,责令限期改违反本法规定,有下列行为之一的,责令停止施工、停止使用或者停产停业,并处三万元以上三十万元以下罚款: (三)依法应当进行消防验收的建设工程,未经消防验收或者消防验收不合格,擅自投入使用的; (五)公众聚集场所未经消防安全检查或者经检查不符合消防安全要求,擅自投入使用、营 建设单位未依照本法规定将消防设计文件报公安机关消防机构备案,或者在竣工后未依照本法规定报公安机关消防机构备案的,责令限期改单位违反本法规定,有下列行为之一的,责令改 (一)消防设施、器材或者消防安全标志的配置、设置不符合国家标准、行业标准,或者未保持完好有效的;动法》第59条。
员按照使用规则正确佩戴和安全生产规章制度和操作规程、作业规程的情况用品,并监督制度制定际情况,应建持证上岗持有效特种作业操作证上岗情况应急广播、应事的劳动度要求强度的劳动和其他禁忌从事的劳动。
安全用电单位应当按照国家有关规定,结合本单位的特点,建立健全消防安全消防安全制度(四)第一项、第二项、第三项规定以外的火灾危险性较大、(五)距离公安消防队较远、被列为全国重点文物保护单位的机关、团体、企业、事业等单位以及村民委员会、居民委员会根据需要,建立志愿消防队等多种形式的消防组织,开展机关、团体、企业、事业等单位应当履行下列消防安全职举办大型群众性活动,承办人应当依法向公安机关申请安全单位应当按照国家有关规定,结合本单位的特点,建立健全各项消防安全制度和保障消防安全的操作规程,并公布执行散预案演练制度制定及落实业卫生管理机构或者组织,职业(病)危害防护设备、设施及个人防护用品情况病防护设备使职业卫生害告知情况其他情况特种设备(起重机械、场(厂)内机动车驾驶)使用设备安全管理压锅炉)压锅炉)专项检查 建设单位未依照本法规定将消防设计文件报公安机关消防机构备案,或者在竣工后未依照本违反本法规定,有下列行为之一的,责令停止施工、停止使用或者停产停业,并处三万元以上三 建设单位未依照本法规定将消防设计文件报公安机关消防机构备案,或者在竣工后未依照本生产经营单位有下列行为之一的,责令限期改正;逾期未改正的,责令停产停业整顿,可以并 (一)消防设施、器材或者消防安全标志的配置、设置不符合国家标准、行业标准,或者未动法》第59条。
水处理厂安全检查表1. 检查项目1.1. 物理隔离措施- [ ] 检查所有设备和管道是否正确安装和维护,以确保有效的物理隔离措施。
- [ ] 检查是否有必要的防护设备,如护栏、安全网等。
1.2. 电气安全- [ ] 检查所有电气设备是否符合标准要求,并保持良好的维护状态。
- [ ] 检查所有电气设备周围是否存在火源或易燃材料。
1.3. 防火设施- [ ] 检查防火墙、灭火器、喷淋系统等防火设施的有效性和维护情况。
- [ ] 检查是否存在易燃物质的存储或使用,并确保其符合安全要求。
1.4. 安全标识和标志- [ ] 检查所有必要的安全标识和标志是否齐全、清晰可见。
- [ ] 检查是否存在错误或损坏的安全标识和标志,并及时修复或更换。
1.5. 废水和废气处理- [ ] 检查废水和废气处理设施是否正常运行,并符合相应的环保要求。
- [ ] 检查是否存在废水或废气泄漏的情况,及时采取相应措施。
2. 检查记录2.1. 检查日期: [填写日期]2.2. 检查人员: [填写检查人员姓名]2.3. 检查结果:- [ ] 通过:所有检查项目符合安全要求。
- [ ] 不通过:存在以下安全隐患 [填写具体描述]。
3. 处理措施3.1. 如检查结果不通过,需立即执行以下处理措施:- [ ] 立即修复或更换损坏的设备或设施。
- [ ] 消除废水或废气泄漏情况,并修复相关设施。
- [ ] 更新或补充缺失、错误的安全标识和标志。
- [ ] 按照要求对电气设备进行维修或更换。
3.2. 处理人员: [填写处理人员姓名]3.3. 处理日期: [填写处理日期]4. 检查结果确认4.1. 应由负责人对检查结果进行确认,并签署确认意见。
4.2. 检查结果确认人员: [填写确认人员姓名]4.3. 确认日期: [填写确认日期]---*注:以上检查表仅供参考,具体内容根据实际情况进行调整和补充。