彩涂钢板
- 格式:doc
- 大小:121.00 KB
- 文档页数:12
彩涂钢板生产工艺流程
彩涂钢板生产工艺流程主要包括以下几个环节:钢板预处理、底漆涂布、烘干烘烤、面漆涂布、烘干烘烤、包装等。
首先,钢板预处理是彩涂钢板生产的第一步。
此环节主要包括对钢板的酸洗、磷化等处理工艺。
酸洗是将钢板表面的锈垢和氧化物清除,保证钢板表面洁净;磷化是为了增加钢板表面的粘附力,提高涂层的附着力。
然后,进行底漆涂布。
底漆是为了增加彩涂钢板的耐腐蚀性和附着力。
底漆涂布分为滚涂、刷涂和喷涂等不同方法。
涂布完毕后,需将其进行烘干烘烤,以保证底漆涂层的质量和附着力。
接下来是面漆涂布。
面漆是为了使彩涂钢板具有良好的光洁度和装饰性。
面漆的涂布方法与底漆类似,可选择滚涂、刷涂和喷涂等方法。
涂布完毕后,同样需要进行烘干烘烤以保证面漆涂层的质量和附着力。
最后是包装环节。
经过前面的工艺处理,彩涂钢板已经成为成品。
在包装环节中,将彩涂钢板按照规定的尺寸、厚度进行切割,然后进行包装。
常见的包装方式有裸包和纸箱包装。
包装完毕后,彩涂钢板可以顺利出厂。
总体来说,彩涂钢板的生产工艺流程主要包括钢板预处理、底漆涂布、烘干烘烤、面漆涂布、烘干烘烤、包装等环节。
每个环节都需要严格控制,以确保生产出高质量的彩涂钢板。
彩色涂层钢板(彩涂)技术与发展(一)随着社会经济的发展,人们追求高品质的生活理念已渗透进钢铁产业,以往黑色、粗犷的钢板已不能满足人们的要求,色彩艳丽、功能实用的彩涂钢板应运而生。
彩色涂层钢板是将一种有机涂层涂敷于钢材表面,它具有外表美观、色彩艳丽、强度高、耐蚀性好、加工成型方便等优点,而且还可以使用户降低成本、减少污染。
彩涂板也叫有机涂层板或预涂钢板,它是以金属卷材(冷轧板、热镀锌板、镀铝板、高铝合金板、不锈钢板等)为基材,在表面涂敷或层压各种有机涂料或塑料薄膜而成。
由于它是在冶金工厂完成表面涂层的卷材,可供用户直接加工成产品,所以也称预涂卷材。
彩涂行业的发展情况1 国外彩涂钢板的发展1935年美国建立了第一条连续涂层钢板线,近20年来彩涂板生产业以建筑工业为突破口得到了迅速发展,产量不断增加,生产能力超过1800万t,尤其是欧美和日本发展较快,在全世界400多条生产线中,美国约占50%,生产能力超过400万t,而且品种齐全。
日本自1958年建成了第一条喷淋式涂层生产线后,至今已有50余条生产线,生产能力近300万t。
美国、日本、欧洲三个地区合计年生产量占世界总产量的84%。
20世纪60年代以后,特别是近二十多年来比利时、瑞典、挪威、芬兰、巴西和东欧一些国家也相继兴建了一批生产线。
2 国内彩涂钢板的发展20世纪60年代,鞍山钢铁公司钢铁研究所就开始着手研究有机涂层卷材,但由于种种原因没有进一步深入研究,直至1987年武汉钢铁公司引进我国第一条正规预涂卷材生产线正式运转,宣告中国终于有了自己的预涂金属卷材工业。
紧接着广州彩色带钢厂(1986年、5万t)、北京钢门窗厂(1988年、3万t)、上海宝山钢铁公司(1989年,22.7万t)以及西南铝业公司(1993年,2万t)等引进的预涂金属卷材相继投产,形成第一次预涂金属卷材工业发展高潮。
20世纪90年代中后期出现了预涂金属卷材业的第二次大发展,这次业主绝大多数是私营企业,他们采用国产的年产量2万t左右的中型生产线建厂,分布在广东,江苏,山东等沿海地区,此阶段新建生产线数量超过50条。
彩涂钢卷牌号tsgcc释义
彩涂钢卷牌号TSGCC是指采用热镀锌钢板为基板,经过表面处
理后再涂覆一层或多层有机涂层制成的产品。
TSGCC的释义可以从
多个角度来解释。
首先,TSGCC中的"T"代表着彩涂钢板(Color-coated Steel),即表面经过涂覆处理的钢板。
"S"代表着结构钢(Structure),表
明这种钢板适用于建筑结构、家电等领域。
"G"代表着镀锌(Galvanized),说明该钢板经过热镀锌处理,具有防腐蚀的特性。
最后的"CC"代表着连续涂覆(Continuous Coating),表示涂层是
通过连续涂覆工艺施加在钢板表面的。
其次,TSGCC彩涂钢卷在不同国家和地区可能会有不同的标准
和规范,比如中国的国家标准和国际标准,因此TSGCC的释义也需
要根据具体的标准来解释。
此外,TSGCC彩涂钢卷的性能和用途也是需要考虑的因素。
例如,TSGCC钢卷具有良好的耐腐蚀性和装饰性,广泛应用于建筑、
家电、交通工具等领域。
其机械性能、化学性能和加工性能也是需
要考虑的因素。
总的来说,TSGCC彩涂钢卷牌号的释义涵盖了材料、工艺、标准和性能等多个方面,需要根据具体的背景和需求来全面解释。
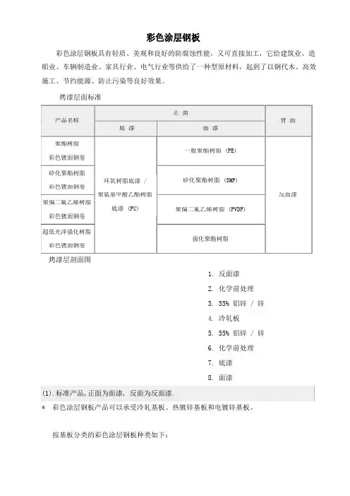
正 面产品名称背 面底 漆面 漆聚酯树脂一般聚酯树脂 (PE)彩色镀面钢卷 矽化聚酯树脂 环氧树脂底漆 / 矽化聚酯树脂 (SMP)彩色镀面钢卷 聚氨基甲酸乙酯树脂反面漆聚偏二氟乙烯树脂 底漆 (PU)聚偏二氟乙烯树脂 (PVDF) 彩色镀面钢卷 超低光泽强化树脂强化聚酯树脂彩色镀面钢卷(1).标准产品,正面为面漆, 反面为反面漆.彩色涂层钢板彩色涂层钢板具有轻质、美观和良好的防腐蚀性能,又可直接加工,它给建筑业、造船业、车辆制造业、家具行业、电气行业等供给了一种型原材料,起到了以钢代木、高效施工、节约能源、防止污染等良好效果。
烤漆层面标准烤漆层剖面图1. 反面漆2. 化学前处理3. 55% 铝锌 / 锌4. 冷轧板5. 55% 铝锌 / 锌6. 化学前处理7. 底漆8. 面漆* 彩色涂层钢板产品可以承受冷轧基板、热镀锌基板和电镀锌基板。
按基板分类的彩色涂层钢板种类如下:■ 冷轧基板彩色涂层钢板由冷轧基板生产的彩色板,具有平滑秀丽的外观,且具有冷轧板的加工性能;但是外表涂层的任何细小划伤都会把冷轧基板暴露在空气中,从而使露铁处很快生成红锈。
因此这类产品只能用于要求不高的临时隔离措施和作室内用材。
■ 热镀锌彩色涂层钢板把有机涂料涂复在热镀锌钢板上得到的产品即为热镀锌彩涂板。
热镀锌彩涂板除具有锌的保护作用外,外表上的有机涂层还起了隔绝保护、防止生锈的作用,使用寿命比热镀锌板更长。
热镀锌基板的含锌量一般为 180g/m2〔双面〕,建筑外用热镀锌基板的镀锌量最高为 275g/m2。
■ 热镀铝锌彩涂板依据要求,也可以承受热镀铝锌钢板作为彩涂基板〔55%AI-Zn 和 5%AI-Zn 〕。
■ 电镀锌彩涂板用电镀锌板为基板,涂上有机涂料烘烤所得的产品为电镀锌彩涂板,由于电镀锌板的锌层薄,通常含锌量为 20/20g/m2,因此该产品不适合使用在室外制作墙、屋顶等。
但因具有秀丽的外观和优良的加工性能,因此主要可用于家电、音响、钢家具、室内装璜等。
彩钢板规格标准及报价和区别1、彩钢板简介彩钢板,是指彩涂钢板,彩涂钢板是一种带有有机涂层的钢板。
彩钢板分为单板、彩钢复合板、楼承板等。
广泛使用于大型公共建筑、公共厂房、活动板房、及集成房屋的墙面和屋面。
2、基本特点1.重量轻:10-14千克/平方米,相当于砖墙的1/30。
2.隔热保温:芯材导热系数:λ<=0.041w/mk。
3.强度高:可作天花围护结构板材承重,抗弯抗压;一般房屋不用梁柱。
4.色泽鲜艳:无需表面装饰,彩色镀锌钢板防腐层保持期在10-15年。
5.安装灵活快捷:施工周期可缩短40%以上。
6.氧指数:(OI)32.0(省消防产品质检站)。
3、主要种类彩钢板的基板为冷轧基板,热镀锌基板和电镀锌基板。
涂层种类可分为聚酯、硅改性聚酯、偏聚二氟乙烯和塑料溶胶。
彩钢板的表面状态可分为涂层板、压花板和印花板,彩钢板广泛用于建筑家电和交通运输等行业,对于建筑业主要用于钢结构厂房、机场、库房和冷冻等工业及商业建筑的屋顶墙面和门等,民用建筑采用彩钢板的较少。
与塑钢区别它与塑钢区别在于材料的构成不同,吸铁石可以吸动。
严格意义上讲,塑钢与彩钢在金属特性及表面处理上并不能很好的区分,因为大同小异;所以市场的区分主要在型材结构方面。
吸铁石测试由于是普通碳钢材料,吸铁石可以吸。
另外补充说明一下,不锈钢是在低碳钢的基础上加入铬元素(大于等于13%)后的产物,所以吸铁石就吸不了了。
4、主要机组上个世纪80年代末我国才陆续建设彩钢板机组,这些机组多建在钢铁厂及合资企业,彩钢板工艺设备基本从国外引进。
到2000年国产彩钢板达到173万吨,出现了产能过剩。
国有特大钢铁企业的机组产能、装备水平较高,都相继建成了采用国外技术、年生产能力12万~17万吨的彩钢板机组。
同时,许多民营企业投资的彩钢板生产大多采用国产设备,产能较小,但上马快、投资低,产品主要面向建材、装饰行业。
另外,外资、台资也纷纷登陆兴建彩涂机组,但大部分集中在沿海地区。
彩涂钢板生产工艺流程
《彩涂钢板生产工艺流程》
彩涂钢板是一种表面在热镀锌钢板上覆盖有有机涂层的材料,它具有防腐蚀、耐磨损、美观等特点,被广泛应用于建筑、家电、交通工具等领域。
彩涂钢板的生产工艺流程一般包括以下几个步骤:
1. 基板处理
首先是对钢板基板的处理,包括表面清洗、酸洗、磷化等工序,以保证基板表面的清洁度和粗糙度,为涂层的附着和质量提供保证。
2. 底漆涂覆
接下来是将经过处理的基板进行底漆的涂覆。
底漆的选择与涂覆工艺对最终涂层的质量具有重要影响,同时还需要对涂覆的厚度进行控制。
3. 干燥固化
底漆涂覆完成后,需要经过一定的时间进行干燥固化,以保证底漆的质量和附着力。
4. 涂层涂覆
在底漆干燥固化后,接下来是彩色面漆的涂覆。
面漆的选择和对涂覆的控制同样对最终产品的质量起着重要的作用。
5. 烘烤固化
涂覆完成后,需要通过烘烤固化,使涂层的物理和化学性能得以完善,确保产品的质量和耐用性。
6. 成品检验
最后,对成品进行质量检验,包括外观质量、涂层附着力、耐腐蚀性能等方面的检测,以确保产品符合相应的标准和要求。
彩涂钢板生产工艺流程的每一个步骤都需要严格控制和操作,以保证最终产品的质量和性能。
同时,随着科技的进步,生产工艺也在不断进行创新和改进,以满足市场对产品质量和性能的不断提升的需求。
彩钢板百科名片彩钢板彩钢板英文名:Color plate ,是指彩涂钢板,彩涂钢板是一种带有有机涂层的钢板。
目录概述1.彩钢六大特点2.种类和与塑钢的区别3.吸铁石不吸未必不含铁机组建设形式存在问题发展趋势特性1.简介2.安装便捷3.耐久4.保温隔热规格性能构成应用缺点型号判断质量夹芯材料夹芯特点展开编辑本段概述彩钢六大特点1.重量轻:10-14千克/平方米,相当于砖墙的1/302.隔热保温:芯材导热系数:λ<=0.041w/mk。
3.强度高:可作天花围护结构板材承重,抗弯抗压;一般房屋不用梁柱。
4.色泽鲜艳:无需表面装饰,彩色镀锌钢板防腐层保持期在10-15年。
5.安装灵活快捷:施工周期可缩短40%以上。
6.氧指数:(OI)32.0(省消防产品质检站)。
种类和与塑钢的区别彩涂钢板的基板为冷轧基板,热镀锌基板和电镀锌基板。
涂层种类可分为聚酯、硅改性聚酯,偏聚二氟乙烯和塑料溶胶。
彩涂钢板的表面状态可分为涂层板、压花板和印花板,彩涂钢板广泛用于建筑家电和交通运输等行业,对于建筑业主要用于钢结构厂房、机场、库房和冷冻等工业及商业建筑的屋顶墙面和门等,民用建筑采用彩钢板的较少。
它与塑钢区别在于材料的构成不同.吸铁石可以吸动.严格意义上讲,塑钢与彩钢在金属特性及表面处理上并不能很好的区分,因为XX小异;所以市场的区分主要在型材结构方面。
吸铁石不吸未必不含铁由于是普通碳钢材料,吸铁石可以吸。
另外补充说明一下,不锈钢是在低碳钢的基础上加入铬元素(大于等于13%)后的产物,所以吸铁石就吸不了了。
不能用吸铁石证明材料中是否不含铁。
编辑本段机组建设上个世纪80年代末我国才陆续建设彩钢板机组,这些机组多建在钢铁厂及合资企业,彩钢板工艺设备基本从国外引进。
到2000年国产彩钢板达到173万吨,出现了产能过剩。
国有特大钢铁企业宝钢、鞍钢、首钢、唐钢、济钢、昆钢、邯钢、武钢、攀钢等企业的机组产能、装备水平较高,都相继建成了采用国外技术、年生产能力12万~17万吨的彩钢板机组。
宝钢彩涂钢板介绍及详细参数1.色彩多样:宝钢彩涂钢板可以选择不同的颜色和图案,满足不同消费者的需求。
它能够提供丰富的色彩和装饰效果,使建筑物或产品变得更加美观独特。
2.耐候性好:宝钢彩涂钢板具有优异的耐候性能,可以耐受各种气候条件下的酸雨、风吹、雨淋等自然环境的影响,保持长期的稳定性和美观度。
3.耐蚀性强:彩涂钢板通过特殊的涂层技术,能够有效防止氧化和腐蚀的发生。
宝钢彩涂钢板在使用过程中,具有较好的耐腐蚀性,提供长久的使用寿命。
4.施工方便:宝钢彩涂钢板具有重量轻、切割方便等特点,易于搭建和安装。
它可以在工地现场直接切割和安装,减少了施工的时间和成本,提高了施工效率。
5.环保节能:彩涂钢板使用的绿色涂料,不含有害物质,符合环保要求。
宝钢彩涂钢板在生产和使用过程中,不会产生污染物和有害气体,对环境友好。
1.品种:常见的宝钢彩涂钢板品种有彩色花纹板、石纹板、仿木纹板、喷涂花纹板等。
不同的品种适用于不同的装饰需要。
2.基板种类:宝钢彩涂钢板的基板种类有镀锌钢板、冷轧钢板、镀铝锌板等。
基板的选择会影响到彩涂钢板的性能和应用范围。
3. 基板厚度:宝钢彩涂钢板的基板厚度通常在0.12mm-1.2mm之间,根据具体的使用要求可以进行选择。
4.涂层组成:宝钢彩涂钢板的涂层通常由底漆、粘结剂和表面漆组成。
不同的涂层组成对钢板的性能和使用寿命有一定的影响。
5.涂层厚度:宝钢彩涂钢板的涂层厚度通常在20μm-30μm之间,涂层厚度的增加可以提高钢板的耐腐蚀性能和美观度。
6.膜层硬度:宝钢彩涂钢板的涂层硬度通常在硬度等级H可达到最高硬度的3H,保证了钢板在使用过程中的抗刮擦性能和耐磨性。
7.耐热性:宝钢彩涂钢板的耐热性通常在200℃左右,可以适应一般环境下的使用需求。
8.弯曲性能:宝钢彩涂钢板具有一定的弯曲性能,可以满足不同形状和需求的建筑装饰要求。
总之,宝钢彩涂钢板是一种具有多种特点和优势的钢板产品。
它不仅具有良好的美观效果,还具有优异的防腐蚀性能和耐候性能。
彩板生产理论一.彩涂钢板简介彩涂钢板通常是以镀锌钢板为基板,经过表面脱脂、铬酸盐等处理后,涂层上有机涂料后经过烘烤后的产品.由于这种钢板具有色彩鲜艳的表面,通常被统称为彩涂板.它是一种复合材料,兼有钢板和有机材料的优点,既有钢板的机械强度和易成型的性能,又有有机材料良好的装饰性和耐腐蚀性。
彩板经过加工后,可广泛用于建筑墙面、屋面、门窗、家电等。
二.彩涂板的断面构造如下图所示:三.彩涂板的分类及用途:1.彩涂板的分类:聚酯树脂(PE)彩涂板、高耐候性(HDP)彩涂板、硅改性聚脂(SMP)彩涂板、高柔性聚指(PCS)彩涂板、氟碳树脂(PVDF)彩涂板。
1.彩涂板的用途:由于彩涂板不仅具有镀锌钢卷的耐候性、抗腐蚀能力和鲜艳的色泽,且加工性能优良、已成为当今建筑、家电、制造等行业理想的材料。
其中彩涂板主要用途之一是生产彩钢瓦和复合板的基板,而彩钢瓦和复合板是钢结构工程的重要组成部分,目前钢结构工程由于其建设周期短,结构合理牢固,大有取代砖混结构之势,市场发展空间较大。
四.预涂钢板和后涂钢板的区别金属按照涂层方法有成形加工后涂层POSTCOATING(后涂方式)和成形加工前涂层PRECOATING(预涂方式)两种,我们把PRECOATING方式涂层的钢板称为PCM(PRE-COATED-METAL),所使用的涂料称为PCM涂料。
PCM产品有工程合理,品质稳定,生产效率高及节减原单位等好处,还具有美丽的外观和优越的耐蚀性。
涂料介绍一.PCM涂料的组成:由树脂、颜料、添加剂、助剂等四种原料组成其中树脂、颜料、添加剂为涂膜成分;助剂为挥发成分二.面涂料:分为以下两种类型区分适用树脂建材用涂料Polyester Resin(聚酯树脂)化学链里有酯结合的高分子化合物,柔性好,硬度好,耐久性好家电用涂料High Polymer Polyester Resin(高分子聚酯树脂)为了提高聚酯树脂的功能,使用特殊高分子树脂。
彩钢板彩钢板彩钢板英文名:Colorplate,是指彩涂钢板,彩涂钢板是一种带有有机涂层的钢板。
目录编辑本段概述彩钢六大特点1.重量轻:10-14千克/平方米,相当于砖墙的1/302.隔热保温:芯材导热系数:λ<=0.041w/mk。
3.强度高:可作天花围护结构板材承重,抗弯抗压;一般房屋不用梁柱。
4.色泽鲜艳:无需表面装饰,彩色镀锌钢板防腐层保持期在10-15年。
5.安装灵活快捷:施工周期可缩短40%以上。
6.氧指数:(OI)32.0(省消防产品质检站)。
种类和与塑钢的区别彩涂钢板的基板为冷轧基板,热镀锌基板和电镀锌基板。
涂层种类可分为聚酯、硅改性聚酯,偏聚二氟乙烯和塑料溶胶。
彩涂钢板的表面状态可分为涂层板、压花板和印花板,彩涂钢板广泛用于建筑家电和交通运输等行业,对于建筑业主要用于钢结构厂房、机场、库房和冷冻等工业及商业建筑的屋顶墙面和门等,民用建筑采用彩钢板的较少。
它与塑钢区别在于材料的构成不同.吸铁石可以吸动.严格意义上讲,塑钢与彩钢在金属特性及表面处理上并不能很好的区分,因为大同小异;所以市场的区分主要在型材结构方面。
吸铁石不吸未必不含铁由于是普通碳钢材料,吸铁石可以吸。
另外补充说明一下,不锈钢是在低碳钢的基础上加入铬元素(大于等于13%)后的产物,所以吸铁石就吸不了了。
不能用吸铁石证明材料中是否不含铁。
编辑本段机组建设上个世纪80年代末我国才陆续建设彩钢板机组,这些机组多建在钢铁厂及合资企业,彩钢板工艺设备基本从国外引进。
到2000年国产彩钢板达到173万吨,出现了产能过剩。
国有特大钢铁企业宝钢、鞍钢、首钢、唐钢、济钢、昆钢、邯钢、武钢、攀钢等企业的机组产能、装备水平较高,都相继建成了采用国外技术、年生产能力12万~17万吨的彩钢板机组。
同时,许多民营企业投资的彩钢板生产大多采用国产设备,产能较小,但上马快、投资低,产品主要面向建材、装饰行业。
另外,外资、台资也纷纷登陆兴建彩涂机组,但大部分集中在沿海地区。
彩色涂层钢板的技术应用及说明在钢板上涂上有机涂料,涂料可以有各种不同的颜色,彩色涂层钢板由此而得名,简称彩板,也称有机涂层钢板。
由于彩色涂层钢板是在钢板加工成型前先涂上涂料,在国外也称为预涂层钢板或烤漆板。
彩涂板有机涂层起了覆盖隔离作用,可防止钢板生锈,使用寿命更长。
彩涂板的基板有冷轧基板、热镀锌基板、电镀锌基板、热镀铝锌基板、铝板、镀铝板及不锈钢板等。
彩涂板的面漆涂层种类可以分为:聚酯、硅改性聚酯、偏聚氟乙烯、高耐久性聚酯等。
生产工艺从一涂一烘发展到二涂二烘,也出现三涂三烘的工艺。
彩涂板的表面状态可以分为正常涂层板、压花板、印花板等。
彩涂板主要用途分为建筑、家电和交通运输等。
由于彩涂板不仅色彩鲜艳,还具有优良的成型性和耐久性,使用寿命长等优点,还大量节省客户的清洗脱脂和油漆作业的设备成本和人工。
因此,彩色涂层钢板已广泛应用在我国的建筑业(大型工业厂房、大型仓库、简易活动室、室内装饰板、机场建筑物、现代化大型飞机库、大型体育馆等)预热隔热夹芯板、大型冷藏库、彩涂钢板制门窗、卷帘门及钢制家具。
在家电行业中用于冰柜、洗衣机。
电子工业应用在仪表开关箱外壳、录音机机芯等。
其它如候车厅,售票亭,办公室隔墙等,应用正不断扩大。
PCM彩板即连续辊涂彩色钢板,其色彩鲜艳,不仅具有良好的成型加工性、漆膜耐腐蚀性和柔韧性,又具有良好的经济效益,满足社会经济、环保发展的要求。
关于家电级PCM预涂钢板,其产品质量及性能要求远远高于一般建筑级PCM预涂钢板的要求,根据ECCA(欧洲卷涂协会)数据统计,PCM彩板在生产效率、周转储存、环保效应、外观效果方面均优于传统的喷粉板材,其综合成本仅相当于喷粉板材的90%左右,因此,在欧美地区家电外装饰材料几乎都采用该类彩板;目前在国内各大家电生产厂家,喷粉板材正逐渐被彩板所取代。
在传统PCM彩板的基础上,青岛邯钢彩板公司通过整合全球资源,研制开发出导电PCM彩板及辊涂工艺的砂面PCM 彩板,达到国内顶尖水平。
彩涂钢板生产工艺流程
彩涂钢板是一种具有丰富颜色和出色防护性能的材料,广泛应用于建筑、电气、家电和交通等领域。
彩涂钢板的生产工艺流程主要包括:酸洗、加热、涂装和固化等几个步骤。
首先,彩涂钢板生产的第一步是酸洗。
制作彩涂钢板需要将钢板表面的铁氧化物去除,以便在后续的涂装工艺中能够更好地进行涂料附着。
酸洗过程中,将钢板浸入酸性溶液中进行搅拌,使其与氧化物发生化学反应,将氧化物去除。
接下来是加热。
钢板经过酸洗后,需要通过加热来提高其表面的粗度和改善镀层结合性能。
加热过程中,钢板被放置于高温炉中进行加热,使其达到适当的温度,通常是150°C至180°C。
然后是涂装。
在涂装过程中,将经过酸洗和加热处理的钢板送入涂装机。
涂装机会将涂料均匀地喷涂到钢板表面。
涂料一般采用聚酯、聚酯硅和聚酯氟等材料。
喷涂后,钢板表面形成一层均匀的涂料层,为后续工艺提供保护。
最后是固化。
涂装后的钢板需要进行固化,使涂料能够牢固地附着在钢板表面。
固化过程中,将涂装的钢板送入烘烤炉中进行加热,使涂层中的溶剂挥发,形成坚固的涂料膜。
整个彩涂钢板生产工艺流程在保证产品质量的同时,也需要注意环保和安全。
酸洗过程中需要控制酸性溶液的浓度和温度,以防止对环境和操作人员造成伤害。
涂装过程中也需要控制涂料的用量,减少溶剂挥发对环境的污染。
随着技术的不断进步,彩涂钢板的生产工艺流程也在不断改进。
未来,人们将更加注重提高产品的耐候性、抗污染性和节能性,使彩涂钢板在建筑和工业应用中发挥更大的作用。
彩涂钢板的用途
彩涂钢板,又称为彩涂卷和彩涂卷板,是一种通过涂覆一层或多层有不同颜色的有机涂料和薄膜到表面的钢板。
这种钢板的用途非常广泛,可以用于建筑、家具、电器、交通工具等领域。
首先,彩涂钢板在建筑领域有着重要的应用。
它可以用于建筑外墙板、屋顶板、内墙板等。
由于其表面经过特殊处理,在阳光照射下色彩稳定,不易褪色。
此外,彩涂钢板可以经过特殊设计和加工,模拟出各种石材、木材等不同材质的外观,大大提高了建筑的美观性,受到设计师和业主的青睐。
其次,彩涂钢板在家具领域也有着广泛的应用。
它可以用于制作家具外观板、家电外壳等。
由于彩涂钢板的表面硬度高,不易划伤,且耐腐蚀性能好,因此可以保持家具和家电外观长时间的美观和新颖,受到消费者的喜爱。
此外,彩涂钢板还可以用于制作各种交通工具的外壳。
例如,汽车、火车、飞机等都可以使用彩涂钢板来制作车身外壳。
由于彩涂钢板的优良性能,可以有效保护交通工具的外观,延长其使用寿命。
除了上述领域之外,彩涂钢板还可以用于制作门窗、家居饰品、箱包等产品。
由于彩涂钢板有着良好的装饰性和保护性能,因此在这些领域有着很好的应用前景。
总的来说,彩涂钢板在建筑、家具、交通工具等领域都有着广泛的应用。
随着科
技的不断发展和进步,彩涂钢板将会有更多更广泛的应用领域,为我们的生活带来更多的便利和美好。
彩涂钢板主要工艺流程彩涂钢板是一种表面覆盖有涂层的钢板产品。
它主要用于建筑、家电、家具和交通工具等领域。
彩涂钢板的工艺流程主要包括前处理、涂料涂覆、烘干和固化等环节。
首先,彩涂钢板的工艺流程中的第一步是前处理。
这一步骤的目的是提高钢板表面的附着力,防止涂层剥落。
常用的前处理方式包括酸洗、除油和除锈等。
钢板通过清洗设备进行清洗,去除表面的杂质和脏污,然后通过酸洗设备进行酸洗处理,去除钢板表面的铁氧化物。
接着,钢板经过除油设备,去除表面的油脂。
最后,在清洗机中进行清洗,以确保钢板表面的干净。
第二步是涂料涂覆。
在彩涂钢板生产线上,将钢板送入涂料涂覆机。
涂料通过喷嘴均匀地喷射到钢板表面。
涂料要求具有了优良的附着性、耐候性和耐腐蚀性能。
涂料喷射后,会经过一段时间的自然流动,让涂料均匀地覆盖在整个钢板表面上。
同时,也可以通过刮涂等方式,调整涂层的厚度和质量。
第三步是烘干。
在涂料涂覆完毕后,钢板会经过烘干机进行烘干处理。
烘干的目的是将涂料中的溶剂挥发掉,使涂层迅速干燥,提高涂层的硬度和附着力。
烘干机通过加热和循环风扇的作用,将热空气喷射到钢板上,加速涂层的干燥过程。
不同类型的涂料,对烘干温度和时间的要求也不同。
最后一步是固化。
固化是将涂料中的树脂系统进行化学反应,使其形成坚硬的固体。
彩涂钢板通过固化炉进行固化处理。
固化炉内部温度可控制在180°C至220°C范围内,必要时也可达到更高温度。
固化炉中的钢板在一段时间内保持在固化温度下,使涂料中的树脂系统发生固化反应,形成具有良好耐磨性和强度的涂层。
综上所述,彩涂钢板的主要工艺流程包括前处理、涂料涂覆、烘干和固化等环节。
通过这些工艺步骤,彩涂钢板可以获得均匀、耐候、耐腐蚀的涂层,提高钢板的表面质量和使用寿命。
彩色涂层钢板汇总一、概述彩色涂层钢板是近三十年国际上迅速发展起来的一种新型带钢预涂产品,涂装质量比成型金属表面进行单件喷涂或刷涂的质量更均匀,更理想,并兼有钢板和有机材料两者的优点,既有钢板的机械强度和易成型的性能,又有有机材料良好的装饰性,耐腐蚀性。
彩色涂层钢板是以冷轧钢板,电镀锌钢板、热镀锌钢板或镀铝锌钢板为基板经过表面脱脂、磷化、络酸盐处理后,涂上有机涂料经烘烤而制成的产品。
彩色涂层钢板的常用涂料是聚酯(PE)、其次还有硅改性树脂(SMP)、高耐候聚酯(HDP)、聚偏氟乙烯(PVDF)等,涂层结构分二涂一烘和二涂二烘,涂层厚度一般在表面20-25u,背面8-10u,建筑外用不应该低于表面20u,背面10u。
彩色涂层钢板通常引用的标准是美国ASTM A527(镀锌)、ASTM AT92(镀铝锌),日本JIS G3302,欧洲EN/0142,韩国KS D3506,宝钢Q/BQB420。
涂料性能*聚酯(PE)附着力良好,在成型性和室外耐久性方面范围较宽,耐化学药品性中等。
使用寿命7-10年。
*硅改性树脂(SMP)涂膜的硬度、耐磨性和耐热性良好,以及良好的外部耐久性和不粉化性,光泽保持性和柔韧性有限。
使用寿命10-15年。
*高耐候聚酯(HDP)抗紫外线性优良,具有很高的耐久性,其主要性能介于聚酯和氟碳之间。
使用寿命10-12年。
*聚偏氟乙烯(PVDF)具有良好的成型性和颜色保持性、优良的室外耐久性和粉化性、抗溶剂性,颜色有限。
使用寿命20-25年。
彩色涂层压型钢板,俗称彩钢板,以优质冷轧钢板、热镀锌钢板或镀铝锌钢板为基板,经过表面脱脂、磷化、铬酸盐处理转化后,涂覆有机涂层后经烘烤制成,具有轻质高强、色彩鲜艳、耐久性好等特点。
广泛应用于建筑、家电、装潢、汽车等领域。
彩钢板的强度取决于基板材料和厚度,耐久性取决于镀层(镀锌量318g/m2)和表面涂层,涂层有聚酯、硅性树脂、氟树脂等,涂层厚度达25um 以上,涂层结构有二涂一烘、二涂二烘等,免维护使用年限根据环境大气不同可为20-30年。
彩涂钢板覆膜的工艺原理
彩涂钢板覆膜工艺原理是在彩涂钢板表面覆盖一层透明的保护膜,以增加彩涂钢板的耐候性和耐腐蚀性。
具体的工艺原理包括以下几个步骤:
1. 表面处理:彩涂钢板表面需经过除油、除锈、磷化等处理,以保证膜层的附着力。
2. 底漆涂覆:在彩涂钢板表面涂覆一层底漆,底漆通常含有膨胀剂、流平剂等添加剂,以便实现涂膜的平整和光滑。
3. 彩涂涂覆:在底漆干燥后,涂覆彩涂层,彩涂层通常是由树脂、颜料和添加剂组成的乳液或溶液。
4. 固化:涂覆彩涂层后,通过烘干、紫外线辐射等方式让涂膜固化,以增加膜层的硬度和耐腐蚀性。
5. 涂膜覆膜:在彩涂层表面覆盖一层透明的保护膜,常用的覆膜材料有聚氯乙烯、聚酯薄膜等,保护膜能够增加涂层的耐候性和抗磨损性。
通过以上工艺步骤,彩涂钢板覆膜的工艺原理可以实现对钢板表面的保护和装饰效果,提高彩涂钢板的使用寿命和美观度。
宝山钢铁股份有限公司企业标准彩色涂层钢板及钢带(Q/BQB 440-2009 代替Q/BQB 440-2003、Q/BQB445-2004、BZJ446-2006)1范围本标准规定了彩色涂层钢板及钢带(以下简称彩涂板)的术语和定义、分类和代号、尺寸、外形、重量、技术要求、检验和试验、包装、标志和检验文件等。
本标准适用于宝山钢铁股份有限公司生产的,厚度为0.22mm~2.0mm的建筑用彩涂板,家电、家具、钢窗等行业也可参照使用。
2规范性引用文件下列文件中的条款通过本标准的引用而成为本标准的条款。
凡是注日期的引用文件,其随后所有的修改单(不包括勘误的内容)或修订版均不适用于本标准,然而,鼓励根据本标准达成协议的各方研究是否可使用这些文件的最新版本。
凡是不注日期的引用文件,其最新版本适用于本标准。
GB/T 1766-1995 色漆和清漆涂层老化的评级方法GB/T 8170-2008 数值修约规则与极限数值的表示和判定GB/T 13448-2006 彩色涂层钢板及钢带试验方法GB/T 15957-1995 大气环境腐蚀性分类GB/T 19292.1-2003 金属和合金的腐蚀大气腐蚀性分类Q/BQB 400 冷轧产品的包装、标志及检验文件Q/BQB 420 连续热镀锌/锌铁合金钢板及钢带Q/BQB 425 连续热镀铝锌合金钢板及钢带Q/BQB 430 连续电镀锌钢板及钢带3术语和定义3.1彩涂板prepainted steel sheet在经过表面预处理的基板上连续涂覆有机涂料(正面至少为二层),然后进行烘烤固化而成的产品。
3.2 基板steel substrate用于涂覆涂料的钢带。
3.3正面top side通常指彩涂板两个表面中对颜色、涂层性能、表面质量等有较高要求的一面。
以卷状交货时,通常指彩涂钢卷的外面。
3.4反面bottom side彩涂板相对于正面的另一个表面。
3.5建筑外用building exterior applications主要受建筑外部大气环境影响的用途。
3.6建筑内用building interior applications主要受建筑内部气氛影响的用途。
3.7硬度hardness涂层抵抗擦划伤、摩擦、碰撞、压入等机械作用的能力。
3.8柔韧性flexibility涂层与基板共同变形而不发生破坏的能力。
3.9附着力adhesion涂层间或涂层与基板间结合的牢固程度。
3.10首次大修寿命life to the first major maintenance从生产结束时开始,到原始涂层的性能下降到必须对其进行大修才能维持其对基板的保护作用时的间隔时间。
3.11耐久性durability涂层在使用环境的影响下性能逐渐发生劣化的现象。
4分类和代号4.1牌号命名方法彩涂板的牌号由大写英文字母T+基板牌号组成。
4.2 牌号命名示例a) TDC51D+Z表示基板牌号为DC51D+Z的彩涂板。
b) TSECC表示基板牌号为SECC的彩涂板。
c) TS300GD+AZ表示基板牌号为S300GD+AZ的彩涂板。
4.3 彩涂板的分类及代号应符合表1的规定。
如需表1规定以外的基板、涂料种类和涂层结构,可在订货时协商。
表 1分类项目代号用途建筑外用JW 建筑内用JN 钢窗GC 家电JD 家具JJ 其它QT涂层表面状态涂层板TC 压花板YA 印花板YI面漆种类聚酯PE 硅改性聚酯SMP 高耐久性聚酯HDP 聚偏氟乙烯PVDF基板类型电镀锌板ZE 热镀锌板Z 热镀铝锌板AZ热镀锌基板镀层表面结构小锌花X 零锌花M基板表面预处理类型普通化学预处理 C 无铬化学预处理C5涂层结构正面二层、反面一层2/1 正面二层、反面二层2/2 正面二层、反面二层(注:反面涂层的厚度低于2/2产品反面涂层的厚度)2/1 M5订货所需信息5.1 订货时用户应提供如下信息:a) 产品名称(钢板或钢带);b) 本产品标准号;c) 牌号;d) 产品规格及尺寸、不平度精度;e) 基板类型和镀层重量;h) 涂层表面状态;i) 涂层结构;j) 正面涂层性能;k) 反面涂层性能;l) 重量;m) 用途;n) 包装方式;o) 其他。
5.2 如订货合同中未注明尺寸及不平度精度、T弯级别及包装方式,则供方按普通的尺寸和不平度精度、A级T弯(钢窗料按B级T弯)和供方指定的包装方式包装供货。
6 尺寸、外形、重量及允许偏差6.1 尺寸6.1.1 彩涂板的尺寸范围应符合表2的规定。
表 2 单位:mm项目公称尺寸公称厚度0.22~2.0公称宽度700~1550彩涂钢板的公称长度1000~4000钢卷内径610/5086.1.2 彩涂板的厚度为彩涂前基板的厚度,不包含涂层厚度。
6.2 彩涂板的宽度、长度、外形及其基板厚度的允许偏差按相应基板标准的规定。
6.3 彩色涂层钢板通常按理论重量交货,也可按实际重量交货,理论重量计算方法应符合相应基板标准的规定。
彩色涂层钢带通常按实际重量交货。
7技术要求7.1 基板7.1.1基板的力学性能和镀层性能、镀层重量应符合相应牌号基板标准Q/BQB 420、Q/BQB 425、Q/BQB 430的规定。
经供需双方协商同意,也可采用其他合适的基板标准。
(注:按照惯例,钢厂仅提供基板在涂层处理前的力学性能和镀层重量。
)7.1.2热镀锌基板和热镀铝锌合金基板在涂层处理前应进行平整或光整。
7.1.3 各类型基板在不同腐蚀性环境中推荐使用的公称镀层重量应符合表3的规定。
用户如有特殊要求,可在订货时协商。
表 3基板类型公称镀层重量使用环境的腐蚀性低中高热镀锌基板90/90 125/125 140/140热镀铝锌合金基板50/50 60/60 75/75 电镀锌基板40/40 60/60 -注:使用环境的腐蚀性很低和很高时,镀层重量由供需双方在订货时协商。
7.2 正面涂层性能7.2.1 涂层厚度7.2.1.1涂层厚度应不小于20μm,涂层厚度的特殊要求应在订货时协商。
7.2.1.2涂层厚度三个试样平均值应符合表4的规定,单个试样值应不小于表4规定最小规定值的90%。
7.2.2.1涂层硬度通常用铅笔硬度试验进行评价,如需用耐磨性、耐划伤等试验作进一步评价,应在订货时协商。
7.2.2.2正面涂层铅笔硬度的三个试样值应符合表4的规定,如对铅笔硬度有特殊要求,应在订货时协商。
7.2.3 涂层光泽7.2.3.1 涂层光泽使用60°镜面光泽表示。
光泽分为低、中和高三级,各级别的光泽度公称值应符合表4的规定。
7.2.3.2 三个试样的光泽度均应符合表4的相应规定。
对于低光泽涂层,光泽度允许偏差为±3个光泽度单位;对于中光泽涂层,光泽度允许偏差为±10个光泽度单位;对于高光泽涂层,光泽度允许偏差为0~-10个光泽度单位。
7.2.3.3每批产品光泽度差值应不大于10个光泽单位。
7.2.4 涂层柔韧性/附着力7.2.4.1 涂层的柔韧性/附着力通常用弯曲试验和反向冲击试验进行评价,如需用划格、杯突等试验作进一步评价,应在订货时协商。
7.2.4.2 弯曲试验7.2.4.2.1弯曲试验三个试样值均应符合表4的相应规定。
如对弯曲试验有特殊要求,应在订货时协商。
7.2.4.2.2弯曲试样用胶带剥离后,弯曲处不应有涂层剥落,距试样边部10mm以内的涂层脱落不计。
如要求弯曲处无肉眼可见的开裂应在订货时协商。
7.2.4.2.3 彩涂板通常按A级T弯供货,若需B级T弯性能,应在订货时协商。
钢窗料通常按照B级T弯供货。
对牌号为TS550GD+Z和TS550GD+AZ的彩涂板,T弯性能不作要求。
如对T弯性能有特殊要求,应在订货时协商。
7.2.4.3 反向冲击试验7.2.4.3.1反向冲击试验3个试样的最小值应符合表4的规定。
如对冲击功有特殊要求,应在订货时协商。
7.2.4.3.2反向冲击试样用胶带剥离后变形区不应有涂层剥落,如要求变形区无肉眼可见的开裂,应在订货时协商。
7.2.4.3.3 对于厚度小于0.40mm及牌号为TS550GD+Z、TS550GD+AZ的彩涂板,反向冲击试验不作要求。
7.2.5 涂层耐久性7. 2.5.1 涂层耐久性通常用耐中性盐雾试验或紫外灯加速老化试验进行评价,如需采用氙灯加速老化、耐湿热和耐二氧化硫湿热等试验作进一步评价应在订货时协商。
7.2.5.2 耐中性盐雾试验7.2.5.2.1 涂层的耐中性盐雾试验时间应符合表4的规定,如对试验时间有特殊要求,应在订货时协商。
7. 2.5.2.2在中性盐雾试验规定的时间内,未划线试样的气泡密度等级和气泡大小等级应不大于GB/T1766中表21所规定的3级。
7.2.5.3 紫外灯加速老化试验7.2.5.3.1 涂层的紫外灯加速老化试验时间应符合表4的规定,如对试验时间有特殊要求应在订货时协商。
7.2.5.3.2 在表4规定的试验时间内,试样应无起泡、开裂。
粉化应不大于GB/T 1766中规定的1级。
7.2.5.3.3 涂层为聚酯和硅改性聚酯时,通常用UV A-340进行评价。
如用UVB-313进行评价应在订货时说明。
涂层为高耐久性聚酯和聚偏氟乙烯时通常用UVB-313进行评价,如用UV A-340进行评价,应在订货时说明。
7.2.5.4 供方如能保证,可不做涂层的耐中性盐雾性能和紫外灯加速老化性能的检验。
7.2.6涂层色差涂层色差通常由供方确定,需方如有要求应在订货时协商。
7.2.7 其他性能如对耐有机溶剂、耐酸碱、耐污染、耐沸水和耐干热等性能有要求,应在订货时协商。
表 4面漆种类涂层厚度(μm)铅笔硬度60°涂层镜面光泽的公180°弯曲a反向冲击(J)耐中性盐雾b紫外灯加速老化c低中高厚度≤0.75mm(钢窗料厚度≤0.8mm)试验时间(h)试验时间(h)A级B级UVA-34UVB-313聚酯d ≥2≥F<1516~80>80≤5T≤3T≥9≥480≥600≥400硅改性聚酯≥2≥F<1516~80-≤5T≤3T≥9≥600≥720≥480高耐久性聚酯≥2≥HB<1516~80-≤5T≤3T≥9≥720≥960≥600聚偏氟乙烯≥2≥HB<1516~80-≤5T≤2T≥9≥960≥180≥100a:厚度>0 .7 5料厚度>0 .8 0 m m )的钢板及钢带做90°弯曲;试样方向为纵向。
b: 试样为平板试样并进行封边处理0采用12小时为1循环周期:8h 紫外光照,黑板温度60±3℃℃,4h 冷凝,黑板温度50±3℃℃。
U V B-时为1循环周期:4h 紫外光照,黑板温度60±3℃℃,4h 冷凝,黑板温度50±3℃℃。