工资管理系统数据流程图范文
- 格式:doc
- 大小:84.50 KB
- 文档页数:6
(完整)职工工资管理系统 uml 最新编辑整理:尊敬的读者朋友们:这里是精品文档编辑中心,本文档内容是由我和我的同事精心编辑整理后发布的,发布之前我们对文中内容进行仔细校对,但是难免会有疏漏的地方,但是任然希望((完整)职工工资管理系统uml 最新)的内容能够给您的工作和学习带来便利。
同时也真诚的希望收到您的建议和反馈,这将是我们进步的源泉,前进的动力。
本文可编辑可修改,如果觉得对您有帮助请收藏以便随时查阅,最后祝您生活愉快业绩进步,以下为(完整)职工工资管理系统 uml 最新的全部内容。
面向对象的分析与设计课程结课大作业学号 5011111110学生姓名海仁妮萨·艾比布拉专业计算机科学与技术班级计算机民16—1塔里木大学教务处制《面向对象的分析与设计》课程结课作业职工工资信息管理系统1。
系统分析1. 1需求分析1. 1. 1 开发的意义传统人工的方式管理文件工资,这种管理方式存在着许多缺点,如;效率低、保密差、另外时间一长,将产生大量的文件和数据,给查找,维护和更新都带来了不少的麻烦,并且容易丢失。
因此,开发一个新型的计算机管理的职工工资管理系统对本来说非常重要。
1。
1。
2组织结构图单位职工工资管理信息系统主要是针对单位职工工资的数据库管理系统,目标是形成一套界面友好、功能齐全、使用方便的职工工资信息管理应用系统,其结构组织图如下:1. 1。
3 功能分析为了实现系统目标,系统必须具有各种功能,各子系统功能的划分如下:职工信息的浏览、编辑和查询。
包括职工编号,主键、性别、身份证号、工作证号、手机号码、工作岗位、职务、工资卡账号、工资金额等。
部门信息的浏览和查询。
包括部门编号,主键、部门名称、部门职能描述、上级部门编号等。
工资项目包括编号,主键、项目名称、固定值项目金额、计算值的公式等。
工资统计的功能即是对职工工资进行汇总。
包括编号、职工编号、统计年月、工资项目编号、工资项目金额。
本科生毕业论文(设计)题目:工资管理系统设计学号:姓名:年级:学院:系别:专业:完成日期:指导教师:摘要:本文从用计算机实现工资管理的角度出发,系统地介绍了为某所大学设计的一套网络环境的工资软件。
本文详细叙述了系统的功能、数据结构、概要设计、详细设计。
系统实现了职工信息、工资的录入、查询和修改,用户可定制报表,用户管理等功能。
系统的特点是采用B/S架构,整个系统的管理工作都集中在服务器端,运用多层软件架构确保了系统的扩展性和适用性。
服务器端主要运用servlets实现,客户端主要使用jsp实现。
关键字:工资管理系统,oracle的java存储过程,工资计算模块AbstractThis treatise bases on the managing of wage by computer and generally introduces a kind of wage managing software about internet environment for a certain university. It discusses the functions of the system, data structure, summary designing and particular designing in detials. The system implements the insert query of the employee's information and wage, the reports ,user management and so on. The specialty of the system is using B/S structure. The management of the system focus on the server. It uses several layers software structure to insure the applicability and the expansibility of the system. The server is mostly using servlets and, the client is jsp.Key Words:The management system of wage, the java stored procedure of oracle,the module of wage calculoation目录第一章绪论 (1)1.1 背景 (1)1.2 开发工具和运行环境的选择 (1)1.3 本文所做的工作 (2)第二章需求分析 (3)2.1 用户功能的需求分析 (3)2.2 功能划分 (4)2.3 数据描述 (5)2.4 数据采集 (9)2.5 数据库设计 (10)第三章概要设计 (14)3.1总体设计 (14)3.1.1基本概念设计 (14)3.1.2开发环境 (14)3.1.3软件结构 (15)3.2数据结构设计 (17)3.2.1全局变量定义 (17)3.2.2物理结构设计 (17)第四章详细设计 (19)4.1 登陆窗口设计 (19)4.1.1 功能说明 (19)4.1.2 实现方法 (19)4.2 主界面 (19)4.2.1 功能说明 (20)4.2.2 实现方法 (20)4.3职工信息录入 (20)4.3.1 功能说明 (21)4.3.2 实现方法 (21)4.4 职工信息的查询和修改 (21)4.4.1 功能说明 (22)4.4.2 实现方法 (22)4.5 课时工资信息的录入 (22)4.5.1 功能说明 (22)4.5.2 实现方法 (22)4.6 课时和工资信息的查询和修改 (23)4.6.1 实现方法 (23)4.7 工资结构的查看 (23)4.8工资结构的调整 (24)4.9 报表生成 (24)4.9.1 实现方法 (25)4.10 过滤器和监听器 (25)4.10.1 是否登陆过滤器 (25)4.10.2 编码过滤器 (25)4.10.3 用户监听器 (25)第五章毕业设计小结 (26)5.1目标完成情况和不足 (26)5.2总结和体会 (27)致谢 (28)参考文献 (29)附录 (30)附录一工资的计算公式 (30)附录二数据库表的结构 (30)附录三源代码 (34)1. oracle的java存储过程(工资计算模块) (34)2. 监听器(日志生成) (35)3.过滤器 (38)第一章绪论1.1 背景随着计算机技术的飞速发展,计算机在企业和大学管理中应用的普及,利用计算机实现人事工资的管理势在必行。
基于UML的工资管理系统——07计本(2)班200781088 袁春芬系统分析1.1任务分析工资管理系统的主要任务是通过工资费用的计算和分配,为成本核算与账务处理提供依据,并且根据工资制度和职工劳动数量与质量,计算并发放应该支付给职工的工资。
工资核算时工资管理的主要内容。
工资核算包括工资结算与工资分配两个方面。
工资结算是指应付工资、代扣款项和实发工资的计算;工资分配是指按部门、类别进行工资汇总,并按工资的用途对工资进行分配。
工资总额是指各单位在一定时期内支付给本单位全体职工的全部劳动报酬总额。
按照国家统计局的规定,工资总额有计时工资、计件工资、奖金、津贴和补贴、加班加点工资和特殊情况下支付的工资6部分组成,其中计时工资和计件工资是工资总额中最基本的部分。
上述工资构成要件所组成的工资总额只是应发工资,并非每个职工拿到手的实发工资,原因在于存在一些应扣项目,例如水电费、工会会费、保险费、公积金、病事假扣款、旷工扣款和个人所得税等。
在计算每个职工实发工资之前应在工资总额中扣除这部分款项,即有如下关系:应发工资= 基本工资+ 工龄工资+ 岗位津贴+ 固定补贴+ 加班加点工资+ 奖金扣款合计= 水电费+ 保险费+ 个人所得税+ 病假扣款+ 事假扣款+ 旷工扣款+ 其他扣款实发工资= 应发工资–扣款合计每个月财务部门根据人事部门提供的职工基本工资数据、所得税率和人事变动情况计算所有员工的基本工资信息,然后根据各个部门提供并审核后的各种表格,如完成任务表、考勤表、考核表、职工当月的扣款情况(包括水电费、病事假扣款等)等计算职工变动工资、个人所得税和应发放工资等,编制工资单。
按类进行汇总,编制工资汇总表。
将实发工资转入代发银行,由银行代发工资,并进行账务处理。
工资结算过程主要设计如下会计账户:现金、银行存款、应付工资、其他应付款、其他应收款等。
基于上述需求分析,工资管理系统的系统目标可归纳为以下几个方面:(1)收集、记录和存储有关人员和工资的数据。
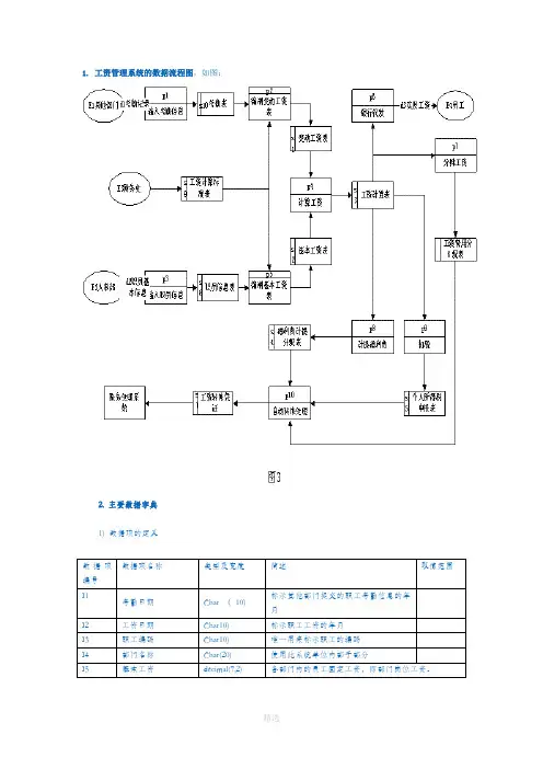
1.工资管理系统的数据流程图,如图:2. 主要数据字典1) 数据项的定义数据项编号数据项名称类型及宽度简述取值范围I1考勤日期Char ( 10) 标示其他部门提交的职工考勤信息的年月I2 工资日期Char10) 标示职工工资的年月I3 职工编码Char10) 唯一用来标示职工的编码I4 部门名称Char(20) 使用此系统单位内部子部分I5 基本工资decimal(7,2) 各部门内的员工固定工资,即部门岗位工资。
2)数据存储的描述数据存储编号数据存储名称简述数据存储组成相关联的处理S1 变动工资表记录职工变动工资的详细信息工资日期 + 职工编码 + 加班费 + 奖金 + 水电费 + 保险费 + 病假扣款 + 事假扣款 + 旷工扣款 + 其他扣款 + 个人所得税P2 、 p4S2 基本工资表记录职工固定工资的详细信息工资日期 + 职工编码 + 基本工资 + 工龄工资 + 岗位津贴 + 固定补贴P4 、 p5S3 工资计算表记录职工工资的详细信息工资日期 + 职工编码 + 职工姓名 + 个人账号 + 基本工资 + 工龄工资 + 岗位津贴 + 固定补贴 + 变动津贴 + 加班费 +奖金 + 应发工资 + 水电费 + 保险费 + 病假扣款 + 事假扣款 + 旷工扣款 + 其他扣款 + 个人所得税 + 扣款合计 + 实发工资P4 、p5 、p6 、p7 、p8 、 p9S4 福利费计提分配表记录职工福利费分配的详细信息日期 + 职工编码 + 部门编码 + 对应科目编码+ 金额P8 、 p10S5 个人所得税申报表记录职工个人所得税情况职工编码 + 职工姓名 + 所得期间 + 所得项目+ 收入额合计 + 费用额 + 应纳税所得额 + 税率 + 速算扣除数 + 扣缴所得税额P9 、 p10S6 工资费用分配表描述工资费用的分摊(来源)日期 + 职工编码 + 部门编码 + 对应科目编码+ 金额P7 、 p10S8 职员信息表职员基本信息职工编码 + 职工姓名 + 性别 + 人员类别 +部门编码 + 部门名称 + 岗位编码 + 岗位名称+ 职称 + 工龄 + 个人账号 + 联系电话P3 、 E3S9 工资计算标准表设置职工工资项目金额标准基本工资计算标准 + 变动工资计算标准E3 、 P2S10 考勤表记录职工考勤信息情况考勤日期 + 职工编码 + 加班天数 + 病假天数+ 旷工天数 + 事假天数;P1 、 P23)数据流的描述数据流编号数据流名称简述数据流来源数据流去向数据流组成数据流量高峰流量D1 考勤记录输入的企业所有职工的考勤信息E1 P1 考勤日期 + 职工编码 +加班天数 + 病假天数 +旷工天数 + 事假天数;1 次/ 月1 次/ 月D1 人事基本信息描述人事基本信息E2 P3 职工编码 + 职工姓名 +性别 + 人员类别 + 部门编码 + 部门名称 + 岗位编码 + 岗位名称 + 职称+ 工龄 + 个人账号 + 联系电话1 次/ 月1 次/ 月4) 处理的描述处理逻辑编号处理逻辑名称输入的数据流处理逻辑的描述输出的数据流处理频率P1 输入考勤信息D1 其他部门汇总的考勤信息由其他部门的负责人每个月按期输入企业所有职工的考勤信息S11 考勤表1 次/ 月P2 编制变动工资表S9 工资计算标准表 ;s11 考勤表财务处根据其他部门的负责人输入的职工考勤等考勤信息,以及工资计算标准表中设置的金额计算出企业每个职工的加班费、病假扣款、事假扣款、旷工扣款等金额,并编制变动工资表。
******有限公司企业管理文件
工资核算管理流程
一、目的:建立一个工资核算的管理流程。
二、适用范围:车间工人计件工资的核算。
三、责任者:生产技术部统计员对本流程程负责。
四、时间控制:
五、工资核算管理流程图(附后)
六、工资核算管理流程描述
(一)收集资料
→车间负责人对从工班收上来的考勤表进行审核、整理后,连同相关的报告上交生产技术部。
→生产技术部统计员对考勤表、相关报告、当月产量进行分类、整理。
(二)审核,制表
→统计员审核考勤表及相关资料后,结合当月产品产量进行工资核算,并制成计件工资表及工资补充表。
计件工资表的内容包括月产品入库量、每箱单价、该产品工资总额及应发工资总额。
注:每箱单价为所有工序的总工资价。
(三)审核、签字
→车间主任对计件工资表和补充表进行审核,确认准确无误后签名。
→质量管理部对产品质量情况确认后签名。
→设备工程部签名确认设备正常使用。
→生产部长签名确认消耗定额正常,并无安全事故发生,同时复核。
→人力资源部审核、批准,将表交给车间。
(四)分配工资
→计件工资表和补充表经过层层审核后,由车间把工资分配到个人。
→生产技术部统计员统计每个工人工资并输入电脑制成表,上交人力资源部。
→人力资源部发放工资。
附:
工资核算管理流程图。
工资管理系统流程图工资管理系统流程图篇一:企事业工资管理系统业务流程图(方) 企业人事工资管理系统需求分析一.人事档案管理1、基本档案信息的建立2、其他辅助档案信息的建立与管理:二、人事档案综合查询1、选择查询条件:2、查询结果显示方式选择3、查询结果输出三.工资项目及计算公式设置1、设置工资项目 2 、工资项目代码为软件固定代码,不可修改,工资项目代码同时作为工资计算公式依据3、工资计算公式设置4、计算公式审核5、个人所得税计算公式设置四.工资录入管理1、设置或修改工资项目及计算公式2、工资录入3、转入计件工资、计时工资数据4、人员审核整理5、数据批量处理五.工资查询打印1、员工工资明细查询2、部门工资汇总查询六.工资统计分析1、员工工资统计分析2、部门工资统计分析3、年工资分析统计图企事业工资管理系统评价管理业务流程图 1.人事档案管理人事管理是员工基本信息的录入:人事档案管理流程图档案更新:包括对人事档案的修改,删除,增加(新建档案)档案查询:可以按姓名、职称或任意条件查询个人或一部分人的情况;档案统计:按多种条件进行数据统计并显示,包括统计学历、职称、年龄、政治面貌等。
档案输出:可以输出个人档案,全部档案,花名册,团员名册,党员名册等1.1工资管理人事管理系统2.工资管理工资管理流程图创建工资表:通过输入的年月来完成对员工工资表的创建,创建工资表是将系统中其它的数据库表中的数据关联起来,综合得到的员工的某年月的工资。
工资查询:可按员工编号和年月等进行员工工资状况查询;工资统计:按多种条件进行数据统计并显示。
工资输出:可以输出个人工资单,或输出全体人员工资汇总清单。
本系统的输入报表是通过导出到excel完成报表的。
2.2职工工资管理考勤管理流程图考勤表的创建:按照年月对考勤表完成初始化创建。
考勤维护: 考勤表创建时初始化数据暂时为0,其中的字段的值需要通过考勤表维护功能来进行修改。
考勤查询: 按姓名或员工编号查询个人出勤情况。