劳动用工备案登记表
- 格式:doc
- 大小:35.50 KB
- 文档页数:3
劳动用工备案登记表
说明:1.单位名称和地址一栏,填写工商登记或有关机关批准文件的单位名称和住所;2.单位性质一栏,在相应的□内打“√〞;3.财富类型一栏,在相应的□内打“√〞;4.法定代表人或负责人一栏,具有法人资格的单位,填写法定代表人有关情况;不具有法人资格的分支机构,填写单位负责人有关情况;5.工商登记一栏,领取工商执照的单位填写;6.批准成立一栏,不经工商登记设立的单位填写;
7.主管局部或总机构一栏,有上级主管局部或是分支机构的单位填写;8.隶属关系一栏,填写企业的所属关系;9.主要业务范围一栏,填写单位出产经营、效劳和营业执照核准的主要业务。
内容总结〔1〕劳动用工备案登记表
说明:1.单位名称和地址一栏,填写工商登记或有关机关批准文件的单位名称和住所
〔2〕劳动用工备案登记表
说明:1.单位名称和地址一栏,填写工商登记或有关机关批准文件的单位名称和住所
〔3〕9.主要业务范围一栏,填写单位出产经营、效劳和营业执照核准的主要业务。
附件2劳动用工备案登记表(年度) 甘肃省人力资源和社会保障厅制用人单位名称(盖章)住所地登记注册类型国民经济行业组织机构代码证号法定代表人职务单位人事劳资机构职务负责人联系电话邮政编码填报人填报时间(一)劳动用工基本情况职工人数(人)其中:男职工数(人)女职工数(人)16——18周岁职工数(人)使用台港澳外籍人员数(人)使用劳务派遣人员数(人)使用兼职人员数(人)本年度新招用职工数(人)本年度解除劳动合同人员数(人)(二)劳动合同签订情况签订劳动合同人数(人)农业户口签订合同人数(人)签订集体合同情况集体合同起止日期(三)工作时间实行工时制(正常、不定时、综合计时制)职工日工作时间(小时)职工日平均加班时间(小时)职工月平均加班时间(小时)(四)职工工资发放情况(元)上年度企业工资总额(元)上年度职工年平均工资(元)上年度职工最低工资(元)欠发职工工资情况(元)(五)参加社会保险情况参加养老保险人数(人)参加失业保险人数(人)参加医疗保险人数(人)参加工伤保险人数(人)参加生育保险人数(人)(六)休息休假用人单位法定代表人用人单位人力资源部门负责人(签字)(签字)年月日年月日审核意见年月日民办职业培训学校年检评估报告表(年度)学校名称(盖章)法定代表人(签名)办学许可证编号联系人联系电话甘肃省人力资源和社会保障厅制填表说明一、本表根据《中华人民共和国民办教育促进法》、《中华人民共和国民办教育促进法实施条例》的有关规定印制。
二、本表由民办职业培训学校填写,一式二份,民办职业培训学校、审批机关各一份。
三、本表是人力资源和社会保障行政部门对民办职业培训学校进行年检评估的主要资料,民办职业培训学校必须如实填写,按时报送。
四、本表一律用电脑打印或用钢笔、毛笔填写,字迹清楚、工整,如填写内容较多,可另加A4纸的附页。
信用承诺本表所填报的各项数据、情况是经过认真统计、审核的,我们确认其真实、客观、有效。
填报人(签字)法定代表人签字年月日学校名称法定代表人通讯地址邮政编码从业人员情况党员情况行政后勤管理人数专职兼职专职人员党员党员数专业理论教师人数专职兼职实习指导教师人数专职兼职人数兼职人员党员数合计专职兼职年度培训男性在职人员农村劳动力培总人数女性就业前人员下岗失业人员训培训项目培训人数培训时间选用教材取得培训证书人数情况培训项目收费标准收费依据收费许可证编号收费情况高级以上中级初级职业工种参加人数合格人数参加人数合格人数参加人数合格人数职业技能鉴定情况小计内容上年情况现有情况办学场地面积(m2)办学条件实验实习设备(台)情况实习工位(个)固定资产(万元)本年度总收入(万元)培训收入经费本年度总支出(万元)硬件投资广告费用情况提留的发展基金金额取得回报金额承接项目名称购买主体政府培训任务培训人数资金总额情况招生广告等有关事项备案情况本年度奖惩情况档案资料整理情况主管部门意见盖章年月日备注WORD格式年度工作总结专业资料整理WORD 格式专业资料整理单位(社区)编号单位(社区)名称个人资料(以二代身份证为准)姓名性别(贴照片)职业民族身份证号码生出日期2寸免冠白底彩色证件照证件有效期限签发机关联系电话手机号码详细通讯地址户口性质(单选) 10:非农业;20:农业;30:港澳台人员;40:外籍人员10:不限11:博士12:硕士21:大学22:大专以上文化程度(单选)31:大专32:中专以上40:中专中技50:技校61:高中62: 职高63:职专70:初中80:小学90:文盲或半文盲99:其他婚姻状况(单选)1:未婚;2:已婚;3:丧偶;4:离婚;9:未知邮政编码请认真填写以上个人信息,并同意用于办理相关银行卡。
解除(终止)劳动合同职工备案登记表解除(终止)劳动合同职工备案登记表
姓名性别
文化程度民族
照片
政治面貌婚否
工种,职务, 户籍
技术等级职称出生时间参加工作时间身份证号
现住址
工作
简历
用人单
,印章, 位意见
年月日
职工从年月日起离开该劳动行用人单位。
政部门,印章, 确认年月日备注:此表一式二份~一份由劳动保障行政部门留存备案~一份由用工单位为职工办理社会保险等手续后连同职工招收、转移证明材料装入职工本人档案。
,注:由市劳动保障局统一监制,。
—1—
—2—。
劳动用工备案登记表
填报单位(盖章):编号:
填表说明:
1、登记注册类型:1.国有企业;2.集体企业;3.股份有限公司;4.私营企业;5.外商投资企业;6.港澳台商投资 企业;7.其他企业。
2、国民经济行业:1.农、林、牧、渔业;2.采矿业;3.制造业;4.电力、燃气及水的生产和供应业;5.建筑业;6.交通运输、仓储及邮政业;7.信息传输、计算机服务和软件业;8.批发和零售业;9.住宿和餐饮业;10.金融保险业;11.房地产业;12.租赁和商务服务业;13.科学研究、技术服务和地质勘查业;14.水利、环境和公共设施管理业;15.居民服务和其他服务业;16.教育;17.卫生、社会保障和社会福利业;18.文化、体育和娱乐业;19.公共管理和社会组织;20.国际组织。
3、隶属关系:1.中央;2.省属;3.市属;4.区县属;5.其他。
4、职工人数:包括正式工、合同制职工、临时工和农民工。
本表及花名册一式两份
5、本表所有栏目均需填报,缺空无效。
人力资源用工备案登记表1. 基本信息
员工姓名:[员工姓名]
性别:[性别]
出生日期:[出生日期]
身份证号码:[身份证号码]
联系[联系电话]
邮箱:[邮箱]
家庭住址:[家庭住址]
2. 就业信息
所属部门:[所属部门]
岗位名称:[岗位名称]
职务:[职务]
用工形式:[用工形式]
劳动合同期限:[劳动合同期限] 试用期限:[试用期限]
薪资待遇:[薪资待遇]
3. 教育背景
最高学历:[最高学历]
毕业院校:[毕业院校]
专业:[专业]
4. 工作经历
工作单位:[工作单位]
工作岗位:[工作岗位]
工作起止时间:[工作起止时间]
5. 健康状况
是否患有传染病:[是否患有传染病]
是否有身体残疾:[是否有身体残疾]
6. 其他事项
其他需要说明的事项:[其他需要说明的事项]
7. 申请人签名
申请人签名:[申请人签名]
日期:[日期]
---
以上为人力资源用工备案登记表,请填写完整并签名后提交。
感谢您的配合!
注意:本登记表将作为人力资源管理的重要依据,请务必如实填写。
如有任何虚假陈述或隐瞒事实,将承担相应的法律责任。
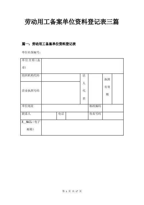
劳动用工备案单位资料登记表三篇篇一:劳动用工备案单位资料登记表单位社保编号:填报,就业服务管理机构和用人单位各留存一份。
篇二:劳动用工备案单位资料登记表登记日期:年月日填表说明: 1、本表为劳动力在就业服务机构首次申领《XX省就业失业手册》时填写。
2、凡项目内印有内容的,可根据实际情况选择打“ ”。
3、请申办人如实填写表中信息。
XXX失业登记表登记日期:年月日填表说明:1. 请申办人本人如实填写,初次登记人员还须填写《XXX劳动力资源登记表》。
2. 凡项目内印有内容的,可根据实际情况选择打“ ”或在“其他”项中填写。
3. 如有特殊说明,可在“备注”项中填写。
受理号:申请补发《XX省就业失业手册》登记表编号:填表日期:年月日填表说明:1.此表为劳动者申请补换《XX省就业失业手册》时填写。
2.“申领类别”一栏请打“ ”选择或在“其他”项中填写。
3.如有特殊说明,可在“备注”项中填写。
4. 请申办人如实填写表中信息填表说明1、本表为劳动者办理就业登记和参/停社会保险(或用人单位办理劳动用工备案以及社保增减员)手续时填写。
请如实填写,如有变更及时告知受理机构调整。
(其中,○符号为公共必填项、☆符号为劳动用工备案和就业登记必填项、△符号为社保增减员必填项。
)2、此表一式三份,由用人单位、办理登记备案的就业服务机构、社会保险经办机构分别留存。
3、用人单位与劳动者签订劳动合同后,由劳动者在备注项签名确认。
4、用人单位招用本市户籍失业人员的,须填写失业登记号码。
5、户口性质代码:10.本市城镇 11.本市农村 20.外地城镇 21.外地农村 30.本市农场 31.外地农场 40.蓝印户口 50.番禺城镇 51.番禺农村60.花都城镇 61.花都农村 70.增城城镇 71.增城农村 80.从化城镇 81.从化农村。
6、政治面貌代码:01.中共党员 02.中共预备党员 03.共青团员 04.民革会员 05.民盟盟员 06.民建会员 08.农工党党员 09.致公党党员 10.九三学社社员 11.台盟盟员 12.无党派民主人士 13.群众。
公司员工劳动合同备案表一、劳动合同基本信息1.甲方(用人单位)名称:____________2.乙方(劳动者)姓名:____________3.性别:____________4.身份证号码:____________5.出生日期:____________6.家庭住址:____________7.联系电话:____________8.入职日期:____________9.劳动合同期限类型:____________(1)固定期限:自____年__月__日起至____年__月__日止(2)无固定期限:自____年__月__日起至(3)以完成一定工作任务为期限:自____年__月__日起至任务完成之日止10.试用期:自____年__月__日起至____年__月__日止11.工作内容:____________12.工作地点:____________13.工作时间和休息休假:____________14.劳动报酬:____________15.社会保险:____________16.劳动保护、劳动条件和职业危害防护:____________17.其他事项:____________二、甲方(用人单位)声明1.甲方依法成立,具备合法经营资格。
2.甲方依法为乙方提供劳动条件,保障乙方合法权益。
3.甲方已依法为乙方办理社会保险手续,确保乙方社会保险待遇。
4.甲方承诺遵守国家有关劳动法律法规,履行劳动合同约定的各项义务。
三、乙方(劳动者)声明1.乙方提供的个人信息真实有效,如有虚假,愿承担相应法律责任。
2.乙方自愿接受甲方工作安排,认真履行岗位职责,按时完成工作任务。
3.乙方同意遵守甲方规章制度,服从甲方管理。
4.乙方已充分了解劳动合同内容,确认无异议。
四、合同签订日期:____年__月__日五、合同签订地点:____________六、附件:1.甲方营业执照副本复印件2.乙方身份证复印件3.社会保险缴纳证明复印件4.其他相关文件七、双方签字:甲方(用人单位):____________乙方(劳动者):____________法定代表人或授权代表:____________签订日期:____年__月__日注:本劳动合同备案表仅供参考,具体内容请根据实际情况和当地劳动法律法规进行调整。
附件2
劳动用工备案登记表
( 年度)
甘肃省人力资源和社会保障厅制
民办职业培训学校年检评估报告表
(年度)
学校名称(盖章)
法定代表人(签名)
办学许可证编号
联系人联系电话
甘肃省人力资源和社会保障厅制
填表说明
一、本表根据《中华人民共和国民办教育促进法》、《中华人民共和国民办教育促进法实施条例》的有关规定印制。
二、本表由民办职业培训学校填写,一式二份,民办职业培训学校、审批机关各一份。
三、本表是人力资源和社会保障行政部门对民办职业培训学校进行年检评估的主要资料,民办职业培训学校必须如实填写,按时报送。
四、本表一律用电脑打印或用钢笔、毛笔填写,字迹清楚、工整,如填写内容较多,可另加A4纸的附页。
信用承诺
本表所填报的各项数据、情况是经过认真统计、审核的,我们确认其真实、客观、有效。
填报人(签字)
法定代表人签字
年月日
庆阳市社会保障卡申领登记表。
劳动保障监察年审登记表登记单位: (盖章)单位性质:单位地址:法人代表:注册机关:人事负责人:联系方式:(办公座机)(手机)开户银行:开户帐号:填表日期年月日《劳动保障监察年审登记表》填表说明为了方便用人单位准确填报,对表中的内容做如下说明:一、登记单位:填写受审查单位全称,并加盖公章。
设有分支机构,有独立营业执照应分别填写年审登记表。
二、单位性质:用人单位分以下类型:国有企业、城镇集体企业、股份制企业、有限公司、外商投资企业、港澳台投资企业、民营企业、私营企业、个体经济组织、民办非企业单位、国家机关、事业单位、社会团体、其他用人单位。
三、法人代表:以营业执照、批准文件、任命文件为准。
四、注册机关:指工商营业执照注册机关或许可证注册机关。
五、单位地址:单位营业执照地址和实际地址不一致的,填写实际地址。
六、本表填写的数据以上一个年度为准。
七、用人单位只需要填写封面及1、2页内容,评分标准由审查单位填写。
一、职工构成及用工管理情况12345678本单位职工人数女职工人数未成年工人数(年龄16周岁到18周岁间的员工)残疾职工人数离退休人员数(本单位负担的离退休人员人数)与其它单位存在劳动关系的职工人数聘用退休人员人数职工持有相应的职业资证书人数一、职工构成及用工管理情况二、劳动合同订立及履行情况910111212345是否制定了内部管理规章制度是否收取职工的保证金是否建立保存职工录用登记材料是否按规定签订集体合同应签订劳动合同人数(年末数)实际签订劳动合同人数(年末数)解除和终止劳动合同人数(全年数)签订、解除和终止劳动合同是否到劳动行政部门备案解除和终止劳动合同是否给予经济补偿或生活补助三、社会保险办理情况1234567应办理社会保险职工人数(年末数)实际办理社会保险职工人数(年末数)年应缴保险费金额(单位:万元)实际缴纳保险费金额(单位:万元)欠缴社会保险费金额(单位:万元)新增办理社会保险职工人数新增缴纳社会保险费金额(单位:万元)四、工资支付情况五、工作时间与休息休假情况12345123456有无克扣和无故拖欠职工工资情况职工工资有无低于最低工资标准是否建立工资集体协商制度并实施是否依法建立和向职工公布企业工资支付制度是否建立工资支付台帐并向职工提供工资清单是否执行国家休息休假制度每日工作小时数有无加班或延长工作时间的情况加班或延长工作时间是否按规定计酬是否按规定安排员工年休假或支付加班工资实行非标准工时制是否报劳动行政部门批准得分:审查人员(签字):贵阳市劳动保障监察年度审查评分标准项 目内 容标 准分值得分1、规章 制度1.1 按规定制定了内部劳动管理的规章制度1. 有制度2. 无制度21.2 所制定的规章制度1. 符合规定2. 不符合规定20 1.3 规章制度向职工公示或告知情况1. 已公示或告知2. 未公示或告知12、劳动用工2.1 是否建立保存职工录用登记材料1. 建立、保存2. 部份保存3. 未保存310 2.2 是否建立职工名册备查1. 建立2. 未建立20 2.3 劳动用工备案情况1.已备案2.未备案32.4 是否按规定签订集体合同1.签订2.未签订22.5 年度内是否存在劳动监察部门查实的违法1. 不存在2. 存在4行为2.6 用人单位在招工时未向劳动者收取或变相收取保证金(物)、抵押金(物)、以及扣押个人证件1. 未收取2. 已收取42.7 按比例安排残疾人就业或交纳残疾人就业保障金1. 符合要求2. 不符合要求1贵阳市劳动保障监察年度审查评分标准项 目内 容标 准分值得分3.1 已按规定与劳动者订立劳动合同1. 已按规定全部订立2. 部份订立3. 未订立423.2 劳动合同必备条款是否齐全1. 齐全2. 不齐全23、劳动合同3.3 与劳动者解除或终止劳动合同符合规定,并按规定给予经济补偿1. 按规定2.未按规定33.4 是否将劳动合同给员工一份 1. 已给2. 未给203.5 解除劳动合同是否按规定出具解除劳动关系的书面证明及转移相关手续1. 按规定2. 未按规定34、休息、休假、女职工和未成年人的特殊劳动保护4.1 劳动者工作时间是否符合国家规定 1. 符合要求2. 不符合204.2 执行非标准工时制是否经过批准 1. 已批准2. 未批准20.3 是否执行国家带薪年休假制度 1. 执行2. 未执行20成年人从事禁忌的劳动1. 符合规定2. 不符合规定20贵阳市劳动保障监察年度审查评分标准项 目内 容标 准分值得分5、劳动工资5.1 用人单位有无故意拖欠劳动者工资1. 未拖欠2. 部份拖欠3. 拖欠420 .2 用人单位有无克扣劳动者工资1. 未克扣2. 克扣25.3 用人单位支付劳动者工资有无低于当地最低工资标准1. 未低于2. 低于25.4 按规定支付劳动者超时工资和节假日加班工资1. 按规定2. 部分按规定3. 未支付525.5 建立公布工资支付制度情况1. 建立2. 未建立25.6 是否建立工资集体协商制度并实施1. 建立并实施2. 建立未实施3.未建立215.7 建立工资支付台帐 1. 建立并提供3情况和向职工提供工资清单情况 2. 建立未提供3.未建立、未提供20贵阳市劳动保障监察年度审查评分标准项 目内 容标 准分值得分6、社会保险6.1 办理社会保险登记参保手续情况1. 符合要求2. 基本符合要求3. 不符合要求5306.2 申报缴费数额情况1. 符合要求2. 基本符合要求3. 不符合要求5206.3 代扣代缴社会保险费情况1. 符合规定2. 部分符合规定3. 不符合规定5206.4 拖欠社会保险情况1. 没有拖欠2. 拖欠506.5 向职工公布本单位缴费情况1. 公布2. 未公布206.6 用人单位按时参加基数审核,提供数据资料真实1. 参加真实2. 参加不真实3. 不参加42定按时报送花名册,数据正确1. 符合要求2. 部分符合要求3. 未报送427、职业培训和技能鉴定制度1. 符合要求2. 不符合要求20格证书情况1. 持有2. 部分持有3. 未持有21。
附件1用人单位劳动用工备案登记表(样式)组织机构代码:□□□□□□□□□—□工商登记执照号码:单位名称:单位类型:□企业□国家机关□事业单位□社会团体□个体经济组织□民办非企业单位□其他所属行业:□农、林、牧、渔业□采矿业□制造业□批发和零售业□电力、燃气及水的生产和供应业□建筑业□交通运输、仓库和邮政业□信息传输、计算机服务和软件业□住宿和餐饮业□金融业□房地产业□租赁和商务服务业□科学研究、技术服务和地质勘查业□水利、环境和公共设施管理业□居民服务和其他服务业□教育□卫生、社会保障和社会福利业□文化、体育和娱乐业□公共管理和社会组织□国际组织□其他经济类型:□国有全资□集体全资□股份合作□联营□有限责任(公司)□股份有限(公司)□私有□其他内资□港、澳、台投资企业□国外投资□其他法定代表人:联系人:联系电话:隶属关系:□中央□省、市、地区□县□街道、镇、乡□居民、村委会□其他注册登记地行政区:登记注册地街道:注册登记详细地址:邮政编码:□□□□□□是否劳务派遣单位:□是□否单位成立日期:经营期限(年):经营地址:是否已建立工会:□是□否是否签订集体合同:□是□否隶属单位:用人单位责任人签名(盖章):申请单位盖章处日期:年月日以下由经办部门审核后填写经办人签名(盖章):盖章处日期:年月日—1—附件2职工劳动用工备案登记表(样式) 单位名称:组织机构代码:—2——3—附件3劳动用工备案登记表(样式)单位名称:组织机构代码:表格填写要求如下:1、户口性质选填:非农业户、农业户、港澳台、外籍、其他;2、文化程度选填:博士、硕士、大学、大专、中专、技校、职高、小学、文盲;3、职工类别选填:在岗人员、本单位内退人员、劳务派遣人员、离退休返聘人员、在校学生、其他;4、用工形式选填:全日制、非全日制;5、合同期限选填:固定期限、无固定期限、以完成一定任务为期限。
—4—。
劳动合同备案登记模板
一、合同备案登记流程
1. 申请方填写劳动合同备案登记表格,包括个人信息、合同信息、公司信息等内容。
2. 将填写完整的表格提交到当地劳动人事局劳动合同备案登记处。
3. 工作人员审核表格信息,如有不完整或错误之处,会要求申请方进行修改。
4. 合同备案登记处将合同信息录入系统进行备案。
5. 申请方领取劳动合同备案登记证明。
二、合同备案登记表格
个人信息
姓名:
性别:
身份证号:
联系电话:
合同信息
合同类型:固定期限合同/无固定期限合同
合同期限:
工作地点:
工作职责:
工资待遇:
公司信息
公司名称:
公司地址:
联系电话:
法定代表人:
三、注意事项
1. 申请方需确保填写的个人信息真实有效,一经发现虚假信息将会取消备案资格。
2. 合同信息需与实际劳动合同内容保持一致,不得有任何涂改或虚假内容。
3. 申请方需如实填写公司信息,并确保公司为正规注册企业。
4. 申请方应在规定时间内领取备案登记证明,如逾期未领取将影响劳动合同的合法性。
5. 如有任何疑问或需进一步咨询,欢迎联系劳动合同备案登记处工作人员。
以上为劳动合同备案登记模板,申请方在备案登记时可根据实际情况填写相关内容。
劳动合同备案登记是保障劳动者权益的重要举措,希望申请方认真填写相关信息,确保合同备案的合法有效性。
如有需要,可向劳动合同备案登记处工作人员咨询。
祝申请顺利通过备案登记!。
雇佣用工备案登记表
说明
该文档是用于雇佣公司员工的备案登记表,用于记录雇佣的基本信息和相关事项的登记。
在雇佣员工前,雇主应填写此表格并妥善保管。
以下是该表格的详细内容。
基本信息
- 公司名称:
- 公司地址:
- 邮政编码:
- 雇主名称:
- 联系
- 公司注册号:
- 雇佣开始日期:
雇员信息
- 姓名:
- 性别:
- 出生日期:
- 身份证号码:
- 家庭地址:
- 联系
- 学历:
- 婚姻状况:
- 紧急联系人姓名:- 紧急联系人
职务及薪资
- 雇佣职务:
- 薪资标准:
- 结算周期:
- 薪资支付方式:
工时与休假
- 每日工作时间:
- 每周工作时间:
- 休息日:
- 法定节假日:
- 年休假天数:
- 病假、事假等其他假期:- 休假规定:
其他事项
- 社会保险购买情况:
- 养老保险:
- 医疗保险:
- 失业保险:
- 工伤保险:
- 生育保险:
- 其他附加福利:
- 员工守则及惩罚细则:
请在填写完表格后,雇主与员工双方签字确认,并将该表格妥
善保存在公司档案中。
以上为《雇佣用工备案登记表》的内容,请根据实际情况填写。
如有需要,可联系我获取进一步的帮助和指导。
填表说明:
1、本表中填写的内容将作为单位综合保险登记和申请综合保险卡时所需的单位资料。
2、填写本表前请认真阅读《〈建设银行综合保险缴费卡〉管理办法》。
3、各栏填写要求:
(1)“单位名称(全称)”,应完整填写单位名称。
(2)“单位组织机构代码”,为9位数,请分别填入9个空格内。
(3)“单位生产经营地址”,将单位生产经营地址填入本栏内。
(4)“所在区县”,指单位生产经营地址所在的区县。
(5)“单位与邮寄地址”,请将单位邮寄地址填入本栏内。
(6)“联系人”、“联系电话”、“邮政编码”按实填写。
(7)“单位类别”、“单位性质(登记注册类型)”、“隶属关系”,按本单位实际情况,选择对应内容前“□”,并在“□”内打“√”。
(8)“法定代表人(负责人)”、“身份证号码”,填写法定代表人或负责人姓名及身份证号码。
(9)“营业执照注册号或事业单位法人代码”,企业填写营业执照注册号,事业单位填写事业单位法人代码。
(10)“企业标识码”、“工商登记执照种类”、“注册地所在区县”、“注册地址”、“注册日期”“注册有效期限(年)”、“工商执照或证件批准单位名称”、“批准日期”按实填写。
(11)“开户银行名称”、“开户银行帐号”,填写本单位开户银行名称,开户银行帐号。
4、送交本表时,请附上工商营业执照副本、企业法人代码证(或组织机构代码证)、单位基本帐户开户许可证的复印件。
5、本表在填写时,若有不明事项,请与受理单位综合保险登记的区县外地劳动力管理所工作人员联系。
本表加盖印章后生效。
由受理登记的区县外地劳动力管理所留存。
农民工名册备案表一、农民工基本信息农民工姓名:性别:身份证号码:民族:出生日期:住址:联系电话:文化程度:婚姻状况:政治面貌:健康状况:户籍所在地:户口性质:二、工作经历工作单位:单位性质:所在部门:工种:所在地区:工作岗位:用工形式:入职时间:离职时间:离职原因:劳动合同签订情况:三、工资和福利劳动报酬:工资发放形式:劳动保险:养老保险:失业保险:医疗保险:生育保险:住房公积金:其他福利待遇:四、安全和职业健康安全教育培训情况:职业病防护措施:工作场所环境和设施:事故和伤害记录:劳动保护用品配备情况:职业危害防护设施:五、社会保障和权益保护社会救助:回乡创业帮扶:劳动保障监察:用工单位责任:劳动争议仲裁处理:劳动仲裁裁决结果:劳动合同签订和解除情况:经济补偿和赔偿:六、其他相关事项备注:(说明:以上信息属实,并经本人签字确认)农民工签名:年月日以上是农民工名册备案表,用于记录和管理农民工的基本信息、工作经历、工资和福利、安全和职业健康、社会保障和权益保护等相关内容。
该备案表的目的在于保护农民工的合法权益,提供便利的信息管理和监督,确保农民工在劳动过程中得到应有的保护和待遇。
农民工作为城乡劳动力的重要组成部分,在城市建设、工业生产、服务业等各个领域发挥着重要作用。
然而,由于农民工群体的特殊性,其中存在一些问题,如工资拖欠、劳动条件不良、社会保障不完善等。
因此,建立农民工名册备案表,对于保障农民工的权益和加强管理具有重要意义。
在农民工名册备案表中,首先记录了农民工的基本信息,包括姓名、身份证号码、出生日期、住址等,这些信息是核实农民工身份和管理的重要依据。
接下来,工作经历部分记录了农民工曾经从事的工作单位、工作岗位、入职时间等内容,借助这些信息可以了解农民工的劳动经历和就业状况。
另外,工资和福利部分记录了农民工的劳动报酬、工资发放形式以及各种保险和福利待遇的情况。
这些内容对于评估农民工的经济待遇和权益保障至关重要。
精心整理附件2
劳动用工备案登记表
(年度)
甘肃省人力资源和社会保障厅制用人单位名称
(盖章)
住所地
登记注册类型
国民经济行业
组织机构代码证
号
法定代表人职务
职务
单位人事劳资机
构负责人
联系电话邮政编码
填报人填报时间
(一)劳动用工基本情况
职工人数(人)
其中:男职工数(人)
女职工数(人)
16——18周岁职工数(人)
使用台港澳外籍人员数(人)
使用劳务派遣人员数(人)
使用兼职人员数(人)
本年度新招用职工数(人)
本年度解除劳动合同人员数(人)
(二)劳动合同签订情况
签订劳动合同人数(人)
农业户口签订合同人数(人)
签订集体合同情况
集体合同起止日期
(三)工作时间
实行工时制(正常、不定时、综合计时制)职工日工作时间(小时)
职工日平均加班时间(小时)
职工月平均加班时间(小时)
(四)职工工资发放情况(元)
上年度企业工资总额(元)
上年度职工年平均工资(元)上年度职工最低工资(元)欠发职工工资情况(元)(五)参加社会保险情况
参加养老保险人数(人)
参加失业保险人数(人)
参加医疗保险人数(人)
参加工伤保险人数(人)
参加生育保险人数(人)(六)休息休假
用人单位法定代表人
(签字)
年月日用人单位人力资源部门负责人(签字)
年月日
审核意见
年月日。