无线网卡错误代码
- 格式:doc
- 大小:104.50 KB
- 文档页数:7
联通无线网卡使用问题详解〔二〕使用问题1.拨号上网和通话不能同时进行是什么原因?目前,无线上网卡暂时不支持数据业务和语音业务并发功能。
2.电脑出现提示"需检查无线上网卡",是什么原因?该怎么办?是因为无线网络连接信号出现中断,重新启动应用程序或者拔出卡再插进去并重新启动网卡拨号程序即可。
3.出现提示"端口错误"又是什么原因?出现此错误提示是因为:〔1〕无线上网卡端口非正常关闭;〔2〕无线上网卡没有插好;〔3〕网卡的端口被禁用。
一般只需重新插一次卡并等待约10秒钟〔因为电脑识别网卡需要10秒钟左右〕再重新启动网卡拨号程序即可。
4.运行程序,无法翻开端口原因:1.无线网卡设备未正确识别2.端口驱动识别错误解决方法:〔1〕右击“我的电脑/属性/硬件/设备管理器〞。
“调制解调器〞,查看无线网卡是否正确安装;“端口(COM和LPT)〞,查看端口设置是否和网络连接里面显示的一样;〔2〕a.无线网卡设备未正确识别。
可能与其他Modem有冲突,先把之前的疑心有冲突的Modem停用或卸载〔最好卸载〕,再把要安装的无线网卡设备卸载,重新安装。
再把要安装的无线网卡设备卸载,重新安装。
b.端口错误。
卸载无线网卡,重新安装试试。
〔2〕a.如以上方法不能解决,可以把系统复原到一个干净的复原点。
b.把疑心有冲突的“调制解调器〞设备停用,然后安装无线网卡。
或者卸载网卡及拨号程序,重新安装。
5.运行拨号程序,提示找不到无线上网卡。
原因:和其他的Modem有硬件冲突或者驱动程序的冲突。
解决方法:停用有冲突的“调制解调器〞,重新安装。
4.原来可以正常使用,突然无法连接上网,系统提示密码错误,该如何解决?系统软件出现错误。
需要重新设置CDMA无线上网卡拨号选项,其中拨号接入号为"#777" ,用户名和密码为"card" ,然后重新连接即可。
5.已连接上网正常浏览网页,没有提示断开连接,却突然无法使用网络,是什么原因?〔1〕可能是网络连接休眠或断开。
1开头错误代码主要为网络故障代码1302错误提示:连接服务器失败,请稍后再试一次。
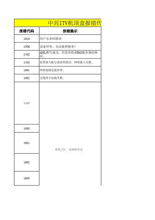
故障原因:1、EPG主页地址没有通过有效性检测;2、针对EPG主页地址的域名解析失败;3、多次重试连接EPG主页地址失败,无法与其建立连接处理方法:1.新开户的机顶盒请检查机顶盒的主认证服务器地址是否配置正确2.配置的地址为域名方式,可以通过Monitor工具连5030端口查看日志,确认是否域名解释失败3.检查机顶盒实际连接边缘EPG的MTU值的设置是否正确1305错误提示:非常抱歉,网络接入失败!请稍后再试一次,如果仍然失败,请拨打客户服务热线进行咨询故障原因:故障原因:1、DHCP服务没有能够获得有效的IP地址;2、DHCP/DHCP+协议交互收到服务器返回的错误码处理方法:检查机顶盒的DHCP相关配置参数是否正确,如鉴权、接入用户名和密码1306错误提示:设备异常,无法提供服务!请拨打客户服务热线进行咨询故障原因:1、机顶盒没有进行初始化配置,没有任何配置信息;2、机顶盒的关键配置信息(比如MAC地址、EPG主页地址等)无效处理方法:出现该故障,该机顶盒必须返修,需要通过串口或PC配置工具检测配置信息1401错误提示:非常抱歉,网络接入失败!请稍后再试一次,如果仍然失败,请拨打客户服务热线进行咨询故障原因:ADSL拨号收到DSLAM/BAS的拒绝响应。
处理方法:机顶盒打开双栈时ADSL帐号或密码配置错误会提示1401,可进入系统设置界面修改,用户开通时,这些信息应该是已经配置正确的,如果使用过程中出现这个错误,应该只能向运营商咨询1402错误提示:非常抱歉,网络接入失败!请稍后再试一次,如果仍然失败,请拨打客户服务热线进行咨询故障原因:ADSL拨号成功,但没有收到BAS服务器的响应处理方法:网络原因与上层BAS链路异常,或者BAS服务异常1403错误提示:非常抱歉,宽带接入帐号或密码错误,网络接入失败!请稍后再试一次,如果仍然失败,请拨打客户服务热线进行咨询故障原因:ADSL帐号或密码配置有误处理方法:可进入系统设置界面修改,用户开通时,这些信息应该是已经配置正确的,如果使用过程中出现这个错误,应该只能向运营商咨询1404错误提示:非常抱歉,网络接入失败!请稍后再试一次,如果仍然失败,请拨打客户服务热线进行咨询故障原因:ADSL拨号超时没有响应处理方法:多次重试请检查上联的modem是否状态正常1901错误提示:非常抱歉,线路连接异常!请检查网线是否脱落或网络接入设备是否加电。
6600拨号过程操作挂起。
6601拨号过程检测到无效的端口句柄。
6602拨号过程指定的端口已打开。
6603拨号过程呼叫人的缓冲区太小。
6604拨号过程指定了不正确的信息。
6605拨号过程不能设置端口信息。
6606拨号过程指定的端口未连接。
6607拨号过程检测到无效事件。
6608拨号过程指定的设备不存在。
6609拨号过程指定的设备类型不存在。
6610拨号过程指定的缓冲区无效。
6611拨号过程指定的路由不可用。
6612拨号过程指定的路由未分配。
6613拨号过程指定的压缩无效。
6614拨号过程没有足够的缓冲区可用。
6615拨号过程未找到指定的端口。
6616拨号过程异步请求挂起。
拨号过程调制解调器已经断开连接。
6618拨号过程指定的端口未打开。
6619拨号过程指定的端口未连接。
6620拨号过程无法决定端点。
6628拨号过程连接被关闭。
6629拨号过程连接被远程计算机关闭。
6630拨号过程由于硬件故障,调制解调器断开连接。
6631拨号过程用户断开了调制解调器连接。
6632拨号过程检测到不正确的结构大小。
6633拨号过程调制解调器正在使用或没有配置为拨出。
6634拨号过程您的计算机无法在远程网络上注册。
请稍后再试6635拨号过程出现未知错误。
请联系开发商6636拨号过程连接到端口的设备不是所期望的设备。
6637拨号过程检测到不能转换的字符串。
6638拨号过程请求超时。
请稍后再试6639拨号过程异步网络不可用。
6640拨号过程发生与NetBIOS 有关的错误。
6641拨号过程服务器不能分配支持客户机所需的NetBIOS 资源。
6642拨号过程计算机的某个NetBIOS 名已经在远程网络上注册。
6643拨号过程服务器端的网络适配器出现故障。
6644拨号过程您将无法接收网络弹出式消息。
6645拨号过程发生内部身份验证错误。
6646拨号过程此时间不允许该帐户登录。
6647拨号过程此帐户被禁用。
6648拨号过程该帐户的密码已过期。
用户在连接宽带的时候总是会有各种各样的问题,那么遇到宽带连接错误651是怎么回事呢?怎么解决?
错误651是宽带上网错误代码查询障碍的现象之一,具体表现是网卡灯不亮或一直闪。
出现宽带错误651一般情况分为以下五种情况:1、网线故障;2、modem故障;3、网卡驱动故障;4、运营商问题;5、欠费停机。
1、网线故障
可能是网线接触不良,可以尝试拔下并重新插入网线的两个接头,如果网线出现破损最好换一根新的网线。
2、modem故障
如果重新插了网线后,网卡灯还是不亮的话,那就可以是modem出现了故障,最好修一修或者换一个新的。
3、网卡驱动故障
右键单击桌面计算机——属性,在属性页上选择“设备管理器”,并在设备管理器页上找到“网络适配器”。
一般下面有两个网卡,一个有线网卡,一个无线网卡。
单击有线网卡——禁用,出现提示框,单击确定,然后右键再次启动,查看重拨是否正常。
如果不正常,请右键单击有线网卡,选择卸载,卸载网卡驱动程序,然后在设备管理器菜单中单击操作——扫描硬件更改。
通常,系统会使用通用驱动程序重新启动网卡。
安装完成后,重新启动计算机。
4、运营商问题
这个时候可以尝试致电给你网络所属的运营商接入客服,告诉其故障提示并寻求协助解决。
5、欠费停机
这个问题最好解决了,只要续交费用,网络就能正常使用了。
局域网共享提示错误代码0x80070035怎么回事局域网可以实现文件管理、应用软件共享、打印机共享、工作组内的日程安排、电子邮件和传真通信服务等功能。
有用户在访问局域网共享提示错误代码“0x80070035”这是怎么回事呢?有可能是网络设置问题,下面我们就来看看解决办法。
步骤如下:1、在任务栏右下角网络图标单击左键,打开“网络设置”;2、在网络设置左侧点击【以太网】,在右侧点击【家庭组】按钮;3、点击【启用家庭组】,若无法启用则点击【启动家庭组疑难解答】按钮进行修复,修复后再启用;4、如下图,我们通过家庭组-查找并解决查看家庭组中的计算机或共享文件的问题即可解决问题!补充:局域网经常断线解决方法进一步排查——判断水晶头久了是否氧化,重做末端一端水晶头,故障没有排除,测试仪测试,8线全通的,可是故障依旧出现,上一会儿就掉线。
继续排查上端一端水晶头和端口,切换端口无效,重新做另一端水晶头,现在问题来了,网络干脆不通,做一次不行,两次也不行,水晶头质量不行或者网钳问题?可测试总是第三线不亮,是不愿相信的网线故障?做一对水晶头测试网钳和水晶头质量,测试8线完全通过。
排除网钳水晶头问题。
果断判断是网线第三线(白绿)可能拉扯中间断了,(但又没完全断,所以时断时续)。
自己重新定义线序,保证第1、2、3、6线跳开使用白绿线,把两端水晶头一压好,彻底解决问题,不再掉线!相关阅读:有什么技巧可以局域网提速1.去掉无关的选项在Windows XP中,双击“掌握面板”中的“文件夹选项”,再单击“检察”标签,然后将鼠标指针转动至窗口的最下方,可以看到有一个“主动搜刮收集文件夹和打印机”项,默许是选中的,将它往失落。
如许,当我们打印时,Windows XP不会自作主意往寻觅局域网上的打印机并安装驱动法式,以避免不经意将秘密文档打到其余部分打印机上而本身却还找不到。
同时,将此项往失落后,当我们经由过程“网上邻人”来拜访局域网电脑时,它不会主动查找其上的同享文件夹,如许才会晋升一些速率。
错误代码类型错误提示5001网络接入您的登录信息填写不全!5002网络接入警告:本配置信息为客户端预置,随意修改可能会影响到该功能的接入。
您确认继续吗?5003网络接入网络连接失败!请检查您的网络配置后重试。
5004网络接入无线宽带(WLAN)无法连接,请选用其他无线宽带进行拨号接入;无线宽带(1X)无法连接,请选用其他无线宽带进行拨号接入;无线宽带(3G)无法连接,请选用其他无线宽带进行拨号接入;5005网络接入无线宽带(WLAN)无法连接,请选用其他无线宽带进行拨号接入;无线宽带(1X)无法连接,请选用其他无线宽带进行拨号接入;无线宽带(3G)无法连接,请选用其他无线宽带进行拨号接入;5006网络接入该连接用户配置信息不全,请到“场景配置”菜单项修改信息!5007网络接入未检测到可用的无线宽带(1X/3G)网络。
5008网络接入您的上网卡硬件没有插好或者UIM卡无效。
5009网络接入初始化连接失败,请确认Remote Access Connection Manager服务已经启动5010网络接入未检测到可用的无线宽带(WLAN)网络。
5011网络接入您尚未选择您要接入的网络!5012网络接入没有搜索到任何无线连接5013网络接入找不到 *.* 文件,重装本软件可解决此问题!5014网络接入系统文件被破坏或系统环境没配置好,无线宽带(1X/3G)接入模块不可用。
5015网络接入系统文件被破坏或系统环境没配置好,PPPOE接入模块不可用。
5016网络接入系统已经成功接入网络,但检测到网络可能并没有真正连通,如果确定不能正常上网,请再次接入!5017网络接入您的PIN码验证失败,无线宽带(1X/3G)功能无法使用5018网络接入您的上网卡PUK码已经锁定,无法使用该卡。
6600拨号过程操作挂起。
6601拨号过程检测到无效的端口句柄。
6602拨号过程指定的端口已打开。
6603拨号过程呼叫人的缓冲区太小。
免费WiFi启动失败?出现错误代码1203
错误代码1203是因为您的虚拟网卡异常的原因,也就是Microsoft开头的那款网卡我们叫做虚拟网卡。
那我们怎么来刷新我们的虚拟网卡呢?
1、问题:虚拟网卡出问题啦!
解决方法:
先打开WIFI共享精灵!一定要打开软件!
右击计算机,点击管理——设备管理器——网络适配器,鼠标右击上面的扫描硬件驱动。
注意要多扫描几次!
扫描硬件要等一分钟之后,在扫描,系统会自动检测修复!根据不同人的系统环境扫描的次数也不同,看个人的情况吧!最后它会变成下面的情况!看看虚拟网卡正常了!
2、如果上述方法不能解决您的问题,那就尝试一下下面这个方法!
点击开始(win7系统机,其他系统机电脑桌面左下角的开始菜单),在搜索框内输入CMD,然后按回车键,出现下面的界面
然后输入“netsh wlan set host mode=allow”,按回车,出现如下图所示的提示:
再输入“netsh wlan start host”这个命令,按回车键后再打开热点。
注意:
如果您按照上述操作还没有成功的话,您可以手动卸载安装无线网卡。
如何手动卸载安装无线网卡:
/view/850efe2269eae009581bec6d.html。
中国电信天翼无线宽带错误代码大全出现6691错误代码解决办法2010-10-16 15:49天翼常见问答常见产品问答:其他问题请到电信营业厅或拨打10000 号进行咨询。
无线宽带上网卡的一些安装配置和故障排除问题,其中大家发现了在其出现故障的时候,会有固定的代码指示,相对其他的无线网络故障而言,这类问题可以查代码解决问题。
下面就把无线宽带错误代码为大家汇总一下。
无线宽带错误代码问题分类用户提示语问题描述解决方案5001网络接入您的登录信息填写不全!上网帐号设置时,必须的用户信息没有填写好填写好必要信息5002网络接入警告:本配置信息为客户端预置,随意修改可能会影响到该功能的接入。
您确认继续吗?通过天翼接入网络,不需要用户输入上网帐号,程序已经预配好。
不修改接入帐号或不理会,输入帐号5003网络接入网络连接失败!请检查您的网络配置后重试。
连接网络失败,用户名密码不对,或者网络问题或者服务,错误原因会显示在连接状态中检查网络或账号密码是否正确5004网络接入无线宽带(Wi-Fi)无法连接,是否使用天翼进行拨号?使用无线宽带(Wi-Fi)连接失败,用户名密码不对,或者网络问题或者服务,错误原因会显示在连接状态中,同时检测到天翼可用,提示是否使用天翼进行连接检查网络或账号密码是否正确,或使用天翼进行连接5005网络接入天翼无法连接,是否使用无线宽带(Wi-Fi)进行拨号?使用天翼连接失败,用户名密码不对,或者网络问题或者服务,错误原因会显示在连接状态中,同时检测到无线宽带(Wi-Fi)可用,提示是否使用无线宽带(Wi-Fi)进行连接检查网络或账号密码是否正确,或无线宽带(Wi-Fi)进行连接5006网络接入该连接用户配置信息不全,请到“场景配置”菜单项修改信息!连接网络,但没有输入完成的用户名和密码在菜单中选择上网帐号设置,输入完整的用户名和密码保存5007网络接入未检测到可用的无线宽带(1X/3G)网络。
125002 警告:本配置信息为客户端预置,随意修改可能会影响到该功能的接入。
您确认
125016 系统已经成功接入网络,但检测到网络可能并没有真正连通,如果确定不能正常
125128 发送登录认证请求失败,请重新尝试登录或者拔出上网卡进行天翼宽带(WLAN)连
连
125129 登录认证信息无法解释,请重新尝试登录或者拔出上网卡进行天翼宽带(WLAN)
125131 接收登录认证请求失败(用户为非上网卡用户),请拔出上网卡进行天翼宽带
125132 接收登录认证请求失败(imsi不匹配),请更换UIM卡或者拔出上网卡进行天翼宽
125133 接收登录认证请求失败(其它原因),请重新尝试登录或者拔出上网卡进行天翼宽
125156 天翼宽带(WLAN)统一认证登录失败,请重试或者选用其他天翼宽带进行拨号接
125161 天翼宽带(WLAN)统一认证连接失败,请使用系统管理员身份重新打开客户端再次
126647 连接失败,请检查用户名或密码是否正确。
121111 断开WiFi连接失败。
125156 天翼宽带(WLAN)统一认证登录失败,请重试或者选用其他天翼宽带进行拨号接
125161 天翼宽带(WLAN)统一认证连接失败,请使用系统管理员身份重新打开客户端再次
126692 连接失败,请检查网络和硬件设备是否正常。
121111 断开WiFi连接失败。
错误6781.SIM卡欠费或者没有开通权限,咨询10086。
更新数据。
2.重新拔插SIM卡,重启电脑。
3.更换可用的SIM卡,是否SIM卡出现问题,TD的USIM卡技术还不成熟。
4.之前上网没有问题的话说明有覆盖,查询站点是不是出现告警导致不能上网,成为覆盖盲区。
5.重装驱动。
6.检测硬件。
错误734 Ppp协议终止1.sim卡权限问题,状态是否正常。
是否开通PS业务。
2.资费问题,查询是否欠费。
3.如果是dell的G3上网卡硬件开关被关闭,按fn+f2键确认无线WAN功能是否已经打开,如果没有打开将无线WAN功能启用,然后打开G3软件重新选择自动连接就可以正常上网了。
4. sim卡鉴权失败或网络失败,请您插拔sim卡重启电脑重新拨号再5.某一时间段概率出现734错误,其他时间段则正常。
可能为网络资源不足。
稍后重新拨号6.偶尔出现734,数据卡未注册上PS域时,用户就开始进行拨号。
建议用户打开G3管理软件等程序完全初始化找到硬件后再点击拨号选项7.SIM卡出现问题,更换SIM卡错误619造成G3无线上网卡错误619的原因:G3随意行软件未正确安装,无线网卡驱动为正确安装,U口供电不稳1. 彻底卸载软件,驱动2. 更换USB插口3. 询问客户是否使用USB延长线,应避免使用USB延长线错误720(error 720)现象常见于XP系统,常和718同时出现,一般为电脑问题,可先询问ISP也就是联通或者电信有没有大面积此类问题,如没有,则按照下面方式解决:步骤一:建议将系统重新启动后再重新拨号上网:可拨多次,百分之九十都可以解决步骤二:如果还不可以,则重新建立宽带连接测试。
步骤三:如果故障依旧,则建议用户还原系统或找电脑公司将系统格式化重装,重装后及时关闭系统自己更新功能。
还有另一种解决方法,重装TCP/IP协议:1、开始——运行——regedit.exe,打开注册表编辑器,删除以下两个键:HKEY_LOCAL_MACHINE\System\CurrentControlSet\Services\WinsockHKEY_LOCAL_MACHINE\System\CurrentControlSet\Services\Winsock22、用记事本打开%winroot%\inf\nettcpip.inf文件,找到:[MS_TCPIP.PrimaryInstall]Character istics = 0xa0 <――――――把此处的0Xa0改为0x80 保存退出3、打开本地连接的TCP/IP属性――-添加协议——从磁盘——浏览找到刚刚保存的nettcpip.inf(%winroot%\inf\nettcpip.inf)文件,然后选择“TCP/IP协议”(不是选择那个TCP/IP 版本6)。
各种错误代码描述及解决办法 错误代码 问题分类 用户提示语 问题描述 解决方案 5001 网络接入 您的登录信息填写不全! 上网帐号设置时,必须的用户信息没有填写好 填写好必要信息
5002 网络接入 警告:本配置信息为客户端预置,随意修改可能会影响到该功能的接入。您确认继续吗? 通过无线宽带(1X/3G)接入网络,不需要用户输入上网帐号,程序已经预配好。 不修改接入帐号或不理会,输入帐号
5003 网络接入 网络连接失败!请检查您的网络配置后重试。 连接网络失败,用户名密码不对,或者网络问题或者服务,错误原因会显示在连接状态中 检查网络或账号密码是否正确
5004 网络接入 无线宽带(WLAN)无法连接,是否使用其它无线宽带进行拨号? 使用无线宽带(WLAN)连接失败,用户名密码不对,或者网络问题或者服务,错误原因会显示在连接状态中,同时检测到无线宽带(1X/3G)可用,提示是否使用无线宽带进行连接 检查网络或账号密码是否正确,或使用其它无线宽带进行连接
5005 网络接入 无线宽带(1X/3G)无法连接,是否使用无线宽带(WLAN)进行拨号? 使用无线宽带(1X/3G)连接失败,用户名密码不对,或者网络问题或者服务,错误原因会显示在连接状态中,同时检测到无线宽带(WLAN)可用,提示是否使检查网络或账号密码是否正确,或无线宽带(WLAN)进行连接 用无线宽带(WLAN)进行连接 5006 网络接入 该连接用户配置信息不全,请到“场景配置”菜单项修改信息! 连接网络,但没有输入完成的用户名和密码 在菜单中选择上网帐号设置,输入完整的用户名和密码保存 5007 网络接入 未检测到可用的无线宽带(1X/3G)网络。 数据卡没插入或未准备好 请插入数据卡到有无线宽带(1X/3G)网络的地方使用 5008 网络接入 您的数据卡硬件没有插好或者UIM卡无效。 数据卡硬件没有插好或者UIM卡无效。 重新插好数据卡或换有效UIM卡使用 5009 网络接入 初始化连接失败,请确认Remote Access Connection Manager服务已经启动 Remote Access Connection Manager服务被禁用或被停止 [控制面板]-[管理工具]-[服务]中启动Remote Access Connection Manager服务,重启机器 5010 网络接入 未检测到可用的无线宽带(WLAN)网络。 找不到无线设备或没有无线AP 检查是否有无线网络环境或无线网卡驱动没有安装好 5011 网络接入 您尚未选择您要接入的网络! 在连接无线时,没有选择无线连接,就点击了设备或连接按钮 请稍候再试
5012 网络接入 没有搜索到任何无线连接 选择搜索网络时,就会自动查找无线连接,如果没有查找到任何连接,就会显示此提示 请到有无线网络环境再用
5013 网络接入 找不到 *.* 文件,重装本软件可解决此问题! 文件被破坏或被删除 重新安装本软件 5014 同络接入 系统文件被破坏或系统环境没配置好,无线宽带(1X/3G)接入模块不可用。 无线宽带(1X/3G)接入模块被破坏或被删除 重装客户端软件 5015 同络接入 系统文件被破坏或系统环境没配置好,PPPOE接入模块不可用。 PPOE接入模块被破坏或被删除 重装客户端软件 5016 网络接入 系统已经成功接入网络,但检测到网络可能并没有真正连通,如果确定不能正常上网,请再次接入! 拨号建立连接成功,但是不能连接上网,DNS,IP没设置好,或此连接根本就不能上网 设置好IP地址和DNS,检测连接的设备是否可以上网
5017 网络接入 您的PIN码验证失败,无线宽带(1X/3G)功能无法使用 UIM卡PIN码验证失败 在设置菜单中的PIN码管理里验证PIN码再使用 5018 网络接入 您的数据卡PUK码已经锁定,无法使用该卡。 UIM卡的PUK码被锁定 联系客服或换UIM卡
5103 网络接入 为当前上网卡设置3G模式失败,请稍候再试。 当前上网卡无法设置3G模式 请稍候重试或者确认已经进入3G网络 5104 网络接入 为当前上网卡设置1X模式失败,请稍候再试。 当前上网卡无法设置1X模式 请稍候重试或者确认已经进入1X网络 5105 网络接入 当前上网卡设置3G模式失败 当前上网卡无法设置3G模式 联系客服或者更换上网卡 5106 网络接入 当前上网卡设置1X模式失败。 当前上网卡无法设置1X模式 联系客服或者更换上网卡 5107 网络接入 当前上网卡不支持3G模式。 当前上网卡不支持3G模式 联系客服或者更换上网卡 5108 网络接入 未检测到无线宽带(1X)网络。 上网卡没插入或未准备好 插入上网卡,在有无线宽带(1X)的网络下使用 5112 网络接入 您的UIM卡PIN码已经锁定,无法使用该卡,请使用手机解锁UIM卡PIN码。 旧上网卡,UIM卡pin码锁定 使用手机解锁UIM卡pin码
5116 网络接入 无法获取无线宽带(WLAN)的网络信息。 无线AP异常 到另外一个无线宽带(WLAN)网络环境使用 5117 网络接入 连接无线宽带(WLAN)网络出错。 无线AP异常,或者portal无法登陆 请联系客服或者重新尝试
5118 网络接入 连接无线宽带(WLAN)网络超时,请尝试重新连接。 无线AP异常,或者portal无法登陆 请联系客服或者重新尝试 5124 网络接入 断开失败,请稍候重试。 网络异常,无法断开 请联系客服或者重新尝试 5128 网络接入 发送登录认证请求失败,请重新尝试登录或者拔出上网卡进行无线宽带(WLAN)连接。 登录认证请求发送失败 重新尝试登录或者拔出上网卡进行无线宽带(WLAN)连接。 5129 网络接入 登录认证信息无法解释,请重新尝试登录或者拔出上网卡进行无线宽带(WLAN)连接。 登录认证信息无法解释 重新尝试登录或者拔出上网卡进行无线宽带(WLAN)连接。 5130 网络接入 接收登录认证信息超时,请重新尝试登录或者拔出上网卡进行无线宽带(WLAN)连接。 接收登录认证信息超时 重新尝试登录或者拔出上网卡进行无线宽带(WLAN)连接。 5131 网络接入 接收登录认证请求失败(用户为非上网卡用户),请拔出上网卡进行无线宽带(WLAN)连接。 接收登录认证请求失败(用户为非上网卡用户) 拔出上网卡进行无线宽带(WLAN)连接。
5132 网络接入 接收登录认证请求失败(imsi不匹配),请更换UIM卡或者拔出上网卡进行无线宽带(WLAN)连接。 接收登录认证请求失败(imsi不匹配) 更换UIM卡或者拔出上网卡进行无线宽带(WLAN)连接。
5133 网络接入 接收登录认证请求失败(其它原因),请重新尝试登录或者拔出上网卡进行无线宽带(WLAN)连接。 接收登录认证请求失败(其它原因) 重新尝试登录或者拔出上网卡进行无线宽带(WLAN)连接。
5135 网络接入 未检测到PPPOE网络。 无法检测到pppoe网络 请插入网线,确认modem工作正常后重新尝试,如果问题仍然存在,请联系客服 5137 网络接入 设置无线网卡IP失败。 无法为当前无线网络设置为自动获取IP 重新尝试或者手动将当前网络连接设置为自动获取IP 5140 网络接入 无线宽带(1X)无法连接,请选用其他无线宽带进行拨号接入。 无线宽带(1X)连接失败 请确认UIM卡余额是否足够一次网络连接后重试,如果问题仍然存在,请联系客服 5141 网络接入 线宽带(3G)无法连接,请选用其他无线宽带进行拨号接入。 无线宽带(3G)连接失败 请确认UIM卡余额是否足够一次网络连接,并且当前区域已经覆盖有3G信号后重试, 如果问题仍然存在,请联系客服 5142 网络接入 无线宽带(WLAN)无法连接,请选用其他无线宽带进行拨号接入。 无线宽带(WLAN)连接失败 请确认当前区域是否覆盖了无线宽带(WLAN)信号,帐号信息是否正确后重新尝试,如果问题仍然存在,请联系客服 5143 网络接入 未检测到无线宽带(3G)网络。 上网卡没插入或未准备好 插入上网卡,在有无线宽带(3G)的网络下使用 5144 网络接入 无线宽带(ADSL)无法连接,请选用其他无线宽带进行拨号接入。 无线宽带(ADSL)连接失败 请确认是否拥有ADSL连接业务,modem工作是否正常后重试,如果问题仍然存在,请联系客服
无线宽带(WLAN)错误代码表 错误号 描述 解决建议 错误号 描述 解决建议 1100 步骤 1: 错误: 无法得到Portal重新定位的URL 请检查BAS中Portal的重定向URL,确保Portal正常;请确认客户端软件可以正常访问网络 1101 步骤 1: 无法解析Portal重新定位的XML文件 请检查Portal设置,可以正常通过UserAgent识别Wispr请求 1102 步骤 1:无法解析Portal重新定位的XML文件 没有包含有效的登录url,请检查Portal设置 1103 步骤 2: 无法得到URL的内容 登录url没有响应,请检查登录url正确且Portal正常