测量常用表格:导线测量记录表
- 格式:xls
- 大小:34.53 KB
- 文档页数:6
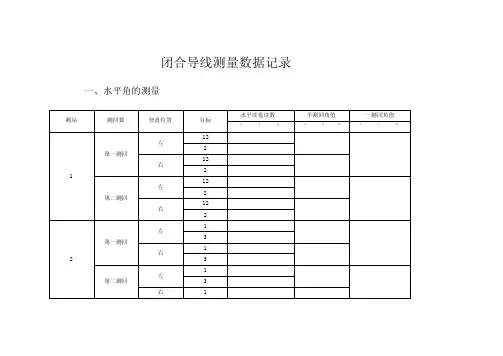
表单模板观测:现场签字 记录:现场签字 前视:现场签字 后视:现场签字 计算:现场签字 复核:现场签字填表说明一、填表须知本表适用于加密控制点、施工加密桩导线测量(复测)观测记录填写。
本表所填写内容应真实可靠,无虚假成份。
二、填写流程准备工作:填写工程名称→导线名称→天气→年月日→仪器型号→仪器编号→加常数K →乘常数R→气压mb(录入仪器)→温度℃(录入仪器)。
记录内容:填写测站点号→测回数→照准点号→正镜照准目标点(测量并记录角度和距离)→倒镜照准目标点(测量并记录角度和距离)→计算2C(超限应重测)→计算正倒镜平均值、归零后的方向值、角度平均值、距离平均值。
签字确认:复核无误后,现场签字确认。
三、内容要点导线测量的布网、观测(设站、测设)、计算、平差等工作及精度要求,应根据工程特点执行相应的规范、标准、规程要求。
观测前,应对所使用的仪器和设备进行常规检校,检查仪器内部参数设置是否正确。
各测回间宜按180除以测回数配置度盘。
观测结束后,应对外业记录手簿进行检查,当使用电子记录时,应及时导出原始观测记录并打印保存。
应取各测回水平角、平距观测的平均值作为测站成果。
四等导线测回数:0.5″级2测回、1″级4测回、2″级6测回;一级导线测回数:2″级2测回。
四、注意事项采用闭合导线进行施工加密桩测量时必须检查3个已知点的几何关系。
正倒镜:盘左是指观测者对着望远镜的目镜时,竖盘位于望远镜的左边,又称为正镜。
盘右是指观测者对着望远镜的目镜时,竖盘位于望远镜的右边,又称为倒镜。
一测回内2C互差或同一方向值各测回较差超限时,应重测超限方向,并应联测零方向。
所有施工测量工作都必须执行测量复核制。
表格应做到填写规范、字迹清晰、内容完整、签字齐全。
本表未尽事宜,参见国家行业规范、标准及集团公司下发的有关文件。
第 页,共 页观测: 记录: 前视: 后视: 计算: 复核:。