2010版新抗震规范与老版的区别
- 格式:doc
- 大小:47.00 KB
- 文档页数:5
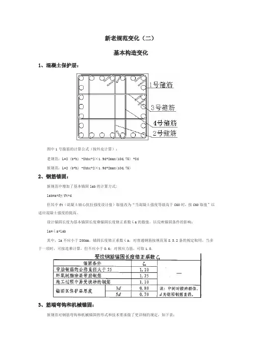
新老规范变化(二)基本构造变化1、混凝土保护层:图中1号箍筋的计算公式(按外皮计算):老规范:L=2 (b+h) -8bhc+2×1.9d+2max(10d,75) +8d新规范:L=2 (b+h) -8bhc+2×1.9d+2max(10d,75)2、钢筋锚固:新规范中增加了基本锚固lab的计算方式:lab=a*fy/ft*d但其中ft(混凝土轴心抗拉强度设计值)取值改为“当混凝土强度等级高于C60时,按C60取值”以适应混凝土强度的提高。
设计锚固长度为基本锚固长度乘锚固长度修正系数ζa的数值,以反映锚固条件的影响:la=ζa*lab其中,la不应小于200mm,锚固长度修正系数ζa,对普通钢筋按规范第8.3.2条的规定取用,当多于一项时,可按连乘计算,但不应小于0.6;对预应力筋,可取1.0.3、筋端弯钩和机械锚固:新规范对钢筋弯钩和机械锚固的形式和技术要求做了更详细的规定,如下表:4、钢筋的连接:不宜采用绑扎搭接接头的规定改为:受拉钢筋直径不宜大于25mm,受压钢筋直径不宜大于28mm。
钢筋机械连接区段的长度为35d,d改为连接钢筋的较小直径。
纵向受拉钢筋绑扎搭接接头的搭接长度不应小于300mm。
《混凝土结构设计规范》GB 50010-2010(新规范)VS混凝土结构设计规范》GB 50010-2002(老规范)一、材料变化:1、混凝土强度等级逐步提升4.1.2 素混凝土结构的混凝土强度等级不应低于C15;钢筋混凝土结构的混凝土强度等级不应低于C2 0;采用强度级别400MPa及以上的钢筋时,混凝土强度等级不应低于C25。
承受重复荷载的钢筋混凝土构件,混凝土强度等级不应低于C30。
预应力混凝土结构的混凝土强度等级不宜低于C40,且不应低于C30。
2、钢筋高强-高性能发展趋势普通钢筋:淘汰低强235Mpa钢筋,以300Mpa光圆钢筋替代;增加高强500Mpa钢筋;限制并准备淘汰335Mpa钢筋;最终形成300、400、500Mpa的强度梯次,与国际接轨。
2010版新抗震规范与老版的区别
2010版新抗震规范与老版的区别
1.改进了地震影响系数曲线的阻尼调整系数和形状参数,补充完善了竖向地震作用
2.
3.
4.
5.
6.
7.
要求;
8.增加了地震监测;
9.增加了抗震性能化设计的内容以及地下建筑抗震设计;
10.抗震缝计算的7CM改为10CM了;
11.三级剪力墙底部加强区要设约束边缘构件了;
12.6度区砖混不允许建8层了;
13.柱子最小配筋率也改了,奇怪的是,角柱和框支柱的最小配筋率居然变小了;
14.确定抗震等级的建筑高度也变了,如框架由原来的30米改为24米;
15.6度区也规定了剪重比、四级抗震也规定了柱的轴压比;
16.加大了柱截面最小尺寸要求;
17.
18.
19.
20.
21.
22.
23.
24.。
详细解读建筑抗震设计规范《建筑抗震设计规范》GB50011—2010解读《建筑抗震设计规范》GB50011—2010已发布几年,而近年来我国地震频发,受人为影响房屋倒塌,人员伤亡的事件也屡见不鲜;抗震规范是结构设计所用规范里面出场频率最高的一本,基于此,这里再重新解读一下2010版抗震规范,新规范的要点以及旧规范的区别,希望能给有需要的友友带来帮助。
1、修订背景及内容抗震设计的建筑基本的抗震设防目标当遭受低于本地区抗震设防烈度的多遇地震影响时,主体结构不受损坏或不需进行修理可继续使用;当遭受相当于本地区抗震设防烈度的设防地震影响时,其损坏经一般性修理仍可继续使用;当遭受高于本地区抗震设防烈度的罕遇地震影响时,不致倒塌或发生危及生命的严重破坏。
使用功能或其他方面有专门要求的建筑,当采用抗震性能化设计时,具有更具体或更高的抗震设防目标。
2010版建筑抗震设计规范主要修改内容补充了关于7 度(0.15g)和8 度(0.30g)设防的抗震措施规定按《中国地震动参数区划图》调整了设计地震分组改进了土壤液化判别公式调整了地震影响系数曲线的阻尼调整参数、钢结构的阻尼比和承载力抗震调整系数、隔震结构的水平向减震系数的计算并补充了大跨屋盖建筑水平和竖向地震作用的计算方法提高了对混凝土框架结构房屋、底部框架砌体房屋的抗震设计要求提出了钢结构房屋抗震等级并相应调整了抗震措施的规定改进了多层砌体房屋、混凝土抗震墙房屋、配筋砌体房屋的抗震措施扩大了隔震和消能减震房屋的适用范围,新增建筑抗震性能化设计原则以及有关大跨屋盖建筑、地下建筑、框排架厂房、钢支撑-混凝土框架和钢框架-钢筋混凝土核心筒结构的抗震设计规定取消了内框架砖房的内容2、地基和基础选择建筑场地需要注意的问题选择建筑场地时,应根据工程需要和地震活动情况、工程地质和地震地质的有关资料,对抗震有利、不利和危险地段做出综合评价。
对不利地段,应提出避开要求;当无法避开时应采取有效的措施。
11G101与03G101变化解析11G101系列新平法2011年9月1日正式实施:《混凝土结构施工图平面整体表示方法制图规则和构造详图(现浇混凝土框架、剪力墙、梁、板)》 11G101-1《混凝土结构施工图平面整体表示方法制图规则和构造详图(现浇混凝土板式楼梯)》11G101-2《混凝土结构施工图平面整体表示方法制图规则和构造详图(独立基础、条形基础、筏形基础及桩基承台)》 11G101-311G101系统平法图集较03G101系列图集较大变化有:一、适用范围变化:11G101-1适用于非抗震和抗震设防烈度为6~9度地区的现浇混凝土框架、剪力墙、框架-剪力墙和部分框支剪力墙等主体结构施工图的设计,以及各类结构中的现浇混凝土板(包括有梁楼盖和无梁楼盖)、地下室结构部分现浇混凝土墙体、柱、梁、板结构施工图的设计。
包括基础顶面以上的现浇混凝土柱、剪力墙、梁、板(包括有梁楼盖和无梁楼盖)等构件的平法制图规则和标准构造详图两大部分。
11G101-3适用于各种结构类型下现浇混凝土独立基础、条形基础、筏形基础(分梁板式和平板式)、桩基承台施工图设计。
包括常用的现浇混凝土独立基础、条形基础、筏形基础(分梁板式和平板式)、桩基承台的平法制图规则和标准构造详图两大部分内容。
二、受拉钢筋锚固长度等一般构造变化:11G101系列平法图集依据新规范确定了受拉钢筋的基本锚固长度lab、labe,以及锚固长度la、lae的计算方式。
较03G101系列平法图集取值方式、修正系数、最小锚固长度都发生了变化。
三、构件标准构造详图变化:11G101-1中抗震KZ边柱和角柱柱顶纵筋构造,较03G101有如下变化:1、新图集中各个节点可以进行组合使用;2、柱外侧纵筋不少于柱外侧全部纵筋的65%伸入梁内;(与原图集一致)3、A节点,外侧伸入梁内钢筋不小于梁上部钢筋时,可以弯入梁内作为梁上部纵向钢筋。
(新增的构造)4、所有节点内侧钢筋按中柱节点走;5、BC节点,区分了外侧钢筋从梁底算起1.5labe是否超过柱内侧边缘;超过的,外侧配筋率>1.2%分批截断,错开20d;没有超过的,弯折部分要>=15d,总长>1.5labe,同样错开20d;6、D节点是未伸入梁内的外侧钢筋构造,(与原图集一致)7、E节点是梁、柱纵向钢筋接头沿节点柱顶外侧直线布置的情况,与节点A组合使用;外侧柱纵筋到柱顶截断;梁上部钢筋伸入柱1.7labe。
1、3.9.3箍筋已不建议采用HPB235(一级)钢筋,至少要HPB300,也可直接选用HRB335(二级)钢筋。
2、3.9.4钢筋等强代换时虽没写明裂缝,挠度要求,但也应满足(见条文说明)。
3、3.10增加了建筑抗震性能化设计,考虑了断裂带对结构抗震的影响等。
4、4.1.6增加了场地类别分类。
5、4.1.7减小了发震断裂的最小避让距离。
6、4.3.4液化土深度判别有变。
7、5.1.2需采用时程分析法补充计算的结构的设计内力取值有所变化,增加6度罕遇地震的地震加速度最大值。
8、对于平面投影尺度很大的空间结构(跨度大于120m,长度大于300m或悬挑大于40m)应根据结构形式和支撑条件分别按单点一致、多点、多向单点或多向多点输入进行抗震计算。
并考虑地震行波效应和局部场地效应。
9、5.2.5增加了6度时楼层最小剪力系数。
10、5.3.4增加了大跨度空间结构的竖向地震作用计算方法。
11、6.1.2框架、框剪、剪力墙结构的抗震等级分类高度有变。
12、6.1.4防震缝最小宽度由70变为100。
13、6.1.8取消了连梁最小高度400的要求。
14、6.1.10剪力墙加强区高度由1/8改为1/10.15、6.1.14嵌固端提出更高的要求。
16、6.2内力调整变化较多,自己找。
17、6.3.7柱钢筋配筋率改变较多。
18、6.3.12明确体积配箍率计算方法,不扣除重叠箍筋体积,并且取消箍筋或拉筋强度超过360取360的规定。
增加了框支柱、剪跨比不大于2的柱的配筋要求。
19、6.4.4增加了剪力墙竖向分布钢筋的直径不宜小于10mm。
20、6.4.5构造边缘构件有变,约束边缘构件的范围增加了轴压比的判断,体积配箍率可适当计入水平钢筋的截面面积。
21、6.4.6降低了小墙肢箍筋全高加密的要求。
22、6.5.2增加了框剪结构中剪力墙分布筋最小直径要求。
23、6.5.3增加了梁与剪力墙平面外连接的要求。
24、6.6.3增加了板柱抗震墙抗震计算的要求,(1)规定了抗震墙和板柱框架承担的地震力范围(2)规定了等代框架梁的宽度(3)规定了板柱节点不平衡弯矩引起冲切反力的增大系数。
广厦建筑结构CAD系列资料新旧规范对比内容详解广东省建筑设计研究院深圳市广厦软件有限公司2010年8月前言历经一年的精心开发,广东省建筑设计研究院和深圳市广厦软件有限公司于2010年8月隆重推出“广厦建筑结构CAD新规范版—Gscad15.0版”。
新规范版软件是根据《建筑抗震设计规范》、《混凝土结构设计规范》和《高层建筑混凝土结构技术规程》的要求对2000规范版软件的108项功能进行删除、修改或增加,完全满足广大结构设计人员依据新规范设计的要求。
20年来,广厦建筑结构CAD的14次升版一直保持高度的稳定性。
新规范版软件同样能够满足设计人员对软件稳定性的要求:1.广厦从2003年进行的软件工程化开发为这次修改做好了充分的准备,从技术上避免了越改问题越多的可能性;2.内部进行的4轮测试,保证新规范版顺利应用于广大设计人员的实际工程,避免了拿用户正在设计的工程进行软件测试;3.通用计算的架构易于修改,方便实现新规范增加的计算要求。
本内容详解适合于广厦用户和非广厦用户阅读,归纳了三本规范中所有涉及结构计算的修改内容,通过新旧规范的对比,设计人员可快速掌握新规范的新要求。
每一条内容例举了新旧规范对应的条文和软件相应的修改,方便设计人员了解新旧规范条文的不同之处和设计中如何满足规范的新要求。
本次修改得到许多参与规范修订专家的大力支持,广东省建筑设计研究院的领导非常重视此次的研究开发,在人力物力上给予了全力支持,广东省建筑设计研究院陈星总工、容柏生院士等指导了开发工作,在此表示感谢。
吴文勇焦柯2010年8月目录前言第1章前处理──数据准备的修改1计算参数1.1总信息1)地下室层数、有侧约束地下室层数和最大嵌固层号12)裙房层数23)薄弱的结构层号24)加强层所在的结构层号35)梁配筋计算考虑板的影响36)所有楼层的塔内强制采用刚性楼板假定41.2地震信息1)计算竖向振型52)地震水准53)场地土类型64)水平地震影响系数曲线下降段的衰减指数65)剪力墙抗震等级76)周期折减系数77)计算地震作用的结构阻尼比78)性能要求71.3风计算信息1)计算风荷载的结构阻尼比92)考虑横风向风振的影响91.4调整信息1)转换梁地震内力增大系数102)地震连梁刚度折减系数101.5材料信息101.6时程分析信息1)地震波传递速度132)设置计算峰值加速142模型输入2.1梁柱墙的设计属性1)转换梁142)梁反拱弦高153)连梁箍筋形式154)梁水平缝数165)转换柱176)墙设计类型177)加强部位178)一般和短墙182.2平面内分块计算位移比18第2章结构通用分析1墙的计算单元1.1混凝土剪力墙单元侧节点出口协调241.2墙单元平面内转角自由度241.3砖墙单元侧节点与构造柱之间的弱协调242风振舒适度要求253结构位移3.1静力荷载和各方向地震作用下的位移253.2给定CQC地震剪力换算的水平力并考虑偶然偏心下的位移比254部分框支剪力墙结构的倾覆力矩275超筋超限警告5.1混凝土梁警告1)极限(经济)承载弯矩272)混凝土受压区高度283)抗震设计梁端纵向受拉钢筋的最大配筋率284)斜截面抗剪285)扭曲截面承载力计算296)深受弯构件抗弯计算295.2混凝土墙柱警告1)最大配筋率292)斜截面抗剪293)轴压比超限304)剪力墙稳定超限计算305)剪力墙水平施工缝超限验算305.3圆钢管混凝土柱警告305.4方钢管混凝土柱警告305.5钢柱警告315.6钢梁警告315.7支撑警告315.8型钢混凝土梁柱警告315.9混凝土实心板警告325.10混凝土空心板警告325.11人防设计警告32第3章内力组合和调整1地震作用组合342内力调整2.1单工况内力调整2.1.1地震内力调整1)薄弱层地震力放大352)剪重比调整373)框剪结构框架剪力调整374)框支柱和转换柱轴力放大375)转换构件内力放大386)板柱-剪力墙结构地震剪力调整387)筒体结构地震剪力调整392.2设计内力调整2.2.1柱392.2.2框架梁和连梁412.2.3剪力墙1)墙弯矩调整系数422)剪力调整系数422.2.4中心支撑和偏心支撑43第4章构件的截面设计1承载力能力极限状态设计表达式442梁截面设计2.1梁正截面承载力计算1)梁正截面承载力计算(受弯和偏拉压计算)442.2梁斜截面承载力计算1)梁斜截面承载力最小截面要求462)梁斜截面受剪承载力计算463)梁箍筋构造要求474)连梁最小和最大配筋率要求472.3梁截面受扭承载力计算472.4梁裂缝挠度计算1)梁裂缝计算482)梁挠度计算483柱截面设计3.1柱正截面承载力计算1)构件自身挠曲产生的附加弯矩影响482)柱纵向钢筋的最小配筋率和最大配筋率及构造要求493)柱轴压比控制513.2柱斜截面承载力计算523.3框架梁柱节点核心区受剪验算534剪力墙截面设计4.1剪力墙截面的构造要求1)约束边缘构件542)构造边缘构件553)剪力墙轴压比限值554)剪力墙分布筋555)短肢剪力墙的构造要求564.2剪力墙墙体稳定验算564.3钢板混凝土剪力墙574.4地下室外墙57 5钢构件截面验算5.1强度及调整系数575.2钢梁验算575.3钢柱验算585.4钢支撑验算59 6楼梯构件截面验算6.1梯板总的底配筋和面配筋626.2梯柱总抗拉配筋626.3梯梁配筋63 7砌体结构的计算7.1砌体强度的正应力影响系数627.2普通砖和多孔砖墙体的截面抗震受剪承载力验算637.3底框结构抗震墙的分布钢筋637.4底框结构柱的构造要求63第5章基础CAD1基础的抗震承载力验算64 2风荷载组合时承载力特征值调整系数64 3基础最小配晋率控制64 4混凝土和钢筋强度64第1章前处理──数据准备修改1计算参数1.1总信息1)地下室层数、有侧约束地下室层数和最大嵌固层号[旧抗6.1.10]部分框支抗震墙结构的抗震墙,其底部加强部位的高度,可取框支层加框支层以上二层的高度及落地抗震墙总高度的1/8二者的较大值,且不大于15m;其他结构的抗震墙,其底部加强部位的高度可取墙肢总高度的1/8和底部二层二者的较大值,且不大于15m。
1.2010新版规范在砌体结构方面的主要改进1)增加了砌体的块体类型2)降低6度和0.30g设防的层数和高度,调整横墙较少房屋的适用范围3)新增建筑布置的规则性设计指标4)提高楼梯间等处构造柱、芯柱的要求5)提高底部框架房屋的设计要求6)扩充配筋砌块房屋的抗震设计7)取消内框架房屋的使用进一步向约束砌体发展——体积配筋率0.07%~0.2%为约束砌体,0.2%以上称为配筋砌体。
2.砌体房屋高度、层数控制注意事项取值小数点后按有效数值控制起点地面,坡地取低处,半地下室需嵌固终点屋面板与外纵墙交接处的板顶坡顶形成实腹屋架时,同上对待阁楼居住用房算一层,高度至山墙半高,储物用房、无固定楼梯不计入屋顶间面积小于30%按5.2.4条处理,超过时按阁楼对待架空层按一层计算楼面高度超过16m等,必须设置电梯●乙类的房屋高度减3m少一层,不采用底框●蒸压砖抗震强度为普通粘土砖的70%,应降一层和3m3.多层砌体房屋布置规则性的设计指标承重墙横墙或纵横墙,不应M+RC墙纵横墙布置匀称、对齐、连续,不显著差异,内纵墙累计长度≥60%房屋总长窗间墙尺寸均匀,开洞面积<55% .采取加强措施局部尺寸可减少20%墙洞位置不影响纵横墙连接,不设转角窗平面轮廓凹凸尺寸<50%典型尺寸, 凹凸>25%时房屋转角加强楼板开洞<30%板宽,且墙两侧不同时开洞错层错层>500mm应按两层计算楼梯间不宜设于尽端或转角处砖柱不得采用独立砖柱,跨度≥6m的楼面梁应设组合柱等4.多层砌体房屋结构布置的改进注:1 多层砌体房屋的顶层,除木屋盖外的最大横墙间距应允许适当放宽,但应采取相应加强措施;2 190mm多孔砖抗震横墙的最大横墙间距应比表中数值减少3m。
横墙较少、跨度较大的房屋,应采用现浇RC楼屋盖5.多层砖砌体房屋构造柱设置的改进多层砖房,应按下列要求设置现浇钢筋混凝土构造柱:丙类房屋砖房构造柱设置要求(一般情况)大洞口,内墙指不小于2.1m,外纵墙采取加强措施后放宽6.多层砖砌体房屋圈梁设置的改进现浇RC楼盖等沿所有墙边加强配筋并与构造柱连牢,可无圈梁7.砌体房屋楼梯间构造的改进楼梯间应符合下列要求:1 8、9度顶层楼梯间横墙和外墙应沿墙高每隔500mm设2φ6通长钢筋;7~9度时其它各层楼梯间墙体应在休息平台或楼层半高处设置60mm厚的钢筋混凝土带或配筋砖带,其砂浆强度等级不应低于M7.5, 纵向钢筋不应少于2φ10。
2010版《建筑抗震设计规范》解读2010版抗震规范是在总结近年来国内外建筑震害的经验和教训,并及时吸纳工程抗震领域成熟经验和成果的基础上,对旧版规范进行全面修订而成,2010年12月01日正式实施。
该规范是有关建筑抗震设防的重要技术法规,是指导防震减灾工作的依据,设计人员应迅速掌握并认真贯彻实施。
现就与变电土建设计密切相关的六个方面内容进行总结,供以后设计参考。
一、抗震概念设计和性能化设计①关于“抗震措施和抗震构造措施”。
这是两个既有联系又有区别的概念,“抗震措施”包括结构选型、地基抗液化措施、考虑概念设计对地震作用效应的调整,以及各种抗震构造措施;“抗震构造措施”是指不需计算而必须采取的各种细部构造,如高厚比、轴压比、长细比、构造柱和圈梁的布置和配筋、纵筋配筋率、箍筋配箍率、钢筋直径、间距等构造和连接要求等。
I类场地及0.15g和0.30g的III、IV类场地,抗震构造措施需做局部调整(3.3.2强条、3.3.3条)。
②关于“抗震建筑的规则性”。
规范把不规则的建筑分为三个级别予以区别对待:一般的不规则建筑按规范、规程的有关规定采取加强措施;特别不规则建筑需经过专门研究和论证后采取高于规范、规程规定的加强措施,高层建筑应严格按照建设部令第111号进行抗震设防专项审查;严重不规则建筑应要求建筑师予以修改、调整设计方案(3.4.1强条,业主、建筑师、结构工程师必须严格执行)。
③关于“抗震结构对材料与施工的特殊要求”。
施工顺序要保证组合构件的整体性,必须先砌墙后浇构造柱和框架梁柱(3.9.6强条,设计时应写进施工总说明);施工时纵向受力钢筋要等强替换,避免替换后总承载力提高过大,造成薄弱部位转移(3.9.4强条)。
④关于“抗震性能化设计”。
新规范提出了性能化设计的原则规定和参考指标(3.10节),但由于性能化设计的分析方法还有待完善,性能化设计的分析软件还不成熟,且对于变电站工程而言,目前还没有提出统一的性能目标,因此,现阶段仍然采用“三水准两阶段”的设计方法,但应及时关注性能化设计的研究进展。
2010版新抗震规范与老版的区别(网络摘录)1、调整场地土液化判别的深度范围和判别公式,增补软弱粘性土层的震陷判别方法及相应的处理对策;2、改进了地震影响系数曲线的阻尼调整系数和形状参数,补充完善了竖向地震作用的计算方法,并补充了竖向地震影响系数取值的规定;3、增加大跨屋盖结构和地下建筑结构抗震设计内容,增加了地震作用的计算要求,补充了多向、多点输入计算地震作用的原则规定;4、修改了框架-抗震墙结构剪力调整系数以及与“强柱弱梁、强剪弱弯”原则有关的框架内力调整等相关规定,补充了框架结构楼梯间的设计要求;5、6、修改了多层砌体房屋层数和高度限值、抗震横墙间距、底部框架-抗震墙房屋的结构布置、墙体抗剪承载力验算、构造柱布置、圈梁设置、楼屋盖预制板的连接要求、楼梯间的构造要求等规定;7、修订了单层钢筋混凝土柱厂房可不进行抗震验算的范围、补充完善了柱间支撑节点验算要求、单层钢结构厂房防震缝及阻尼比的相关规定;8、调整了隔震和消能减震房屋的适用范围,修改了水平减震系统的定义及相应的计算和构造要求、以及消能部件性能检验要求等规定;9、增加了楼梯间及人流通道砌体填充墙的构造要求,补充了砌体女儿墙的抗震构造要求。
10、增加了地震监测!11、12、增加了抗震性能化设计的内容以及地下建筑抗震设计13、抗震缝计算的7CM改为10CM了。
14、15、三级剪力墙底部加强区要设边缘约束构件了。
16、17、6度区砖混不允许建8层了18、19、柱子最小配筋率也改了。
奇怪的是,角柱和框支柱的最小配筋率居然变小了!!!20、21、确定抗震等级的建筑高度也有改变,如框架由原来的30米改为24米22、6度区也规定了剪重比、四级抗震也规定了柱轴压比23、加大了柱截面最小尺寸要求。
24、25、柱轴压比限值比老规范统一降低0.05,新增了四级框架柱的轴压比要求。
26、增加了三级剪力墙的轴压比要求。
27、28、增加了落地剪力墙的倾覆力矩比例要求。
新旧建筑抗震设计规范的对比与解读主讲人:李生广联系方式:****************黑龙江省安平施工图审查咨询有限公司实线为新增内容虚线为原有内容删除1 总则1.0.1为贯彻执行国家有关建筑工程、防震减灾的法律{《中华人民共和国建筑法》和《中华人民共和国防震减灾法》}并实行以预防为主的方针,使建筑经抗震设防后,减轻建筑的地震破坏,避免人员伤亡,减少经损失,制定本规范。
按本规范进行抗震设计的建筑,其基本的抗震设防目标是:当遭受低于本地区抗震设防烈度的多遇地震影响的,主体结构(一般)不受损坏或不需修理可继续使用;当遭受相当于本地区抗震设防烈度的设防地震影响时,可能发生损坏,但经一般性修理仍可继续使用;当遭受高于本地区抗震设防烈度的罕遇地震影响时,不致倒塌或发生危及生命的严重破坏。
使用功能或其他方面有专门要求的建筑,当采用抗震性能设计时,具有更具体或更高的抗震设防目标。
第一阶段设计是承载力验算,取为第一水准的地震动参数计算结构的弹性地震作用标准和相应的地震作用效应,采用《工程结构可靠性设计统一标准》GB50153规定的分项系数设计表达式进行结构构件的截面承载力抗震验算,可靠度水平同78规范相当,并由于非抗震构件设计可靠性水准的提高而有所提高,即满足了在第一水准下具有必要的承载力可靠度,又满足第二水准的损坏可修的目标。
对大多数的结构,可只进行第一阶段设计,而通过概念设计和抗震构造措施来满足第三水准的设计要求。
第二阶段设计是弹塑性变形验算,对地震时易倒塌的结构有明显薄弱层的不规则结构以及有专门要求的建筑,除进行第一阶段设计外,还要进行结构薄弱部位的弹塑性层间变形验算并采取相应的抗震构造措施,实现第三水准的设防要求。
也就是结构在罕遇地震作用下的薄弱层的弹塑性变形验算。
1.0.2抗震设防烈度为6度及以上地区的建筑,必须进行抗震设计。
强条,新旧一样1.0.3本规范适用于抗震设防烈度为6、7、8和9度地区建筑工程的抗震设计以及隔震、消能减震设计。
2010版《建筑物防雷设计规范》的变化2010版《建筑物防雷设计规范》住建部于 2010年11月3日发布,2011年10月1日,最近刚刚买到了新规范,马上就要实施了,正在抓紧对比研究。
看了两天,有一点小收获,与同行们分享。
1 适用范围的修改旧规范的适用范围是新建筑物,新规范增加了扩建和改建建筑。
扩大了范围。
另外,新规范删除了旧规范中关于不适应范围的内容,这并不代表新规范适用这些范围,而是因为不适用范围不好列,列不全,因此没列。
这些特殊建(构)筑物的防雷设计本规范还是没有完全涵盖,还需执行相关规范。
2 术语按照规范的编制规定,新规范增加了术语一章,共定义了50个术语,有一些术语还是首次出现,需认真阅读。
3 第一类防雷建筑物新规范对防雷建筑物还是分为三类,但具体内容作了不少修改,总体来说,建筑物的防雷要求提高了。
下面将对各类建筑分别说明。
对第一类防雷建筑物的划分主要有以下几点修改:首先,增加了“在可能发生对地闪击的地区”这样一个限制条件,使规范更严谨。
该限制条件同样用于了第二、三类防雷建筑物。
其次,引入了两个新名词,火炸药和爆轰。
火炸药:包括火药(含发射药和推进剂)、炸药、弹药、引信、和火工品等。
轰炸:爆炸物中一小部分受到引发或激励后爆炸物整体瞬时爆炸。
第三,对粉尘环境,10区该为了20区。
采用了新的粉尘环境划分方法。
与10区比较,20区增加了可燃性粉尘云频繁短时存在的情况。
第四,增加了粉尘21区,电火花会引起爆炸的场所。
21区相当于旧标准的11区,偶然会出现粉尘的场所。
总体来说,第一类防雷建筑物范围扩大了。
该条文被确定为强制性条文,原文如下:3.0.2 在可能发生对地闪击的地区,遇下列情况之一时,应划为第一类防雷建筑物:1 凡制造、使用或贮存火炸药及其制品的危险建筑物,因电火花而引起爆炸,爆轰,会造成巨大破坏和人身伤亡者。
2 具有0区或20区爆炸危险场所的建筑物。
3 具有1区或21区爆炸危险场所的建筑物,因电火花而引起爆炸,会造成巨大破坏和人身伤亡者。
2010版新抗震规范与老版的区别(网络摘录)1、调整场地土液化判别的深度范围和判别公式,增补软弱粘性土层的震陷判别方法及相应的处理对策;2、改进了地震影响系数曲线的阻尼调整系数和形状参数,补充完善了竖向地震作用的计算方法,并补充了竖向地震影响系数取值的规定;3、增加大跨屋盖结构和地下建筑结构抗震设计内容,增加了地震作用的计算要求,补充了多向、多点输入计算地震作用的原则规定;4、修改了框架-抗震墙结构剪力调整系数以及与“强柱弱梁、强剪弱弯”原则有关的框架内力调整等相关规定,补充了框架结构楼梯间的设计要求;5、修改了多层砌体房屋层数和高度限值、抗震横墙间距、底部框架-抗震墙房屋的结构布置、墙体抗剪承载力验算、构造柱布置、圈梁设置、楼屋盖预制板的连接要求、楼梯间的构造要求等规定;6、修订了单层钢筋混凝土柱厂房可不进行抗震验算的范围、补充完善了柱间支撑节点验算要求、单层钢结构厂房防震缝及阻尼比的相关规定;7、调整了隔震和消能减震房屋的适用范围,修改了水平减震系统的定义及相应的计算和构造要求、以及消能部件性能检验要求等规定;8、增加了楼梯间及人流通道砌体填充墙的构造要求,补充了砌体女儿墙的抗震构造要求。
9、增加了地震监测!10、增加了抗震性能化设计的内容以及地下建筑抗震设计11、抗震缝计算的7CM改为10CM了。
12、三级剪力墙底部加强区要设边缘约束构件了。
13、6度区砖混不允许建8层了14、柱子最小配筋率也改了。
奇怪的是,角柱和框支柱的最小配筋率居然变小了!!!15、确定抗震等级的建筑高度也有改变,如框架由原来的30米改为24米16、6度区也规定了剪重比、四级抗震也规定了柱轴压比17、加大了柱截面最小尺寸要求。
18、柱轴压比限值比老规范统一降低0.05,新增了四级框架柱的轴压比要求。
19、增加了三级剪力墙的轴压比要求。
20、增加了落地剪力墙的倾覆力矩比例要求。
21、调整了剪力墙分布钢筋直径要求。
22、调整了剪力墙底部加强区高度的取值,增加多层(24m以下)加强区取值。
本说明仅摘录规范修改的部分条文,阅读时应比对规范3.4.3建筑方案和结构布置的平面和竖向不规则性,应综合判断【说明】本次修订,明确规定表3.4.3所列的不规则类型是主要的而不是全部不规则,所列的指标是概念设计的参考性数值而不是严格的数值,使用时需要综合判断。
有关的条文说明,除保留2001版、2008局部修订的说明外,增加对本次修订部分的补充说明:①对于扭转不规则计算,需注意以下几点,有关的计算软件需相应修改:1) 按国外的有关规定,楼盖周边两端位移不超过平均位移2倍的情况称为刚性楼盖,超过2倍则属于柔性楼盖。
因此,2001版说明中提到的刚性楼盖,并不是刚度无限大。
计算扭转位移比时,楼盖刚度可按实际情况确定而不限于刚度无限大假定。
2) 扭转位移比计算时,楼层的位移不采用各振型位移的CQC组合计算,按国外的规定明确改为取“给定水平力”计算,可避免有时CQC计算的最大位移出现在楼盖边缘的中部而不在角部,而且对无限刚楼盖、分块无限刚楼盖和弹性楼盖均可采用相同的计算方法处理;该水平力一般采用振型组合后的楼层地震剪力换算的水平作用力,并考虑偶然偏心;结构楼层位移和层间位移控制值验算时,仍采用CQC的效应组合。
3) 偶然偏心大小的取值,除采用该方向最大尺寸的5%外,也可考虑具体的平面形状和抗侧力构件的布置调整。
4) 扭转不规则的判断,还可依据楼层质量中心和刚度中心的距离用偏心率的大小作为参考方法。
②对于侧向刚度的不规则,建议根据结构特点采用多种方法,包括楼层标高处单位位移所需要的水平力、结构层间位移角的变化等进行综合分析,不能仅简单依靠某个方法和某个参考数值决定。
3.4.41,楼层竖向构件最大的弹性水平位移和层间位移分别不宜大于楼层两端弹性水平位移和层间位移平均值的1.5 倍,当最大层间位移小于规范限值50%时,位移比可放宽至1.65;关于扭转不规则的注意事项看条文说明2,软弱层地震剪力增大系数由1.15改为取“不小于1.15”,刚度越小,取值越大。
1、老图集以2002版《砼规》、2001版《抗规》、2002版《高规》为编制依据,新图集以2010版《砼规》、2010版《抗规》、2010版《高规》为编制依据。
2、老图集一共有六本,新图集整合为三本。
3、老图集墙柱共有10种,新图集墙柱类别划分为4类(仍为10种)。
4、老图集剪力墙拉筋只标注一种间距,新图集需要标注两种间距,并增加双向拉筋与梅花双向拉筋示意图。
5、梁钢筋在支座内的锚固按铰接设计及按充分利用钢筋的抗拉强度设计,老图集是设计应按《规范》规定另行变更,新图集是设计者应注明。
6、老图集板类别有4种,新图集为3种,取消了延伸悬挑板YXB。
7、老图集无梁板中没有暗梁AL构件,新图集无梁板中增加了AL构件。
8、老图集未区分板端支座按铰接设计或按充分利用钢筋抗拉强度设计,新图集有区分并规定设计应注明。
9、老图集板相关构造类型共有13种,新图集共有11种,取消了板挑檐TY和悬挑阴角附加筋Cis。
10、老图集锚固长度分为受拉钢筋最小锚固长度La和受拉钢筋抗震锚固长度Lae,新图集锚固长度以基本锚固长度Lab为基础,通过修正系数计算受拉钢筋锚固长度La和抗震锚固长度Lae。
11、老图集环境类别三只有一种,新图集环境类别三分为三a和三b两种。
12、老图集保护层为受力钢筋的保护层,新图集保护层为最外侧钢筋的保护层,且当混凝土强度等级不大于C25时图集中的保护层数值应加5。
13、老图集保护层受混凝土强度影响,新图集不受混凝土强度影响。
14、老图集机械锚固有3种形式,新图集增加至6种。
15、老图集没有并筋构造,新图集增加并筋构造。
16、老图集拉筋应同时钩住纵筋及箍筋,新图集给出三种做法由设计指定。
17、老图集基础顶面与嵌固部位详图一起表达未有划分,新图集分别表示且当基础顶面与嵌固部位不在同一位置时,基础顶面以上柱纵筋非连接区由大于等于Hn/3修改为大于等于Hn/6且大于等于Hc且大于等于500,并规定设计应注明嵌固部位所在位置。
2010版抗震规范新变化(砼部分)一、第3章新增3.10节建筑抗震性能化设计的内容,3.10.3明确给出了中震(即设防烈度)计算的αmax值:6度——0.12;7度(0.10g)——0.23;7度(0.15g)——0.34;8度(0.20g)——0.45;8度(0.30g)——0.68。
对于平时的设计工作来说,主要用于超限审查做的中震不屈服或中震弹性设计,一般的结构计算也没必要做。
二、4.1.6条,将场地类别中的I类细化为I0和I1两个亚类。
修订原因是考虑到剪切波速为500-800m/s的场地还不是很坚硬,将此种场地定为I1类,硬质岩石场地定为I0类。
相应地,表5.1.4-2提供了这两种场地类别的特征周期值,其中I1类的特征周期值与2001规范中I类场地的周期值相同。
三、5.1.4条:1. 增加了6度罕遇地震的αmax值。
2. 计算罕遇地震作用时,特征周期应增加0.05s。
01规范只是在计算8度、9度的罕遇地震才有此要求,现要求扩大至各种地震烈度。
此条对超限审查的罕遇地震弹塑性分析等有影响。
四、5.1.6条,修改了地震影响系数曲线。
曲线的表达式表面上没有变化,但其中曲线下降段的衰减指数γ、直线下降段的下降斜率调整系数η1及阻尼调整系数η2的公式均有变化。
五、5.2.5条,增加了6度地震计算的结构任一楼层的水平地震剪力要求,01规范只对7-9度有要求。
六、6.1.1条,现浇钢筋混凝土房屋适用的最大高度有所调整。
1. 注4明确表中的框架结构不包括异形柱框架结构,异形柱结构的适用高度应以异形柱规范为准。
2. 8度地震的适用高度分为0.2g和0.3g两种要求。
3. 框架结构适用高度有所降低。
4. 板柱-剪力墙结构的适用高度增大较多。
七、6.1.2条抗震等级,增加了24m作为抗震等级划分的高度分界。
但编委们对条文细节的把握上依然令人失望,如抗震墙结构,H≤24m为四级抗震,H为25-80m为三级抗震,那24.5m应该按几级抗震,这不是又要让俺们和审查的老爷们扯皮吗?搞笑的是框架结构的划分——H≤24m为三级抗震,H为>24m为三级抗震就没有问题,难道结构抗震等级的划分还是一个委员确定一类结构?这种低级错误在02版高规也是俯拾即是,比如长厚比为5-8为短肢剪力墙,≥8以上为一般剪力墙,小于3为柱,长厚比为3-4之间的就不知为何物了。
抗规2010新变化2010《抗震》新规变化常⽤条⽂及注意事项⼀、基本规定:1、市设计地震分组由第⼆组变为第三组,相应的地震作⽤计算⽐旧规放⼤12.5%左右。
设计任何地区⼯程时,要注意查新规附录A,不能想当然,因为⼤部分地区设计地震分组都有变化。
2、⼭区建筑的场地和地基基础设计时应注意参照《抗震》规3.3.5条的条⽂说明,特别是要注意边坡附近的建筑基础应进⾏抗震稳定性设计。
3、竖向不规则(框⽀剪⼒墙结构)的建筑,2010规做如下改进:1)刚度⼩的楼层的地震剪⼒应乘以不⼩于1.15的增⼤系数,刚度越⼩,取值越⼤(3.4.4.2)。
2)提⾼了不落地构件传给框⽀梁的地震⼒的增⼤系数(1.25~2.0)(3.4.4.2.1)。
3)为防⽌落地墙太少,明确落地墙承担地震倾覆⼒矩,不得⼩于总地震倾覆⼒矩的50%(6.1.9.4)。
4)将框⽀柱承受的最⼩地震剪⼒之和不应⼩于本层地震剪⼒20%,改为结构底部总地震剪⼒的20%(6.2.10.1)。
4、《抗震》规3.9.2.2条,旧规抗震等级为⼀、⼆的框架结构,新规改为抗震等级为⼀、⼆、三级的框架(框架梁、框架柱、框⽀梁、框⽀柱、板柱-抗震墙的柱)和斜撑构件(含梯段),其纵向受⼒钢筋采⽤普通钢筋时,钢筋抗拉强度实测值与屈服强度实测值的⽐值不应⼩于1.25;(注:框架结构仅指纯框架结构⼀种结构形式;框架指框架结构、框架-抗震墙结构、框⽀层、框架-核⼼筒结构、板柱-抗震墙结构中的框架)5、《抗震》规3.9.3条,纵向受⼒钢筋宜选⽤符合抗震性能指标的不低于HRB400级的热扎钢筋,也可以采⽤符合抗震性能指标的HRB335级热扎钢筋(建议纵筋⽤三级钢);箍筋宜选⽤符合抗震性能指标的不低于HRB335级的热扎钢筋(不再推荐箍筋采⽤HPB235级钢筋,仅仅是现有⽣产的HPB235级钢筋可以继续作为箍筋使⽤)6、混凝⼟结构的混凝⼟强度等级,抗震墙不宜超过C60。
7、《抗震》规3.9.7条,对于抗震等级⼀级的墙体和转换层楼板与落地混凝⼟墙体交接处,宜验算⽔平施⼯缝截⾯的受剪承载⼒,按照条⽂说明的公式计算。
1. 继续保持现行抗震规范的基本规定2010版继续保持了89版、2001版抗震设计规范对建筑结构抗震设计的下列基本规定:l (1) 用三个不同的概率水准和两阶段设计体现“小震不坏、中震可修、大震不倒”的基本设计原则;l (2) 以抗震设防烈度为抗震设计的基本依据,引入“设计地震分组”,体现地震震级、震中距的影响;l (3) 不同类型的结构需采用不同的地震作用计算方法;并利用“地震作用效应调整系数”,体现某些抗震概念设计的要求;l (4) 按照建筑结构设计统一标准的原则,通过“多遇地震”条件下的概率可靠度分析,建立了结构构件截面抗震承载力验算的多分项系数的设计表达式;l (5) 把抗震计算和抗震措施作为不可分割的组成部分,强调通过概念设计,协调各项抗震措施,实现“大震不倒”;l (6) 砌体结构需设置水平和竖向的延性构件形成墙体的约束,以防止倒塌;l (7) 钢筋混凝土结构需确定其“抗震等级”,从而采取相应的计算和构造措施;对框架结构还要求控制“薄弱层弹塑性变形”,通过第二阶段的设计防止倒塌;l (8) 装配式结构需设置完整的支撑系统,采取良好的连接构造,确保其整体性。
l 2010版继续保持2001版某些抗震设计基本规定:l (9) 增加了设计基本地震加速度0.15g、0.30g的设计要求;l (10) 提出了不同阻尼比的地震作用和控制结构最小地震作用的强制性要求;l (11) 明确概念设计的某些具体要求,加强各类结构的抗震构造;l (12) 纳入隔震、减震设计以及非结构构件等,向性能化设计前进.2. 对建筑结构场地地基设计要求的改进l (1) 建筑场地类别划分的局部调整l 对于场地剪切波速大于800m/s的场地,新增场地类别I0类;l 对于中软土和软弱土的平均剪切波速分界,考虑覆盖层取20m,由140m/s调整为150m/s。
l (2) 液化判别方法的改进l 调整标准贯入法液化判别公式,将自74、78版抗震规范沿用的15m深度内采用直线判别改为对数曲线判别,可延续到15m深度以下的判别,并进一步考虑震级的影响,重新定义液化判别的锤击数基本值——M7.5液化概率32%时水位2m、埋深3m的液化临界锤击数,判别结果总体上基本保持与2001版接近。
l (3) 软土震陷判别l 新增8度(0.30g)和9度时按液性指数判别软土震陷的方法。
3 对结构抗震分析规定的改进l (1) 改进了不同阻尼比的设计反应谱l 2001版不同阻尼比的设计反应谱在5s后出现交叉,且阻尼比0.25的反应谱倾斜下降段按公式计算将变为倾斜上升段,条文硬性规定取0.0。
本次修订,阻尼比0.05保持不变,调整后公式的形式不变,参数略有变化,使钢结构的地震作用有所减少,消能减震的最大阻尼比可取0.30,除Ⅰ类场地外,在周期6s以前,不同阻尼比基本不交叉。
l (2) 设计特征周期的调整l 对于I0类场地,明确其特征周期比2001版I类减少0.05s。
l 对于罕遇地震的特征周期,6、7度与8、9度一样,也要求增加0.05s。
l (3) 增加了6度设防的设计参数l 2010版增加了6度设防的一些要求,包括:不规则结构应计算地震作用;6度最小地震剪力系数取0.008 、6度罕遇地震影响系数最大值取0.28等l (4) 配合大跨屋盖建筑的设计需要,新增有关多点、多向地震输入的要求,以及竖向地震作用振型分解反应谱法、竖向地震为主的地震作用基本组合。
l (5) 配合钢结构构件承载力验算方法的改进,调整了钢结构构件承载力抗震调整系数γRE的取值:强度破坏取0.75,屈曲稳定取0.80。
4.对抗震概念设计和建筑结构延性设计要求的改进l (1) 不规则建筑抗震概念设计的改进l 2010版明确,本规范3.4.3条的规定,只是主要的不规则类型而不是全部。
l 在2008年局部修订的基础上,参照IBC的规定,明确将扭转位移比不规则判断的计算方法,改为“在规定的水平力作用下并考虑偶然偏心”,以避免位移按振型分解反应谱组合的结果,有时刚性楼盖边缘中部的位移大于角点位移的不合理现象。
l 对于扭转位移比的上限1.5,明确在层间位移很小的情况下,采取措施可予以放宽。
l 对于竖向不连续构件传递给水平转换构件的地震内力调整系数,参照IBC的规定,将上限1.5提高到2.0。
l (2) 钢筋混凝土结构的抗震等级划分、内力调整和构造措施的改进l ①抗震等级的高度分界l 配合建筑设计通则中关于高层建筑的高度划分,增加了24m作为钢筋混凝土结构的抗震等级划分的一个指标。
还补充了8度(0.30g)的最大适用高度规定。
l ②提高框架结构强柱弱梁、强剪弱弯内力调整和构造要求l 根据汶川地震的经验,比2001版提高了框架结构中框架柱的内力调整系数,而其他各类结构中框架柱的内力调整系数保持不变:l ──────────────────────────────l 强柱弱梁柱嵌固端弯矩柱强剪节点核芯l 一级 1.7 (1.4) 1.7 (1.5) 1.5 (1.4) 1.5 (1.35)l 二级 1.5 (1.2) 1.5 (1.2) 1.3 (1.2) 1.3 (1.2)l 三级 1.3 (1.1) 1.3 (1.1) 1.2 (1.1) 1.2 (1.0)l 四级 1.2 (1.0) 1.2 (1.0) 1.1 (1.0)l 框架结构柱的最小截面尺寸,除不超过2层和四级外,比2001版增加100mm;柱纵向受力钢筋的最小总配筋率比一般框架增加0.1%、最大轴压比控制比2001版加严0.05。
l 此外,柱体积配箍率计算时,对是否扣除箍筋重叠的部分不做要求。
l ③提高抗震墙的构造要求:l 2010版明确规定,抗震墙厚度可按无支长度控制,提高了最小分布钢筋直径的要求,并要求在小震下不宜出现小偏心受拉;l 对于2001版执行中意见较多的约束边缘构件,2010版提出了按轴压比适当减小配箍特征值的改进方法:轴压比为约束边缘构件上限时,保持2001版的0.20;当轴压比为约束边缘构件下限时,取0.12。
l ④对于框架与抗震墙组成的结构,明确区分为三种情况:框架所占比例很小时属于抗震墙结构范畴;墙体所占比例很小时属于框架结构范畴;一般的框架抗震墙结构,指墙体分配的倾覆力矩占总地震倾覆力矩的50%以上。
为提高框架-筒体结构的多道防线,其框架部分按刚度分配的最大楼层地震剪力,不宜小于结构总地震剪力的10%;当小于10%时,框架应承担总地震剪力的15%,且筒体承担的地震作用和构造也需要适当加强。
l ⑤对板柱结构,继续要求设置抗震墙;2010版放松了2001版最大适用高度控制;当高度不大于12m时,不要求墙体承担全部地震作用。
l (3) 砌体结构总高度、结构布置和构造柱(芯柱)设置的改进l ①砌体房屋的使用范围控制仍保持层数和总高度双控。
降低了6度设防的普通砖房屋的最大高度限值,补充了0.15g和0.30g的高度控制要求;并根据本次试设计的结果,调整了横墙较少房屋的高度控制——改为6、7度时丙类建筑,采取加强措施可与一般房屋有相当的高度和层数。
l ②补充了墙体布置规则性的有关规定。
包括:减少最大横墙间距,局部尺寸放松时不小于规定的80%,纵向墙体开洞面积控制,以及不应布置转角窗等。
l ③在2008年局部修订的基础上,进一步提高和细化构造柱设置和构造要求,小砌块房屋楼梯间的芯柱要求,也与砖房一样提高。
l ④加强底框房屋的设计要求:底层的砌体抗震墙仅用于6度设防;底框房屋次梁托墙的数量和位置,严格控制在楼梯间附近等个别轴线处;过渡层墙体需形成约束砌体的要求等。
l ⑤配筋小砌块房屋,按2010版加强抗震措施后高度控制有所放宽,也可用于9度设防。
墙体要求满灌,短肢小砌块墙严格控制,增加约束边缘构件和三级墙肢的体积配筋率。
l (4) 钢结构的抗震等级、内力调整和构造措施的改进l ①补充0.15g和0.30g最大适用高度的规定。
l ②新增钢结构抗震等级划分的规定,以50m为界,按设防类别、设防烈度和高度划分为四个抗震等级,规定相应的内力调整和构造要求。
l ③参考国外规范,将2001版的内力增大系数按四个抗震等级归纳整理,并修改了钢结构构件的承载力抗震调整系数,使之更为配套、合理。
l ④将2001版的构件长细比、板件宽厚比等构造要求,重新按四个抗震等级归纳整理。
l ⑤调整了钢结构的阻尼比,按高度的不同分别取0.02、0.03和0.04。
当偏心支撑承担的地震倾覆力矩大于总地震倾覆力矩50%时,阻尼比尚可增加0.005。
l ⑥对单层钢结构厂房,补充了柱间支撑的设计要求,调整了屋盖支撑构造和构件长细比要求,并按地震作用是否控制确定板件宽厚比等构造要求。
l ⑦增加了关于约束屈曲支撑的基本设计方法。
5. 隔震设计适用范围和隔震后抗震措施的调整l (1) 隔震减震设计,不限于2001版的8、9度设防区。
l (2) 隔震设计不要求隔震前结构的基本周期小于1.0s,大底盘顶的塔类结构也可采用隔震设计;但保持2001版隔震后的地震作用需满足各类结构共同的最小值控制要求,且高宽比不大于4,大震时严格控制隔震垫的拉应力。
l (3) 修改了水平向减震系数的定义——直接取各层地震剪力(或倾覆力矩)在隔震后与隔震前的最大比值,调整了2001版隔震后水平地震作用的取值,并依据该系数简化隔震后结构的抗震措施。
l (4) 根据相关产品标准和工程实践,调整了2001版关于隔震、减震元件性能检验的规定。
6.新增若干类结构的抗震设计规定l (1) 大跨度屋盖建筑l 规定了刚性大跨钢结构屋盖建筑的抗震设计要求,主要包括:屋盖选型、分类(单向传力类和空间传力类),计算模型、多向和多点输入要求、阻尼比确定方法、挠度控制和关键构件应力比控制,以及屋盖构件节点和支座的基本构造要求。
l (2) 地下空间建筑l 2010版规定了地下建筑抗震设计的范围和基本要求,包括:地基选型、结构布置,计算模型和地震作用计算方法,以及不同于地上建筑的抗震构造要求。
l (3) 框排架厂房l 提出了框排架混凝土和钢结构厂房,包括左右并列和上排下框厂房的基本设计要求,主要明确不同于一般多层框架厂房、一般排架厂房的抗震设计要点:结构布置、重力荷载取值、贮仓竖壁影响、短柱、牛腿等设计,以及屋盖支撑和柱间支撑的构造要求。
l (4) 钢支撑-混凝土框架和钢框架-混凝土筒体结构l 对于高度大于混凝土框架、筒体的结构,部分采用钢结构提高抗震性能后,总高度可有所增加。
2010版规定了一些基本设计要求,包括:抗震等级、结构布置、地震作用在钢结构和混凝土结构之间的分配和调整,结构总体计算的阻尼比、不同结构材料连接部位的构造等。
7.新增有专门要求的建筑进行抗震性能设计的原则要求l 2010版提供了关于性能化设计的原则规定和参考指标,包括:l 性能化设计的地震动水准、预期破坏状态、结构和非结构的承载力水平和相应的变形控制要求,弹塑性分析的模型和基本分析方法,并提供了结构构件、非结构构件性能化设计的一些参考指标——承载力达到高、中、低的划分指标,延性要求高、中、低的抗震等级,层间位移角与破坏状态的对应关系,非结构构件性能系数等等。