电梯保养计划表格
- 格式:docx
- 大小:23.76 KB
- 文档页数:6
电梯维修保养年度计划电梯维修保养年度计划目的:为规范电梯维修保养工作,确保电梯各项性能完好。
适用范围:适用于物业管理处辖区内的电梯维修保养。
职责:1.物业经理审核《电梯维修保养年度计划》,并检查维修保养工作的实施情况。
2.___主管负责组织制定《电梯维修保养年度计划》,并具体组织、实施、监督维修保养工作。
3.电梯管理员负责电梯的日常维修保养。
4.服务中心主管向有关用户通知电梯停用的情况。
程序要点:1.制定《电梯维修保养年度计划表》1) 每年的12月15日之前,由机电维修部主管组织电梯管理员一起研究、制定《电梯维修保养年度计划表》,并上报物业经理审核,公司总经理审批。
2) 制定《电梯维修保养年度计划表》的原则是:a。
电梯使用的频度;b。
电梯的运行状况(故障隐患);c。
合理时间(避开节假日、特殊活动日等)。
3) 《电梯维修保养年度计划表》应包括如下内容:a。
维修保养项目及内容;b。
备品、备件计划;c。
具体实施维修保养的时间;d。
预计费用。
2.电梯管理员进行电梯维修保养时,应按照《电梯维修保养年度计划表》进行。
3.电梯维修保养安全操作1) 维修保养前的安全准备工作:a。
在电梯基站门口处放置“检修停用”标牌;b。
关好厅门,不能关厅门时,用合适的护栅挡住入口处,防止无关人员进入电梯轿厢或进入电梯井道;c。
有人在轿顶上作检修工作时,按下轿顶检修箱上的检修开关,关好厅门。
2) 检修过程中的安全注意事项:a。
给转动部位加油、清洗或观察钢丝绳的磨损情况进停闭电梯;b。
人在轿顶上工作时,站立之处应有选择,脚下不得有油污,否则应打扫干净,以防滑倒;c。
人在轿顶上准备开动电梯以观察有关电梯部件的工作情况时,牢牢握住钢丝绳,并应注意整个身体置于轿厢外框尺寸之内,防止被其他部件碰伤。
需由轿内检修人员开电梯时,要交代和配合好,未经许可不准开动电梯;d。
禁止在井道内和轿顶上吸烟;___部件时应尽可能避免带电作业,带电操作或难以在完全切断电源的情况下操作时,应预防触电,并应有监护人、必备的工具和材料,特别应注意电梯突然启动运行;f。
物业电梯保养计划温馨提示尊敬的业主:为了确保小区电梯安全、稳定地运行,提高小区居民的生活品质,维护小区物业的正常运营,我们特制定了物业电梯保养计划,并向您温馨提示。
希望您能够重视电梯保养工作,并配合物业公司的相关安排,共同维护小区电梯的安全和舒适。
一、保养周期根据国家相关法律法规和标准要求,电梯保养周期通常为每月保养一次,季度保养一次,半年保养一次,年度大保养一次。
具体保养时间以物业公司通知为准。
二、保养内容1.月度保养:主要对电梯机械部件进行检查、清洁、润滑等工作,以确保电梯的正常运行和使用安全。
2.季度保养:在月度保养的基础上,对电梯的安全系统进行全面检查,包括电气系统、制动系统、门系统等,以检验电梯的安全性能。
3.半年保养:在季度保养的基础上,进行电梯的全面检查、维护和调整,包括电梯的驱动系统、悬挂系统等,以延长电梯的使用寿命。
4.年度大保养:对电梯的主要部件进行全面检修、更换、调整,以确保电梯的安全和稳定运行。
三、保养要求1.业主应在物业公司通知的保养时间内,配合维修人员进行电梯保养工作,并积极配合物业公司的工作安排。
2.在保养期间,业主应尽量避免使用电梯,以确保维修人员的工作顺利进行,同时保证电梯的安全和舒适。
3.如果遇到电梯故障或异常情况,业主应及时报告物业公司,以便物业公司及时安排维修人员进行处理。
四、保养效果通过定期的电梯保养工作,可以保证电梯的安全、稳定运行,延长电梯的使用寿命,减少电梯的故障率,提高小区居民的生活品质。
五、保养意义电梯是小区居民的重要交通工具,它的安全、舒适、稳定运行与我们每个人的生活密切相关。
通过定期的电梯保养工作,可以保证电梯的安全和舒适,为居民提供良好的交通保障。
六、注意事项1.请注意保持电梯周围的环境整洁,禁止乱堆杂物或者在电梯内抽烟、喧哗或者其他不文明行为,以确保电梯的安全和舒适。
2.如发现电梯出现异常情况,请立即报告物业公司并切勿私自维修,以免造成不必要的损失。
电梯维护保养计划电梯维护保养可分为:半月保养、季度保养、半年保养、全年保养。
如厂家有特殊要求的,遵照厂家要求。
一、半月保养基本要求:1.电梯要求至少每半月保养一次,时间不少于二小时,要求维护人员做到定人、定时、定梯进行保养。
2.对电梯以下各部位要进行检查,确保其工作正常、清洁、润滑。
2.1电源开关、安全开关。
2.1.1控制柜总闸及极限开关各电器元件齐全无损伤,接线牢固。
2.1.2检查熔断器、熔丝接触情况,接点牢固,应无打火现象。
2.1.3急停、安全窗、井底、限位等安全开关应接触良好,动作正常、可靠。
不准跨接。
2.2曳引机:外观机体应保证清洁光亮。
2.2.1减速机a.运行时应平稳无异常振动。
b.减速箱油面高度应保持在规定的油位线之内。
c.减速箱油温不超过85℃。
2.2.2电动机a.电动机运行中不应有摩擦声、碰撞声或其它杂音,如有异声应停梯检查是否有异物侵入滑动轴承,轴承是否损坏。
b.电动机油位应在油镜中心附近。
c.电动机使用时环境温度不应高于40℃,温升不应高于铭牌规定。
d.电动机轴承窜量不大于4mm。
2.3.制动器。
2.3.1动作平稳可靠,不打滑,闸瓦接触面不小于70%。
2.3.2抱闸未打开时,闸瓦应抱合紧密,盘车轮不应用手能盘动。
2.3.3抱闸打开时,两侧间隙应一致,其四角间隙平均值两侧各不应大于0.7mm。
2.3.4抱闸开闭应灵活、自如,线圈温升不超过60℃。
2.4控制柜2.4.1柜内各电气元件应工作正常,仪表准确。
2.4.2无发热现象,各接触点接触严密无粘连烧损现象;2.4.3柜内反开关无油污无积尘。
2.5限速系统2.5.1限速轮:外观清洁,动作灵活,无明显月期打点,油路通畅,绳钳口处无异物油污、轮槽无异常磨损。
2.5.2涨绳轮及安全钳装置:外观清洁,油路通畅,转动平稳,张紧轮毡垫加油,安全钳各联动机构灵活,钳口与导轨侧工作面间隙在2-3mm间。
2.5.3选层系统选层器转动及滑动部分清洁及油量充足,接点清洁,压力适当。
八、日常维修保养范围:第一部分机房1、主机及控制柜无异音、无异味、无异常升温、确认检查。
电梯整机运行性能检查。
2、制动器行程、动作灵活检查,制动皮厚度测量。
3、曳引马达轴承加油,主机减速箱加油。
4、曳引轮槽磨损情况检查,曳引钢丝绳和限速器钢丝绳磨耗检查。
5、选层器清洁加油,链条调整。
6、主接触器动作情况检查,接点清理打磨。
7、控制柜清洁除尘,主回路控制线螺丝紧固,电阻管螺丝紧固。
8、各空气开关,极限开关检查。
9、限速器动作速度检查及清洁加油。
10、绝缘电阻定期检查。
第二部分轿厢、厅门11、开关门及门联锁,安全触板检查,门锁功能检查,整机运行试验。
12、开关门电机整流子,碳刷清洁检查。
13、门滑块螺丝紧固及磨耗检查。
14、内外门机械和电气调整,消除噪音。
15、轿厢照明(线路)、厅外、轿内指层、指令及指示灯检查。
16、应急灯检查、电话检查及电池供电时间记录。
17、整机开关性能检查。
18、厅门及轿门踏板、地坎轨道清理,门轨道,偏心轮调整检查。
第三部分井道、井底19、上下限位开关、极限开关、强迫减速开关安装尺寸,动作点及电气性能检查。
20、补偿链、曳引钢丝绳、限速器钢丝绳伸长情况检查。
21、厅门、撑架、对重的清扫。
22、钢片清洁抹油、张力检查和调整。
23、安全钳动作提拉力检查,安全钳系统的螺栓紧固及清洁。
24、导靴磨损情况,导靴安装尺寸调校。
25、随行电缆状况检查,感应器调整、隔磁板及感应器清理。
26、井道内导轨压板、连接板、撑架各螺栓紧固。
27、井道照明、限速器张紧轮开关位置是否正常。
28、所有安全保护电气开关性能检查。
九、其他:1、、本合同未涉及内容参照国家相关规定执行。
2、保养中产生的各类废弃物,由乙方按照环境管理法律法规及有关规定予以处理。
3、乙方应在合同签署前提供《年度维护保养计划,日常维护保养方案》。
4、日常维护保养记录和相关技术资料交甲方保存归档。
5、本合同以外经双方确认的附件、协议均视为本合同的组成部分,具有同等效力。
电梯年度保养计划机房定期保养项目与要求1检查发现机组、组励磁机、直流电动机与其碳刷首先停机检查项目:〔1〕清理各部位积垢〔清理整流子时,只能用毛刷、干布,不得用液体洗涤剂冲刷,不能用比铜硬的利器清理〕;〔2〕检查碳刷有无缺损〔3〕检查碳刷接线是否松脱,各部位螺丝是否上紧。
碳刷和整流子接触情况,检查整流子外表粗糙度,切勿划伤整流子。
如已划伤,伤痕较浅时可用砂布打磨光滑;划伤深至0.5mm以上时,需拆下重车。
重车修后的整流子片间下挖槽深度应符合要求。
槽中应无积碳。
〔4〕刷架弹簧的压力要适当,过紧,碳刷磨损块;过松,接触不良,火花大。
〔5〕轴承换油,滚动轴承换油。
〔6〕电动机线圈绝缘。
电梯运行时检查以下部位:〔1〕电梯有否异常响声和异常振动;线圈温升不应高于铭牌规定。
〔2〕碳刷有无火花,火花情况是否正常。
〔3〕轴头有否漏油;轴承温升不高于60℃。
2 曳引机〔1〕清洁各部位,检查油质,盘根密封的轴头平均每3-5min滴一滴油为正常,过多过少均不好。
采用密封环的轴头不应漏油,其余连接部位不应漏油。
〔2〕检查蜗轮蜗杆的磨损与其齿侧间隙,蜗杆轴的轴向窜动量应小于2mm。
〔3〕检查曳引轮槽有否磨损或变形。
各绳槽的磨损应一致,磨损深度差越过绳径的1/10时要车修至深度一致,或更换曳引轮。
〔4〕检查各部位螺栓是否拧紧。
〔5〕运行时检查有无异声,停车时有无震动。
3制动器分解〔1〕制动器各活动部位分解,检查闸芯磨损情况,清洁后加适量相应的润滑物。
〔2〕检查刹车鼓与刹车皮的磨损情况。
刹车皮磨损超过原厚度的1/4、露出铆钉、刹车皮老化均应更换,刹车皮应无油污。
〔3〕制动器线圈通电时,刹车皮与刹车鼓的两侧间隙要均匀。
〔4〕闸芯冲程,单闸芯的冲程应在2mm左右;双闸芯的冲程每侧应在1.5mm左右。
〔5〕两侧弹簧压力应均等。
〔6〕各接线端螺丝应紧固。
〔7〕刹车电接点,其开放距离应在1.5~2mm之间,检查接点有无脱落、烧蚀与火花情况。
电梯维护安排、方案.doc电梯维护安排、方案介绍本文档旨在制定一份电梯维护安排与方案,确保电梯设备的正常运行和安全性。
以下是我们的具体计划。
维护计划根据电梯使用情况和维护需求,我们建议实施以下维护计划:1. 定期维护:每月对电梯进行一次完全的维护检查,包括但不限于:定期维护:每月对电梯进行一次完全的维护检查,包括但不限于:- 电梯驱动系统的检查和维修;- 检查电梯排除故障系统的运行情况;- 检查电梯的安全装置和紧急制动装置;- 清洁电梯厢内和外部的墙壁、门等;- 检查电梯的照明和呼叫系统。
2. 季度保养:每季度对电梯进行一次全面保养,包括但不限于:季度保养:每季度对电梯进行一次全面保养,包括但不限于:- 替换电梯绳索;- 检查并润滑轴承和其他运动部件;- 仔细检查电梯安全装置的工作情况;- 检查电梯门的操作和密封性能。
维护方案为了有效执行维护计划,我们建议采取以下方案:1. 维护合同:与可靠的电梯维护公司签订合同,确保他们按计划执行维护工作,并在需要时提供紧急修理服务。
维护合同:与可靠的电梯维护公司签订合同,确保他们按计划执行维护工作,并在需要时提供紧急修理服务。
2. 维护记录:确保每次维护和保养都有详细记录,包括维护日期、维护时间、维护内容和发现的问题。
这有助于跟踪电梯的维护历史和及时解决问题。
维护记录:确保每次维护和保养都有详细记录,包括维护日期、维护时间、维护内容和发现的问题。
这有助于跟踪电梯的维护历史和及时解决问题。
3. 紧急维修:如果电梯出现故障或安全问题,我们将立即联系维护公司进行紧急维修。
同时,我们将确保所有的紧急联系信息都能够及时到达电梯用户。
紧急维修:如果电梯出现故障或安全问题,我们将立即联系维护公司进行紧急维修。
同时,我们将确保所有的紧急联系信息都能够及时到达电梯用户。
结论通过实施上述电梯维护计划和方案,我们将确保电梯设备的正常运行和用户的安全。
我们将定期维护、及时保养,并准备应对可能发生的紧急情况。
电梯年度保养计划篇一:电梯保养年度作业计划表电梯保养年度作业计划表篇二:小区2014年度电梯保养计划银海心悦小区2014年度电梯保养计划(一月份) 如遇特殊情况临时调整,必须另作文件加以说明银海心悦小区2014年度电梯保养计划(二月份) 如遇特殊情况临时调整,必须另作文件加以说明如遇特殊情况临时调整,必须另作文件加以说明如遇特殊情况临时调整,必须另作文件加以说明如遇特殊情况临时调整,必须另作文件加以说明篇三:电梯计划维修及保养规程电(扶)梯计划维修及保养规程1.0 目的规范电梯维修保养工作,确保电梯各项性能完好。
2.0 适用范围3.03.13.23.33.44.04.14.1.14.1.2a)b)适用于成都嘉宝管理顾问有限公司所管理辖区内的电梯维修保养。
职责电梯工负责电梯的日常巡检,并监督、检查分包单位对电梯的维修保养工作; 工程处主管负责组织、制定电梯维修保养年度计划,并具体组织、实施、监督维修保养工作; 客户服务部负责向有关用户通知电梯停用的情况; 工程经理负责审核《房屋及公用设备设施维修保养年度计划表》,并检查维修保养工作的实施情况。
程序要点电梯维修保养年度计划表的制定。
电梯管理单位应当保证电梯设备的完好和安全运行,应当按照《电梯维修技术要求》(,,,,,,,,,,,,)制定电梯年度维修计划,并加强日常的维修、保养和安全检查。
电梯大修或更新改造后,必须经劳动、质量监督部门或者经其授权的专业检验机构检验合格后,方可投入使用。
每年的12月15日之前,由工程处主管组织电梯工、维保单位一起研究、制定电梯维修保养年度计划,并上报工程经理审核。
制定电梯维修保养年度计划的原则是: 电梯使用的频度; 电梯的运行状况(故障隐患);c)合理时间(避开节假日、特殊活动日等)。
4.1.3 电梯维修保养年度计划应包括如下内容:(填写在《房屋及公用设备设施维修保养年度计划表》中)a)维修保养项目及内容;b)备品、备件计划;c)具体实施维修保养的时间;d)4.24.34.3.1a)b)c)4.3.2a)b)c)预计费用。
XX电梯有限公司
电梯保养信息公示单
项目名称:
电梯型号:
电梯信息:层站/ 速度M/S
电梯楼号:
本次维保电梯,按照特种设备安全技术规范(TSG T5002-2017)《电梯维护保养规则》内容要求,对电梯进行检查、调整、清洁、润滑等工作。
维保人员维保时间备注
例行保养
下次保养计划
例行保养
下次保养计划
例行保养
下次保养计划
例行保养
下次保养计划
例行保养
下次保养计划
例行保养
下次保养计划
例行保养
下次保养计划
例行保养
下次保养计划
例行保养
下次保养计划
例行保养
下次保养计划
例行保养
下次保养计划
例行保养
下次保养计划
例行保养
下次保养计划
例行保养。
物业设施保养工作表为了确保物业设施的正常运行和延长设备使用寿命,制定一套全面的设施保养计划至关重要。
本工作表提供了一个详细的物业设施保养计划,包括各类设施的保养内容、周期、方法和责任人。
一、设施分类1. 建筑结构2. 给排水系统3. 供电系统4. 供暖系统5. 空调通风系统6. 消防系统7. 安防监控系统8. 通信网络系统9. 电梯10. 绿化景观11. 公共设施二、保养内容1. 建筑结构:检查和维护外墙、屋顶、地面、梁柱等结构部件,防止渗漏、开裂和损坏。
2. 给排水系统:检查和疏通管道,定期清理水箱,确保给排水畅通无阻。
3. 供电系统:检查线路、开关、插座等设备,确保电气安全,预防电气火灾。
4. 供暖系统:检查供暖设备,包括锅炉、管道、散热器等,确保供暖效果。
5. 空调通风系统:检查空调设备、通风管道和风口,保持通风和制冷效果。
6. 消防系统:检查消防设备、报警装置和灭火器,确保消防设施正常运行。
7. 安防监控系统:检查监控设备、报警装置和门禁系统,确保安防设施正常运行。
8. 通信网络系统:检查通信设备,包括电话、网络、电视等,确保通信畅通。
9. 电梯:定期检查和维护电梯设备,确保电梯安全运行。
10. 绿化景观:修剪植被、施肥、浇水、除草等,保持绿化景观的美观。
11. 公共设施:检查和维护公共设施,如垃圾桶、座椅、健身器材等,确保公共区域整洁。
三、保养周期和方法1. 建筑结构:每年进行一次全面检查,发现问题及时修复。
2. 给排水系统:每季度进行一次检查和疏通,每年清洗水箱。
3. 供电系统:每月进行一次检查,每年进行一次全面检修。
4. 供暖系统:每年进行一次全面检查,发现问题及时修复。
5. 空调通风系统:每季度进行一次检查,每年进行一次深度清洁。
6. 消防系统:每半年进行一次检查,每年进行一次实战演练。
7. 安防监控系统:每月进行一次检查,每年进行一次设备升级。
8. 通信网络系统:每月进行一次检查,每年进行一次设备升级。
为了保证电梯的安全性能和正常运行,根据《电梯使用管理与维护保养规则·TSG T5001-2009》的要求而制定电梯的维保计划与方案。
一、电梯维保前的准备工作1、和使用单位签订维保合同,约定维保的内容、要求、期限;双方的权利、义务与责任。
协助使用单位建立相应的安全操作规程、日常检查制度、定期检检制度、电梯钥匙使用管理制度、意外事件或者事故的应急救援演习制度、安全技术档案管理制度。
2、对新承担维保的电梯是否符合安全技术规范要求进行确认。
3、对新承担维保的电梯立即建立技术档案,要求一机一档,档案至少保存4年。
4、根据新承担维保的电梯的技术参数、规格及数量,确定维保人员或班组,并对他们进行安全教育与技术培训。
5、在电梯轿厢内与能引起乘客注意的显著位置,张贴有效的《安全检验合格》标志、安全注意事项、警示标志、应急救援电话和维保单位名称及其急修、投诉电话。
二、电梯维保工作1、各班组及驻外维修点根据各自管辖的电梯数量、使用情况每月末编制下月《电梯维保工作计划编排表》交工程部经理审核批准实施。
2、半月维保:基本项目和要求分别见《电梯维护保养工作记录》中的1~27项,《自动扶梯维护保养工作记录》中的1~31项。
3、季度维保:基本项目和要求分别见《电梯维护保养工作记录》中的1~40项,《自动扶梯维护保养工作记录》中的1~36项。
4、半年度维保:基本项目和要求分别见《电梯维护保养工作记录》中的1~54项,《自动扶梯维护保养工作记录》中的1~47项。
5、年度维保:基本项目和要求分别见《电梯维护保养工作记录》中的全部项目,《自动扶梯维护保养工作记录》中的全部项目。
6、维保项目的维修调校保养具体要求同时引用参照各品牌型号电梯的维保指导书。
7、在维保过程中如发现电梯零配件需更换,应书面填写在维保单据上并告知客户详情,各班组应及时收集零配件更换信息上报公司报价或联系客户确认更换。
8、维保工作记录必须认真无误填写并经使用单位安全管理人员签字确认。
一、概述为确保电梯设备的安全、稳定运行,提高服务质量,保障业主、住户的生命财产安全,特制定本电梯维保月工作计划。
本月工作重点包括电梯日常保养、故障排查、设备检查及安全隐患整改等。
二、工作目标1. 电梯设备运行正常,故障率控制在合理范围内;2. 及时发现并排除电梯安全隐患,确保电梯安全运行;3. 提高业主、住户对电梯安全的认知,营造安全、舒适的乘梯环境。
三、工作内容1. 日常保养(1)对电梯进行全面清洁,包括轿厢、轿顶、机房等;(2)检查电梯开关门、轿厢应急照明、对讲电话等设备是否正常;(3)检查补偿链、底坑、轿顶、机房等部位是否存在积水或脏物;(4)紧固螺丝,检查厅门及厅门锁工作情况,并做安全钳联动试验;(5)检查轿厢和对重导靴油杯油量是否足够;(6)检查变压箱、电阻器、电抗器温度是否正常,有无过热现象。
2. 故障排查(1)接到故障报告后,及时响应,尽快到达现场;(2)根据故障现象,分析原因,采取相应措施进行处理;(3)对故障原因进行总结,为后续预防提供依据。
3. 设备检查(1)检查电梯平层情况及各层厅门关闭动作;(2)检查制动器是否正常,制动线圈是否过热,制动轮是否有油污;(3)紧固螺丝,检查外呼显示及按钮情况;(4)检查底坑、轿顶、机房各安全回路开关是否正常;(5)检查曳引钢丝绳的张力及钢丝绳磨损情况;(6)检查指示仪表、指示灯是否正常,各继电器、接触动作是否正常,有无异常声响。
4. 安全隐患整改(1)对发现的电梯安全隐患进行详细记录;(2)制定整改方案,明确整改责任人、整改时间;(3)跟踪整改进度,确保隐患得到及时整改。
四、工作要求1. 严格执行电梯保养规范,确保保养质量;2. 加强与业主、住户的沟通,了解他们的需求和意见;3. 定期对电梯保养人员进行培训,提高其业务水平;4. 对电梯保养情况进行总结,为后续工作提供参考。
五、工作安排1. 每月进行两次全面保养,分别安排在月初和月中;2. 对故障报告及时响应,确保在第一时间解决问题;3. 定期对电梯保养情况进行检查,确保保养质量。
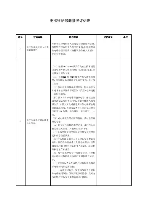
质量体系文件编号:电梯维保计划方案--适合曳引式电梯、杂物电梯、液压电梯、自动扶梯及自动人行道合同号:梯号:项目名称用户单位安装单位项目地址编制日期审核日期批准日期*********有限公司一、目的:为了规范电梯的使用管理与日常维护保养,细化对工作的要求,提高所维保电梯的安全性能。
按照TSG T5002-2017《电梯使用管理与维护保养规则》及其有关安全技术规范以及电梯产品安装使用维护说明书的要求,根据保养电梯使用的特点,制定维保计划方案书。
并制定电梯维保计划。
二、人员配备与维修保养服务承诺:我公司对维保电梯的安全性能负责。
对新承担维保的电梯是否符合安全技术规范要求应当进行确认,维保后的电梯应当符合相应的安全技术规范,并且处于正常的运行状态。
1、每个班组由两人或两人以上对电梯进行维修保养,维修保养完后,及时进行详细的记录;2、制定电梯的应急措施和救援预案、每半年至少针对本单位维保的不同类别(类型)电梯进行一次应急演练。
3、设立24小时维保值班电话,保证接到故障通知后及时予以排除,接到电梯困人故障报告后,维修人员及时抵达所维保电梯所在地实施现场救援,区内的抵达时间不超过30分钟,其他地区一般不超过1小时;4、对电梯发生的故障等情况,及时进行详细的记录;5、建立每部电梯的维保记录,并且归入电梯存档档案,档案至少保存4年;6、协助使用单位制定电梯的安全管理制度何应急救援预案;7、对承担维保的作业人员进行安全教育与培训,按照特种社保作业人员考核要求,组织取得相应的《特种社保作业人员证》,培训和考核记录存档备查,日常做的对维修人员进行的安全教育与培训的培训和考核记录也需存档备查;8、每年度至少进行1次自行检查,自行检查在特种设备检验检测机构进行定期检验之前进行,自行检查项目不少于年度维保和电梯定期检验规定的项目及其内容,并且向使用单位出具有自行检查和审核人员的签字、加盖维保单位公章或者其它专用章的自行检查记录或者报告;9、安排维保人员配合特种设备检验检测机构进行电梯的定期检验;10、在维保过程中,发现事故隐患及时告知电梯使用单位;发现严重事故隐患,及时向当地质量技术监督部门报告。
电梯维修保养计划公告尊敬的业主朋友们:为了保障小区电梯的正常运行和安全使用,提高居民生活品质,我公司将进行电梯的维修保养工作。
特此公告维修保养计划,希望各位业主朋友们能够予以理解和配合。
一、维修保养时间安排根据实际情况,我们计划将维修保养工作划分为每季度一次的定期维护和不定期的应急维修。
具体维修保养时间安排如下:1. 定期维护时间(1)维修保养时间:每年的3月、6月、9月和12月。
(2)具体维修保养时间将在临近维修日期前通过小区公告栏以及App通知业主。
2. 应急维修时间(1)当电梯出现故障或其他紧急情况时,我们将立即组织专业技术人员进行维修。
(2)业主可通过小区物业办公室或者电话报修,我们将优先处理维修任务。
二、维修保养内容1. 定期维护内容(1)电梯运行检查:包括电梯上下行平稳性检查、电梯行程限制器和减速器性能检查等。
(2)电梯门系统检查:包括开门和关门机构的工作可靠性检查、门锁的功能检查等。
(3)电梯轿厢内设备检查:包括按钮、显示屏、对讲系统、照明系统等的功能检查。
2. 应急维修内容(1)急修故障排除:包括电梯停运、屡次误动等突发故障的处理。
(2)紧急维修:包括电梯部件更换、系统安全检查等。
三、维修保养费用电梯的维修保养费用将由小区业主共同承担,具体费用按照业主所居住楼栋及电梯使用情况进行分摊。
详细的费用清单将通过小区物业管理部门另行通知。
四、维修保养的重要性1. 提高居民生活品质电梯是我们日常生活中必不可少的交通工具,定期维修保养可以保障电梯的正常运行,减少故障发生的概率,为居民创造一个舒适、安全的居住环境。
2. 增强电梯的安全性定期维修保养可以及时发现和排除存在的故障隐患,保证电梯的稳定运行,避免意外事故的发生,最大限度地保障居民的人身安全。
3. 延长电梯的使用寿命通过定期维修保养,我们可以及时更换电梯部件,保持电梯设备的正常运转,延长电梯的使用寿命,降低维修成本。
五、总结电梯的维修保养工作是一项复杂而又重要的任务,需要每一位业主的支持和配合。