(完整版)电梯日常维护保养记录
- 格式:doc
- 大小:183.51 KB
- 文档页数:11
电梯维护保养记录表注册代码:使用单位:使用编号:维保单位:年度注意事项1、本记录为规范电梯日常维护保养而制定。
2、本记录由维修保养单位专业持证人员用钢笔填写,字迹应工整,不允许涂改,用双划线划改且应签划改人员姓名及日期。
3、本记录一式两份。
一份由使用单位管理保存,保存期不少于二年。
一份由维护保养单位保存,保存期不少于四年。
4、本记录无维修保养单位专业持证人员及使用单位管理持证人员签章无效。
5、本记录中定量结果应填写实测数据;定性结果应填写文字说明。
凡齐全、有效、正常和合格的用标记“√”表示,凡缺项、无效、异常和不合格的用标记“×”表示,凡无此项的用标记“/”表示。
6、本记录填写必需属实。
7、本记录填写人员须对所填写的数据真实性负相关法律责任。
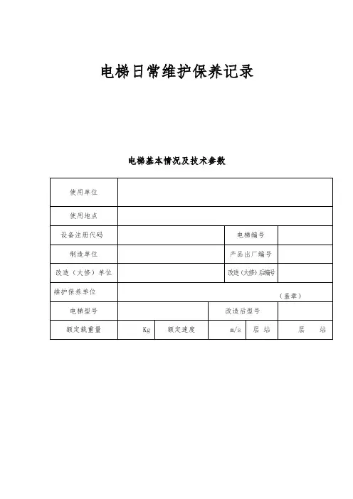
电梯基本情况和技术参数使用单位使用地点用户编号使用管理部门电话注册代码电梯型号制造单位出厂编号额定载重量Kg/ 人额定速度m/s 层站数层站控制方式安装单位投用日期年月日改造(大修)单位改造日期年月日维护保养单位电话以上信息变更记录电梯半月维护保养记录表本次维保起止时间年月日时分——年月日时分下次维保日期年月日维保现场条件1、机房温度应保持在5~40℃之间,湿度应保持在电梯及检验所允许的范围内:符合不符合2、电网输入电压应正常,其波动应在额定电压值±7%的范围内:符合不符合3、空气中不应含有腐蚀性和易燃性气体及导电尘埃,特种电梯工作环境中腐蚀性和可燃气体及导电尘埃不应该超过该电梯额定指标:符合不符合4、作业现场(主要指机房、轿顶、底坑)应清洁,不应有与电梯工作无关的物品和设备,相关现场应放置表明正在进行检验的警示牌:符合不符合本次维保发现的的事故隐患及处理方式:要求增加保养项目以及故障描述、配件更换记录:更改下次维护保养时间的原因:电梯半月维护保养记录表序号维保项目基本要求维保情况1 机房、滑轮间干净、整洁,门窗完好,照明正常。
2 手动紧急操作装置齐全,放置在指定的位置3 曳引机运行时无异常振动和异常声响4 制动器各销轴部位进行润滑,保证其动作灵活5 制动器在打开时制动衬与制动轮无摩擦6 编码器安装牢固,干净。
电梯日常维修保养内容电梯是以人或货物为服务对象一起重运输设备之一,要做到服务良好并且避免发生事故。
所以必须对电梯进行往常的、定期的维护。
要使电梯能正常运行、减少故障、避免发生事故,延长电梯的使用受命,电梯的日常检查保养工作就显得十分重要,日常检查保养是确保电梯安全运行的重要条件。
电梯的日常检查保养应建立日、周、月、季、年检查保养制度,并由电梯维修工执行。
电梯的维修人员每日工作前对自己负责维护的电梯作准备性的试车,并应每日对机房内的机械和电气设备作巡视性检查。
1.电梯的日检查保养一、电梯轿厢外部检查项目:1、轿厢厅门和轿门是否存在严重变形、磨损、生锈、腐蚀现象;开关门有无异响。
2、轿厢前地坎及上坎是否清洁无积尘;3、通道是否通畅无障碍物,是否有适当有效的照明措施。
4、按钮是否无明显的老化、损伤;标示是否清晰,功能是否正常5、显示器表面是否破损、显示状态正确无误二、电梯轿厢内部检查项目:1、轿厢是否整洁无杂物;2、轿厢内壁是否存在严重的变形、磨损、生锈、腐蚀现象;3、按钮、开关是否无明显的老化、损伤;标示是否清晰,功能是否正常;4、显示器表面是否无破损、显示状态正确无误;5、轿厢内照明和通风装置工作是否正常;6、是否有政府机关的年度检查维护卡,查看维护卡是否到期。
7、检查电梯内的报警电话是否可以使用8、轿厢运行是否安稳、有无异响3、电梯掌握柜内搜检项目:1、有无元器件烧焦(味道)、打火花(观察)、过热(触摸)、异响(听)2.电梯的XXX保养1)检查抱闸间隙,抱闸间隙应保证在0.7mm之内且均匀。
间隙过大时应予以调整,紧固连接螺栓。
2)搜检安全装置的工作情况,发现题目及时处置惩罚。
3)检查调整电梯的平层装置应正常。
4)检查轿内按钮动作情况。
5)检查轿内信号(指示器、蜂鸣器等)。
6)检查轿门开关工作情况及完好性。
7)检查轿内风扇及照明工作情况及完好性。
8)检查曳引绳的工作情况及连接情况是否正常。
3.电梯的月检查保养1)对电梯减速器作一次仔细检查。
说明
1、本维护保养记录适用于乘客电梯、载货电梯的日常维护保养。
2、本维护保养记录的内容及基本要求均遵守国家质量监督检验检疫总局制定的《电梯使用管理与维护保养规则》(TSG T5002-2017)的各项规定。
3、如果某些电梯没有表中的项目(内容),如有的电梯不含有某种部件,项目(内容)可适当进行调整;
4、维保项目(内容)和要求中对测试、试验有明确规定的,应当按照规定进行测试、试验,没有明确规定,一般为检查、调整、清洁和润滑;
5、维保基本要求,规定为“符合标准”的,有国家标准应当符合国家标准,没有国家标准的应当符合行业标准、企业标准;
6、维保基本要求,规定为“制造单位要求”的,按照制造单位的要求,其他没有明确的“要求”,应当为安全技术规范、标准或者制造单位等的要求。
7、日常维护保养记录须由维护保养人员及使用单位安全管理人员签字,不准代签签字,并对检验结果的公正性、可靠性和准确性负责。
8、凡各单项“维保项目”符合维保基本要求的均在“维保结果”中填写“符合”,不符合维保基本要求的均填写“不符合”,无此项的均填写“无此项”。
记录中不应遗留空白表格,
9、现场维保时,如果发现电梯存在的问题需要通过增加维保项目(内容)予以解决,应当相应增加并且及时调整维保计划与方案。
10、如果通过维保或者自行检查,发现电梯仅依靠合同规定的维保内容已经不能保证安全运行,需要改造、维修或者更换零部件、更新电梯时,应该向使用单位书面提出。
11、维保单位的质量检验(查)人员或者管理人员应当对电梯的维保质量进行不定期检查,并且进行记录。
办公楼电梯设备设施维护维修记录
1. 背景
本文档记录了办公楼电梯设备设施的维护维修记录。
维护和保养电梯设备是确保其正常运行和安全性的关键。
2. 维护维修记录
3. 总结
电梯的维护维修是确保其持续运行和安全的重要环节。
根据上述记录可以看出,我们的办公楼电梯定期进行维护和检修工作,保证其设备设施的良好状态。
维护和维修人员的工作十分重要,他们对电梯设备的运行情况进行了全面的检查和维护,保障了办公楼员工的安全和便利。
以上是办公楼电梯设备设施维护维修记录,希望能对您有所帮助。
如有任何问题或需要进一步的信息,请随时与我们联系。
参考文献:。
电梯日常维护保养记录电梯基本情况及技术参数
北京鑫菱伟业机电设备有限公司
电梯故障修理记录(年)
半月维护保养项目(内容)及要求
月维护保养项目(内容)及要求
月维护保养项目(内容)及要求(续)
半月维护保养项目(内容)及要求
月维护保养项目(内容)及要求
月维护保养项目(内容)及要求(续)
半月维护保养项目(内容)及要求
季度维护保养项目(内容)及要求
季度维护保养项目(内容)及要求(续)
半月维护保养项目(内容)及要求
月维护保养项目(内容)及要求
月维护保养项目(内容)及要求(续)
半月维护保养项目(内容)及要求
月维护保养项目(内容)及要求
月维护保养项目(内容)及要求(续)
半年维护保养项目(内容)及要求(续)
半月维护保养项目(内容)及要求
月维护保养项目(内容)及要求
月维护保养项目(内容)及要求(续)
半月维护保养项目(内容)及要求
月维护保养项目(内容)及要求
月维护保养项目(内容)及要求(续)
季度维护保养项目(内容)及要求(续)
半月维护保养项目(内容)及要求
月维护保养项目(内容)及要求
月维护保养项目(内容)及要求(续)
半月维护保养项目(内容)及要求
月维护保养项目(内容)及要求
月维护保养项目(内容)及要求(续)
半月维护保养项目(内容)及要求。
电梯维护保养记录表注册代码:使用单位:使用编号:维保单位:年度注意事项1、本记录为规范电梯日常维护保养而制定。
2、本记录由维修保养单位专业持证人员用钢笔填写,字迹应工整,不允许涂改,用双划线划改且应签划改人员姓名及日期。
3、本记录一式两份。
一份由使用单位管理保存,保存期不少于二年。
一份由维护保养单位保存,保存期不少于四年。
4、本记录无维修保养单位专业持证人员及使用单位管理持证人员签章无效。
5、本记录中定量结果应填写实测数据;定性结果应填写文字说明。
凡齐全、有效、正常和合格的用标记“√”表示,凡缺项、无效、异常和不合格的用标记“×”表示,凡无此项的用标记“/”表示。
6、本记录填写必需属实。
7、本记录填写人员须对所填写的数据真实性负相关法律责任。
电梯基本情况和技术参数使用单位使用地点用户编号使用管理部门电话注册代码电梯型号制造单位出厂编号额定载重量Kg/ 人额定速度m/s 层站数层站控制方式安装单位投用日期年月日改造(大修)单位改造日期年月日维护保养单位电话以上信息变更记录电梯半月维护保养记录表本次维保起止时间年月日时分——年月日时分下次维保日期年月日维保现场条件1、机房温度应保持在5~40℃之间,湿度应保持在电梯及检验所允许的范围内:符合不符合2、电网输入电压应正常,其波动应在额定电压值±7%的范围内:符合不符合3、空气中不应含有腐蚀性和易燃性气体及导电尘埃,特种电梯工作环境中腐蚀性和可燃气体及导电尘埃不应该超过该电梯额定指标:符合不符合4、作业现场(主要指机房、轿顶、底坑)应清洁,不应有与电梯工作无关的物品和设备,相关现场应放置表明正在进行检验的警示牌:符合不符合本次维保发现的的事故隐患及处理方式:要求增加保养项目以及故障描述、配件更换记录:更改下次维护保养时间的原因:电梯半月维护保养记录表序号维保项目基本要求维保情况1 机房、滑轮间干净、整洁,门窗完好,照明正常。
2 手动紧急操作装置齐全,放置在指定的位置3 曳引机运行时无异常振动和异常声响4 制动器各销轴部位进行润滑,保证其动作灵活5 制动器在打开时制动衬与制动轮无摩擦6 编码器安装牢固,干净。
体系编号:(公司名称)电梯日常维护保养记录(乘客电梯/载货电梯)石家庄市质量技术监督局编制编制及填写说明1、本记录适用于乘客电梯、载货电梯的日常维护保养。
2、本记录的维保项目及基本要求A类项按照国家质量监督检验检疫总局制定的《电梯使用管理与维护保养规则》(TSG T5001-2009)制定,属于强制性周期保养项目。
B类项为电梯维保单位根据电梯制造单位要求或本单位维保工艺要求增加的项目(项目编号前需增加“B-”标识),电梯维保单位可根据不同型号电梯的要求在空白表格处增加相应项目。
3、维保项目(内容)和要求中对测试、试验有明确规定的,应当按照规定进行测试、试验,没有明确规定,一般为检查、调整、清洁和润滑。
4、维保基本要求,规定为“符合标准”的,有国家标准应当符合国家标准,没有国家标准的应当符合行业标准、企业标准。
5、维保基本要求,规定为“制造单位要求”的,按照制造单位的要求,其他没有明确的“要求”,应当为安全技术规范、标准或者制造单位等的要求。
6、已完成保养、更换部件和经测试、试验功能正常的项目,在相应周期栏中划“√“,保养中发现不正常项目和需调整或更换部件的项目,在相应周期栏中划”ד,并在备注栏中说明,无此项目的划”/“。
7、现场维保时,如果发现电梯存在的问题需要通过增加维保项目(内容)予以解决,应当相应增加并且及时调整维保计划与方案,相关情况应在备注栏中说明。
8、本记录“日常维护保养记录”页一式两联,每次完成保养工作,记录填写完整后,需经保养人员和使用单位安全管理人员签字,手写联由保养公司存档(整本保存,保存期限至少4年),复写联交客户存档。
日常维护保养记录-乘客/载货电梯(半月/季度/半年)维保单位受控文件号本页一式两份,分别由维保单位和客户留存维护保养记录-乘客/载货电梯(年度)A-35靴衬、滚轮A-36验证轿门关闭的电气安全装置A-37层门、轿门系统中传动钢丝绳/链条/胶带A-38层门门导靴备注部件更换记录、存在问题及建议等维保人员签字:年月日使用单位安全管理人员签字:维保单位受控文件号本页一式两份,分别由维保单位和客户留存。
电梯日常维修保养规程一、维护工作范围1.电梯井道和机房的清洁和消毒;2.电梯门区和轿厢的清洁和消毒;3.电梯电气线路检查和故障排除;4.电梯运行轨道和导轨的检查和维护;5.电梯传动系统的检查和维护;6.电梯控制和安全系统的维护和检查;7.电梯传感器和监视器的维护和检查;8.电梯紧急救援设备的维护和检查;9.电梯开关和按钮的检查和维护;10.其他与电梯安全和运行有关的维护工作。
二、维护周期1.日常维护:每天进行电梯井道、机房、门区和轿厢的清洁和消毒工作;2.周次维护:每周进行电梯电气线路、运行轨道、导轨和传动系统的检查和维护工作;3.月次维护:每月进行电梯控制和安全系统、传感器和监视器、紧急救援设备的维护和检查工作;4.季度维护:每季度进行电梯开关和按钮的检查和维护工作;5.年度维护:每年进行全面的电梯维护和检查,包括电梯的安全性能和运行状态的评估。
三、维护方法1.清洁和消毒:使用合适的清洁剂和工具,对电梯井道、机房、门区和轿厢进行清洁和消毒;2.检查和维护:对电梯的电气线路、运行轨道、导轨、传动系统、控制和安全系统、传感器和监视器、紧急救援设备、开关和按钮等进行定期检查和维护;3.故障排除:如果发现电梯出现故障或异常情况,应及时进行排查和修复;4.维护记录:对每次维护工作进行记录,包括维护的内容、时间、人员等,以备查阅和跟踪。
四、维护要求1.维护人员应具备专业的电梯维护和修理技能,并定期接受培训和考核;2.维护人员应佩戴适当的防护装备,并遵守相关安全操作规程;3.维护人员应按照规定的维护周期和方法进行工作,确保电梯安全可靠;4.维护人员应及时记录维护工作,保留相关证据和材料;5.维护人员应定期对电梯进行评估和检验,确保电梯的安全性能和运行状态符合规定要求;6.维护人员应及时处理电梯的故障和异常情况,并向相关部门报告。
五、维护效果评估1.根据维护记录和维护工作的完成情况,对维护效果进行评估;2.评估包括电梯的安全性能、运行状态、故障率等方面的综合指标;3.评估结果可以作为维护工作的改进和调整的依据。
通和电梯日常维护保养记录(客梯、货梯日常维护和保养)使用单位安装地点设备编号维保单位(章)维保期限年月日至年月日注意事项1、本记录为规电梯日常维护保养而制定。
2、本记录由维修保养单位专业持证人员用钢笔填写,字迹应工整,不允许涂改,用双划线划改且应签划改人员及日期。
3、本记录一式两份。
一份由使用单位管理保存,保存期不少于二年。
一份由维护保养单位保存,保存期不少于四年。
4、本记录无维修保养单位专业持证人员及使用单位管理持证人员签章无效。
5、本记录中定量结果应填写实测数据;定性结果应填写文字说明。
凡齐全、有效、正常和合格的用标记“√”表示,凡缺项、无效、异常和不合格的用标记“×”表示,凡无此项的用标记“/”表示。
6、本记录填写必需属实。
7、本记录填写人员须对所填写的数据真实性负相关法律责任。
电梯基本情况和技术参数电梯半月维护保养记录表维保单位(维保人员):日期:年月日使用单位(安全管理人员):日期:年月日维保单位(维保人员):日期:年月日使用单位(安全管理人员):日期:年月日维保单位(维保人员):日期:年月日使用单位(安全管理人员):日期:年月日维保单位(维保人员):日期:年月日使用单位(安全管理人员):日期:年月日维保单位(维保人员):日期:年月日使用单位(安全管理人员):日期:年月日电梯季度维护保养记录表(第1次)维保单位:日期:使用单位:日期:维保单位(维保人员):日期:年月日使用单位(安全管理人员):日期:年月日维保单位(维保人员):日期:年月日使用单位(安全管理人员):日期:年月日维保单位(维保人员):日期:年月日使用单位(安全管理人员):日期:年月日维保单位(维保人员):日期:年月日使用单位(安全管理人员):日期:年月日维保单位(维保人员):日期:年月日使用单位(安全管理人员):日期:年月日电梯半年维护保养记录表维保单位:日期:使用单位:日期:维保单位(维保人员):日期:年月日使用单位(安全管理人员):日期:年月日维保单位(维保人员):日期:年月日使用单位(安全管理人员):日期:年月日电梯半月维护保养记录表(第15次)维保单位(维保人员):日期:年月日使用单位(安全管理人员):日期:年月日电梯半月维护保养记录表(第16次)维保单位(维保人员):日期:年月日使用单位(安全管理人员):日期:年月日电梯半月维护保养记录表(第17次)维保单位(维保人员):日期:年月日使用单位(安全管理人员):日期:年月日电梯季度维护保养记录表(第3次)维保单位:日期:使用单位:日期:维保单位(维保人员):日期:年月日使用单位(安全管理人员):日期:年月日维保单位(维保人员):日期:年月日使用单位(安全管理人员):日期:年月日维保单位(维保人员):日期:年月日使用单位(安全管理人员):日期:年月日维保单位(维保人员):日期:年月日使用单位(安全管理人员):日期:年月日维保单位(维保人员):日期:年月日使用单位(安全管理人员):日期:年月日电梯年度维护保养记录增加项目表电梯年度维护保养记录表维保单位:日期:使用单位:日期:续表。
附件盖普电梯电梯日常维护保养记录电梯基本情况与技术参数(印制使用单位名称)说明1、本维护保养记录适用于乘客电梯、载货电梯的日常维护保养。
2、本维护保养记录的容与基本要求均遵守国家质量监督检验检疫总局制定的《电梯使用管理与维护保养规则》(TSG T5001-2009)的各项规定。
3、如果某些电梯没有表中的项目(容),如有的电梯不含有某种部件,项目(容)可适当进行调整;4、维保项目(容)和要求中对测试、试验有明确规定的,应当按照规定进行测试、试验,没有明确规定,一般为检查、调整、清洁和润滑;5、维保基本要求,规定为“符合标准”的,有国家标准应当符合国家标准,没有国家标准的应当符合行业标准、企业标准;6、维保基本要求,规定为“制造单位要求”的,按照制造单位的要求,其他没有明确的“要求”,应当为安全技术规、标准或者制造单位等的要求。
7、日常维护保养记录须由维护保养人员与使用单位安全管理人员签字,不准代签签字,并对检验结果的公正性、可靠性和准确性负责。
8、凡各单项“维保项目”符合维保基本要求的均在“维保结果”中填写“符合”,不符合维保基本要求的均填写“不符合”,无此项的均填写“无此项”。
记录中不应遗留空白表格,9、现场维保时,如果发现电梯存在的问题需要通过增加维保项目(容)予以解决,应当相应增加并且与时调整维保计划与方案。
10、如果通过维保或者自行检查,发现电梯仅依靠合同规定的维保容已经不能保证安全运行,需要改造、维修或者更换零部件、更新电梯时,应该向使用单位书面提出。
11、维保单位的质量检验(查)人员或者管理人员应当对电梯的维保质量进行不定期检查,并且进行记录。
. . . .3 / 24. . . .5 / 24. . . . 半年维保项目(容)和要求7 / 24. . . .年度维保项目(容)和要求9 / 24年度维保项目(容)和要求(续). . . .11 / 24盖普电梯自动扶梯和自动人行道日常维护保养记录自动扶梯和自动人行道基本情况与技术参数(印制使用单位名称). . . .说明1、本维护保养记录适用于自动扶梯和自动人行道的日常维护保养。
电梯日常维护保养记录电梯基本情况及技术参数说明1、本维护保养记录适用于乘客电梯、载货电梯的日常维护保养。
2、本维护保养记录的内容及基本要求均遵守国家质量监督检验检疫总局制定的《电梯使用管理与维护保养规则》(TSG T5002-2017)的各项规定。
3、如果某些电梯没有表中的项目(内容),如有的电梯不含有某种部件,项目(内容)可适当进行调整;4、维保项目(内容)和要求中对测试、试验有明确规定的,应当按照规定进行测试、试验,没有明确规定,一般为检查、调整、清洁和润滑;5、维保基本要求,规定为“符合标准”的,有国家标准应当符合国家标准,没有国家标准的应当符合行业标准、企业标准;6、维保基本要求,规定为“制造单位要求"的,按照制造单位的要求,其他没有明确的“要求",应当为安全技术规范、标准或者制造单位等的要求。
7、日常维护保养记录须由维护保养人员及使用单位安全管理人员签字,不准代签签字,并对检验结果的公正性、可靠性和准确性负责.8、凡各单项“维保项目"符合维保基本要求的均在“维保结果”中填写“符合",不符合维保基本要求的均填写“不符合",无此项的均填写“无此项”。
记录中不应遗留空白表格,9、现场维保时,如果发现电梯存在的问题需要通过增加维保项目(内容)予以解决,应当相应增加并且及时调整维保计划与方案。
10、如果通过维保或者自行检查,发现电梯仅依靠合同规定的维保内容已经不能保证安全运行,需要改造、维修或者更换零部件、更新电梯时,应该向使用单位书面提出.11、维保单位的质量检验(查)人员或者管理人员应当对电梯的维保质量进行不定期检查,并且进行记录。
月维保项目(内容)和要求季维保项目(内容)和要求季维保项目(内容)和要求(续)半月维保项目(内容)和要求年度维保项目(内容)和要求(续)年度维保项目(内容)和要求(续)。
附件湖北盖普电梯有限公司电梯日常维护保养记录电梯基本情况及技术参数(印制使用单位名称)说明1、本维护保养记录适用于乘客电梯、载货电梯的日常维护保养。
2、本维护保养记录的内容及基本要求均遵守国家质量监督检验检疫总局制定的《电梯使用管理与维护保养规则》(TSG T5001-2009)的各项规定。
3、如果某些电梯没有表中的项目(内容),如有的电梯不含有某种部件,项目(内容)可适当进行调整;4、维保项目(内容)和要求中对测试、试验有明确规定的,应当按照规定进行测试、试验,没有明确规定,一般为检查、调整、清洁和润滑;5、维保基本要求,规定为“符合标准”的,有国家标准应当符合国家标准,没有国家标准的应当符合行业标准、企业标准;6、维保基本要求,规定为“制造单位要求”的,按照制造单位的要求,其他没有明确的“要求",应当为安全技术规范、标准或者制造单位等的要求。
7、日常维护保养记录须由维护保养人员及使用单位安全管理人员签字,不准代签签字,并对检验结果的公正性、可靠性和准确性负责。
8、凡各单项“维保项目”符合维保基本要求的均在“维保结果”中填写“符合",不符合维保基本要求的均填写“不符合”,无此项的均填写“无此项"。
记录中不应遗留空白表格,9、现场维保时,如果发现电梯存在的问题需要通过增加维保项目(内容)予以解决,应当相应增加并且及时调整维保计划与方案。
10、如果通过维保或者自行检查,发现电梯仅依靠合同规定的维保内容已经不能保证安全运行,需要改造、维修或者更换零部件、更新电梯时,应该向使用单位书面提出。
11、维保单位的质量检验(查)人员或者管理人员应当对电梯的维保质量进行不定期检查,并且进行记录。
半年维保项目(内容)和要求年度维保项目(内容)和要求年度维保项目(内容)和要求(续)湖北盖普电梯有限公司自动扶梯和自动人行道日常维护保养记录自动扶梯和自动人行道基本情况及技术参数(印制使用单位名称)说明1、本维护保养记录适用于自动扶梯和自动人行道的日常维护保养。
电梯日常维护保养记录电梯基本情况及技术参数
说明
1、本维护保养记录适用于乘客电梯、载货电梯的日常维护保养。
2、本维护保养记录的内容及基本要求均遵守国家质量监督检验检疫总局制定的《电梯使用管理与维护保养规则》(TSG T5002-2017)的各项规定。
3、如果某些电梯没有表中的项目(内容),如有的电梯不含有某种部件,项目(内容)可适当进行调整;
4、维保项目(内容)和要求中对测试、试验有明确规定的,应当按照规定进行测试、试验,没有明确规定,一般为检查、调整、清洁和润滑;
5、维保基本要求,规定为“符合标准”的,有国家标准应当符合国家标准,没有国家标准的应当符合行业标准、企业标准;
6、维保基本要求,规定为“制造单位要求”的,按照制造单位的要求,其他没有明确的“要求”,应当为安全技术规范、标准或者制造单位等的要求。
7、日常维护保养记录须由维护保养人员及使用单位安全管理人员签字,不准代签签字,并对检验结果的公正性、可靠性和准确性负责。
8、凡各单项“维保项目”符合维保基本要求的均在“维保结果”中填写“符
合”,不符合维保基本要求的均填写“不符合”,无此项的均填写“无此项”。
记录中不应遗留空白表格,
9、现场维保时,如果发现电梯存在的问题需要通过增加维保项目(内容)予以解决,应当相应增加并且及时调整维保计划与方案。
10、如果通过维保或者自行检查,发现电梯仅依靠合同规定的维保内容已经不能保证安全运行,需要改造、维修或者更换零部件、更新电梯时,应该向使用单位书面提出。
11、维保单位的质量检验(查)人员或者管理人员应当对电梯的维保质量进行不定期检查,并且进行记录。
半月维保项目(内容)和要求
月维保项目(内容)和要求
季维保项目(内容)和要求
季维保项目(内容)和要求(续)
半月维保项目(内容)和要求
年度维保项目(内容)和要求(续)
年度维保项目(内容)和要求(续)。